ПНСТ 283-2018 ТРАНСФОРМАТОРЫ ИЗМЕРИТЕЛЬНЫЕ. Часть 2. ТЕХНИЧЕСКИЕ УСЛОВИЯ НА ТРАНСФОРМАТОРЫ ТОКА
Instrument transformers. Part 2. Requirements for current transformers
Срок действия - с 1 января 2019 г. по 1 января 2022 г.
Предисловие
1 Разработан Обществом с ограниченной ответственностью "Эльмаш (УЭТМ)" (ООО "Эльмаш (УЭТМ)")
2 Внесен Техническим комитетом по стандартизации ТК 016 "Электроэнергетика"
3 Утвержден и введен в действие Приказом Федерального агентства по техническому регулированию и метрологии от 30 октября 2018 г. N 51-пнст
Введение
Настоящий стандарт входит в серию стандартов "Трансформаторы измерительные", которая включает следующие стандарты:
- Часть 1. Общие технические условия;
- Часть 2. Технические условия на трансформаторы тока;
- Часть 3. Технические условия на индуктивные трансформаторы напряжения;
- Часть 4. Технические условия на комбинированные трансформаторы;
- Часть 5. Технические условия на емкостные трансформаторы напряжения;
- Часть 6 - Часть 8. Технические условия на электронные трансформаторы.
В настоящем стандарте реализованы основные нормативные положения международного стандарта МЭК 61869-2:2012 "Трансформаторы измерительные. Часть 2. Дополнительные требования к трансформаторам тока" (IEC 61869-2:2012 "lnstrument transformers - Part 2: Additional requirements for current transformers") и практика применения ГОСТ 7746-2001 "Трансформаторы тока. Общие технические условия".
Настоящий стандарт распространяется на трансформаторы тока на напряжение от 3 до 750 кВ, предназначенные для применения в электрических цепях переменного тока частотой 50 или 60 Гц, с целью передачи сигнала измерительной информации приборам измерения, защиты, автоматики, сигнализации и управления, разработанным после 1 января 2019 г.
В настоящем стандарте использованы нормативные ссылки на следующие стандарты:
ГОСТ 8.217 Государственная система обеспечения единства измерений. Трансформаторы тока. Методика поверки
ГОСТ 6827 (МЭК 59 (1938)) Электрооборудование и приемники электрической энергии. Ряд номинальных токов
ГОСТ 8024 Аппараты и электротехнические устройства переменного тока на напряжение свыше 1000 В. Нормы нагрева при продолжительном режиме работы и методы испытаний
ГОСТ 9920 (МЭК 694-80, МЭК 815-86) Электроустановки переменного тока на напряжение от 3 до 750 кВ. Длина пути утечки внешней изоляции
ГОСТ 15150 Машины, приборы и другие технические изделия. Исполнения для различных климатических районов. Категории, условия эксплуатации, хранения и транспортирования в части воздействия климатических факторов внешней среды
ГОСТ Р 8.736 Государственная система обеспечения единства измерений. Измерения прямые многократные. Методы обработки результатов измерений. Основные положения
ГОСТ Р 52735 Короткие замыкания в электроустановках. Методы расчета в электроустановках переменного тока напряжением свыше 1 кВ
ГОСТ Р 55438 Единая энергетическая система и изолированно работающие энергосистемы. Оперативно-диспетчерское управление. Релейная защита и автоматика. Взаимодействие субъектов электроэнергетики и потребителей электрической энергии при создании (модернизации) и эксплуатации. Общие требования
ГОСТ Р МЭК 61869-2 Трансформаторы измерительные. Часть 2. Дополнительные требования к трансформаторам тока
ПНСТ 282-2018 Трансформаторы измерительные. Часть 1. Общие технические условия
Примечание - При пользовании настоящим стандартом целесообразно проверить действие ссылочных стандартов в информационной системе общего пользования - на официальном сайте Федерального агентства по техническому регулированию и метрологии в сети Интернет или по ежегодному информационному указателю "Национальные стандарты", который опубликован по состоянию на 1 января текущего года, и по выпускам ежемесячного информационного указателя "Национальные стандарты" за текущий год. Если заменен ссылочный стандарт, на который дана недатированная ссылка, то рекомендуется использовать действующую версию этого стандарта с учетом всех внесенных в данную версию изменений. Если заменен ссылочный стандарт, на который дана датированная ссылка, то рекомендуется использовать версию этого стандарта с указанным выше годом утверждения (принятия). Если после утверждения настоящего стандарта в ссылочный стандарт, на который дана датированная ссылка, внесено изменение, затрагивающее положение, на которое дана ссылка, то это положение рекомендуется применять без учета данного изменения. Если ссылочный стандарт отменен без замены, то положение, в котором дана ссылка на него, рекомендуется применять в части, не затрагивающей эту ссылку.
3.1 В настоящем стандарте применены следующие термины с соответствующими определениями:
3.1.1 трансформатор тока для защиты класса точности Р: Трансформатор тока для защиты, для которого не задается требование ограничения остаточного потокосцепления, а уровень насыщения определяется действующим значением тока короткого замыкания при значениях всех прочих параметров, соответствующих номинальным данным.
3.1.2 трансформатор тока для защиты класса точности PR: Трансформатор тока для защиты, для которого требование ограничения остаточного потокосцепления задано, а уровень насыщения определяется действующим значением тока короткого замыкания при значениях всех прочих параметров, соответствующих номинальным данным.
3.1.3 трансформатор тока для защиты класса точности TPY: Трансформатор тока для защиты, для которого задано требование ограничения остаточного потокосцепления, уровень насыщения определяется максимальным амплитудным значением тока короткого замыкания с максимальным содержанием апериодической составляющей, а предел допускаемой погрешности при протекании тока короткого замыкания в переходном режиме определяется пиковым значением мгновенной погрешности.
Примечание - Трансформатор тока данного класса полностью трансформирует апериодическую составляющую во вторичную цепь.
3.1.4 трансформатор тока для защиты класса точности TPZ: Трансформатор тока для защиты, для которого задано требование ограничения остаточного потокосцепления, уровень насыщения определяется максимальным амплитудным значением тока короткого замыкания с максимальным содержанием апериодической составляющей, а предел допускаемой погрешности при протекании тока короткого замыкания в переходном режиме определяется амплитудой периодической составляющей погрешности.
Примечание - Трансформатор тока данного класса ограничивает трансформацию апериодической составляющей во вторичную цепь.
3.1.5 предельная кратность: Наибольшее значение кратности первичного тока, при котором полная погрешность при номинальной вторичной нагрузке не превышает полной погрешности, заданной классом точности.
3.1.6 номинальный коэффициент безопасности КБ ном: Отношение номинального первичного предельного тока для измерений к номинальному первичному току, при котором полная погрешность трансформатора превышает 10 %.
3.1.7 постоянная времени вторичного контура Ts: Постоянная времени контура, образуемого вторичной обмоткой трансформатора тока и присоединенной к ней внешней электрической цепью, определяемая отношением суммарной индуктивности намагничивания и рассеяния вторичной обмотки и индуктивности нагрузки к суммарному активному сопротивлению нагрузки и вторичной обмотки.
Примечания
1 Понятие постоянной времени вторичного контура обычно применяют к трансформаторам тока, предназначенным для работы в условиях переходного режима короткого замыкания, для которых нормируют чисто активную нагрузку (cos φ2 = 1). В общем случае индуктивность нагрузки также следует учитывать.
2 Индуктивность вторичной обмотки состоит из индуктивности, определяемой параметрами магнитопровода (индуктивность намагничивания), и индуктивности рассеяния обмотки. При измерениях, выполняемых на выводах вторичной обмотки при разомкнутой первичной обмотке, измеряемой величиной является их сумма. Однако при конструкторских расчетах трансформатора их вычисляют раздельно, по разным методикам. В большинстве случаев индуктивностью рассеяния можно пренебречь, но возможность такого пренебрежения следует проверять в каждом конкретном случае.
3.1.8 вольтамперная характеристика; ВАХ: Зависимость между действующими значениями тока намагничивания и напряжения.
3.1.9 потокосцепление насыщения Ψsat: Максимальное значение магнитного потока, соответствующее насыщению материала магнитопровода, умноженное на число витков обмотки.
3.1.10 остаточное потокосцепление Ψr: Значение потокосцепления, определяемое магнитным потоком, остающимся в магнитопроводе после отключения тока с амплитудным значением, обеспечивающим потокосцепление насыщения Ψsat.
3.1.11 номинальный коэффициент остаточной намагниченности Kr: Отношение остаточного потокосцепления Ψr к потокосцеплению насыщения Ψsat, выраженному в процентах.
3.1.12 нормированный цикл: Одно или несколько протеканий токов короткого замыкания через трансформатор с нормируемыми длительностями протекания и пауз.
3.1.13 номинальная постоянная времени затухания апериодической составляющей первичного тока ТР ном: Постоянная времени затухания апериодической составляющей первичного тока, при которой в нормированном цикле соблюдаются требования к точности трансформатора тока в переходном режиме короткого замыкания.
3.1.14 эквивалентная постоянная времени ТР экв: Постоянная времени затухания свободной апериодической составляющей тока, затухающей по экспоненциальному закону, которой заменяют сумму свободных апериодических составляющих, имеющих неодинаковые постоянные времени затухания.
3.1.15 ток погрешности iε: Разность между мгновенными значениями вторичного тока, умноженного на номинальный коэффициент трансформации, и первичного тока.
3.1.16 погрешность трансформатора в переходном режиме εmax: Максимальное мгновенное значение тока погрешности в нормированном цикле, выраженное в процентах от амплитудного значения периодической составляющей тока, протекающего в первичной цепи.
3.1.17 периодическая составляющая погрешности переходного режима εac max: Амплитуда периодической составляющей тока погрешности переходного режима, выраженная в процентах от амплитудного значения периодической составляющей тока, протекающего в первичной цепи.
3.1.18 переходный коэффициент Kпр(t): Зависимость изменения от времени, характеризующая изменение во времени отношения мгновенного значения потокосцепления при наличии апериодической составляющей к амплитудному значению потокосцепления, соответствующего току погрешности при токе номинальной предельной кратности, не содержащем апериодической составляющей.
Примечание - Переходный коэффициент численно равен отношению мгновенного значения тока погрешности при наличии апериодической составляющей к амплитудному значению тока погрешности при токе номинальной предельной кратности, не содержащем апериодической составляющей.
3.1.19 номинальный коэффициент переходного режима Kп.р.ном: Коэффициент, равный отношению потокосцепления, соответствующего напряжению намагничивания, к потокосцеплению, соответствующему току погрешности при токе номинальной предельной кратности, не содержащем апериодической составляющей.
Примечание - Коэффициент характеризует предел допустимого увеличения потокосцепления (до начала насыщения) в результате наличия апериодической составляющей в токе короткого замыкания.
3.1.20 напряжение намагничивания Uнам: Действующее значение напряжения на выводах вторичной обмотки при протекании по ней тока намагничивания.
3.1.21 расчетное значение напряжения намагничивания Uнам.расч: Напряжение, рассчитанное при номинальном значении тока намагничивания.
3.1.22 ток намагничивания: Действующее значение тока, протекающего во вторичной обмотке трансформатора тока при синусоидальном напряжении номинальной частоты, приложенном к вторичным выводам, причем первичная и остальные обмотки разомкнуты.
3.1.23 номинальный ток намагничивания I2нам: Действующее значение тока намагничивания, равное действующему значению тока погрешности при токе предельной кратности, при прочих номинальных параметрах.
Примечание - Для трансформаторов, предназначенных для работы в переходных режимах короткого замыкания, - действующее значение тока намагничивания, амплитудное значение которого равно максимальному мгновенному значению тока погрешности переходного режима при прочих номинальных параметрах.
3.2 В настоящем стандарте используют следующие обозначения и сокращения:
Ts - постоянная времени вторичного контура;
Ts.ном - номинальная постоянная времени вторичного контура;
ТР - постоянная времени затухания апериодической составляющей первичного тока;
ТР ном - номинальная постоянная времени затухания апериодической составляющей первичного тока;
ТР экв - эквивалентная постоянная времени;
Ls - индуктивность вторичного контура;
Lm - индуктивность намагничивания;
Lm.ном - номинальная индуктивность намагничивания;
L2 - индуктивность рассеяния вторичной обмотки;
Lн - индуктивность нагрузки;
Rs - сопротивление вторичного контура постоянному току;
R2 - сопротивление вторичной обмотки постоянному току;
Rн - сопротивление нагрузки постоянному току;
Z2ном, S2ном - номинальная вторичная нагрузка;
Z2SUM - полное сопротивление ветви вторичного тока без учета индуктивности рассеяния вторичной обмотки;
ω - угловая частота;
Ψsat - потокосцепление насыщения;
Ψr - остаточное потокосцепление;
Uнам - напряжение намагничивания;
Uнам.расч - расчетное значение напряжения намагничивания;
ε - полная погрешность;
εmax - погрешность переходного режима;
εac max - периодическая составляющая погрешности переходного режима;
i2 - мгновенное значение вторичного тока;
i1 - мгновенное значение первичного тока;
iε - мгновенное значение тока погрешности;
iε max - максимальное значение мгновенного тока погрешности;
iεac max - амплитуда периодической составляющей тока погрешности;
iд - ток электродинамической стойкости;
I1ном - номинальный первичный ток трансформатора тока;
I2ном - номинальный вторичный ток трансформатора тока;
I1н.р - наибольший рабочий первичный ток;
Iк.з, эфф - действующее значение первичного тока короткого замыкания;
IТ - ток термической стойкости;
I2нам - номинальный ток намагничивания;
I1 - действующее значение периодической составляющей первичного тока;
I1исп - действующее значение периодической составляющей испытательного первичного тока;
nном - номинальный коэффициент трансформации;
Kном - номинальная предельная кратность;
KБ ном - номинальный коэффициент безопасности;
Kп.р(t) - переходный коэффициент;
Kп.р.ном - номинальный коэффициент переходного режима;
KД - кратность тока электродинамической стойкости;
KТ - кратность тока термической стойкости;
Kr - коэффициент остаточной намагниченности;
Kr.ном - номинальный коэффициент остаточной намагниченности;
tк - время протекания тока короткого замыкания;
tк.з - длительность протекания тока короткого замыкания без автоматического повторного включения (АПВ);
tк.з1 - время протекания тока в первом коротком замыкании в цикле с АПВ;
tк.з2 - время протекания тока во втором коротком замыкании в цикле с АПВ;
tбт - длительность бестоковой паузы между двумя короткими замыканиями при АПВ;
А - расстояние между осями проводников соседних фаз в месте установки трансформатора в эксплуатации;
АПВ - автоматическое повторное включение;
Б - расстояние в свету от трансформатора до места ближайшего изгиба проводника, служащего в эксплуатации первичной обмоткой трансформатора;
ВАХ - вольтамперная характеристика;
КРУ - комплектное распределительное устройство;
КРУЭ - комплектные распределительные устройства с элегазовой изоляцией;
ТТИ - испытуемый трансформатор тока;
ТТО - образцовый трансформатор тока;
ТТПИ - промежуточный трансформатор тока, находящийся в цепи испытуемого трансформатора тока;
ТТПО - промежуточный трансформатор тока, находящийся в цепи образцового трансформатора тока.
4.1 Трансформаторы тока подразделяют по следующим основным признакам:
4.1.1 По роду установки (категории размещения и климатическому исполнению) - по ГОСТ 15150.
4.1.2 По типу конструкции - в соответствии с таблицей 1.
|  
         Конструктивное исполнение трансформатора  |  
         Условное обозначение  | 
|  
         Опорный  |  
         О  | 
|  
         Проходной (втулочный)  |  
         П  | 
|  
         Шинный  |  
         Ш  | 
|  
         Встроенный  |  
         В  | 
|  
         Разъемный  |  
         Р  | 
|  
         Одноступенчатый  |  
         -  | 
|  
         Каскадный  |  
         К  | 
4.1.3 По виду изоляции - в соответствии с таблицей 2.
|  
         Вид изоляции  |  
         Условное обозначение  | 
|  
         Внешняя  | |
|  
         С фарфоровой покрышкой  |  
         Ф  | 
|  
         С полимерной покрышкой  |  
         П  | 
|  
         Литая  |  
         Л  | 
|  
         Внутренняя  | |
|  
         Масляная  |  
         М  | 
|  
         Газовая  |  
         Г  | 
|  
         Маслобарьерная  |  
         МБ  | 
|  
         Воздушная  |  
         В  | 
|  
         Литая или с элементами литой изоляции  |  
         -  | 
4.1.4 По назначению вторичных обмоток - в соответствии с таблицей 3. Допускается сочетание назначений, например для измерения и защиты или для измерения и учета. В этом случае в обозначении обмотки указывают оба класса точности: вначале указывают класс точности для измерения, а в скобках - класс точности для защиты, например 0, 5(5Р).
|  
         Назначение вторичной обмотки трансформатора  |  
         Условное обозначение  | 
|  
         Для измерений  |  
         Класс точности  | 
|  
         Для защиты*  |  
         Класс точности  | 
|  
         * Здесь и далее под словом "защита" подразумеваются все виды защиты по ГОСТ Р 55438.  | |
4.1.5 По числу коэффициентов трансформации: с одним коэффициентом трансформации - однодиапазонный, с несколькими коэффициентами трансформации - многодиапазонный, получаемые путем изменения числа витков первичной или/и вторичной обмотки.
4.2 Условное обозначение трансформатора

Примечания
1 Буквенная часть условного обозначения представляет собой серию; совокупность буквенного обозначения и значения номинального напряжения - тип; полное обозначение в целом - типоисполнение трансформатора.
2 Для встроенных трансформаторов допускается применение упрощенного условного обозначения.
3 В стандартах на трансформаторы конкретных типов допускается вводить в буквенную часть один или несколько признаков, а также дополнительные буквы и/или цифры, исключать или заменять отдельные буквы (кроме Т) для обозначения особенностей конкретного трансформатора.
Пример условного обозначения опорного трансформатора тока с газовой изоляцией типа ТРГ-110, категории исполнения по длине пути утечки внешней изоляции II* имеющего обмотку для измерения класса точности 0, 2, три обмотки для защиты классов точности 5Р, на наибольший рабочий ток 1800 А (номинальный ток 1200 А, с длительно допустимой перегрузкой 50 %), предназначенного для эксплуатации в районах с умеренным климатом, категории размещения 1:
ТРГ-110 II*-0, 2/5Р/5Р/5Р-1800 У1
5.1 Значения основных параметров следует выбирать из приведенных в таблице 4.
|  
         Наименование параметра  |  
         Значение  | 
|  
         1 Номинальный первичный ток трансформатора I1ном, А  |  
         Устанавливают в стандартах на трансформаторы конкретных типов*  | 
|  
         2 Номинальный вторичный ток I2ном, А**  |  
         1; 5  | 
|  
         3 Наибольший рабочий первичный ток I1н.р, А  |  
         Устанавливают в стандартах на трансформаторы конкретных типов по 6.8  | 
|  
         4 Номинальная вторичная нагрузка S2ном с коэффициентом мощности cos φ2 = 1, В·А **  |  
         0, 5; 1; 2; 2, 5  | 
|  
         5 Номинальная вторичная нагрузка S2ном с индуктивно-активным коэффициентом мощности cos φ2 = 0, 8, В·А **. Соответствующие значения номинальной вторичной нагрузки Z2ном, Ом, определяют по формуле 
  |  
         3; 5; 10; 15; 20; 25; 30; 40; 50; 60; 75; 100  | 
|  
         6 Класс точности трансформатора или вторичной обмотки:  | |
|  
         6.1 для измерений  |  
         0, 1; 0, 2; 0, 2S; 0, 5; 0, 5S; 1; 3; 5; 10  | 
|  
         6.2 для защиты  |  
         5Р; 10Р; 5PR; 10PR; TPY, TPZ  | 
|  
         7 Номинальная предельная кратность вторичных обмоток для защиты Kном  |  
         Устанавливают в стандартах на трансформаторы конкретных типов  | 
|  
         8 Номинальный коэффициент безопасности KБ ном, вторичных обмоток для измерений  |  
         Устанавливают в стандартах на трансформаторы конкретных типов. Не устанавливают для вторичных обмоток, сочетающих назначение для измерения и защиты  | 
|  
         9 Номинальный коэффициент переходного режима Kп.р.ном для трансформаторов классов TPY, TPZ  |  
         Устанавливают в стандартах на трансформаторы конкретных типов  | 
|  
         10 Нормированный цикл tк.з и/или tк.з1 - tбт - tк.з2 для трансформаторов классов TPY, TPZ, с  |  
         Устанавливают в стандартах на трансформаторы конкретных типов  | 
|  
         11 Номинальный коэффициент остаточной намагниченности Kr.ном для обмоток классов 5PR, 10PR, TPY, TPZ  |  
         Не более 10 %  | 
|  
         12 Номинальная постоянная времени затухания апериодической составляющей первичного тока ТР ном, мс  |  
         Устанавливают в стандартах на трансформаторы конкретных типов  | 
|  
         13 Номинальная постоянная времени вторичной цепи Тs.ном, мс, и индуктивность намагничивания Lm.ном, Гн  |  
         Устанавливают в стандартах на трансформаторы конкретных типов  | 
|  
         * Рекомендуется выбирать в соответствии с ГОСТ 6827. ** По требованию заказчика в стандартах на трансформаторы конкретных типов допускается устанавливать другие значения.  | |
6.1 Общие требования - по ПНСТ 282-2018, пункт 6.1.
6.2 Требования по устойчивости к внешним воздействиям окружающей среды - по ПНСТ 282-2018, подраздел 6.2.
6.3 Требования по сейсмостойкости - по ПНСТ 282-2018, подраздел 6.3.
6.4 Требования к изоляции - по ПНСТ 282-2018, подраздел 6.4, со следующими дополнительными условиями:
а) изоляция вторичных обмоток трансформатора тока, у которых значение напряжения намагничивания больше или равно 1, 8 кВ, должна выдерживать напряжение промышленной частоты 5 кВ в течение 1 мин;
б) при стандартных атмосферных условиях по ПНСТ 282-2018, пункт 6.2.3, значение сопротивления изоляции обмоток трансформаторов должно быть не менее:
1) 1000 МОм - для первичных обмоток трансформаторов на номинальные напряжения 3-35 кВ;
2) 3000 МОм - для первичных обмоток трансформаторов на номинальные напряжения 110-220 кВ;
3) 5000 МОм - для первичных обмоток трансформаторов на номинальные напряжения 330 кВ и выше;
4) 50 МОм - для вторичных обмоток трансформаторов;
в) междувитковая изоляция вторичных обмоток трансформатора должна выдерживать без пробоя или повреждения в течение 1 мин индуктируемое в них напряжение при протекании по первичной обмотке тока, при этом амплитуда напряжения между выводами разомкнутой вторичной обмотки не должна превышать предельных значений:
- 4, 5 кВ - для трансформаторов тока напряжением намагничивания менее 1, 8 кВ;
- 10 кВ - для трансформаторов тока напряжением намагничивания более или равным 1, 8 кВ.
Значение тока в первичной обмотке принимают равным номинальному, если не достигнуто предельное значение амплитуды напряжения между выводами разомкнутой вторичной обмотки, или менее номинального и соответствующим предельному значению амплитуды напряжения между выводами разомкнутой вторичной обмотки.
6.5 Сопротивление вторичных обмоток постоянному току - по ПНСТ 282-2018, подраздел 6.3. Для трансформаторов с ответвлениями на вторичных обмотках сопротивление вторичных обмоток постоянному току должно быть указано для каждого ответвления в эксплуатационной документации на трансформатор конкретного типа.
6.6 Требования в части радиопомех - по ПНСТ 282-2018, подраздел 6.6.
6.7 Метрологические характеристики
6.7.1 Метрологические характеристики следует устанавливать для следующих рабочих условий применения трансформаторов:
а) частота переменного тока - (
) Гц или (
) Гц;
б) первичный ток - в соответствии с 6.7.2 и 6.7.3;
в) значение вторичной нагрузки - в соответствии с 6.7.2 и 6.7.3;
г) температура окружающего воздуха - в соответствии с климатическим исполнением и категорией размещения, если иное не указано в стандартах на трансформаторы конкретных типов;
д) высота установки трансформаторов над уровнем моря - по ПНСТ 282-2018, пункт 6.2.4;
е) размеры первичного токоведущего контура - значения размеров А и Б в соответствии с указанными в стандартах на трансформаторы конкретных типов.
Примечание - Для трансформаторов, применяемых в КРУ и КРУЭ, размеры А и Б должны быть указаны в руководстве по эксплуатации.
6.7.2 Пределы допускаемых погрешностей вторичных обмоток для измерений и учета в рабочих условиях применения по 6.7.1 при установившемся режиме должны соответствовать значениям, указанным в таблице 5.
Для трансформаторов классов точности от 0, 1 до 1, 0 допускается расширять диапазон номинальных первичных токов в сторону уменьшения до 0, 1 % или в сторону увеличения до 150 %, 200 % либо совмещать, например от 0, 1 % до 200 %.
Допускаемые области погрешностей для различных классов точности приведены в приложении А.
|  
         Класс точности  |  
         Первичный ток, % номинального значения  |  
         Предел допускаемой погрешности  |  
         Диапазон вторичной нагрузки, % номинального значения*  | ||
|  
         токовой, %  |  
         угловой  | ||||
|  
         мин  |  
         срад  | ||||
|  
         0, 1  |  
         0, 1**  |  
         ± 1, 6  |  
         ± 60  |  
         ± 1, 8  |  
         25-100  | 
|  
         5  |  
         ± 0, 4  |  
         ± 15  |  
         ± 0, 45  | ||
|  
         20  |  
         ± 0, 2  |  
         ± 8  |  
         ± 0, 24  | ||
|  
         100-120  |  
         ± 0, 1  |  
         ± 5  |  
         ± 0, 15  | ||
|  
         150-200**  |  
         ± 0, 1  |  
         ± 5  |  
         ± 0, 15  | ||
|  
         0, 2  |  
         0, 1**  |  
         ± 3, 0  |  
         ± 120  |  
         ± 3, 6  | |
|  
         5  |  
         ± 0, 75  |  
         ± 30  |  
         ± 0, 9  | ||
|  
         20  |  
         ± 0, 35  |  
         ± 15  |  
         ± 0, 45  | ||
|  
         100-120  |  
         ± 0, 2  |  
         ± 10  |  
         ± 0, 3  | ||
|  
         150-200**  |  
         ± 0, 2  |  
         ± 10  |  
         ± 0, 3  | ||
|  
         0, 2S  |  
         0, 1**  |  
         ± 1, 5  |  
         ± 60  |  
         ± 1, 8  | |
|  
         1  |  
         ± 0, 75  |  
         ± 30  |  
         ± 0, 9  | ||
|  
         5  |  
         ± 0, 35  |  
         ± 15  |  
         ± 0, 45  | ||
|  
         20  |  
         ± 0, 2  |  
         ± 10  |  
         ± 0, 3  | ||
|  
         100  |  
         ± 0, 2  |  
         ± 10  |  
         ± 0, 3  | ||
|  
         120  |  
         ± 0, 2  |  
         ± 10  |  
         ± 0, 3  | ||
|  
         150-200**  |  
         ± 0, 2  |  
         ± 10  |  
         ± 0, 3  | ||
|  
         0, 5  |  
         0, 1**  |  
         ± 6  |  
         ± 360  |  
         ± 10, 8  | |
|  
         5  |  
         ± 1, 5  |  
         ± 90  |  
         ± 2, 7  | ||
|  
         20  |  
         ± 0, 75  |  
         ± 45  |  
         ± 1, 35  | ||
|  
         100-120  |  
         ± 0, 5  |  
         ± 30  |  
         ± 0, 9  | ||
|  
         150-200**  |  
         ± 0, 5  |  
         ± 30  |  
         ± 0, 9  | ||
|  
         0, 5S  |  
         0, 1**  |  
         ± 3  |  
         ± 180  |  
         ± 5, 4  | |
|  
         1  |  
         ± 1, 5  |  
         ± 90  |  
         ± 2, 7  | ||
|  
         5  |  
         ± 0, 75  |  
         ± 45  |  
         ± 1, 35  | ||
|  
         20  |  
         ± 0, 5  |  
         ± 30  |  
         ± 0, 9  | ||
|  
         100  |  
         ± 0, 5  |  
         ± 30  |  
         ± 0, 9  | ||
|  
         120  |  
         ± 0, 5  |  
         ± 30  |  
         ± 0, 9  | ||
|  
         150-200**  |  
         ± 0, 5  |  
         ± 30  |  
         ± 30  | ||
|  
         1  |  
         0, 1**  |  
         ± 12, 0  |  
         ± 720  |  
         ± 21, 6  | |
|  
         5  |  
         ± 3, 0  |  
         ± 180  |  
         ± 5, 4  | ||
|  
         20  |  
         ± 1, 5  |  
         ± 90  |  
         ± 2, 7  | ||
|  
         100-120  |  
         ± 1, 0  |  
         ± 60  |  
         ± 1, 8  | ||
|  
         150-200**  |  
         ± 1, 0  |  
         ± 60  |  
         ± 1, 8  | ||
|  
         3  |  
         50-120  |  
         ± 3, 0  |  
         Не нормируют  |  
         50-100  | |
|  
         5  |  
         ± 5, 0  | ||||
|  
         10  |  
         ± 10  | ||||
|  
         * Для трансформаторов с номинальными вторичными нагрузками 2; 2, 5; 3; 5 и 10 В·А устанавливают нижний предел вторичных нагрузок 1 В·А. Для трансформаторов с номинальной вторичной нагрузкой 1 В·А устанавливают нижний предел вторичных нагрузок 0, 8 В·А. ** Значения для расширенных диапазонов токов.  | |||||
6.7.2.1 Допускается для трансформаторов тока устанавливать диапазон вторичной нагрузки, отличающийся от указанного в таблице 5, их значения должны быть указаны в эксплуатационной документации.
6.7.2.2 При расширении диапазона номинальных первичных токов в эксплуатационной документации должны быть указаны их значения.
6.7.3 Пределы допускаемых погрешностей вторичных обмоток для защиты в рабочих условиях применения по 6.7.1 при установившемся и переходном режимах при номинальной вторичной нагрузке должны соответствовать указанным в таблице 6.
|  
         Класс точности  |  
         Предел допускаемой погрешности  | ||||
|  
         при номинальном первичном токе  |  
         полной при токе номинальной предельной кратности ε, %  |  
         при переходном режиме, %  | |||
|  
         токовой, %  |  
         угловой  | ||||
|  
         мин  |  
         срад  | ||||
|  
         5P, 5PR  |  
         ± 1  |  
         ± 60  |  
         ± 1, 8  |  
         5  |  
         Не нормируют  | 
|  
         10Р, 10PR  |  
         ± 3  |  
         Не нормируют  |  
         Не нормируют  |  
         10  |  
         Не нормируют  | 
|  
         TPY  |  
         ± 1  |  
         ± 60  |  
         ± 1, 8  |  
         10  |  
         εmax≤10  | 
|  
         TPZ  |  
         ± 1  |  
         180 ± 18  |  
         5, 3 ± 0, 6  |  
         10  |  
         εac max≤10  | 
|  
         Примечание - Оценку работоспособности трансформаторов тока для защиты в переходных режимах можно выполнить по рекомендациям приложения Б.  | |||||
6.7.4 Для трансформаторов с ответвлениями класс точности, номинальная нагрузка и номинальный коэффициент безопасности или номинальная предельная кратность, а для трансформаторов, предназначенных для работы в переходных режимах, также коэффициент переходного режима Kп.р.ном должны быть указаны для каждого ответвления в эксплуатационной документации на трансформатор конкретного типа.
Для трансформаторов, у которых изменение коэффициента трансформации достигается последовательно-параллельным соединением секций первичной обмотки, дополнительно указывают все значения номинальных первичных токов с указанием первичного тока, для которого был предназначен трансформатор на предприятии-изготовителе.
6.7.5 Значение напряжения намагничивания
6.7.5.1 Напряжение намагничивания, определяемое при значении тока намагничивания по формуле (1), должно быть меньше расчетного напряжения намагничивания Uнам.расч по формуле (2) для измерительных трансформаторов и больше расчетного напряжения для трансформаторов для защиты
;
(1)
Uнам.расч=I2номKZ2SUM,
(2)
где K - номинальный коэффициент безопасности KБ ном обмоток для измерения или номинальная кратность Kном обмоток для защиты классов P, PR или Kном·Kп.р.ном обмоток для защиты классов TPY, TPZ;
ε - полная погрешность обмоток для защиты в соответствии с таблицей 6, обмоток для измерения; принимается равной 10 %;
Z2SUM - полное сопротивление ветви вторичного тока без учета индуктивности рассеяния вторичной обмотки, определяемое по формуле
.
(3)
6.7.5.2 По требованию заказчика может быть предоставлена ВАХ в табличном или графическом виде с указанием контрольных точек.
6.7.5.3 Фактические значения напряжения и тока намагничивания вторичных обмоток должны быть указаны в паспорте на трансформатор.
6.7.6 Фактическое значение коэффициента остаточной намагниченности указывают в паспорте трансформатора.
6.8 Требование к нагреву - по ПНСТ 282-2018, подраздел 6.8, со следующими дополнительными условиями:
а) наибольший рабочий первичный ток должен быть равен номинальному первичному току или в зависимости от перегрузочной способности может быть больше номинального первичного тока на 20 %, 50 % или 100 %;
б) трансформаторы с наибольшим рабочим первичным током, равным номинальному первичному току, должны выдерживать повышение первичного тока на 20 % суммарной продолжительностью не более 2 ч в неделю;
в) для трансформатора с обмотками, имеющими различные номинальные первичные токи, наибольший рабочий первичный ток трансформатора устанавливают по наименьшему значению номинального первичного значения тока обмотки с учетом длительного перегрева.
6.9 Требования к стойкости при токах короткого замыкания
6.9.1 Трансформаторы тока должны быть устойчивыми к электродинамическому и термическому воздействиям токов короткого замыкания, параметры которых не превышают установленных значений:
а) тока электродинамической стойкости iд или его кратности Kд по отношению к амплитуде номинального первичного тока;
б) тока термической стойкости IТ или его кратности KТ по отношению к номинальному первичному току;
в) времени протекания тока короткого замыкания tк, равного:
1) 3 с - для трансформаторов на номинальные напряжения до 220 кВ включительно;
2) 2 с - для трансформаторов на номинальные напряжения выше 220 кВ.
6.9.2 Значения тока электродинамической стойкости iд и тока термической стойкости IТ должны соответствовать следующему условию:
.
(4)
Примечание - Для трансформаторов, для которых постоянная времени первичного тока ТР не задана, она принимается равной 45 мс.
6.9.3 В стандартах на трансформаторы конкретных типов должны быть установлены: значение тока термической стойкости или его кратность к номинальному току, время протекания тока, а также значение тока электродинамической стойкости или его кратность к номинальному току.
6.9.4 К шинным, встроенным и разъемным трансформаторам требование по электродинамической стойкости не предъявляют.
6.10 Обозначение выводов обмоток
Выводы первичных и вторичных обмоток и вторичные обмотки трансформаторов следует обозначать в соответствии с таблицей 7.
Линейные выводы первичной обмотки, а также соответствующие им стороны шинных, встроенных и разъемных трансформаторов, не имеющих собственной первичной обмотки, обозначают Л1 и Л2.
Обозначения наносят таким образом, чтобы в один и тот же момент времени выводы Л1, Н1, ..., Нn и И1, ..., Иn имели одинаковую полярность, т.е. чтобы при направлении тока в первичной обмотке от Л1, Н1, ..., Нn к K1, K2, ..., Л2 вторичный ток проходил по внешней цепи (приборам) от И1 к И2, ..., Иn.
Обозначения выполняют прописными буквами русского алфавита в сочетании с цифрами. Цифры располагают в одну строку с буквами (например, Л1) или в индексе (например, Л1).
Допускается использовать обозначения латинскими буквами, например для вторичных обмоток S1-S2, для первичных обмоток Р1-Р2.
|  
         Обмотка трансформатора  |  
         Обозначение выводов и обмоток  | |
|  
         Первичная  |  
         С одной секцией  |  
         С несколькими секциями  | 
|  
         Л1_________Л2  |  
         Л1_________К1  | |
|  
         Н2_________К2  | ||
|  
         Нn_________Л2  | ||
|  
         Вторичная  |  
         Трансформатор с одной вторичной обмоткой:  | |
|  
         без ответвлений  |  
         с ответвлениями  | |
  
        
        |   
        
        | |
|  
         Трансформатор с несколькими вторичными обмотками:  | ||
|  
         без ответвлений  |  
         с ответвлениями  | |
![]()  | ![]()  | |
6.11 Требования к конструкции - по ПНСТ 282-2018, подраздел 6.11.
6.12 Требования к надежности - по ПНСТ 282-2018, подраздел 6.12.
6.13 Комплектность - по ПНСТ 282-2018, подраздел 6.13.
6.14 Маркировка - по ПНСТ 282-2018, подраздел 6.14. При этом на табличке должны быть указаны следующие параметры:
а) номер вторичной обмотки (только для трансформаторов с двумя или более вторичными обмотками);
б) номинальный коэффициент трансформации обмоток (в виде отношения номинальных первичных и вторичных токов).
Примечания
1 Для трансформаторов, у которых коэффициент трансформации изменяется путем изменения числа витков первичных обмоток, номинальные первичные токи указывают через тире "-", например 300-600-1200/5 А.
2 Для трансформаторов, у которых коэффициент трансформации изменяется путем изменения числа витков вторичных обмоток, номинальные первичные токи указывают через косую черту, например, 300/600/1200/5 А;
в) класс точности для вторичных обмоток согласно 6.7;
г) номинальный коэффициент безопасности KБ ном (для вторичных обмоток, предназначенных для измерения);
д) значение номинальной предельной кратности Kном (для вторичных обмоток, предназначенных для защиты);
е) номинальная вторичная нагрузка S2ном или Z2ном, В·А или Ом;
ж) диапазон токов, для которых нормированы метрологические характеристики (при использовании расширенного диапазона, например 0, 1÷200%·I1ном);
и) номинальный коэффициент переходного режима Kп.р.ном (для классов TPY, TPZ).
Для трансформаторов с ответвлениями на вторичных обмотках метрологические параметры указывают для каждого ответвления.
При недостатке места на табличке допускается данные наносить в сочетании и последовательности согласно следующим примерам:
5Р/30 10 (номинальный класс точности 5Р, номинальная вторичная нагрузка 30 В·А, номинальная предельная кратность 10);
0, 5/20 10 (номинальный класс точности 0, 5, номинальная вторичная нагрузка 20 В·А, номинальный коэффициент безопасности 10).
6.15 Упаковка - по ПНСТ 282-2018, подраздел 6.15.
Требования безопасности - в соответствии с ПНСТ 282-2018, раздел 7.
Правила приемки - в соответствии с ПНСТ 282-2018, раздел 8. При этом для трансформаторов тока устанавливают испытания по таблице 8.
|  
         Наименование испытания и проверки  |  
         Необходимость проведения испытаний  |  
         Технические требования  |  
         Метод контроля  |  
         ПНСТ  | |||
|  
         в целях утверждения типа  |  
         квалификационных  |  
         приемо-сдаточных  |  
         периодических  | ||||
|  
         1 Проверка на соответствие требованиям сборочного чертежа  |  
         +  |  
         +  |  
         +  |  
         +  |  
         6.1; 6.10  |  
         9.1  |  
         ПНСТ 282-2018  | 
|  
         2 Испытание электрической прочности изоляции первичной обмотки одноминутным напряжением промышленной частоты  |  
         -  |  
         +  |  
         +  |  
         +  |  
         6.4.1  |  
         9.2.1  |  
         ПНСТ 282-2018  | 
|  
         3 Испытание электрической прочности изоляции первичной обмотки одноминутным напряжением промышленной частоты газонаполненных трансформаторов при избыточном давлении газа, равном нулю  |  
         -  |  
         +  |  
         -  |  
         -  |  
         6.4.9  |  
         9.2.10  |  
         ПНСТ 282-2018  | 
|  
         4 Испытание электрической прочности изоляции напряжениями грозовых импульсов  |  
         -  |  
         +  |  
         -  |  
         -  |  
         6.4.1  |  
         9.2.1  |  
         ПНСТ 282-2018  | 
|  
         5 Испытание электрической прочности изоляции первичной обмотки трансформаторов номинальным напряжением 330 кВ и выше напряжением коммутационного импульса  |  
         -  |  
         +  |  
         -  |  
         -  |  
         6.4.1  |  
         9.2.1  |  
         ПНСТ 282-2018  | 
|  
         6 Испытание внутренней изоляции первичной обмотки маслонаполненных трансформаторов на стойкость к тепловому пробою  |  
         -  |  
         О  |  
         -  |  
         -  |  
         6.4.2  |  
         9.2.2  |  
         ПНСТ 282-2018  | 
|  
         7 Испытания электрической прочности изоляции вторичных обмоток одноминутным напряжением промышленной частоты  |  
         -  |  
         +  |  
         +  |  
         +  |  
         6.4.3  |  
         9.2.3  |  
         ПНСТ 282-2018, ПНСТ 283-2018  | 
|  
         8 Измерение сопротивления изоляции обмоток  |  
         -  |  
         +  |  
         +  |  
         +  |  
         6.4.4  |  
         9.2.4  |  
         ПНСТ 282-2018  | 
|  
         9 Испытание изоляции первичной обмотки маслонаполненных трансформаторов номинальным напряжением 330 кВ и выше многократными срезанными импульсами  |  
         -  |  
         О  |  
         -  |  
         -  |  
         6.4.5  |  
         9.2.5  |  
         ПНСТ 282-2018  | 
|  
         10 Измерение уровня частичных разрядов  |  
         -  |  
         +  |  
         +  |  
         +  |  
         6.4.6  |  
         9.2.6  |  
         ПНСТ 282-2018  | 
|  
         11 Измерение тангенса угла диэлектрических потерь масляной и маслобарьерной изоляции первичной обмотки трансформаторов  |  
         -  |  
         +  |  
         +  |  
         +  |  
         6.4.7  |  
         9.2.7  |  
         ПНСТ 282-2018  | 
|  
         12 Испытание масла масляных трансформаторов:  | |||||||
|  
         - определение пробивного напряжения  |  
         -  |  
         +  |  
         +  |  
         +  |  
         6.4.7  |  
         9.2.8  |  
         ПНСТ 282-2018  | 
|  
         - определение тангенса угла диэлектрических потерь масла  |  
         -  |  
         +  |  
         +  |  
         +  |  
         6.4.7  |  
         9.2.8  |  
         ПНСТ 282-2018  | 
|  
         - определение влаго- и газосодержания (хроматографический анализ)  |  
         -  |  
         +  |  
         -  |  
         +  |  
         6.11.2.1  |  
         -  |  
         ПНСТ 282-2018  | 
|  
         13 Проверка длины пути утечки внешней изоляции  |  
         -  |  
         +  |  
         -  |  
         -  |  
         6.4.8  |  
         9.2.9  |  
         ПНСТ 282-2018  | 
|  
         14 Измерение сопротивления вторичных обмоток постоянному току  |  
         +  |  
         +  |  
         +  |  
         +  |  
         6.5  |  
         9.5  |  
         ПНСТ 282-2018  | 
|  
         15 Испытание внешней изоляции в отношении уровня радиопомех  |  
         -  |  
         +  |  
         -  |  
         -  |  
         6.6  |  
         9.3  |  
         ПНСТ 282-2018  | 
|  
         16 Определение количественной утечки газа газонаполненных трансформаторов  |  
         -  |  
         +  |  
         +  |  
         +  |  
         6.11.3.2  |  
         9.4  |  
         ПНСТ 282-2018  | 
|  
         17 Испытание маслонаполненных трансформаторов на герметичность  |  
         -  |  
         +  |  
         +  |  
         +  |  
         6.11.2.1  |  
         9.6  |  
         ПНСТ 282-2018  | 
|  
         18 Испытания на устойчивость к воздействию климатических факторов внешней среды  |  
         +  |  
         +  |  
         -  |  
         О  |  
         6.2.1  |  
         9.7  |  
         ПНСТ 282-2018  | 
|  
         19 Испытания на устойчивость к воздействию механических факторов  |  
         -  |  
         +  |  
         -  |  
         О  |  
         6.2.5  |  
         9.7  |  
         ПНСТ 282-2018  | 
|  
         20 Испытание на прочность при транспортировании  |  
         -  |  
         +  |  
         -  |  
         -  |  
         6.15.2; 10.1  |  
         9.8  |  
         ПНСТ 282-2018  | 
|  
         21 Испытание упаковки на сбрасывание  |  
         -  |  
         +  |  
         -  |  
         -  |  
         6.15.2; 10.1  |  
         9.9  |  
         ПНСТ 282-2018  | 
|  
         22 Подтверждение средней наработки до отказа*  |  
         -  |  
         -  |  
         -  |  
         +  |  
         6.12.1  |  
         9.13  |  
         ПНСТ 282-2018  | 
|  
         23 Испытание на степень защиты оболочек  |  
         -  |  
         +  |  
         -  |  
         -  |  
         7.3  |  
         9.11  |  
         ПНСТ 282-2018  | 
|  
         24 Испытание на внутреннее дуговое короткое замыкание трансформаторов  |  
         -  |  
         +  |  
         -  |  
         -  |  
         6.11.6  |  
         9.10  |  
         ПНСТ 282-2018  | 
|  
         25 Испытание газонаполненных трансформаторов повышенным давлением  |  
         -  |  
         +  |  
         +  |  
         +  |  
         6.11.3.6  |  
         9.12  |  
         ПНСТ 282-2018  | 
|  
         26 Испытание на нагрев при продолжительном режиме работы  |  
         -  |  
         +  |  
         -  |  
         -  |  
         6.8  |  
         9.14  |  
         ПНСТ 282-2018, ПНСТ 283-2018  | 
|  
         27 Испытания междувитковой изоляции  |  
         -  |  
         +  |  
         +  |  
         +  |  
         6.4  |  
         9.2  |  
         ПНСТ 283-2018  | 
|  
         28 Проверка полярности  |  
         +  |  
         +  |  
         +  |  
         +  |  
         6.10  |  
         9.15  |  
         ПНСТ 283-2018  | 
|  
         29 Определение погрешностей  |  
         +  |  
         +  |  
         +  |  
         +  |  
         6.7.2; 6.7.3  |  
         9.15  |  
         ПНСТ 283-2018  | 
|  
         30 Проверка предельной кратности (определение полной погрешности) вторичных обмоток для защиты  |  
         +  |  
         +  |  
         -  |  
         +  |  
         5.1; 6.7.3  |  
         9.16  |  
         ПНСТ 283-2018  | 
|  
         31 Проверка коэффициента безопасности вторичных обмоток для измерений  |  
         +  |  
         +  |  
         -  |  
         +  |  
         5.1  |  
         9.16  |  
         ПНСТ 283-2018  | 
|  
         32 Определение напряжения намагничивания вторичных обмоток (ВАХ)  |  
         +  |  
         +  |  
         +  |  
         +  |  
         6.7.5  |  
         9.17  |  
         ПНСТ 283-2018  | 
|  
         33 Испытание на стойкость к токам короткого замыкания (испытания на электродинамическую и термическую стойкость)  |  
         -  |  
         +  |  
         -  |  
         -  |  
         6.9  |  
         9.18  |  
         ПНСТ 283-2018  | 
|  
         34 Определение коэффициента остаточной намагниченности Kr  |  
         +  |  
         +  |  
         +  |  
         +  |  
         5.1  |  
         В.1.1  |  
         ПНСТ 283-2018, приложение В  | 
|  
         35 Определение индуктивности намагничивания Lm и постоянной времени Ts  |  
         +  |  
         +  |  
         +  |  
         +  |  
         5.1  |  
         В.1.2  |  
         ПНСТ 283-2018, приложение В  | 
|  
         36 Определение погрешности в переходном режиме короткого замыкания  |  
         +  |  
         +  |  
         -  |  
         +  |  
         6.7.3  |  
         В.2  |  
         ПНСТ 283-2018, приложение В  | 
|  
         * Подтверждение средней наработки до отказа первый раз проводят через 10 лет после начала серийного производства, затем - не реже одного раза в 5 лет. Примечание - Знак "+" означает, что испытание проводят; знак "-" - не проводят, буква "О" означает, что испытание проводят, если это указано в стандарте на трансформатор конкретного типа.  | |||||||
9.1 Проверка на соответствие требованиям сборочного чертежа по ПНСТ 282-2018, подраздел 9.1.
9.2 Испытание изоляции - по ПНСТ 282-2018, подраздел 9.2, и с учетом следующих дополнительных условий испытания междувитковой изоляции:
а) при испытаниях междувитковой изоляции испытуемая вторичная обмотка должна быть разомкнута, а остальные вторичные обмотки (при наличии) - замкнуты накоротко; через первичную обмотку трансформатора пропускают ток, значение которого определяют в соответствии с требованиями 6.4.
Примечание - Целью настоящего испытания является не воспроизведение условий работы трансформатора при разомкнутой вторичной цепи, а проверка качества междувитковой изоляции, поэтому форму волны тока и напряжения не нормируют. Допускается проведение испытания при нескольких одновременно разомкнутых вторичных обмотках, если сравнительными испытаниями на одной и той же установке доказано, что результаты испытаний не ухудшаются;
б) допускается имитировать первичную обмотку трансформатора одним или несколькими витками провода, при этом за номинальный первичный ток принимают такое значение, при котором сохраняется значение номинальных ампервитков;
в) индуктируемое во вторичной обмотке напряжение допускается определять:
1) непосредственным измерением напряжения на выводах испытуемой вторичной обмотки;
2) измерением напряжения на выводах первичной или "контрольной" обмотки, наложенной временно поверх испытуемой обмотки, и умножением измеренного значения напряжения на отношение чисел витков вторичной или контрольной и первичной обмоток;
г) первичный ток (действующее значение) следует измерять трансформатором тока и амперметром классов точности не ниже 1.
Трансформатор считают выдержавшим испытание, если в процессе испытания междувитковой изоляции вторичных обмоток не произошло резкого увеличения первичного тока или уменьшения индуктируемого напряжения.
Напряжение, индуктируемое во вторичной обмотке (амплитудное значение), следует определять с погрешностью не более 10 % приборами, имеющими высокое входное сопротивление, например электронным вольтметром или электронно-лучевым или цифровым осциллографом с делителем напряжения. Допускается использовать для измерения напряжения вольтметр, реагирующий на амплитудное значение напряжения, но градуируемый в действующих значениях синусоидальной кривой. В этом случае напряжение, показываемое прибором, должно быть умножено на √2.
Допускается вместо измерения тока ограничиваться контролем за его изменением в случае, когда определяющей величиной при испытании является амплитудное значение напряжения, и аналогично допускается вместо измерения напряжения ограничиваться контролем за его изменением в случае, когда определяющей величиной при испытании является первичный ток.
9.3 Испытание на радиопомехи - по ПНСТ 282-2018, подраздел 9.8.
9.4 Определение количественной утечки газа газонаполненных трансформаторов - по ПНСТ 282-2018, подраздел 9.4.
9.5 Измерение сопротивления вторичных обмоток постоянному току - по ПНСТ 282-2018, пункт 9.5.
9.6 Испытание маслонаполненных трансформаторов на герметичность - по ПНСТ 282-2018, пункт 9.6.
9.7 Испытания на устойчивость к воздействию климатических факторов внешней среды и механическим внешним воздействующим факторам - по ПНСТ 282-2018, пункт 9.7.
9.8 Испытание на прочность при транспортировании - по ПНСТ 282-2018, подраздел 9.8.
9.9 Испытание упаковки на сбрасывание - по ПНСТ 282-2018, подраздел 9.9.
9.10 Испытание на внутреннее дуговое короткое замыкание трансформаторов - по ПНСТ 282-2018, подраздел 9.10.
9.11 Испытание на степень защиты оболочек - по ПНСТ 282-2018, подраздел 9.11.
9.12 Испытание газонаполненных трансформаторов повышенным давлением - по ПНСТ 282-2018, подраздел 9.12.
9.13 Подтверждение средней наработки до отказа - по ПНСТ 282-2018, пункт 9.13.
9.14 Испытание на нагрев
9.14.1 Трансформаторы испытывают по ГОСТ 8024 при наибольшем рабочем первичном токе.
9.14.2 Испытание проводят при нормальной температуре испытаний по ГОСТ 15150, если в стандартах на трансформаторы конкретных типов не предусмотрены иные условия.
9.14.3 При испытании трансформаторов, имеющих собственную первичную обмотку, ток к выводам первичной обмотки следует подводить проводами или шинами длиной не менее 1, 5 м.
Трансформаторы, предназначенные для эксплуатации с конкретным типом провода или шины, допускается испытывать без учета температуры проводников, подводящих ток к первичной обмотке. В этом случае проводники, подводящие ток при испытании, должны соответствовать условиям их эксплуатации.
9.14.4 Шинные, втулочные, встроенные и разъемные трансформаторы испытывают в первичном токоведущем контуре, размеры которого должны быть установлены в стандартах на трансформаторы конкретных типов.
9.14.5 Трансформаторы с несколькими коэффициентами трансформации, получаемыми переключением секций первичной обмотки, испытывают при всех коэффициентах трансформации.
9.14.6 Вторичные обмотки трансформаторов при испытании должны быть замкнуты на номинальную нагрузку.
9.14.7 Значения превышения температур обмоток трансформаторов на частоту 60 Гц следует корректировать следующим образом:
а) для трансформаторов до 1000 А или для трансформаторов без собственной первичной обмотки на любые номинальные токи
∆T60=1, 05∆T50,
(5)
где ∆T60 - превышение температуры, соответствующее частоте 60 Гц;
∆T50 - превышение температуры, определенное опытным путем при частоте 50 Гц;
б) для трансформаторов с собственной первичной обмоткой на номинальные токи свыше 1000 А
∆T60=1, 1∆T50.
(6)
9.15 Определение погрешностей
9.15.1 Проверка полярности и определение токовых и угловых погрешностей
9.15.1.1 Проверку полярности и определение токовых и угловых погрешностей проводят на трансформаторах, подвергнутых размагничиванию. Методы размагничивания, проверка полярности и определение погрешностей - по ГОСТ 8.217.
Определение погрешностей проводят на каждой вторичной обмотке.
Если обмотке присвоено несколько классов точности и/или несколько нагрузок, то при приемо-сдаточных испытаниях определение погрешностей допускается проводить только в высшем классе точности в условиях, согласованных с потребителем, а при других видах испытаний - во всех классах точности и при всех нагрузках, установленных в стандарте на данный трансформатор.
Методика измерения погрешностей трансформаторов тока с расширенным диапазоном рабочих токов приведена в приложении Г.
9.15.1.2 Погрешность испытуемой обмотки каскадных трансформаторов следует определять при минимальном и максимальном значениях нагрузок, подключенных одновременно ко всем вторичным обмоткам.
9.15.1.3 При квалификационных и типовых испытаниях и в целях утверждения типа погрешности следует определять в первичном токоведущем контуре согласно рисунку 1.
Если возможности испытательной установки не позволяют обеспечить требуемые геометрические размеры А и Б, то размеры А и Б могут быть уменьшены до 10-кратного расстояния от оси проводника с током до средней линии магнитопровода.
При приемо-сдаточных испытаниях допускается уменьшение размеров контура, если при квалификационных и типовых испытаниях или в целях утверждения типа установлено, что разница в значениях погрешностей не превышает 25 % нормируемых значений.

1 - испытуемый трансформатор
Рисунок 1
9.15.1.4 Погрешности шинных, втулочных, встроенных и разъемных трансформаторов на номинальные токи свыше 2000 А при приемо-сдаточных испытаниях допускается определять с первичной обмоткой, состоящей из нескольких витков, и при соответственно уменьшенном значении номинального тока (таким образом, чтобы значение номинальных ампервитков оставалось неизменным), если при квалификационных и типовых испытаниях или в целях утверждения типа установлено, что разница в значениях погрешностей, измеренных подобным образом и при условиях установки трансформатора согласно 9.15.1.3, не превышает 25 % нормируемых значений. Месторасположение витков первичной обмотки должно быть указано в стандарте на трансформатор конкретного типа.
9.15.2 При необходимости проверки стабильности метрологических характеристик в качестве критерия успешности других испытаний ее следует проводить непосредственным определением погрешностей или проверкой контрольных точек на ВАХ согласно 9.17. Значение допустимого изменения погрешностей или контрольных точек должно быть установлено в стандарте на трансформатор конкретного типа.
9.15.3 При приемо-сдаточных испытаниях погрешности допускается измерять при меньшем числе значений токов и нагрузок, чем указано в 6.7 (таблица 5), если это обосновано результатами квалификационных и типовых испытаний или в целях утверждения типа.
9.16 Проверка предельной кратности и коэффициента безопасности
9.16.1 Проверку предельной кратности и коэффициента безопасности следует проводить по схеме, приведенной на рисунке 2.
К элементам схемы предъявляют следующие требования:
а) коэффициенты трансформации трансформаторов ТТПО и ТТПИ должны быть такими, чтобы выполнялось условие по формуле (7)
nonпо=nиnпи,
(7)
где nо - коэффициент трансформации ТТО;
nпо - коэффициент трансформации ТТПО;
nи - коэффициент трансформации ТТИ;
nпи - коэффициент трансформации ТТПИ.
Если образцовый трансформатор имеет коэффициент трансформации, при котором выполняется условие nо = nиnпи, то промежуточный трансформатор в его цепи может отсутствовать;
б) амперметры А1 и А2 должны измерять действующие значения тока.
Амперметр А2 должен иметь малое внутреннее сопротивление.
Класс точности амперметров должен быть не ниже 1.
Класс точности промежуточных трансформаторов должен быть не ниже 0, 5.
Образцовый трансформатор должен иметь:
- класс точности не ниже 0, 5 или полную погрешность не более 0, 5 % при испытании вторичной обмотки класса 5Р;
- класс точности не ниже 1 или полную погрешность не более 1 % при испытании вторичной обмотки класса 10Р;

ТТО - образцовый трансформатор тока; ТТИ - испытуемый трансформатор тока; ТТПИ - промежуточный трансформатор тока, находящийся в цепи испытуемого трансформатора тока; ТТПО - промежуточный трансформатор тока, находящийся в цепи образцового трансформатора тока; А1 - амперметр для измерения испытательного тока; А2 - амперметр для измерения тока погрешности; Z2 - вторичная нагрузка в цепи испытуемого трансформатора тока
Рисунок 2
в) значение нагрузки и ее коэффициент мощности должны быть выбраны так, чтобы полное сопротивление внешней вторичной цепи испытуемого трансформатора (включая сопротивление проводов и промежуточного трансформатора) и ее коэффициент мощности были равны заданным значениям (с точностью 5 %).
Через первичные обмотки ТТО и ТТИ пропускают ток частотой () Гц практически синусоидальной формы, значение которого соответствует предельной кратности или коэффициенту безопасности. Значение первичного тока измеряют амперметром А1.
Полную погрешность ε, %, определяют по формуле
,
(8)
где IA1 - ток по амперметру А1, А;
IА2 - ток по амперметру А2, А.
Не допускается определять ток погрешности как математическую разность испытательного тока и тока, измеренного испытуемым трансформатором. Предел измерения прибора, измеряющего ток погрешности (амперметра А2 или другого регистрирующего прибора), должен быть выбран таким образом, чтобы измеряемое значение тока погрешности было в средней части предела измерения.
9.16.2 Если испытательная установка и/или нормируемая термическая стойкость испытуемого трансформатора ограничивает длительность протекания требуемого тока, необходимую для успокоения амперметров, допускается определять ток другим способом, например осциллографированием.
Для трансформаторов с несколькими номинальными коэффициентами трансформации, получаемыми переключением секций первичной обмотки при неизменном значении номинальных ампервитков, полную погрешность допускается измерять при минимальном коэффициенте трансформации.
9.16.3 Трансформаторы следует испытывать в испытательном контуре согласно рисунку 1. При проверке предельной кратности размеры А и Б не должны быть превышены, а при проверке коэффициента безопасности - должны быть не менее установленных значений.
Если возможности испытательной установки не позволяют обеспечить требуемые геометрические размеры А и Б, то размеры А и Б могут быть уменьшены до 10-кратного расстояния от оси проводника с током до средней линии магнитопровода.
9.16.4 Предельную кратность и коэффициент безопасности допускается проверять другим способом, который должен быть установлен в стандарте на трансформатор конкретного типа, если при квалификационных и типовых испытаниях или в целях утверждения типа доказано, что этот способ обеспечивает получение результатов, не отличающихся более чем на 10 %, например путем измерения напряжения намагничивания по 9.17.
9.17 Определение напряжения намагничивания
9.17.1 Перед началом определения напряжения намагничивания трансформатор должен быть размагничен.
9.17.2 Для определения напряжения намагничивания напряжение, приложенное ко вторичным выводам, плавно увеличивают до установления значения тока намагничивания, определяемого по формуле (1) в 6.7.5.1. При установившемся значении тока измеряют напряжение намагничивания Uнам на выводах вторичной обмотки. Допускается не выполнять подъем напряжения до установившегося значения тока намагничивания, если измеренное напряжение намагничивания равно или больше расчетного.
9.17.3 Источник должен обеспечивать синусоидальную форму напряжения во всем диапазоне измеряемых токов, включая и те участки кривой намагничивания, где вследствие насыщения трансформатора тока форма тока становится несинусоидальной. Для этого источник должен иметь достаточную мощность. Коэффициент амплитуды (отношение амплитудного значения к среднеквадратичному) напряжения источника при всех измерениях должен быть в пределах (
) %.
9.17.4 Класс точности измерительных приборов - не хуже 0, 5. Прибор измерения тока должен обеспечивать правильность измерения на нелинейном участке ВАХ вплоть до значения коэффициента амплитуды тока, равного 3. Прибор для измерения напряжения должен реагировать на средневыпрямленное значение; если прибор отградуирован в средневыпрямленных значениях, то показания прибора должны быть умножены на коэффициент 1, 11.
9.17.5 Измерение напряжения выполняется непосредственно на выводах испытуемой вторичной обмотки при разомкнутых первичной обмотке и всех остальных выводах вторичных обмоток на данном сердечнике.
9.17.6 ВАХ определятся как совокупность значений напряжений намагничивания для ряда значений токов намагничивания и приводится в табличном или графическом виде с указанием контрольных точек. Предпочтительными являются значения токов 10, 20, 80, 100, 120 % значения тока намагничивания, определяемого по формуле (1).
9.18 Испытание на стойкость к токам короткого замыкания
9.18.1 Испытание проводят при замкнутых накоротко вторичных обмотках и любом подходящем для опыта напряжении частотой (
) Гц пропусканием через первичную обмотку следующих испытательных токов:
а) тока, наибольший пик которого должен быть 1, 0 - 1, 05iд, начальное действующее значение периодической составляющей которого не должно превышать 1, 0 - 1, 05IT. Время протекания тока - 3-10 полупериодов.
Увеличение наибольшего пикового значения тока и/или начального значения периодической составляющей тока допускается по согласованию с изготовителем.
При испытании шинных, втулочных, встроенных и разъемных трансформаторов испытания по настоящему перечислению не проводят;
б) тока I1исп, действующее значение которого в течение времени протекания tн должно быть таким, чтобы выполнялось соотношение
.
(9)
Если при времени протекания испытательного тока tи, соответствующем времени протекания тока термической стойкости tк, в результате затухания периодической составляющей тока, соотношение (9) не выполняется, допускается увеличить время протекания тока, но не более чем на 5 с.
При наличии технических возможностей испытания по перечислениям а) и б) настоящего пункта могут быть совмещены.
Перед испытанием температура трансформатора должна быть (20 ± 10) °С.
9.18.2 Испытание проводят в однофазном испытательном контуре. Размеры и конфигурация контура при испытании трансформаторов категорий размещения 2, 3, 4 и 5, а также расстояния от выводов первичной обмотки трансформатора до ближайших точек фиксации проводников контура должны соответствовать указанным в стандартах на трансформаторы конкретных типов.
Испытание шинных, втулочных, встроенных и разъемных трансформаторов допускается проводить при имитации их первичной обмотки несколькими первичными витками, располагаемыми равномерно относительно вторичных обмоток.
9.18.3 Трансформатор считают выдержавшим испытание, если:
а) не произошло повреждений, препятствующих его дальнейшей работе;
б) после охлаждения до температуры (20 ± 10) °С трансформатор выдержал испытания 2, 7, 29 таблицы 8;
в) погрешности вторичных обмоток, измеренные после размагничивания, соответствуют установленным классам точности и не изменились по сравнению с первоначальными более чем на половину значений, установленных для этих классов.
В стандартах на трансформаторы конкретных типов, у которых плотность односекундного тока термической стойкости превышает значения:
а) у трансформаторов частотой 50 Гц:
- 160 А/мм2 - для медных проводников;
- 105 А/мм2 - для алюминиевых проводников;
б) у трансформаторов частотой 60 Гц:
- 154 А/мм2 - для медных проводников;
- 101 А/мм2 - для алюминиевых проводников,
должны быть установлены дополнительные критерии, подтверждающие, что трансформатор выдержал испытания на стойкость к токам короткого замыкания.
Транспортирование и хранение - в соответствии с ПНСТ 282-2018, раздел 10.
Указания по эксплуатации - в соответствии с ПНСТ 282-2018, раздел 11.
Гарантии изготовителя - в соответствии с ПНСТ 282-2018, раздел 12.
Приложение А 
  
 (справочное)
Таблица А.1
|  
         Класс точности  |  
         Погрешность  | |
|  
         токовая  |  
         угловая  | |
|  
         0, 1; 0, 2; 0, 5; 1  | ![]()  | ![]()  | 
|  
         0, 2S; 0, 5S  | ![]()  | ![]()  | 
|  
         3; 5; 10  | ![]()  |  
         Не нормируют  | 
Приложение Б 
  
 (справочное)
Б.1 Схема замещения трансформатора тока и основные воздействующие факторы
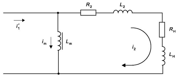
Схема замещения трансформатора тока приведена на рисунке Б.1. В этой схеме приняты следующие допущения: пренебрегают активными потерями в стали сердечника трансформатора и индуктивностью рассеяния первичной обмотки.

i'1 - приведенный ко вторичной обмотке первичный ток i1 (
, где nном - коэффициент трансформации); im - ток намагничивания, являющийся также и током погрешности iε=im; i2 - ток вторичной цепи; Lm - индуктивность намагничивания вторичной обмотки на том участке кривой намагничивания магнитопровода, который можно считать линейным (до начала насыщения); R2 - сопротивление вторичной обмотки постоянному току; L2 - индуктивность рассеяния вторичной обмотки; Rн - сопротивление нагрузки постоянному току; Lн - индуктивность нагрузки
Рисунок Б.1 - Расчетная схема
Поведение трансформатора тока в переходном режиме определяют постоянной времени вторичного контура, образуемого индуктивностью вторичного контура, и суммарным активным сопротивлением контура
,
(Б.1)
где Ls - суммарная индуктивность вторичного контура
Ls=Lm+L2+Lн,
(Б.2)
где Lm - в соответствии с В.1.2 приложения В;
L2 - индуктивность рассеяния вторичной обмотки (в большинстве случаев ею можно пренебречь);
Lн - индуктивность нагрузки;
Rs - фактическое суммарное сопротивление вторичного контура постоянному току
Rs=R2+Rн.
(Б.3)
Относительно тока в первичной цепи в переходном режиме приняты следующие допущения:
- отсутствуют составляющие второй и последующих гармоник;
- не учитывается изменение амплитуды периодической составляющей тока (первой гармоники) в ходе переходного процесса (например, действием АРВ генераторов и вследствие электромеханических переходных процессов).
Ток в первичной цепи в переходном режиме характеризуется, кроме эффективного значения периодической составляющей, наличием апериодической составляющей (на рисунке Б.2 значения тока переходного режима приведены в относительных единицах, считая за единицу амплитуду периодической составляющей тока).
Количественно характеристики апериодической составляющей определяются двумя параметрами: фазой периодической (синусоидальной) составляющей тока в момент его возникновения φнач и постоянной времени затухания апериодической составляющей тока ТР в сети, в которую включена первичная обмотка трансформатора.
,
(Б.4)
где ω - угловая частота, соответствующая номинальной частоте напряжения сети fном:
ω=2πfном.
(Б.5)
Для целей разработки и производства трансформаторов тока, наиболее удовлетворяющих требованиям работы в переходных режимах короткого замыкания, рассматривают в качестве наиболее тяжелого случая ток первичной обмотки с максимальным содержанием апериодической составляющей. Под максимальной апериодической составляющей тока имеется в виду такая апериодическая составляющая, начальное значение которой равно амплитудному значению периодической составляющей тока.
Для этого случая выражение для тока будет следующим:
,
(Б.6)
где I1 - действующее значение периодической составляющей первичного тока;
t - текущее время.
Примечание - В общем случае в первичном токе может содержаться несколько составляющих тока с разными постоянными времени затухания апериодических составляющих. В таких случаях можно применить принцип наложения, вычисляя соответствующие составляющие магнитного потока от каждой составляющей тока и определяя результат как сумму составляющих, либо использовать эквивалентную постоянную времени, например в соответствии с формулой
,
(Б.7)
где ТР.Э - эквивалентная постоянная времени;
IН.k - начальное значение k-й апериодической составляющей тока;
ТР.k - значение k-й постоянной времени;
n - число составляющих.
Продолжительность переходного процесса определяется постоянной времени затухания апериодической составляющей тока первичной обмотки.

Рисунок Б.2 - Ток при коротком замыкании в сети
Графически постоянная времени затухания апериодической составляющей первичного тока представляет собой отрезок оси времени, отсекаемый касательной к апериодической составляющей, или время уменьшения начального значения апериодической составляющей в е раз, где е - основание натурального логарифма. Сведения о численных значениях постоянной времени затухания апериодической составляющей первичного тока при различных случаях коротких замыканий приведены в ГОСТ Р 52735. Номинальное значение постоянной времени затухания апериодической составляющей первичного тока указывают в стандартах на конкретные типы трансформаторов и в эксплуатационной документации.
Б.2 Выражения для потокосцепления и тока погрешности
Процессы в схеме на рисунке Б.1 характеризует следующее уравнение:
.
(Б.8)
Учитывая, что индуктивность ветви вторичного тока в большинстве случаев много меньше индуктивности намагничивания, т.е. L2 + L << Ls, можно пренебречь для упрощения первым членом в правой части уравнения и рассматривать уравнения для тока намагничивания и потокосцепления магнитопровода в следующем виде:
;
(Б.9)
.
(Б.10)
Для установившегося режима первичного тока решениями будут:
Im(t)=-Im.maxsin(ωt);
(Б.11)
Ψ(t)=-Ψmaxsin(ωt),
(Б.12)
где
;
(Б.13)
.
(Б.14)
Для переходного режима удобно выразить решение в безразмерной форме в виде переходного коэффициента, приняв за базовые значения амплитудные значения установившегося режима. Безразмерная функция времени будет одинаковой и для тока погрешности, и для потокосцепления
.
(Б.15)
Полное решение для Kп.р(t) составит:
.
(Б.16)
Примечание - Начальные условия считают нулевыми, т.е. пренебрегают остаточной намагниченностью, зависящей от предыстории, так как к трансформаторам тока, предназначенным для работы в условиях переходного режима короткого замыкания, предъявляют специальные требования по ограничению остаточной намагниченности.
После упрощений, связанных с тем, что, как правило, ω·Ts>>1, выражение принимает вид:
.
(Б.17)
В приведенном примере ТР = 45 мс, Ts = 318 мс. Значение Ts соответствует полной погрешности трансформатора, равной 1 % при периодическом токе. Мгновенное значение погрешности переходного режима в каждый момент времени принимает значение большее, по сравнению с амплитудой полной погрешности установившегося режима, в Kп.р(t) раз и максимум мгновенной погрешности соответствует Kп.р.max (см. рисунок Б.3).

1 - периодическая составляющая потокосцепления; 2 - апериодическая составляющая потокосцепления; 3 - результирующее потокосцепление переходного режима КЗ; 4 - огибающая
Рисунок Б.3 - Пример изменения потокосцепления во времени
Для упрощения определения максимального значения Kп.р.max можно принять его равным максимуму огибающей линии к линии Kп.р(t). Выражение для огибающей:
.
(Б.18)
Момент наступления максимума огибающей равен:
,
(Б.19)
и значение максимума определяют по выражению (Б.18) подстановкой (Б.19). После преобразований:
.
(Б.20)
Фактически коэффициент Kп.р(t) показывает, во сколько раз апериодическая составляющая тока короткого замыкания увеличивает потокосцепление по сравнению с тем, какое было бы при периодическом токе при той же нагрузке. В номинальных данных трансформатора есть коэффициент Kп.р.норм, который характеризует точку на вольтамперной характеристике трансформатора, до которой изготовитель должен обеспечить отсутствие насыщения при всех прочих параметрах, равных номинальным. Условием отсутствия насыщения трансформатора в эксплуатации при конкретных параметрах нагрузки и первичной сети, которые могут отличаться от номинальных, является
,
(Б.21)
где А - коэффициент, учитывающий соотношение между номинальными параметрами трансформатора тока и реальными параметрами в месте его установки:
,
(Б.22)
где Iк.з - реальное значение периодической составляющей тока первичной обмотки при коротком замыкании;
Rн.норм и Rн.факт - номинальное и фактическое сопротивления нагрузки постоянному току;
Zн.норм·sinφн.ном и Lн.факт - номинальная и фактическая индуктивные составляющие сопротивления нагрузки;
R2 - сопротивление вторичной обмотки постоянному току;
L2 - индуктивность рассеяния вторичной обмотки (если ею нельзя пренебречь).
В тех случаях, когда это условие (Б.21) не удается выполнить, потребителю важно знать время до насыщения. Оно определяется из уравнения:
Kп.р.огиб(t)-A·Kп.р.ном=0.
(Б.23)
Ввиду трансцендентности выражения (Б.18) для Kп.р.огиб(t) точное решение уравнения может быть найдено численными методами, например методом последовательных приближений. Для приближенной оценки времени до насыщения (tнас) может быть применено упрощенное выражение:
,
(Б.24)
где Т - наименьшее из двух значений постоянных времени Тр и Тs.
Выражение (Б.24) имеет решение при условии соблюдения двух неравенств:
ω·T+1>A·Kп.р.ном;
(Б.25)
A·Kп.р.ном>1.
(Б.26)
При подстановке реальных значений они могут не всегда быть удовлетворены. Невыполнение первого неравенства (Б.25) имеет тот физический смысл, что точка пересечения кривой изменения потокосцепления с уровнем насыщения отсутствует, то есть насыщения не наступает и соответственно не существует и время насыщения.
При невыполнении второго неравенства (Б.26) точка пересечения уровня насыщения с огибающей кривой изменения потокосцепления находится в отрицательной области оси времени, так как уровень насыщения меньше, чем амплитуда периодической составляющей потокосцепления. В этом случае А < 1 и сердечник трансформатора будет насыщаться знакопеременно на каждый полупериод тока промышленной частоты. Использование трансформатора тока в таких условиях не допустимо, т.к. ток предельной кратности меньше действующего тока короткого замыкания.
Выражение (Б.24) дает несколько меньшее значение времени до насыщения, чем точное решение уравнения (Б.23), что гарантированно обеспечивает отсутствие насыщения трансформатора тока до этого времени. Если требуется более точная оценка, следует применять другие, например численные, методы для решения уравнений (Б.9) и (Б.10).
Б.3 Работа в циклах АПВ
Для трансформаторов тока, предназначенных для установки в тех точках сетей, где возможно применение при коротких замыканиях автоматического повторного включения (АПВ), нормируется стандартный цикл, состоящий из двух коротких замыканий и бестоковой паузы между ними (см. рисунок Б.4). В качестве наиболее тяжелых условий рассматриваются такие, когда в обоих коротких замыканиях апериодическая составляющая имеет наибольшее значение и одну и ту же полярность. При этих условиях трансформатор считают удовлетворяющим нормированным требованиям, если он выдерживает показатели, характеризующие класс точности, при всех длительностях коротких замыканий, не превышающих нормированных значений tк.з1 и tк.з2 и при длительности бестоковой паузы не меньше нормированного значения tбт.
Весь промежуток времени работы трансформатора в этом случае состоит из нескольких интервалов. Каждый из интервалов времени может рассматриваться по отдельности, но с учетом начальных условий, созданных в результате процесса во время предыдущего интервала.
Выражение (Б.16), в котором начальные условия предполагались нулевыми, что справедливо для интервала времени tк.з1, а для интервала времени tк.з2 принимает вид:
,
(Б.27)
где Kп.p(tнач) - начальное значение;
tнач - момент начала протекания тока при очередном коротком замыкании в цикле АПВ.

Рисунок Б.4 - Работа трансформатора тока в цикле АПВ
Для первого интервала времени tк.з1 в цикле АПВ также, как и при одиночном коротком замыкании, Kп.р(0) = 0. Для второго короткого замыкания в цикле АПВ начальный момент времени tнач = tк.з1 + tбт, Kп.p(tнач) равен тому значению, которым закончилась бестоковая пауза.
Во время бестоковой паузы Kп.р(t) изменяется (затухает) по экспоненциальному закону, начиная от такого значения, какое он имел в момент прекращения тока, с постоянной времени вторичного контура, причем отсчет времени идет от начала бестоковой паузы:
.
(Б.28)
Б.4 Выражения для определения погрешностей
Для трансформаторов класса TPY нормируется наибольшее значение мгновенной погрешности в переходном режиме εmax, %, которое составит:
,
(Б.29)
где Kп.р.max - максимальное значение Kп.р(t) во всем интервале времени.
Для трансформаторов класса TPZ нормируется периодическая составляющая погрешности εac max, %, выражающаяся как:
.
(Б.30)
Полученные значения не должны превышать значений, указанных в таблице 6 настоящего стандарта.
Выражения (Б.29) и (Б.30) справедливы только при отсутствии насыщения магнитопровода трансформатора.
Б.5 Работа при достижении уровня насыщения
Положение о равенстве Kп.р(t) для тока погрешности и для потокосцепления (Б.17) справедливо только на участке кривой намагничивания (вольтамперной характеристики), которую можно считать линейной, т.е. от нуля до начала участка насыщения. При достижении уровня насыщения характер их изменения становится различным. Если насыщение ограничивает рост потокосцепления, то ток погрешности (ток намагничивания) резко возрастает. На рисунке Б.5 приведен тот же пример, что на рисунке Б.4, но с заданным уровнем насыщения, соответствующим Kп.р(t) = 9.

Рисунок Б.5 - Работа трансформатора тока при наличии насыщения
После момента достижения уровня насыщения процесс во вторичном контуре уже не соответствует выражениям (Б.17), (Б.18), (Б.19) до самого конца протекания тока короткого замыкания, несмотря на то, что потокосцепление может снизиться ниже уровня насыщения раньше. Для бестоковой паузы можно считать применимым выражение (Б.28), с той разницей, что за начальное значение следует принимать уровень насыщения.
Значение времени до насыщения в первом коротком замыкании t'нас можно определить по выражению (Б.24). Для времени насыщения во втором коротком замыкании 
 следует учесть начальное значение в момент начала второго короткого замыкания Kп.p(t2):
.
(Б.31)
Неравенства (Б.25) и (Б.26) в этом случае принимают вид:
ω·T+1>A·Kп.р.ном-Kп.р(t2),
(Б.32)
A·Kп.р.ном-Kп.р(t2)>1.
(Б.33)
Б.6 Эквивалентность расчетных и экспериментальных данных
Расчетные формулы для косвенных испытаний получены в результате предположения об отсутствии влияния магнитных потоков рассеяния и собственных межвитковых и межслоевых емкостей вторичной обмотки. Кроме того, результаты косвенных испытаний могут зависеть от характеристик испытательных стендов и используемых измерительных приборов. Степень влияния всех неучтенных факторов и допустимость применения косвенных методов испытаний при различных видах испытаний, в первую очередь приемо-сдаточных испытаний, может быть оценена путем сравнения значения постоянной времени вторичного контура при номинальной нагрузке Ts, полученного исходя из кривой намагничивания по В.1.2 (приложение В) со значением, полученным из опыта прямых испытаний по В.2 (приложение В). Эти значения не должны отличаться друг от друга более чем на 10 %.
Дополнительно, для наглядности, по результатам опыта прямых испытаний по В.2.2 (приложение В) может быть рассчитан коэффициент эквивалентности
,
(Б.34)
образуемый соотношением потокосцеплений, определенных при прямых испытаниях прямым и косвенным методами. Для обеспечения сравнимости Ψпрям и Ψкосв параметры первичного тока и нагрузки, их определяющие, должны быть одинаковыми.
Потокосцепление, как функцию времени по прямому методу определяют по формуле
.
(Б.35)
Потокосцепление по косвенному методу определяют как:
.
(Б.36)
В этих выражениях: i1(t) - первичный ток, определенный по осциллограмме эталонного трансформатора тока в опыте по В.2.2 (приложение В); Iисп - действующее значение периодической составляющей испытательного первичного тока. Для вычисления Kп.p(t) используют значение постоянной времени затухания апериодической составляющей первичного тока ТР и интервалы времени tк.з1, tбт и tк.з2, определенные по той же осциллограмме опыта. Коэффициент эквивалентности, характеризующий применимость формул настоящего приложения к данному трансформатору, а также адекватность характеристик, используемых для косвенных испытаний испытательных стендов, определяется для максимальных значений потокосцеплений и должен быть равен:
FC=1, 0±0, 1.
(Б.37)
Б.7 Влияние остаточной намагниченности
Приведенные выше расчетные формулы получены исходя из предположения о нулевых начальных условиях для решения уравнения (Б.6), что соответствует применению трансформаторов, конструкция которых обеспечивает малое значение остаточной намагниченности (классы PR, TPY, TPZ). Трансформаторы тока, в технических данных которых не содержатся требования ограничения остаточной намагниченности (классы Р по настоящему стандарту и классы Р, РХ и ТРХ по ГОСТ Р МЭК 61869-2, которые в части переходных процессов короткого замыкания являются аналогами класса Р) тоже подвергаются действию переходных процессов. Для того, чтобы учесть этот факт, при применении указанных классов трансформаторов в расчетные формулы настоящего приложения следует подставлять, в качестве начального условия Kп.р(0), ожидаемое значение остаточной намагниченности на момент начала короткого замыкания (см. рисунок Б.6).
Считая, в общем случае, для совместимости с математическим аппаратом разделов Б.1-Б.5, что уровень насыщения обозначен гарантированным значением Kп.р.ном, в качестве начального значения в (Б.17) и (Б.18) следует подставить значение Kп.р.ном·Kr:
,
(Б.38)
,
(Б.39)
где Kr - значение коэффициента остаточной намагниченности на момент начала короткого замыкания (в долях единицы). Для трансформаторов класса Р, для которых не установлен параметр Kп.р.ном, принимается значение Kп.р.ном = 1.
Примечание - Для трансформаторов класса ТРХ по ГОСТ Р МЭК 61869-2 также значение Kп.р.ном = 1, а нормируемый для них параметр Kх является аналогом коэффициента предельной кратности Kном.
С учетом этого условие отсутствия насыщения (Б.21) принимает вид:
,
(Б.40)
а выражение (Б.20) для максимума переходного коэффициента принимает вид:
.
(Б.41)
В эксплуатационной практике для трансформаторов класса Р часто применяют приближенное представление в виде прямоугольной характеристики намагничивания (ПХН). Учитывая, что при таком представлении значение Ts→∞, выражения (Б.38), (Б.39) и (Б.41) еще более упростятся:
,
(Б.42)
,
(Б.43)
Kп.р.max=A·Kr+ω·T+1,
(Б.44)
и уравнение (Б.23) принимает вид:
,
(Б.45)
или по огибающей кривой:
.
(Б.46)
Приближенная оценка времени до насыщения при несоблюдении условия (Б.40):
.
(Б.47)
Неравенства (Б.25) и (Б.26) в этом случае принимают вид:
ω·T+1>A·(1-Kr);
(Б.48)
A·(1-Kr)>1.
(Б.49)
Примечания
1 Приведенная формула при времени до насыщения менее 15 мс завышает требования к ТТ, что гарантированно обеспечивает отсутствие насыщения ТТ до этого времени. Если требуется более точная оценка, то фактическое время до насыщения должно быть рассчитано путем точного решения уравнений (Б.9) и (Б.10), например численными методами с учетом фактической начальной фазы тока по (Б.6).
2 При несоблюдении неравенства (Б.49) значение tнас по (Б.47) принимает отрицательное значение. Это следует понимать как предупреждение, что уровень насыщения с учетом его сокращения за счет остаточной намагниченности меньше, чем амплитуда периодической составляющей потокосцепления. Для определения реального времени насыщения следует применять методы расчета, упомянутые в примечании 1.
Значение допустимого тока короткого замыкания с учетом сопротивления нагрузки выбирают в соответствии с (Б.22) с таким расчетом, чтобы выполнялось условие (Б.40) или обеспечивалось достаточное время до насыщения по (Б.47).
Значение остаточной намагниченности на любой момент времени зависит от всей предыстории трансформатора, начиная от операций, совершаемых при вводе его в эксплуатацию, и включая все случаи протекания аварийных токов, при каждом из которых состояние остаточной намагниченности магнитопровода может измениться. Поскольку предугадать всю совокупность воздействий, которым может подвергнуться трансформатор, невозможно, остаточную намагниченность на момент начала короткого замыкания следует рассматривать как случайную величину.
Статистическая обработка по ГОСТ Р 8.736 данных измерений остаточной намагниченности, проведенных на отдельных присоединениях ОРУ-500 Ростовской АЭС, дала результаты, приведенные в таблице Б.1. Измерения выполнялись прибором СТ Analyzer Omicron на трансформаторах тока типа SAS 550/5G класса 10Р производства TRENCH. Оценивалась только случайная составляющая результатов измерения.

Рисунок Б.6 - Характер изменения потокосцепления в трансформаторе тока класса Р при отсутствии насыщения
|  
         Количество измерений (сердечников) N  |  
         Значения, % от потокосцепления насыщения  | ||||
|  
         Среднее значение Ã  |  
         Дисперсия σ  |  
         Доверительная вероятность Р  |  
         Коэффициент Стьюдента t  |  
         Границы доверительного интервала (с округлением до целых %)  | |
|  
         13  |  
         49, 41  |  
         6, 85  |  
         0, 95  |  
         2, 179  |  
         50 ± 15  | 
|  
         -  |  
         -  |  
         -  |  
         0, 99  |  
         3, 055  |  
         50 ± 21  | 
Следует отметить, что максимальное из измеренных значений составляло 86 % уровня насыщения. Такое же значение (86 %) было максимальным при лабораторных экспериментах с остаточной намагниченностью на отечественных трансформаторах тока аналогичного класса.
Согласно этим данным значение Kr следует принимать равным 0, 65-0, 71, а в особо ответственных случаях - до 0, 86. Приведенные результаты исследований, ввиду их немногочисленности, нельзя считать исчерпывающими. Эксплуатирующим организациям следует устанавливать допустимые значения Kr в технической документации на основании более расширенных исследований.
Б.8 Пример расчета времени до насыщения трансформатора тока ТФЗМ-500-2000/1-10Р
Исходные данные. Суммарный ток однофазного КЗ на шинах ОРУ - 500 кВ равен 26900 А. Значения токов в ветвях, питающих точку КЗ, и постоянные времени затухания апериодических составляющих токов в ветвях приведены в таблице Б.2.
Таблица Б.2
|  
         N ветви  |  
         Наименование ветви  |  
         
  |  
         
  | 
|  
         1  |  
         Блок генератор-трансформатор  |  
         217  |  
         20910  | 
|  
         2  |  
         Автотрансформатор связи  |  
         60  |  
         2366  | 
|  
         3  |  
         Воздушные линии  |  
         32, 4  |  
         3380  | 
Номинальные параметры трансформатора ТФЗМ-500-2000/1-10Р:
R2 = 10 Ом; cos φ2 = 1; Rн.ном = 50 Ом; I1.ном = 2000 А; Kном = 18.
Б.8.1 Расчетное сопротивление нагрузки при однофазном КЗ вычислено по формуле
 Ом,
(Б.50)
где ρ = 0, 0175 Ом·мм2/м, длина контрольного кабеля l = 900 м, поперечное сечение жилы S = 2, 5 мм2.
Б.8.2 По выражению в примечании к формуле (Б.6) вычислена эквивалентная постоянная времени затухания апериодической составляющей тока КЗ:
.
Б.8.3 По выражению (Б.22) определен параметр А режима ТТ при заданном токе КЗ Iк.з и фактической нагрузке Rн.факт во вторичной цепи:
.
Произведение А(1 - Kr) при отсутствии остаточной магнитной индукции равно 3, 55, а при Kr = 0, 86 равно 0, 497.
Б.8.4 Приближенная оценка tнас по выражению (Б.47):
- без учета остаточной индукции
;
- с учетом остаточной индукции расчет с использованием огибающей невозможен, см. примечание 2 к выражению (Б.49).
Б.8.5 Расчет графоаналитическим методом с использованием формулы (Б.42)
Уравнение принимает вид:
.
(Б.51)
Результаты представлены на рисунке Б.7.

1 - кривая, отображающая левую часть уравнения (Б.51); 2 - огибающая по уравнению (Б.46); 3 - кривая, отображающая решение уравнения (Б.10) для трансформатора с ПХН при отсутствии апериодической составляющей в первичном токе; 4 - решение по Б.8.4 (по огибающей, Kr = 0, А = 3, 55), tнас = 8, 3 мс; 5 - решение по уравнению (Б.51) Kr = 0, А = 3, 55, tнас = 10, 8 мс; 6 - решение по уравнению (Б.51), Kr = 0, 86, A(1 - Kr) = 0, 497, tнас = 4, 8 мс; 7 - решение для случая, когда апериодическая составляющая в первичном токе отсутствует, Kr = 0, 86, А(1 - Kr) = 0, 497, tнас = 3, 32 мс
Рисунок Б.7 - Результаты графоаналитического расчета времени до насыщения
Приложение В 
  
 (обязательное)
В.1 Определяемые характеристики:
- коэффициент остаточной намагниченности Kr;
- индуктивность намагничивания вторичной обмотки Lm;
- постоянная времени вторичного контура при номинальной нагрузке Ts;
- мгновенная погрешность в переходном режиме εmax для трансформаторов класса TPY;
- периодическая составляющая погрешности переходного режима εac max для трансформаторов класса TPZ.
Непосредственно перед измерением характеристик обмотки трансформаторов тока должны быть размагничены.
Допускается проверять характеристики другими способами, которые должны быть установлены в стандартах на трансформаторы конкретных типов, если при квалификационных и типовых испытаниях или в целях утверждения типа доказано, что этот способ обеспечивает получение результатов, не отличающихся более чем на 10 %.
В.1.1 Определение коэффициента остаточной намагниченности Kr
Определение коэффициента остаточной намагниченности Kr выполняют методом разряда конденсатора на вторичную обмотку трансформатора тока при разомкнутой первичной обмотке.
Схема проведения испытаний приведена на рисунке В.1.
Параметры контура подбирают таким образом, чтобы частота колебательного процесса в контуре L-С отличалась от номинальной частоты не более чем на ± 10 %.

Р - регулятор напряжения; Т - зарядный трансформатор; R - зарядный резистор; С - конденсатор; L - регулировочная (разрядная) индуктивность; ТТ - испытуемый трансформатор тока; u(t), i(t) - устройства регистрации тока и напряжения; В - выпрямитель, К - коммутирующее устройство (ключ)
Рисунок В.1 - Схема определения остаточной намагниченности методом разряда конденсатора
Конденсатор С заряжается от зарядного трансформатора Т до значения напряжения, необходимого для насыщения испытуемого трансформатора тока ТТ. После чего замыкается ключ К и конденсатор С разряжается на включенные параллельно вторичную обмотку испытуемого трансформатора тока ТТ и разрядную индуктивность L (может отсутствовать). Значения тока через вторичную обмотку i(t) и падение напряжения на ее выводах u(t) регистрируются цифровым осциллографом.
Для получения правильного значения коэффициента остаточной намагниченности Kr необходимо обеспечить достижение полностью насыщенного состояния трансформатора перед тем, как ток начнет уменьшаться до нуля. Критерием достаточности насыщения служит форма первой полуволны тока от начала приложения напряжения до первого перехода тока через нуль (см. рисунок В.2). На ней можно выделить характерный пик, свидетельствующий о наступлении насыщения. Степень насыщения считается достаточной, если коэффициент амплитуды этой полуволны (отношение амплитудного значения к среднеквадратичному) не менее 2, 5.
Потокосцепление Ψ (t) вычисляют по формуле
,
(В.1)
где R2 - сопротивление вторичной обмотки постоянному току;
u(t) и i(t) - мгновенные значения напряжения и тока, осциллографируемые в опыте.

Рисунок В.2 - Характерная осциллограмма по методу разряда конденсатора
Зависимость потокосцепления Ψ (t), определенного по формуле В.1, от тока i(t) графически представляет собой часть петли гистерезиса (см. рисунок В.3). Значение остаточного потокосцепления Ψt отсчитывается в момент, когда после достижения потокосцеплением значения насыщения Ψsat ток становится равным нулю. Ψsat определятся при максимальном мгновенном значении тока.

Рисунок В.3 - Часть петли гистерезиса, воспроизводимая методом разряда конденсатора
Коэффициент остаточной намагниченности Kr, %, определяют по формуле
.
(В.2)
В.1.2 Определение индуктивности намагничивания Lm и постоянной времени Ts
Индуктивность намагничивания Lm определяют как отношение ∆Ψ к ∆i на участке кривой намагничивания, который с достаточной степенью приближения можно считать линейным (см. рисунок В.4).

Рисунок В.4 - Определение индуктивности намагничивания
В качестве границ этого участка принимают значения 20 % и 90 % от потокосцепления Ψsat, соответствующего напряжению намагничивания Uнам.расч, определяемого по 9.17 настоящего стандарта.
Индуктивность намагничивания принимают равной
,
(В.3)
где Im 90 и Im 20 - действующие значения токов, измеренных при напряжениях, равных 90 % и 20 % напряжения Uнам.расч соответственно;
Im max90 и Im max20 - их амплитудные значения.
Постоянную времени вторичного контура определяют как отношение индуктивности намагничивания к активному сопротивлению вторичного контура
,
(В.4)
где Lm - индуктивность намагничивания, рассчитанная по формуле (В.3), Гн;
Rs - сопротивления вторичного контура постоянному току
Rs=R2+Z2номcosφ2,
(В.5)
где R2 - сопротивление вторичной обмотки постоянному току, приведенное к температуре, при которой измеряют токи намагничивания, Ом.
В.2 Определение погрешности в переходном режиме короткого замыкания
Принципиальная схема испытаний и измерений - в соответствии с 9.16 настоящего стандарта. Конкретная реализация схемы зависит от испытательных возможностей испытательной лаборатории. Допускается вместо эталонных и промежуточных трансформаторов тока использовать измерительные шунты, цифровую измерительную и регистрирующую аппаратуру.
Через первичную обмотку пропускают ток промышленной частоты. К вторичной обмотке должна быть подключена номинальная нагрузка. Действующее значение периодической составляющей испытательного первичного тока должно быть в пределах:
I1исп=(1, 0÷1, 05)I1номKном.
(В.6)
Регистрируют мгновенную величину тока погрешности:
iε=nномi2-i1.
(В.7)
Абсолютная погрешность измерения тока погрешности не должна превышать 10 % предела допустимой погрешности, соответствующего классу испытуемого трансформатора.
Выполняют два испытательных режима:
В.2.1 Током короткого замыкания, соответствующим значению предельной кратности, при отсутствии апериодической составляющей, для сравнения измеренного значения полной погрешности с рассчитанным по формуле (В.9) значением. Длительность протекания тока выбирают такую, чтобы, по возможности, затухли все переходные процессы, не устраненные настройкой испытательного оборудования, но не менее 0, 5 с и не более допустимого времени протекания тока термической стойкости. Полную погрешность определяют как среднеквадратичное значение Iε мгновенной погрешности тока Iε (t), отнесенное к действующему значению периодической составляющей испытательного первичного тока I1исп.
Проверяется выполнение соотношений:
 % по таблице 6 настоящего стандарта;
(В.8)
,
(В.9)
где f - частота испытательного тока.
В.2.2 Нормированным циклом с максимальным содержанием апериодической составляющей. Апериодическая составляющая должна быть максимальной, а для трансформаторов тока, предназначенных для работы в условиях АПВ, - одной и той же полярности в обоих интервалах времени протекания тока. Под максимальной апериодической составляющей тока имеется в виду такая апериодическая составляющая, начальное значение которой равно амплитудному значению периодической составляющей тока.
Периодическая составляющая испытательного тока равна току предельной кратности. Постоянная времени затухания апериодической составляющей испытательного тока не должна отличаться от нормированного значения более чем на ± 5 %.
Первый пик тока в обоих периодах протекания тока должен быть, не менее
.
(В.10)
Максимальное значение мгновенной погрешности не должно превышать нормированного значения, указанного в таблице 6 настоящего стандарта.
.
(В.11)
В.2.2.1 Измеряют значения тока погрешности, показанные на рисунке В.5.

а - для трансформатора класса TPY, не предназначенного для АПВ; b - для трансформатора класса TPZ; с - для трансформатора класса TPY, предназначенного для АПВ
Рисунок В.5 - Измеряемые значения тока погрешности
Для трансформаторов класса TPY максимальное значение мгновенной погрешности εmax, %, определяют по формуле
,
(В.12)
где iεmax = 0 или iεmax = А, в зависимости от нормированного цикла.
Для трансформаторов класса TPZ периодическую составляющую погрешности переходного режима εac max, %, определяют как
,
(В.13)
где iεac max =b/2.
Полученные значения не должны превышать значений, указанных в таблице 6 настоящего стандарта.
В.2.3 Если требования пункта В.2.2 выполняются, а требования по точности измерения тока погрешности или отсутствия апериодической составляющей первичного тока при выполнении испытания по пункту В.2.1 не удается выполнить, то допускается проверку по пункту В.2.1 заменить определением постоянной времени вторичного контура Ts по осциллограмме опыта по пункту В.2.2. Для этого на интервале времени, соответствующем бестоковой паузе tбт (а для трансформаторов, для которых не нормируется цикл АПВ - после окончания протекания тока в первичной цепи), выбирают два момента времени t1 и t2, измеряют мгновенные значения тока погрешности i1 и i2, соответствующие этим моментам времени. Значение постоянной времени определяют как
.
(В.14)
Полученное значение не должно отличаться от значения по пункту В.1.2 более чем на 10 %.
Приложение Г 
  
 (справочное)
Г.1 Токовые и угловые погрешности трансформаторов тока с расширенным диапазоном рабочих токов могут быть определены дифференциальным (нулевым) методом в соответствии со схемой (см. рисунок Г.1) по методике ГОСТ 8.217. Конкретная схема, по которой определяют погрешности трансформатора тока с расширенным диапазоном рабочих токов, должна быть приведена в стандартах на трансформаторы конкретных типов.
При сборке схемы испытаний соединение приборов осуществляют в соответствии с требованиями руководства по эксплуатации применяемых приборов.

Тр - регулировочный трансформатор; Тн - нагрузочный трансформатор; То1 - рабочий эталон; Тв - вспомогательный рабочий эталон; Тх - испытуемый трансформатор тока; Z - нагрузка поверяемого трансформатора; 
 - дополнительная вторичная обмотка (при использовании рабочего эталона, выполненного по схеме двухступенчатого трансформатора тока); ПС - прибор сравнения
Рисунок Г.1 - Схема для определения токовых и угловых погрешностей трансформатора тока с расширенным диапазоном рабочих токов
Г.2 К элементам схемы предъявляют следующие требования:
1) коэффициенты трансформации рабочих эталонов должны быть такими, чтобы выполнялось условие
no1=nx/nв,
(Г.1)
где nо1 - коэффициент трансформации То1;
nх - коэффициент трансформации Тх;
nв - коэффициент трансформации Тв;
2) коэффициенты трансформации рабочих эталонов должны быть выбраны так, чтобы приборы оставались в рабочем диапазоне токов с нормируемой погрешностью.
Г.3 При испытании устанавливают ток в цепи, равный первичному току испытуемого трансформатора тока (составляющий 0, 1 %, 0, 2 %, 150 % и 200 % номинального тока, в зависимости от исходных данных испытания).
Согласно дифференциальному методу, основанному на сравнении вторичных токов поверяемого и эталонного трансформаторов для определения погрешности поверяемого трансформатора тока, токи, приходящие на прибор сравнения (ПС, см. рисунок Г.1), должны быть одинаковыми по номиналу. Для этого в схему включают вспомогательный эталонный трансформатор тока, который понижает (повышает) вторичный ток испытуемого трансформатора тока до требуемого значения, равного вторичному току эталонного трансформатора тока.
Значение тока в цепи необходимо выставлять по прибору сравнения в соответствии с формулой
Iфакт=IпрK,
(Г.2)
где Iфакт - значение тока фактическое во вторичной цепи испытуемого трансформатора, %;
Iпр - значение тока по прибору сравнения, %;
K = nв = Iв.ном1/Iв.ном2;
Iв.ном1, Iв.ном2 - значения первичного и вторичного токов соответственно вспомогательного рабочего эталона.
Примеры
1 Необходимо рассчитать значение тока на приборе сравнения Iпр, до которого необходимо поднимать ток в цепи испытуемого трансформатора при определении погрешности испытуемого трансформатора тока при токе, равном 200 % номинального тока.
Исходные данные: номинальный первичный и вторичный токи испытуемого трансформатора тока соответственно Iх.ном1 = 600 А и Iх.ном2 = 5 А, отсюда nх = 600/5 = 120.
Выбирают коэффициенты трансформации эталонных трансформаторов тока:
no1=Iо.ном1/Iо.ном2,
где Iо.ном1=Ix.ном1·200%/100%=1200 A, Io.ном2 = 5 А.
тогда no1 = 1200/5 = 240.
Находят коэффициент трансформации вспомогательного эталонного трансформатора тока:
nв=no1/nx=240/120=2.
Находят значение тока на приборе сравнения, до которого необходимо поднимать ток в цепи испытуемого трансформатора
Iфакт=IпрK,
где K = nв = 2, а Iпр = 100 %,
тогда Iфакт = 200 %.
2 Необходимо рассчитать значение тока на приборе сравнения Iпр, до которого необходимо поднимать ток в цепи испытуемого трансформатора при определении погрешности испытуемого трансформатора тока при токе, равном 0, 1 % номинального тока.
Исходные данные: номинальный первичный и вторичный токи испытуемого трансформатора тока соответственно Iх.ном1 = 600 А и Iх.ном2 = 5 А, отсюда nх = 600/5 = 120.
Выбирают коэффициенты трансформации эталонных трансформаторов тока:
no1=Iо.ном1/Iо.ном2,
где Iо.ном1=Ix.ном1·0, 1%/1%=60 A, Io.ном2 = 5 А.
тогда nо1 = 60/5 = 12.
Находят коэффициент трансформации вспомогательного эталонного трансформатора тока:
nв=no1/nx=12/120=0, 1.
Находят значение тока на приборе сравнения, до которого необходимо поднимать ток в цепи испытуемого трансформатора
Iфакт=IпрK,
где K = nв = 0, 1, а Iпр = 1 %,
тогда Iфакт = 0, 1 %.
 
        
       
 
        
       








