ПНСТ 282-2018 ТРАНСФОРМАТОРЫ ИЗМЕРИТЕЛЬНЫЕ. Часть 1. ОБЩИЕ ТЕХНИЧЕСКИЕ УСЛОВИЯ
Instrument transformers. Part 1. General specifications
Срок действия - с 1 января 2019 г. до 1 января 2022 г.
Предисловие
1 Разработан Обществом с ограниченной ответственностью "Эльмаш (УЭТМ)" (ООО "Эльмаш (УЭТМ)")
2 Внесен Техническим комитетом по стандартизации ТК 016 "Электроэнергетика"
3 Утвержден и введен в действие Приказом Федерального агентства по техническому регулированию и метрологии от 30 октября 2018 г. N 50-пнст
Введение
Настоящий стандарт входит в серию стандартов "Трансформаторы измерительные", которая включает следующие стандарты:
- Часть 1. Общие технические условия;
- Часть 2. Технические условия на трансформаторы тока;
- Часть 3. Технические условия на индуктивные трансформаторы напряжения;
- Часть 4. Технические условия на комбинированные трансформаторы;
- Часть 5. Технические условия на емкостные трансформаторы напряжения;
- Часть 6 - Часть 8. Технические условия на электронные трансформаторы.
В настоящем стандарте реализованы основные нормативные положения международного стандарта МЭК 61869-1:2007 "Трансформаторы измерительные. Часть 1. Общие требования" (IEC 61869-1:2007 "lnstrument transformers - Part 1: General requirements") и практика применения ГОСТ 7746-2001 "Трансформаторы тока. Общие технические условия" и ГОСТ 1983-2001 "Трансформаторы напряжения. Общие технические условия".
Настоящий стандарт распространяется на измерительные трансформаторы (далее - трансформаторы) напряжением от 3 до 750 кВ, предназначенные для применения в электрических цепях переменного тока частотой 50 и 60 Гц с целью передачи сигнала измерительной информации приборам измерения, защиты, автоматики, сигнализации и управления, разработанным после 1 января 2019 г.
Дополнительные требования к отдельным видам трансформаторов в связи со спецификой их конструкции или назначения устанавливают в стандартах, технической документации, договорах или контрактах на трансформаторы конкретных типов.
Стандарт не распространяется на лабораторные, нулевой последовательности, суммирующие, блокирующие и насыщающиеся трансформаторы.
В настоящем стандарте использованы нормативные ссылки на следующие стандарты:
ГОСТ 2.601 Единая система конструкторской документации. Эксплуатационные документы
ГОСТ 12.1.044 (ИСО 4589-84) Система стандартов безопасности труда. Пожаровзрывоопасность веществ и материалов. Номенклатура показателей и методы их определения
ГОСТ 12.2.007.0 Система стандартов безопасности труда. Изделия электротехнические. Общие требования безопасности
ГОСТ 12.2.007.3 Система стандартов безопасности труда. Электротехнические устройства на напряжение свыше 1000 В. Требования безопасности
ГОСТ 12.3.019 Система стандартов безопасности труда. Испытания и измерения электрические. Общие требования безопасности
ГОСТ 15.309 Система разработки и постановки продукции на производство. Испытания и приемка выпускаемой продукции. Основные положения
ГОСТ 27.003 Надежность в технике. Состав и общие правила задания требований по надежности
ГОСТ 27.301 Надежность в технике. Расчет надежности. Основные положения
ГОСТ 3484.5 Трансформаторы силовые. Испытания баков на герметичность
ГОСТ 6581 Материалы электроизоляционные жидкие. Методы электрических испытаний
ГОСТ 8024 Аппараты и электротехнические устройства переменного тока на напряжение свыше 1000 В. Нормы нагрева при продолжительном режиме работы и методы испытаний
ГОСТ 10434 Соединения контактные электрические. Классификация. Общие технические требования
ГОСТ 14192 Маркировка грузов
ГОСТ 14254 (IEC 60529:2013) Степени защиты, обеспечиваемые оболочками (Код IP)
ГОСТ 15150 Машины, приборы и другие технические изделия. Исполнения для различных климатических районов. Категории, условия эксплуатации, хранения и транспортирования в части воздействия климатических факторов внешней среды
ГОСТ 15543.1 Изделия электротехнические и другие технические изделия. Общие требования в части стойкости к климатическим внешним воздействующим факторам
ГОСТ 16962.1 (МЭК 68-2-1-74) Изделия электротехнические. Методы испытаний на устойчивость к климатическим внешним воздействующим факторам
ГОСТ 16962.2 Изделия электротехнические. Методы испытаний на стойкость к механическим внешним воздействующим факторам
ГОСТ 17516.1 Изделия электротехнические. Общие требования в части стойкости к механическим внешним воздействующим факторам
ГОСТ 18425 Тара транспортная наполненная. Метод испытания на удар при свободном падении
ГОСТ 21130 Изделия электротехнические. Зажимы заземляющие и знаки заземления. Конструкция и размеры
ГОСТ 21242 Выводы контактные электротехнических устройств плоские и штыревые. Основные размеры
ГОСТ 23216 Изделия электротехнические. Хранение, транспортирование, временная противокоррозионная защита, упаковка. Общие требования и методы испытаний
ГОСТ 28517 Контроль неразрушающий. Масс-спектрометрический метод течеискания. Общие требования
ГОСТ Р 15.301 Система разработки и постановки продукции на производство. Продукция производственно-технического назначения. Порядок разработки и постановки продукции на производство
ГОСТ Р 52565 Выключатели переменного тока на напряжения от 3 до 750 кВ. Общие технические условия
ГОСТ Р 55191 (МЭК 60270:2000) Методы испытаний высоким напряжением. Измерения частичных разрядов
ГОСТ Р 55194 Электрооборудование и электроустановки переменного тока на напряжения от 1 до 750 кВ. Общие методы испытаний электрической прочности изоляции
ГОСТ Р 55195 Электрооборудование и электроустановки переменного тока на напряжения от 1 до 750 кВ. Требования к электрической прочности изоляции
ГОСТ Р 56735 (IEC/TS 60815-1:2008) Изоляторы высокого напряжения для работы в загрязненных условиях. Выбор и определение размеров. Часть 1. Определения, информация и общие принципы
Примечание - При пользовании настоящим стандартом целесообразно проверить действие ссылочных стандартов в информационной системе общего пользования - на официальном сайте Федерального агентства по техническому регулированию и метрологии в сети Интернет или по ежегодному информационному указателю "Национальные стандарты", который опубликован по состоянию на 1 января текущего года, и по выпускам ежемесячного информационного указателя "Национальные стандарты" за текущий год. Если заменен ссылочный стандарт, на который дана недатированная ссылка, то рекомендуется использовать действующую версию этого стандарта с учетом всех внесенных в данную версию изменений. Если заменен ссылочный стандарт, на который дана датированная ссылка, то рекомендуется использовать версию этого стандарта с указанным выше годом утверждения (принятия). Если после утверждения настоящего стандарта в ссылочный стандарт, на который дана датированная ссылка, внесено изменение, затрагивающее положение, на которое дана ссылка, то это положение рекомендуется применять без учета данного изменения. Если ссылочный стандарт отменен без замены, то положение, в котором дана ссылка на него, рекомендуется применять в части, не затрагивающей эту ссылку.
3.1 В настоящем стандарте применены следующие термины с соответствующими определениями:
3.1.1 измерительный трансформатор (преобразователь): Трансформатор, предназначенный для передачи сигнала измерительной информации (тока или напряжения) приборам измерения, защиты, автоматики, сигнализации и управления.
3.1.2 оболочка: Часть конструкции трансформатора, обеспечивающая защиту оборудования от некоторых внешних воздействий и защиту по всем направлениям от прямых контактов.
3.1.3 первичные выводы: Выводы, к которым прикладывается напряжение или/и (и - для комбинированных трансформаторов) ток, подлежащие трансформации.
3.1.4 вторичные выводы: Выводы, которые обеспечивают передачу сигнала информации приборам измерения, защиты, автоматики, сигнализации и управления.
3.1.5 вторичная цепь: Внешняя цепь, получающая сигналы информации от выводов вторичной обмотки измерительного трансформатора.
3.1.6 секция: Токопроводящая часть измерительного трансформатора с выводами, изолированная от других подобных токоведущих частей.
3.1.7 номинальный коэффициент трансформации: Отношение действующего значения номинального первичного напряжения или тока к действующему значению номинального вторичного напряжения или тока.
3.1.8 угловая погрешность: Разница в углах между векторами первичного напряжения или тока и вторичного напряжения или тока.
Примечания
1 Направление векторов выбирают таким, чтобы для идеального трансформатора этот угол был равен нулю. Сдвиг фаз считают положительным, если вектор вторичного напряжения или тока опережает вектор первичного тока или напряжения. Угловую погрешность обычно выражают в минутах или сантирадианах.
2 Данное определение является абсолютно верным только для синусоидальных напряжений или токов.
3 Электронные измерительные трансформаторы могут внести задержку времени из-за цифровой передачи данных и цифровой обработки сигналов.
3.1.9 класс точности: Обобщенная характеристика трансформатора, определяемая установленными пределами допускаемых погрешностей при заданных условиях работы.
3.1.10 вторичная нагрузка: Полное сопротивление вторичной цепи, выраженное в омах, при установленном коэффициенте мощности.
Примечание - Вторичная нагрузка может выражаться как полная мощность в вольт-амперах при установленном коэффициенте мощности и при номинальном вторичном напряжении или токе.
3.1.11 номинальная вторичная нагрузка: Значение вторичной нагрузки, при которой гарантированно выполняются все параметры, заданные классом точности.
3.1.12 номинальная мощность вторичной нагрузки: Значение полной мощности (в вольт-амперах при установленном коэффициенте мощности), которую трансформатор должен передавать во вторичную цепь при номинальном вторичном напряжении или токе и номинальной нагрузке.
Примечание - Номинальная мощность является номинальной нагрузкой, выраженной в вольт-амперах, при установленном коэффициенте мощности.
3.1.13 номинальная частота: Значение частоты сети, для работы в которой предназначен трансформатор.
3.1.14 измерительный трансформатор с защитой при возникновении внутренней дуги: Измерительный трансформатор, конструкция которого обеспечивает соответствующий класс защиты при возникновении внутреннего дугового замыкания.
3.1.15 измерительный трансформатор с газовой изоляцией в металлическом корпусе: Измерительный трансформатор в металлическом корпусе, предназначенный для установки в элегазовое комплектное распределительное устройство (КРУЭ), либо как встроенный в коммутационный аппарат, либо как отдельный узел КРУЭ.
3.1.16 замкнутая система давления: Объем, который пополняется только периодически путем ручного подключения к внешнему источнику газа.
3.1.17 газ: Газ или смесь газов, которыми заполняется трансформатор.
3.1.18 номинальное давление заполнения: Давление газа, приведенное к стандартным атмосферным условиям, до которого заполняют (или периодически пополняют) измерительный трансформатор согласно требованиям изготовителя.
3.1.19 минимальное рабочее давление: Давление газа, приведенное к стандартным атмосферным условиям, при котором и выше которого трансформатор способен выдерживать номинальный уровень изоляции и другие номинальные характеристики.
Примечание - При снижении давления до минимального рабочего давления требуется пополнение измерительного трансформатора газом.
3.1.20 абсолютная скорость утечки, г/с: Количество (масса) газа, вытекающего за единицу времени.
3.1.21 относительная скорость утечки (годовая утечка газа) q, % в год: Отношение абсолютной скорости утечки к общему количеству газа в устройстве при номинальном давлении (плотности) заполнения.
3.1.22 номинальное напряжение трансформатора Uном, кВ: Междуполюсное напряжение (действующее значение), равное номинальному междуфазному напряжению электрических сетей, для работы в которых предназначен трансформатор.
3.1.23 наибольшее рабочее напряжение Uн.p, кВ: Наибольшее междуполюсное напряжение (действующее значение), на которое рассчитан трансформатор (в частности, в условиях длительного приложения этого напряжения).
3.2 В настоящем стандарте используют следующие обозначения и сокращения:
Uном - номинальное напряжение трансформатора;
Uн.р - наибольшее рабочее напряжение;
fном - номинальная частота напряжения сети;
q - относительная скорость утечки;
ЗИП - запасные части, инструменты и принадлежности;
КРУЭ - элегазовое комплектное распределительное устройство;
ТТ - трансформатор тока;
ТН - трансформатор напряжения.
Классификация и условные обозначения трансформаторов - в соответствии со стандартами на конкретный вид трансформатора.
Номинальные параметры трансформатора:
а) номинальное напряжение трансформатора Uном, кВ (кроме встроенных ТТ), в соответствии с ГОСТ Р 55195;
б) наибольшее рабочее напряжение Uн.р, кВ, в соответствии с ГОСТ Р 55195;
в) номинальная частота напряжения сети fном, равная 50 или 60 Гц;
г) номинальная мощность в соответствии со стандартом на конкретный вид трансформатора;
д) класс точности в соответствии со стандартом на конкретный вид трансформатора.
6.1 Трансформаторы следует изготовлять в соответствии с требованиями настоящего стандарта и технической документацией на трансформаторы конкретных типов по рабочим чертежам, утвержденным в установленном порядке.
6.2 Требования в части стойкости к внешним воздействиям окружающей среды
6.2.1 Трансформаторы следует изготовлять в климатических исполнениях в соответствии с ГОСТ 15150 и ГОСТ 15543.1. Категории размещения - по ГОСТ 15150.
6.2.2 Вид климатического исполнения и категорию размещения следует указывать в технической документации на трансформаторы конкретных типов.
Если температура окружающей среды отличается от температуры, указанной в ГОСТ 15150 и ГОСТ 15543.1, фактические значения должны быть указаны в технической документации на трансформаторы конкретных типов.
Требования в части стойкости к климатическим внешним воздействующим факторам - по ГОСТ 15543.1.
6.2.3 Стандартные атмосферные условия:
- температура воздуха - 20 °С;
- атмосферное давление - 101,3 кПа (1013 мбар или 760 мм рт.ст.);
- абсолютная влажность воздуха - 11 г/м3.
6.2.4 В технической документации на трансформаторы конкретных типов должна быть указана максимально допустимая высота установки над уровнем моря в метрах.
6.2.5 Требования в части стойкости к механическим внешним воздействующим факторам - по ГОСТ 17516.1. Группу механического исполнения по ГОСТ 17516.1 устанавливают в технической документации на трансформаторы конкретных типов.
Трансформаторы должны быть рассчитаны на нагрузку от тяжения проводов:
- 500 Н (50 кгс) - для трансформаторов на номинальное напряжение до 35 кВ включительно;
- 1000 Н (100 кгс) - для трансформаторов на номинальное напряжение 110-220 кВ;
- 1500 Н (150 кгс) - для трансформаторов на номинальное напряжение 330 кВ и выше.
При этом значения испытательных статических нагрузок приведены в таблице 1.
|
Номинальное напряжение трансформатора, кВ |
Испытательная статическая нагрузка, Н (кгс), измерительного трансформатора | |
|
с выводами напряжения |
с токовыми выводами | |
|
До 35 |
500 (50) |
1250 (125) |
|
От 110 до 220 |
1000 (100) |
2000 (200) |
|
От 330 |
1500 (150) |
2500 (250) |
|
Примечание - Для измерительных трансформаторов стоковыми выводами испытательные значения учитывают динамические нагрузки оттоков короткого замыкания. | ||
Трансформаторы категории размещения 1 должны быть рассчитаны на суммарную механическую нагрузку от ветра скоростью 40 м/с, гололеда с толщиной стенки льда 20 мм и от тяжения проводов.
6.2.6 Рабочее положение трансформаторов в пространстве должно быть указано в технической документации на трансформаторы конкретных типов.
6.2.7 Значение нагрузки и методы испытаний трансформаторов подвесного типа устанавливают в технической документации на трансформаторы конкретных типов.
6.3 Требования по сейсмостойкости
6.3.1 В технической документации на трансформаторы конкретных типов должна быть указана сейсмостойкость изделия как интенсивность землетрясений в баллах по шкале MSK-64 при установке оборудования на нулевой отметке (верхней границе фундамента).
6.4 Требования к изоляции
6.4.1 Электрическая прочность изоляции первичной обмотки (первичной цепи) трансформаторов на номинальные напряжения от 3 до 750 кВ включительно должна соответствовать требованиям ГОСТ Р 55195.
6.4.2 Изоляция маслонаполненных трансформаторов должна соответствовать требованиям на стойкость к тепловому пробою по ГОСТ Р 55195.
6.4.3 Изоляция вторичных обмоток трансформаторов относительно заземленных частей, а для трансформаторов с несколькими вторичными обмотками также относительно друг друга должна выдерживать в течение 1 мин воздействие испытательного напряжения 3 кВ номинальной частоты.
6.4.4 Значения сопротивления изоляции первичных и вторичных обмоток устанавливают в стандарте на конкретный вид трансформатора.
6.4.5 Изоляция первичной обмотки маслонаполненных трансформаторов на номинальное напряжение 330 кВ и выше по согласованию между потребителем и изготовителем должна выдерживать воздействие многократных срезанных импульсов.
6.4.6 Уровень частичных разрядов изоляции первичной обмотки трансформаторов - по ГОСТ Р 55195.
6.4.7 Тангенс угла диэлектрических потерь изоляции первичной обмотки маслонаполненных трансформаторов при температуре (20 ± 10) °С и напряжении
и его прирост в диапазоне напряжений от
до
не должны превышать значений, указанных в технической документации на трансформаторы конкретных типов.
Диэлектрические показатели качества масла маслонаполненных трансформаторов должны соответствовать указанным в таблице 2.
|
Показатель качества масла |
Номинальное напряжение трансформатора, кВ |
Предельное допускаемое значение показателя качества масла | |
|
для заливки в трансформатор |
после заливки в трансформатор | ||
|
Пробивное напряжение по ГОСТ 6581, кВ, не менее |
До 15 включ. |
30 |
25 |
|
До 35 включ. |
35 |
30 | |
|
От 110 до 150 включ. |
60 |
55 | |
|
От 220 до 500 включ. |
65 |
60 | |
|
750 |
70 |
65 | |
|
Тангенс угла диэлектрических потерь при 90 °С по ГОСТ 6581, %, не более |
До 220 включ. |
1,7 |
2,0 |
|
Св. 220 |
0,5 |
0,7 | |
6.4.8 Длина пути утечки внешней изоляции по ГОСТ Р 56735 должна быть установлена в технической документации на трансформаторы конкретных типов.
6.4.9 Изоляция первичной обмотки газонаполненных трансформаторов, работающих при избыточном давлении газа, должна в течение 45 мин выдерживать воздействие наибольшего рабочего напряжения сети при давлении газа, равном атмосферному.
Примечание - Требование настоящего пункта не относится к трансформаторам для применения в КРУЭ.
6.5 Значение сопротивления вторичных обмоток постоянному току должно быть указано изготовителем в эксплуатационной документации для каждой обмотки, включая ответвления, вместе с температурой обмотки, при которой проводилось измерение.
6.6 Требования к внешней изоляции в отношении уровня радиопомех
6.6.1 Требования к напряжению радиопомех предъявляют к трансформаторам на номинальное напряжение от 110 кВ и выше.
6.6.2 Напряжение радиопомех, создаваемых трансформаторами при напряжении
не должно превышать 2500 мкВ при частоте настройки измерительной цепи (500 ± 50) кГц.
6.7 Метрологические характеристики - в соответствии со стандартом на конкретный вид трансформатора.
6.8 Требования к нагреву
6.8.1 Допустимые превышения элементами трансформаторов температуры окружающей среды должны соответствовать требованиям ГОСТ 8024.
6.8.2 Классы нагревостойкости изоляции трансформаторов должны быть указаны в технической документации на трансформаторы конкретных типов.
6.8.3 Если трансформатор, предназначенный для использования на высоте свыше 1000 м, подвергался испытаниям на высоте менее 1000 м, то пределы превышения температуры должны быть откорректированы в соответствии с ГОСТ 15150, а конкретные значения понижения должны быть указаны в технической документации на трансформаторы конкретных типов.
6.9 Требования к стойкости при токах короткого замыкания - в соответствии со стандартом на конкретный вид трансформатора.
6.10 Обозначение выводов обмоток - в соответствии со стандартом на конкретный вид трансформатора.
6.11 Требования к конструкции
6.11.1 Требования к выводам
6.11.1.1 Контактные выводы трансформаторов должны соответствовать требованиям ГОСТ 10434 и ГОСТ 21242.
6.11.1.2 Контактные выводы вторичных обмоток встроенных трансформаторов могут быть расположены в конструкции изделия, в которое встроен трансформатор.
6.11.1.3 По требованию заказчика в конструкции трансформатора должна быть предусмотрена возможность защиты выводов вторичных обмоток от несанкционированного доступа.
6.11.2 Требования к маслонаполненным трансформаторам
6.11.2.1 Конструкция маслонаполненных трансформаторов должна обеспечивать их герметичность. Техническая документация на маслонаполненные трансформаторы должна содержать требования по проверке герметичности конструкции, а также требования к газо- и влагосодержанию масла, заливаемого в трансформаторы перед вводом в эксплуатацию и в процессе эксплуатации.
6.11.2.2 Маслонаполненные трансформаторы на номинальное напряжение 110 кВ и выше должны быть оборудованы защитой, предохраняющей масло от непосредственного соприкосновения с окружающим воздухом.
6.11.2.3 Маслонаполненные трансформаторы должны иметь указатели уровня масла. Около указателя уровня масла или на нем должны быть нанесены три контрольные метки, соответствующие уровню масла в неработающем трансформаторе при температуре 20 °С, а также при верхнем и нижнем значениях температуры. Допускается применять другие устройства контроля уровня масла.
6.11.2.4 В маслонаполненных трансформаторах с массой масла до 50 кг допускается наносить на указателе уровня масла одну контрольную метку, по которой устанавливают уровень заливаемого в трансформатор масла при температуре 20 °С.
6.11.2.5 Трансформаторы с массой масла менее 20 кг допускается изготовлять без указателей уровня масла.
6.11.2.6 Маслонаполненные трансформаторы на номинальное напряжение 10 кВ и выше и массой масла более 10 кг должны быть снабжены арматурой для заливки, отбора проб и слива масла. Арматура должна быть расположена на заземленных частях трансформатора.
6.11.2.7 Арматура для отбора проб масла должна обеспечивать плавное регулирование вытекающей струи масла.
6.11.2.8 Марка и количество масла, применяемого в трансформаторе, должны быть указаны в технической документации на трансформаторы конкретных типов.
Допускается вместо марки масла указывать технические требования к маслу.
6.11.2.9 Конструкция маслонаполненных трансформаторов должна обеспечивать сброс давления при чрезмерном увеличении давления внутри трансформатора.
6.11.2.10 Для трансформаторов на номинальное напряжение 330 кВ и выше с конденсаторной изоляцией должен быть предусмотрен вывод для подключения устройства контроля изоляционных характеристик под рабочим напряжением.
6.11.3 Требования к газонаполненным трансформаторам
6.11.3.1 Конструкция газонаполненных трансформаторов должна обеспечивать сброс давления для защиты трансформатора от разрушения в случае чрезмерного увеличения давления газа внутри трансформатора.
6.11.3.2 Герметичность газонаполненного трансформатора определяется относительной скоростью утечки не более 0,2 % в год от массы газа.
6.11.3.3 В газонаполненных трансформаторах измеренное значение температуры точки росы должно быть не выше минус 5 °С при номинальном давлении заполнения и при температуре окружающей среды 20 °С.
6.11.3.4 В технической документации на трансформаторы конкретных типов изготовитель должен указывать тип, требуемое количество и качество газа, используемого в трансформаторе, или марку и рекомендации по работе с газом, в том числе порядок заправки и дозаправки в зависимости от условий окружающей среды.
6.11.3.5 Газонаполненные трансформаторы должны быть оснащены устройством индикации, контроля и сигнализации давления или плотности газа. Сигнализирующее устройство должно обеспечивать не менее двух уровней сигнализации по давлению или плотности (аварийное и минимальное рабочее).
6.11.3.6 Газонаполненные трансформаторы должны в течение 1 мин выдерживать избыточное давление газа, превышающее давление срабатывания защитного устройства не менее чем в 1,25 раза.
6.11.3.7 Газонаполненные трансформаторы на номинальное напряжение 10 кВ и выше должны быть снабжены арматурой для заправки, пополнения, отбора проб или сброса давления газа. Арматура должна располагаться на заземленных частях трансформатора.
6.11.4 Заземление
6.11.4.1 Трансформаторы должны иметь заземляющий зажим для заземления корпусов изделий и подсоединения заземляющих проводников в соответствии с требованиями ГОСТ 21130 и ГОСТ 12.2.007.0.
6.11.4.2 Около заземляющего зажима должен быть нанесен знак заземления по ГОСТ 21130. Способ нанесения знака заземления должен обеспечивать его долговечность и стойкость к атмосферным воздействиям.
6.11.5 Применяемые в конструкции трансформаторов материалы должны обеспечивать выполнение требований к характеристикам пожаровзрывоопасности в соответствии с требованиями ГОСТ 12.1.044.
В технической документации на трансформаторы конкретных типов изготовитель должен указывать группу горючести веществ и материалов, применяемых в конструкции.
6.11.6 Требования к защите от внутреннего дугового короткого замыкания
6.11.6.1 Данное требование относится к трансформаторам на номинальное напряжение 110 кВ и выше, для которых производителем указан класс защиты от внутреннего дугового замыкания.
6.11.6.2 Класс защиты (I или II) при внутреннем дуговом замыкании должен быть указан в технической документации на трансформаторы конкретных типов.
6.11.6.3 Значение тока внутреннего дугового повреждения трансформатора должно быть указано в технической документации на трансформаторы конкретных типов и в эксплуатационной документации.
6.11.6.4 Критерии состояния при различной длительности дуги приведены в таблице 3. Трансформатор должен соответствовать критериям состояния для обеих длительностей по таблице 3.
|
Ток короткого замыкания (действующее значение), кА |
Длительность тока, с |
Критерий состояния | |
|
Класс защиты I |
Класс защиты II | ||
|
<40 |
0,2 |
Допускается повреждение и воспламенение, но при этом все разлетевшиеся части в результате повреждения не должны выходить за пределы ограниченной области |
Без внешних эффектов, кроме работы устройств сброса давления |
|
0,5 |
Без фрагментации (допустим прожог или воспламенение) | ||
|
≥ 40 |
0,1 |
Без внешних эффектов, кроме работы устройств сброса давления | |
|
0,3 |
Без фрагментации (допустим прожог или воспламенение) | ||
|
Примечание - Под фрагментацией понимается образование частей, частиц или брызг. | |||
6.11.7 Трансформаторы должны иметь устройство для подъема, опускания и удержания их на весу по ГОСТ 12.2.007.0.
6.11.8 Металлические части трансформатора, подверженные коррозии под воздействием климатических факторов внешней среды, должны иметь защитное покрытие от коррозии на весь срок службы трансформатора.
6.12 Требования к надежности
6.12.1 В технической документации на трансформаторы конкретных типов следует устанавливать среднюю наработку до отказа в соответствии с ГОСТ 27.003.
6.12.2 Средний срок службы трансформаторов должен быть указан в технической и эксплуатационной документации на трансформаторы конкретных типов. Рекомендуется устанавливать средний срок службы не менее 25 лет.
6.12.3 В технической и эксплуатационной документации на трансформаторы конкретных типов должны быть указаны методы устранения возможных неисправностей.
6.13 Комплектность
6.13.1 Комплектность трансформатора должна быть установлена в технической документации на трансформаторы конкретных типов.
6.13.2 К трансформаторам прилагают эксплуатационную документацию по ГОСТ 2.601: паспорт, руководство по эксплуатации, ведомости ЗИП (при наличии).
6.14 Маркировка
6.14.1 Каждый трансформатор должен иметь табличку (таблички), на которой(ых) указывают:
а) товарный знак или наименование предприятия-изготовителя;
б) наименование (например, Трансформатор тока и т.д.);
в) условное обозначение трансформатора;
г) заводской номер по системе нумерации предприятия-изготовителя;
д) номинальную частоту, Гц (при частоте 50 Гц допускается не указывать);
е) все параметры, относящиеся к метрологическим и другим параметрам вторичных обмоток в соответствии со стандартом конкретного вида трансформатора;
ж) номинальное давление заполнения/минимальное рабочее давление (для газонаполненных трансформаторов);
и) уровень изоляции обмотки высокого напряжения - напряжение промышленной частоты/напряжение полного грозового импульса/напряжение срезанного грозового импульса/напряжение коммутационного импульса.
Примечания
1 В случае отсутствия требования вместо испытательного напряжения ставят прочерк "-".
2 Уровень изоляции обмотки высокого напряжения указывают по требованию заказчика.
Пример (для ТН на номинальное напряжение 110 кВ) - 200/480/550/-;
к) масса трансформатора (только для трансформаторов массой от 10 кг и выше), кг;
л) обозначение технической документации на трансформаторы конкретных типов или обозначение настоящего стандарта;
м) год выпуска.
6.14.2 Допускается на табличке указывать дополнительные сведения.
6.14.3 Для встроенных трансформаторов, предназначенных для использования внутри другого изделия, табличку (таблички) с техническими данными следует дополнительно помещать на корпусе этого изделия.
6.14.4 Части трансформаторов, транспортируемых в разобранном виде, должны иметь маркировку, облегчающую сборку трансформаторов на месте монтажа. В эксплуатационной документации должны быть даны рекомендации по сборке и монтажу.
6.14.5 Способ нанесения маркировки на таблички, а также способ маркирования выводов обмоток (в соответствии с 6.10) должны обеспечивать четкость надписей в течение всего срока эксплуатации трансформатора.
6.14.6 Маркировка транспортной тары - по ГОСТ 14192.
6.15 Упаковка
6.15.1 Все неокрашенные металлические части трансформатора (включая запасные части, при их наличии), подверженные воздействию внешней среды в процессе транспортирования и хранения, должны быть законсервированы с использованием смазок или другим надежным способом на срок хранения 3 года.
6.15.2 Упаковка должна обеспечивать сохранность трансформаторов при их транспортировании. Вид упаковки должен быть предусмотрен в технической документации на трансформаторы конкретных типов.
7.1 Требования безопасности к конструкции трансформаторов - по ГОСТ 12.2.007.0 и ГОСТ 12.2.007.3.
7.2 Требования безопасности при испытаниях трансформаторов - по ГОСТ 12.3.019.
7.3 Минимальная степень защиты оболочек трансформаторов, используемых для установки внутри помещения, - IP 20 по ГОСТ 14254.
Примечание - Данное требование не распространяется на установки, в которых обслуживающий персонал не может получить доступ к трансформатору без предварительного снятия напряжения с трансформатора и принятия соответствующих мер безопасности (например, блокировки, выполнения особых инструкций по эксплуатации и т.п.). В таком случае документация на изделие должна содержать четкие указания о необходимости принятия данных мер.
Минимальная степень защиты оболочек трансформаторов наружной установки - IP44 по ГОСТ 14254.
8.1 Для проверки соответствия трансформаторов требованиям настоящего стандарта и технической документации на трансформаторы конкретных типов следует проводить следующие испытания:
- в целях утверждения типа;
- квалификационные;
- приемо-сдаточные;
- периодические;
- типовые.
Испытания проводят на полностью собранных образцах.
8.2 Общие положения
8.2.1 При испытаниях в целях утверждения типа, квалификационных, периодических и типовых испытаниях отдельные испытания, не влияющие на результаты других испытаний, предусмотренных в таблице 4, допускается проводить на разных образцах трансформаторов (параллельные испытания). Перечень параллельных испытаний следует устанавливать в технической документации на трансформаторы конкретных типов.
8.2.2 Допускается совмещение отдельных видов испытаний, перечисленных в 8.1. При наличии различных исполнений трансформаторов испытания в целях утверждения типа, квалификационные, периодические и типовые испытания следует проводить на типоисполнениях, для которых результаты испытаний могут быть приняты за результаты испытаний прототипа.
8.2.3 Типоисполнения и число трансформаторов, подвергаемых каждому испытанию, следует указывать в технической документации на трансформаторы конкретных типов.
8.2.4 При приемо-сдаточных испытаниях трансформаторы предъявляют к приемке поштучно или партиями и подвергают проверке сплошным контролем.
8.2.5 Отдельные испытания допускается проводить на сборочных единицах и деталях трансформатора. Допускается по согласованию между потребителем и изготовителем при квалификационных, периодических, типовых испытаниях и испытаниях в целях утверждения типа засчитывать испытания трансформаторов других типов, имеющих аналогичные конструктивные или технологические решения и одинаковые применяемые материалы, при наличии таких указаний в технической документации на трансформаторы конкретных типов.
8.2.6 Последовательность испытаний может быть произвольной, если иные требования не установлены в технической документации на трансформаторы конкретных типов.
8.2.7 При отрицательных результатах приемо-сдаточных, периодических и типовых испытаний, после устранения дефектов, повторные испытания проводят в полном объеме или в технически обоснованных случаях в сокращенном объеме: повторяют испытания, по которым получены неудовлетворительные результаты, испытания, которые могли повлиять на возникновение дефектов, а также испытания, которые не проводились. Результаты повторных испытаний являются окончательными.
8.2.8 Объем, периодичность, нормы и методы испытаний трансформатора при вводе в работу и в процессе эксплуатации устанавливает производитель, и указывают в эксплуатационной документации.
8.3 Квалификационные испытания
8.3.1 Порядок проведения квалификационных испытаний - по ГОСТ Р 15.301 и ГОСТ 15.309.
8.3.2 Допускается засчитывать в качестве квалификационных испытаний испытания опытных образцов, проведенные в соответствии с таблицей 4, если соблюдены следующие условия:
- опытные образцы были изготовлены по технологии и на оборудовании, предусмотренных для серийного производства;
- при изготовлении установочной серии не проводилась доработка конструкции, требующая проведения испытаний;
- время, прошедшее после испытаний опытных образцов, не превышает срок, установленный для периодических испытаний.
8.4 Приемо-сдаточные испытания проводит служба технического контроля либо другая уполномоченная на это служба предприятия-изготовителя.
Каждый трансформатор следует подвергать первичной поверке.
8.5 Периодические испытания
8.5.1 Основные положения по проведению и порядок проведения периодических испытаний - по ГОСТ 15.309.
8.6 Типовые испытания следует проводить в полном или сокращенном объеме квалификационных испытаний при изменении конструкции, применяемых материалов или технологии производства, если эти изменения могут оказать влияние на характеристики или параметры трансформаторов.
В зависимости от характера вносимого изменения (изменений) испытаниям допускается подвергать отдельные сборочные единицы, детали, образцы материалов и др.
8.7 При возобновлении выпуска или переносе производства следует проводить типовые испытания трансформаторов на образцах первой партии, изготовленной после возобновления производства.
8.8 Объем испытаний устанавливают в технической документации на трансформаторы конкретных типов. Объем испытаний выбирают по таблице 4 на конкретный вид трансформатора в зависимости от конструктивных особенностей и назначения трансформатора.
Испытания трансформаторов, предназначенных для работы при частотах 50 и 60 Гц, на соответствие всем требованиям настоящего стандарта проводят при частоте 50 Гц, о чем указывают в паспорте.
|
Наименование испытания |
Необходимость проведения испытаний |
Технические требования |
Метод контроля | |||
|
в целях утверждения типа |
квалификационных |
приемо-сдаточных |
периодических | |||
|
1 Проверка на соответствие требованиям сборочного чертежа |
+ |
+ |
+ |
+ |
6.1; 6.10 |
9.1 |
|
2 Испытание электрической прочности изоляции первичной обмотки одноминутным напряжением промышленной частоты |
- |
+ |
+ |
+ |
6.4.1 |
9.2.1 |
|
3 Испытание электрической прочности изоляции первичной обмотки одноминутным напряжением промышленной частоты газонаполненных трансформаторов при избыточном давлении газа, равном нулю |
- |
+ |
- |
- |
6.4.9 |
9.2.10 |
|
4 Испытание электрической прочности изоляции напряжениями грозовых импульсов |
- |
+ |
- |
- |
6.4.1 |
9.2.1 |
|
5 Испытание электрической прочности изоляции первичной обмотки трансформаторов на номинальное напряжение 330 кВ и выше напряжением коммутационного импульса |
- |
+ |
- |
- |
6.4.1 |
9.2.1 |
|
6 Испытание внутренней изоляции первичной обмотки маслонаполненных трансформаторов на стойкость к тепловому пробою |
- |
О |
- |
- |
6.4.2 |
9.2.2 |
|
7 Испытание электрической прочности изоляции вторичных обмоток одноминутным напряжением промышленной частоты |
- |
+ |
+ |
+ |
6.4.3 |
9.2.3 |
|
8 Измерение сопротивления изоляции обмоток |
- |
+ |
+ |
+ |
6.4.4 |
9.2.4 |
|
9 Испытание изоляции первичной обмотки маслонаполненных трансформаторов на номинальное напряжение 330 кВ и выше многократными срезанными импульсами |
- |
О |
- |
- |
6.4.5 |
9.2.5 |
|
10 Измерение уровня частичных разрядов |
- |
+ |
+ |
+ |
6.4.6 |
9.2.6 |
|
11 Измерение тангенса угла диэлектрических потерь изоляции первичной обмотки маслонаполненных трансформаторов |
- |
+ |
+ |
+ |
6.4.7 |
9.2.7 |
|
12 Испытание масла маслонаполненных трансформаторов: | ||||||
|
- определение пробивного напряжения |
- |
+ |
+ |
+ |
6.4.7 |
9.2.8 |
|
- определение тангенса угла диэлектрических потерь масла |
- |
+ |
+ |
+ |
6.4.7 |
9.2.8 |
|
- определение газо- и влагосодержания (хроматографический анализ) |
- |
+ |
- |
+ |
6.11.2.1 |
9.2.8 |
|
13 Проверка длины пути утечки внешней изоляции |
- |
+ |
- |
- |
6.4.8 |
9.2.9 |
|
14 Измерение сопротивления вторичных обмоток постоянному току |
+ |
+ |
+ |
+ |
6.5 |
9.5 |
|
15 Испытание внешней изоляции в отношении уровня радиопомех |
- |
+ |
- |
- |
6.6 |
9.3 |
|
16 Определение количественной утечки газа газонаполненных трансформаторов |
- |
+ |
+ |
+ |
6.11.3.2 |
9.4 |
|
17 Испытание маслонаполненных трансформаторов на герметичность |
- |
+ |
+ |
+ |
6.11.2.1 |
9.6 |
|
18 Испытание на устойчивость к воздействию климатических факторов внешней среды |
+ |
+ |
- |
О |
6.2.1 |
9.7 |
|
19 Испытание на устойчивость к воздействию механических факторов |
- |
+ |
- |
О |
6.2.5 |
9.7 |
|
20 Испытание на прочность при транспортировании |
- |
+ |
- |
- |
6.15.2; 10.1 |
9.8 |
|
21 Испытание упаковки на сбрасывание |
- |
+ |
- |
- |
6.15.2; 10.1 |
9.9 |
|
22 Подтверждение средней наработки до отказа* |
- |
- |
- |
+ |
6.12.1 |
9.13 |
|
23 Испытание на степень защиты оболочек |
- |
+ |
- |
- |
7.3 |
9.11 |
|
24 Испытание на внутреннее дуговое короткое замыкание трансформаторов |
- |
+ |
- |
- |
6.11.6 |
9.10 |
|
25 Испытание газонаполненных трансформаторов повышенным давлением |
- |
+ |
+ |
+ |
6.11.3.6 |
9.12 |
|
* Подтверждение средней наработки до отказа первый раз проводят через 10 лет после начала серийного производства, затем - не реже одного раза в 5 лет. Примечание - Знак "+" означает, что испытание проводят; знак "-" - не проводят, буква "О" означает, что испытание проводят, если это указано в технической документации на трансформатор конкретного типа. | ||||||
9.1 Проверка на соответствие требованиям сборочного чертежа
9.1.1 Проверке подлежат:
- габаритные*, установочные и присоединительные размеры, для которых на сборочном чертеже указаны предельные отклонения;
- масса трансформатора*;
──────────────────────────────
* Кроме приемо-сдаточных испытаний.
- состояние поверхности наружных изоляционных частей;
- состояние защитных покрытий наружных частей;
- состояние площадок под заземляющие зажимы;
- правильность заполнения табличек технических данных;
- маркировка выводов;
- комплектность.
Проверку проводят внешним осмотром, измерением универсальным измерительным инструментом, шаблонами, а также взвешиванием трансформатора на весах общего применения или с использованием пружинного динамометра.
9.1.2 При приемо-сдаточных испытаниях размеры допускается проверять на деталях и сборочных единицах до сборки трансформатора.
9.1.3 Допускается определять массу трансформатора суммированием масс его отдельных сборочных единиц (взвешивание по частям).
9.2 Испытание изоляции
9.2.1 Испытание электрической прочности изоляции первичной обмотки напряжениями грозовых импульсов, коммутационных импульсов и одноминутным напряжением промышленной частоты - по ГОСТ Р 55194 и ГОСТ Р 55195. Допускается в технически обоснованных случаях при приемо-сдаточных испытаниях проводить испытание электрической прочности изоляции первичной обмотки напряжением промышленной частоты при сниженном значении напряжения, методы и значения испытательного напряжения должны быть указаны в технической документации на трансформаторы конкретных типов.
9.2.2 Испытание внутренней изоляции первичной обмотки маслонаполненных трансформаторов на стойкость к тепловому пробою - по ГОСТ Р 55194.
9.2.3 Испытание электрической прочности изоляции вторичных обмоток одноминутным напряжением промышленной частоты относительно заземленных частей, а для трансформаторов с несколькими вторичными обмотками также относительно друг друга - по ГОСТ Р 55194.
9.2.4 Измерение сопротивления изоляции обмоток проводят мегомметром на напряжение 2500 В для первичных обмоток и на напряжение 1000 В - для вторичных обмоток. Методика испытаний должна быть указана в технической документации на трансформаторы конкретных типов.
9.2.5 Испытание изоляции первичной обмотки маслонаполненных трансформаторов на номинальное напряжение 330 кВ и выше многократными срезанными импульсами
9.2.5.1 Испытание проводят с приложением многократных импульсов отрицательной полярности.
9.2.5.2 Испытательное напряжение прикладывают между объединенными выводами первичной обмотки и землей (для ТТ) или между выводом высокого напряжения и заземляемым выводом первичной обмотки (для заземляемых ТН). Корпус, сердечник (если предусматривается его заземление), а также все выводы вторичных обмоток должны быть заземлены.
9.2.5.3 Амплитудное значение испытательного напряжения должно составлять 70 % номинального выдерживаемого напряжения грозового импульса. Фронт импульса испытательного напряжения должен представлять собой волну 1,2/50 мкс.
9.2.5.4 Время до первого перехода напряжения через ноль непосредственно после среза не должно превышать 0,5 мкс, наибольшее значение колебаний после среза должно составлять не более 30 % максимального значения срезанного импульса.
9.2.5.5 Прикладывают 600 последовательных импульсов с периодичностью не более 1 импульс/мин.
Регистрируют форму волны в начале и в конце испытания, а также после приложения каждых 100 импульсов (минимум).
Примечание - При типовых испытаниях количество импульсов может быть уменьшено до 100 при условии сохранения уровня частичных разрядов и концентрации растворенных газов до и после испытаний.
9.2.5.6 Критерии оценки результатов основываются на следующих требованиях:
- сравнение импульсных напряжений, зафиксированных в начале и после приложения каждого 100-го импульса, не должно выявлять наличие каких-либо изменений;
- уровень измеренных частичных разрядов после испытаний не должен превышать значения, указанного в 6.4.6;
- результаты измерений емкости и тангенса угла диэлектрических потерь до испытаний и по истечении 24 ч после завершения испытания должны быть одинаковыми, за исключением погрешности, обусловленной используемой методикой испытания и воздействием пренебрежимо малых величин, которые могут влиять на результат (например, температура изоляционных материалов);
- предельная концентрация растворенных газов в масле, измеряемая по истечении 72 ч после испытания, не должна выходить за пределы значений, указанных в технической документации на трансформаторы конкретных типов.
Если любое из указанных требований не выполняется, считают, что измерительный трансформатор не прошел испытание.
9.2.6 Измерение уровня частичных разрядов определяют по ГОСТ Р 55195 и ГОСТ Р 55191.
Трансформаторы считаются выдержавшими испытание, если ни в одном из измерений значение частичного разряда не превышает нормируемого значения.
9.2.7 Метод измерения тангенса угла диэлектрических потерь изоляции первичной обмотки маслонаполненных трансформаторов должен быть указан в технической документации на трансформаторы конкретных типов.
9.2.8 Определение пробивного напряжения и тангенса угла диэлектрических потерь при испытании пробы масла - по ГОСТ 6581. Для трансформаторов на номинальное напряжение до 35 кВ включительно пробу масла отбирают в тот же день из емкости, из которой масло заливается в трансформатор, а для трансформаторов на номинальное напряжение 110 кВ и выше - непосредственно из трансформатора. Порядок взятия пробы должен быть установлен в технической документации на трансформаторы конкретных типов.
Методы определения газо- и влагосодержания, а также проведения хроматографического анализа содержащихся в масле газов должны быть указаны в технической документации на трансформаторы конкретных типов.
9.2.9 Проверка длины пути утечки внешней изоляции - по ГОСТ Р 56735.
9.2.10 Испытание изоляции первичной обмотки одноминутным напряжением промышленной частоты газонаполненных трансформаторов при избыточном давлении газа, равном нулю, - по ГОСТ Р 55194 и ГОСТ Р 55195. Давление газа (плотность) должно быть равно стандартным атмосферным условиям по 6.2.3. Испытательное напряжение должно быть равно:
- 1,1 Uн.р - для трехфазных трансформаторов и трансформаторов, предназначенных для работы на линейном напряжении;
-
- для однофазных трансформаторов.
9.3 Испытание внешней изоляции в отношении уровня радиопомех
9.3.1 Трансформатор должен быть установлен в соответствии с указаниями ГОСТ Р 55194.
9.3.2 Испытание проводят с изоляцией в сухом состоянии при относительной влажности окружающего воздуха не более 80 %. Непосредственно перед проведением испытания изолирующие поверхности должны быть протерты чистой сухой тканью для удаления волокон и пыли. Испытание следует проводить не ранее чем через 2 ч после окончания других испытаний изоляции данного объекта.
9.3.3 Испытательное напряжение следует прикладывать между одним из выводов первичной обмотки и заземленным основанием. Корпус, бак, основание и другие нормально заземленные части (например, магнитопровод, один из выводов каждой вторичной обмотки) должны быть присоединены к земле.
9.3.4 Должно быть предусмотрено дополнительное экранирование выводов первичной обмотки, моделирующих условия эксплуатации, для исключения повышенного уровня радиопомех. Испытательные присоединения и их оконцевания не должны быть источником напряжения радиопомех более высоких значений, чем указано ниже.
9.3.5 Измерительная цепь (см. рисунок 1) должна соответствовать методическим указаниям [1]. Измерительная цепь должна быть предпочтительно настроена на частоту 0,5 МГц с отклонением в пределах 10 % или другие частоты в диапазоне от 0,5 до 2 МГц. Частота измерения должна быть указана в протоколе испытаний, результаты должны быть выражены в микровольтах.

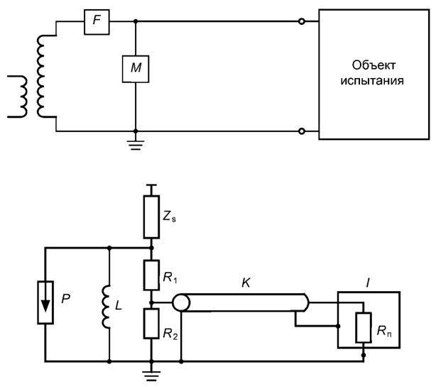
М - схема измерительного устройства; F - фильтр; I - измерительный прибор с входным сопротивлением Rп, К - радиочастотный кабель; Р - разрядник; Zs - элемент связи, может быть или конденсатором или цепью, состоящей из последовательно соединенных конденсаторов и катушки индуктивности; L - катушка индуктивности; R1 и R2 - резисторы; Rп - полное сопротивление, используемое для шунтирования токов промышленной частоты и компенсации паразитной емкости при частоте измерения
Рисунок 1 - Схема измерительной цепи для испытания трансформаторов на радиопомехи
9.3.6 Значение полного сопротивления испытательной цепи должно быть (300 ± 40) Ом, угол между активным и реактивным сопротивлениями испытательной цепи не должен превышать 20° на частоте измерения.
9.3.7 Фильтр F должен иметь высокий импеданс на частоте измерения, так чтобы импеданс между проводником высокого напряжения и землей не был заметно шунтирован, если рассматривать со стороны испытуемого трансформатора. Этот фильтр также снижает циркулирующие в испытательной цепи радиочастотные токи, генерируемые трансформатором высокого напряжения, или возникающие от посторонних источников. Было установлено, что подходящее значение его импеданса находится в диапазоне от 10000 до 20000 Ом на частоте измерения.
9.3.8 При испытании должны быть приняты меры для снижения влияния на результаты измерения заземленных и незаземленных посторонних окружающих предметов. Внешний фон радиопомех (уровень радиопомех, создаваемых внешним полем и испытательным трансформатором) должен быть не менее чем на 6 дБ ниже нормированного уровня радиопомех.
9.3.9 Испытания проводят по методике ГОСТ Р 55194.
9.3.10 Измеренный уровень радиопомех испытуемого трансформатора при
не должен превышать значения, указанного в 6.6.2.
9.4 Определение количественной утечки газа газонаполненных трансформаторов
9.4.1 Испытание по определению утечки проводят при температуре (20 ± 10) °С "способом камеры (чехла)" в соответствии с ГОСТ 28517.
После установки трансформатора, заполненного до номинального рабочего давления, в замкнутый объем в последний вводят щуп чувствительного прибора (течеискателя), реагирующего на малые концентрации газа, которым заполнен испытуемый трансформатор, и фиксируют показания прибора. Через определенный промежуток времени выдержки трансформатора в замкнутом объеме (например, через 1 ч) измерение повторяют.
9.4.2 Годовую утечку газа q, % массы газа в испытуемом трансформаторе, определяют по формуле
,
(1)
где δC - разность концентрации газа в объеме испытуемой камеры за время выдержки, г/л;
Р0 - давление газа, равное 101,3 кПа;
δV=Vик-Vко,
где Vик - объем испытуемой камеры (чехла), л;
Vко - объем контролируемого объекта, л;
d - плотность газа в трансформаторе при нормальных условиях, кг/м3;
t - время между измерениями, ч;
Рном - номинальное давление газа в трансформаторе (абсолютное), кПа;
VГТ - объем газа в трансформаторе, л.
Примечания
1 Значения объемов, необходимых для вычисления утечки, должны быть найдены с погрешностью, не превышающей 20 %.
2 Если шкала прибора для определения утечки не калибрована непосредственно для определения значения концентрации (г/л), эти значения находят по зависимости С =f(н), где н - показания прибора в единицах шкалы, приложенной к свидетельству об аттестации (калибровке), проводимой в установленном порядке.
Допускается использование "способа разъемных местных камер (чехлов)", закрывающих стыковые соединения и сварные швы. В данном случае годовую утечку газа q определяют как сумму утечек газа, рассчитанную по формуле (1) для каждого разъемного узла.
9.5 Измерение сопротивления вторичных обмоток постоянному току следует выполнять прибором класса точности не менее 0,5. При измерении сопротивления необходимо отметить температуру обмоток в протоколе испытаний. В обоснованных случаях за температуру обмотки допускается принимать температуру окружающей среды, если время выдержки обмотки достаточно для выравнивания температур.
9.6 Испытание маслонаполненных трансформаторов на герметичность проводят по ГОСТ 3484.5.
9.7 Методы и виды испытаний трансформаторов на устойчивость к климатическим внешним воздействующим факторам по ГОСТ 16962.1 и механическим внешним воздействующим факторам по ГОСТ 16962.2 должны быть указаны в технической документации на трансформаторы конкретных типов в зависимости от исполнения и конструктивных особенностей трансформаторов.
9.7.1 Методы проверки метрологических характеристик должны быть указаны в технической документации на трансформаторы конкретных типов в зависимости от исполнения и конструктивных особенностей трансформаторов. При этом токовые и угловые погрешности не должны превышать значений, установленных в 6.7 для соответствующих классов точности, указанных в стандартах на конкретный вид трансформатора.
9.7.2 При испытаниях трансформаторов на воздействие испытательных статических нагрузок основание трансформатора жестко закрепляют, а к середине вывода его первичной обмотки прикладывают испытательную нагрузку, равную значению, указанному в 6.2.5. Указанную нагрузку прикладывают поочередно в трех взаимно перпендикулярных направлениях: в горизонтальной плоскости по оси вывода в сторону от трансформатора; в горизонтальной плоскости в направлении, перпендикулярном к оси вывода; в вертикальной плоскости по направлению к основанию.
В каждом направлении время выдержки нагрузки - 1 мин.
Трансформатор считают выдержавшим испытание, если во время и после его проведения не отмечено повреждение трансформатора или вывода, течи масла у маслонаполненных и увеличение утечки газа у газонаполненных трансформаторов.
9.8 Испытание на прочность при транспортировании
9.8.1 Методы испытания на прочность при транспортировании по ГОСТ 23216 должны быть приведены в технической документации на трансформаторы конкретных типов.
9.8.2 После испытания трансформаторы распаковывают, проводят внешний осмотр трансформаторов, тары, креплений, а также проверяют параметры, установленные в технической документации на трансформаторы конкретных типов.
9.8.3 Трансформатор и его упаковку считают выдержавшими испытание, если:
а) при внешнем осмотре упаковки не обнаружены механические повреждения тары, ведущие к потере защитных свойств, а также нарушения креплений упакованных изделий в таре. Допускается ослабление креплений изделия в таре, если это не привело к повреждению трансформатора в процессе испытания;
б) при внешнем осмотре трансформатора не обнаружены повреждения, препятствующие его работе, а результаты повторных испытаний на электрическую прочность изоляции и определение погрешностей - положительные.
9.8.4 При упаковывании нескольких трансформаторов в один ящик допускается проверку параметров проводить выборочно. Число подлежащих испытанию трансформаторов должно быть указано в технической документации на трансформаторы конкретных типов.
9.8.5 Для крупногабаритных трансформаторов испытание допускается не проводить, а способность трансформаторов и упаковки противостоять разрушающему действию механических нагрузок при транспортировании допускается оценивать на основании результатов транспортирования этих или аналогичных им изделий потребителю.
9.9 Испытание упаковки на сбрасывание
9.9.1 Методы испытания упаковки трансформаторов на сбрасывание по ГОСТ 18425 должны быть указаны в технической документации на трансформаторы конкретных типов.
9.9.2 Испытанию подвергают упаковку суммарной массой (вместе с упакованным изделием) до 200 кг. Упаковку суммарной массой более 200 кг, а также упаковку, маркированную знаком "Хрупкое. Осторожно", испытанию на прочность при сбрасывании не подвергают.
9.9.3 Ящик (упаковку) с находящимся в нем трансформатором (трансформаторами) или макетом, имитирующим упакованные трансформаторы, сбрасывают один раз на площадку по ГОСТ 18425 на его торцевую сторону с высоты:
- 0,5 м - при суммарной массе трансформатора и упаковки до 100 кг включительно;
- 0,3 м - при суммарной массе трансформатора и упаковки от 100 до 200 кг включительно.
9.9.4 По окончании испытания проводят внешний осмотр упаковки.
9.9.5 Упаковку считают выдержавшей испытание, если при внешнем осмотре не обнаружено серьезных повреждений, ведущих к потере ее защитных свойств. Допускается ослабление отдельных креплений.
9.10 Испытание на внутреннее дуговое короткое замыкание трансформаторов
9.10.1 Испытание трансформатора проводят при условиях, близких к условиям эксплуатации, при температуре окружающей среды, существующей во время испытания.
9.10.2 Трансформатор устанавливают на фундамент высотой не менее 500 мм.
9.10.3 Газонаполненные трансформаторы испытывают при давлении заполнения, приведенном к 20 °С, равном номинальному.
9.10.4 При испытании объекта класса защиты I на внутреннее дуговое замыкание необходимо определить границы участка вокруг тестируемого объекта, за пределы которого не допускается разлета фрагментов. Диаметр данного участка должен быть равен диаметру трансформатора (по самому большому размеру) плюс высота образца, умноженная на два, но не менее 2 м.
9.10.5 Испытательный ток должен соответствовать следующему:
- периодическая составляющая - усредненное за время протекания тока действующее значение по 6.11.6.3 с допуском
%;
- испытательный ток должен содержать апериодическую составляющую с постоянной времени по ГОСТ Р 52565*, первое пиковое значение тока должно не менее чем в 1,8 раза превышать амплитудное значение периодической составляющей по 6.11.6.3;
──────────────────────────────
* См. также [2].
- длительность тока должна быть не менее указанной в таблице 3.
Частота испытательного тока должна быть в пределах от 48 до 62 Гц.
Мощность источника питания должна быть достаточной для практического поддержания синусоидального тока дугового замыкания на протяжении всего испытания.
9.10.6 В качестве источника дуги через главную изоляцию внутри испытуемого объекта можно использовать медный провод диаметром от 1 до 1,5 мм, размещаемый между частями высокого и низкого напряжений, или аналогичное ему приспособление.
Место установки должно быть указано в технической документации на трансформаторы конкретных типов.
9.10.7 Испытания для двух длительностей короткого замыкания могут быть совмещены в одном опыте с длительностью протекания тока, соответствующего большей длительности, если имеется надежная регистрация того, что после времени, соответствующего меньшей длительности, выполнялся соответствующий критерий (например, синхронная видеозапись). Если в этом опыте достоверно зафиксировать поведение объекта за время, соответствующее меньшей длительности, не удалось, опыт с меньшей длительностью тока выполняют отдельно.
9.10.8 Трансформатор считают прошедшим испытание, если его результат удовлетворяет критериям соответствующего класса защиты.
9.10.9 Если трансформатор аналогичной конструкции уже прошел квалификационные испытания (на соответствие технической документации), изготовитель предъявляет протокол распространения результатов испытаний, подтверждающий способность данного трансформатора, который не подвергался упомянутым выше испытаниям, к выдерживанию внутреннего дугового замыкания без проведения дополнительного испытания.
9.10.10 В технически обоснованных случаях допускается проведение испытания другим методом.
9.11 Испытание на степень защиты оболочек
9.11.1 Испытания проводят в соответствии с ГОСТ 14254 на корпусах всех элементов полностью собранного трансформатора для условий его эксплуатации.
9.12 Испытание газонаполненных трансформаторов повышенным давлением
9.12.1 Перед проведением испытания узел трансформатора, обеспечивающий сброс давления при чрезмерном увеличении, должен быть заблокирован (заменен технологической заглушкой или иным способом).
9.12.2 Трансформатор заполняют до избыточного давления, указанного в 6.11.3.6, и выдерживают в течение 1 мин.
9.12.3 Трансформатор считают выдержавшим испытание, если:
- не произошло резкого сброса давления;
- при визуальном осмотре не обнаружено повреждений.
9.13 Подтверждение средней наработки до отказа проводят на основании сбора у потребителей и обработки информации о работе трансформаторов или их прототипов по ГОСТ 27.301.
10.1 Транспортирование
10.1.1 Требования к транспортированию в части воздействия механических факторов по ГОСТ 23216 и климатических факторов внешней среды по ГОСТ 15150 должны быть указаны в технической документации на трансформаторы конкретных типов.
10.1.2 При транспортировании в транспортных контейнерах трансформаторы без индивидуальной упаковки должны быть надежно закреплены и предохранены от механических повреждений.
10.1.3 Допускается транспортирование трансформаторов в пределах одного города без упаковки при условии принятия необходимых мер, исключающих возможность их повреждения.
10.2 Хранение
10.2.1 Требования к хранению трансформаторов в части воздействия климатических факторов внешней среды по ГОСТ 15150 должны быть указаны в технической документации на трансформаторы конкретных типов.
При вводе трансформаторов в эксплуатацию, а также в процессе эксплуатации трансформаторов следует соблюдать требования, установленные в технической документации на трансформаторы конкретных типов. Эти требования должны быть указаны в эксплуатационной документации.
12.1 Изготовитель гарантирует соответствие трансформаторов требованиям настоящего стандарта при соблюдении условий применения, эксплуатации, хранения и транспортирования, установленных настоящим стандартом.
12.2 Гарантийный срок эксплуатации трансформаторов устанавливает изготовитель, и он должен быть указан в эксплуатационной документации.
Библиография
|
[1] |
РД 50-725-93 (СИСПР 18-2) |
Методические указания. Совместимость технических средств электромагнитная. Радиопомехи индустриальные от воздушных линий электропередачи и высоковольтного оборудования. Методы измерения и процедура установления норм |
|
[2] |
МЭК 62271-1 |
Высоковольтное комплектное распределительное устройство. Часть 1. Общие технические требования. |
|
(IEC 62271-1) |
(High-voltage switchgear and controlgear - Part 1: Common specifications for alternating current switchgear and controlgear)* |
──────────────────────────────
* Официальный перевод этого стандарта находится в Федеральном информационном фонде стандартов.


