ПНСТ 305-2018 ПОДВИЖНОЙ СОСТАВ, РАБОТАЮЩИЙ НА СЖИЖЕННОМ ПРИРОДНОМ ГАЗЕ. МЕТОДЫ ВЗЯТИЯ ПРОБ И АНАЛИЗА СОДЕРЖАНИЯ МАСЕЛ И ПРИМЕСЕЙ В ИСПОЛЬЗУЕМОМ СЖИЖЕННОМ ПРИРОДНОМ ГАЗЕ
Rolling stock working on liquefied natural gas. Methods for taking samples and analyzing the content of oils and impurities in the used liquefied natural gas
ОКС 45.060.10
Предисловие
1 Разработан Акционерным обществом "Научно-исследовательский и конструкторско-технологический институт подвижного состава" (АО "ВНИКТИ")
2 Внесен Техническим комитетом по стандартизации ТК 45 "Железнодорожный транспорт"
3 Утвержден и введен в действие Приказом Федерального агентства по техническому регулированию и метрологии от 25 сентября 2018 г. N 42-пнст
Настоящий стандарт распространяется на локомотивы, работающие на сжиженном природном газе (далее - локомотивы), и устанавливает:
- метод отбора проб сжиженного природного газа (СПГ) из газотопливной системы локомотива;
- методы анализа пробы СПГ на содержание примесей, в т. ч. масел.
Методы, изложенные в настоящем стандарте, предназначены для контроля качества СПГ в криогенной емкости локомотива, проводимого перед постановкой локомотива на техническое обслуживание в объеме ТР-1 или в случаях возникновения отказов при выдаче СПГ к двигателю после экипировки локомотива СПГ.
В настоящем стандарте использованы нормативные ссылки на следующие документы:
ГОСТ 12.0.004 Система стандартов безопасности труда. Организация обучения безопасности труда. Общие положения
ГОСТ 12.1.004 Система стандартов безопасности труда. Пожарная безопасность. Общие требования
ГОСТ 12.1.007 Система стандартов безопасности труда. Вредные вещества. Классификация и общие требования безопасности
ГОСТ 12.2.003 Система стандартов безопасности труда. Оборудование производственное. Общие требования безопасности
ГОСТ 12.4.009 Система стандартов безопасности труда. Пожарная техника для защиты объектов. Основные виды. Размещение и обслуживание
ГОСТ 12.4.021 Система стандартов безопасности труда. Системы вентиляционные. Общие требования
ГОСТ 12.4.124-83 Система стандартов безопасности труда. Средства защиты от статического электричества. Общие технические требования
ГОСТ 61 Реактивы. Кислота уксусная. Технические условия
ГОСТ 2405 Манометры, вакуумметры, мановакуумметры, напоромеры, тягомеры и тягонапоромеры. Общие технические условия
ГОСТ 5007 Изделия трикотажные перчаточные. Общие технические условия
ГОСТ 5632 Легированные нержавеющие стали и сплавы коррозионно-стойкие, жаростойкие и жаропрочные. Марки
ГОСТ 5791 Масло льняное техническое. Технические условия
ГОСТ 6709 Вода дистиллированная. Технические условия
ГОСТ 7931 Олифа натуральная. Технические условия
ГОСТ 19113 Канифоль сосновая. Технические условия
ГОСТ 21179 Воск пчелиный. Технические условия
ГОСТ 24856 Арматура трубопроводная. Термины и определения
ГОСТ 25336 Посуда и оборудование лабораторные стеклянные. Типы, основные параметры и размеры
ГОСТ 29227 (ИСО 835-1-81) Посуда лабораторная стеклянная. Пипетки градуированные. Часть 1. Общие требования
ГОСТ 29251 (ИСО 385-1-84) Посуда лабораторная стеклянная. Бюретки. Часть 1. Общие требования
ГОСТ 31370-2008 (ИСО 10715:1997) Газ природный. Руководство по отбору проб
ГОСТ 31371.1-2008 (ИСО 6974-1:2000) Газ природный. Определение состава методом газовой хроматографии с оценкой неопределенности. Часть 1. Руководство по проведению анализа.
ГОСТ 31371.3 (ИСО 6974-3:2000) Газ природный. Определение состава методом газовой хроматографии с оценкой неопределенности. Часть 3. Определение водорода, гелия, кислорода, азота, диоксида углерода и углеводородов до С8 с использованием двух насадочных колонок
ГОСТ 31371.4 (ИСО 6974-4:2000) Газ природный. Определение состава методом газовой хроматографии с оценкой неопределенности. Часть 4. Определение азота, диоксида углерода и углеводородов С1-С5 и С6+ в лаборатории и с помощью встроенной измерительной системы с использованием двух колонок
ГОСТ 31371.5 (ИСО 6974-5:2000) Газ природный. Определение состава методом газовой хроматографии с оценкой неопределенности. Часть 5. Определение азота, диоксида углерода и углеводородов С1-С5 и С6+ в лаборатории и при непрерывном контроле с использованием трех колонок
ГОСТ 34233.1 Сосуды и аппараты. Нормы и методы расчета на прочность. Общие требования
ГОСТ Р 53228 Весы неавтоматического действия. Часть 1. Метрологические и технические требования. Испытания
ГОСТ Р 56021-2014 Газ горючий природный сжиженный. Топливо для двигателей внутреннего сгорания и энергетических установок. Технические условия
ГОСТ Р 56719-2015 Газ горючий природный сжиженный. Отбор проб
ГОСТ Р 57431-2017 (ИСО 16903-2015) Газ природный сжиженный. Общие характеристики
ГОСТ Р 57851.3-2017 Газоконденсатная смесь. Часть 3. Конденсат газовый нестабильный. Определение компонентно-фракционного состава методом газовой хроматографии без предварительного разгазирования пробы
СП 60.13330.2016 "СНиП 41-01-2003 Отопление, вентиляция и кондиционирование воздуха"
Примечание - При пользовании настоящим стандартом целесообразно проверить действие ссылочных документов в информационной системе общего пользования - на официальном сайте Федерального агентства по техническому регулированию и метрологии в сети Интернет или по ежегодно издаваемому информационному указателю "Национальные стандарты", который опубликован по состоянию на 1 января текущего года, и по выпускам ежемесячно издаваемого информационного указателя "Национальные стандарты" за текущий год. Если заменен ссылочный документ, на который дана недатированная ссылка, то рекомендуется использовать действующую версию этого документа с учетом всех внесенных в данную версию изменений. Если заменен ссылочный документ, на который дана датированная ссылка, то рекомендуется использовать версию этого документа с указанным выше годом утверждения (принятия). Если после утверждения настоящего стандарта в ссылочный документ, на который дана датированная ссылка, внесено изменение, затрагивающее положение, на которое дана ссылка, то это положение рекомендуется применять без учета данного изменения. Если ссылочный документ отменен без замены, то положение, в котором дана ссылка на него, рекомендуется применять в части, не затрагивающей эту ссылку.
В настоящем стандарте применены термины по ГОСТ 24856, а также следующие термины с соответствующими определениями:
3.1
|  
         природный газ: Газообразная смесь, состоящая из метана и более тяжелых углеводородов, азота, диоксида углерода, водяных паров, серосодержащих соединений, инертных газов. Примечания 1 Метан является основным компонентом природного газа. 2 Природный газ обычно содержит также следовые количества других компонентов. [ГОСТ Р 53521-2009, статья 2]  | 
3.2
|  
         сжиженный природный газ; СПГ: Природный газ, сжиженный после переработки с целью хранения или транспортирования. [ГОСТ Р 53521-2009, статья 5]  | 
3.3 масло: Смесь углеводородов, состоящих из восьми или более атомов углерода (С8+).
3.4 примеси: Компоненты сжиженного природного газа, за исключением метана.
4.1 Свойства СПГ и связанные с ними потенциально опасные факторы, требования безопасности и охраны труда, а также требования охраны окружающей среды при отборе и транспортировании проб СПГ, проведении их лабораторных испытаний изложены в ГОСТ Р 56021-2014 (раздел 6), ГОСТ Р 57431-2017 (раздел 6).
4.2 Участки, предназначенные для отбора проб СПГ, и лабораторные помещения должны соответствовать требованиям пожарной безопасности по ГОСТ 12.1.004 и Федеральному закону [1].
Виды, размещение и обслуживание пожарной техники должны соответствовать ГОСТ 12.4.009.
4.3 Лабораторные помещения должны быть обеспечены вентиляцией, отвечающей требованиям ГОСТ 12.4.021 и СП 60.13330.2016 (разделы 7, 8, 10, 12).
4.4 Освещенность в рабочей зоне должна быть не менее 50 лк.
4.5 К работам, регламентированным настоящим стандартом, допускают лиц, изучивших эксплуатационную документацию применяемых средств измерений и пробоотборников, требования настоящего стандарта или рабочих методик, которые разработаны на основе настоящего стандарта, прошедших обязательный инструктаж по охране труда, пожарной и промышленной безопасности и имеющих допуск к работе с пожаровзрывоопасными веществами, криогенными жидкостями и с сосудами, находящимися под давлением.
4.6 Персонал, работающий в зоне возможного контакта с СПГ, должен быть обеспечен специальной одеждой, специальной обувью и другими средствами индивидуальной защиты с учетом условий проведения работ в соответствии с типовыми нормами, утвержденными Министерством здравоохранения и социального развития Российской Федерации [2].
Специальная одежда и специальная обувь в части исключения накопления зарядов статического электричества должны соответствовать ГОСТ 12.4.124-83 (пункты 2.10, 2.11).
Специальная обувь должна быть без подков, скоб, гвоздей и других деталей, которые могут быть источником искрообразования.
4.7 Инструмент, используемый при отборе проб, а также любых работах на локомотиве при наличии на его борту СПГ, должен иметь специальное покрытие, исключающее искрообразование.
4.8 На участке, предназначенном для отбора проб, и в лабораторных помещениях, в которых находятся пробы СПГ, следует соблюдать правила пожарной безопасности в соответствии с ГОСТ 31370-2008 (подраздел 5.4). Кроме того, запрещается:
- подтягивать гайки штуцерных соединений под давлением;
- проводить работы при неисправном оборудовании, поврежденных или перегнутых шлангах.
5.1 Сущность метода
Данный метод является косвенным и заключается в точечном отборе пробы СПГ без регазификации из газотопливной системы локомотива в специальный пробоотборник жидких проб с дальнейшим переносом в лабораторию для проведения анализов.
5.2 Требования безопасности и охраны труда при отборе проб, условия отбора проб
5.2.1 Участок с местом для установки локомотива, с борта которого предполагается отбор проб СПГ, должен быть расположен на открытой площадке или под навесом.
5.2.2 Требования к примыканию участка для отбора проб СПГ и требования к железнодорожному пути - в соответствии с нормативными документами, распространяющимися на объекты, предназначенные для технического обслуживания и экипировки железнодорожного подвижного состава, использующего СПГ в качестве топлива.
5.2.3 На участке для отбора проб СПГ соблюдают требования безопасности, изложенные в разделе 4.
Отбор проб проводят при условиях, указанных в 5.4.6.
5.3 Требования к пробоотборнику и специальному переходному устройству
5.3.1 Применяемый для отбора проб СПГ пробоотборник жидких проб должен состоять:
- из устройства дозирования и регазификации СПГ;
- поршневого контейнера для хранения пробы;
- комплекта гибких шлангов для внешних присоединений при отборе проб СПГ и проведении анализа пробы на содержание масел и примесей.
5.3.2 Устройство дозирования и регазификации СПГ должно иметь в своем составе:
а) входной кран (клапан) с возможностью подсоединения гибкого шланга;
б) камеру для дозирования и хранения пробы СПГ в жидкой фазе;
в) выходной кран (клапан) с возможностью подсоединения гибкого шланга для выпуска содержимого камеры при ее промывке;
г) предохранительное устройство, предотвращающее разрыв пробоотборника в результате превышения в нем давления выше допустимого.
В пробоотборнике, используемом для отбора проб СПГ и их анализа на содержание масел весовым (см. 7.1) или нефелометрическим (см. 7.2) методами, объем камеры для дозирования и хранения пробы СПГ в жидкой фазе должен быть не менее 1,0 дм3.
В пробоотборнике, используемом для отбора проб СПГ и их последующего анализа с применением газохроматографического оборудования (см. 6.1), соотношение объемов поршневого контейнера для хранения газообразной пробы и камеры для дозирования и хранения пробы СПГ в жидкой фазе должно быть выбрано с условием возможности получения внутри них давления и температуры пробы в соответствии с указанными в эксплуатационной документации применяемого в сопряжении с ними газохроматографического оборудования, выбираемого с учетом положений 6.1.4, 6.1.5.
Пример схемы пробоотборника, соответствующего ГОСТ Р 56719, приведен в приложении А.
5.3.3 Устройство дозирования и регазификации СПГ должно иметь возможность полного слива жидкого остатка (углеводородного конденсата) после регазификации СПГ, а также возможность промывки внутренних полостей моющими реактивами, указанными в 7.2.3.2, и иными моющими составами, определяемыми разработчиком пробоотборника, с их полным последующим сливом.
Устройство дозирования и регазификации СПГ должно иметь встроенное средство измерения температуры находящейся в нем пробы СПГ, имеющее пределы допускаемой абсолютной погрешности не более ± 2 °С и диапазон измерения от минус 165 °С до плюс 40 °С или шире. Допускается отсутствие встроенного средства измерения температуры при условии наличия внешнего термометра, соответствующего требованиям 5.5.8.
5.3.4 Поршневой контейнер для хранения пробы должен представлять собой камеру с подвижным поршнем, перемещающимся за счет разности давлений в полостях по разные стороны поршня.
Одна полость данной камеры должна быть сообщена с камерой для хранения пробы СПГ устройства дозирования и регазификации СПГ, а также оборудована клапаном тонкой регулировки расхода, используемого при подаче регазифицировавшегося СПГ в аналитическое оборудование.
Другая полость данной камеры должна быть оборудована запорным краном, через который производится ее заполнение инертным газом, а также манометром, показывающим избыточное давление в данной полости, класса точности 1,5 в соответствии с ГОСТ 2405 или более точным.
Поршневой контейнер должен быть оснащен указателем положения поршня.
5.3.5 Все элементы пробоотборника, контактирующие с СПГ, кроме уплотнительных элементов, должны быть изготовлены из легированных нержавеющих сталей по ГОСТ 5632.
Пример - Стали марок 08Х18Н10Т, 08Х18Н12Т, 12Х18Н10Т, 12Х18Н12Т по ГОСТ 5632-2014.
5.3.6 Уплотнительные элементы пробоотборника, контактирующие с СПГ, должны быть изготовлены из материалов, указанных в ГОСТ 31370-2008 (раздел 7), химически устойчивых к веществам, используемым в качестве экстрагентов при анализе (см. 7.2.3.2), и иным моющим составам, определяемым разработчиком пробоотборника.
5.3.7 Устройство дозирования и регазификации СПГ, поршневой контейнер, а также все входящие в конструкцию пробоотборника соединительные трубки и трубопроводная арматура должны быть рассчитаны на прочность в соответствии с ГОСТ Р 52857.1 с учетом максимального рабочего давления внутри них при нормальной эксплуатации.
5.3.8 Для присоединения пробоотборника к точке отбора проб СПГ используют специальное переходное устройство, схема которого показана на рисунке 1.

1 - фланец; 2 - ручной клапан; 3 - сбросной кран; 4 - штуцер
Рисунок 1 - Схема специального переходного устройства
Фланец 1 должен обеспечивать плотную стыковку с фланцем на локомотиве в точке отбора пробы.
Запорный ручной клапан 2 должен обеспечивать возможность регулирования и перекрытия потока СПГ, поступающего в пробоотборник.
Присоединительные размеры штуцера 4 должны соответствовать размерам стыковочных элементов пробоотборного шланга используемого пробоотборника.
Конструкция специального переходного устройства должна быть такой, чтобы в смонтированном на локомотиве положении выходящая струя СПГ из штуцера 4 была направлена вниз и в сторону от локомотива и исключала направление выходящей струи на конструкции локомотива.
5.3.9 Пробоотборник и специальное переходное устройство должны соответствовать требованиям ГОСТ 12.2.003.
5.4.1 Перед отбором проб проводят проверку и подготовку пробоотборника в соответствии с его руководством по эксплуатации.
Давление инертного газа в камере поршневого контейнера после завершения подготовки пробоотборника должно быть по возможности минимально, но не менее чем на 0,1 МПа выше максимального давления, которое возможно в точке отбора проб на локомотиве.
5.4.2 Для измерения давления СПГ в криогенной емкости при отборе пробы локомотив должен быть оборудован средством измерения избыточного давления с пределами основной абсолютной погрешности не более ± 0,02 МПа в рабочем диапазоне давлений в криогенной емкости или соответствующей измерительной системой.
Локомотив устанавливают на участке, соответствующем 5.2.1, таким образом, чтобы при присоединенном к линии отбора пробы СПГ специальном переходном устройстве на расстоянии ближе чем 1,0 м от его выходного штуцера не находилось сооружений, шлангов, трубопроводов и других предметов.
5.4.3 На локомотиве, оборудованном специальным трубопроводом отбора проб СПГ из криогенной емкости, демонтируют заглушку с данного трубопровода и присоединяют на ее место специальное переходное устройство, соответствующее 5.3.8. Краны (клапаны) специального переходного устройства должны быть закрыты.
После этого в арматурном шкафу криогенной емкости открывают кран (клапан), подающий СПГ в трубопровод отбора проб СПГ.
5.4.4 При отсутствии на локомотиве специализированного трубопровода отбора проб СПГ в качестве точки отбора используют трубопровод выдачи СПГ к двигателю, имеющий отвод. В этом случае перекрывают запорную трубопроводную арматуру, сообщенную с отводом трубопровода, из которого предполагается производить отбор пробы СПГ, дожидаются отогрева участка трубопровода, сообщенного с отводом, за счет притока тепла из окружающей среды. Затем снимают заглушку и присоединяют специальное переходное устройство, после чего запорную трубопроводную арматуру локомотива, сообщенную с отводом трубопровода, снова переводят в предыдущее положение.
5.4.5 Визуально контролируют состояние уплотнительных деталей на специальном переходном устройстве со стороны присоединения шланга пробоотборника. При нарушении их исправного состояния данные детали заменяют.
5.4.6 Отбор проб начинают при установившейся погоде, при которой отсутствуют порывы ветра или направление ветра, вызывающее попадание выходящей струи СПГ на локомотив или оператора, производящего отбор пробы СПГ, при выбранном месте установки локомотива, пробоотборника и местоположения оператора при отборе пробы. В случае невыполнения указанных условий дожидаются изменения направления ветра или установления безветренной погоды.
5.5 Порядок отбора проб
5.5.1 Перед началом отбора проб производят захолаживание специального переходного устройства в соответствии с порядком, указанным в данном пункте.
Приоткрывают ручной клапан специального переходного устройства для выпуска образующейся газообразной фракции СПГ, регулируя его открытие таким образом, чтобы длина выходящей из специального переходного устройства струи газа до момента рассеивания, определяемая визуально, составляла от 20 до 30 см.
Не допускается относ выходящей струи газа ветром на локомотив или оператора, производящего отбор пробы СПГ. В случае появления ветра, направленного на локомотив и/или оператора, ручной клапан перекрывают и дожидаются установления безветренной погоды, после чего производят захолаживание специального переходного устройства.
После определяемого визуально появления в выходящей струе газа капельных частиц уменьшают проходное сечение ручного клапана. Далее, при определяемом визуально исчезновении газовой фракции из выходящей струи процесс захолаживания специального переходного устройства считают законченным и ручной клапан полностью закрывают.
5.5.2 Пробоотборник устанавливают согласно его руководству по эксплуатации и присоединяют к пробоотборному устройству локомотива посредством гибкого пробоотборного шланга.
К выходному крану устройства дозирования и регазификации СПГ присоединяют сбросной шланг, расположив его выходной конец таким образом, чтобы струя выходящего из него газа и жидкости не попала на сооружения, персонал и оборудование.
5.5.3 В начальном состоянии все краны и клапаны пробоотборника находятся в закрытом положении. Подвижный поршень поршневого контейнера находится в крайнем положении, соответствующем "нулевому" объему заполнения пробоотборной камеры.
5.5.4 Сначала открывают входной кран (клапан) устройства дозирования и регазификации СПГ. Затем, плавно приоткрывая выходной кран (клапан) устройства, устанавливают оцениваемый визуально по струе, выходящей из сбросного шланга, начальный расход СПГ от 1 до 5 дм3/мин для захолаживания и промывки потоком СПГ линий и внутренних полостей устройства дозирования и регазификации СПГ.
После того как из сбросного шланга, присоединенного к выходному крану устройства, появится устойчивая струя СПГ, наблюдаемая непрерывно в течение 1 мин, закрывают сначала выходной кран (клапан), затем входной кран (клапан) устройства дозирования и регазификации СПГ.
5.5.5 При помощи бортовых средств измерения определяют давление в криогенной емкости локомотива для занесения в протокол отбора пробы.
5.5.6 На локомотиве, оборудованном специализированной линией отбора проб СПГ из криогенной емкости, в арматурном шкафу криогенной емкости закрывают кран (клапан), подающий СПГ в трубопровод отбора проб СПГ, а на специальном переходном устройстве открывают сбросной кран 3, после чего отсоединяют гибкий пробоотборный шланг от специального переходного устройства и демонтируют специальное переходное устройство.
5.5.7 На локомотиве, не оборудованном специализированной линией отбора проб СПГ из криогенной емкости, перекрывают запорную трубопроводную арматуру, сообщенную с отводом трубопровода, из которого произведен отбор пробы СПГ, открывают сбросной кран 3 на специальном переходном устройстве и отогревают сообщенный с отводом трубопровод.
После этого отсоединяют гибкий пробоотборный шланг от специального переходного устройства, демонтируют специальное переходное устройство и устанавливают на его место штатную заглушку.
Затем запорную трубопроводную арматуру локомотива, сообщенную с отводом трубопровода, переводят в рабочее положение.
5.5.8 Пробоотборник транспортируют в лабораторию для выполнения анализов.
Примечание - По мере нагрева устройства дозирования и регазификации СПГ за счет притока тепла из окружающей среды давление в нем будет расти, вследствие чего поршень поршневого контейнера начнет перемещаться от "нулевого" положения, о чем будет свидетельствовать изменение показания указателя положения поршня, а также увеличение показания давления на манометре.
Пробоотборник выдерживают в лабораторном помещении при температуре (20 ± 5) °С до достижения всеми его составными частями указанного температурного диапазона. Температуру контролируют при помощи встроенного в пробоотборник средства измерения температуры, а в случае его отсутствия используют контактный или бесконтактный термометр, имеющий пределы допускаемой абсолютной погрешности не более ± 2 °С и диапазон измерения от минус 20 °С до плюс 40 °С или шире.
После этого проводят анализ пробы на содержание примесей в соответствии с разделами 6, 7.
Для ускорения нагрева пробы СПГ может быть применен подогрев камеры для хранения пробы СПГ в жидкой фазе согласно эксплуатационной документации на пробоотборник.
5.6 Правила оформления результатов отбора пробы
Результаты отбора пробы оформляют протоколом отбора пробы, в который включают последовательно следующие данные:
- название организации и место (участок) проведения отбора пробы;
- дату и время окончания отбора пробы;
- обозначение настоящего стандарта или наименование и обозначение рабочего документа (методики), по которому проводят отбор пробы, даты его утверждения и аттестации (при наличии такого документа);
- наименование, тип (обозначение серии) и заводской номер локомотива;
- тип, заводской номер пробоотборника;
- избыточное давление в криогенной емкости после отбора пробы в мегапаскалях (см. 5.5.5) с двумя десятичными знаками после запятой;
- должность, фамилию и подпись оператора, производившего отбор пробы;
- должность, фамилию и подпись ответственного за выполнение отбора пробы (мастера, начальника испытательного центра, лаборатории и т.п.).
6.1.1 Анализ проб СПГ на содержание примесей проводят методами газовой хроматографии, включающими обязательное определение значений молярной доли диоксида углерода и углеводородов, кроме метана.
6.1.2 В лаборатории соблюдают требования безопасности в соответствии с разделом 4.
6.1.3 Конкретный метод выбирают в зависимости от предполагаемого содержания компонентов в пробе СПГ и задач проводимого анализа. Из стандартизованных методов хроматографического газового анализа с вводом газообразной пробы применяют методы по ГОСТ 31371.3 - ГОСТ 31371.5.
Диапазоны молярных долей компонентов, определяемые данными методами, приведены в таблице 1.
|  
         Компонент  |   
         Диапазон определения молярной доли, %, в соответствии с  | |||
|  
         ГОСТ 31371.3  |   
         ГОСТ 31371.4  |   
         ГОСТ 31371.5  | ||
|  
         Гелий  |   
         0,01-0,5  |   
         -  |   
         -  | |
|  
         Водород  |   
         0,01-0,5  |   
         -  |   
         -  | |
|  
         Кислород  |   
         0,1-0,5  |   
         -  |   
         -  | |
|  
         Азот  |   
         0,1-40  |   
         0,001-15,0  |   
         0,001-15,0  | |
|  
         Диоксид углерода  |   
         0,1-30  |   
         0,001-10,0  |   
         0,001-8,5  | |
|  
         Метан  |   
         50-100  |   
         75-100  |   
         75-100  | |
|  
         Этан  |   
         0,1-15,0  |   
         0,001-10,0  |   
         0,001-10,0  | |
|  
         Пропан  |   
         0,001-5,0  |   
         0,001-3,0  |   
         0,001-3,0  | |
|  
         Изобутан (2-метилпропан)  |   
         0,0001-2,0 (в сумме)  |   
         0,001-1,0  |   
         0,001-1,0  | |
|  
         н-бутан  |   
         0,001-1,0  |   
         0,001-1,0  | ||
|  
         Пентаны  |   
         Изопентан (2-метилбутан)  |   
         0,0001-1,0 (в сумме)  |   
         0,001-0,5  |   
         0,001-0,5  | 
|  
         Н-пентан  |   
         0,001-0,5  |   
         0,001-0,5  | ||
|  
         Неопентан (2,2-диметилпропан)  |   
         0,001-0,5  |   
         0,001-0,5  | ||
|  
         Сумма углеводородов С6 и выше  |   
         -  |   
         0,001-0,2  |   
         0,001-1,0  | |
Допускаются другие методы анализа, соответствующие 6.1.1, обеспечивающие показатели точности не грубее приведенных в таблице 2.
|  
         Компонент  |   
         Абсолютная расширенная неопределенность (при коэффициенте охвата k = 2) U(x)*, %  | 
|  
         Гелий, водород, кислород, диоксид углерода, углеводороды С2-С5  |   
         0,15 · х + 0,0012  | 
|  
         Азот, сумма углеводородов С6 и выше  |   
         0,15 · х + 0,007  | 
|  
         * Расширенная неопределенность U(x), %, соответствует границам абсолютной погрешности результата измерений молярной доли компонента при доверительной вероятности Р = 0,95.  | |
6.1.4 При наличии в регазифицированной пробе СПГ углеводородного конденсата проводят анализ методом газовой хроматографии с вводом жидкой однофазной пробы непосредственно в хроматограф, например, в соответствии с ГОСТ Р 57851.3-2017 (разделы 7-14).
В случае отсутствия необходимого оборудования допускается вместо выполнения анализа методом, указанным в данном пункте, определять содержание углеводородного конденсата в соответствии с 6.2 с последующим определением содержания масел в соответствии с разделом 7.
6.1.5 Результаты анализа пробы СПГ оформляют в виде протокола анализа, в который в случае выполнения анализа по 6.1.4 включают последовательно следующие данные:
- наименование организации и лаборатории (участка) проведения анализа;
- дату и время проведения анализа;
- номер протокола отбора пробы СПГ;
- данные об анализируемой пробе СПГ [наименование, тип (обозначение серии) и заводской номер локомотива, с которого отобрана проба, дата и время отбора пробы СПГ];
- данные о методе(ах) анализа [обозначение стандарта(ов) или рабочей методики];
- наименования, заводские номера и даты последних поверок использованных при анализе средств измерений;
- фактические значения молярных долей компонентов в пробе СПГ, определенные в результате анализа, и/или массовое содержание конденсата, определенное по 6.2;
- должность, фамилию и подпись оператора, выполнявшего анализ;
- должность, фамилию и подпись ответственного за выполнение анализа (мастера, начальника испытательного центра, лаборатории и т.п.).
В случае выполнения анализа по ГОСТ 31371.3 - ГОСТ 31371.5 в протокол включают сведения в соответствии с ГОСТ 31371.13-2008 (раздел 14).
В случае определения содержания масел в соответствии с разделом 7 оформляют отдельный протокол в соответствии с 7.1.6.
6.2.1 Сущность метода
Метод заключается в определении массы сливаемого из пробоотборника содержимого, остающегося после регазификации пробы СПГ как разность двух взвешиваний и вычислении его массового содержания в пробе СПГ.
6.2.2 Требования безопасности
В лаборатории соблюдают требования безопасности в соответствии с разделом 4.
6.2.3 Требования к оборудованию и средствам измерения
6.2.3.1 При анализе используют стаканы Н-1-50 ТХС, Н-1-250 ТХС и Н-1-1000 ТХС по ГОСТ 25336.
6.2.3.2 Весы неавтоматического действия класса I по ГОСТ Р 53228 с ценой поверочного деления не более 5 мг. Максимальный верхний предел взвешивания весов должен быть не менее 400 г, а также не менее суммы массы возможного углеводородного конденсата в пробе с учетом параметров используемого пробоотборника и массы используемого стакана по 6.2.3.1 (при выборе верхнего предела взвешивания допускается условно принять массу стакана равной 200 г).
6.2.3.3 Вытяжной шкаф должен иметь производительность вентилятора не менее 4,0 м3/мин. Вентилятор в вытяжной системе шкафа должен иметь взрывобезопасное исполнение.
6.2.3.4 Термометр, обеспечивающий измерение температуры в диапазоне от 0 °С до 40 °С или шире и имеющий пределы абсолютной погрешности измерения не более ± 2 °С.
6.2.4 Порядок подготовки к проведению анализа
6.2.4.1 Пробоотборник отсоединяют от аналитического оборудования.
Затем выпускают остаток газа из пробоотборника. Для этого пробоотборник помещают в вытяжной шкаф (см. 6.2.3.3), открывают клапан тонкой регулировки расхода и дожидаются окончания выхода из него газа, ориентируясь по шуму выходящего газа.
После этого пробоотборник выдерживают в помещении до достижения всеми его составными частями температуры (20 ± 5) °С, контролируемой термометром (см. 6.2.3.4).
6.2.4.2 Стаканы (см. 6.2.3.1) должны быть промыты и просушены.
Каждый стакан взвешивают на весах (см. 6.2.3.2) и записывают результат с точностью, соответствующей цене деления весов или единице младшего значащего разряда их цифрового показывающего устройства.
6.2.5 Порядок проведения анализа и правила обработки результатов
6.2.5.1 Сливают в чистый стакан жидкий остаток из устройства дозирования и регазификации СПГ в составе пробоотборника. При этом вначале сливают жидкий остаток в стакан с номинальной вместимостью 50 см3, а при недостаточности его вместимости переливают его содержимое в стакан с большей вместимостью, в который также продолжают дальнейший слив.
Для полного слива остатка оставляют устройство дозирования и регазификации СПГ в сливном положении не менее чем на 15 мин.
6.2.5.2 В случае невозможности слива жидкого остатка ввиду его незначительного количества (невозможности отделить каплю из сливного отверстия) считают, что углеводородный конденсат отсутствует.
Далее при необходимости проводят анализ на содержание масел в соответствии с 7.2.
6.2.5.3 При окончании поступления жидкого остатка в стакан данный стакан взвешивают на весах и записывают результат с точностью, соответствующей цене деления весов или единице младшего значащего разряда их цифрового показывающего устройства.
Массовое содержание углеводородного конденсата Сконд, мг/дм3, вычисляют по формуле
,
(1)
где mс.ж.о - масса стакана с жидким остатком, г;
mс.ч - масса чистого стакана, определенная по 6.2.4.2, г;
Vпр - номинальный объем пробы СПГ по паспортным данным пробоотборника, в котором находилась проба СПГ, дм3.
6.2.6 Правила оформления результатов анализа
Результат анализа заносят в протокол анализа, оформляемый по 6.1.5.
6.2.7 Точность метода
При массовом содержании углеводородного конденсата не менее 200 мг/дм3 показатель точности ±δ (границы относительной погрешности при доверительной вероятности Р = 0,95) данного метода не должен превышать 50 %.
7.1.1 Сущность метода
Метод заключается в выпаривании жидкого остатка пробы СПГ, полученного по 6.2, при заданной температуре, взвешивании полученного остатка от выпаривания и вычислении массового содержания масел в пробе как отношение массы остатка после выпаривания к объему пробы СПГ.
7.1.2 Требования безопасности
7.1.2.1 В лаборатории соблюдают требования безопасности в соответствии с разделом 4.
7.1.2.2 Для защиты рук от ожогов используют перчатки по ГОСТ 5007 из безворсового трикотажного полотна.
7.1.3 Требования к оборудованию и средствам измерения
7.1.3.1 Применяемые при анализе стаканы - по 6.2.3.1.
Лабораторные весы - по 6.2.3.2. Используют тот же экземпляр весов, что и при взвешиваниях по 6.2.4, 6.2.5.
7.1.3.2 Сушильный шкаф должен быть оборудован вытяжной системой вентиляции с удалением из рабочей зоны паров и аэрозолей в процессе сушки и обеспечивать поддержание заданной температуры до 115 °С с допускаемой погрешностью не более ± 5 °С и возможностью визуального наблюдения за объектом в процессе сушки. Вентиляторы в системах шкафа должны иметь взрывобезопасное исполнение.
7.1.3.3 Термометр контактного типа должен иметь пределы допускаемой абсолютной погрешности не более ± 2 °С, диапазон измерения температуры от 0 °С до 120 °С или шире и должен быть рассчитан на измерение температуры плоских поверхностей.
Термометр должен быть укомплектован руководством по эксплуатации или иным эксплуатационным документом, устанавливающим порядок проведения измерений при его использовании.
7.1.4 Порядок подготовки, проведения анализа и правила обработки результатов
7.1.4.1 Перед выполнением анализа по данному методу выполняют операции по 6.2.4, 6.2.5.
7.1.4.2 Помещают стакан с жидким остатком в сушильный шкаф (см. 7.1.3.2) и выдерживают при заданной температуре в шкафу 115 °С до момента, когда температура стакана превысит 110 °С, затем еще в течение (60 ± 5) мин, после чего стакан охлаждают до температуры ниже 40 °С в выключенном сушильном шкафу, извлекают из сушильного шкафа и оставляют на 60+20 мин при комнатной температуре в помещении, в котором находятся весы для последующего взвешивания стакана (см. 7.1.4.3).
Для контроля температуры используют термометр (см. 7.1.3.3), прикладывая его чувствительный элемент ко дну стакана не реже чем раз в 10 мин.
7.1.4.3 На лабораторных весах (см. 7.1.3.1) взвешивают стакан с остатком после выпаривания.
Затем тщательно моют стакан, сушат его в сушильном шкафу не менее 30 мин и взвешивают на тех же весах.
7.1.4.4 Массовое содержание масел в пробе См, мг/дм3, вычисляют по формуле
,
(2)
где mс.вып - масса стакана с остатком после выпаривания, г (см. 7.1.5.2);
mс.ч2 - масса чистого стакана, определенная по 7.1.5.3, г;
Vпр - номинальный объем пробы СПГ по паспортным данным пробоотборника, в который отобрана анализируемая проба.
Если
mс.вып-mс.ч2<|mс.ч-mс.ч2|,
(3)
или
|mс.вып-mс.ч2|<3S,
(4)
где S - среднее квадратическое отклонение результатов измерений весов согласно их эксплуатационной документации, результат анализа по данному методу не учитывают и проводят анализ по 7.2 или иным методом определения содержания масел в пробе СПГ с той же точностью (см. 7.2.7) или более точным.
7.1.5 Правила оформления результатов анализа
Результаты анализа оформляют в виде протокола анализа, в который включают последовательно следующие данные:
- наименования организации и лаборатории (участка) проведения анализа;
- дату и время проведения анализа;
- номер протокола отбора пробы СПГ;
- данные об анализируемой пробе СПГ [наименование, тип (обозначение серии) и заводской номер локомотива, с которого отобрана проба, дата и время отбора пробы];
- наименование метода, которым проведен анализ;
- обозначение настоящего стандарта или наименование и обозначение рабочего документа (методики), по которому проведен анализ, даты его утверждения и аттестации (при наличии такого документа);
- наименования, заводские номера и даты последних поверок использованных при анализе средств измерений;
- фактическое содержание масел в пробе СПГ, мг/дм3, определенное в результате анализа;
- должность, фамилию и подпись специалиста, выполнявшего анализ;
- должность, фамилию и подпись ответственного за выполнение анализа (мастера, начальника испытательного центра, лаборатории и т.п.).
7.1.6 Точность метода
Показатель воспроизводимости метода R не должен превышать 50 мг/дм3 при доверительной вероятности Р = 0,95.
7.2.1 Сущность метода
Метод заключается в последовательном испарении пробы СПГ определенного объема, промывкой испарительного сосуда экстрагентом и определения содержания масел в отработанном экстрагенте путем его сопоставления с образцовыми растворами по параметру мутности. Итоговое содержание масел в пробе определяют в пересчете на объем испаренной пробы.
Метод применим при содержании масла в пробе СПГ от 0,01 до 40 мг/дм3.
7.2.2 Требования безопасности
7.2.2.1 Согласно ГОСТ 12.1.007 применяемые при анализе данным методом реактивы соответствуют по токсикологической опасности:
- четвертый класс - диэтиловый эфир;
- третий класс - уксусная кислота.
7.2.2.2 Необходимо соблюдение требований безопасности в соответствии с разделом 4.
7.2.3 Аппаратура и реактивы
7.2.3.1 Для выполнения анализа используют следующее оборудование:
- колба типа П или Кн по ГОСТ 25336 номинальной вместимостью 1000 см3;
- бюретки номинальной вместимостью 1, 2, 5 и 10 см3 по ГОСТ 29251;
- пипетки номинальной вместимостью 10 см3 по ГОСТ 29227;
- пробирки П1-14-120 ХС по ГОСТ 25336;
- часы песочные на 5 мин.
7.2.3.2 Для приготовления растворов используют дистиллированную воду по ГОСТ 6709.
В качестве экстрагентов используют:
- кислоту уксусную по ГОСТ 61;
- диэтиловый эфир*.
──────────────────────────────
* См. [3].
Допустимая концентрация нефтепродуктов в экстрагентах - не более 0,5 мг/дм3.
7.2.3.3 Для приготовления образцовой нефелометрической шкалы используют раствор латекса полистирола, полученный растворением 0,2 см3 латекса полистирола в 250 см3 дистиллированной воды.
Раствор хранят в склянке с притертой пробкой при температуре от 10 °С до 20 °С. Срок годности раствора составляет 6 мес.
7.2.4 Порядок подготовки к проведению анализа
7.2.4.1 Для проведения анализа необходимо приготовить образцовые растворы нефелометрической шкалы в соответствии с таблицей 3.
|  
         Характеристика образцового раствора  |   
         Номер образцового раствора  | ||||||
|  
         0  |   
         1  |   
         2  |   
         3  |   
         4  |   
         5  |   
         6  | |
|  
         Объем раствора латекса полистирола, приготовленный по 7.2.3.3, см3  |   
         0,0  |   
         0,2  |   
         0,4  |   
         1,0  |   
         2,0  |   
         4,0  |   
         8,0  | 
|  
         Объем дистиллированной воды, см3  |   
         8,0  |   
         7,8  |   
         7,6  |   
         7,0  |   
         6,0  |   
         4,0  |   
         0,0  | 
|  
         Эквивалентная мутности раствора массовая концентрация масла, мг/дм3  |   
         0,00  |   
         0,01  |   
         0,02  |   
         0,05  |   
         0,1  |   
         0,2  |   
         0,4  | 
Образцовые растворы хранят и используют в пробирках, указанных в 7.2.3.1. Пробирки нумеруют и закрывают резиновыми пробками и заливают менделеевской замазкой, приготовленной по методу, приведенному в приложении Б, или сургучом. Закрытые пробирки хранят при температуре от 10 °С до 20 °С. Срок годности образцовых растворов - 3 мес.
7.2.4.2 Устройство дозирования и регазификации СПГ пробоотборника должно быть разобрано и подготовлено к промывке согласно эксплуатационной документации пробоотборника.
7.2.5 Порядок проведения анализа и правила обработки результатов
7.2.5.1 Полости устройства дозирования и регазификации, контактирующие с СПГ, промывают последовательно диэтиловым эфиром и уксусной кислотой, встряхивая устройство. При этом количество диэтилового эфира и уксусной кислоты берут из расчета по 2,0 см3 на каждый кубический дециметр объема СПГ в пробе, принимаемого по паспортным данным пробоотборника.
7.2.5.2 Полученный после промывки раствор выливают в пробирку для анализа и добавляют, перемешивая путем встряхивания, дистиллированную воду из расчета 5,0 см3 на каждый кубический дециметр объема СПГ в пробе, принимаемого по паспортным данным пробоотборника. В качестве пробирки для анализа используют пробирку, указанную в 7.2.3.1. При этом в случае превышения получаемым объемом раствора вместимости пробирки (при паспортном объеме СПГ в пробе более 1,0 дм3) избыточную часть полученного раствора отливают.
7.2.5.3 При помощи песочных часов выдерживают интервал 5 мин, по прошествии которого в растворе образуется эмульсия.
7.2.5.4 Сравнивают на темном фоне раствор в пробирке для анализа с образцовыми растворами и подбирают образцовый раствор, наиболее близкий по мутности к анализируемому.
По таблице 3 определяют массовую концентрацию масла в миллиграммах в кубическом дециметре СПГ.
Если анализируемый раствор в пробирке соответствует образцовому раствору с номером "0", считают, что масло в пробе СПГ отсутствует.
7.2.5.5 Если мутность анализируемого раствора превышает мутность образцового раствора номер "6", анализируемый раствор разбавляют дистиллированной водой из расчета девять частей воды на одну часть исходного раствора. Для этого отмеряют 1 см3 раствора из анализируемой пробирки, выливают остальной раствор, вливают в пробирку отмеренную часть раствора и доливают 9 см3 воды.
Вновь полученный раствор снова сравнивают с образцовыми растворами.
Если мутность анализируемого раствора вновь превышает мутность образцового раствора с номером "6", разбавление повторяют до тех пор, пока мутность получаемого анализируемого раствора не окажется менее, чем у раствора с номером "6".
После этого подбирают образцовый раствор, наиболее близкий по мутности к анализируемому, и, пользуясь таблицей 3, определяют массовую концентрацию масла, соответствующую номеру образцового раствора.
Результат анализа вычисляют, умножая массовую концентрацию масла, определенную по таблице 3, на 10n, где n - число разбавлений анализируемого раствора.
7.2.6 Оформление результатов анализа
Результаты анализа оформляют в соответствии с 7.1.6.
7.2.7 Точность метода
Показатель точности (границы относительной погрешности) данного метода составляет ± 50 % при доверительной вероятности Р = 0,95.
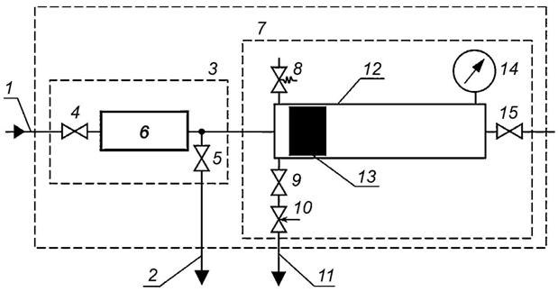
Приложение А 
  
 (рекомендуемое)
Схема пробоотборника, предназначенного для отбора жидких проб СПГ в соответствии с методом ГОСТ Р 56719-2015 (подраздел 10.1) приведена на рисунке А.1.

1 - линия отбора пробы СПГ; 2 - линия сброса; 3 - устройство дозирования и регазификации СПГ; 4 - входной вентиль дозирующего устройства; 5 - выходной вентиль дозирующего устройства; 6 - дозирующая трубка с подогревом; 7 - поршневой контейнер; 8 - предохранительная мембрана; 9, 15 - вентиль запорный; 10 - вентиль тонкой регулировки расхода; 11 - линия подачи пробы на анализ; 12 - камера для хранения пробы; 13 - подвижный поршень; 14 - манометр
Рисунок А.1 - Схема пробоотборника для отбора жидких проб СПГ
Приложение Б 
  
 (справочное)
Замазку готовят из веществ, приведенных в таблице Б.1.
|  
         Вещество  |   
         Масса вещества, г  | 
|  
         Канифоль сосновая по ГОСТ 19113  |   
         360  | 
|  
         Пчелиный воск по ГОСТ 21179  |   
         40  | 
|  
         Окись железа обожженная, просеянная (пемза или охра)  |   
         90  | 
|  
         Льняная олифа по ГОСТ 7931  |   
         5  | 
|  
         Льняное масло по ГОСТ 5791  |   
         5  | 
Пчелиный воск расплавляют в металлической чашке (не допускается в луженой) или фарфоровой миске, нагревая на слабом огне. При этом образующуюся пену снимают, а если образовался осадок, воск переливают в другую чашку, в которой продолжают дальнейшее нагревание до полного расплавления воска.
К расплавленному воску при постоянном помешивании постепенно добавляют канифоль в виде порошка, полученную смесь нагревают до температуры от 150 °С до 200 °С и дожидаются, пока не исчезнет запах скипидара или на расплаве не исчезнет пена.
Затем, поддерживая температуру расплава от 150 °С до 200 °С, по частям добавляют в него обожженную и просеянную окись железа, перемешивают и медленно вливают олифу и масло, добиваясь однородной смеси.
Полученный расплав выливают в формы в виде плиток или на металлическую плиту с разламыванием на куски после остывания.
Перед употреблением замазку нагревают до расплавления и наносят на соединяемые поверхности.
Библиография
|  
         [1]  |   
         Федеральный закон от 22 июля 2008 N 123-ФЗ "Технический регламент о требованиях пожарной безопасности"  | |
|  
         [2]  |   
         Приказ Министерства здравоохранения и социального развития Российской Федерации от 22 октября 2008 г. N 582н "Об утверждении Типовых норм бесплатной выдачи сертифицированных специальной одежды, специальной обуви и других средств индивидуальной защиты работникам железнодорожного транспорта Российской Федерации, занятым на работах с вредными и (или) опасными условиями труда, а также на работах, выполняемых в особых температурных условиях или связанных с загрязнением". Зарегистрирован в Министерстве юстиции Российской Федерации 12 ноября 2008 г., N 12624  | |
|  
         [3]  |   
         ИСО 6353-3:1987  |   
         Реактивы для химического анализа. Часть 3. Технические условия. Вторая серия  | 
|  
         ISO 6353-3:1987  |   
         Reagents for chemical analysis; Part 3: Specifications; Second series  | |


