Рекомендован распоряжением Федерального дорожного агентства от 17 февраля 2021 г. N 571-р
Отраслевой дорожный методический документ ОДМ-218.6.1.004-2020
"МЕТОДИЧЕСКИЕ РЕКОМЕНДАЦИИ ПО ОПРЕДЕЛЕНИЮ КОЛЬМАТАЦИИ (МЕХАНИЧЕСКОГО ЗАСОРЕНИЯ) ГЕОСИНТЕТИЧЕСКИХ МАТЕРИАЛОВ ДЛЯ ДОРОЖНОГО ХОЗЯЙСТВА В ПЕРИОД ЭКСПЛУАТАЦИИ"
Предисловие
1 Разработан: Обществом с ограниченной ответственностью "Мегатех инжиниринг" совместно с Обществом с ограниченной ответственностью "ДорГеоТех", Обществом с ограниченной ответственностью "Инновационный технический центр" в соответствии с государственным контрактом от 10.12.2018 N ФДА 47/139
2 Внесен: Управлением научно-технических исследований и информационного обеспечения Федерального дорожного агентства
3 Издан распоряжением Федерального дорожного агентства от "17" февраля 2021 г. N 571-р
4 Носит рекомендательный характер
5 Введен впервые
1 Область применения
1.1 Настоящий отраслевой дорожный методический документ распространяется на геосинтетические материалы, выполняющие функции разделения, фильтрации и дренирования, подверженные кольматации, применяемые при строительстве, реконструкции, капитальном ремонте автомобильных дорог и сооружений на них, и устанавливает метод определения кольматации (механического засорения) геосинтетических материалов.
2 Нормативные ссылки
В настоящем стандарте использованы нормативные ссылки на следующие стандарты:
ГОСТ 12.1.007-76*. Государственный стандарт Союза ССР. Система стандартов безопасности труда. Вредные вещества. Классификация и общие требования безопасности
ГОСТ Р 12.4.301-2018. Национальный стандарт Российской Федерации. Система стандартов безопасности труда. Средства индивидуальной защиты дерматологические. Общие технические условия
ГОСТ 12.4.131-83. Межгосударственный стандарт. Халаты женские. Технические условия
ГОСТ 12.4.132-83. Межгосударственный стандарт. Халаты мужские. Технические условия
ГОСТ 12.4.252-2013. Межгосударственный стандарт. Система стандартов безопасности труда. Средства индивидуальной защиты рук. Перчатки. Общие технические требования. Методы испытаний
ГОСТ OIML R 111-1-2009. Межгосударственный стандарт. Государственная система обеспечения единства измерений. Гири классов Е1, Е2, F1, F2, M1, M1-2, М2, М2-3 и М3. Часть 1. Метрологические и технические требования
ГОСТ 427-75. Государственный стандарт Союза ССР. Линейки измерительные металлические. Технические условия
ГОСТ 1770-74 Посуда мерная лабораторная стеклянная. Цилиндры, мензурки, колбы, пробирки. Общие технические условия
ГОСТ 6139-2003. Песок для испытаний цемента. Технические условия
ГОСТ 9833-73. Государственный стандарт Союза ССР. Кольца резиновые уплотнительные круглого сечения для гидравлических и пневматических устройств. Конструкция и размеры
ГОСТ ISO 9862-2014. Межгосударственный стандарт. Материалы геосинтетические. Порядок отбора и подготовки образцов для испытаний
ГОСТ 11109-90. Государственный стандарт Союза ССР. Марля бытовая хлопчатобумажная. Общие технические условия
ГОСТ 22733-2016. Межгосударственный стандарт. Грунты. Метод лабораторного определения максимальной плотности
ГОСТ 23732-2011. Межгосударственный стандарт. Вода для бетонов и строительных растворов. Технические условия
ГОСТ 25100-2020. Межгосударственный стандарт. Грунты. Классификация
ГОСТ 28498-90. Термометры жидкостные стеклянные. Общие технические требования. Методы испытаний
ГОСТ 28723-90 (СТ СЭВ 5981-87, СТ СЭВ 6273-88). Расходомеры скоростные, электромагнитные и вихревые. Общие технические требования и методы испытаний
ГОСТ Р 51568-99 (ИСО 3310-1-90). Сита лабораторные из металлической проволочной сетки. Технические условия
ГОСТ Р 53228-2008. Национальный стандарт Российской Федерации. Весы неавтоматического действия. Часть 1. Метрологические и технические требования. Испытания
ГОСТ Р 55028-2012. Национальный стандарт Российской Федерации. Дороги автомобильные общего пользования. Материалы геосинтетические для дорожного строительства. Классификация, термины и определения
ПНСТ 269-2018. Предварительный национальный стандарт Российской Федерации. Дороги автомобильные общего пользования. Материалы геосинтетические для дорожного строительства. Метод определения коэффициента фильтрации системы "грунт - геосинтетический материал - грунт"
3 Термины и определения
В настоящем методическом документе применены термины по ГОСТ Р 55028, а также следующие термины с соответствующими определениями:
3.1 кольматация: процесс естественного проникновения мелких (главным образом коллоидных, глинистых и пылеватых) частиц в поры геосинтетических материалов с последующим его механическим засорением.
3.2 коэффициент фильтрации: характеристика проницаемости системы "грунт - геосинтетический материал - грунт" по отношению к конкретной фильтрующейся воде; при линейном законе фильтрации равен скорости фильтрации воды при единичном градиенте напора.
3.3 образец для испытаний: образец материала определенных размеров, вырезанный из пробы геосинтетического материала.
4 Обозначения и сокращения
В настоящем методическом документе применяются следующие обозначения и сокращения:
ГМ: Геосинтетический материал
5 Испытательное оборудование, средства измерений, вспомогательные устройства и материалы
5.1 При проведении испытаний применяют следующее испытательное оборудование, средства измерений, вспомогательные устройства и материалы:
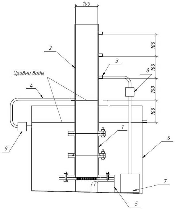
- установка для кольматации геосинтетического материала (см. рисунок 1);
- установка для определения коэффициента фильтрации системы "грунт - геосинтетический материал - грунт" по ПНСТ 269-2018;
- весы неавтоматического действия по ГОСТ Р 53228 с комплектом гирь к ним по ГОСТ OIMLR 111-1;
- термометр по ГОСТ 28498;
- секундомер с верхним пределом измерений не менее 9 ч. с абсолютной допускаемой погрешностью не более 0,1 с;
- линейка измерительная металлическая по ГОСТ 427;
- трамбовка по ГОСТ 22733;
- монофракционный песок по ГОСТ 6139 (далее - песок);
- набор сит с поддоном; сита с размером отверстий 1,0; 0,5; 0,25; 0,1 мм по ГОСТ Р 51568;
- шкаф сушильный;
- отсев грунта фракции менее 0,1 мм (далее - отсев);
- вода по ГОСТ 23732;
- цилиндр мерный 250 мл по ГОСТ 1770;
- марля суровая по ГОСТ 11109.
5.2 Средства измерений и вспомогательное оборудование должны обеспечивать выполнение измерений следующих величин с погрешностью, не более:
- температуры ±0,5°С;
- времени ±0,1 с;
- высоты водяного столба (напора) ±1 мм;
- среднего объемного расхода жидкости ±2,0%.
6 Описание установки для кольматации
6.1 Установка для кольматации геосинтетического материала должна отвечать следующим общим требованиям:
- поддерживать постоянный напор в течение проведения испытания;
- обеспечивать герметичность всех соединений;
- обеспечивать неизменность положения образца в процессе испытаний.
Соприкасающиеся с водой элементы приборов должны быть изготовлены из коррозионностойкого материала.
6.2 В состав установки кольматации геосинтетического материала (рисунок 1) входят:
- шахта из металлической трубы с внутренним диаметром (100±3) мм;
- патрон для грунта и пробы геосинтетического материала (рисунок 2);
- опорная площадка с водопропускными отверстиями;
- насос производительностью не менее 10 л/мин, способный перекачивать воду, содержащую мелкие частицы;
- бак, выполненный из нержавеющей стали;
- подающие и сбросные патрубки и шланги диаметром не менее 1/2";
- пьезометры с мерной шкалой;
- электромагнитный клапан;
- датчик уровня воды в баке;
- микроконтроллер;
- блок реле;
- электромагнитные расходомеры по ГОСТ 28723 на подающем и сбросном патрубках.

1 - патрон для образцов грунта и геосинтетического материала; 2 - шахта; 3 - подающий патрубок; 4 - сбросной патрубок; 5 - опорная площадка; 6 - бак; 7 - погружной насос; 8,9 - расходомеры
Рисунок 1 - Схема установки кольматации геосинтетического материала (размеры в миллиметрах)
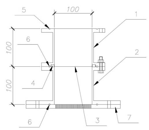
6.3 В состав патрона (рисунок 2) входят:
- верхняя часть патрона, состоящая из трубы с внутренним диаметром (100±3) мм и высотой 100 мм, с обоих концов имеет фланцы для соединения с шахтой и нижней частью патрона;
- нижняя часть патрона, состоящая из трубы с внутренним диаметром (100±3) мм и высотой 100 мм, с обоих концов имеет фланцы для соединения с верхней частью патрона и нижним перфорированным диском;
- прижимное кольцо с внутренним диаметром (100±3) мм, высота кольца должна обеспечивать плотное прижатие геосинтетического материала к нижней части патрона;
- уплотнительное кольцо резиновое 122-130-46 по ГОСТ 9833-73;
- нижний перфорированный диск с равномерной перфорацией, составляющей не менее 40% от общей площади поверхности диска. Перфорация состоит из отверстий диаметром 1 мм.

1 - верхняя часть патрона; 2 - нижняя часть патрона; 3 - образец геосинтетического материала; 4 - прижимное кольцо; 5 - пазы для уплотнительной прокладки; 6 - уплотнительное резиновое кольцо; 7 - перфорированный диск
Рисунок 2 - Патрон (размеры в миллиметрах)
6.4 Установка представляет собой замкнутую гидравлическую систему, позволяющую поддерживать необходимый напор (разницу воды в шахте и в баке).
Необходимый напор поддерживается автоматически при помощи микроконтроллера и подключенных к нему датчиков уровня, электромагнитных клапанов и блока реле для насоса.
Установка позволяет ускоренно моделировать эффект кольматации различных геосинтетических материалов.
6.5 Принцип работы прибора заключается в непрерывном фильтровании воды с мелкими частицами грунта через образец геосинтетического материала, уложенный на монофракционный песок по ГОСТ 6139, при постоянном напоре и градиенте.
7 Подготовка к проведению испытаний
7.1 При подготовке к проведению испытаний проводят следующие последовательные действия и операции:
- отбор и подготовка проб геосинтетического материала;
- отбор и подготовка песка;
- отбор и подготовка отсева мелкой фракции;
- подготовка испытательной установки.
7.2 Отбор и подготовка проб геосинтетических материалов.
Упаковочные единицы не должны иметь дефектов и должны быть упакованы. Из каждой отобранной упаковочной единицы отбирают не менее одной пробы материала минимальной площадью 3 м2.
Отбор проб производится по ГОСТ ISO 9862. Два первых слоя упаковочной единицы не следует использовать для изготовления образцов. Если испытуемый образец из пробы вырезают не сразу, то пробу хранят при температуре окружающей среды в сухом темном месте, защищенном от пыли, химического и физического воздействий.
Из каждой отобранной пробы должны быть вырезаны или вырублены три образца для испытаний по определению начального коэффициента фильтрации системы "грунт - геосинтетический материал - грунт" по ПНСТ 269-2018 и три образца диаметром не менее 100 мм.
Образцы для испытаний должны быть подготовлены так, чтобы один образец не являлся непосредственным продолжением другого (рисунок 3).

1 - проба геосинтетического материала; 2 - образец геосинтетического материала; b - ширина пробы материала
Рисунок 3 - Схема отбора образцов для испытаний
При разметке проб первый образец вырезают на расстоянии от края пробы не менее 1/10 ее ширины. Отобранные образцы должны полностью характеризовать пробу.
7.3 Отбор и подготовка песка.
Пробу песка массой не менее 5000 г высушивают до постоянной массы. Определяют оптимальную влажность песка по ГОСТ 22733. Доведение грунта до оптимальной влажности необходимо для уплотнения в дальнейшем пробы грунта в патроне до максимальной плотности.
Из подготовленной пробы песка отбирают навеску массой не менее 450 г и увлажняют ее до оптимальной влажности. Необходимый для увлажнения объем воды Q, см3, определяют по следующей формуле (1):
, (1)
где m - масса пробы грунта, г;
wo - оптимальная влажность грунта, доли единицы (определяется по ГОСТ 22733);
wg - гигроскопическая влажность грунта, доли единицы;
ρw - плотность воды, принимаемая равной 1 г/см3.
Определяют массу песка m1, г, необходимую для получения слоя высотой 100 мм в патроне после уплотнения, по формуле (2):
m1=Vρdmax(1+wo), (2)
где V - объем грунта в патроне, равный 785 см 3;
ρdmax - максимальная плотность сухого грунта, установленная по ГОСТ 22733, г/см3.
7.4 Отбор и подготовка отсева мелкой фракции.
Гранулированный материал (грунт) отбирают массой не менее 5000 г. Доводят его до воздушно-сухого состояния. Затем его просеивают сквозь набор сит с размером отверстий 1; 0,5; 0,25; 0,1 мм с поддоном. В отсев идет фракция грунта, прошедшая в поддон.
Отсев должен быть неоднородным по гранулометрическому составу со степенью неоднородности CU, определяемой по ГОСТ 25100 и равной 3≤CU≤20.
Взвешивают навеску сухого отсева. Результат взвешивания в граммах округляют до первой десятичной цифры. Масса навески должна составлять (5±0,1) г на 1 л воды в баке.
7.5 Подготовка испытательной установки.
Патрон собирают отдельно от установки. В нижнюю часть патрона устанавливают перфорированный диск, на зону перфорации укладывают кусок марли диаметром 100 мм в один слой.
Навеску влажного песка массой m1 делят на четыре равные порции.
Последовательно в патрон укладывают четыре порции и каждую уплотняют трамбовкой, проводя по 40 ударов. Перед укладкой второй порции поверхность предыдущей уплотненной порции взрыхляют ножом на глубину от 1 до 2 мм.
На уплотненный песок укладывают образец геосинтетического материала для испытаний.
Выполняют измерения высоты слоя песка с образцом геосинтетического материала с использованием линейки не менее чем в трех точках. В качестве результата принимают среднеарифметическое значение. Высота слоя песка должна составлять (100±1) мм.
С помощью прижимного кольца фиксируют образец геосинтетического материала и закрепляют болтовым соединением верхнюю часть патрона. Герметичность соединения обеспечивается при помощи уплотнительного резинового кольца.
Патрон размещают в установке и закрепляют болтовым соединением с шахтой и опорной площадкой. Болтовые соединения должны обеспечивать герметичность узлов.
Бак наполняют водой до тех пор, пока не сработает датчик уровня воды в баке.
В бак с водой устанавливается насос, который подключается к блоку реле.
8 Требования к условиям испытаний
При проведении испытаний соблюдают следующие условия для помещений, в которых хранят и испытывают образцы:
- температура воздуха (20±5) °С;
- относительная влажность воздуха (60±20) %.
При проведении испытаний должно быть исключено воздействие на материал солнечных лучей, нагревательных приборов, а также исключено химическое воздействие.
9 Методика испытаний
9.1 Методика заключается в принудительной кольматации (механическом засорении) геосинтетического материала и определении коэффициента фильтрации системы "грунт - геосинтетический материал - грунт" после завершения процесса кольматации.
9.2 В начале эксперимента определяется коэффициент фильтрации системы "грунт - геосинтетический материал - грунт" по ПНСТ 269-2018.
Испытанию должны быть подвергнуты не менее трех образцов диаметром 50 мм, отобранных в случайном порядке, но не менее одного образца от каждой пробы.
9.3 После этого образцы диаметром 100 мм по очереди испытывают в установке для кольматации.
9.4 В испытаниях используется концентрация отсева 5 г/л воды. Концентрация пылеватых частиц в разных гидрологических условиях различна и изменяется в диапазоне от 0 до 5 г/л воды и более. При этом концентрация 5 г/л является избыточной для условий фильтрации ГМ.
9.5 Подготовленную навеску сухого отсева перемешивают в баке с водой и периодически размешивают для избегания оседания.
9.6 Запускают насос и ожидают поднятия напора в шахте до необходимой отметки, разница уровней в баке и шахте отслеживается по пьезометрам и должна составлять 100 мм. Затем при помощи системы шлангов и задвижек расход воды, подаваемый в шахту, регулируется для поддержания постоянного напора. Излишки смеси воды с отсевом, подаваемые насосом, возвращаются в бак.
9.7 После начала эксперимента каждые 12 часов снимаются показания расходов с расходомеров на подающем и сбросном патрубках, разница этих расходов будет равна фильтрационному расходу, формула (3).
Qф=Qп-Qс, (3)
где Qф - фильтрационный расход через геосинтетический материал;
Qп - расход на подающем патрубке;
Qс - расход на сбросном патрубке.
9.8 Испытания проводятся непрерывно при единичном градиенте и постоянном напоре воды.
9.9 Испытание считается завершенным, если изменение фильтрационного расхода за последние 24 часа не превышает 3%.
9.10 Испытанию должны быть подвергнуты не менее трех образцов, отобранных в случайном порядке, но не менее одного образца от каждой пробы.
9.11 После проведения испытания установка разбирается в порядке обратном указанному в п. 7.5. Каждый образец аккуратно извлекается с образовавшимся приграничным слоем грунта, который не прошел сквозь геосинтетический материал. Толщина ho образовавшегося приграничного слоя грунта измеряется в трех местах, толщину принимают средней из этих трех измерений.
9.12 Не дожидаясь высыхания, из каждого образца, прошедшего испытание, из центральной области при помощи просекателя диаметром 58 мм вырубается образец для установки в прибор для определения коэффициента фильтрации системы "грунт - геосинтетический материал - грунт". Образовавшийся приграничный слой грунта не счищается.
9.13 Для измерения конечного коэффициента фильтрации системы "грунт - геосинтетический материал - грунт" отбирается навеска песка оптимальной влажности массой m2, вычисленной по формуле (2), при этом объем вычисляется по формуле (4):
, (4)
где D - диаметр патрона, равный 5 см;
hП - высота грунта в патроне установки для определения коэффициента фильтрации системы "грунт - геосинтетический материал - грунт";
hO - толщина образовавшегося приграничного слоя грунта.
9.14 Измерение коэффициента фильтрации системы "грунт - геосинтетический материал - грунт" проводится по методике ПНСТ 269-2018. Геосинтетический материал укладывается в установку вместе с приграничным слоем грунта, который образовался за время проведения испытания по кольматации.
10 Требования безопасности и охраны окружающей среды
10.1 При работе с геосинтетическими материалами используют защитную одежду по ГОСТ 12.4.131 или ГОСТ 12.4.132. Для защиты рук используют перчатки по ГОСТ 12.4.252. При работе с материалами, содержащими стекловолокно, дополнительно используют защитные дерматологические средства от пыли по ГОСТ 12.4.068.
10.2 Испытанный материал утилизируют в качестве твердых строительных отходов, соответствующих классу опасности не выше IV по ГОСТ 12.1.007, если иное не указано изготовителем материала на его упаковке или в сопроводительных документах.
11 Результаты испытаний
11.1 В ходе испытания моделируется процесс кольматации (механического засорения) геосинтетических материалов в конструкциях автомобильных дорог.
11.2 Процесс кольматации со временем затухает вместе с падением скоростей фильтрации и транспортирующей способности воды в грунте.
11.3 После завершения процесса кольматации на установке коэффициент фильтрации геосинтетического материала определяется по ПНСТ 269-2018. Полученный коэффициент фильтрации следует принимать в фильтрационных расчетах дорожных конструкций и сооружений в качестве предельного наименьшего значения.
12 Оформление результатов испытаний
12.1 Результаты испытаний оформляются в виде протокола, который должен содержать следующую информацию:
- название организации, проводившей испытания;
- дата проведения испытаний;
- вид геосинтетического материала;
- наименование марки геосинтетического материала;
- размеры образцов для испытаний из геосинтетического материала;
- температура воздуха в лаборатории, °С;
- время проведения испытания, часы;
- значение начального коэффициента фильтрации образца ГМ, м/сут;
- значение коэффициентов фильтрации после испытания в установке по кольматации, м/сут;
- фамилия, имя, отчество и подпись лица, проводившего испытания;
- фамилия, имя, отчество и подпись лица, ответственного за испытания.
13 Контроль точности результатов испытаний
13.1 Точность результатов испытаний обеспечивают:
- соблюдением требований настоящего документа;
- проведением периодической оценки метрологических характеристик средств измерений;
- проведением периодической аттестации оборудования.
13.2 Специалисты, проводящие испытания, должны быть ознакомлены с требованиями настоящего документа.
|
Руководитель разработки:
Зам. генерального директора
ООО "Мегатех инжиниринг"
по НИР
|
____________ А.Ю. Баранов
(подпись)
|