Приказ от 19.12.2018 г. № 1185 (11.08.2023) ОБ УТВЕРЖДЕНИИ ТРЕБОВАНИЙ ПО ПЛАВКЕ ГОЛОЛЕДА НА ПРОВОДАХ И ГРОЗОЗАЩИТНЫХ ТРОСАХ ЛИНИЙ ЭЛЕКТРОПЕРЕДАЧИ
Зарегистрировано в Минюсте России 22 января 2019 г. N 53476
МИНИСТЕРСТВО ЭНЕРГЕТИКИ РОССИЙСКОЙ ФЕДЕРАЦИИ
ПРИКАЗ
от 19 декабря 2018 г. N 1185
ОБ УТВЕРЖДЕНИИ ТРЕБОВАНИЙ ПО ПЛАВКЕ ГОЛОЛЕДА НА ПРОВОДАХ И ГРОЗОЗАЩИТНЫХ ТРОСАХ ЛИНИЙ ЭЛЕКТРОПЕРЕДАЧИ
С изменениями:
(в ред. Приказа Минэнерго России от 11.08.2023 N 629)
В соответствии с пунктом 2 статьи 28 Федерального закона от 26 марта 2003 г. N 35-ФЗ "Об электроэнергетике" (Собрание законодательства Российской Федерации, 2003, N 13, ст. 1177; 2018, N 31, ст. 4861), пунктом 1 постановления Правительства Российской Федерации от 2 марта 2017 г. N 244 "О совершенствовании требований к обеспечению надежности и безопасности электроэнергетических систем и объектов электроэнергетики и внесении изменений в некоторые акты Правительства Российской Федерации" (Собрание законодательства Российской Федерации, 2017, N 11, ст. 1562; 2018, N 34, ст. 5483) и подпунктом "б" пункта 2 постановления Правительства Российской Федерации от 13 августа 2018 г. N 937 "Об утверждении Правил технологического функционирования электроэнергетических систем и о внесении изменений в некоторые акты Правительства Российской Федерации" (Собрание законодательства Российской Федерации, 2018, N 34, ст. 5483; N 51, ст. 8007) приказываю:
1. Утвердить прилагаемые требования по плавке гололеда на проводах и грозозащитных тросах линий электропередачи.
2. Настоящий приказ вступает в силу по истечении трех месяцев со дня его официального опубликования.
Министр
А.В.НОВАК
Утверждены
приказом Минэнерго России
от 19.12.2018 N 1185
ТРЕБОВАНИЯ ПО ПЛАВКЕ ГОЛОЛЕДА НА ПРОВОДАХ И ГРОЗОЗАЩИТНЫХ ТРОСАХ ЛИНИЙ ЭЛЕКТРОПЕРЕДАЧИ
I. Общие положения
1. Настоящие требования по плавке гололеда на проводах и грозозащитных тросах линий электропередачи (далее - требования) устанавливают требования к организации и проведению плавки всех типов гололедно-изморозевых отложений (далее - гололед) на проводах и грозозащитных тросах воздушных линий электропередачи и отдельных их участков, воздушных участков кабельно-воздушных линий электропередачи (далее совместно именуются ЛЭП) классом напряжения 6 кВ и выше, в том числе требования к разработке и согласованию инструкций по плавке гололеда, определению схем и методов плавки гололеда, проведению мероприятий по подготовке схем плавки гололеда (далее - СПГ) и проведению пробных плавок, разработке и согласованию программ плавки гололеда (далее - ППГ), организации контроля за гололедообразованием на проводах и грозозащитных тросах ЛЭП.
Требования должны выполняться при проектировании схем плавки гололеда на вновь строящихся и реконструируемых ЛЭП, организации и осуществлении плавки гололеда на ЛЭП, находящихся в эксплуатации.
2. Положения требований обязательны для выполнения:
собственниками и иными законными владельцами ЛЭП (далее - эксплуатирующие организации) классом напряжения 6 кВ и выше;
собственниками и иными законными владельцами других объектов электроэнергетики, оборудование которых задействовано (будет задействовано) в СПГ (далее - организации, оборудование которых задействовано в СПГ);
организациями, осуществляющими проектирование ЛЭП классом напряжения 6 кВ и выше и других объектов электроэнергетики;
системным оператором и субъектами оперативно-диспетчерского управления в электроэнергетике в технологически изолированных территориальных электроэнергетических системах (далее - субъект оперативно-диспетчерского управления).
3. В требованиях используются термины и определения в значениях, установленных законодательством Российской Федерации об электроэнергетике, а также термины и определения, указанные в приложении N 1 к требованиям.
II. Условия организации плавки гололеда на проводах и грозозащитных тросах ЛЭП
4. Основанием для принятия решения о необходимости организации плавки гололеда на проводах и грозозащитных тросах ЛЭП или реализации мероприятий по повышению надежности работы ЛЭП в условиях гололедообразования, указанных в пунктах 8 и 10 требований, являются:
для строящихся ЛЭП классом напряжения 110 кВ и выше - карты районирования по гололеду;
для ЛЭП классом напряжения 110 кВ и выше, находящихся в эксплуатации, - карты районирования по гололеду и данные о фактическом гололедообразовании на ЛЭП, указанные в пункте 10 требований.
Учет данных о фактическом гололедообразовании на ЛЭП должен осуществляться в соответствии с пунктом 67 требований.
5. Карты районирования по гололеду должны разрабатываться эксплуатирующими организациями, владеющими на праве собственности или ином законном основании ЛЭП классом напряжения 110 кВ и выше.
Карты районирования по гололеду должны актуализироваться указанными эксплуатирующими организациями с периодичностью не реже 1 раза в 10 лет.
При разработке (актуализации) карт районирования по гололеду районирование по гололеду должно осуществляться по максимальной толщине стенки отложения гололеда цилиндрической формы при плотности 0,9 г/см3 на проводе диаметром 10 мм, расположенном на высоте 10 м над поверхностью земли (нормативная толщина стенки гололеда), повторяемостью 1 раз в 25 лет, определяемой в соответствии с приложением N 2 к требованиям.
6. Эксплуатирующие организации, указанные в пункте 5 требований, должны представлять разработанные (актуализированные) карты районирования по гололеду или сведения о каждом районе по гололеду по трассе прохождения ЛЭП с указанием границ соответствующих участков по номерам опор ЛЭП:
в диспетчерские центры субъекта оперативно-диспетчерского управления (далее - диспетчерский центр), в диспетчерском управлении или ведении которых находятся соответствующие ЛЭП, в срок не более 30 календарных дней со дня разработки (актуализации) карт районирования по гололеду, а также по запросу диспетчерского центра в срок не более 30 календарных дней со дня получения запроса;
эксплуатирующим организациям, владеющим на праве собственности или ином законном основании ЛЭП классом напряжения 6 - 35 кВ, расположенными в районах прохождения ЛЭП классом напряжения 110 кВ и выше, принадлежащих указанным в абзаце первом настоящего пункта эксплуатирующим организациям, или организациям, осуществляющим проектирование указанных ЛЭП, по их запросу в срок не более 30 календарных дней со дня получения запроса на основании заключаемого между ними договора, определяющего условия предоставления указанной информации.
7. Плавка гололеда на проводах и грозозащитных тросах строящихся ЛЭП классом напряжения 110 кВ и выше должна организовываться при прохождении трассы ЛЭП в IV гололедном районе и выше за исключением случаев реализации мероприятий, предусмотренных пунктом 8 требований.
Абзац утратил силу. - Приказ Минэнерго России от 11.08.2023 N 629.
8. Организацию плавки гололеда на строящихся ЛЭП и при реконструкции участков ЛЭП классом напряжения 110 кВ и выше, проходящих в IV гололедном районе и выше, допускается не выполнять, если для них приняты технические решения, рассчитанные на нормативную толщину стенки гололеда для следующего по величине гололедного района.
Необходимость выполнения плавки гололеда на строящихся ЛЭП (при реконструкции участков ЛЭП) классом напряжения 110 кВ и выше, проходящих в особом гололедном районе, с реализацией мероприятий, обеспечивающих надежность работы ЛЭП в условиях гололедообразования, должна определяться при разработке проектной документации.
9. Необходимость организации плавки гололеда на строящихся ЛЭП классом напряжения 6 - 35 кВ должна определяться при проектировании на основании технико-экономического расчета с учетом гололедного района, по которому будет проходить трасса ЛЭП (при отсутствии карт районирования по гололеду - по данным инструментальных наблюдений метеорологических станций), и статистических данных об отключении ЛЭП вследствие гололедообразования в районе строительства проектируемой ЛЭП, имеющихся у организации, осуществляющей проектирование такой ЛЭП или выступающей заказчиком разработки проектной документации.
10. Для находящихся в эксплуатации и реконструируемых ЛЭП классом напряжения 110 кВ и выше, на которых отсутствуют СПГ, при возникновении не менее двух фактов отключения ЛЭП за гололедный сезон не менее чем в двух гололедных сезонах за 5 лет из-за воздействия гололеда или гололедообразования на ЛЭП с параметрами гололедообразования, соответствующими IV гололедному району и выше, сетевая организация должна организовать плавку гололеда на проводах и грозозащитных тросах ЛЭП или реализовать мероприятия по повышению надежности работы ЛЭП в условиях гололедообразования, предусматривающие выполнение технических решений, рассчитанных на нормативную толщину стенки гололеда для следующего по величине гололедного района по отношению к гололедному району, определенному на основании наблюдения за гололедообразованием на данной ЛЭП.
Необходимость выполнения плавки гололеда на указанных ЛЭП, проходящих в особом гололедном районе, с реализацией мероприятий, обеспечивающих надежность работы ЛЭП в условиях гололедообразования, должна определяться на основании технико-экономического обоснования, выполняемого эксплуатирующей организацией и подтверждающего техническую обоснованность и экономическую целесообразность принимаемых решений (далее - технико-экономическое обоснование).
11. Для находящихся в эксплуатации ЛЭП классом напряжения 110 кВ и выше, имеющих СПГ, не соответствующие требованиям абзацев второго, третьего и (или) четвертого пункта 39 требований, должны быть выполнены мероприятия по приведению СПГ в соответствие с требованиями в случае выявления эксплуатирующей организацией или субъектом оперативно-диспетчерского управления неэффективности существующей СПГ при выполнении одного из следующих условий:
выявлены не менее двух фактов проведения неуспешной плавки гололеда на ЛЭП в каждом из трех последовательных гололедных сезонов;
количество неуспешных плавок гололеда в течение пяти гололедных сезонов и более составило более 30% от общего количества плавок гололеда на соответствующих ЛЭП, но не менее трех случаев за указанный период.
Для целей требований неэффективной признается СПГ, не соответствующая пункту 39 требований, в том числе не обеспечившая проплавление гололеда, соответствующего максимальному гололедному району, в котором проходит ЛЭП, при температуре воздуха не ниже -5 °C и скорости ветра не более 5 м/с.
Неуспешной признается плавка гололеда, в результате проведения которой гололед на проводах и грозозащитных тросах ЛЭП не проплавлен.
12. Для находящихся в эксплуатации ЛЭП классом напряжения 6 - 35 кВ решение об организации плавки гололеда или о реконструкции (модернизации) СПГ должно приниматься эксплуатирующей организацией на основании данных о фактах отключения ЛЭП за гололедный сезон от воздействия гололеда.
13. Проект организации плавки гололеда на проводах и грозозащитных тросах ЛЭП должен быть согласован эксплуатирующей организацией с организациями, оборудование которых задействовано в СПГ, и с субъектом оперативно-диспетчерского управления, в диспетчерском управлении или ведении которого находятся указанные ЛЭП и оборудование.
При получении от эксплуатирующей организации проекта организации плавки гололеда на проводах и грозозащитных тросах ЛЭП организации, оборудование которых задействовано в СПГ, и субъект оперативно-диспетчерского управления обязаны в течение 20 рабочих дней рассмотреть и согласовать указанный проект либо направить эксплуатирующей организации исчерпывающий перечень замечаний по его доработке.
14. Для строящихся ЛЭП классом напряжения 220 кВ и выше, на которых организуется плавка гололеда, должна быть установлена автоматизированная информационная система контроля гололедообразования (далее - АИСКГ). Для строящихся ЛЭП классом напряжения 110 кВ и ниже необходимость установки АИСКГ и способ контроля за образованием гололеда должны определяться при проектировании на основании технико-экономического расчета с учетом наличия СПГ, а также наличия точек контроля гололедообразования АИСКГ на других ЛЭП в районе прохождения строящейся ЛЭП.
15. Выбор технических решений по способу, схемам и методам плавки гололеда должен осуществляться при проектировании новых СПГ или реконструкции (модернизации) неэффективных СПГ, определенных эксплуатирующей организацией или субъектом оперативно-диспетчерского управления по результатам технико-экономического обоснования, выполненного с учетом положений главы III требований.
III. Требования к определению СПГ и методов плавки гололеда
16. Для плавки гололеда на проводах ЛЭП классом напряжения 220 кВ и выше СПГ должна выполняться на постоянном токе, за исключением случая, указанного в абзаце втором настоящего пункта. Для плавки гололеда на проводах ЛЭП классом напряжения 150 кВ и ниже СПГ должна выполняться на постоянном или переменном токе. Для плавки гололеда на грозозащитных тросах ЛЭП СПГ должна выполняться на постоянном или переменном токе.
Допускается применение плавки гололеда на переменном токе на проводах ЛЭП классом напряжения 220 кВ при технико-экономическом обосновании и применении для плавки гололеда класса напряжения не выше 35 кВ.
Для плавки гололеда на проводах ЛЭП классом напряжения 6 - 10 кВ в качестве источника тока плавки могут применяться резервные источники снабжения электрической энергией на базе дизельных генераторных установок, в том числе с применением преобразователей тока для организации плавки гололеда постоянным током.
17. СПГ должна выбираться на основании результатов расчетов параметров режима плавки гололеда, выполняемых с соблюдением требований, предусмотренных главой V требований.
18. Релейная защита оборудования, входящего в СПГ, должна выполняться с соблюдением требований, предусмотренных главой IV требований.
19. СПГ на проводах ЛЭП постоянным током должна выполняться с использованием схем, указанных в приложении N 3 к требованиям.
20. СПГ на проводах ЛЭП переменным током должна выполняться с использованием схем, указанных в приложении N 4 к требованиям.
21. СПГ на грозозащитных тросах ЛЭП должна выполняться с использованием схем, указанных в приложении N 5 к требованиям.
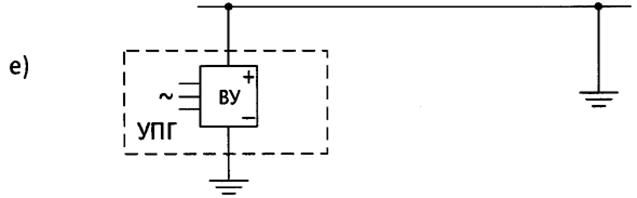
22. В СПГ постоянным током должны применяться управляемые выпрямительные установки (далее - ВУ), за исключением случая, предусмотренного абзацем вторым настоящего пункта.
Допускается применение неуправляемых ВУ в случае, если расчетное значение тока плавки гололеда на ЛЭП, плавка гололеда на которых осуществляется от указанной ВУ, соответствует требованиям пункта 39 требований.
23. В СПГ постоянным током для питания установок плавки гололеда (далее - УПГ) должен устанавливаться отдельный силовой трансформатор, за исключением случая, предусмотренного пунктом 24 требований.
24. Если отключение автотрансформаторов (трансформаторов) от релейной защиты УПГ при их повреждении в период плавки гололеда не приводит к отключению нагрузки потребителей, УПГ может подключаться к обмоткам низшего напряжения автотрансформаторов (трансформаторов).
25. При использовании неуправляемых ВУ в СПГ постоянным током для ограничения аварийных токов при повреждении ВУ должны быть установлены токоограничивающие реакторы на каждый выпрямительный мост (далее - ВМ). Сопротивление токоограничивающего реактора должно выбираться исходя из условия снижения аварийного тока при пробое плеча ВМ или однофазном коротком замыкании (далее - КЗ) на стороне переменного тока ВУ до значения, обеспечивающего безопасное отключение ВУ при расчетном времени отключения выключателя плавки гололеда.
26. При использовании управляемых ВУ в СПГ постоянным током установка реакторов требуется в случае, если величина индуктивного сопротивления силового трансформатора и системы недостаточна для обеспечения нормальной коммутации тиристорных преобразователей ВМ.
27. В СПГ постоянным током одна точка должна быть заземлена. Для СПГ с последовательным включением ВУ должна быть заземлена средняя точка между двумя ВУ. Заземление должно выполнять защитную функцию и не должно быть связано с контуром заземления подстанции.
28. В СПГ постоянным током согласно схемам "в" и "е" приложения N 3 к требованиям каждая из последовательно включенных ВУ должна подключаться к электрически не связанным между собой шинам напряжением 6 - 10 кВ, питающимся от разных трансформаторов (автотрансформаторов) или от разных обмоток трансформаторов с расщепленной обмоткой низкого напряжения.
29. СПГ на грозозащитных тросах должна обеспечивать возможность выполнения плавки гололеда без отключения ЛЭП, защищаемой грозозащитными тросами, на которых осуществляется плавка гололеда.
30. В СПГ на проводах и грозозащитных тросах переменным током с использованием земли в качестве обратного провода согласно схемам "в" - "з" приложения N 4 к требованиям и схемам "а" - "г" приложения N 5 к требованиям должно использоваться отдельное заземление, не связанное с контуром подстанции, за исключением случая, указанного во втором абзаце настоящего пункта.
Контур заземления подстанции может использоваться в СПГ в качестве рабочего заземления, если он обеспечивает термическую стойкость при максимальном токе плавки.
31. В СПГ на грозозащитных тросах постоянным током с использованием земли в качестве обратного провода согласно схемам "е" и "ж" приложения N 5 к требованиям выносное заземление, не связанное с контуром заземления подстанции, должно быть проверено на термическую стойкость при максимальном токе плавки.
IV. Требования к релейной защите СПГ
32. СПГ должны быть оснащены устройствами релейной защиты от всех видов повреждений.
33. В СПГ переменным током на проводах ЛЭП согласно схемам "а" - "и" приложения N 4 к требованиям и грозозащитных тросах ЛЭП согласно схемам "а" - "д" приложения N 5 к требованиям для защиты от междуфазных КЗ и замыканий провода или троса на землю должна применяться токовая отсечка. Настройка токовой отсечки должна выполняться с учетом необходимости отстройки от максимального тока плавки.
34. В СПГ переменным током на проводах и грозозащитных тросах ЛЭП согласно схемам "а" - "и" приложения N 4 к требованиям и схемам "а" - "д" приложения N 5 к требованиям для защиты от обрыва провода или троса без КЗ или с замыканием на землю через большое переходное сопротивление должна применяться минимальная токовая защита. Настройка минимальной токовой защиты должна выполняться с учетом необходимости отстройки от минимального тока плавки.
35. В СПГ переменным током на проводах ЛЭП по схеме встречного включения фаз согласно схеме "к" приложения N 4 к требованиям на обоих концах ЛЭП должны применяться следующие виды защит:
двухступенчатая направленная дистанционная защита от междуфазных КЗ в случае, если токовая защита от междуфазных КЗ не обеспечивает требуемой чувствительности;
двухступенчатая токовая защита от междуфазных КЗ и замыкании провода на землю;
одноступенчатая токовая защита нулевой последовательности от замыкания провода на землю.
36. В СПГ постоянным током на проводах и грозозащитных тросах ЛЭП согласно схемам "а" - "е" приложения N 3 к требованиям и схемам "е" - "з" приложения N 5 к требованиям в состав устройств релейной защиты должны входить следующие устройства:
токовая отсечка на стороне переменного напряжения ВУ, которая действует на отключение выключателя УПГ при междуфазных КЗ и замыканиях провода или троса на землю. Настройка токовой отсечки должна выполняться с учетом необходимости отстройки от начального тока плавки при минимальной температуре провода;
релейная защита от КЗ на землю, устанавливаемая в цепи защитного заземления полюса ВУ, которая действует на отключение выключателя УПГ при замыканиях провода или троса на землю;
минимальная токовая защита, которая действует на отключение выключателя УПГ при обрыве провода или троса без КЗ или с замыканием на землю через большое переходное сопротивление, а также при отключении второй УПГ, если для плавки гололеда используются две УПГ по концам ЛЭП согласно схемам "б" и "д" приложения N 3 к требованиям. Настройка минимальной токовой защиты должна выполняться с учетом необходимости отстройки от минимального тока плавки при максимальной температуре провода;
релейная защита от пробоя плеча ВУ, которая должна селективно выявлять пробой плеча ВУ. Функции защиты от пробоя плеча и внутренних неисправностей управляемой ВУ должны выполняться системой управления тиристорами ВМ. Данная защита должна действовать на отключение поврежденной ВУ - для неуправляемой ВУ выключатели на высшей стороне силового трансформатора (автотрансформатора), питающего ВУ, для управляемой ВУ выключателем с низшей стороны трансформатора (автотрансформатора), питающего ВУ, после закрытия тиристоров ВМ с помощью системы управления тиристорами.
37. В СПГ постоянным током на стороне переменного напряжения УПГ с низшей стороны трансформатора (автотрансформатора), питающего ВУ, должны быть установлены трансформаторы тока с зазором (разрезным магнитопроводом) для отстройки от апериодической составляющей тока в аварийном режиме.
V. Проведение расчетов параметров режима плавки гололеда
38. При проведении расчетов режимов плавки гололеда на проводах и грозозащитных тросах ЛЭП должны быть определены следующие параметры режима плавки гололеда при заданных погодных условиях:
значение тока плавки гололеда;
значение максимально допустимого тока плавки;
длительность плавки гололеда;
уровни напряжения в прилегающей сети при плавке гололеда.
39. Значение тока плавки гололеда должно соответствовать следующим требованиям:
быть достаточным для проплавления гололеда за время не более 60 минут на участке с проводом (грозозащитным тросом) наибольшего сечения. Для СПГ, выполняемой в несколько циклов на трех фазах ЛЭП согласно схемам "а" - "е" приложения N 3 к требованиям и схемам "б" - "г" приложения N 4 к требованиям, время одного цикла не должно превышать 60 минут;
не превышать значения максимально допустимого тока плавки на участке с проводом (грозозащитным тросом) наименьшего сечения;
не превышать значения допустимых токов для оборудования, задействованного в контуре плавки гололеда, с учетом допустимых на время плавки гололеда перегрузок в соответствии с рекомендациями заводов-изготовителей.
Для СПГ, введенных в эксплуатацию до вступления в силу требований, допускается кратковременное превышение максимально допустимого значения тока плавки на время, не превышающее расчетное время достижения значения допустимой температуры провода в аварийном режиме, которое должно быть указано в ППГ для соответствующей СПГ.
40. Значение максимально допустимого тока плавки для провода (грозозащитного троса) должно рассчитываться с учетом возможного отсутствия на данном участке гололеда для заданных погодных условий исходя из допустимой температуры провода (грозозащитного троса) в аварийном режиме.
41. При последовательном включении в СПГ участков линии с проводами разного типа и (или) сечения ток плавки должен рассчитываться исходя из допустимого тока провода с минимальным сечением.
42. Уровни напряжения в прилегающей сети при плавке гололеда не должны выходить за минимально допустимые значения.
43. При расчете уровней напряжения в прилегающей сети при плавке гололеда постоянным током должна учитываться полная мощность плавки гололеда с учетом потребления реактивной мощности УПГ.
44. Расчет параметров режима плавки гололеда при проектировании СПГ и составлении ППГ должен выполняться минимум для двух значений расчетных погодных условий:
наихудшие условия охлаждения провода (грозозащитного троса): температура воздуха 0 °C, скорость ветра 2 м/с вдоль провода;
нормальные условия охлаждения провода (грозозащитного троса): температура воздуха -5 °C, скорость ветра 5 м/с поперек провода.
45. Расчет длительности плавки гололеда при проектировании СПГ и составлении ППГ должен выполняться исходя из величины расчетной толщины стенки гололеда, принимаемой по максимальному гололедному району, по которому проходит ЛЭП, согласно приложению N 2 к требованиям, умноженной на коэффициент 0,4, а также на коэффициент, учитывающий изменение толщины стенки гололеда в зависимости от диаметра провода (грозозащитного троса), указанный в приложении N 6 к требованиям.
46. При расчете тока плавки гололеда постоянным током на проводах и грозозащитных тросах ЛЭП с использованием неуправляемых ВУ при проектировании СПГ и составлении ППГ должно учитываться его изменение в зависимости от длины участка ЛЭП, покрытого гололедом.
Для наихудших условий охлаждения провода (грозозащитного троса) длина гололедного участка должна приниматься равной длине участка ЛЭП, проходящего в IV гололедном районе и выше, или 90% от длины ЛЭП, если вся ЛЭП проходит в IV гололедном районе и выше.
Для нормальных условий охлаждения провода (грозозащитного троса) длина гололедного участка должна приниматься равной 10% от длины ЛЭП.
Температура провода на участке, покрытом гололедом, должна приниматься равной 2 °C, а на участке без гололеда должна рассчитываться исходя из расчетных погодных условий.
47. Ток плавки гололеда постоянным током на проводах и грозозащитных тросах ЛЭП с использованием управляемых ВУ, работающих в режиме источника тока, должен рассчитываться при заданных расчетных погодных условиях исходя из необходимости отстройки тока плавки от максимально допустимого тока плавки, величина тока должна быть не более 80% от максимально допустимого тока плавки.
48. При расчете режимов плавки гололеда во время проведения плавки расчетные погодные условия должны определяться по данным наблюдений непосредственно на ЛЭП, а также по данным АИСКГ или метеопостов при их наличии.
VI. Требования к разработке инструкций и ППГ
49. Организация и осуществление плавки гололеда в отношении находящихся в эксплуатации ЛЭП должны выполняться в соответствии с инструкцией по предупреждению возникновения гололеда и осуществлению плавки гололеда на проводах и грозозащитных тросах ЛЭП (далее - инструкция).
50. Диспетчерские центры, в операционной зоне которых предусмотрена плавка гололеда на ЛЭП, отнесенных к объектам диспетчеризации этих диспетчерских центров, должны разрабатывать и утверждать инструкции для своих операционных зон в соответствии с положениями требований. В случае, если ЛЭП отнесена к объектам диспетчеризации нескольких диспетчерских центров, распределение функций по разработке инструкций между диспетчерскими центрами определяется субъектом оперативно-диспетчерского управления в электроэнергетике.
Инструкции диспетчерских центров должны быть направлены эксплуатирующим организациям, владеющим на праве собственности или ином законном основании ЛЭП, отнесенными к объектам диспетчеризации, и организациям, оборудование которых задействовано в СПГ на проводах и грозозащитных тросах таких ЛЭП.
51. Инструкция диспетчерского центра должна содержать:
данные о гололедных районах в операционной зоне диспетчерского центра;
информацию о климатических условиях, характерных для операционной зоны диспетчерского центра, в том числе сроки начала и окончания периодов гололедообразования (гололедного сезона) в операционной зоне диспетчерского центра;
сроки окончания пробных плавок гололеда на проводах и грозозащитных тросах ЛЭП, являющихся объектами диспетчеризации диспетчерского центра;
СПГ на проводах и грозозащитных тросах ЛЭП, являющихся объектами диспетчеризации диспетчерского центра;
допустимые величины тока плавки гололеда с учетом возможных перегрузок по величине и длительности, предусмотренных абзацем пятым настоящего пункта - для оборудования СПГ;
очередность (приоритет) плавки гололеда для ЛЭП, принадлежащих разным эксплуатирующим организациям, осуществляемой с одного объекта электроэнергетики (одной УПГ), или если в СПГ для различных ЛЭП задействованы одни и те же объекты электросетевого хозяйства разных эксплуатирующих организаций;
особенности режима работы энергосистемы (энергорайона) при проведении плавки гололеда.
Приложением к инструкции диспетчерского центра должен быть перечень ЛЭП, входящих в операционную зону диспетчерского центра и являющихся его объектами диспетчеризации, на проводах и грозозащитных тросах которых осуществляется плавка гололеда. В указанном перечне для каждой ЛЭП должны быть указаны:
диспетчерский центр или субъект электроэнергетики, осуществляющий координацию переключений для плавки гололеда по ППГ на проводах и грозозащитных тросах ЛЭП;
диспетчерские центры и субъекты электроэнергетики, согласующие ППГ на проводах и грозозащитных тросах ЛЭП.
диспетчерский центр, в который эксплуатирующая организация направляет ППГ для согласования;
диспетчерский центр, в который эксплуатирующая организация направляет информацию о погодных условиях и параметрах гололедообразования на ЛЭП.
52. Эксплуатирующие организации (их филиалы), на ЛЭП которых предусмотрена плавка гололеда, должны разработать и утвердить инструкцию для эксплуатируемых ими ЛЭП в соответствии с положениями требований, а также с учетом требований инструкций диспетчерских центров, в диспетчерском управлении или ведении которых находятся данные ЛЭП.
Инструкция эксплуатирующей организации до утверждения должна быть согласована с определенными субъектом оперативно-диспетчерского управления в электроэнергетике диспетчерскими центрами, в диспетчерском управлении или ведении которых находятся принадлежащие ей ЛЭП. При получении от эксплуатирующей организации (ее филиала) проекта разработанной инструкции диспетчерский центр должен в течение 15 рабочих дней рассмотреть и согласовать проект инструкции или направить эксплуатирующей организации исчерпывающий перечень замечаний по рассматриваемому проекту инструкции.
53. Инструкция эксплуатирующей организации должна содержать:
данные о гололедных районах для трасс ЛЭП, на которых осуществляется плавка гололеда;
информацию о климатических условиях, характерных для территории прохождения ЛЭП, в том числе сроки начала и окончания периода гололедообразования (гололедного сезона) на ЛЭП;
сроки окончания пробных плавок гололеда на проводах и грозозащитных тросах ЛЭП;
СПГ на проводах и грозозащитных тросах ЛЭП;
допустимые величины тока плавки гололеда с учетом возможных перегрузок по величине и длительности для оборудования СПГ;
порядок проведения пробных плавок гололеда;
очередность (приоритет) плавки гололеда на ЛЭП разных классов напряжения при одновременном гололедообразовании на них;
мероприятия, выполняемые перед началом гололедного сезона;
порядок организации контроля за гололедообразованием, в том числе перечень участков ЛЭП, подверженных частому обледенению, по которым можно оценивать опасность гололедообразования;
мероприятия по подготовке и проведению плавок гололеда на проводах и грозозащитных тросах ЛЭП;
порядок организации связи с персоналом, осуществляющим контроль опадания гололеда, порядок действий при пропадании связи;
требования по эксплуатации системы АИСКГ (при наличии);
сведения о наличии и способах контроля температуры провода или грозозащитного троса (в том числе со встроенным оптоволокном) на ЛЭП.
54. Для ЛЭП, на проводах или грозозащитных тросах которых предусмотрена плавка гололеда, эксплуатирующими организациями должны разрабатываться и утверждаться ППГ на проводах и грозозащитных тросах ЛЭП.
55. Проект ППГ на проводах и грозозащитных тросах ЛЭП должен быть направлен на согласование субъектам электроэнергетики (потребителям электрической энергии), оборудование объектов электроэнергетики которых задействовано в операциях по производству переключений для осуществления плавки гололеда на проводах и грозозащитных тросах ЛЭП. При получении от эксплуатирующей организации проекта ППГ указанные субъекты электроэнергетики (потребители электрической энергии) должны в течение 10 рабочих дней рассмотреть и согласовать проект ППГ или направить эксплуатирующей организации исчерпывающий перечень замечаний по рассматриваемому проекту ППГ.
56. Проект ППГ на проводах и грозозащитных тросах ЛЭП, отнесенных к объектам диспетчеризации, должен быть направлен на согласование в диспетчерский центр, определяемый в соответствии с инструкцией, указанной в пункте 51 требований. При получении от эксплуатирующей организации проекта ППГ диспетчерские центры должны в течение 10 рабочих дней рассмотреть и согласовать проект ППГ или направить эксплуатирующей организации исчерпывающий перечень замечаний по рассматриваемому проекту ППГ.
57. ППГ должны пересматриваться эксплуатирующими организациями при изменении СПГ, замене оборудования, входящего в СПГ.
58. В ППГ должны использоваться диспетчерские наименования ЛЭП, оборудования, устройств, коммутационных аппаратов, заземляющих разъединителей.
59. В ППГ должны быть определены:
перечень объектов электроэнергетики, участвующих в подготовке СПГ и проведении плавки гололеда (подстанции, электростанции, участки ЛЭП, если плавка гололеда осуществляется по участкам);
СПГ, расчетные параметры режима плавки гололеда (расчетные ток плавки, максимально допустимый ток плавки, напряжение на шинах плавки, время плавки гололеда, расчетные условия плавки гололеда, определяемые в соответствии с главой V требований, количество циклов плавки гололеда);
схема электрической сети и иные условия, при которых возможно применение ППГ (ЛЭП, оборудование и устройства, которые должны быть в работе (резерве);
порядок подтверждения готовности эксплуатирующей организации и субъектов электроэнергетики (потребителей электрической энергии), оборудование объектов электроэнергетики которых задействовано в СПГ, к выполнению переключений по подготовке СПГ, проведению плавки гололеда (наличие и готовность оперативного персонала) и к осуществлению контроля за плавкой гололеда;
последовательность переключений для осуществления плавки гололеда (подготовка СПГ, выполнение плавки гололеда, восстановление нормальной схемы сети после окончания плавки гололеда);
порядок передачи сообщения о начале и окончании плавки гололеда, параметрах режима плавки гололеда, погодных условиях и параметрах гололеда;
диспетчерский или оперативный персонал, осуществляющий координацию переключений для плавки гололеда по ППГ, персонал, участвующий в переключениях для осуществления плавки гололеда и контролирующий процесс опадания гололеда.
60. Приложениями к ППГ должны являться следующие документы, представленные в графической форме:
СПГ с отображением всех ЛЭП, оборудования, участвующих в СПГ, с указанием действительного на момент начала плавки гололеда положения коммутационных аппаратов и заземляющих разъединителей, мест установки заземлений;
схема организации работ по плавке гололеда с указанием прохождения команд по производству переключений и сообщений о подготовке, начале и окончании плавки гололеда.
61. ППГ должна содержать ссылки на программы (типовые программы) переключений по выводу из работы и вводу в работу ЛЭП для осуществления плавки гололеда, разрабатываемые диспетчерским центром для ЛЭП, находящихся в его диспетчерском управлении, или центром управления сетями сетевой организации для ЛЭП, находящихся в его технологическом управлении.
62. На основе ППГ для оперативного персонала каждого объекта электроэнергетики, оборудование которого участвует в СПГ, в целях выполнения переключений по подготовке СПГ, выполнению плавки гололеда и восстановлению исходной схемы объектов электроэнергетики должны разрабатываться бланки (типовые бланки) переключений в соответствии с главой IV Правил переключений в электроустановках, утвержденных приказом Минэнерго России от 13 сентября 2018 г. N 757 <1>.
--------------------------------
<1> Зарегистрирован Минюстом России 22 ноября 2018 г., регистрационный N 52754, с изменениями, внесенными приказами Минэнерго России от 23 июня 2022 г. N 582 (зарегистрирован Минюстом России 29 июля 2022 г., регистрационный N 69462), от 12 августа 2022 г. N 811 (зарегистрирован Минюстом России 7 октября 2022 г., регистрационный N 70433), от 4 октября 2022 г. N 1070 (зарегистрирован Минюстом России 6 декабря 2022 г., регистрационный N 71384).
VII. Подготовка и проведение плавки гололеда
63. Перед началом гололедного сезона эксплуатирующей организацией должны быть выполнены следующие организационно-технические мероприятия:
разработаны графики проведения пробных плавок гололеда на проводах и грозозащитных тросах ЛЭП;
проведены инструктажи персонала, осуществляющего координацию переключений для плавки гололеда по ППГ, участвующего в переключениях для осуществления плавки гололеда и наблюдениях за гололедообразованием, в тематику которых включены вопросы по подготовке и осуществлению плавки гололеда, и учебные противоаварийные тренировки (для диспетчерского, оперативного и оперативно-ремонтного персонала);
проверена исправность АИСКГ;
проведены пробные плавки гололеда для разработанных или реконструированных (модернизированных) СПГ на проводах ЛЭП;
проведены пробные плавки гололеда на всех грозозащитных тросах ЛЭП;
опробованы под нагрузкой все УПГ постоянным током для одной из СПГ (ежегодно разные СПГ для разных ЛЭП);
опробованы под нагрузкой все трансформаторы (фазы трансформаторов) плавки гололеда для одной из СПГ с наибольшим током плавки гололеда на проводах ЛЭП (для трансформаторов, которые в нормальном режиме находятся без напряжения).
64. Графики проведения пробных плавок гололеда на ЛЭП, отнесенных к объектам диспетчеризации, должны быть согласованы с диспетчерскими центрами. При получении от эксплуатирующей организации проекта графика проведения пробных плавок гололеда на ЛЭП диспетчерский центр должен в течение 15 рабочих дней рассмотреть и согласовать его или направить эксплуатирующей организации исчерпывающий перечень замечаний по рассматриваемому проекту.
65. Эксплуатирующая организация должна учитывать проведение пробных плавок гололеда на проводах и грозозащитных тросах ЛЭП в предложениях по включению ЛЭП и электросетевого оборудования, отнесенных к объектам диспетчеризации, в сводный месячный график ремонтов, направляемых в диспетчерские центры, в диспетчерском управлении или ведении которых находятся указанные ЛЭП и электросетевое оборудование.
66. Разземление глухозаземленных грозозащитных тросов ЛЭП перед началом гололедного сезона для проведения пробных плавок гололеда на них должно проводиться после окончания периода интенсивной грозовой активности (по данным метеорологических служб) по решению технического руководителя эксплуатирующей организации (ее соответствующего филиала).
67. Эксплуатирующая организация должна вести статистику гололедообразования по каждой ЛЭП и учет проведенных плавок с фиксацией информации о параметрах плавки гололеда (ток и напряжение плавки, продолжительность плавки) и следующих параметрах гололедообразования на проводах и грозозащитных тросах ЛЭП:
места образования выявленных гололедно-изморозевых отложений, размеры, толщина стенки, плотность и вид гололедно-изморозевых отложений, скорость ветра и температура окружающего воздуха в местах их образования - в отношении ЛЭП, не оснащенных автоматизированной системой мониторинга гололедообразования;
весовая нагрузка отложений, а также имеющаяся информация о скорости ветра, температуре и влажности окружающего воздуха в местах установки датчиков мониторинга гололедообразования - в отношении ЛЭП, оснащенных автоматизированной системой мониторинга гололедообразования.
Информация о параметрах гололедообразования должна передаваться в диспетчерский центр, определяемый в соответствии с инструкцией, указанной в пункте 51 требований, в соответствии с Правилами предоставления информации, необходимой для осуществления оперативно-диспетчерского управления в электроэнергетике, утвержденными приказом Минэнерго России от 20 декабря 2022 г. N 1340 <2>.
--------------------------------
<2> Зарегистрирован Минюстом России 16 марта 2023 г., регистрационный N 72599.
68. Эксплуатирующая организация должна осуществлять контроль за гололедообразованием. В указанных целях эксплуатирующей организацией в инструкции должны быть определены участки ЛЭП, подверженные частому обледенению, по которым можно оценивать опасность гололедообразования.
Контроль должен осуществляться одним из следующих способов:
непосредственно на ЛЭП;
на специально смонтированных гололедных постах;
на метеопостах, с использованием специальных АИСКГ.
69. Решение о необходимости проведения плавки гололеда должно приниматься эксплуатирующей организацией.
70. Включение разъединителя и выключателя плавки гололеда, закорачивающего разъединителя плавки гололеда должно выполняться по команде диспетчерского или оперативного персонала, осуществляющего координацию переключений для плавки гололеда по ППГ.
71. Переключения для плавки гололеда на грозозащитных тросах ЛЭП, относящихся к объектам диспетчеризации, должны осуществляться с разрешения диспетчерского центра, в ведении которого находятся указанные ЛЭП.
72. Во избежание схлестывания проводов и грозозащитных тросов ЛЭП, покрытых гололедом, плавка гололеда на грозозащитных тросах ЛЭП должна производиться в первую очередь.
73. Решение об очередности плавки гололеда на проводах и грозозащитных тросах нескольких ЛЭП, принадлежащих одной эксплуатирующей организации, осуществляемой от одной УПГ, должен принимать технический руководитель эксплуатирующей организации (для ЛЭП, относящихся к объектам диспетчеризации, - по согласованию с диспетчерским центром).
74. Решение об очередности плавки гололеда на проводах и грозозащитных тросах нескольких ЛЭП, принадлежащих разным эксплуатирующим организациям, осуществляемой от одной УПГ, или если в СПГ для различных ЛЭП задействованы одни и те же объекты электросетевого хозяйства, принадлежащие разным эксплуатирующим организациям, должен принимать диспетчерский центр, в операционной зоне которого расположен объект электроэнергетики с УПГ.
75. Трансформаторы напряжения, установленные на шинах, к которым подключена УПГ постоянным током, должны быть выведены из работы на время проведения плавки гололеда.
76. Информация о начале плавки гололеда, токе плавки и напряжении должна быть доведена до диспетчерского (оперативного) персонала, осуществляющего координацию переключений в электроустановках для проведения плавки гололеда.
77. При исчезновении или резких изменениях тока плавки гололеда плавка гололеда на проводах или грозозащитных тросах ЛЭП должна быть прекращена.
78. При осуществлении плавки гололеда эксплуатирующей организацией должен осуществляться контроль тока плавки, напряжения источника плавки, времени плавки, температуры окружающей среды и (при наличии соответствующих приборов) температуры провода (грозозащитного троса).
79. Информация о прекращении плавки из-за опадания гололеда должна сообщаться оперативному персоналу объекта электроэнергетики, на котором расположен выключатель плавки гололеда. При отсутствии связи с персоналом, осуществляющим наблюдение за плавкой гололеда, выключатель плавки гололеда должен отключаться оперативным персоналом объекта электроэнергетики самостоятельно по истечении расчетного времени плавки гололеда.
80. Если по истечении расчетного времени плавки гололеда гололед не проплавлен, то момент прекращения плавки гололеда должен быть определен эксплуатирующей организацией. Эксплуатирующая организация должна проводить анализ причин отклонений расчетного и фактического времени плавки гололеда, в том числе отклонения тока плавки гололеда, и с учетом его результатов принимать решение о необходимости разработки новой СПГ.
Приложение N 1
к требованиям по плавке гололеда
на проводах и грозозащитных тросах
линий электропередачи
ТЕРМИНЫ И ОПРЕДЕЛЕНИЯ, ИСПОЛЬЗУЕМЫЕ В ТРЕБОВАНИЯХ ПО ПЛАВКЕ ГОЛОЛЕДА НА ПРОВОДАХ И ГРОЗОЗАЩИТНЫХ ТРОСАХ ЛИНИЙ ЭЛЕКТРОПЕРЕДАЧИ
Выпрямительная установка - установка, состоящая из одного или нескольких параллельно включенных выпрямительных мостов;
выпрямительный мост - управляемый или неуправляемый выпрямительный преобразователь переменного трехфазного тока в постоянный ток;
гололедный сезон - период гололедообразования на проводах и грозозащитных тросах линий электропередачи, характеризуемый низкими температурами окружающего воздуха с переходом величины температуры через нулевое значение, определяемый для территории прохождения линии электропередачи с учетом климатических условий, характерных для такой территории, в том числе начала и окончания грозового периода;
программа плавки гололеда - документ, применяемый диспетчерским персоналом диспетчерского центра субъекта оперативно-диспетчерского управления в электроэнергетике и (или) оперативным персоналом центра управления сетями сетевой организации, в котором указана последовательность операций при производстве переключений для осуществления плавки гололеда на проводах и грозозащитных тросах линий электропередачи;
схема плавки гололеда - совокупность устройств, оборудования, коммутационных аппаратов, используемых при проведении плавки гололеда за один или несколько циклов, а также провода и грозозащитные тросы обогреваемой линии электропередачи;
установка плавки гололеда - оборудование (выделенные для плавки гололеда генераторы и трансформаторы, выпрямительная установка, ошиновка) и коммутационные аппараты, расположенные в пределах одного объекта электроэнергетики, с помощью которых подается ток плавки гололеда на обогреваемые провода и грозозащитные тросы линий электропередачи.
Приложение N 2
к требованиям по плавке гололеда
на проводах и грозозащитных тросах
линий электропередачи
НОРМАТИВНАЯ ТОЛЩИНА СТЕНКИ ГОЛОЛЕДА ДЛЯ РАЗЛИЧНЫХ ГОЛОЛЕДНЫХ РАЙОНОВ
|  
         Гололедный район  |   
         Нормативная толщина стенки гололеда, мм  | 
|  
         I  |   
         10  | 
|  
         II  |   
         15  | 
|  
         III  |   
         20  | 
|  
         IV  |   
         25  | 
|  
         V  |   
         30  | 
|  
         VI  |   
         35  | 
|  
         VII  |   
         40  | 
|  
         Особый  |   
         Более 40  | 
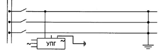
Приложение N 3
к требованиям по плавке гололеда
на проводах и грозозащитных тросах
линий электропередачи
СХЕМЫ ПЛАВКИ ГОЛОЛЕДА НА ПРОВОДАХ ЛИНИЙ ЭЛЕКТРОПЕРЕДАЧИ ПОСТОЯННЫМ ТОКОМ
а)
б) 
в)
г)
д) 
е)
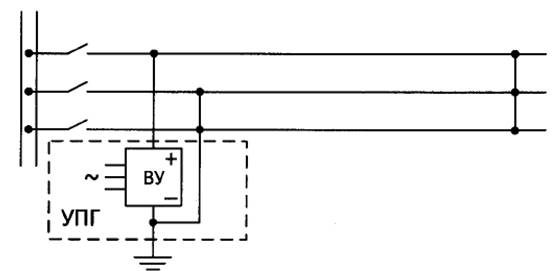
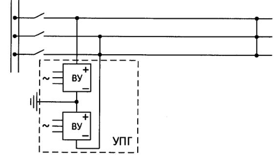
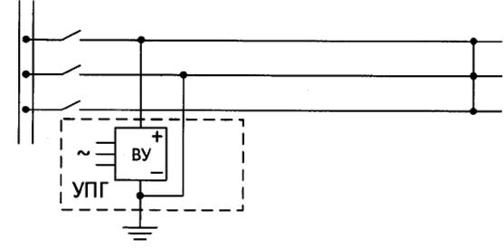
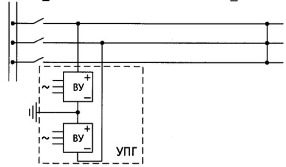
а) фаза - две фазы одной выпрямительной установки (далее - ВУ) на одной подстанции (далее - ПС);
б) фаза - две фазы двумя ВУ на двух ПС;
в) фаза - две фазы двумя ВУ на одной ПС;
г) фаза - фаза одной ВУ на одной ПС;
д) фаза - фаза двумя ВУ на двух ПС;
е) фаза - фаза двумя ВУ на одной ПС.
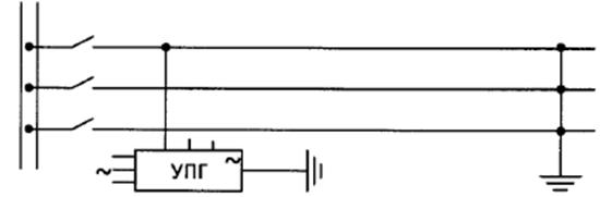
Приложение N 4
к требованиям по плавке гололеда
на проводах и грозозащитных тросах
линий электропередачи
СХЕМЫ ПЛАВКИ ГОЛОЛЕДА НА ПРОВОДАХ ЛИНИЙ ЭЛЕКТРОПЕРЕДАЧИ ПЕРЕМЕННЫМ ТОКОМ
а)
б)
в)
г)
д)
е)
ж)
з)
и)
к)
а) трехфазное короткое замыкание (далее - КЗ);
б) двухфазное КЗ;
в) однофазное КЗ (фаза-земля) на линейном напряжении;
г) однофазное КЗ (фаза-земля) на фазном напряжении;
д) КЗ трех фаз на землю (3 фазы-земля) на линейном напряжении;
е) КЗ трех фаз на землю (3 фазы-земля) на фазном напряжении;
ж) однофазное КЗ с последовательным соединением проводов трех фаз (змейка) на линейном напряжении;
з) однофазное КЗ с последовательным соединением проводов трех фаз (змейка) на фазном напряжении;
и) трехфазное КЗ на номинальном напряжении подстанции;
к) встречное включение фаз.
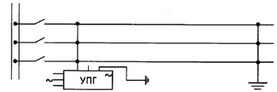
Приложение N 5
к требованиям по плавке гололеда
на проводах и грозозащитных тросах
линий электропередачи
Схемы плавки гололеда на грозозащитных тросах линий электропередачи переменным током





а) трос-земля на линейном напряжении;
б) трос-земля на фазном напряжении;
в) два троса-земля на линейном напряжении;
г) два троса-земля на фазном напряжении;
д) трос-трос;
Схемы плавки гололеда на грозозащитных тросах линий электропередачи постоянным током



е) трос-земля;
ж) два троса-земля;
з) трос-трос.
Приложение N 6
к требованиям по плавке гололеда
на проводах и грозозащитных тросах
линий электропередачи
КОЭФФИЦИЕНТ, УЧИТЫВАЮЩИЙ ИЗМЕНЕНИЕ ТОЛЩИНЫ СТЕНКИ ГОЛОЛЕДА В ЗАВИСИМОСТИ ОТ ДИАМЕТРА ПРОВОДА (ГРОЗОЗАЩИТНОГО ТРОСА)
|  
         Диаметр провода (грозозащитного троса), мм  |   
         Коэффициент, учитывающий изменение толщины стенки гололеда в зависимости от диаметра провода (грозозащитного троса)  | 
|  
         10  |   
         1,0  | 
|  
         20  |   
         0,9  | 
|  
         30  |   
         0,8  | 
|  
         50  |   
         0,7  | 
|  
         70  |   
         0,6  | 


