СП 297.1325800.2017 (16.12.2022) КОНСТРУКЦИИ ФИБРОБЕТОННЫЕ С НЕМЕТАЛЛИЧЕСКОЙ ФИБРОЙ. ПРАВИЛА ПРОЕКТИРОВАНИЯ
Утв. Приказом Министерства строительства и жилищно-коммунального хозяйства РФ от 17 апреля 2017 г. N 713/пр
Свод правил СП-297.1325800.2017
"КОНСТРУКЦИИ ФИБРОБЕТОННЫЕ С НЕМЕТАЛЛИЧЕСКОЙ ФИБРОЙ. ПРАВИЛА ПРОЕКТИРОВАНИЯ"
С изменениями:
(19 декабря 2018 г., 16 декабря 2022 г.)
Fiber reinforced concrete structures and precast products with non-steel fibers. Design rules
Дата введения - 18 октября 2017 г.
Введен впервые
Предисловие
Сведения о своде правил
1 ИСПОЛНИТЕЛЬ - НИИЖБ им. А.А. Гвоздева - институт ОАО "НИЦ "Строительство"
2 ВНЕСЕН Техническим комитетом по стандартизации ТК 465 "Строительство"
3 ПОДГОТОВЛЕН к утверждению Департаментом архитектуры, строительства и градостроительной политики
4 УТВЕРЖДЕН приказом Министерства строительства и ЖКХ Российской Федерации (Минстрой России) от 17 апреля 2017 г. N 713/пр и введен в действие с 18 октября 2017 г.
5 ЗАРЕГИСТРИРОВАН Федеральным агентством по техническому регулированию и метрологии (Росстандарт)
6 ВВЕДЕН ВПЕРВЫЕ
В случае пересмотра (замены) или отмены настоящего свода правил соответствующее уведомление будет опубликовано в установленном порядке. Соответствующая информация, уведомление и тексты размещаются также в информационной системе общего пользования - на официальном сайте разработчика (Минстрой России) в сети Интернет
Введение
Настоящий свод правил разработан с учетом обязательных требований, установленных в Федеральных законах от 27 декабря 2002 г. N 184-ФЗ "О техническом регулировании", от 30 декабря 2009 г. N 384-ФЗ "Технический регламент о безопасности зданий и сооружений" и содержит требования к расчету и проектированию бетонных и железобетонных конструкций, армированных полимерной композитной фиброй.
Свод правил разработан авторским коллективом НИИЖБ им. А.А. Гвоздева АО "НИЦ "Строительство" (д-р техн. наук Т.А. Мухамедиев (руководитель работы), кандидат техн. наук Д.В. Кузеванов; д-р техн. наук В.Ф. Степанова, канд. техн. наук А.В. Бучкин, канд. хим. наук В.Р. Фаликман) при участии Объединения юридических лиц "Союз производителей композитов" (С.Ю. Ветохин).
Изменение N 1 к СП 297.1325800.2017 разработано авторским коллективом АО "НИЦ "Строительство" - НИИЖБ им. А.А. Гвоздева (руководитель - д-р техн. наук А.Н. Давидюк; исполнители - д-р техн. наук В.Ф. Степанова, д-р техн. наук Т.А. Мухамедиев.
Изменение N 2 к настоящему своду правил разработано авторским коллективом АО "НИЦ "Строительство" - НИИЖБ им. А.А. Гвоздева (д-р техн. наук Т.А. Мухамедиев, д-р техн. наук В.Ф. Степанова, канд. техн. наук А.В. Бучкин, С.А. Зенин, К.Л. Кудяков, И.С. Кузнецова).
1.1 Настоящий свод правил устанавливает требования к проектированию фибробетонных конструкций с неметаллической фиброй, изготовляемых из тяжелого и мелкозернистого бетонов и эксплуатируемых в климатических условиях России (при систематическом воздействии температур не выше плюс 50 °C и не ниже минус 70 °C) при статическом действии нагрузки и распространяется на проектирование бетонных и железобетонных конструкций зданий и сооружений различного назначения, армированных неметаллической фиброй.
В настоящем своде правил использованы нормативные ссылки на следующие документы:
ГОСТ 10180-2012 Бетоны. Методы определения прочности по контрольным образцам
ГОСТ 27751-2014 Надежность строительных конструкций и оснований. Основные положения
ГОСТ 28840-90 Машины для испытания материалов на растяжение, сжатие и изгиб. Общие технические требования
ГОСТ 32794-2014 Композиты полимерные. Термины и определения
ГОСТ Р 59535-2021 Бетоны тяжелые и мелкозернистые, дисперсно-армированные стальной фиброй. Технические условия
СП 63.13330.2018 "СНиП 52-01-2003 Бетонные и железобетонные конструкции. Основные положения" (с изменениями N 1, N 2)
СП 468.1325800.2019 Бетонные и железобетонные конструкции. Правила обеспечения огнестойкости и огнесохранности
Примечание - При пользовании настоящим сводом правил целесообразно проверить действие ссылочных документов в информационной системе общего пользования - на официальном сайте федерального органа исполнительной власти в сфере стандартизации в сети Интернет или по ежегодному информационному указателю "Национальные стандарты", который опубликован по состоянию на 1 января текущего года, и по выпускам ежемесячного информационного указателя "Национальные стандарты" за текущий год. Если заменен ссылочный документ, на который дана недатированная ссылка, то рекомендуется использовать действующую версию этого документа с учетом всех внесенных в данную версию изменений. Если заменен ссылочный документ, на который дана датированная ссылка, то рекомендуется использовать версию этого документа с указанным выше годом утверждения (принятия). Если после утверждения настоящего свода правил в ссылочный документ, на который дана датированная ссылка, внесено изменение, затрагивающее положение, на которое дана ссылка, то это положение рекомендуется применять без учета данного изменения. Если ссылочный документ отменен без замены, то положение, в котором дана ссылка на него, рекомендуется применять в части, не затрагивающей эту ссылку. Сведения о действии сводов правил целесообразно проверить в Федеральном информационном фонде стандартов.
В настоящем своде правил применяют термины по ГОСТ 32794, а также следующие термины с соответствующими определениями:
3.1 фибробетон: Бетон, армированный равномерно распределенными в его объеме фибрами, имеющими сцепление с бетоном по их поверхности.
3.2 фибробетонные конструкции: Конструкции из фибробетона без стержневой арматуры или с рабочей (в том числе предварительно напряженной) и/или конструктивной стержневой арматурой.
3.3 коэффициент фибрового армирования по объему: Относительное содержание объема фибр в единице объема фибробетона.
4.1 Фибробетон рекомендуется применять для изготовления конструкций, в которых эффективно могут быть использованы следующие его характеристики:
- повышенные трещиностойкость, ударная прочность, вязкость разрушения, износостойкость, морозостойкость, сопротивление кавитации;
- пониженные усадка и ползучесть.
4.2 Фибробетонные конструкции без стержневой арматуры рекомендуется применять в случае их преимущественной работы:
- на сжатие при расположении продольной сжимающей силы в пределах поперечного сечения элемента;
- на сжатие при расположении продольной сжимающей силы за пределами поперечного сечения элемента и на изгиб - в случаях, когда их разрушение не представляет непосредственной опасности для жизни людей, исправности и сохранности оборудования.
В остальных случаях рекомендуется применять фибробетонные конструкции с рабочей стержневой арматурой.
4.3 Содержание фибры в единице объема фибробетона следует назначать в соответствии с требованиями к его физико-механическим свойствам, назначаемым из условий применения и требований настоящего свода правил.
4.4 В рабочих чертежах фибробетонных конструкций следует указывать вид фибры и ее требуемое содержание (объем фибры) в 1 м3 фибробетонной смеси, классы и марки фибробетона (в том числе и класс по остаточной прочности на растяжение), а в случае необходимости - приводить требования к технологическим приемам изготовления, обеспечивающим требуемые свойства фибробетона.
4.5 Расчеты фибробетонных конструкций следует выполнять с учетом общих положений и требований, указанных в СП 63.13330.2018 (разделы 4 и 5) для расчетов конструкций из бетона без содержания фибры.
4.6 Расчет фибробетонных конструкций на огнестойкость следует выполнять с учетом указаний, аналогичных приведенным в СП 468.1325800 для конструкций из бетона без содержания фибры, и без учета остаточных сопротивлений фибробетона осевому растяжению Rfbt2 и Rfbt3.
5.1.1 Нормативные и расчетные значения характеристик стальной арматуры, а при расчете конструкций по нелинейной деформационной модели - диаграммы ее деформирования, следует принимать по СП 63.13330.
5.2.1 Для фибробетонных конструкций, проектируемых в соответствии с требованиями настоящего свода правил, в качестве бетона-матрицы следует использовать следующие конструкционные бетоны:
- тяжелый средней плотности от 2200 до 2500 кг/м3;
- мелкозернистый средней плотности от 1800 до 2200 кг/м3.
5.2.2 Основными нормируемыми и контролируемыми показателями качества фибробетона являются:
- класс по прочности на сжатие Bf;
- класс по прочности на осевое растяжение Bft;
- класс по остаточной прочности на растяжение Bft3;
- марка по морозостойкости F;
- марка по водонепроницаемости W.
5.2.3 Класс фибробетона по прочности на сжатие Bf соответствует значению кубиковой прочности фибробетона на сжатие, МПа, с обеспеченностью 0,95 (нормативная кубиковая прочность).
Класс фибробетона по прочности на осевое растяжение Bft соответствует значению прочности фибробетона на осевое растяжение, МПа, с обеспеченностью 0,95 (нормативная прочность бетона).
Класс фибробетона по остаточной прочности на растяжение Bft3 соответствует значению остаточной прочности фибробетона на растяжение, МПа, с обеспеченностью 0,95 (нормативная прочность бетона).
Марка фибробетона по морозостойкости F соответствует минимальному числу циклов переменного замораживания и оттаивания, выдерживаемых образцом при стандартном испытании.
Марка фибробетона по водонепроницаемости W соответствует максимальному значению давления воды, МПа·10-1, выдерживаемому фибробетонным образцом при испытании.
Классы фибробетона по прочности на сжатие и по прочности на осевое растяжение назначают по результатам испытаний контрольных образцов в соответствии с ГОСТ 10180. Допускается класс фибробетона по прочности на осевое растяжение назначать по результатам испытаний контрольных образцов-балок на изгиб в соответствии с приложением Б.
Класс фибробетона по остаточной прочности на осевое растяжение Bft3 назначают с указанием индекса подкласса "a", "b", "c", "d" или "e" (таблица 1) по результатам испытаний контрольных образцов-балок на изгиб в соответствии с приложением Б и таблицей 2. При назначении класса фибробетона по остаточной прочности на растяжение Bfbt3 нормативные значения остаточного сопротивления растяжению Bfbt3,n принимают равными числовой характеристике класса фибробетона по остаточной прочности на растяжение. Числовое значение класса фибробетона по остаточной прочности на растяжение характеризует гарантированную прочность фибробетона на растяжение Bfbt3,n, с обеспеченностью 0,95, соответствующую значению перемещений внешних граней надреза контрольных образцов, равному 2,5 мм, при испытаниях на изгиб (приложение Б).
|
Вид бетона |
Классы фибробетона по остаточной прочности на растяжение |
|
Тяжелый и мелкозернистый |
Bft31i; Bft31,5i; Bft32i; Bft32,5i; Bft33i; Bft33,5i; Bft34i; Bft34,5i; Bft35i; Bft35,5i; Bft36i (i = "a", "b", "c", "d" или "e" - индекс подкласса) |
Классы фибробетона по прочности на сжатие Bf, по прочности на осевое растяжение Bft и по остаточной прочности на растяжение Bft3 (с указанием индекса подкласса) назначают для фибробетонов и конструкций всех видов.
Марку фибробетона по морозостойкости F назначают для конструкций, подвергающихся воздействию переменного замораживания и оттаивания.
Марку фибробетона по водонепроницаемости W назначают для конструкций, к которым предъявляют требования по ограничению водопроницаемости.
5.2.4 Для фибробетонных конструкций следует предусматривать классы фибробетона по прочности на сжатие, осевое растяжение и марки фибробетона, принятые в СП 63.13330 для обычного тяжелого и мелкозернистого бетонов, и классы по остаточной прочности на растяжение, приведенные в таблице 1.
5.2.5 Основными прочностными характеристиками фибробетона являются нормативные значения:
- сопротивления фибробетона осевому сжатию Rfb,n;
- сопротивления фибробетона осевому растяжению Rfbt,n;
- остаточного сопротивления фибробетона осевому растяжению Rfbt2,n;
- остаточного сопротивления фибробетона осевому растяжению Rfbt3,n.
5.2.6 Нормативные и расчетные значения сопротивления фибробетона осевому сжатию (призменная прочность) принимают равными их значениям, установленным в СП 63.13330 для аналогичного класса обычного бетона.
Нормативные значения сопротивления фибробетона осевому растяжению Rfbt,n и остаточного сопротивления фибробетона осевому растяжению Rfbt2,n и Rfbt3,n определяют по результатам испытаний контрольных образцов на осевое растяжение. Допускается определять Rfbt,n, Rfbt2,n и Rfbt3,n по результатам испытаний контрольных образцов-балок на изгиб в соответствии с приложением Б.
Расчетные значения сопротивления осевому растяжению Rfbt, остаточного сопротивления осевому растяжению Rfbt2 и Rfbt3 определяют по формулам:
, (5.1)
;
, (5.2)
при этом при расчете по прочности нормальных сечений элементов по предельным усилиям принимают Rfbt3 ≤ Rfbt2.
Значение коэффициента надежности по фибробетону при растяжении γft принимают равным 1,3.
Расчетные значения сопротивления фибробетона Rfb и Rfb,ser в зависимости от класса фибробетона по прочности на сжатие для предельных состояний первой и второй группы принимают по СП 63.13330 как для обычного бетона.
Расчетные значения остаточного сопротивления фибробетона растяжению Rfbt2 и Rfbt2,ser и остаточного сопротивления растяжению Rfbt3 и Rfbt3,ser в зависимости от индекса подкласса "a", "b", "c", "d" и "e" для предельных состояний первой и второй групп приведены в таблице 2.
Таблица 2
|
Характеристика |
Нормативные Bfbt2,n и Bfbt3,n, расчетные для предельных состояний второй группы Bfbt2,ser и Bfbt3,ser и расчетные для предельных состояний первой группы Bfbt2 и Bfbt3 значения сопротивления фибробетона растяжению при классе фибробетона по остаточной прочности на растяжение, МПа | |||||||||||
|
Bft31i |
Bft31,5i |
Bft32i |
Bft32,5i |
Bft33i |
Bfe3,5i |
Bft34i |
Bft34,5i |
Bft35i |
Bft35,5i |
Bft36i | ||
|
Bfbt3,n и Bfbt3,ser |
1,00 |
1,50 |
2,00 |
2,50 |
3,00 |
3,50 |
4,00 |
4,50 |
5,00 |
5,50 |
6,00 | |
|
Bfbt2,n и Bfbt2,ser |
i = a |
2,00 |
3,00 |
4,00 |
5,00 |
6,00 |
7,00 |
8,00 |
9,00 |
10,00 |
11,00 |
12,00 |
|
i = b |
1,43 |
2,14 |
2,86 |
3,57 |
4,29 |
5,00 |
5,71 |
6,43 |
7,14 |
7,86 |
8,57 | |
|
i = c |
1,11 |
1,67 |
2,22 |
2,78 |
3,33 |
3,89 |
4,44 |
5,00 |
5,56 |
6,11 |
6,67 | |
|
i = d |
0,91 |
1,36 |
1,82 |
2,27 |
2,73 |
3,18 |
3,64 |
4,09 |
4,55 |
5,00 |
5,45 | |
|
i = e |
0,77 |
1,15 |
1,54 |
1,92 |
2,31 |
2,69 |
3,08 |
3,46 |
3,85 |
4,23 |
4,62 | |
|
Bfbt3 |
0,77 |
1,15 |
1,54 |
1,92 |
2,31 |
2,69 |
3,08 |
3,46 |
3,85 |
4,23 |
4,62 | |
|
Bfbt2 |
i = a |
1,54 |
2,30 |
3,08 |
3,84 |
4,62 |
5,38 |
6,16 |
6,92 |
7,70 |
8,46 |
9,24 |
|
i = b |
1,10 |
1,64 |
2,20 |
2,74 |
3,30 |
3,84 |
4,40 |
4,94 |
5,50 |
6,04 |
6,60 | |
|
i = c |
0,86 |
1,28 |
1,71 |
2,13 |
2,57 |
2,99 |
3,42 |
3,84 |
4,28 |
4,70 |
5,13 | |
|
i = d |
0,70 |
1,05 |
1,40 |
1,75 |
2,10 |
2,45 |
2,80 |
3,15 |
3,50 |
3,85 |
4,20 | |
|
i = e |
0,59 |
0,88 |
1,18 |
1,48 |
1,78 |
2,07 |
2,37 |
2,66 |
2,96 |
3,25 |
3,55 | |
5.2.7 В необходимых случаях расчетные значения прочностных характеристик фибробетона умножают на следующие коэффициенты условий работы γbi, учитывающие особенности работы фибробетона в конструкции (характер нагрузки, условия окружающей среды и т.д.):
γb1 - коэффициент, вводимый к расчетным значениям сопротивлений Rfb, Rfbt, Rftb2 и Rfbt3, и учитывающий влияние длительности действия статической нагрузки:
- γb1 = 1,0 при непродолжительном (кратковременном) действии нагрузки;
- γb1 = 0,9 при продолжительном (длительном) действии нагрузки;
γb2 - коэффициент, вводимый для фибробетонных конструкций без стержневой рабочей арматуры к расчетным значениям сопротивления Rfb и учитывающий характер разрушения таких конструкций: γb2 = 0,9;
γb3 - коэффициент, вводимый для фибробетонных конструкций, бетонируемых в вертикальном положении при высоте слоя бетонирования свыше 1,5 м, к расчетному значению сопротивления фибробетона Rfb: γb3 = 0,85;
γb5 - коэффициент условий работы фибробетонных конструкций, учитывающий влияние попеременного замораживания и оттаивания, а также отрицательных температур и вводимый к расчетным значениям сопротивлений Rfb, Rfbt, Rftb2 и Rfbt3:
- γb5 = 1,0 для надземных конструкций, подвергаемых атмосферным воздействиям окружающей среды при расчетной температуре наружного воздуха в холодный период минус 40 °C и выше;
- в других случаях γb5 ≤ 1,0 и его значение принимают в зависимости от назначения конструкции и условий окружающей среды по специальным указаниям.
5.2.8 Основными деформационными характеристиками фибробетона являются значения:
- предельных относительных деформаций фибробетона при осевом сжатии и растяжении (при однородном напряженном состоянии бетона) εfb0 и εfbt0;
- начального модуля упругости Efb;
- модуля сдвига G;
- коэффициента (характеристики) ползучести φb,cr;
- коэффициента поперечной деформации фибробетона (коэффициента Пуассона) νb,P;
- коэффициента линейной температурной деформации фибробетона αbt.
Значения основных деформационных характеристик фибробетона при осевом сжатии принимают по СП 63.13330 как для обычного бетона.
5.2.9 В качестве рабочих диаграмм деформирования фибробетона при осевом сжатии, определяющих связь между напряжениями и относительными деформациями, принимают криволинейную, в том числе с ниспадающей ветвью, или упрощенную трехлинейную диаграммы. Параметрические точки рабочих диаграмм сжатого фибробетона принимают по СП 63.13330 как для обычного бетона, а сжимающие напряжения фибробетона σfb в зависимости от относительных деформаций укорочения фибробетона εfb определяют по формулам, указанным в СП 63.13330 для обычного бетона.
В качестве рабочих диаграмм деформирования фибробетона при осевом растяжении принимают упрощенную трехлинейную диаграмму (рисунок 1). Растягивающие напряжения фибробетона σfbt в зависимости от относительных деформаций εfbt определяют по формулам:
при 0 ≤ εfbt ≤ εfbt0
σfbt = Efb·εfbt; (5.3)
при εfbt0 ≤ εfbt ≤ εfbt1
σfbt = Rfbt; (5.4)
при εfbt1 ≤ εfbt ≤ εfbt2
; (5.5)
при εfbt2 ≤ εfbt ≤ εfbt3
, (5.6)
где εfbt0, εfbt2 и εfbt3 - относительные деформации, принимаемые равными:
; (5.7)
εfbt1 = εfbt0 + 0,0001; εfbt2 = 0,004;
,
при этом принимают
0,01 ≤ εftb3 ≤ 0,02;
Rfbt2 и Rfbt3 - характеристики остаточного сопротивления фибробетона осевому растяжению, принимаемые по таблице 2.
а)

б)

а) Rfbt3/Rfbt2 <1; б) Rfbt3/Rfbt2> 1
Рисунок 1 - Диаграммы деформирования фибробетона при сжатии и растяжении
Расчет по прочности элементов конструкций на действие изгибающих моментов и продольных сил
Общие положения
6.1.1 Расчет по прочности элементов фибробетонных конструкций при действии изгибающих моментов и продольных сил (внецентренное сжатие или растяжение) следует производить для сечений, нормальных к их продольной оси.
Расчет по прочности нормальных сечений элементов следует производить на основе нелинейной деформационной модели согласно 6.1.13.
Расчет по прочности нормальных сечений элементов прямоугольного, таврового и двутаврового сечений без арматуры или с арматурой, расположенной у верхней и нижней граней сечения, допускается производить по предельным усилиям.
6.1.2 При расчете по прочности нормальных сечений внецентренно сжатых элементов следует учитывать случайный эксцентриситет приложения продольной силы и влияние продольного изгиба по СП 63.13330.
6.1.3 Для фибробетонных элементов, у которых предельное усилие по прочности оказывается меньше предельного усилия по образованию трещин, площадь сечения продольной растянутой арматуры должна быть увеличена по сравнению с требуемой из расчета по прочности не менее чем на 15% или определена из расчета по прочности на действие предельного усилия по образованию трещин.
Расчет по прочности нормальных сечений по предельным усилиям
6.1.4 Расчет по прочности нормальных сечений элементов с рабочей арматурой по предельным усилиям следует производить, определяя предельные усилия, которые могут быть восприняты фибробетоном и арматурой в нормальном сечении, исходя из следующих положений:
- сопротивление фибробетона растяжению представляется остаточными напряжениями, равными Rfbt2 или Rfbt3 и равномерно распределенными по растянутой зоне фибробетона;
- сопротивление фибробетона сжатию представляется напряжениями, равными Rfb и равномерно распределенными по сжатой зоне фибробетона;
- деформации (напряжения) в арматуре определяют в зависимости от высоты сжатой зоны фибробетона;
- растягивающие напряжения в стержневой арматуре принимают не более расчетного сопротивления растяжению Rs;
- сжимающие напряжения в стержневой арматуре принимают не более расчетного сопротивления сжатию Rsc.
6.1.5 Расчет по прочности нормальных сечений элементов без рабочей арматуры по предельным усилиям следует производить исходя из следующих положений:
- эпюру напряжений в сжатой зоне фибробетона принимают треугольной формы, как для упругого тела;
- эпюру напряжений в растянутой зоне фибробетона принимают трапециевидной формы с напряжениями в растянутой грани сечения, равными Rfbt.
6.1.6 Расчет по прочности нормальных сечений фибробетонных элементов с рабочей арматурой следует производить в зависимости от соотношения между значением относительной высоты сжатой зоны фибробетона
, определяемым из соответствующих условий равновесия, и значением граничной относительной высоты сжатой зоны ξR, при котором предельное состояние элемента наступает одновременно с достижением в растянутой арматуре напряжения, равного расчетному сопротивлению Rs.
Значение ξR следует определять по формуле
, (6.1)
где ω - характеристика сжатой зоны фибробетона, принимаемая для фибробетона из тяжелого бетона классов до B60 включительно равной 0,8, а для фибробетона из тяжелого бетона классов B70 - B100 и из мелкозернистого бетона - равной 0,7;
εs - расчетное значение предельных относительных деформаций арматуры, принимаемое по СП 63.13330;
εfb2 - относительные деформации сжатого фибробетона при напряжениях Rfb, допускается принимать их значения равными значениям εb2 по СП 63.13330 как для обычного бетона.
Расчет изгибаемых элементов
6.1.7 Расчет по прочности сечений изгибаемых элементов следует производить из условия
M ≤ Mult, (6.2)
где M - изгибающий момент от внешней нагрузки:
Mult - предельный изгибающий момент, который может быть воспринят сечением элемента.
6.1.8 Значение Mult для изгибаемых фибробетонных элементов прямоугольного сечения определяют по формулам:
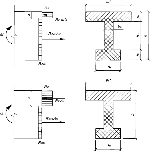
- для фибробетонных элементов без рабочей арматуры (рисунок 2)
Mult = Rfbt·Wpl, (6.3)
где Wpl - упругопластический момент сопротивления сечения элемента для крайнего растянутого волокна, определяемый с учетом положений 6.1.5 и для элементов прямоугольных сечений равный
; (6.4)
где γ - коэффициент, учитывающий неупругие свойства фибробетона растянутой зоны сечения, определяемый по формуле
γ = 1,73 - 0,005(B - 15), (6.4а)
где B - числовая характеристика класса фибробетона по прочности на осевое сжатие;
- для фибробетонных элементов с рабочей арматурой (рисунок 3) при 
(6.5)
при этом высоту сжатой зоны x определяют по формуле
. (6.6)

Рисунок 2 - Схема усилий и эпюра напряжений в сечении, нормальном к продольной оси изгибаемого фибробетонного элемента прямоугольного сечения без арматуры, при его расчете по прочности

Рисунок 3 - Схема усилий и эпюра напряжений в сечении, нормальном к продольной оси изгибаемого фибробетонного элемента прямоугольного сечения с арматурой, при его расчете по прочности
6.1.9 Значение Mult для изгибаемых фибробетонных элементов таврового и двутаврового сечения, с полкой в сжатой зоне, определяют по формулам:
- для фибробетонных элементов без рабочей арматуры (рисунок 4) - по формуле (6.3), в которой Wpl определяют согласно положений 6.1.5 и с учетом геометрических размеров поперечного сечения элемента.
Допускается значение Mult определять
а) если граница проходит в полке (рисунок 4), т.е. соблюдается условие:
Rfbt3·(bf·hf+ bw·hw) ≤ Rfb·b'f·h'f, (6.7)
то по формуле
Mult= 0,5·Rfbt3·[ b'f·(h'f - x)·(h'f + x) + bf·hf·(hf– x + 2·(hw+ h'f)) +
+ bw·hw·(hw – x + 2 + h'f)], (6.8)
при этом высоту сжатой зоны определяют по формуле
; (6.9)
б) если граница проходит в ребре (рисунок 4), т.е. условие (6.7) не соблюдается, - то по формуле
Mult= Rfb·bw·(x - h'f)·(x - 0,5·h'f) + Rfbt3·[ bw·(hw+ h'f - x) + bw·hf·(h - 0,5·(h'f + hf))], (6.10)
при этом высоту сжатой зоны определяют по формуле
; (6.11)
- для фибробетонных элементов с рабочей арматурой при
(рисунок 5):
а) если граница проходит в полке (рисунок 5), т.е. соблюдается условие:
Rs·As + Rfbt3·(bf·hf + bw·hw) ≤ Rsc·A's + Rfb·b'f·h'f, (6.12)
значение Mult определяют по формуле
Mult = Rfb·b'f·x·(h0 - 0,5x) - Rfbt3·[bf·hf·(0,5hf - a) + bw·hw·(0,5hw + hf - a) +
+ b'f·(h'f - x)·(h0 - 0,5·(h'f + x))] + Rsc·A's·(h0 - a'), (6.13)
при этом высоту сжатой зоны определяют по формуле
; (6.14)
б) если граница проходит в ребре (рисунок 5), т.е. условие (6.12) не соблюдается, значение Mult определяют по формуле
Mult = Rfb·[b'f·h'f·(h0 - 0,5·h'f) + bw·(x - h'f)·(h0 - 0,5·x - 0,5·h'f)] - Rfbt3·[bf - hf·(0,5hf - a) +
+ bw·(h - hf - x)·(h0 - 0,5·(h + x - hf))] + Rsc·A's·(h0 - a'). (6.15)
при этом высоту сжатой зоны фибробетона x определяют по формуле
. (6.16)

Рисунок 4 - Положение границы сжатой зоны в сечении изгибаемого фибробетонного элемента без арматуры

Рисунок 5 - Положение границы сжатой зоны в сечении изгибаемого фибробетонного элемента с арматурой
Значение b'f, вводимое в расчет, принимают по СП 63.13330.
6.1.9а Расчет по прочности изгибаемых фибробетонных элементов кольцевых сечений без арматуры (рисунок 5а) производят из условия
, (6.16а)
где Ar - общая площадь кольцевого сечения, определяемая по формуле
Ar = 2πrmtr; (6.16б)
tr - толщина стенки кольцевого элемента;
rm - радиус срединной поверхности стенки кольцевого элемента, определяемый по формуле
; (6.16в)
r1 и r2 - радиусы соответственно внутренней и наружной граней кольцевого сечения;
. (6.16г)

Рисунок 5а - Схема кольцевого сечения фибробетонного элемента, принимаемая при его расчете по прочности на изгиб
6.1.10 При расчете по прочности изгибаемых элементов рекомендуется соблюдать условие x ≤ ξR·h0.
В случае, когда по конструктивным соображениям или из расчета по предельным состояниям второй группы площадь растянутой стальной арматуры принята большей, чем это требуется для соблюдения условия x ≤ ξR·h0, то значение предельного изгибающего момента определяют, принимая в формулах для его вычисления x = ξR·h0, а вместо характеристики Rftb3 характеристику Rftb2.
Расчет внецентренно сжатых элементов
6.1.11 Расчет по прочности внецентренно сжатых фибробетонных элементов без рабочей арматуры при расположении продольной сжимающей силы в пределах поперечного сечения элемента производят по 7.1.3 СП 63.13330.2018, при этом в расчетные зависимости вместо характеристики Rb следует подставлять Rfb.
Расчет по прочности внецентренно сжатых фибробетонных элементов без рабочей арматуры при расположении продольной сжимающей силы за пределами поперечного сечения элемента, а также внецентренно сжатых фибробетонных элементов без рабочей арматуры при расположении продольной сжимающей силы в пределах поперечного сечения элемента, в которых по условиям эксплуатации не допускается образование трещин, производят с учетом сопротивления фибробетона растянутой зоны из условия
. (6.16д)
Для элементов прямоугольного сечения (рисунок 5б) условие (6.16д) имеет вид:
. (6.16е)
В формулах (6.16д), (6.16е):
Rfbt - расчетное сопротивление фибробетона осевому растяжению;
A, I, yt, η - следует определять по 7.1.9 СП 63.13330.2018 для конструкций из бетона без содержания фибры.

Рисунок 5б - Схема усилий и эпюра напряжений в сечении, нормальном к продольной оси внецентренно сжатого фибробетонного элемента, рассчитываемого по прочности с учетом сопротивления фибробетона растянутой зоны
6.1.12 Расчет внецентренно сжатых фибробетонных элементов прямоугольного сечения с рабочей арматурой производят из условия (рисунок 6):
, (6.17)
где N - продольная сила от внешней нагрузки;
e - расстояние от точки приложения продольной силы N до центра тяжести сечения растянутой арматуры рассчитывают по формуле
, (6.18)
здесь e0 - случайный эксцентриситет, принимаемый по СП 63.13330.2018;
η - коэффициент, определяемый по формуле (7.6) СП 63.13330.2018.
Высоту сжатой зоны x определяют:
а) при
- по формуле
; (6.19)
б) при
- по формуле
. (6.20)

Рисунок 6 - Схема усилий и эпюра напряжений в сечении, нормальном к продольной оси внецентренно сжатого фибробетонного элемента с рабочей арматурой, при расчете ее по прочности
Расчет по прочности нормальных сечений на основе нелинейной деформационной модели
6.1.12а Расчет по прочности внецентренно сжатых фибробетонных элементов кольцевого сечения без рабочей арматуры (см. рисунок 5а) следует производить из условия
, (6.20а)
где Ar, rm - см. 6.1.9а.
При этом значение относительной площади сжатой зоны фибробетона определяют по формуле
. (6.20б)
Если полученное из расчета по формуле (6.20б) значение αr <0,15, в условие (6.20а) подставляют значение αr, определяемое по формуле
. (6.20в)
6.1.12б Расчет прочности кольцевых сечений внецентренно сжатых элементов с рабочей арматурой (рисунок 6а) при соотношении внутреннего и наружного радиусов r1/r2 ≥ 0,5 и арматуре, равномерно распределенной по окружности (при минимум семи продольных стержнях), производится в зависимости от относительной площади сжатой зоны бетона по формуле
(6.20г)
а) при 0,15 <ξcir <0,6 - из условия
; (6.20д)
б) при ξcir ≤ 0,15 - из условия
, (6.20е)
где
;
в) при ξcir ≥ 0,6 - из условия
, (6.20ж)
где 

Рисунок 6а - Схема, принимаемая при расчете кольцевого сечения сжатого элемента
В формулах (6.20г) - (6.20ж):
As,tot - площадь сечения всей продольной арматуры;
rm - радиус срединной поверхности стенки кольцевого элемента, определяемый по формуле (6.16в);
rs - радиус окружности, проходящей через центры тяжести стержней продольной арматуры.
Момент M определяют с учетом влияния прогиба элемента.
6.1.13 Расчет по прочности нормальных сечений железобетонных элементов при действии изгибающих моментов и продольных сил (внецентренное сжатие или растяжение) следует производить на основе нелинейной деформационной модели согласно 8.1.20 ... 8.1.30 СП 63.13330.2018 и следующих указаний:
- в расчетах следует учитывать работу бетона растянутой зоны сечения элемента;
- диаграммы осевого сжатия и осевого растяжения фибробетона следует принимать согласно 5.2.9;
- при внецентренном сжатии или растяжении элементов и распределении в поперечном сечении элемента деформаций только одного знака предельные значения относительных деформаций фибробетона при растяжении εfbt,ult следует определять в зависимости от соотношения деформаций фибробетона на противоположных гранях сечения элемента ε1 и ε2 (|ε1| ≥ |ε2|) по формуле
. (6.21)
Расчет по прочности элементов при действии поперечных сил
6.1.14 Расчет по прочности элементов при действии поперечных сил следует производить по наклонному сечению на действие поперечной силы, по наклонному сечению на действие изгибающего момента и по бетонной полосе между наклонными сечениями на действие поперечной силы.
Расчет элементов по полосе между наклонными сечениями
6.1.15 Расчет изгибаемых элементов по бетонной полосе между наклонными сечениями следует производить по 8.1.32 СП 63.13330.2018, при этом в расчетную зависимость вместо характеристики Rb следует подставлять Rfb.
Расчет элементов по наклонным сечениям на действие поперечных сил
6.1.16 Расчет изгибаемых элементов по наклонному сечению следует производить по 8.1.33, 8.1.34 СП 63.13330.2018, при этом в расчетные зависимости вместо характеристик Rb и Rfb следует подставлять Rfb и Rfbt.
Расчет элементов по наклонным сечениям на действие моментов
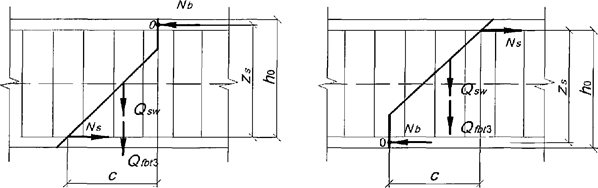
6.1.17 Расчет элементов по наклонным сечениям на действие моментов (рисунок 7) производят из условия
M ≤ Ms + Msw + Mfbt, (6.22)
где M - момент в наклонном сечении с длиной проекции C на продольную ось элемента, определяемый от всех внешних сил, расположенных по одну сторону от рассматриваемого наклонного сечения, относительно конца наклонного сечения (точка 0), противоположного концу, у которого располагается проверяемая продольная арматура, испытывающая растяжение от момента в наклонном сечении; при этом учитывают наиболее опасное нагружение в пределах наклонного сечения;
Ms - момент, воспринимаемый продольной арматурой, пересекающей наклонное сечение, относительно противоположного конца наклонного сечения (точка 0);
Msw - момент, воспринимаемый поперечной арматурой, пересекающей наклонное сечение, относительно противоположного конца наклонного сечения (точка 0);
Mfbt - момент, воспринимаемый фибробетоном, относительно противоположного конца наклонного сечения (точка 0).

Рисунок 7 - Схема усилий при расчете элементов по наклонному сечению на действие моментов
Моменты Ms и Msw определяют по 8.1.35 СП 63.13330.2018.
Момент Mfbt определяют по формуле
Mfbt = 0,5·Qfbt3·C, (6.23)
где Qfbt3 определяют по формуле
. (6.24)
Расчет производят для наклонных сечений, расположенных по длине элемента на его концевых участках и в местах обрыва продольной арматуры, при наиболее опасной длине проекции наклонного сечения C, принимаемой в пределах от 1,0h0 до 2,0h0.
Расчет фибробетонных элементов на местное сжатие
6.1.18 Расчет фибробетонных элементов на местное сжатие (смятие) производят по 8.1.43 ... 8.1.45 СП 63.13330.2018, при этом в расчетные зависимости вместо характеристики Rb следует подставлять Rfb.
Расчет фибробетонных элементов на продавливание
6.1.19 Расчет на продавливание плоских фибробетонных элементов (плит) при действии на них местных, концентрированно приложенных сосредоточенных силы и изгибающего момента производят по 8.1.46 ... 8.1.52 СП 63.13330.2018, при этом в расчетные зависимости вместо характеристики Rb следует подставлять Rfb.
6.2.1 Расчеты по предельным состояниям второй группы следует выполнять с учетом 8.2.1 ... 8.2.3 СП 63.13330.2018 и 6.2.2 ... 6.2.19 настоящего свода правил.
Расчет фибробетонных элементов по образованию и раскрытию трещин
6.2.2 Расчет фибробетонных элементов по образованию трещин следует выполнять по 8.2.4 СП 63.13330.2018, при этом изгибающий момент, воспринимаемый нормальным сечением элемента при образовании трещин, определяют по указаниям 6.2.4 ... 6.2.8.
6.2.3 Расчет по раскрытию трещин следует выполнять по 8.2.6, 8.2.7 СП 63.13330.2018.
Определение момента образования трещин, нормальных к продольной оси элемента
6.2.4 Изгибающий момент Mcrc при образовании трещин в общем случае определяется по деформационной модели согласно 6.2.8.
Для элементов прямоугольного, таврового или двутаврового сечения с арматурой, расположенной у верхней и нижней граней, момент трещинообразования с учетом неупругих деформаций растянутого фибробетона допускается определять согласно 6.2.6 - 6.2.8.
6.2.5 Допускается момент образования трещин определять без учета неупругих деформаций растянутого фибробетона, принимая в формуле (6.25) Wpl = Wred и значение Rfbt,ser вместо значения Rfbt2,ser. Если при этом расчетное значение ширины раскрытия трещин или прогиба превышает их предельно допустимые значения, то момент образования трещин следует определять с учетом неупругих деформаций растянутого фибробетона.
6.2.6 Момент образования трещин с учетом неупругих деформаций растянутого фибробетона определяют в соответствии со следующими положениями:
- сечения после деформирования остаются плоскими;
- эпюру напряжений в сжатой зоне фибробетона принимают треугольной формы, как для упругого тела (рисунок 8);
- эпюру напряжений в растянутой зоне фибробетона принимают трапециевидной формы с напряжениями, не превышающими расчетных значений сопротивления фибробетона растяжению Rfbt.ser;
- относительную деформацию крайнего растянутого волокна фибробетона принимают равной εfbt1;
- напряжения в арматуре принимают в зависимости от относительных деформаций как для упругого тела.
а)

б)

1 - уровень центра тяжести приведенного поперечного сечения
Рисунок 8 - Схема напряженно-деформированного состояния сечения элемента при проверке образования трещин при действии изгибающего момента (а) и изгибающего момента и продольной силы (б)
6.2.7 Момент образования трещин с учетом неупругих деформаций растянутого фибробетона определяют по формуле
Mcrc = Rfbt,ser·Wpl ± N·ex, (6.25)
где Wpl - упругопластический момент сопротивления сечения для крайнего растянутого волокна фибробетона, определяемый с учетом положений 6.2.6;
ex - расстояние от точки приложения продольной силы N (расположенной в центре тяжести приведенного сечения элемента) до ядровой точки, наиболее удаленной от растянутой зоны, трещинообразование которой проверяется.
В формуле (6.25) знак "плюс" принимают при сжимающей продольной силе N, "минус" - при растягивающей силе.
Для прямоугольных сечений значение Wpl при действии момента в плоскости оси симметрии допускается принимать равным:
Wpl= γWred, (6.26)
где Wred - упругий момент сопротивления приведенного сечения по растянутой зоне сечения, определяемый в соответствии с 8.2.12 СП 63.13330.2018;
γ - коэффициент, определяемый по формуле (6.4а).
6.2.8 Расчет момента образования трещин на основе нелинейной деформационной модели следует выполнять исходя из 8.2.14 СП 63.13330.2018, при этом предельное значение относительной деформации фибробетона при растяжении εbt,ult следует:
- при двузначной эпюре деформаций (сжатие и растяжение) в поперечном сечении элемента (изгиб, внецентренное сжатие или растяжение с большими эксцентриситетами) - принимать равными εfbt1;
- при внецентренном сжатии или растяжении элементов и распределении в поперечном сечении элемента деформаций только одного знака - определять в зависимости от соотношения деформаций бетона на противоположных гранях сечения элемента ε1 и ε2 (|ε1| ≥ |ε2|) по формуле
, (6.26а)
где εfbt1 и εfbt0 - деформационные параметры расчетных диаграмм состояния бетона (5.2.9).
Расчет ширины раскрытия трещин, нормальных к продольной оси элемента
6.2.9 Ширину раскрытия нормальных трещин acrc,i (i = 1, 2, 3) элементов с продольной стальной арматурой определяют по 8.2.15 СП 63.13330.2018 с учетом 6.2.10, 6.2.11.
6.2.10 Значения напряжения σs в растянутой арматуре изгибаемых элементов определяют по формуле
, (6.27)
где Ired, yc - момент инерции и высота сжатой зоны приведенного поперечного сечения элемента, определяемые с учетом площади сечения сжатой и растянутой зон фибробетона, площадей сечения растянутой и сжатой арматуры согласно 6.2.15, принимая в соответствующих формулах значения коэффициентов приведения арматуры и фибробетона растянутой зоны к фибробетону сжатой зоны равными:
;
, (6.28)
Efb,red - приведенный модуль деформации сжатого фибробетона, учитывающий неупругие деформации сжатого фибробетона и определяемый по формуле
. (6.29)
Относительную деформацию фибробетона εfb1,red принимают равной 0,0015.
Для изгибаемых элементов yc = x (рисунок 9), где x - высота сжатой зоны фибробетона, определяемая согласно 6.2.16 с учетом формулы (6.28).
а)

б)

в)

1 - уровень центра тяжести приведенного поперечного сечения
Рисунок 9 - Схема напряженно-деформированного состояния элемента с трещинами при действии изгибающего момента (а, б), изгибающего момента и продольной силы (в)
Допускается напряжение σs определять по формуле
, (6.30)
где Abt - площадь растянутой зоны сечения элемента;
zbt - расстояние от точки приложения равнодействующей усилий в растянутой зоне элемента до точки приложения равнодействующей усилий в сжатой зоне элемента;
zs - расстояние от центра тяжести растянутой арматуры до точки приложения равнодействующей усилий в сжатой зоне элемента.
Для элементов прямоугольного поперечного сечения при отсутствии (или без учета) сжатой арматуры значения zs и zbt в (6.30) определяют по формулам:
;
. (6.31)
При действии изгибающего момента M и продольной силы N напряжение σs в растянутой арматуре определяют по формуле
, (6.32)
где Ared, yc - площадь приведенного поперечного сечения элемента и расстояние от наиболее сжатого волокна фибробетона до центра тяжести приведенного сечения, определяемые по общим правилам расчета геометрических характеристик сечений упругих элементов с учетом площади сечения сжатой и растянутой зон фибробетона, площадей сечения растянутой и сжатой арматуры согласно 6.2.16, принимая коэффициенты приведения арматуры и фибробетона растянутой зоны к фибробетону сжатой зоны по формуле (6.28).
Допускается напряжение σs определять по формуле
, (6.33)
где es - расстояние от центра тяжести растянутой арматуры до точки приложения продольной силы N с учетом эксцентриситета, равного
.
Для элементов прямоугольного сечения при отсутствии (или без учета) сжатой арматуры значения zs и zbt в (6.33) допускается определять по формулам (6.31), в которые вместо x следует подставлять xm - высоту сжатой зоны фибробетона с учетом влияния продольной силы, определяемую согласно 6.2.16, принимая коэффициенты приведения арматуры и фибробетона растянутой зоны к фибробетону по формуле (6.28).
В формулах (6.32) и (6.33) знак "плюс" принимают при растягивающей, а знак "минус" при сжимающей продольной силе.
Напряжения σs не должны превышать значения расчетных сопротивлений арматуры растяжению для предельных состояний второй группы Rs,ser.
6.2.11 Значения базового расстояния между трещинами ls определяют по формуле
(6.34)
и принимают не более h;
kf - коэффициент, принимаемый равным:
1,0 - при
;
- при
;
0,5 - при
.
где df и lf - диаметр (диаметр окружности с площадью, равной средней площади поперечного волокна) и длина фибры;
φ2 - коэффициент, учитывающий профиль продольной арматуры, принимаемый равным:
0,5 - для арматуры периодического профиля;
0,8 - для гладкой арматуры;
φ3 - коэффициент, учитывающий характер нагружения, принимаемый равным:
0,5 - для элементов изгибаемых и внецентренно сжатых;
1,0 - для растянутых элементов;
ds - номинальный диаметр арматуры;
μfv - коэффициент фибрового армирования по объему.
Если при проведении расчетов значение коэффициента μfv не установлено, то в формулу (6.34) подставляют его минимально допустимое значение, рекомендованное в 8.4.
Если при проведении расчетов значения df и lf неизвестны, то коэффициент kf в формуле (6.34) принимают равным 1,0.
Значения Abt определяют по высоте растянутой зоны фибробетона xt, используя правила расчета момента образования трещин согласно указаниям 6.2.4 - 6.2.8.
Расчет фибробетонных элементов по прогибам
6.2.12 Расчет фибробетонных конструкций по прогибам следует выполнять в соответствии с 8.2.21, 8.2.22 СП 63.13330.2018.
Определение кривизны фибробетонных элементов
6.2.13 Кривизну изгибаемых, внецентренно сжатых и внецентренно растянутых фибробетонных элементов для вычисления их прогибов следует определять в соответствии с 8.2.23 ... 8.2.25 СП 63.13330.2018 с учетом 6.2.14 ... 6.2.18 настоящего свода правил.
Жесткость фибробетонного элемента на участке без трещин в растянутой зоне
6.2.14 Жесткость фибробетонного элемента D на участке без трещин определяют по формуле
D = Efb1·Ired, (6.35)
где Efb1 - модуль деформации сжатого фибробетона, определяемый в зависимости от продолжительности действия нагрузки;
Ired - момент инерции приведенного поперечного сечения относительно его центра тяжести, определяемый с учетом наличия или отсутствия трещин.
Момент инерции Ired приведенного поперечного сечения элемента относительно его центра тяжести определяют как для сплошного тела по общим правилам сопротивления упругих элементов с учетом всей площади сечения фибробетона и площадей сечения арматуры с коэффициентом приведения арматуры к фибробетону α:
Ired = I + Is·α + I's·α, (6.36)
где I - момент инерции фибробетонного сечения относительно центра тяжести приведенного поперечного сечения элемента;
Is, I's - моменты инерции площадей сечения растянутой и сжатой арматуры, соответственно, относительно центра тяжести приведенного поперечного сечения элемента;
α - коэффициент приведения арматуры к фибробетону
. (6.37)
Значение I определяют по общим правилам расчета геометрических характеристик сечений упругих элементов.
Допускается определять момент инерции Ired без учета арматуры.
Значения модуля деформации фибробетона в формулах (6.35), (6.37) принимают равными:
- при непродолжительном действии нагрузки:
Efb1 = 0,85·Efb, (6.38)
- при продолжительном действии нагрузки:
, (6.39)
где φb,cr - принимают по СП 63.13330.
Жесткость фибробетонного элемента на участке с трещинами в растянутой зоне
6.2.15 Жесткость фибробетонного элемента на участках с трещинами в растянутой зоне определяют с учетом следующих положений:
- сечения после деформирования остаются плоскими;
- напряжения в фибробетоне сжатой зоны определяют как для упругого тела;
- напряжения в фибробетоне растянутой зоны в сечении с нормальной трещиной определяют с учетом нелинейных свойств;
- работу растянутого фибробетона на участке между смежными нормальными трещинами учитывают посредством коэффициента ψs.
Жесткость фибробетонного элемента D на участках с трещинами определяют по формуле (6.35) и принимают не более жесткости без трещин.
Значение модуля деформации сжатого фибробетона Efb1 принимают равным значению приведенного модуля деформации Efb,red, определяемого по формуле
, (6.40)
в которой значения относительных деформаций εfb1,red принимают равными:
0,0015 - при непродолжительном действии нагрузки;
по СП 63.13330.2018 (таблица 6.10) - при продолжительном действии нагрузки.
Значение модуля деформации растянутого фибробетона Efbt1 принимают равным значению приведенного модуля деформации Efbt,red, определяемого по формуле
, (6.41)
где εfbt2 - предельные относительные деформации фибробетона при растяжении, принимаемые по 5.2.9 настоящего свода правил.
Момент инерции приведенного поперечного сечения элемента Ired относительно его центра тяжести определяют с учетом:
- площади сечения фибробетона сжатой зоны;
- площади сечения фибробетона растянутой зоны с условным коэффициентом приведения к фибробетону сжатой зоны αfbt;
- площади сечения сжатой арматуры с коэффициентом приведения арматуры к фибробетону сжатой зоны αs1;
- площади растянутой арматуры с коэффициентом приведения арматуры к фибробетону сжатой зоны αs2.
Ired = Ifb + Ifbt·αfbt + Is·αs2 + I's·αs1, (6.42)
где Ifb, Ifbt, Is, I's - моменты инерции площадей сечения соответственно сжатой и растянутой зоны фибробетона, растянутой и сжатой арматуры относительно центра тяжести приведенного поперечного сечения.
Значения Ifbt, Is, I's определяют по общим правилам сопротивления материалов, принимая расстояние от наиболее сжатого волокна фибробетона до центра тяжести приведенного поперечного сечения (рисунок 10); для изгибаемых элементов:
ycm = xm, (6.43)
где xm - средняя высота сжатой зоны фибробетона, учитывающая влияние работы растянутого фибробетона между трещинами и определяемая согласно 6.2.16 (рисунок 10).

1 - уровень центра тяжести поперечного сечения
Рисунок 10 - Приведенное поперечное сечение и схема напряженно-деформированного состояния элемента с трещинами для расчета его по деформациям при действии изгибающего момента
Значения Ifb и ycm определяют по общим правилам расчета геометрических характеристик сечений упругих элементов.
Значения коэффициентов приведения фибробетона растянутой зоны αfbt и арматуры к фибробетону αs1 и αs2 определяют по 6.2.18.
6.2.16 Для изгибаемых элементов положение нейтральной оси (средняя высота сжатой зоны фибробетона) определяют из уравнения
Sfb0 = αfbt·Sfbt0 + αs2·Ss0 - αs1·S's0, (6.44)
где Sfb0, Sfbt0, Ss0 и S's0 - статические моменты соответственно сжатой и растянутой зоны фибробетона, растянутой и сжатой арматуры относительно нейтральной оси.
Для прямоугольных сечений с растянутой и сжатой арматурой высоту сжатой зоны определяют по формуле
(6.45)
где
;
.
Для внецентренно сжатых и внецентренно растянутых элементов положение нейтральной оси (высоту сжатой зоны) определяют из уравнения
, (6.46)
где yN - расстояние от нейтральной оси до точки приложения продольной силы N, отстоящей от центра тяжести полного сечения (без учета трещин) на расстоянии
;
Ifb0, Ifbt0, Is0, I's0, Sfb0, Sfbt0, Ss0, S's0 - моменты инерции и статические моменты соответственно сжатой и растянутой зон фибробетона, растянутой и сжатой арматуры относительно нейтральной оси.
Допускается для элементов прямоугольного сечения высоту сжатой зоны при действии изгибающих моментов M и продольной силы N определять по формуле
, (6.47)
где xM - высота сжатой зоны изгибаемого элемента, определяемая по формулам (6.44) - (6.45);
Ired, Ared - момент инерции и площадь приведенного поперечного сечения, определяемые для полного сечения (без учета трещин).
Значения геометрических характеристик сечения элемента определяют по общим правилам расчета сечения упругих элементов.
В формуле (6.47) знак "плюс" принимают при сжимающей, а знак "минус" при растягивающей продольной силе.
6.2.17 Жесткость изгибаемых фибробетонных элементов допускается определять по формуле
D = Es,redAsz(h0 - xm), (6.48)
где z - расстояние от центра тяжести растянутой арматуры до точки приложения равнодействующей усилий в сжатой зоне.
Для элементов прямоугольного сечения при отсутствии (или без учета) сжатой арматуры значение z определяют по формуле
. (6.49)
Для элементов прямоугольного, таврового (с полкой в сжатой зоне) и двутаврового поперечных сечений значение z допускается принимать равным 0,8h0.
6.2.18 Значение условного коэффициента приведения фибробетона растянутой зоны сечения к фибробетону сжатой зоны принимают с учетом характера его деформирования при растяжении равным
. (6.50)
Значения коэффициентов приведения арматуры к фибробетону принимают равными:
- для сжатой арматуры
; (6.51)
- для растянутой арматуры
, (6.52)
где Efb,red и Efbt,red - определяют по 6.2.15;
Es,red - приведенный модуль деформации растянутой арматуры, определяемый с учетом влияния работы растянутого фибробетона между трещинами по формуле
. (6.53)
Значения коэффициента ψs следует определять по 8.2.31 СП 63.13330.2018.
Определение кривизны фибробетонных элементов на основе нелинейной деформационной модели
6.2.19 Кривизны фибробетонных элементов на участках без трещин и с трещинами в растянутой зоне сечения следует определять по 6.2.13, при этом:
- при определении кривизн от непродолжительного действия нагрузки в расчете используют диаграммы кратковременного деформирования сжатого и растянутого фибробетона, а при определении кривизн от продолжительного действия нагрузки - диаграммы длительного деформирования фибробетона с расчетными характеристиками для предельных состояний второй группы;
- для элементов с нормальными трещинами в растянутой зоне напряжение в арматуре, пересекающей трещины, определяют по 8.2.32 СП 63.13330.2018 по значениям усредненных на участке между нормальными трещинами относительных деформаций пересекающей трещины растянутой арматуры.
7.1.1 При расчете предварительно напряженных фибробетонных конструкций следует учитывать снижение предварительных напряжений вследствие потерь предварительного напряжения арматуры до передачи усилий натяжения на фибробетон (первые потери) и после передачи усилия натяжения на фибробетон (вторые потери).
7.1.2 Потери предварительного напряжения арматуры следует учитывать по 9.1 СП 63.13330.2018.
Расчет предварительно напряженных фибробетонных элементов по прочности
7.2.1 Расчет предварительно напряженных фибробетонных элементов следует производить для стадии эксплуатации на действие изгибающих моментов и поперечных сил от внешних нагрузок и для стадии предварительного обжатия на действие усилий от предварительного натяжения арматуры и усилий от внешних нагрузок, действующих в стадии обжатия.
Расчет следует выполнять с учетом с положений 9.2.1 ... 9.2.6 СП 63.13330.2018.
Расчет предварительно напряженных элементов на действие изгибающих моментов в стадии эксплуатации по предельным усилиям
7.2.2 Расчет по прочности нормальных сечений следует производить согласно 6.1 настоящего свода правил с учетом 9.2.7 ... 9.2.9 СП 63.13330.2018. При этом в формулах подраздела 6.1 обозначения площадей сечения As и A's следует относить как к напрягаемой, так и к ненапрягаемой арматуре.
Расчет предварительно напряженных элементов в стадии предварительного обжатия
7.2.3 При расчете элемента в стадии предварительного обжатия усилие в напрягаемой арматуре вводится в расчет как внешняя продольная сила Np, определяемая по 9.2.10 СП 63.13330.2018.
7.2.4 Расчет по прочности элементов прямоугольного сечения в стадии предварительного обжатия производят из условия:
, (7.1)
где ep - расстояние от точки приложения продольной силы Np с учетом влияния изгибающего момента M от внешней нагрузки, действующей в стадии изготовления (собственная масса элемента), до центра тяжести сечения ненапрягаемой арматуры растянутой или наименее сжатой (при полностью сжатом сечении элемента) от этих усилий (рисунок 20), определяемое по формуле
, (7.2)
e0p - расстояние от точки приложения силы Np до центра тяжести сечения элемента;
Rfb - расчетное сопротивление фибробетона сжатию, принимаемое по линейной интерполяции как для класса фибробетона по прочности на сжатие, численно равного передаточной прочности фибробетона Rfbp;
Rfbt3 - расчетное сопротивление фибробетона растяжению, принимаемое по линейной интерполяции по таблице 2 как для класса фибробетона по остаточной прочности на растяжение, численно равного передаточной прочности фибробетона на растяжение Rfbtp;
Rsc - расчетное сопротивление ненапрягаемой арматуры сжатию, принимаемое в стадии предварительного обжатия не более 330 МПа;
A's - площадь сечения ненапрягаемой арматуры, расположенной в наиболее сжатой зоне сечения элемента.
Высоту сжатой зоны фибробетона определяют в зависимости от значения ξR, определяемого по формуле (6.1) с подстановкой в нее значения
, где Rs - расчетное сопротивление растянутой ненапрягаемой арматуры As, и εfb2 = 0,003:
а) при
(рисунок 11) - по формуле
; (7.3)
б) при
- по формуле
. (7.4)

Рисунок 11 - Схема усилий и эпюра напряжений в сечении, нормальном к продольной оси изгибаемого предварительно напряженного элемента при его расчете по прочности в стадии обжатия
7.2.5 Расчет по прочности элементов таврового и двутаврового сечений в стадии предварительного обжатия производят в зависимости от положения границы сжатой зоны:
если граница сжатой зоны проходит в полке (рисунок 5, а), т.е. соблюдается условие
Np≤ Rfb·b'f·h'f - Rfbt3·[bf·hf+ bw·(h - hf- h'f)] + Rsc·A's - Rs·As, (7.5)
расчет производят из условия:
Np·ep≤ Rfb·b'f·x·(h0 - 0,5x) - Rfbt3·[bf·hf·(0,5hf- a) + bw·hw·(0,5hw+ hf- a) +
+ b'f·(h'f - x)·(h0 - 0,5·(h'f + x))] + Rsc·A's·(h0 - a'), (7.6)
; (7.7)
где e0p - см. 7.2.4;
zs - расстояние от центра тяжести сечения элемента до растянутой (наименее сжатой) ненапрягаемой арматуры.
Высоту сжатой зоны определяют:
при
- по формуле
; (7.8)
при
- по формуле
; (7.9)
если граница сжатой зоны проходит в ребре (рисунок 5, б), т.е. условие (7.5) не соблюдается, расчет производят из условия
Np·ep≤ Rfb·[b'f·h'f·(h0 - 0,5·h'f) + bw·(x - h'f)·(h0 - hf- 0,5·x + 0,5·h'f)] –
- Rfbt3[bf·hf·(0,5hf - a) + bw·(h0 + h'f - x)·(h0 - 0,5·(x + hw + h'f)) +
+ bf·hf·(0,5·hf - a)] + Rsc·A's·(h0 - a'), (7.10)
высоту сжатой зоны определяют:
а) при
- по формуле
; (7.11)
б) при
- по формуле
. (7.12)
Расчет по прочности нормальных сечений на основе нелинейной деформационной модели
7.2.6 При расчете по прочности на основе нелинейной деформационной модели усилия и деформации в сечении, нормальном к продольной оси элемента, определяют согласно 9.2.13 ... 9.2.15 СП 63.13330.2018 и 6.1.13 настоящего свода правил.
7.3.1 Расчеты фибробетонных конструкций по предельным состояниям второй группы следует производить с учетом положений 9.3.1 ... 9.3.4 СП 63.13330 и 7.3.2 ... 7.3.8 настоящего свода правил.
Расчет предварительно напряженных фибробетонных элементов по образованию и раскрытию трещин
7.3.2 Расчет предварительно напряженных изгибаемых элементов по образованию и раскрытию трещин следует производить исходя из положений, указанных в разделе 6.2 и с учетом 7.3.3 ... 7.3.8.
Определение момента образования трещин, нормальных к продольной оси элемента
7.3.3 Изгибающий момент Mcrc при образовании трещин в общем случае следует определять по деформационной модели согласно 7.3.9. Для простых сечений (прямоугольного и таврового сечений с арматурой, расположенной у верхней и нижней граней сечения, с полкой в сжатой зоне) момент трещинообразования определять допускается согласно 7.3.7.
7.3.4 Момент образования трещин следует определять с учетом неупругих деформаций растянутого фибробетона по 7.3.5.
Допускается момент образования трещин определять без учета неупругих деформаций растянутого фибробетона, принимая в формуле (7.13) Wpl = Wred. Если при этом требования по второй группе предельных состояний не удовлетворяются, то момент образования трещин следует определять с учетом неупругих деформаций растянутого фибробетона.
7.3.5 Момент образования трещин предварительно напряженных изгибаемых элементов с учетом неупругих деформаций растянутого фибробетона определяют по формуле
Mcrc = Rfbt,ser·Wpl ± P·eяр, (7.13)
где Wpl - момент сопротивления приведенного сечения для крайнего растянутого волокна, определяемый с учетом положений 6.2.6;
eяр = e0p + r - расстояние от точки приложения усилия предварительного обжатия P до ядровой точки, наиболее удаленной от растянутой зоны, трещинообразование которой проверяется;
e0p - то же, до центра тяжести приведенного сечения;
r - расстояние от центра тяжести приведенного сечения до ядровой точки определяют по формуле
. (7.14)
В формуле (7.13) знак "плюс" принимают, когда направления вращения моментов P·eяр и внешнего изгибающего момента M противоположны; "минус" - когда направления совпадают.
Значения Wred и Ared определяют по 6.2.7.
Для прямоугольных сечений значение Wpl при действии момента в плоскости оси симметрии допускается определять по формуле (6.26).
7.3.6 Определение момента образования трещин на основе нелинейной деформационной модели производят исходя из 7.2.6, при этом расчетные характеристики материалов принимают для предельных состояний второй группы.
Значение Mcrc определяют, принимая относительную деформацию фибробетона εbt,max у растянутой грани элемента от действия внешней нагрузки, равной предельному значению относительной деформации фибробетона при растяжении εfbt,ult, установленному по 6.1.13.
Расчет ширины раскрытия трещин, нормальных к продольной оси элемента
7.3.7 Ширину раскрытия нормальных трещин определяют по 8.2.15 СП 63.13330.2018 с учетом 7.3.8.
7.3.8 Напряжения σs в растянутой арматуре изгибаемых предварительно напряженных элементов от внешней нагрузки определяют по формуле
, (7.15)
где Ired, Ared, yc - момент инерции, площадь приведенного поперечного сечения элемента и расстояние от наиболее сжатого волокна до центра тяжести приведенного сечения, определяемые с учетом площади сечения сжатой и растянутой зон фибробетона, площадей сечения растянутой и сжатой арматуры согласно 6.2.14, принимая в соответствующих формулах значения коэффициентов приведения αs1, αs2 и αfbt по формуле (6.28);
Np - усилие предварительного обжатия;
Mp - изгибающий момент от внешней нагрузки и усилия предварительного обжатия, определяемый по формуле
Mp = M ± Np·e0p, (7.16)
e0p - расстояние от точки приложения усилия предварительного обжатия Np до центра тяжести приведенного сечения.
Знак "минус" в формуле (7.16) принимают, когда направления вращений моментов M и Np·e0p не совпадают, и "плюс" - когда совпадают.
Допускается напряжение σs определять по формуле
, (7.17)
где z - расстояние от центра тяжести арматуры, расположенной в растянутой зоне сечения, до точки приложения равнодействующей усилий в сжатой зоне элемента;
Abt - площадь растянутой зоны сечения элемента;
esp - расстояние от центра тяжести той же арматуры до точки приложения усилия Np;
zbt - расстояние от точки приложения равнодействующей усилий в растянутой зоне элемента до точки приложения равнодействующей усилий в сжатой зоне элемента.
Для элементов прямоугольного поперечного сечения при отсутствии (или без учета) сжатой арматуры значение z определяют по формуле
;
. (7.18)
Высоту сжатой зоны сечения xN элементов прямоугольного, таврового (с полкой в сжатой зоне) и двутаврового поперечного сечения определяют, как для изгибаемых элементов без преднапряжения согласно 6.2.16 с умножением значения μs на
. В первом приближении значение z допускается определять, принимая расстояние от точки приложения равнодействующей усилий в сжатой зоне до наиболее сжатого волокна сечения равным 0,3h0.
Напряжения σs, определяемые по формулам (7.15) и (7.17), не должны превышать (Rs,ser - σsp).
Расчет предварительно напряженных фибробетонных элементов по прогибам
7.3.9 Расчет предварительно напряженных элементов по прогибам следует производить по указаниям 6.2.12 - 6.2.19 и с учетом указаний 7.3.10, 7.3.11.
7.3.10 Кривизну изгибаемых предварительно напряженных элементов
от действия соответствующих нагрузок определяют по формуле
, (7.19)
где M - изгибающий момент от внешней нагрузки;
Np и e0p - усилие предварительного обжатия и его эксцентриситет относительно центра тяжести приведенного поперечного сечения элемента;
D - изгибная жесткость приведенного поперечного сечения элемента, определяемая по 6.2 как для внецентренно сжатого усилием предварительного обжатия элемента с учетом изгибающего момента от внешней нагрузки (рисунок 12).

1 - уровень центра тяжести приведенного без учета растянутой зоны фибробетона поперечного сечения
Рисунок 12 - Приведенное поперечное сечение и схема напряженно-деформированного состояния изгибаемого предварительно напряженного элемента с трещинами при его расчете по деформациям
Определение кривизны предварительно напряженных элементов на основе нелинейной деформационной модели
7.3.11 Кривизны фибробетонных элементов на участках без трещин и с трещинами в растянутой зоне сечения следует определять по 6.2.19, при этом для элементов с нормальными трещинами в растянутой зоне напряжение в напрягаемой арматуре, пересекающей трещины, определяют по 9.3.16 СП 63.13330.2018.
8.1 Для обеспечения безопасности и эксплуатационной пригодности фибробетонных конструкций помимо требований к расчету следует также выполнять конструктивные требования к геометрическим размерам и армированию.
8.2 Геометрические размеры фибробетонных конструкций и их армирование стержневой арматурой должны соответствовать требованиям СП 63.13330, установленным к геометрическим размерам и армированию бетонных и железобетонных конструкций из бетона без содержания фибры, и 8.3 - 8.6 настоящего свода правил.
8.3 Базовую (основную) длину анкеровки, необходимую для передачи усилия в арматуре с полным расчетным значением сопротивления Rs на фибробетон, определяют по формуле
, (8.1)
где As и us - соответственно площадь поперечного сечения анкеруемого стержня арматуры и периметр его сечения, определяемые по номинальному диаметру стержня;
Rbond - расчетное сопротивление сцепления арматуры с бетоном, принимаемое равномерно распределенным по длине анкеровки и определяемое по формуле
Rbond = η1·η2·Rfbt, (8.2)
где Rfbt - расчетное сопротивление фибробетона осевому растяжению;
η1 и η2 - коэффициенты, учитывающие влияние вида поверхности и размера диаметра арматуры, принимаемые по СП 63.13330.
8.4 Коэффициент фибрового армирования по объему рекомендуется принимать в пределах 0,005 ≤μfv ≤ 0,018. Для конструкций подверженных истирающим воздействиям или при предъявлении к ним повышенных требований к трещиностойкости допускается, при наличии экономического обоснования, принимать больший коэффициент фибрового армирования по объему.
8.5 Фракции крупного заполнителя для фибробетонной смеси рекомендуется принимать не более 20 мм.
8.6 Толщину защитного слоя фибробетона с неметаллической фиброй назначают согласно СП 63.13330 с учетом типа конструкции, роли арматуры в конструкциях (продольная рабочая, поперечная, распределительная, конструктивная арматура), условий окружающей среды и диаметра арматуры.
Приложение А
(справочное)
Усилия от внешних нагрузок и воздействий в поперечном сечении элемента
|
M |
- |
изгибающий момент; |
|
Mp |
- |
изгибающий момент с учетом момента усилия предварительного обжатия относительно центра тяжести приведенного сечения; |
|
N |
- |
продольная сила; |
|
Q |
- |
поперечная сила; |
Характеристики материалов
|
Rfb,n |
- |
нормативное сопротивление фибробетона осевому сжатию; |
|
Rfb, Rfb,ser |
- |
расчетные сопротивления фибробетона осевому сжатию для предельных состояний соответственно первой и второй групп; |
|
Rfbt,n |
- |
нормативное сопротивление фибробетона осевому растяжению; |
|
Rfbt, Rfbt,ser |
- |
расчетные сопротивления фибробетона осевому растяжению для предельных состояний соответственно первой и второй групп; |
|
Rfbt2,n |
- |
нормативное остаточное сопротивление фибробетона растяжению, соответствующее значению перемещений внешних граней надреза 0,5 мм при испытаниях на изгиб; |
|
Rfbt3,n |
- |
нормативное остаточное сопротивление фибробетона растяжению, соответствующее значению перемещений внешних граней надреза 2,5 мм при испытаниях на изгиб; |
|
Rfbt2, Rfbt2,ser |
- |
расчетные остаточные сопротивления фибробетона растяжению для предельных состояний соответственно первой и второй групп; |
|
Rfbt3, Rfbt3,ser |
- |
расчетные остаточные сопротивления фибробетона растяжению для предельных состояний соответственно первой и второй групп; |
|
Rfb,loc |
- |
расчетное сопротивление фибробетона смятию; |
|
Rbond |
- |
расчетное сопротивление сцепления арматуры с фибробетоном; |
|
Rs, Rs,ser |
- |
расчетные сопротивления арматуры растяжению для предельных состояний соответственно первой и второй групп; |
|
Rsw |
- |
расчетное сопротивление поперечной арматуры растяжению; |
|
Rsc |
- |
расчетное сопротивление арматуры сжатию для предельных состояний первой группы; |
|
Efb |
- |
начальный модуль упругости фибробетона при сжатии и растяжении; |
|
Efb,red |
- |
приведенный модуль деформации сжатого фибробетона; |
|
Efbt,red |
- |
приведенный модуль деформации растянутого фибробетона; |
|
Es |
- |
модуль упругости арматуры; |
|
Es,red |
- |
приведенный модуль деформации арматуры, расположенной в растянутой зоне элемента с трещинами; |
|
εfbo, εfbto |
- |
предельные относительные деформации фибробетона соответственно при равномерном осевом сжатии и осевом растяжении; |
|
εso |
- |
относительные деформации арматуры при напряжении, равном Rs; |
|
εfb,sh |
- |
относительные деформации усадки фибробетона; |
|
φb,cr |
- |
коэффициент ползучести фибробетона; |
|
α |
- |
отношение соответствующих модулей упругости арматуры Es и фибробетона Efb. |
Характеристики положения продольной арматуры в поперечном сечении элемента
|
S |
- |
обозначение продольной арматуры: а) при наличии сжатой и растянутой от действия внешней нагрузки зон сечения - расположенной в растянутой зоне; б) при полностью сжатом от действия внешней нагрузки сечении - расположенной у менее сжатой грани сечения; в) при полностью растянутом от действия внешней нагрузки сечении: - для внецентренно растянутых элементов - расположенной у более растянутой грани сечения; - для центрально-растянутых элементов - всей в поперечном сечении элемента; |
|
S' |
- |
обозначение продольной арматуры: а) при наличии сжатой и растянутой от действия внешней нагрузки зон сечения - расположенной в сжатой зоне; б) при полностью сжатом от действия внешней нагрузки сечении - расположенной у более сжатой грани сечения; в) при полностью растянутом от действия внешней нагрузки сечении внецентренно растянутых элементов - расположенной у менее растянутой грани сечения. |
Геометрические характеристики
|
b |
- |
ширина прямоугольного сечения; ширина ребра таврового и двутаврового сечений; |
|
bf, b'f |
- |
ширина полки таврового и двутаврового сечений соответственно в растянутой и сжатой зонах; |
|
h |
- |
высота прямоугольного, таврового и двутаврового сечений; |
|
hf, h'f |
- |
высота полки таврового и двутаврового сечений в растянутой и сжатой зонах, соответственно; |
|
a, a' |
- |
расстояние от равнодействующей усилий в арматуре S и S', соответственно, до ближайшей грани сечения; |
|
h0, h'0 |
- |
рабочая высота сечения, равная (h - a) и (h - a') соответственно; |
|
x |
- |
высота сжатой зоны фибробетона; |
|
ξ |
- |
относительная высота сжатой зоны фибробетона, равная |
|
sw |
- |
расстояние между хомутами, измеренное по длине элемента; |
|
e0 |
- |
эксцентриситет продольной силы N относительно центра тяжести приведенного сечения, определяемый с учетом 7.1.7 и 8.1.7; |
|
e, e' |
- |
расстояния от точки приложения продольной силы N до равнодействующей усилий в арматуре S и S', соответственно; |
|
e0p |
- |
эксцентриситет усилия предварительного обжатия относительно центра тяжести приведенного сечения; |
|
yn |
- |
расстояние от нейтральной оси до точки приложения усилия предварительного обжатия с учетом изгибающего момента от внешней нагрузки; |
|
ep |
- |
расстояние от точки приложения усилия предварительного обжатия Np с учетом изгибающего момента от внешней нагрузки до центра тяжести растянутой или наименее сжатой арматуры; |
|
l |
- |
пролет элемента; |
|
lan |
- |
длина зоны анкеровки; |
|
lp |
- |
длина зоны передачи предварительного напряжения в арматуре на фибробетон; |
|
l0 |
- |
расчетная длина элемента, подвергающегося действию сжимающей продольной силы; |
|
i |
- |
радиус инерции поперечного сечения элемента относительно центра тяжести сечения; |
|
ds, dsw |
- |
номинальный диаметр стержней продольной и поперечной арматуры, соответственно; |
|
As, A's |
- |
площади сечения арматуры S и S', соответственно; |
|
Asw |
- |
площадь сечения хомутов, расположенных в одной нормальной к продольной оси элемента плоскости, пересекающей наклонное сечение; |
|
μs |
- |
коэффициент армирования, определяемый как отношение площади сечения арматуры S к площади поперечного сечения элемента b·h0 без учета свесов сжатых и растянутых полок; |
|
μfν |
- |
коэффициент фибрового армирования по объему, определяемый как относительное содержание объема фибр в единице объема фибробетона; |
|
A |
- |
площадь всего фибробетона в поперечном сечении; |
|
Ab |
- |
площадь сечения фибробетона сжатой зоны; |
|
Abt |
- |
площадь сечения фибробетона растянутой зоны; |
|
Ared |
- |
площадь приведенного сечения элемента; |
|
Aloc |
- |
площадь смятия фибробетона; |
|
I |
- |
момент инерции сечения всего фибробетона относительно центра тяжести сечения элемента; |
|
Ired |
- |
момент инерции приведенного сечения элемента относительно его центра тяжести; |
|
W |
- |
момент сопротивления сечения элемента для крайнего растянутого волокна. |
Характеристики предварительно напряженного элемента
|
P, Np |
- |
усилие предварительного обжатия с учетом потерь предварительного напряжения в арматуре, соответствующих рассматриваемой стадии работы элемента; |
|
P(1), P(2) |
- |
усилие в напрягаемой арматуре с учетом соответственно первых и всех потерь предварительного напряжения; |
|
σsp |
- |
предварительное напряжение в напрягаемой арматуре с учетом потерь предварительного напряжения в арматуре, соответствующих рассматриваемой стадии работы элемента; |
|
Δσsp |
- |
потери предварительного напряжения в арматуре; |
|
σbp |
- |
сжимающие напряжения в фибробетоне в стадии предварительного обжатия с учетом потерь предварительного напряжения в арматуре. |
Приложение Б
(обязательное)
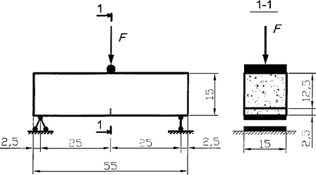
Б.1 Метод испытания
Остаточная прочность фибробетона на растяжение определяется по результатам испытаний контрольных образцов-балок с надрезом на действие сосредоточенной нагрузки (рисунок Б.1).

Рисунок Б.1 - Схема испытания образца
Б.2 Приборы
Б.2.1 Циркулярная пила с лезвием из корунда или алмаза с регулируемой глубиной и направлением резки под углом 90° для выполнения надрезов контрольных образцов.
Б.2.2 Штангенциркуль для определения размеров испытательных образцов с точностью не менее 0,1 мм.
Б.2.3 Линейка для определения размеров испытательных образцов с точностью до 1 мм.
Б.2.4 Испытательная машина по ГОСТ 28840, обеспечивающая регулируемую скорость перемещения активной траверсы в диапазоне и измерение нагрузки и перемещения с погрешностью не более 0,5%. Минимальное регистрируемое значение для нагрузки должно быть не более 100 Н.
Б.2.5 Датчики измерения линейного перемещения (прогибов f или перемещений внешних граней надреза afi) с точностью до 0,01 мм.
Б.3 Образцы
Б.3.1 Испытательные образцы должны быть изготовлены в форме призмы (балки) стандартных размеров: ширина b = 150 мм, высота h = 150 мм и длина L = 550 мм. Число образцов для испытаний - не менее 6.
Б.3.2 Испытательные образцы изготавливают и подготавливают к испытаниям согласно требованиям ГОСТ 10180 (раздел 4) и с учетом требований Б.3.3 и Б.3.4.
Б.3.3 Порядок заполнения формы бетонной или фибробетонной смесью следует принимать согласно приведенному на рисунке Б.2. Объем заполнения формы в центральной части (участок 1 на рисунке Б.2) должен быть равен суммарному объему заполнения крайних участков (участки 2 на рисунке Б.2). Первоначально форму следует заполнить приблизительно на 90% высоты испытательного образца и уплотнить на виброплощадке. При формовании образцов из самоуплотняющейся фибробетонной смеси форма заполняется и выравнивается без вибрации.

1, 2 - этапы заполнения формы
Рисунок Б.2 - Порядок заполнения формы
Б.3.4 Для выполнения надрезов в испытательных образцах используют мокрую резку. Надрез следует производить посередине образца в повернутом на 90° вокруг продольной оси положении (рисунок Б.3).

1 - верхняя поверхность бетонирования; 2 - надрез
Рисунок Б.3 - Расположение надреза, выполненного в испытательном образце
Ширина прорези должна быть не более 5 мм, глубина - (25 ± 1) мм, расстояние между вершиной надреза и верхней гранью образца hsp - (125 ± 1) мм.
Прорезь в образцах следует выполнять не ранее чем через 3 сут с момента их изготовления и не позднее чем за 3 ч до испытания.
Б.4 Подготовка испытательных образцов к испытанию
Б.4.1 Ширину образца и расстояние между вершиной надреза и верхней гранью образца следует определять по среднему из двух измерений, выполняемых штангенциркулем с точностью до 0,1 мм.
Б.4.2 Длину пролета образца следует определять на основании двух измерений расстояния по оси между опорными роликами с обеих сторон образца с помощью линейки с точностью 1 мм.
Б.5 Проведение испытаний
Б.5.1 В начале нагружения образца скорость перемещения активной траверсы испытательной машины следует принимать из условия обеспечения скорости приращения перемещений внешних граней надреза aF на 0,05 мм/мин, а после достижения перемещений внешних граней надреза значения aF = 1,0 мм - из условия обеспечения скорости приращения перемещений внешних граней надреза на 0,2 мм/мин.
Б.5.2 Испытания необходимо проводить до достижения значения перемещений внешних граней надреза aF = 4 мм, или до разрушения образца - в зависимости от того, что наступит раньше.
Б.5.3 Результаты испытаний, в ходе которых образование трещин зафиксировано за пределами надреза, считаются недействительными.
Б.6 Обработка результатов
Б.6.1 В ходе испытаний для каждого образца строят графики "F-aF" (рисунок Б.4).

Рисунок Б.4 - График "нагрузка-перемещение внешних граней надреза"
Б.6.2 Для каждого образца с точностью до 0,1 Н/мм2 определяют значения прочности RF0,5 и RF2,5 с учетом неупругих свойств фибробетона по формулам:
, (Б.1)
, (Б.2)
где F0,5 - значение нагрузки, соответствующее перемещению внешних граней надреза aF = 0,5 мм;
F2,5 - значение нагрузки, соответствующее перемещению внешних граней надреза aF = 2,5 мм;
l - длина пролета, мм;
b - ширина сечения образца, мм;
hsp - расстояние между вершиной надреза и верхней гранью образца, мм;
kF0,5 = 0,4 и kF2,5 = 0,34 - коэффициенты учета неупругих деформаций в фибробетоне растянутой зоны образца.
Б.6.3 Нормативные значения остаточной прочности фибробетона на растяжение определяют по формулам:
Rfbt2,n = RF0,5,m·(1-ks·νF0,5,m); (Б.3)
Rfbt3,n = RF2,5, m·(1 - ks·νF2,5,m), (Б.4)
где RF0,5,m и RF2,5,m - средние значения остаточной прочности фибробетона на растяжение, Н/мм2;
ks - коэффициент, принимаемый по таблице Б.1а в зависимости от числа единичных значений прочности бетона в контролируемой конструкции n.
|
Число единичных результатов испытаний n |
Значение коэффициента ks |
|
3 |
3,15 |
|
4 |
2,68 |
|
5 |
2,46 |
|
6 |
2,34 |
|
7 |
2,25 |
|
8 |
2,19 |
|
9 |
2,14 |
|
10 |
2,10 |
|
12 |
2,05 |
|
14 |
2,00 |
|
16 |
1,98 |
|
18 |
1,95 |
|
20 и более |
1,93 |
vF0,5,m и vF2,5,m - коэффициенты вариации, которые определяют по формулам:
, (Б.5)
, (Б.6)
SF0,5,m и SF2,5,m - среднеквадратичные отклонения, которые определяют по формулам:
, (Б.7)
; (Б.8)
n - число контрольных образцов-балок.
Значение коэффициента вариации для серии образцов не должно превышать 0,15.
Индекс подкласса фибробетона с неметаллической фиброй по остаточной прочности на осевое растяжение допускается устанавливать по ГОСТ Р 59535.
Б.6.4 В случае, если испытания контрольных образцов на осевое растяжение не производятся, класс фибробетона по прочности на осевое растяжение допускается назначать по результатам испытаний контрольных образцов-балок на изгиб в следующей последовательности.
Для каждого образца с точностью до 0,1 Н/мм2 определяют значения прочности RFel по формуле
, (Б.9)
где Fel - максимальное значение нагрузки в интервале значений перемещения внешних граней надреза 0 F ≤ 0,05 мм;
kFel = 0,6 - коэффициент учета неупругих деформаций в фибробетоне растянутой зоны образца.
Вычисляют нормативные значения прочности фибробетона на растяжение:
Rfbt,n = RFel, m·(1 - ks·νFel,m), (Б.10)
где RFel,m - среднее значение прочности фибробетона на растяжение, Н/мм2;
vFel,m - коэффициент вариации:
, (Б.11)
SFel,m - среднее квадратичное отклонение:
. (Б.12)
Б.6.5 Если в процессе испытаний фиксируются только прогибы образца, связь между aF и прогибом f принимают в виде
f = 0,85·aF + 0,04, (Б.13)
где f - прогиб, мм;
aF - значение aF, мм, которое:
- в случае если расстояние y от оси датчика перемещений до нижней грани испытуемого образца равно нулю - принимают равным измеренному в процессе испытания значению;
- в противном случае - вычисляют по формуле
, (Б.14)
h - полная высота образца.
Перевод графиков "нагрузка F-перемещение внешних граней надреза aF" производят путем преобразования оси aF, выполняемого с использованием значений, приведенных в таблице Б.1.
|
aF, мм |
f, мм |
|
0,05 |
0,08 |
|
0,10 |
0,13 |
|
0,20 |
0,21 |
|
0,50 |
0,47 |
|
1,50 |
1,32 |
|
2,50 |
2,17 |
|
3,50 |
3,02 |
|
4,00 |
3,44 |


