СП 315.1325800.2017 (28.12.2023) ТЕПЛОВЫЕ СЕТИ БЕСКАНАЛЬНОЙ ПРОКЛАДКИ. ПРАВИЛА ПРОЕКТИРОВАНИЯ
Утв. Приказом Министерства строительства и жилищно-коммунального хозяйства РФ от 20 октября 2017 г. N 1456/пр
Свод правил СП-315.1325800.2017
"ТЕПЛОВЫЕ СЕТИ БЕСКАНАЛЬНОЙ ПРОКЛАДКИ. ПРАВИЛА ПРОЕКТИРОВАНИЯ"
С изменениями:
(28 декабря 2023 г.)
Thermal networks laid in a ground. Design rules
Дата введения - 21 апреля 2018 г.
Предисловие
Сведения о своде правил
1 ИСПОЛНИТЕЛИ - Открытое акционерное общество "Объединение ВНИПИэнергопром" (ОАО "ВНИПИэнергопром") и Акционерное общество "Инжпроектсервис" (АО "Инжпроектсервис")
2 ВНЕСЕН Техническим комитетом по стандартизации ТК 465 "Строительство"
3 ПОДГОТОВЛЕН К УТВЕРЖДЕНИЮ Департаментом градостроительной деятельности и архитектуры Министерства строительства и жилищно-коммунального хозяйства Российской Федерации (Минстрой России)
4 УТВЕРЖДЕН Приказом Министерства строительства и жилищно-коммунального хозяйства Российской Федерации от 20 октября 2017 г. N 1456/пр и введен в действие с 21 апреля 2018 г.
5 ЗАРЕГИСТРИРОВАН Федеральным агентством по техническому регулированию и метрологии (Росстандарт)
6 ВВЕДЕН ВПЕРВЫЕ
В случае пересмотра (замены) или отмены настоящего свода правил соответствующее уведомление будет опубликовано в установленном порядке. Соответствующая информация, уведомление и тексты размещаются также в информационной системе общего пользования - на официальном сайте разработчика (Минстрой России) в сети Интернет
Введение
Настоящий свод правил разработан в целях соблюдения требований Федерального закона от 30 декабря 2009 г. N 384-ФЗ "Технический регламент о безопасности зданий и сооружений", а также с учетом федеральных законов от 29 декабря 2004 г. N 190-ФЗ "Градостроительный кодекс Российской Федерации", от 29 июня 2015 г. N 162-ФЗ "О стандартизации в Российской Федерации", от 27 декабря 2002 г. N 184-ФЗ "О техническом регулировании", от 22 июля 2008 г. N 123-ФЗ "Технический регламент о требованиях пожарной безопасности", от 23 ноября 2009 г. N 261-ФЗ "Об энергосбережении и повышении энергетической эффективности и о внесении изменений в отдельные законодательные акты Российской Федерации".
Настоящий свод правил разработан в развитие требований СП 124.13330.
Настоящий свод правил разработан авторским коллективом ОАО "ВНИПИэнергопром" (И.Б. Новиков - руководитель темы, А.И. Коротков, Н.Н. Новикова, С.В. Романов, Е.В. Кружечкина); АО "Инжпроектсервис" (М.А. Степанов, Е.В. Фомичева, Е.И. Калугина) при участии ООО "Проникс Групп" (А.В. Жаворонков, А.В. Кожевников), ГБУ "Мосгоргеотрест" (А.С. Исаев), ООО "Группа ПОЛИМЕРТЕПЛО", АО "Моспроект" (А.В. Фишер), АО "МОЭК-проект" (А.И. Лейтман, Е.Л. Заморенова), ООО "ВЭП-инжиниринг", НП "Российское теплоснабжение", НО "Ассоциация производителей и потребителей трубопроводов с индустриальной полимерной изоляцией", ОАО "НИИпроектасбест", НО "Хризотиловая ассоциация", ГУП "НИИМосстрой" и ЗАО "НИИасбестцемент".
Изменение N 1 к СП 315.1325800.2017 выполнено авторским коллективом: ПАО "Мосэнерго" (И.Б. Новиков - руководитель работы, Е.В. Емельянова), НО АППТИПИ (Л.Д. Трошина), АО "Инжпроектсервис" (Е.В. Фомичева), ООО "ВЭП-инжиниринг" (Н.Н. Новикова).
1.1 Настоящий свод правил распространяется на тепловые сети бесканальной прокладки и устанавливает требования к их проектированию и строительству.
В настоящем своде правил использованы нормативные ссылки на следующие документы:
ГОСТ 12.1.004-91 Система стандартов безопасности труда. Пожарная безопасность. Общие требования
ГОСТ 21.705-2016 Система проектной документации для строительства. Правила выполнения рабочей документации тепловых сетей
ГОСТ 14254-2015 (IEC 60529:2013) Степени защиты, обеспечиваемые оболочками (Код IP)
ГОСТ 30732-2020 Трубы и фасонные изделия стальные с тепловой изоляцией из пенополиуретана с защитной оболочкой. Технические условия
ГОСТ 31416-2009 Трубы и муфты хризотилцементные. Технические условия
ГОСТ Р 54468-2011 Трубы гибкие с тепловой изоляцией для систем теплоснабжения, горячего и холодного водоснабжения. Общие технические условия
ГОСТ Р 55068-2012 Трубы и детали трубопроводов из композитных материалов на основе эпоксидных связующих, армированных стекло- и базальтоволокнами. Технические условия
ГОСТ Р 55596-2013 Сети тепловые. Нормы и методы расчета на прочность и сейсмические воздействия
ГОСТ Р 56227-2014 Трубы и фасонные изделия стальные в пенополимерминеральной изоляции. Технические условия
ГОСТ Р 56380-2021 Сети теплоснабжения и горячего водоснабжения из предизолированных труб. Дистанционный контроль качества
СП 18.13330.2019 "Производственные объекты. Планировочная организация земельного участка (СНиП II-89-80* Генеральные планы промышленных предприятий)" (с изменениями N 1, N 2)
СП 34.13330.2021 "СНиП 2.05.02-85* Автомобильные дороги"
СП 42.13330.2016 "СНиП 2.07.01-89* Градостроительство. Планировка и застройка городских и сельских поселений" (с изменениями N 1, N 2, N 3, N 4)
СП 45.13330.2017 "СНиП 3.02.01-87 Земляные сооружения, основания и фундаменты" (с изменениями N 1, N 2, N 3)
СП 61.13330.2012 "СНиП 41-03-2003 Тепловая изоляция оборудования и трубопроводов" (с изменением N 1)
СП 74.13330.2011 "СНиП 3.05.03-85 Тепловые сети"
СП 124.13330.2012 "СНиП 41-02-2003 Тепловые сети" (с изменениями N 1, N 2, N 3)
СП 131.13330.2020 "СНиП 23-01-99* Строительная климатология" (с изменениями N 1, N 2)
Примечание - При пользовании настоящим сводом правил целесообразно проверить действие ссылочных документов в информационной системе общего пользования - на официальном сайте федерального органа исполнительной власти в сфере стандартизации в сети Интернет или по ежегодному информационному указателю "Национальные стандарты", который опубликован по состоянию на 1 января текущего года, и по выпускам ежемесячного информационного указателя "Национальные стандарты" за текущий год. Если заменен ссылочный документ, на который дана недатированная ссылка, то рекомендуется использовать действующую версию этого документа с учетом всех внесенных в данную версию изменений. Если заменен ссылочный документ, на который дана датированная ссылка, то рекомендуется использовать версию этого документа с указанным выше годом утверждения (принятия). Если после утверждения настоящего свода правил в ссылочный документ, на который дана датированная ссылка, внесено изменение, затрагивающее положение, на которое дана ссылка, то это положение рекомендуется применять без учета данного изменения. Если ссылочный документ отменен без замены, то положение, в котором дана ссылка на него, рекомендуется применять в части, не затрагивающей эту ссылку. Сведения о действии сводов правил целесообразно проверить в Федеральном информационном фонде стандартов.
3.1. В настоящем своде правил применены следующие термины с соответствующими определениями:
3.1.1 бесканальная прокладка: Прокладка трубопроводов непосредственно в грунте.
3.1.2 мнимая опора: Условная точка бесканально проложенного трубопровода, не совершающая перемещений.
3.1.3 предизолированный трубопровод: Трубопровод, изолируемый на предприятии-производителе.
3.1.4 сильфон: Осесимметричная упругая оболочка, разделяющая среды и способная под действием давления, температуры, силы или момента силы совершать линейные, сдвиговые, угловые перемещения или преобразовывать давление в усилие.
3.1.5 сильфонное компенсационное устройство; СКУ: Устройство, состоящее из одного или нескольких сильфонных компенсаторов, заключенных в корпус или ряд корпусов, обеспечивающих выполнение компенсаторами своих функций и защищающих компенсаторы от внешних воздействий.
3.1.6 сильфонный компенсатор; СК: Устройство, состоящее из сильфона (сильфонов) и ограничительной арматуры, способное поглощать или уравновешивать относительные движения определенных значения и частоты, возникающие в герметично соединяемых конструкциях, и проводить в этих условиях пар, жидкости и газы.
3.1.7 система оперативного дистанционного контроля; СОДК: Система, предназначенная для контроля состояния теплоизоляционного слоя пенополиуретана предизолированных трубопроводов и обнаружения участков с повышенной влажностью изоляции.
3.1.8 стартовый сильфонный компенсатор: Сильфонное компенсационное устройство, срабатывающее один раз при пуске тепловой сети.
3.1.9 тепловая сеть: Совокупность устройств (включая центральные тепловые пункты, насосные станции), предназначенных для передачи тепловой энергии, теплоносителя от источников тепловой энергии до теплопотребляющих установок.
3.1.10 фасонная часть (деталь): Деталь или сборочная единица трубопровода или трубной системы, обеспечивающая изменение направления, слияния или деления, расширения или сужения потока рабочей среды.
3.2. В настоящем стандарте применены следующие сокращения:
ПИР - пенополиуретанизоцианурат(ная) *;
ПОС - проект организации строительства;
ППМ - пенополимерминерал(ьная) **;
ППР - проект производства работ;
ППУ - пенополиуретан(овая) **;
СОДК - система оперативно-диспетчерского контроля;
ЦТП - центральный тепловой пункт.
--------------------------------
* В словосочетании "ПИР изоляция".
** В словосочетаниях "ППМ изоляция", "ППУ изоляция".
4.1 Требования настоящего свода правил распространяются на проектирование новых, реконструкцию и капитальный ремонт существующих тепловых сетей с применением:
- стальных труб с ППУ или ППМ тепловой изоляцией с постоянно действующей максимальной температурой теплоносителя не более 150 °C и рабочим давлением не более 1,6 МПа;
- гибких гофрированных труб из нержавеющей стали с ППУ изоляцией с максимальной температурой теплоносителя 135 °C (допускается кратковременное воздействие температуры до 150 °C, допустимое время работы на повышенной температуре принимают согласно рекомендациям предприятия-производителя) и рабочим давлением не более 1,6 МПа и гибких гофрированных труб из нержавеющей стали с ПИР изоляцией с максимальной температурой теплоносителя 160 °C (допускается кратковременное воздействие температуры до 180 °C) и рабочим давлением не более 1,6 МПа;
- гибких полимерных труб с тепловой изоляцией с максимальной температурой теплоносителя 135 °C и рабочим давлением не более 1,0 МПа и гибких полимерных труб с тепловой изоляцией с максимальной температурой теплоносителя 115 °C и рабочим давлением не более 1,6 МПа;
- хризотилцементных труб с теплостойкими кольцами при температуре теплоносителя (воды) не более 115 °C и рабочим давлением до 1,6 МПа;
- полимерных трубопроводов, в том числе стеклопластиковых, с температурой теплоносителя не более 115 °C и давлением не более 1,6 МПа.
4.2 Настоящий свод правил устанавливает требования:
- к безопасности, надежности, а также к живучести систем теплоснабжения;
- безопасности при опасных природных процессах и явлениях и (или) техногенных воздействиях;
- безопасным для здоровья человека условиям проживания и пребывания в зданиях и сооружениях;
- безопасности для пользователей зданий и сооружений;
- обеспечению энергосбережения и повышению энергетической эффективности;
- обеспечению надежного теплоснабжения потребителей;
- обеспечению оптимальной работы систем теплоснабжения с учетом энергосбережения в текущем состоянии и на долгосрочную перспективу;
- обеспечению безопасности окружающей среды.
4.3 Решения по строительству тепловых сетей бесканальной прокладки принимают на основании проектов планировки, архитектурно-планировочных решений и технико-экономических обоснований применения предизолированных трубопроводов.
При решении вопроса о возможности бесканальной прокладки тепловых сетей необходимо учитывать следующие факторы:
а) наличие технических коридоров для бесканальной прокладки тепловых сетей;
б) наличие опыта эксплуатирующей организации для последующей эксплуатации таких сетей;
в) капитальные затраты строительства бесканальных сетей в сравнении с другими типами прокладки.
4.4 Состав и содержание разделов проектной документации должны соответствовать требованиям [1], рабочей документации - ГОСТ 21.705.
5.1.1 Общие требования к размещению тепловых сетей бесканальной прокладки в условиях городской и сельской застройки определяются в соответствии с СП 42.13330 и СП 124.13330.
5.1.2 При бесканальной прокладке тепловых сетей по территории промышленных предприятий размещение сетей следует принимать в соответствии с СП 18.13330.
5.1.3 Нормативные расстояния до зданий, сооружений и других инженерных сетей от бесканально проложенных трубопроводов тепловых сетей следует принимать по СП 42.13330 и СП 124.13330.
5.2.1 Бесканальную прокладку предизолированных трубопроводов следует выполнять в непросадочных грунтах с естественной влажностью или водонасыщенных и просадочных грунтах типа I.
Устройство попутного дренажа для бесканальной прокладки тепловых сетей с полиэтиленовыми герметичными оболочками не требуется.
Для тепловых сетей с паропроницаемым гидрозащитным покрытием устраивают попутный дренаж при наличии обоснования и залегании грунтовых вод выше или на отметках заложения тепловых сетей.
Тепловые сети из хризотилцементных труб следует прокладывать в сухих, маловлажных или ненасыщенных водой грунтах. При прокладке трубопроводов в насыщенных водой грунтах следует предусматривать попутный дренаж.
В слабых грунтах с несущей способностью менее 0,15 МПа, а также в грунтах с возможной неравномерной осадкой (неслежавшихся насыпных грунтах) необходимо устройство искусственного основания. Основание следует устраивать по индивидуальному проекту с учетом требований СП 45.13330, при этом ширину основания следует определять расчетом.
5.2.2 Бесканальную прокладку следует проектировать под непроезжей частью улиц и внутри кварталов жилой застройки с пересечениями дорог категории V по СП 34.13330. Бесканальная прокладка тепловых сетей под проезжей частью автомобильных дорог категорий I - IV по СП 34.13330 не допускается. Пересечение дорог категорий I - IV, железных дорог, трамвайных путей и линий метрополитена, в том числе станционных сооружений, следует выполнять в соответствии с требованиями СП 124.13330.
Бесканальная прокладка тепловых сетей по территории общеобразовательных, дошкольных образовательных и медицинских организаций, под детскими и игровыми площадками, а также по территории санкционированных свалок, полигонов и могильников отходов не допускается.
5.2.3 При бесканальной прокладке стальных предизолированных трубопроводов под автомобильными дорогами категории V, а также под внутрихозяйственными автомобильными дорогами давление грунта и нагрузки вследствие дорожного движения не должны приводить к овализации несущих труб и возникновению в изоляционном слое напряжений выше допускаемых в соответствии с ГОСТ 30732, ГОСТ 31416 и ГОСТ Р 56227.
Пересечение проездов в пределах квартальной застройки тепловыми сетями из гибких металлических и неметаллических труб следует выполнять в футлярах с центрирующими опорами.
5.2.4 Расчет стальных трубопроводов на прочность следует выполнять по нормам расчета, указанным в [2], расчетный срок службы при этом устанавливают не менее 30 лет (СП 124.13330).
Допускается проводить расчеты на прочность стальных трубопроводов тепловых сетей, а также расчеты на устойчивость гибких трубопроводов по аналогичным методикам, согласованным с федеральным органом исполнительной власти в области промышленной безопасности.
5.2.5 Бесканально проложенные стальные трубопроводы тепловых сетей, за исключением гибких стальных трубопроводов из нержавеющей стали, следует проверять на устойчивость (продольный изгиб) в следующих случаях:
- при малой глубине заложения трубопроводов (менее 0,8 м от оси труб до поверхности земли);
- при вероятности затопления трубопровода грунтовыми, паводковыми или другими водами и при параллельной прокладке с сетями водопровода;
- при вероятности ведения рядом с теплотрассой земляных работ;
- при необходимости принятия дополнительных мер по обеспечению живучести трубопровода (на основе задания на проектирование).
Проверку тепловых сетей на устойчивость следует выполнять по приложению А.
5.2.6 Для компенсации температурных перемещений стальных предизолированных трубопроводов используют углы поворота трассы, П-, Г- и Z-образные компенсаторы, а также СК (СКУ) и стартовые сильфонные компенсаторы.
Гибкие металлические и неметаллические трубопроводы при бесканальной прокладке не требуют компенсации температурных расширений.
Компенсация температурных деформаций трубопроводов из хризотилцементных труб обеспечивается конструкцией соединений. Для этого между торцами соседних труб, находящихся в хризотилцементной муфте, следует оставлять расстояние не меньше возможного перемещения концов соединенных труб. Температурное удлинение трубы, м, определяют по формуле
Δl = αLΔt, (1)
где α - коэффициент температурного удлинения, 1·10-6 мм/(м·°C);
L - длина трубы, м;
Δt - перепад температур, °C.
Монтажный зазор между торцами труб, учитывая, что их длина не превышает 5 м, допускается без расчета принимать равным 10 - 15 мм.
Компенсацию полимерных, в том числе стеклопластиковых, трубопроводов следует осуществлять путем устройства углов поворота или П-образных компенсаторов. Расчет температурных удлинений следует проводить в рабочей документации с учетом коэффициента температурного удлинения применяемых труб.
5.2.7 При проектировании подземных бесканальных тепловых сетей из стальных труб в ППУ и ППМ изоляции, а также полимерных (в т.ч. стеклопластиковых) труб для восприятия перемещений трубопроводов применяют амортизирующие маты. Материал амортизирующего мата должен обладать следующими характеристиками:
- диапазон температур применения - от минус 40 до плюс 90 °C;
- стойкость к биологическому и химическому разложению;
- срок эксплуатации не менее 50 лет;
- наличие остаточной податливости.
Толщину амортизирующих матов определяют в зависимости от значения расчетного температурного удлинения трубопровода, которая не должна превышать 50% толщины мата при его сжатии.
5.2.8 Необходимость установки и толщину амортизирующих матов определяют расчетом.
В углах поворота трассы при перемещении трубопровода в пределах от 0 до 10 мм амортизирующие маты не применяют.
При бесканальной прокладке амортизирующие маты устанавливают на любых ответвлениях тепловых сетей от основного трубопровода до запорной арматуры вне зависимости от значения перемещений.
На прямых участках трубопровода установка амортизирующих матов не допускается. При бесканальной прокладке гибких теплоизолированных труб амортизирующие маты не применяют.
5.2.9 Камеры при бесканальной прокладке тепловых сетей не предусматриваются. Сооружение камер допускается в исключительных случаях при необходимости обслуживания запорной арматуры на ответвлениях, спускных (дренажных) устройств и в местах установки секционирующей арматуры, приборов и сильфонных компенсаторов, когда обслуживание арматуры невозможно осуществлять через люки и необслуживаемые колодцы (коверы).
5.2.10 Ответвления от основного трубопровода устраивают исходя из условий обеспечения компенсации температурных деформаций трубопроводов. Ответвления должны находиться в зоне минимальных перемещений у неподвижных или мнимых неподвижных опор.
5.2.11 В проектах тепловых сетей бесканальной прокладки с использованием предизолированных трубопроводов при устройстве проходов трубопроводов через стены зданий, каналов, камер тепловых сетей должны быть предусмотрены проемы с применением узлов стенового ввода, обеспечивающих герметичность и газонепроницаемость. Боковые усилия на внешнюю поверхность изоляционного слоя труб с ППУ изоляцией в местах прохода через стены не должны превышать 0,04 МПа, для труб с ППМ изоляцией - 0,8 МПа, при этом боковое перемещение трубы в узле стенового ввода не должно превышать 10 мм.
5.2.12 В местах сопряжения бесканальных участков трубопроводов с канальными следует устанавливать полимерные или стальные гильзы с уплотнением, обеспечивающим возможность боковых перемещений без смятия покровного и изоляционных слоев и с учетом требований прочности изоляционного слоя по 5.2.11.
5.2.13 При бесканальной прокладке тепловых сетей трубы укладывают на песчаное основание толщиной не менее 150 мм с песчаной обсыпкой не менее 150 мм.
Для гибких предизолированных трубопроводов песчаное основание и песчаная обсыпка должны составлять не менее 100 мм.
5.2.14 Песчаную обсыпку выполняют из песка с коэффициентом фильтрации не менее 5 м3/сут, с размером фракции не более 5 мм и не содержащим крупных включений с острыми кромками, которые могут повредить защитный слой трубопроводов и соединительные муфты.
После засыпки песок должен быть утрамбован до степени уплотнения, равной 0,91 - 0,97.
5.2.15 При бесканальной прокладке трубопроводов расстояние по горизонтали от оболочки изоляции трубопроводов до фундаментов зданий и сооружений следует принимать по СП 124.13330.
При невозможности выдержать эти расстояния следует предусматривать канальный тип прокладки в соответствии с требованиями СП 124.13330.
5.2.16 При реконструкции тепловых сетей по существующему направлению и с использованием существующего канала трубопроводы, применяемые для бесканальной прокладки, следует укладывать в существующий канал с засыпкой песком. Возможность использования существующего канала с засыпкой песком при пересечении железных и автомобильных дорог, линий метрополитена и трамвайных путей, а также при прокладке по территории дошкольных образовательных, общеобразовательных и медицинских организаций определяется требованиями СП 124.13330.
Строительные конструкции канала, не позволяющие производить монтаж трубопроводов, следует демонтировать.
5.2.17 Минимальную глубину заложения труб в земле, считая от низа дорожного покрытия до верха полиэтиленовой оболочки трубы, следует принимать не менее 0,5 м вне пределов проезжей части и 0,6 м - в пределах проезжей части, считая до верха изоляции.
Допускаемая глубина заложения без учета влияния транспортных средств (до оси трубопровода бесканальной прокладки) предизолированных стальных трубопроводов в ППУ и ППМ изоляции должна составлять для диаметров стальных труб и полиэтиленовых оболочек до 133 x 225 мм - 3,1 м, со 159 x 250 мм до 530 x 710 мм - 3,6 м, до 1020 x 1200 мм - 2,8 м, до 1420 x 1600 мм - 2,15 м.
При необходимости контрольных расчетов глубин заложения тепловых сетей для конкретных условий прокладки расчетную прочность изоляционного слоя и оболочки следует принимать по ГОСТ 30732.
5.2.18 Глубина заложения гибких трубопроводов должна составлять от 0,6 до 2,0 м.
Увеличение глубины заложения гибких трубопроводов должно быть обосновано в проектной документации расчетом с учетом всех нагружающих факторов.
5.2.19 Глубину заложения трубопроводов бесканальной прокладки следует принимать с учетом возможности производства аварийных ремонтных работ, связанных с разрытием труб в откосах, без воздействия на близлежащие здания, сооружения и инженерные сети.
5.2.20 При необходимости подземной прокладки тепловых сетей на глубине более допустимой следует предусматривать компенсирующие мероприятия, обеспечивающие прочность труб, изоляционного слоя и оболочки, или прокладывать трубопроводы в каналах (тоннелях) на скользящих опорах.
5.2.21 При использовании хризотилцементных трубопроводов минимальное заглубление тепловых сетей от поверхности земли или дорожного покрытия должно быть не менее 1,3 м; максимальную глубину определяют расчетом.
5.2.22 Нагрузку на неподвижные опоры в общем случае следует принимать по модулю наибольшей горизонтальной осевой и боковой нагрузки при любом рабочем режиме трубопровода и гидравлических испытаниях.
5.2.23 Конструкцию элементов металлических неподвижных опор для труб в ППУ и ППМ изоляции следует принимать по ГОСТ 30732 и ГОСТ Р 56227, а железобетонные части неподвижных опор следует разрабатывать по индивидуальным чертежам с выполнением расчетов на устойчивость и прочность, при этом нагрузки на щит неподвижной опоры принимают в соответствии с 5.2.22 с коэффициентом 1,2.
5.2.24 При проектировании тепловых сетей из стальных предизолированных труб в высших точках трубопроводов тепловых сетей, в том числе на каждом секционируемом участке, должна быть предусмотрена установка элемента трубопровода для выпуска воздуха (воздушники).
Элементы трубопроводов с шаровым краном воздушника должны соответствовать требованиям ГОСТ 30732. Наращивание штуцера тройника с шаровым краном воздушника (от основного трубопровода до запорной арматуры) не допускается. Расстояние от поверхности земли до штуцера должно быть от 200 до 500 мм. Установку тройника с шаровым краном воздушника следует проводить с уклоном, обеспечивающим возможность его обслуживания.
В узлах трубопроводов на ответвлениях до задвижек и местных изгибах трубопроводов высотой менее 1 м устройства для выпуска воздуха допускается не предусматривать.
При проектировании тепловых сетей из гибких гофрированных труб из нержавеющей стали или предизолированных полимерных труб в высших точках трубопроводов устройства для выпуска воздуха не устанавливаются при условии сохранения возможности заполнения трубопроводов водой и выпуска воздуха через штуцеры, установленные в зданиях (у потребителя) на стальных трубопроводах перед запорной арматурой.
5.2.25 При проектировании тепловых сетей из гибких гофрированных труб из нержавеющей стали или предизолированных полимерных труб удаление воды допускается выполнять за счет продувки трубопроводов сжатым воздухом. Сжатый воздух подается путем подключения передвижной компрессорной установки. Подключение компрессорной установки осуществляется на стальном трубопроводе до запорной арматуры на вводе в здание.
Мощность и напор компрессорной установки определяются в зависимости от топологии сетей расчетом.
При прокладке гибких гофрированных труб из нержавеющей стали или полимерных труб в зоне возможного промерзания грунта, а также при прекращении циркуляции теплоносителя необходимость продувки гибких трубопроводов определяется проектной документацией.
При этом, если время остывания теплоносителя от расчетной температуры до 0 °C (при температуре грунта на глубине прокладки трубопроводов при расчетной температуре наружного воздуха) больше 15 ч (см. СП 124.13330.2012, пункт 6.10, таблица 2), устройство продувки трубопроводов не предусматривается.
5.2.26 В проектах тепловых сетей с использованием гибких труб на вводах в подвальные помещения зданий должны быть установлены неподвижные опоры.
Неподвижные опоры устанавливают на стальных трубопроводах со стороны помещения в месте сопряжения стальных и гибких труб.
При невозможности установки неподвижной опоры в подвальном помещении допускается выполнение перехода с гибких труб на стальные в камере с установкой в ней неподвижной опоры. При этом расстояние от стенки камеры до здания не должно превышать 6 м.
При прокладке гибких предизолированных труб в тепловых камерах следует предусмотреть установку металлических подпорок или каркасов для предотвращения провисания оборудования и арматуры.
5.2.27 Необходимость и место установки неподвижной опоры бесканально проложенных трубопроводов на вводе тепловой сети в здание определяют проектом и подтверждают прочностным расчетом трубопровода в соответствии с [2].
5.2.28 При проектировании тепловых сетей с использованием стальных предизолированных трубопроводов при бесканальной прокладке в местах возникновения мнимых опор установка неподвижных опор не требуется.
5.2.29 При прокладке тепловых сетей в ППУ и ППМ изоляции в засыпных непроходных каналах расстояния от изоляции до внутренних поверхностей строительных конструкций должно обеспечивать возможность монтажа и ремонтопригодность стыковых соединений, а также все расчетные тепловые расширения трубопроводов в эксплуатации. Минимальные расстояния следует определять по СП 124.13330.
5.2.30 В объеме проекта тепловой сети с использованием труб в ППУ и ППМ изоляции должен быть предусмотрен 100%-ный контроль сварных стыковых соединений методами [3].
5.2.31 В объеме проекта тепловой сети с использованием стальных или гибких труб в ППУ изоляции должна быть предусмотрена стадийность монтажных работ и обеспечен заказ временных концевых заглушек изоляции.
5.2.32 Уклон трубопроводов тепловых сетей бесканальной прокладки должен составлять не менее 0,002, а максимальный уклон следует выбирать из условия отсутствия проскальзывания трубопроводов тепловых сетей по песчаной подготовке.
Для гибких теплоизолированных труб при использовании системы водоудаления в соответствии с 5.2.25 предусматривать уклон не требуется.
5.2.33 При устройстве вертикальных опусков стальных предизолированных трубопроводов и при отсутствии в этих местах запорной арматуры следует предусматривать незасыпные шахты со смотровым люком. Если на трубопроводах устанавливают запорную арматуру, то следует предусматривать камеру в соответствии с требованиями СП 124.13330.
5.2.34 Тепловые сети при использовании предизолированных трубопроводов в ППУ изоляции по ГОСТ 30732 следует проектировать с СОДК. Унификация приборов контроля должна соответствовать требованиям ГОСТ Р 56380.
5.2.35 Проектирование СОДК необходимо осуществлять с учетом возможности присоединения проектируемой системы к действующим СОДК и ее перспективного развития.
5.2.36 Проектом СОДК должны быть предусмотрены точки контроля, при этом расположение точек контроля и используемые приборы контроля должны соответствовать следующим требованиям:
- концевой терминал - в точках контроля на концах трубопровода;
- концевой терминал с выходом на стационарный детектор - в точке контроля на конце трубопровода, в которой предусмотрен стационарный детектор;
- промежуточный терминал - в промежуточной точке контроля трубопровода;
- двойной концевой терминал - в точке контроля на границе участка;
- объединяющий терминал - в тех точках контроля, где необходимо объединить в единую петлю два (три) участка трубопровода;
- проходной терминал для подключения соединительных кабелей - в местах отсутствия изоляции (в тепловых камерах, технических подпольях и т.п.) и при длине соединительного кабеля не более 10 м.
5.2.37 Установку терминалов в промежуточных и концевых точках контроля осуществляют в наземных или настенных коверах. В концевых точках трубопровода допускается установка терминалов в ЦТП. Установка терминалов с наружными разъемами для соединения сигнальных проводов в помещениях с повышенной влажностью (тепловые камеры, подвалы домов и т.п.) не допускается.
5.2.38 Конструкция ковера должна исключать процесс образования конденсата на элементах терминала, проникновения влаги и обеспечивать вентиляцию внутреннего объема ковера. Внутренний объем ковера должен быть засыпан сухим песком от основания до уровня 200 мм до верхнего края.
5.2.39 При устройстве коверов на теплотрассах, прокладываемых в насыпных грунтах, необходимо предусматривать дополнительные меры по защите ковера от просадки грунта.
5.3.1 Трубы, арматуру для тепловых сетей бесканальной прокладки с температурой теплоносителя выше 115 °C следует принимать в соответствии с [3].
Для открытых систем теплоснабжения следует предусматривать трубопроводы по ГОСТ Р 55068. Для открытых систем теплоснабжения с температурой теплоносителя не более 95 °C допускается применение полиэтиленовых труб, соответствующих гигиеническим требованиям, предъявляемым к трубопроводам для транспортирования питьевой воды.
5.3.2 Стальные трубы, применяемые для патрубков и элементов кожуха стартовых сильфонных компенсаторов, осевых СК и СКУ, должны соответствовать основным механическим свойствам металла труб, приведенным в приложении Б.
Для трубопроводов тепловых сетей при рабочем давлении пара 0,07 МПа и ниже и температуре воды 135 °C и ниже при давлении до 1,6 МПа включительно допускается применять неметаллические трубы, разрешенные к использованию в соответствии с действующими законодательством и санитарными нормами и правилами.
5.3.3 Для строительства тепловых сетей следует использовать новые (не бывшие в употреблении) стальные трубы.
5.3.4 Для труб тепловых сетей, патрубков осевых СК и СКУ и других элементов допускается применять электросварные и бесшовные трубы из следующих марок стали в регионах с расчетной температурой наружного воздуха:
- до минус 30 °C - из стали марок 10, 20, Вст3сп5;
- до минус 40 °C - из стали марок 17ГС, 17Г1С, 17Г1СУ;
- до минус 50 °C - из стали марки 09Г2С.
Для изготовления отводов, тройников, переходов, неподвижных опор, патрубков компенсаторов спиральношовные трубы не допускаются.
5.3.5 Допускается применение стальных труб и фасонных деталей трубопроводов зарубежного производства, отвечающих требованиям действующего законодательства и [3].
5.3.6 Отводы для изготовления фасонных деталей для тепловых сетей бесканальной прокладки следует применять крутоизогнутые с условными проходами от 40 до 600 мм с углами гиба 30°, 45°, 60°, 90°.
Допускается применять сварные отводы с условными проходами от 100 до 1400 мм из бесшовных и прямошовных труб с углами поворота 15°, 22°30', 30°, 45°, 60°, 67°30', 90°.
Для отводов меньших углов поворота применяют концевые сектора с углами 7°30', 11°15' и 15° и косые стыки.
5.3.7 Изоляцию для бесканальных трубопроводов тепловых сетей, как стальных, так и неметаллических, следует выбирать из условий прокладки и обеспечения максимального энергосберегающего эффекта.
Прокладка хризотилцементных труб допускается без тепловой изоляции:
- в хризотилцементных лотках;
- при заглублении более 1,3 м.
Изоляционные конструкции следует разделять на группы в соответствии с требованиями СП 124.13330.2012 (раздел 11).
5.3.8 Отводы, тройники, запорную арматуру, элементы металлических неподвижных опор, спускники и воздушники следует поставлять в заводской изоляции.
5.3.9 Стальные трубопроводы и фасонные изделия в ППМ изоляции, применяемые для бесканальной прокладки тепловых сетей, должны соответствовать ГОСТ Р 56227.
5.3.10 Гибкие неметаллические трубопроводы, применяемые для бесканальной прокладки тепловых сетей, должны соответствовать ГОСТ Р 54468.
Гибкие неметаллические трубопроводы при бесканальной прокладке, применяемые в системах теплоснабжения и горячего водоснабжения, при отсутствии установленных реперных столбов в характерных точках для обнаружения их с поверхности земли оснащаются системой (элементами), позволяющими обнаруживать такие трубопроводы.
5.3.11 Стальные трубопроводы в ППУ изоляции должны быть оснащены СОДК в соответствии с ГОСТ 30732.
Стальные трубы в ППУ изоляции с условным диаметром Ду 500 и более должны быть оснащены дополнительным резервным проводником.
Допускается применение дополнительных методов постоянного неразрушающего контроля стальной несущей трубы, без изменения работы СОДК и состояний теплоизоляционного слоя трубопровода.
5.3.12 Хризотилцементные трубы, применяемые при бесканальной прокладке тепловых сетей, должны соответствовать ГОСТ 31416.
Для уплотнения соединений труб с муфтами следует использовать резиновые кольца фигурного сечения. Резиновые уплотнительные кольца должны быть изготовлены из теплостойкой резины и обеспечивать срок эксплуатации не менее 25 лет при температуре 115 °C и давлении не более 1,6 МПа.
5.3.13 Для выполнения поворотов, ответвлений и переходов с одного диаметра на другой при использовании хризотилцементных трубопроводов следует применять стальные фасонные части по ГОСТ 30732, соединенные с неподвижной опорой, или узлы поворотов, переходов или ответвлений, которые должны иметь следующую конструкцию: к фасонным частям приварены стальные наконечники, по форме и размерам повторяющие проточенный конец хризотилцементной трубы. На наконечники при этом должны быть установлены хризотилцементные муфты с резиновыми уплотнительными кольцами. Вся конструкция должна быть размещена в бетонном моноблоке, на поверхность которого выходят торцы хризотилцементных муфт.
Для исключения перемещения вдоль траншеи под действием осевых сил от внутреннего давления в трубопроводе в конструкции узлов должны быть предусмотрены неподвижные опоры.
5.3.14 Для соединения стальных труб в ППУ изоляции между собой и с фасонными изделиями следует применять комплекты для изоляции стыков, отвечающие следующим требованиям:
- ППУ для стыка должен отвечать требованиям ГОСТ 30732;
- конструкции оболочек муфт и их соединения с полиэтиленовыми оболочками труб должны быть герметичными при давлении внутри стыкового пространства 0,05 МПа в течение 5 мин;
- конструкция теплоизолированных стыков должна выдерживать не менее 2000 циклов испытаний согласно методике приложения В;
- для соединения хризотилцементных труб со стальными следует использовать варианты конструкций, приведенных в приложении Г.
Допускается применение других конструкций стыков, отвечающих вышеуказанным требованиям, в том числе с применением технологии изоляции стыковых соединений с использованием секционирующих гидроизоляционных устройств.
5.3.15 Полимерные трубопроводы, применяемые для бесканальной прокладки, должны иметь стыковые соединения или оснащаться соединительными деталями и фасонными изделиями, обеспечивающими срок эксплуатации не менее 25 лет при температуре 110 °C и давлении не более 1,6 МПа.
6.1.1 При производстве строительно-монтажных и ремонтно-восстановительных работ на тепловых сетях бесканальной прокладки необходимо соблюдать требования СП 48.13330, касающиеся погрузочно-разгрузочных, земляных, электросварочных и газопламенных работ, гидравлических и пневматических испытаний (в части установления опасных зон).
6.1.2 Все строительно-монтажные и ремонтно-восстановительные работы на тепловых сетях бесканальной прокладки следует проводить в соответствии с проектом тепловых сетей, в том числе с ПОС и ППР.
6.1.3 При производстве строительно-монтажных и ремонтно-восстановительных работ на тепловых сетях бесканальной прокладки необходимо соблюдать требования пожарной безопасности в соответствии с ГОСТ 12.1.004.
6.2.1 Земляные работы и работы по устройству оснований необходимо выполнять в соответствии с требованиями СП 45.13330 и настоящего подраздела.
6.2.2 - 6.2.5 Исключены с 29.01.2024. - Изменение N 1
6.2.6 Обратную засыпку при бесканальной прокладке следует проводить послойно с последовательным уплотнением каждого слоя; толщина уплотняемого слоя не более 100 мм.
В местах установки стартовых сильфонных компенсаторов и осевых СК и СКУ в зоне наибольшего движения трубопроводов при температурных деформациях необходимо вести послойное уплотнение (Kупл = 0,97 - 0,98) песка при обратной засыпке как между трубопроводами, так и между трубопроводами и стенками траншеи. Над верхом полиэтиленовой оболочки изоляции труб, стартовых сильфонных компенсаторов и осевых СК и СКУ обязательно устройство защитного слоя из песчаного грунта толщиной не менее 150 мм. Засыпной материал не должен содержать камней, щебня, гранул с размером зерен более 5 мм, остатков растений, мусора, глины.
В тех местах, где глубина выемки грунта, грунтовые характеристики или стесненные условия прокладки не позволяют вырыть обычную траншею с откосами и приямками для размещения трубопроводов и их деталей, следует осуществлять вертикальное крепление траншеи и приямков.
При уровне стояния грунтовых вод выше глубины дна траншеи в период строительства должны быть предусмотрены мероприятия по водопонижению.
6.2.7 В ходе устройства защитного грунтового слоя по всей длине трассы тепловой сети над трубами следует укладывать маркировочную ленту, при этом расстояние от поверхности земли до маркировочной ленты не должно превышать 400 мм, а расстояние от маркировочной ленты до оболочки трубопроводов должно быть не менее 150 мм.
6.3.1 Производство работ по сооружению и монтажу строительных конструкций следует выполнять в соответствии с СП 74.13330 и требованиями настоящего подраздела.
6.3.2 - 6.3.4 Исключены с 29.01.2024. - Изменение N 1
6.4.1 Монтаж, укладку и сварку с неразрушающим контролем сварных швов трубопроводов следует проводить по СП 74.13330.
6.4.2 Монтаж бесканальных трубопроводов тепловых сетей следует проводить в соответствии с проектной документацией.
6.4.3 - 6.4.6 Исключены с 29.01.2024. - Изменение N 1
6.4.7 Не допускается устройство стыков трубопроводов в местах прохода их через стены теплофикационных камер, подвалов, а также в пределах конструкции сопряжения бесканальных участков с канальными.
6.4.8 Для соединения предизолированных труб и фасонных изделий при бесканальной прокладке или прокладке в каналах с засыпкой должны применяться стыковые соединения следующих конструкций:
- термоусаживаемые из полиэтилена низкого давления и радиационно-сшитые муфты;
- термоусаживаемые с закладным электросварным элементом муфты;
- термоусаживаемые муфты из полиэтилена разрезные.
При этом выбор типа муфты определяется следующими факторами.
Муфту из полиэтилена разрезную применяют для выполнения ремонтов, не связанных со сваркой стальных труб.
Термоусаживаемую муфту из полиэтилена низкого давления применяют для теплогидроизоляции стыковых соединений диаметром ПЭ оболочки до 450 мм включительно.
Термоусаживаемую муфту из радиационно-сшитого полиэтилена применяют для теплогидроизоляции стыковых соединений диаметром ПЭ оболочки от 110 до 1600 мм включительно.
Термоусаживаемую муфту из полиэтилена с термоаппликатором применяют для теплогидроизоляции стыковых соединений диаметром ПЭ оболочки до 315 мм включительно.
Термоусаживаемую муфту с закладным электросварным элементом применяют для теплогидроизоляции стыковых соединений диаметром ПЭ оболочки 315 мм и более.
6.4.8а Проведение работ по теплогидроизоляции стыков труб в ППУ изоляции должно быть в соответствии с приложением Ж.
Контроль качества и режимов сварки термоусаживаемой муфты следует проводить с использованием термодатчиков с фиксацией данных в памяти сварочного аппарата.
6.4.9 - 6.4.15 Исключены с 29.01.2024. - Изменение N 1
6.4.16 Конструкция соединительного узла гибких труб с металлическими трубами должна исключать возможность повреждения фитинга, а также обеспечивать возможность проведения сварочных работ без нагрева места соединения гибких и металлических труб выше 90 °C.
6.4.17 - 6.4.19 Исключены с 29.01.2024. - Изменение N 1
6.5.1 Проектное решение (раздел СОДК) для монтажа СОДК следует выполнять в соответствии с техническим заданием и при наличии его согласования с организацией, эксплуатирующей тепловую сеть.
6.5.2 Состав раздела СОДК в проектах тепловых сетей должен содержать:
- графические изображения схем контроля;
- характерные точки трубопровода (контрольные точки, ответвления, неподвижные опоры, компенсаторы, окончание трубопровода, задвижки и т.п.);
- схемы электрических соединений;
- пояснительную записку;
- спецификацию.
6.5.3 - 6.5.5 Исключены с 29.01.2024. - Изменение N 1
6.5.6 Сигнальные проводники на стыках следует соединять строго в соответствии с маркировкой: основной с основным, транзитный с транзитным.
Соединение жил кабелей в промежуточных точках контроля с сигнальными проводниками в изолированной трубе следует проводить в соответствии с нижеприведенной цветовой маркировкой:
- синий - основной сигнальный проводник, идущий от данной точки контроля по направлению к потребителю;
- коричневый - транзитный сигнальный проводник, идущий от данной точки контроля по направлению к потребителю;
- черный - основной сигнальный проводник, идущий от данной точки контроля в направлении, противоположном подаче теплоносителя;
- черно-белый - транзитный сигнальный проводник, идущий от данной точки контроля в направлении, противоположном подаче теплоносителя;
- желто-зеленый - контакт на стальной трубопровод ("заземление").
6.5.7 Проектирование и монтаж СОДК следует проводить в соответствии с требованиями настоящего подраздела и технологическими инструкциями предприятия-производителя.
6.5.8 Исключен с 29.01.2024. - Изменение N 1
6.5.9 До подключения приборов контроля необходимо убедиться, что сварочные работы на трубопроводах прекращены.
6.5.10 Резервный провод соединяют на стыках, но не выводят в промежуточных и концевых элементах трубопровода. Резервный провод используется в случае повреждения основного.
6.5.11 Основной сигнальный проводник должен быть расположен справа по направлению подачи теплоносителя (от источника). Основной сигнальный проводник должен быть маркирован лужением, краской или наклеенной биркой.
6.5.12 Все боковые ответвления должны быть включены в разрыв основного сигнального проводника.
6.5.13 При изоляции стыков сигнальные проводники смежных элементов трубопроводов должны быть соединены посредством обжимных втулок с последующей пайкой места соединения проводников. Пайку следует выполнять с использованием неактивных флюсов.
6.5.14 Фиксацию сигнальных проводников осуществляют с помощью держателей, которые устанавливают на стальной трубе с помощью малярного скотча или тканевой ленты.
6.5.15 Выбранный способ крепления должен обеспечивать надежность крепления сигнальных проводников.
6.5.16 Нормативные значения сопротивления проводников Rпр рассчитывают по формуле
Rпр = ρLсигн,
где Lсигн - длина измеряемой линии, м;
ρ - электрическое сопротивление проволоки, Ом/м (ρ = 0,011 - 0,017 Ом для 1 м провода сечением 1,5 мм2 при t от 0 °C до 150 °C).
6.5.17 В точках контроля соединительные кабели должны быть присоединены к сигнальным проводникам через герметичные кабельные выводы.
6.5.18 Соединительные кабели от трубопроводов до терминалов должны иметь маркировки, идентифицирующие соответствующие трубы.
6.5.19 Установку оборудования СОДК производят в контрольных точках, определяемых на основании проекта.
6.5.20 Защитные устройства оборудования СОДК (коверы) располагаются в соответствии с проектной документацией и должны быть промаркированы в соответствии с номерами контрольных точек.
6.5.21 Соединительный кабель от трубопровода до терминала, расположенного в ковере, следует прокладывать в оцинкованной или полимерной трубе внутренним диаметром не более 50 мм. Сварные работы на оцинкованной трубе проводят до прокладки кабеля. Внутри зданий и сооружений допускается прокладка сигнальных кабелей в защитных металлических гофрированных шлангах.
6.5.22 При необходимости монтажа в точках контроля кабеля длиной более 10 м следует устанавливать дополнительную точку контроля с подключением в ней проходного терминала как можно ближе к трубопроводу.
6.5.23 Коммутационные терминалы, устанавливаемые в точках контроля, должны соответствовать классу защиты не ниже IP54 по ГОСТ 14254. В местах с повышенной влажностью следует устанавливать терминалы с классом защиты IP65 по ГОСТ 14254 и функцией подключения диагностирующего оборудования без переходных коммутирующих устройств.
6.5.24 Соединение жил кабелей внутри терминала проводят в соответствии с требованиями, указанными в паспорте оборудования. На терминалах должны быть закреплены пластиковые или алюминиевые бирки с несмываемой маркировкой, указывающей номер характерной точки, направление измерения и номер точки, в сторону которой оно проводится.
6.5.25 Установку и подключение стационарных детекторов осуществляют согласно паспорту изделия и инструкции по эксплуатации.
6.5.26 Переносное диагностическое оборудование стационарно не устанавливают, а подключают к СОДК в соответствии с регламентом обслуживания тепловой сети.
6.5.27 - 6.5.29 Исключены с 29.01.2024. - Изменение N 1
Подраздел 6.6 исключен с 29.01.2024. - Изменение N 1
Раздел 7 исключен с 29.01.2024. - Изменение N 1
Раздел 8 исключен с 29.01.2024. - Изменение N 1
Раздел 9 исключен с 29.01.2024. - Изменение N 1
10.1 В настоящем разделе установлены требования безопасности, определенные специфическими свойствами материалов теплоизоляции труб и фасонных изделий, деталей и элементов, а также методами производства монтажных работ.
10.2 К работам по устройству тепловых сетей допускаются лица, достигшие 18 лет, прошедшие медицинское освидетельствование, специальное обучение, вводный инструктаж и инструктаж на рабочем месте по технике безопасности.
10.3 При хранении теплоизоляционных труб, фасонных изделий, деталей и элементов на складе, строительной площадке и на месте монтажа следует учитывать горючесть ППУ, ППМ, ПИР и полиэтилена и соблюдать правила противопожарной безопасности согласно ГОСТ 12.1.004. Запрещается разводить огонь и проводить огневые работы ближе 2 м от места складирования изолированных труб и их элементов, хранить рядом с ними горючие и легковоспламеняющиеся жидкости.
10.4 При загорании теплоизоляции труб, фасонных изделий, деталей и элементов следует использовать обычные средства пожаротушения, при пожаре в закрытом помещении следует пользоваться противогазами, обеспечивающими защиту от органических паров, а также кислых газов, аэрозолей, гидридов мышьяка и фосфора.
При сушке или сварке концов стальных труб, свободных от теплоизоляции, торцы теплоизоляции следует защищать жестяными разъемными экранами толщиной 0,8 - 1 мм для предупреждения возгорания от пламени пропановой горелки или искр электродуговой сварки.
10.5 При горении из ППУ, ППМ и ПИР выделяются высокотоксичные продукты. В случае возгорания пламя необходимо тушить в изолирующем противогазе. Тушение допускается проводить любыми средствами пожаротушения.
10.6 Не допускается воздействие открытого пламени или искр на тепловую изоляцию по длине трубы и в торцевых сечениях.
10.7 При термоусадке полиэтиленовых муфт и манжет пламенем пропановой горелки необходимо тщательно следить за нагревом муфт и манжет и полиэтиленовых оболочек труб, не допуская пережогов полиэтилена или его загорания.
10.8 Отходы хризотилцементных труб (куски, сколы, крошка), ППУ, ППМ, ПИР и полиэтилена при резке труб или освобождении стальных труб от изоляции должны быть сразу после окончания рабочей операции собраны и складированы в специально отведенном на строительной площадке месте на расстоянии не менее 2 м от теплоизолированных труб и деталей.
10.9 Все работы по заливке стыков труб смесью ППУ (приготовление смеси, заливка смеси в стык) следует проводить в специальной одежде с применением средств индивидуальной защиты (хлопчатобумажный костюм, спецобувь, резиновые перчатки, хлопчатобумажные рукавицы, защитные очки).
10.10 На месте заливки стыков должны быть предусмотрены средства для дегазации применяемых веществ (5% - 10%-ный раствор аммиака, 5%-ный раствор соляной кислоты), а также аптечка с медикаментами (1,3%-ный раствор поваренной соли, 5%-ный раствор борной кислоты, 2%-ный раствор питьевой соды, раствор йода, бинт, вата, жгут).
11.1 Меры по охране окружающей среды должны соответствовать требованиям [4], СП 74.13330 и настоящего раздела.
11.2 - 11.6 Исключены с 29.01.2024. - Изменение N 1
12.1.1 При проектировании тепловых сетей бесканальной прокладки в районах сейсмичностью 8 и 9 баллов, на подрабатываемых территориях, в районах с просадочными грунтами типа II, засоленными, набухающими, заторфованными и вечномерзлыми наряду с требованиями настоящего свода правил следует соблюдать также требования нормативных документов к зданиям и сооружениям, размещаемым в указанных районах.
12.1.2 Тепловые сети бесканальной прокладки следует проектировать с учетом требований СП 124.13330.2012 (раздел 16).
12.1.3 Запорную, регулирующую и предохранительную арматуру независимо от диаметров труб и параметров транспортируемой среды следует принимать стальной.
12.1.4 Не допускается применение подземных трубопроводов из хризотилцементных труб в районах сейсмичностью 6 баллов и более, районах вечной мерзлоты и просадочных грунтах.
12.2.1 Расчетную сейсмичность для тепловых сетей бесканальной прокладки следует принимать равной сейсмичности района строительства.
12.2.2 Методики расчета на прочность тепловых сетей бесканальной прокладки приведены в [2] и ГОСТ Р 55596.
12.3.1 Выбор трассы тепловой сети бесканальной прокладки следует проводить на основе материалов инженерно-геокриологических изысканий на застраиваемой территории с учетом прогноза изменения мерзлотно-грунтовых условий и использования вечномерзлых грунтов как оснований проектируемых и эксплуатируемых зданий и сооружений.
12.3.2 Для компенсации трубопроводов следует применять гибкие компенсаторы (различной формы) из стальных труб и углы поворотов трубопроводов, допускается предусматривать СК.
12.3.3 При бесканальной прокладке тепловых сетей в просадочных (при оттаивании) вечномерзлых грунтах необходимо предусматривать мероприятия по сохранению устойчивости конструкций:
- вести прокладку сетей с увеличенной толщиной теплоизоляционного слоя, обеспечивающей требуемый температурный режим грунта;
- проводить замену грунта в основании тепловых сетей на непросадочный. Выбор мероприятий по сохранению устойчивости следует осуществлять на основе расчетов зоны оттаивания мерзлого грунта около тепловых сетей и общего прогноза изменения мерзлотно-грунтовых условий застраиваемой территории.
12.3.4 Дренажные устройства тепловых сетей должны быть рассчитаны на спуск воды непосредственно в системы канализации с охлаждением воды до температуры, допускаемой конструкциями сетей канализации и исключающей вредное тепловое воздействие на вечномерзлые грунты в основании.
12.4.1 При бесканальной прокладке тепловых сетей на подрабатываемых территориях компенсация температурных деформаций должна осуществляться за счет использования гибких компенсаторов и углов поворота.
12.4.2 Уклоны тепловых сетей бесканальной прокладки следует принимать с учетом ожидаемых уклонов земной поверхности от влияния горных выработок.
Не допускается бесканальная прокладка при подземной прокладке тепловых сетей в просадочных, засоленных, набухающих, биогенных (торф) и илистых грунтах.
13.1 При проектировании и строительстве тепловых сетей бесканальной прокладки следует применять материалы и оборудование для обеспечения энергоэффективности и ресурсосбережения инженерных сетей, зданий и сооружений.
13.2 Уровень и класс энергетической эффективности проектируемых тепловых сетей бесканальной прокладки, а также перечень необходимых мероприятий по повышению энергоэффективности проектируемого сооружения устанавливают из требований задания на проектирование и выданных технических условий на подключение.
13.3 Проектными решениями должен быть обоснован выбор несущей трубы для прокладки тепловой сети.
13.4 Выбор и толщину изоляционного слоя для трубопроводов бесканальной прокладки необходимо выбирать на основании технико-экономического обоснования с учетом условий прокладки и из условия соответствия требованиям СП 61.13330 и СП 124.13330.
Приложение А
Критическое усилие, Н/м, от наиболее невыгодного сочетания воздействий и нагрузок, при котором неразрезной теплопровод теряет устойчивость, определяют по формуле
, (А.1)
где N - осевое сжимающее усилие в трубе, Н;
E - модуль упругости материала трубы, Н/мм2;
I - момент инерции трубы, см4;
i - начальный изгиб трубы, м, определяемый по формуле
, (А.2)
здесь Lизг - длина местного изгиба теплопровода, м, определяемая по формуле
, (А.3)
здесь |N| - абсолютное значение величины осевого сжимающего усилия в трубе, Н.
Вертикальную нагрузку, Н/м, оказывающую стабилизирующее влияние, определяют по формуле
Rст = qгрунта + qтрубы + 2Sсдвига> Rкр, (А.4)
где qгрунта - вес грунта над теплопроводом, Н/м;
qтрубы - вес 1 м теплопровода с водой, Н/м;
Sсдвига - сдвигающая сила, возникающая в результате действия давления грунта в состоянии покоя, Н/м.
Для случаев, когда уровень стояния грунтовых вод ниже глубины заложения теплопровода:
Sсдвига = 0,5γZ2K0tgφгр, (А.5)
, (А.6)
где γ - удельный вес грунта, Н/м3;
Z - глубина засыпки по отношению к оси трубы, м;
K0 - коэффициент давления грунта в состоянии покоя, K0 = 0,5;
φгр - угол внутреннего трения грунта;
Dоб - наружный диаметр оболочки, м.
Осевое сжимающее усилие, Н, в защемленном участке прямой трубы с равномерно распределенной вертикальной нагрузкой определяют по формуле:
N = -[Fст(EαΔt·10-3 - 0,3σраст) + РFпл], (А.7)
где Fст - площадь кольцевого сечения трубы, мм2;
E - модуль упругости материала трубы, Н/мм2;
α - коэффициент линейного расширения стали, мм/(м·°C);
Δt - принимают равным (t1 - tмонт), °C;
σраст - растягивающее окружное напряжение от внутреннего давления, Н/мм2;
P - внутреннее давление, МПа;
Fпл - площадь действия внутреннего давления
, мм2.
Пример
Необходимо провести проверку теплопровода диаметром 159 x 4,5 мм, проложенного бесканально, на устойчивость при наиболее неблагоприятном сочетании нагрузок и воздействий для случая, когда уровень стояния грунтовых вод ниже глубины заложения теплопровода.
Осевое сжимающее усилие в защемленной трубе:
N = -[Fст(EαΔt·10-3 - 0,3σраст) + РFпл] =
= -[2183(2·105·0,012·140·10-3 - 0,3·26,7) + 1,6·17662,5] = -744262 Н.
Длина местного изгиба теплопровода:
м.
Начальный изгиб трубы:
м.
Критическое усилие, при котором защемленный теплопровод при бесканальной прокладке теряет устойчивость:
Н/м.
Сдвигающая сила, возникающая в результате действия давления грунта в состоянии покоя при φ = 35°:
Sсдвига = 0,5γZ2K0tgφ = 0,5·18000·12·0,5·0,7 = 3150 Н/м.
Стабилизирующая вертикальная нагрузка
Rст = qгрунта + qтрубы = Sсдвига = 4058 + 503 + 2·3150 = 10861 Н/м.
10861> 9630 Н/м, т.е. условие устойчивости Rст> Rкр выполняется.
Если уровень грунтовых или сезонных поверхностных вод (паводок, подтопляемые территории и т.п.) может подниматься выше глубины заложения бесканально прокладываемых теплопроводов, т.е. существует вероятность всплытия труб при их опорожнении, необходимый вес балласта, Н/м, который должен сообщить теплопроводу надежную отрицательную плавучесть, определяют по формуле
Rбал = Kвсплγпульпыωвспл + qтрубы + qн.п., (А.8)
где Kвспл - коэффициент устойчивости против всплытия. Принимается равным: 1,10 - при периодически высоком уровне грунтовых вод или при прокладках в зонах подтопляемых территорий; 1,15 - при прокладках по болотистой местности;
γпульпы - удельный вес пульпы (воды и взвешенных частиц грунта), Н/м3;
ωвспл - объем пульпы, вытесненной теплопроводом, м3/м;
qтрубы - вес 1 м теплопровода без воды, Н/м;
qн.п. - вес неподвижных опор, Н/м.
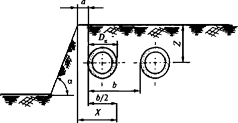
При ведении вблизи земляных работ среднее расстояние между теплотрассой (при двухтрубной прокладке) и бровкой откоса X следует определять по формуле
. (А.9)
В формуле (А.9) Kγ3 - коэффициент пассивного давления, принимаемый для песка равным 3,0.
В зависимости от угла наклона бокового откоса α (рисунок А.1) расстояние X принимают:
при ctgα ≥ 0,5 - равным расстоянию до бровки откоса;
- при вертикальных стенках и выемке грунта без креплений - принимают X + 5(0,5Dк + 0,01), м;
- при вертикальных стенках и выемке грунта с использованием креплений принимают расстояние до места выемки грунта.

a - расстояние от наружной поверхности изоляции бесканально проложенного трубопровода до бровки траншеи; b - межосевое расстояние бесканально проложенных трубопроводов
Рисунок А.1
Приведенные формулы справедливы для случая, когда выемку грунта проводят на глубину не более 0,1 м под проложенными трубами. В противном случае необходимо проводить расчет с помощью общих аналитических методов расчета на устойчивость.
Приложение Б
Таблица Б.1
|
Марка стали |
Относительное удлинение, % |
Ударная вязкость (KCU), кгс·м/см2, при температуре, °C |
Угол загиба сварного шва трубы |
Проверка заводских сварных швов методом неразрушающего контроля |
Временное сопротивление σв, МПа |
Предел текучести σ0,2, МПа | ||
|
-20 |
-40 |
-60 | ||||||
|
Углеродистые: | ||||||||
|
Вст3сп5 |
22 |
3 |
3 |
- |
100° |
100% |
372 |
225 |
|
10 |
24 |
- |
- |
- |
- |
- |
333 |
206 |
|
20 |
21 |
- |
- |
- |
- |
- |
412 |
245 |
|
Низколегированные: | ||||||||
|
17ГС, 17Г1С, 17Г1СУ |
20 |
- |
3 |
- |
80° |
100% |
500 |
350 |
|
09Г2С |
20 |
- |
- |
3 |
80° |
100% |
470 |
265 |
|
Примечание - При применении углеродистых сталей в районах с расчетной температурой наружного воздуха для проектирования отопления от минус 21 °C до минус 30 °C ударную вязкость проверяют при температуре минус 40 °C. | ||||||||
Приложение В
В.1 Настоящая методика распространяется на испытания стыков стальных предизолированных теплопроводов.
В.2 Испытания термоусаживающихся элементов для заделки теплоизолированных стыков проводят на контрольных образцах с диаметром наружной оболочки трубы 160 (200) мм на стенде (рисунок В.1).

1 - система охлаждения; 2 - фрагмент теплопровода; 3 - нагреватель; 4 - камера; 5 - нажимное устройство; 6 - грунт; 7 - механизм протяжки; 8 - размещение термопар в камере стенда; 9 - теплоизоляция концевых участков; 10 - размещение термопар на фрагменте теплопровода
Рисунок В.1 - Стенд для испытания теплопроводов в условиях подземной бесканальной прокладки
В.3 Испытания проводят при следующих условиях:
- перед испытанием трубу выдерживают в течение 24 ч при температуре 150 °C;
- давление грунта на теплопровод (сумма статического и динамического давлений) - 18 кН/м2;
- вытеснение грунта - 75 мм;
- скорость хода вперед изолированной трубы - 10 мм/мин;
- скорость хода назад изолированной трубы - 50 мм/мин;
- изолированную трубу испытывают на протяжении 2000 циклов, где циклом считается один ход вперед и один ход назад с промежуточной проверкой целостности термоусаживающейся муфты в течение 300, 600 и 1000 циклов.
В.4 Основные требования к испытаниям:
- температурные изменения шва будут следовать нормальному 24-часовому температурному циклу на протяжении всего отопительного периода;
- при остановке тепловой сети термоусаживающаяся муфта должна противостоять температурным изменениям наружного воздуха от минус 40 °C до плюс 150 °C;
- долговечность термоусаживающейся муфты должна быть не менее 25 лет;
- температура на поверхности теплопровода должна быть не более 40 °C;
- в качестве материала засыпки, находящегося в контакте с трубой, используют песок без острых граней фракций не более 5 мм;
- коэффициент трения изолированной трубы о грунт находится в диапазоне 0,15 - 0,65;
- динамические радиальные нагрузки, вызываемые движением автомобильного транспорта, не приводят к увеличению нагрузок свыше удельной нагрузки на слой ППУ;
- изгибающий момент не вызывает пластических напряжений в стальной трубе;
- изолированная муфта водонепроницаема на протяжении всего срока службы теплопровода.
Приложение Г
Г.1 Для соединения хризотилцементных труб со стальными трубами с помощью хризотилцементных муфт применяют стальную трубу, конец которой проточен, либо к концу приварен патрубок, при этом наружный диаметр трубы или патрубка равен наружному диаметру хризотилцементной трубы (рисунок Г.1).

D1 - наружный диаметр хризотилцементной трубы; D2 - наружный диаметр стальной трубы, D1 = D2
Рисунок Г.1 - Соединение со стальной трубой с помощью хризотилцементной муфты
Г.2 Перед монтажом коленьев, отводов, тройников и задвижек замеряют диаметры труб D1 и D2 и готовят фланцы с зазором 2 - 3 мм на сторону по диаметру и соединительную трубу из стали 20, длина которой должна быть не менее 120 мм. Примеры монтажа приведены на рисунках Г.2 - Г.6. В качестве уплотнителя допускается использовать резиновые кольца сальниковую набивку. Болтами следует стянуть фланцы для создания необходимого герметичного соединения стыка.

D1 - наружный диаметр хризотилцементной трубы; D2 - наружный диаметр металлической трубы; a - толщина фланца 12 - 15 мм, b - 0,3a
Рисунок Г.2 - Соединение с трубой из любого материала

D1 - наружный диаметр хризотилцементной трубы; D2 - наружный диаметр металлической трубы при D1 ≠ D2
Рисунок Г.3 - Соединение отводом

Рисунок Г.4 - Соединение с задвижкой

D1 - наружный диаметр хризотилцементной трубы; D2 - наружный диаметр металлической трубы
Рисунок Г.5 - Соединение с тройником

D1 - наружный диаметр хризотилцементной трубы; D2 - наружный диаметр металлической трубы
Рисунок Г.6 - Специальное соединение с металлической трубой
Г.3 Допускается применение других конструкций соединений, обеспечивающих герметичность стыков.
Приложение Д
Приложение Д исключено с 29.01.2024. - Изменение N 1
Приложение Е
Е.1 Условные обозначения
Dвн - внутренний диаметр трубы, мм;
Dн - наружный диаметр трубы, мм;
Dоб - наружный диаметр теплопровода по оболочке, мм;
Fст - площадь поперечного сечения стенки трубы, мм;
fтр - удельная сила трения на единицу длины трубы, Н/м;
L - расстояние между неподвижными опорами или условно неподвижными сечениями трубы, м;
P - внутреннее давление, МПа;
qтрубы - вес 1 м теплопровода с водой, Н/м;
Sэф - эффективная площадь поперечного сечения СК, определяемая по формуле
Sэф = 0,785D2ср.сильфона, см2;
s - номинальная толщина стенки трубы, мм;
tмонт - монтажная температура, °C;
tэ - минимальная температура в условиях эксплуатации (tмонт, tупора или любая другая температура). Выбор tэ выполняется проектировщиком по согласованию с заказчиком и эксплуатирующей организацией;
t0 - расчетная температура наружного воздуха для проектирования отопления (средняя температура наружного воздуха наиболее холодной пятидневки обеспеченностью 0,92 по СП 131.13330), °C;
t1 - максимальная расчетная температура теплоносителя, °C;
Z - глубина засыпки по отношению к оси трубы, м;
α - коэффициент линейного расширения стали, α = 0,012 мм/(м·°С);
γ - удельный вес грунта, Н/м3;
λ - амплитуда осевого хода, мм;
μ - коэффициент трения полиэтиленовой оболочки по грунту;
σдоп - допускаемое осевое напряжение в трубе, Н/мм2;
σос - дополнительное напряжение, возникающее в трубе при остывании от t0 до tмин, Н/мм2;
σраст - растягивающее окружное напряжение от внутреннего давления, Н/мм2;
φ - коэффициент снижения прочности сварного шва при расчете на давление;
φгр - угол внутреннего трения грунта, град.;
φи - коэффициент снижения прочности сварного шва при расчете на изгиб.
Е.2 Методика расчета
Предельная длина компенсируемого прямого участка теплопровода между неподвижной опорой (или мнимой опорой) и компенсирующим устройством не должна превышать предельной длины, рассчитанной по формуле
, (Е.1)
где Fст - площадь поперечного сечения стенки трубы, мм2, определяемая по формуле
Fст = π(Dн - s)s, (Е.2)
здесь Dн - наружный диаметр трубы, мм;
s - толщина стенки трубы, мм;
fтр - удельная сила трения * на единицу длины трубы, Н/м, определяемая по формуле
fтр = μ[(1 - 0,5sinφгр)γZπDоб·10-3 + qтрубы], (Е.3)
здесь μ - коэффициент трения полиэтиленовой оболочки по грунту, при трении по песку допускается принимать μ = 0,40;
qтрубы - вес 1 м теплопровода с водой, Н/м;
γ - удельный вес грунта и воды, Н/м3;
Z - глубина засыпки по отношению к оси трубы, м;
σдоп - допускаемое осевое напряжение в трубе, Н/мм2, определяемое по формуле
, (Е.4)
где φ - коэффициент снижения прочности сварного шва при расчете на давление (для электросварных труб), принимают по соответствующему стандарту. При полном проваре шва и контроле качества сварки по всей длине неразрушающими методами φ= 1; при выборочном контроле качества сварки не менее 10% длины шва φ= 0,8, а менее 10% - φ= 0,7;
P - избыточное внутреннее давление, МПа;
φи - коэффициент снижения прочности сварного шва при расчете на изгиб. При наличии изгиба φи = 0,9, а при отсутствии изгиба φи = 1.
--------------------------------
* Применяют следующие коэффициенты перегрузки для удельной силы трения: 1,2 - к плотности грунта; 1,1 - к весу трубы; 1,2 - к весу изоляции.
Допускается пользоваться приближенными формулами:
- при φи = 1:
σдоп = 1,25[φ]; (В.5)
- при φи = 0,8:
σдоп = 1,125[φ]; (В.6)
Dоб - наружный диаметр теплопровода по полиэтиленовой оболочке, мм, для конструкций теплопроводов со значением адгезии теплоизоляции к трубе и оболочки к теплоизоляции ≥ 0,15 МПа; при меньших значениях расчеты ведут по Dн трубы;
φгр - угол внутреннего трения грунта (для песка φгр = 30°).
Предельная длина компенсируемого участка теплопровода может быть увеличена разными способами, например, путем:
- применения стальных труб с повышенной толщиной стенки;
- уменьшения коэффициента трения μ обертыванием теплопровода полиэтиленовой пленкой;
- уменьшения глубины прокладки теплопровода Z, т.е. засыпки по отношению к оси трубы;
- повышения качества сварных швов и др.
Пример
Необходимо определить предельную длину прямого участка теплопровода диаметром 159 x 4,5 мм, рабочей температурой 130 °C, рабочим давлением 1,6 МПа, материал - сталь Вст3сп5. Грунт - песчаный, угол внутреннего трения грунта φгр = 30°, расстояние от поверхности земли до оси трубы Z = 1,0 м.
Номинальное допускаемое напряжение для заданного материала при температуре 130 °C [σ] = 137 Н/мм2.
Площадь поперечного сечения стенки трубы:
Fст= π(Dн- s)s = 3,14(159 - 4,5)4,5 = 2183 мм2.
Удельная сила трения на единицу длины трубы:
fтр = μ[(1 - 0,5sinφгр)γZπDоб·10-3 + qтрубы] =
= 0,4[(1 - 0,5·0,5)1,2·15·103·1,0·3,14·250·10-3 + 503] = 4440 Н/м.
Допускаемое осевое напряжение:
σдоп = 1,25[φ] = 1,25·137 = 171 Н/мм2.
Предельная длина прямого участка теплопровода:
м.
При увеличении толщины стенки трубы, например до 6 мм:
Fст = 3,14(159 - 6)6 = 2882 мм2;
fтр = 0,4[(1 - 0,5·0,5)18·103·1,0·3,14·250·10-3 + 508] = 4442 Н/м.
м.
Е.3 Выбор и расчет компенсирующих устройств
Компенсация тепловых деформаций теплопровода может быть осуществлена следующими компенсирующими устройствами и системами:
Группа I (устройства):
а) с П-образными компенсаторами, углами поворота трассы в виде Г- и Z-образных компенсаторов;
б) с СК или СКУ.
Группа II (системы):
а) системы с предварительным нагревом до засыпки грунтом;
б) системы со стартовыми сильфонными компенсаторами, завариваемыми после предварительного нагрева.
Компенсирующие устройства группы Iа размещаются в любом месте теплопровода.
При этом протяженный теплопровод может иметь три вида зон:
- зоны изгиба Lн - участки теплопровода, непосредственно примыкающие к компенсатору. Теплопровод при нагреве перемещается в осевом и боковых направлениях;
- зоны компенсации Lк - участки теплопровода, примыкающие к компенсатору, перемещающиеся при температурных деформациях. Участки изгиба включают в длину участков компенсации;
- зоны защемления Lз - неподвижные (защемленные) участки теплопровода, примыкающие к неподвижным или мнимым опорам, компенсация температурных колебаний в которых происходит за счет изменения осевого напряжения.
В общем случае деформацию теплопровода ΔL рассчитывают по формуле
ΔL = Δlt- Δlтр - Δlдм - Δlр, (Е.7)
где Δlt - турная деформация;
Δlтр - деформация под действием сил трения;
Δlдм - реакция демпфера (грунта, упругих подушек, жесткости осевого компенсатора, упругости П-, Г-, Z-образных и других компенсирующих устройств);
Δlр - деформация от внутреннего давления.
Выбор и расчет компенсирующих устройств группы Iа (П-, Г-, Z-образных компенсаторов, углов поворота трассы и т.п.) следует проводить по компьютерной программе или номограммам.
Размещение компенсирующих устройств группы Iа наиболее эффективно в середине компенсируемого участка.
При П-образных компенсаторах длину плеч следует определять расчетом на прочность.
При наличии углов поворота трассы следует использовать их в качестве компенсирующих устройств.
Длина участка труб в зоне компенсации может быть определена по упрощенной формуле
, (Е.8)
где Fст - площадь поперечного сечения трубы, мм2;
fтр - удельная сила трения на единицу длины трубы, Н/м;
E - модуль упругости материала трубы, Н/мм2;
α - коэффициент линейного расширения стали, мм/(м·°C);
Δt - приращение температуры, °C, определяемое по формуле
Δt = t1 - tэ,
здесь tэ - минимальная температура в условиях эксплуатации (tмонт, tупора и т.д.).
Выбор tэ проводят при проектировании по согласованию с заказчиком и эксплуатирующей организацией.
Максимальное удлинение зоны компенсации ΔLк при нагреве теплопровода после засыпки траншеи грунтом можно определить по упрощенной формуле
, (Е.9)
где α - коэффициент линейного расширения стали, мм/(м·°C);
t1 - максимальная расчетная температура теплоносителя, °C;
tэ - минимальная температура в условиях эксплуатации. Выбор tэ выполняется проектировщиком по согласованию с заказчиком и эксплуатирующей организацией;
Lк - длина зоны (участка) компенсации, м;
fтр - удельная сила трения на единицу длины трубы, Н/м;
E - модуль упругости материала трубы, E = 2·105 Н/мм2;
Fст - площадь поперечного сечения стенки трубы, мм2.
В формулах (Е.8) и (Е.9) в целях упрощения проектных расчетов не учтены два члена:
[(0,5 - 0,3)σраст], Н/мм2 - осевая составляющая растягивающего окружного напряжения от внутреннего давления. При расширении учитывается с положительным знаком;
[Nг/Fст], Н/мм2 - влияние усилия от активной реакции грунта. При расширении учитывается с отрицательным знаком.
Выполняющие функцию демпфера поролоновые подушки, тем более канальные участки, практически не препятствуют температурному расширению теплопровода и сводят к минимуму влияние Nr/Fст.
Второй член может быть заменен величиной упругой деформации компенсатора.
Выбор и расчет компенсирующих устройств группы Iб следует производить по расчетным формулам и таблицам, приведенным в рекомендациях по применению осевых СК и СКУ конкретных предприятий - производителей СК и СКУ, продукция которых отличается конструктивно и технологически.
Длину участка, на котором устанавливают один СК (одно СКУ), рассчитывают по формуле
, (Е.10)
где λ - амплитуда осевого хода, мм;
α - коэффициент линейного расширения стали, мм/(м·°C);
t1 - максимальная расчетная температура теплоносителя, °C;
t0 - расчетная температура наружного воздуха для проектирования отопления, °C.
При наличии на участке канальной и бесканальной прокладок принимают коэффициент 0,9; при бесканальной прокладке - 1,15.
Пример
Необходимо определить максимальную длину участка, на котором устанавливается один осевой СК с условным проходом Ду = 150 мм:

Длину зоны компенсации Lк при применении СК и СКУ рассчитывают по формуле
, (Е.11)
где A - коэффициент, учитывающий активную площадь сильфона СК или СКУ:
A = 0,5[1 - (Dс/Dн)2]; (Е.12)
fтр - удельная сила трения на единицу длины трубы, Н/м;
Fст - площадь поперечного сечения трубы, мм2;
α - коэффициент линейного расширения стали, мм/(м·°C);
E - модуль упругости материала трубы, Н/мм2;
Δt - приращение температуры, °C, определяемое по формуле
Δt = t1 - t0;
Dн - наружный диаметр трубы, мм;
Dс - диаметр, характеризующий эффективную площадь сильфона, мм, определяемый по формуле:
Dc = 1,13√Sэф,
Sэф - эффективная площадь поперечного сечения СК.
Системы компенсации группы II не требуют установки постоянно действующих компенсирующих устройств.
Компенсация температурных деформаций происходит за счет изменения осевого напряжения в защемленной трубе. Поэтому область применения тепловых сетей без постоянно действующих компенсирующих устройств ограничена допустимым перепадом температур Δt.
Системы группы II применяют в случаях, когда трасса состоит из длинных прямолинейных участков с зонами защемления Lз.
Максимально допустимый перепад температур Δt с учетом предварительного нагрева, обычно принимаемого равным 0,5Δt, не должен превышать:
. (Е.13)
Вычисляют максимальную температуру теплоносителя t1 по формуле
t1 = Δt + tэ, (Е.14)
где σдоп - допускаемое осевое напряжение в трубе, Н/мм2;
α - коэффициент линейного расширения стали, мм/(м·°C);
E - модуль упругости материала трубы, Н/мм2;
Δt - приращение температуры, °C, определяемое по формуле
Δt = t1 - tэ,
Пример
Необходимо определить максимальную температуру теплоносителя для прямого участка при σдоп = 137 Н/мм2 и (tэ - tмонт) = 10 °C.
Согласно формуле (Е.5) допускаемые осевые напряжения составляют σдоп = 1,25·137 = 171 Н/мм2.
°C.
Таким образом, максимальная температура теплоносителя:
t1 = Δt + tмонт = 128 + 10 = 138 °C.
Системы, относящиеся к группе IIа, - предварительный нагрев до засыпки грунтом:
- монтируют и до засыпки грунтом нагревают до температуры предварительного нагрева [tп.н]:
; (Е.15)
- теплопроводы засыпают. Температуру нагрева следует поддерживать до полной засыпки их грунтом. Затем теплопроводы охлаждают до температуры монтажа. В защемленной зоне Lз уровень напряжений, Н/мм2, будет приблизительно равен:
σос = ЕαΔt·10-3, (Е.16)
где t1 = Δt + tп.н, °С.
Затем теплопровод нагревают до рабочей температуры.
В системах, относящихся к группе IIб, предусматривают применение стартовых сильфонных компенсаторов.
Систему полностью монтируют в траншее и засыпают грунтом (за исключением мест установки стартовых компенсаторов). Затем систему нагревают до температуры, при которой все стартовые сильфонные компенсаторы замыкаются, после чего осуществляется их заварка. Таким образом, стартовые сильфонные компенсаторы срабатывают один раз, после чего система превращается в неразрезную и компенсация температурных расширений в дальнейшем осуществляется за счет знакопеременных осевых напряжений сжатия-растяжения.
Максимально допустимое расстояние, м, между стартовыми сильфонными компенсаторами составляет
, (Е.17)
где Fст - площадь поперечного сечения трубы, мм2;
fтр - удельная сила трения на единицу длины трубы, Н/м;
α - коэффициент линейного расширения стали, мм/(м·°C);
E - модуль упругости материала трубы, Н/мм2.
Диапазон температур предварительного нагрева, при которых может быть осуществлена заварка:
; (Е.18)
. (Е.19)
Формула (Е.18) определяет минимальную температуру предварительного нагрева, исходя из достижения допустимых осевых напряжений в холодном состоянии теплопровода после выполнения растяжки, а формула (В.19) - из достижения таких же напряжений в рабочем состоянии. В интервале от
до
любая tп.н будет удовлетворять условиям прочности;
tэ - температура, при которой монтируются стартовые сильфонные компенсаторы.
При проектировании следует учитывать, что tэ может изменяться в пределах от нуля (при длительной остановке нагрева сетевой воды) до расчетной температуры наружного воздуха, принимаемой для расчета отопления (при глубине прокладки менее 0,7 м). Поэтому рекомендуется принимать tп.н близко к средней, определенной по формуле (Е.15).
С помощью нагрева до температуры tп.н и заварки стартового сильфонного компенсатора осуществляется растяжка теплопровода на значение ΔL, определяемое по формуле
, (Е.20)
где Δtп.н = tп.н - tэ.
Если по конструктивным соображениям расстояние между стартовыми сильфонными компенсаторами требуется уменьшить, в формулу (Е.20) вместо максимально допустимого значения Lст.к подставляют реальное.
Пример
Необходимо определить предельно допустимое расстояние между стартовыми сильфонными компенсаторами, температуру предварительного нагрева и значение растяжки при следующих исходных данных: теплопровод диаметром 426 мм с толщиной стенки 7 мм с изоляцией, наружный диаметр кожуха изоляции 560 мм, площадь поперечного сечения трубы 92 см2, материал - сталь марки 20, давление в рабочем состоянии 1,6 МПа, наибольшая температура теплоносителя 130 °C, при монтаже компенсаторов - 10 °C, вес теплопровода с изоляцией и водой с учетом коэффициентов перегрузки 2122 Н/м. Теплопровод имеет глубину заложения в грунте Z = 1,1 м, окружающий грунт - песок.
Определяют допускаемое осевое напряжение по формуле (Е.4):
МПа.
Удельная сила трения по формуле (Е.3) составляет:
fтр = 0,4[1 - 0,5·0,5)1,2·15·103·1,13·14560·10-3 + 2122] = 11294 Н/м.
Предельно допустимое расстояние между стартовыми сильфонными компенсаторами определяют по формуле (Е.17):
м.
Температуру предварительного нагрева определяют по формулам (Е.18):
ºС
и (Е.19):
ºС.
Принимают среднее значение tп.н = 70 °C, тогда осевые напряжения в рабочем состоянии составят:
σ = 0,012(130 - 70)2,0·103 = 144,0 МПа <176,5 МПа.
Определяют ΔL по формуле (Е.20):
мм,
где Δtп.н = 70 – 10 = 60°С..
В практике проектных и монтажных работ допускается использовать приближенные формулы для определения расчетного сжатия стартового сильфонного компенсатора ΔL, мм:
ΔL = 0,5(t1 - tмонт)Lст.кα, (Е.21)
ΔL = (tп.н - tмонт)Lст.кα. (Е.22)
В местах установки стартовых сильфонных компенсаторов теплопроводы должны иметь прямолинейные участки длиной не менее 12 м.
Для уменьшения значения трения теплопровода о грунт допускается его обернуть полиэтиленовой пленкой.
Траншею в местах установки стартовых сильфонных компенсаторов следует засыпать только после выполнения предварительного нагрева теплопровода, завершения сварочных работ и монтажа стыкового соединения.
Расстояние от стартового сильфонного компенсатора до места установки ответвления должно быть не менее Lст.к/3.
Приложение Ж
Ж.1 До проведения работ по монтажу муфты проводят измерение стыка. Длину стыка измеряют между торцами ППУ стыкуемых элементов. Длина стыка по металлу для диаметров оболочки Ø110 – 250 мм должна быть 250 - 350 мм, для диаметра оболочки 315 мм - 300 - 400 мм. В этом случае на муфте и в отчете следует сделать отметку с указанием длины нестандартного стыка и при заказе компонента для заливки руководствоваться этими данными.
Ж.2 При установке муфты заводская этикетка должна располагаться на 1 час с внешней стороны трассы.
Ж.3 Перед монтажом мастичного стыка необходимо тщательно зачистить крупнозернистой наждачной бумагой с зернистостью 60 - 80 (N 5) края муфты с внутренней стороны на глубину 150 - 200 мм и поверхности полиэтиленовых оболочек с обеих сторон на расстоянии 150 - 200 мм от края ПЭ оболочки стыка. Протирают зачищенные поверхности ветошью, смоченной ацетоном, для удаления продуктов зачистки.
Применение растворителей на бензиновой и спиртовой основе не допускается.
Ж.4 После разметки краев следует зафиксировать, что муфта располагается симметрично относительно центра стыка.
Ж.5 Просверливают вентиляционное отверстие Ø6 – 8 мм на расстоянии 100 мм от центра муфты, расположив его на 12 часов в верхней части муфты. Без устройства вентиляционного отверстия заливка стыка не допускается.
Ж.6 Активирование поверхности зоны установки клеевой ленты проводят путем прогрева ее пламенем газовой горелки (синее пламя) до температуры 90 °C - 100 °C. В зимнее время необходимо увеличивать температуру на 5 °C - 10 °C.
Ж.7 Зона установки термоаппликатора должна быть равномерно прогрета. Контроль прогрева следует проводить в нижней и боковых поверхностях.
Ж.8 После установки термоаппликатора надвигают муфту, сориентировав вентиляционное отверстие на 12 часов таким образом, чтобы внутренняя поверхность муфты не касалась клеевой ленты.
Ж.9 При проведении усадки муфты ее перегрев не допускается.
Ж.10 Усадка считается законченной, если по всей окружности муфты на расстоянии 125 - 140 мм от края зазор между муфтой и оболочкой отсутствует. Допускается выдавливание расплавленного термоаппликатора из-под краев усаженной муфты на расстояние 1 - 10 мм.
Ж.11 Установка термоусаживаемой ленты и замковых пластин осуществляется в соответствии с технологической инструкцией предприятия-производителя.
Ж.12 Перед проведением опрессовки муфты необходимо дождаться остывания усадочных зон муфты до температуры не выше 40 °C.
Ж.13 Проводят контроль герметичности стыка опрессовкой воздухом с избыточным давлением 0,5 атм.
Ж.14 Подготовительные работы для термоусаживаемых муфт с закладным электросварным элементом аналогичны работам по монтажу мастичного стыка, выполненного с применением термоусаживаемых муфт из полиэтилена.
Ж.15 После установки аппликатора один конец нагревателя закрепляют на расстоянии 10 мм (диаметр оболочки - 315 - 450 мм); 20 мм (диаметр оболочки - 560 - 900 мм); 30 мм (диаметр оболочки - 1000 - 1600 мм) от габаритной отметки.
Ж.16 Строго выдерживая указанное расстояние от нагревателя до габаритной отметки, необходимо плотно обернуть его вокруг оболочки, чтобы зазор между контактами нагревателя был в пределах 10 - 12 мм (диаметр оболочки - 315 - 450 мм), 12 - 14 мм (диаметр оболочки - 560 - 900 мм), 13 - 15 мм (диаметр оболочки - 1000 - 1600 мм). Допускается незначительная растяжка нагревателя без нарушения целостности токоподводящего контакта. Закрепляют второй конец ленты к оболочке. Повторяют операции с нагревателем на другой стороне стыка.
Ж.17 При диаметрах оболочки 450 мм и более проводят дополнительную фиксацию нагревательного элемента по окружности в положениях 2 часа, 4 часа, 8 часов и 10 часов, используя степлер.
Ж.18 Для контроля режимов сварки следует использовать термодатчики, закрепленные на поверхности ПЭ трубы-оболочки с помощью степлера на расстоянии 20 мм от нагревательного элемента. Место расположения термодатчика выбирают с учетом обеспечения быстрого доступа к нему. Кабельные выводы термодатчиков подключают к сварочному аппарату. Количество термодатчиков при подключении к сварочному аппарату - по 1 шт. на каждую сторону стыка.
Ж.19 При диаметре оболочки ПЭ более 450 мм усадку следует проводить в две горелки, нагревая попеременно оба конца муфты.
Ж.20 После окончания усадки устанавливают обжимные полосы из нержавеющей стали таким образом, чтобы они не выходили за края муфты на 5 - 10 мм. Концы обжимных полос располагают в положении 2 часа. Нахлест обжимной полосы должен быть в пределах 20 - 80 мм.
Ж.21 Поверх обжимных полос устанавливают бандажные ленты таким образом, чтобы они располагались над нагревательным элементом. Замок бандажной ленты должен располагаться в месте нахлеста обжимной полосы (в положении 2 часа). Для оболочки Ø315 мм для стягивания бандажной ленты используют замки меньшего размера.
Индикатором окончания стягивания бандажной лентой для оболочки Ø315 мм является начало раскрытия замка.
Ж.22 Для оболочки Ø1000 – 1600 мм проводят установку дополнительной бандажной ленты по краю муфты.
Ж.23 Для проведения работ сварочный аппарат размещают в непосредственной близости от места сварки. При неблагоприятных погодных условиях следует защитить рабочее место от непосредственных осадков (установка тента, палатки и равноценных защитных средств).
Ж.24 Сварку проводят не ранее чем через 10 мин после окончания усадки.
Ж.25 После завершения цикла сварки термодатчики следует аккуратно извлечь из-под муфты.
Ж.26 Все данные цикла сварки фиксируются в памяти аппарата для последующего оформления протокола. Данные о цикле сварки считывают из аппарата с помощью интерфейса USB и впоследствии обрабатывают с помощью программного обеспечения. Протокол заверяется подписью ответственного лица, проводившего сварку муфты и имеющего удостоверение, подтверждающее его соответствующую квалификацию.
Ж.27 Для изоляции стыков разрешается использовать только пенообразующие компоненты, изготовленные в заводских условиях и поставляемые в заводской таре (пенопакеты, ПЭТ тара). В процессе изоляционных работ следует контролировать соответствие этикетки на упаковке пенообразующего компонента температурному диапазону его применения в момент монтажа.
Библиография
[1] Постановление Правительства Российской Федерации от 16 февраля 2008 г. N 87 "О составе разделов проектной документации и требованиях к их содержанию"
[2] РД 10-400-01 Нормы расчета на прочность трубопроводов тепловых сетей
[3] Федеральные нормы и правила в области промышленной безопасности "Правила промышленной безопасности при использовании оборудования, работающего под избыточным давлением" (утверждены приказом Федеральной службы по экологическому, технологическому и атомному надзору от 15 декабря 2020 г. N 536)
[4] Федеральный закон от 10 января 2002 г. N 7-ФЗ "Об охране окружающей среды"


