СП 316.1325800.2017 (25.11.2019) ТЕРМИНАЛЫ КОНТЕЙНЕРНЫЕ. ПРАВИЛА ПРОЕКТИРОВАНИЯ
С изменениями:
(25 ноября 2019 г.)
Container terminals Regulations of projecting
Дата введения 15 мая 2018 г.
Введен впервые
Введение
Настоящий свод правил разработан с учетом требований федеральных законов от 21 июля 1997 г. N 116-ФЗ "О промышленной безопасности опасных производственных объектов" [1], от 30 декабря 2009 г. N 384-ФЗ "Технический регламент о безопасности зданий и сооружений" [2].
Свод правил разработан авторским коллективом ЗАО "ПРОМТРАНСНИИПРОЕКТ" (руководитель темы - д-р техн. наук Л.А. Андреева, инженеры И.П. Потапов, А.В. Багинов, И.В. Музыкин, А.С. Букреева) при участии д-ра техн. наук О.Б. Маликова.
Изменение N 1 к настоящему своду правил разработано авторским коллективом ЗАО "ПРОМТРАНСНИИПРОЕКТ" (д-р техн. наук Л.А. Андреева, И.П. Потапов, П.А. Костюкевич, А.В. Багинов, И.В. Музыкин, А.С. Григорьева).
Настоящий свод правил устанавливает правила проектирования контейнерных терминалов на территории Российской Федерации.
В настоящем своде правил использованы нормативные ссылки на следующие документы:
ГОСТ 12.1.003-2014 Система стандартов безопасности труда. Шум. Общие требования безопасности
ГОСТ 12.1.005-88 Система стандартов безопасности труда. Общие санитарно-гигиенические требования к воздуху рабочей зоны
ГОСТ 12.1.010-76 Система стандартов безопасности труда. Взрывобезопасность. Общие требования
ГОСТ 3634-99 Люки смотровых колодцев и дождеприемники ливнесточных колодцев. Технические условия
ГОСТ 9128-2009 Смеси асфальтобетонные дорожные, аэродромные и асфальтобетон. Технические условия
ГОСТ 9238-2013 Габариты железнодорожного подвижного состава и приближения строений
ГОСТ 20231-83 (СТ СЭВ 2472-80) Контейнеры грузовые. Термины и определения
ГОСТ 24291-90 Электрическая часть электростанции и электрической сети. Термины и определения
ГОСТ 24390-99 Краны козловые электрические контейнерные. Основные параметры и размеры
ГОСТ 25912-2015 Плиты железобетонные предварительно напряженные для аэродромных покрытий. Технические условия
ГОСТ 27751-2014 Надежность строительных конструкций и оснований. Основные положения
ГОСТ 30302-95 Контейнеры специализированные. Типы, основные параметры и размеры
ГОСТ 30494-2011 Здания жилые и общественные. Параметры микроклимата в помещениях
ГОСТ Р 51248-99 Пути наземные рельсовые крановые. Общие технические требования
ГОСТ Р 51256-2018 Технические средства организации дорожного движения. Разметка дорожная. Классификация. Технические требования
ГОСТ Р 53350-2009 (ИСО 668:1995) Контейнеры грузовые серии 1. Классификация, размеры и масса
ГОСТ Р 55557.1-2013 (ИСО 18185-1:2007) Контейнеры грузовые. Пломбы электронные. Часть 1. Протокол связи
ГОСТ Р 55557.2-2013 (ИСО 18185-2:2007) Контейнеры грузовые. Пломбы электронные. Часть 2. Требования по применению
ГОСТ Р 55557.3-2013 (ИСО 18185-3:2007) Контейнеры грузовые. Пломбы электронные. Часть 3. Характеристика окружающей среды
ГОСТ Р 55557.4-2013 (ИСО 18185-4:2007) Контейнеры грузовые. Пломбы электронные. Часть 4. Защита данных
ГОСТ Р 55557.5-2013 (ИСО 18185-5:2007) Контейнеры грузовые. Пломбы электронные. Часть 5. Физический уровень
ГОСТ Р 57278-2016 Ограждения защитные. Классификация. Общие положения
ГОСТ Р 57310-2016 (ИСО 29481-1:2010) Моделирование информационное в строительстве. Руководство по доставке информации. Методология и формат
ГОСТ Р 57311-2016 Моделирование информационное в строительстве. Требования к эксплуатационной документации объектов завершенного строительства
ГОСТ Р 57412-2017 Компьютерные модели в процессах разработки, производства и эксплуатации изделий. Общие положения
ГОСТ Р 57563-2017/ISO/TS 12911:2012 Моделирование информационное в строительстве. Основные положения по разработке стандартов информационного моделирования зданий и сооружений
ГОСТ Р 58492-2019 Контейнеры грузовые. Системы автоматизированные. Контроль за перемещением контейнеров и сохранностью грузов в контейнерах на контейнерных площадках и терминалах. Общие технические требования
ГОСТ Р ИСО 17261-2014 Интеллектуальные транспортные системы. Автоматическая идентификация транспортных средств и оборудования. Архитектура и терминология в секторе интермодальных грузовых перевозок
ГОСТ Р ИСО 17363-2010 Применение радиочастотной идентификации (RFID) в цепи поставок. Контейнеры грузовые
СП 4.13130.2013 Системы противопожарной защиты. Ограничение распространения пожара на объектах защиты. Требования к объемно-планировочным и конструктивным решениям (с изменением N 1)
СП 12.13130.2009 Определение категорий помещений, зданий и наружных установок по взрывопожарной и пожарной опасности (с изменением N 1)
СП 18.13330.2019 Производственные объекты. Планировочная организация земельного участка ("СНиП II-89-80* Генеральные планы промышленных предприятий")
СП 22.13330.2016 "СНиП 2.02.01-83* Основания зданий и сооружений" (с изменениями N 1, N 2)
СП 29.13330.2011 "СНиП 2.03.13-88 Полы" (с изменением N 1)
СП 31.13330.2012 "СНиП 2.04.02-84* Водоснабжение. Наружные сети и сооружения" (с изменениями N 1, N 2, N 3, N 4)
СП 37.13330.2012 "СНиП 2.05.07-91* Промышленный транспорт" (с изменениями N 1, N 2, N 3)
СП 44.13330.2011 "СНиП 2.09.04-87 Административные и бытовые здания" (с изменениями N 1, N 2)
СП 48.13330.2011 "СНиП 12-01-2004 Организация строительства" (с изменением N 1)
СП 50.13330.2012 "СНиП 23-02-2003 Тепловая защита зданий" (с изменением N 1)
СП 51.13330.2011 "СНиП 23-03-2003 Защита от шума" (с изменением N 1)
СП 60.13330.2016 "СНиП 41-01-2003 Отопление, вентиляция и кондиционирование воздуха" (с изменением N 1)
СП 63.13330.2018 "СНиП 52-01-2003 Бетонные и железобетонные конструкции. Основные положения"
СП 70.13330.2012 "СНиП 3.03.01-87 Несущие и ограждающие конструкции" (с изменениями N 1, N 3)
СП 113.13330.2016 "СНиП 21-02-99* Стоянки автомобилей" (с изменением N 1)
СП 155.13130.2014 Склады нефти и нефтепродуктов. Требования пожарной безопасности (с изменением N 1)
СП 262.1325800.2016 Контейнерные площадки и терминальные устройства на предприятиях промышленности и транспорта. Правила проектирования и строительства
СП 301.1325800.2017 Информационное моделирование в строительстве. Правила организации работ производственно-техническими отделами
СП 328.1325800.2017 Информационное моделирование в строительстве. Правила описания компонентов информационной модели
СП 331.1325800.2017 Информационное моделирование в строительстве. Правила обмена между информационными моделями объектов и моделями, используемыми в программных комплексах
СП 333.1325800.2017 Информационное моделирование в строительстве. Правила формирования информационной модели объектов на различных стадиях жизненного цикла
СП 350.1326000.2018 Нормы технологического проектирования морских портов
Примечание - При пользовании настоящим сводом правил целесообразно проверить действие ссылочных документов в информационной системе общего пользования - на официальном сайте федерального органа исполнительной власти в сфере стандартизации в сети Интернет или по ежегодному информационному указателю "Национальные стандарты", который опубликован по состоянию на 1 января текущего года, и по выпускам ежемесячного информационного указателя "Национальные стандарты" за текущий год. Если заменен ссылочный документ, на который дана недатированная ссылка, то рекомендуется использовать действующую версию этого документа с учетом всех внесенных в данную версию изменений. Если заменен ссылочный документ, на который дана датированная ссылка, то рекомендуется использовать версию этого документа с указанным выше годом утверждения (принятия). Если после утверждения настоящего свода правил в ссылочный документ, на который дана датированная ссылка, внесено изменение, затрагивающее положение, на которое дана ссылка, то это положение рекомендуется применять без учета данного изменения. Если ссылочный документ отменен без замены, то положение, в котором дана ссылка на него, рекомендуется применять в части, не затрагивающей эту ссылку. Сведения о действии сводов правил целесообразно проверить в Федеральном информационном фонде стандартов.".
3.1
|
автоконтейнеровоз: Автомобиль-тягач в сцепе с прицепом или полуприцепом, предназначенный для перевозки контейнеров. [СП 262.1325800.2016, пункт 3.1] |
3.2 автоконтейнеровоз-погрузчик, портальный автопогрузчик; ПАП: Разновидность автопогрузчиков портального типа для транспортирования и штабелирования контейнеров в пределах контейнерного терминала.
3.3 автостоянка открытого типа: Автостоянка без наружных стеновых ограждений.
3.4 аппарель: Нестационарная регулируемая горизонтальная или наклонная платформа, предназначенная для заезда напольных транспортных средств в железнодорожный вагон, в автомобиль или на судно и обратно.
3.5
|
взрывобезопасность: Состояние производственного процесса, при котором исключается возможность взрыва, или в случае его возникновения предотвращается воздействие на людей вызываемых им опасных и вредных факторов и обеспечивается сохранение материальных ценностей. [ГОСТ 12.1.010-76] |
3.6 вилочный контейнерный автопогрузчик: Автопогрузчик с фронтальным вилочным грузозахватом, применяемый для перегрузок, транспортировки и штабелирования порожних контейнеров.
3.7 вставка, встройка: Часть здания, предназначенная для размещения административных и бытовых помещений, расположенная в пределах производственного здания и выделенная противопожарными преградами.
3.8 высотное стеллажное хранение: Хранение грузов на стеллажах с высотой складирования свыше 5,5 м.
3.9
|
габарит приближения строений: Предельное поперечное перпендикулярное оси железнодорожного пути очертание, внутрь которого помимо железнодорожного подвижного состава не должны попадать никакие части сооружений и устройств, а также лежащие около железнодорожного пути материалы, запасные части и оборудование, за исключением частей устройств, предназначаемых для непосредственного взаимодействия с железнодорожным подвижным составом (контактные провода с деталями крепления, хоботы гидравлических колонок при наборе воды и другие), при условии, что положение этих устройств во внутригабаритном пространстве увязано с соответствующими частями железнодорожного подвижного состава и что они не могут вызвать соприкосновения с другими элементами железнодорожного подвижного состава. [ГОСТ 9238-2013, статья 2.2] |
3.10 грузовая рампа: Часть конструкции складского здания высотой 1200 мм, служащая для выравнивания уровня пола склада и уровня кузова транспортного средства для обеспечения механизации погрузочно-разгрузочных работ.
3.11 грузовой терминал; (ГТ): Технический объект в транспортной сети и системах доставки грузов, предназначенный для логистического преобразования грузопотоков в пунктах взаимодействия различных видов транспорта с целью дальнейшего наиболее эффективного транспортирования или использования грузов.
3.12 грузооборот: Применительно к транспорту - произведение количества перевезенного груза за определенный период времени на расстояние перевозки. Применительно к грузовому терминалу - сумма прибывающих и выдаваемых грузов за определенный период времени.
3.13 грузопоток: Количество грузов, поступившее или выданное с грузового терминала за определенный период времени или перевезенное за это время из одного пункта в другой.
3.14 двадцатифутовый эквивалент; ДФЭ: Единица измерения объема контейнерных перевозок, емкости и перерабатывающей способности контейнерных терминалов в числе 20-футовых контейнеров.
3.15
|
емкость контейнерной площадки: Единовременный запас хранения контейнеров, который измеряется в TEU (ДФЭ). [СП 262.1325800.2016, пункт 3.7] |
3.16
|
железнодорожный (автомобильный) грузовой фронт; ЖГФ, АГФ: Участок грузового района или часть склада с оптимально рассчитанными длиной фронта и высотой штабеля груза, подлежащего хранению, и некоторого пространства для безопасной работы людей и средств механизации, на которых производится грузовая обработка транспортных средств, с прилегающим участком погрузочно-разгрузочного железнодорожного и/или внутрипортового железнодорожного пути и/или автомобильной дороги. [СП 262.1325800.2016, пункт 3.8] |
3.16а
|
моделирование: Изучение свойств и/или поведения объекта моделирования, выполненное с использованием его моделей. [ГОСТ Р 57412-2017, пункт 3.1.6] |
3.17
|
интермодальная перевозка: Транспортно-технологическая система организации перевозок с использованием нескольких видов транспорта, при которой за перевозку интермодальной грузовой единицы несет ответственность одно лицо (экспедитор), по единому комплекту документов и ставке тарифа, согласованной с перевозчиками, с освобождением грузоотправителя от участия в перевозочном процессе. [ГОСТ Р 57118-2016, пункт 3.1.1] |
3.17а
|
информационное моделирование зданий и сооружений (BIM): Процесс создания и использования информации по строящимся, а также завершенным объектам капитального строительства в целях координации входных данных, организации совместного производства и хранения данных, а также их использования для различных целей на всех этапах жизненного цикла. Примечание - BIM - широко используемая аббревиатура в строительной отрасли. В этом понятии акцент приходится на слово "здание", что сложилось исторически, поскольку переход от традиционных форм документации наиболее ярко выражен в секторе "вертикального" строительства. Тем не менее данная технология оказывает аналогичное влияние и на сектор инфраструктурных ("горизонтальных") объектов и других объектов искусственной среды, обеспечивающих жизнедеятельность людей. [ГОСТ Р 57563-2 017, пункт 3.2] |
3.18
|
емкость контейнерной площадки: Единовременный запас хранения контейнеров, который измеряется в TEU (ДФЭ). [СП 262.1325800.2017, пункт 3.7] |
3.18а
|
компьютерная модель (электронная модель): Модель, выполненная в компьютерной (вычислительной) среде и представляющая собой совокупность данных и программного кода, необходимого для работы с данными. [ГОСТ Р 57412-2017, пункт 3.1.7] |
3.19
|
железнодорожный (автомобильный) грузовой фронт; ЖГФ, АГФ: Участок грузового района или часть склада с оптимально рассчитанными длиной фронта и высотой штабеля груза, подлежащего хранению, и некоторого пространства для безопасной работы людей и средств механизации, на которых производится грузовая обработка транспортных средств, с прилегающим участком погрузочно-разгрузочного железнодорожного и/или внутрипортового железнодорожного пути и/или автомобильной дороги. [СП 262.1325800.2017, пункт 3.8] |
3.20 контейнерный автопогрузчик: Машина напольного транспорта с двигателем внутреннего сгорания для перегрузок, транспортирования и складирования контейнеров внутри контейнерного терминала, оснащенная специальным грузозахватом для контейнеров.
3.21 контейнерный автопогрузчик с выдвижной крановой стрелой (ричстакер): Специализированный автопогрузчик с телескопической стрелой и автоматическим грузозахватом для контейнеров.
3.22
|
контейнерный терминал; КТ: Специальный комплекс сооружений, персонал, технические и технологические устройства, организационно взаимоувязанные и предназначенные для выполнения логистических операций, связанных с приемом, погрузкой-разгрузкой, хранением, сортировкой контейнеров, а также коммерческо-информационным обслуживанием грузополучателей, перевозчиков и других логистических посредников в интер-, мультимодальных и прочих перевозках. [СП 262.1325800.2016, пункт 3.10] |
3.23 контейнеропоток: Грузопоток, в котором перемещаемыми грузами являются груженые или порожние контейнеры, измеряется в ДФЭ за единицу времени.
3.24 контрольно-пропускной пункт; КПП: Автотранспортный контрольно-пропускной пункт в местах въезда/выезда автотранспорта с территории контейнерного терминала. Оснащается шлагбаумами, смотровыми площадками, закрытым отапливаемым помещением, устройствами видеонаблюдения, компьютерным терминалом, устройствами сигнализации и связи и т.д.
3.25
|
кран грузоподъемный: Машина цикличного действия, предназначенная для подъема и перемещения в пространстве груза, подвешенного с помощью крюка или удерживаемого другим грузозахватным органом. [ГОСТ 33709.1-2015, таблица 1] |
3.26
|
кран козловой: Кран мостового типа, мост которого опирается на крановый путь или пневмоколесный ход с помощью двух опорных стоек. [ГОСТ 33709.1-2015, таблица 1, пункт 1.1.1.2] |
3.27
|
кран мостового типа: Кран, грузозахватный орган которого подвешен к грузовой тележке, тали или стреловому крану, перемещающимся по несущим элементам конструкции (мосту). [ГОСТ 33709.1-2015, таблица 1, пункт 1.1.1] |
3.28
|
кран портальный: Кран стрелового типа передвижной, поворотный на портале, предназначенном для пропуска железнодорожного или автомобильного транспорта. [ГОСТ 33709.1-2015, таблица 1, пункт 1.1.3.1] |
3.29 кран портальный пневмоколесный; (ППК): Безрельсовый портальный кран, оборудованный ходовыми тележками колесной модификации с приводом постоянного или переменного тока, предназначенный для работы в зоне хранения контейнеров, характеризующийся плотной установкой контейнеров в штабель.
3.30
|
кран стрелового типа: Кран, грузозахватный орган которого подвешен к стреле или тележке, перемещающейся по стреле. [ГОСТ 33709.1-2015, таблица 1, пункт 1.1.3] |
3.31 логистическая операция: Любая элементарная материальная или информационная операция в логистической цепи доставки грузов.
3.32 логистическая цепь: Линейно упорядоченная последовательность этапов прохождения материального и информационного потоков от поставщика до потребителя.
3.33 ло-ло: Вертикальный метод погрузки и выгрузки контейнеров из транспортных средств с использованием грузоподъемного оборудования.
3.34 мостовой контейнерный перегружатель: Мостовой кран, устанавливаемый на причале морского терминала, служащий для погрузки и выгрузки контейнеров из грузовых судов методом ло-ло. Имеет морскую консоль для обслуживания судов и береговую консоль для передачи контейнеров на терминальный или сразу на внешний железнодорожный транспорт.
3.35 мультимодальная перевозка: Транспортирование грузов по одному договору, но выполненное по меньшей мере двумя видами транспорта; перевозчик несет ответственность за всю перевозку, даже если транспортирование выполняется различными видами транспорта (например, железной дорогой, морем, автодорогой и т.д.).
3.36 мягкий контейнер (биг-бэг): Контейнер из резинотканевого материала или искусственной ткани, предназначенный для перевозки, перегрузок и временного хранения сыпучих грузов на открытых складских площадках.
3.37 перерабатывающая способность терминала: Количество грузов (в ДФЭ или тоннах) или транспортных средств (вагонов), которое может переработать контейнерный терминал за определенный период времени (за год, за сутки).
3.38 погрузочно-разгрузочный участок терминала или склада: Участок контейнерного терминала или часть склада, предназначенные для погрузки и выгрузки контейнеров и других грузов с транспортных средств, завозящими контейнеры или грузы на терминал или вывозящие их с территории терминала.
3.39 подъездной железнодорожный путь: Путь необщего пользования, примыкающий к ближайшей железнодорожной станции общего пользования и предназначенный для подачи и уборки груженых и порожних вагонов с площадки терминала. Состоит из внешнего и внутриплощадочных железнодорожного путей.
3.40 информационная модель капитального строительства: Совокупность взаимосвязанных сведений, документов и материалов об объекте капитального строительства, формируемых в электронном виде на этапах выполнения инженерных изысканий, осуществления архитектурно-строительного проектирования, строительства, реконструкции, капитального ремонта, эксплуатации и (или) сноса объекта капитального строительства.
3.41 спредер: Специальный грузозахват, которым оснащаются контейнерные краны и погрузчики для автоматического захвата и перемещения крупнотоннажных контейнеров.
3.42
|
трансформаторная подстанция; ТП: Электрическая подстанция, предназначенная для преобразования электрической энергии одного напряжения в энергию другого напряжения с помощью трансформаторов. [ГОСТ 24291-90, статья 26] |
3.43 число мест погрузки или разгрузки контейнеров на терминале: Количество автомобильных погрузочно-разгрузочных участков на терминале, на которых можно одновременно разгружать или грузить контейнеры на автомобильный транспорт.
3.44 штабель: Способ складирования грузов и контейнеров методом установки их друг на друга, без дополнительного стеллажного оборудования.
3.45 весовой путь: Железнодорожный путь, предназначенный для подачи вагонов на весы (вагонные весы) и взвешивания грузов в вагонах.
В настоящем своде правил установлены требования к составу основных исходных данных для проектирования контейнерного терминала, к планировочным решениям, к определению параметров основных элементов терминала (площадок хранения грузов и контейнеров, складов, зданий, сооружений, сетей инженерно-технического обеспечения, подъездных и внутренних автомобильных и железнодорожных путей) и их взаимосвязи.
Проектирование контейнерных терминалов КТ выполняют на основании технологических расчетов, выбора и расстановки оборудования, конфигурации коммуникаций и технологических планировок, обеспечивающих обоснование планировочной организации земельного участка (компоновка терминала, функциональных зон, технологическое зонирование, размещение инженерных коммуникаций), описания технологических процессов и выдачи заданий на выполнение смежных разделов проектирования терминала и его элементов.
В настоящем своде правил установлены также правила реконструкции существующих контейнерных терминалов. Разработка проектов реконструкции КТ должна быть направлена на развитие логистических систем, цепей поставок, транспортных сетей, совершенствование взаимодействия различных видов транспорта в интер- и мультимодальных перевозках.
Настоящий свод правил разработан с учетом положений ГОСТ 27751, СП 18.13330, СП 20.13330, СП 37.13330, СП 44.13330, СП 113.13330, СП 262.1325800, СП 22.13330, СП 48.13330, СП 63.13330, СП 70.13330 и требований [1], [2], [3].
Настоящий свод правил устанавливает требования к контейнерным терминалам, взаимодействующим с железнодорожным и автомобильным транспортом по прибытию и отправлению контейнерных грузопотоков и тарно-штучных грузов. Контейнерные терминалы широко используют также для переработки контейнерных грузопотоков в пунктах взаимодействия сухопутных видов транспорта с морским и внутренним водным транспортом. Многие общие положения по проектированию и строительству контейнерных терминалов, изложенные в настоящем Своде правил, применимы также и при проектировании морских контейнерных терминалов. При этом необходимо учитывать особенности морских контейнерных терминалов, взаимодействующих с железнодорожным, автомобильным и морским транспортом:
- на морских терминалах грузооборот определяют как сумму прибывающих и отправляемых грузов;
- на морских терминалах участки погрузки и разгрузки судов (в виде причалов) отличаются по устройству, конструкции, технологии и организации работ от железнодорожных и автомобильных грузовых фронтов (погрузо-разгрузочные участки);
- на морских терминалах три вида погрузочно-разгрузочных участков: морской, железнодорожный и автомобильный;
- транспортные средства большой грузоподъемности (суда-контейнеровозы) и крупные транспортные партии грузов;
- большой временной интервал между прибытием судов-контейнеровозов;
- наличие прикордонных (на причале) и тыловых складов (удаленные от причалов);
- большая стоимость простоя судов;
- суда различной модификации (по размерам, грузоподъемности);
- большие грузопотоки;
- наличие разнообразных грузов в одном и том же порту;
- наличие для различных грузов разных грузовых районов в порту;
- разные владельцы и операторы (судоходные компании, морская администрация, стивидорные, экспедиторские компании),
- специальный государственный контроль (таможенный, санитарный и т. д.);
- большие размеры морских терминалов;
- в одном порту возможны разные грузовые районы (терминалы).
4.1 КТ предназначены для сортировки и хранения груженых и порожних крупнотоннажных контейнеров жесткой конструкции.
4.2 Классификацию, типы и размеры грузовых контейнеров принимают по ГОСТ Р 53350. Типы, основные параметры и размеры специализированных контейнеров принимают по ГОСТ 30302.
Примечание - Классификацию типов и размеров контейнеров необходимо уточнять в связи с появлением новых модификаций
4.3 КТ в зависимости от вида транспорта, с которыми они взаимодействуют, подразделяют:
- на КТ, оснащенные только подъездными путями железнодорожного транспорта;
- КТ, оснащенные только подъездными автомобильными дорогами;
- КТ, оснащенные железнодорожными и автомобильными подъездными путями.
4.4 КТ включает в себя комплекс устройств и оборудования, к которым относят:
- контрольно-пропускной пункт;
- открытые складские площадки для сортировки, хранения и размещения контейнеров (контейнерные площадки);
- железнодорожные и автомобильные подъездные и внутренние пути;
- крытые складские корпуса;
- служебно-технические, административные и бытовые здания;
- стоянки для автомобилей, гаражи и ремонтные мастерские для транспортных средств, тары, контейнеров, подъемно-транспортных машин;
- топливозаправочные и экипировочные устройства для транспортных средств;
- таможенный пост;
- промышленные весы;
- технологическое оборудование (подъемно-транспортные средства);
- внешние и внутриплощадочные инженерные сети;
- устройства пожарной и охранной сигнализации;
- устройства пожаротушения;
- ливневая канализация;
- устройства освещения (прожекторы, фонари) для работы в ночное время;
- устройства внешней, внутренней и диспетчерской громкоговорящей связи;
- ограждение территории.
4.4.1 На КТ осуществляют следующие операции: погрузку-выгрузку контейнеров на подвижной состав (ПС) автомобильного и/или железнодорожного транспорта; кратковременное хранение контейнеров; сортировка транзитных контейнеров; подбор комплектов контейнеров (подгруппировка) по типу подвижного состава; техническое обслуживание и ремонт контейнеров; таможенные операции; внутрискладские операции с тарно-штучными грузами; логистические и коммерческие операции и др.
4.4.2 Исключен с 26 мая 2020 г. - Изменение N 1
4.5 Планировку и размеры, техническое оснащение, число подъездных путей на КТ определяют исходя из объема работ, типа перерабатываемых контейнеров, применяемых средств механизации с учетом необходимых проходов и проездов.
4.6 КТ оборудуют одной или несколькими КП, которые различаются по типам перерабатываемых контейнеров (универсальные и специализированные, груженые и порожние) и по видам работ (сортировка, погрузка, выгрузка).
Классификация КП по типам перерабатываемых контейнеров представлена в СП 262.1325800.
4.7 На КП в качестве погрузо-разгрузочного оборудования используют контейнерные краны и специализированные контейнерные погрузчики.
На КП используют краны различных типов:
а) краны мостового типа:
- козловые контейнерные краны-перегружатели;
- причальные мостовые перегружатели;
- портальные пневмоколесные краны.
б) краны стрелового типа:
- стреловые портальные рельсовые краны;
- мобильные стреловые пневмоколесные краны;
- гидравлические краны-манипуляторы.
Применяют следующие виды специализированных контейнерных погрузчиков:
- портальные погрузчики-контейнеровозы;
- автопогрузчики с выдвижной крановой стрелой (ричстакеры);
- погрузчики с фронтальным вилочным грузозахватом для переработки порожних контейнеров.
4.8 Для перевозки порожних и груженых контейнеров на КТ используют автоконтейнеровозы (терминальные автотягачи).
5.1.1 Комплексный проект КТ состоит из следующих частей: технологическая; строительная; сантехническая; теплотехническая; электротехническая; сметно-экономическая; генплан и транспорт; автоматизированная система управления (АСУ); охрана труда и техника безопасности; охрана окружающей среды; противопожарная безопасность.
5.1.2 Основные этапы разработки комплексного проекта КТ:
- составление технического задания на проектирование застройщиком или техническим заказчиком;
- разработка технико-экономического обоснования;
- разработка технологической части проекта;
- выбор площадки для строительства КТ;
- проведение геодезических и геологических исследований участка;
- разработка технических заданий на проектирование строительной и других смежных частей проекта;
- составление архитектурно-планировочного задания;
- подготовка и проведение государственной экспертизы проекта;
- получение разрешения на строительство терминала;
- начало строительства - инженерное освоение территории.
5.1.3 Процессу проектирования КТ предшествует составление технического задания на проектирование. Заказчик с участием проектной организации на основании утвержденного технико-экономического обоснования и требований контроля качества разрабатывает техническое задание. Техническое задание на проектирование должно содержать следующие сведения:
- основание для проектирования;
- основные технико-экономические показатели;
- назначение и функции КТ;
- место строительства КТ;
- сроки, очередность, стадийность и стоимость строительства;
- источники энергоснабжения, водоснабжения и пр.
Техническое задание на проектирование КТ должно содержать также подробную его характеристику с указанием типа и режима работы терминала, производственных возможностей, данные о грузообороте и номенклатуре грузов, подлежащих переработке на проектируемом КТ.
5.1.4 Технико-экономическое обоснование представляет собой предпроектную логистическую проработку КТ, в которой определяют и обосновывают основные компоновочные решения по генплану терминала, основные размеры зданий и строений, направления и размеры грузопотоков, запасов хранения и объемы работ, перерабатывающую способность терминала, техническое оснащение участков и зон терминала. Выполняют технологические расчеты и определяют технико-экономические показатели КТ. Рассматривают и сравнивают конкурентоспособные варианты проекта, исходя из этого выбирают лучший вариант по экономическим показателям.
Предпроектная логистическая проработка может быть произведена методами моделирования, отражающими поведение и структуру моделируемого объекта КТ.
Вычислительный эксперимент с компьютерными моделями сравнивают с заведомо известными параметрами КТ (исходными данными для технологического проектирования), что позволяет выбрать оптимальный вариант проекта.
5.1.4а Компьютерную модель разрабатывают с применением соответствующих программных средств в соответствии с ГОСТ Р 57412.
5.1.5 Не допускается проектирование строительной части зданий и сооружений КТ до выполнения предпроектной логистической проработки, обоснованного выбора схемы генплана, объемно-планировочных и технологических решений.
5.1.6 Для реализации в процессе строительства архитектурных, технических и технологических решений, содержащихся в проектной документации, разработанной в стадии "Проект по КТ", разрабатывают "рабочую документацию", состоящую из документов в текстовой форме, рабочих чертежей, спецификации оборудования и устройств.
5.1.7 Комплексный проект КТ целесообразно разрабатывать с применением технологии информационного моделирования зданий и сооружений.
Основополагающие принципы технологии информационного моделирования зданий и сооружений представлены в ГОСТ Р 57563, ГОСТ Р 57310, ГОСТ Р 57311, СП 301.1325800, СП 328.1325800, СП 331.1325800, СП 333.1325800.
5.2.1 В процессе проектирования контейнерных терминалов все технические решения принимают на основе необходимых расчетов, обосновывающих целесообразность проектирования, нового строительства, реконструкции или расширения КТ, определяют расчетную стоимость строительства (реконструкции) и другие технико-экономические показатели.
5.2.2 Проектирование КТ осуществляют в одну или две стадии. При проектировании в одну стадию разрабатывают проекты реконструкции, расширения и технического перевооружения предприятий. В других случаях проектирование проводят в две стадии.
5.2.2.1 Проектирование в одну стадию
Необходимо разработать рабочий проект, который должен состоять из общей пояснительной записки и чертежей. Пояснительная записка должна содержать следующие разделы:
- общие сведения (исходные данные для проектирования, характеристика и назначение КТ, потребность в энерго- и трудовых ресурсах, технико-экономические показатели и т.д.);
- генеральный план (краткая характеристика района и площадки для строительства, решения и показатели по генеральному плану, основные планировочные решения и пр.);
- технологические решения (описание схем устройства и технического оснащения КТ, предусматриваемых в нем производственных процессов и режима работы; результаты расчетов по определению грузопотоков и объема работ на КТ, рабочей силы, оборудования, площадей производственных, складских, административных и бытовых зданий, решения по применению малоотходных и безотходных технологических процессов и производств и др.);
- организация и охрана труда рабочих и служащих;
- строительные решения;
- организация строительства;
- охрана окружающей природной среды и населения;
- сметная документация;
- паспорт проекта.
В комплект чертежей рабочего проекта входят:
- ситуационный план размещения предприятия в районе застройки;
- генеральный план;
- принципиальная схема технологического процесса;
- технологическая планировка с указанием расположения основных объектов, участков и стационарного оборудования;
- принципиальные схемы энергоснабжения, теплоснабжения и других коммуникаций, внешнего и внутриплощадочного транспорта и инженерных сетей;
- строительные чертежи (планы, разрезы, фасады);
- трассы инженерных коммуникаций (планы, схемы).
5.2.2.2 Проектирование в две стадии
Вначале разрабатывают проект, а после его экспертизы и утверждения рабочую документацию. Содержание проекта с меньшей степенью детализации аналогично рабочему проекту.
В состав рабочей документации входят: рабочие чертежи (планы производственных и складских помещений с расстановкой в них оборудования; разрезы помещений; чертежи отдельных деталей, приспособлений и устройств, необходимых для монтажа оборудования и др.); сметная документация и др.
Конечным результатом технологического проектирования является разработка генерального плана и объемно-планировочного решения КТ, обеспечивающих выполнение производственных операций и объема работ по обработке грузопотоков, а также хранение подвижного состава, погрузо-разгрузочных машин (ПРМ) и механизмов, контейнеров и пр.
5.2.3 Применение технологии информационного моделирования позволяет принимать эффективные решения на всех стадиях жизненного цикла зданий и сооружений КТ, в том числе реконструкции существующих КТ.
Стадии жизненного цикла объекта КТ приведены в ГОСТ Р 57310.
6.1.1 При заключении договора на подготовку проектной документации для строительства нового КТ застройщик или технический заказчик выдают проектной организации - предполагаемому разработчику технико-экономического обоснования и технологической части проекта КТ следующие исходные данные:
- ситуационный план земельного участка с указанием красных линий границ участка, подходов к участку железнодорожного и автомобильного транспорта;
- техническое задание на проектирование КТ;
- номенклатуру грузов, намечаемых к переработке на терминале и перерабатывающую способность терминала (мощность КТ);
- предполагаемую долю контейнеров различных типов, которые будут перерабатываться на терминале (универсальные контейнеры, груженые и порожние, контейнеры-цистерны, рефрижераторные и др.);
- доли контейнеропотоков из общего грузооборота терминала;
- название и характеристику технического оснащения станции примыкания подъездного пути терминала (пути необщего пользования) и причала;
- характеристики транспортных средств прибытия и отправления маршрутных контейнерных поездов, судов и автомобильного транспорта;
- режимы работы проектируемого терминала (число дней работы в неделю, число часов работы в сутки, число рабочих дней в году);
- предварительные сведения о возможности подключения внешних сетей холодного и горячего водоснабжения, теплоснабжения, электроснабжения и др.
6.1.2 Инженерные изыскания выполняют для подготовки проектной документации, для строительства и реконструкции объектов КТ и для подготовки документации по планировке территории, предназначенной для размещения КТ.
6.1.3 Необходимость выполнения отдельных видов инженерных изысканий, состав, объем и метод их выполнения устанавливают программой инженерных изысканий, разработанной на основе задания застройщика или технического заказчика, с учетом конструктивных особенностей КТ, его технической сложности и потенциальной опасности, стадии архитектурно-строительного проектирования и сложности топографических, инженерно-геологических, экологических, гидрологических, метеорологических и климатических условий территории, на которой планируется строительство или реконструкция КТ, степени изученности указанных условий.
6.1.4 Инженерные изыскания для подготовки проектной документации, строительства или реконструкции КТ и для подготовки документации по планировке территории, предназначенной для размещения КТ как объектов транспортной инфраструктуры, выполняют в целях получения:
- материалов о природных условиях территории, предназначенной под строительство или реконструкцию КТ, и о факторах техногенного воздействия на окружающую среду, о прогнозе их изменения, необходимых для разработки решений относительно данной территории;
- материалов, необходимых для обоснования компоновки объектов КТ, принятия конструктивных и объемно-планировочных решений, проектирования инженерной защиты этих объектов, разработки мероприятий по охране окружающей среды;
- материалов, необходимых для проведения расчетов оснований, фундаментов и конструкций зданий, строений, сооружений, их инженерной защиты, разработки решений о проведении профилактических и других необходимых мероприятий, выполнения земляных работ.
6.2.1 При разработке проектов новых КТ исходные данные рассчитывают исходя из годового объема перевозок грузов, что требует обоснования типа подвижного состава и расчета транспортных партий.
При разработке проектов реконструкции действующих КТ исходные данные принимают исходя из опыта работы КТ с учетом перспективы и условий их развития.
6.2.2 Исходными данными для строительного проектирования служат материалы инженерно-геологических и геодезических изысканий.
6.2.3 Для расчета емкости и перерабатывающей способности необходимы следующие характеристики КТ:
- общая площадь и конфигурация земельного участка КТ;
- сроки хранения контейнеров разных типов и штучных грузов;
- режимы работы КТ;
- наличие, количество и длина причалов, глубина у причала (для морских КТ);
- тип и характеристика подвижного состава;
- тип и характеристика погрузо-разгрузочных средств и устройств;
- особенности климатических условий эксплуатации.
6.2.3а Проектированию терминала должен предшествовать анализ контейнеропотоков и экологической обстановки для определения совместимых видов грузов на одном терминале. При этом необходимо стремиться к созданию многоцелевого (многофункционального) терминала, обладающего максимальной универсализацией, в отношении номенклатуры перевозимых грузов.
6.2.4 Основные технологические и экономические расчеты и обоснования для проектирования КП терминала:
- расчеты и анализ внешних грузопотоков прибытия и отправления грузов с терминала (включают определение доли 20-футовых и 40-футовых, груженых и порожних контейнеров, требующих загрузки и разгрузки из контейнеров и не требующих загрузки или выгрузки из контейнеров, прибывающих железнодорожным или автомобильным транспортом, разных типов контейнеров - универсальных, рефрижераторных, контейнеров-цистерн, штучных непакетированных и пакетированных грузов);
- расчеты и построение структуры внутритерминальных грузопотоков (груженых и порожних контейнеров разных типов и для разных грузовладельцев, штучных грузов на поддонах и без поддонов, поштучно, направлением с КП в крытый склад и в обратном направлении);
- расчеты внешних и внутритерминальных грузопотоков с учетом неравномерности перевозок, прибытия и отправления контейнеров и штучных грузов;
- расчеты длины КП и погрузочно-разгрузочного железнодорожного пути. Длина железнодорожного пути должна быть равна длине КП. При выбранном земельном участке длину путей и самой КП следует принимать максимально возможными с учетом длины контейнерного поезда 850 м. Если земельный участок еще не выбран, то его длина может быть принята около 900 м (чтобы на нем поместился весь контейнерный поезд), 500 м (чтобы на нем поместилась половина контейнерного поезда) или 300 м (чтобы на нем поместилась одна треть контейнерного поезда);
- расчеты числа контейнеров, помещающихся по длине КП (с учетом поперечных проездов по площадке при использовании ричстакеров шириной 15 м, при использовании козловых рельсовых кранов - 4 м, при использовании портальных автопогрузчиков - 20 м, при использовании портальных кранов на пневмоколесном ходу - 30 м. Все расчеты производят в единицах измерения ДФЭ;
- расчеты числа контейнеров, помещающихся по ширине КП (с учетом продольных проездов по площадке при использовании ричстакеров шириной 15 м, при использовании портальных автопогрузчиков - 1,8 м, при использовании портальных кранов на рельсовом или пневмоколесном ходу - в зависимости от выбранного пролета этих кранов. При этом штабели контейнеров проектируют так, чтобы из условия доступности контейнеров для перегрузок для доступа к любому контейнеру надо было переставлять не более трех контейнеров в штабеле; При проектировании участка хранения рефрижераторных контейнеров дополнительно учитывают проходы для прокладки сети электроснабжения шириной не менее 3 м;
- расчеты числа груженых контейнеров по высоте штабеля (три - для груженых универсальных контейнеров и контейнеров-цистерн, два - для рефрижераторных контейнеров, пять - для порожних контейнеров). Высота штабелирования контейнеров приведена в приложении Д;
- расчеты общей емкости КП (по всем типам площадок с учетом сроков хранения разных типов контейнеров, если заданы размеры земельного участка, а возможная перерабатывающая способность КП неизвестна). Если размеры грузопотоков заданы, то по заданным грузопотокам определяют необходимые размеры КП;
- по всем рассматриваемым вариантам технического оснащения КП расчеты времени погрузки-разгрузки контейнеров с маршрутного поезда (или с подачи вагонов, если на терминале не формируют маршрутные контейнерные поезда) или судна;
- расчеты потребного количества подъемно-транспортных средств для каждого рассматриваемого варианта (погрузчиков, ричстакеров, кранов, портальных автопогрузчиков и т.д.);
- расчеты числа мест погрузки-разгрузки контейнеров с автотранспорта и определение мест их расположения на КП;
- расчеты штата работников КП для каждого рассматриваемого варианта технического оснащения и компоновки КП;
- расчеты по каждому варианту капитальных затрат на техническое оснащение и строительство основания и покрытия КП;
- расчеты годовых эксплуатационных расходов по каждому варианту технического оснащения КП (расходов на амортизацию и ремонт строительных сооружений и оборудования, расходы на заработную плату работников, расходы на силовую и осветительную электроэнергию, на топливо и смазку);
- расчеты налогов, доходов, чистой прибыли от переработки контейнеров на терминале.
Расчеты основных параметров контейнерной площадки приведены в приложении Г.
6.2.5 Средняя площадь, занимаемая одним контейнером на КП, определяется с учетом размеров штабеля, прилегающих проездов, зазоров между контейнерами, числа ярусов укладки контейнеров и принимается по таблице 5.7 СП 350.1326000.2018.
Рефрижераторные контейнеры выделяются в самостоятельную группу.
6.2.6 Для получения оптимальных значений площади и вместимости складов предлагается использовать моделирование работы терминала с учетом интересов всех участников транспортного процесса.
6.2.7 Для оптимизации расчетных основных параметров терминала рекомендуется моделирование технологических процессов на терминале.
7.1.1 При разработке генерального плана (далее - генплан) контейнерного терминала следует руководствоваться строительными нормами и правилами СП 18.13330 и СП 48.13330.
7.1.2 Генплан КТ разрабатывают в два этапа. Сначала в технико-экономическом обосновании проекта строительства КТ рассматривают несколько конкурентоспособных вариантов генплана, их анализируют по технико-экономическим показателям. Выбирают наиболее эффективный вариант генплана, который обеспечит наибольшую прибыль и наименьший срок окупаемости инвестиций. На стадии "Проект" этот вариант генплана служит техническим заданием для разработки строительной части проекта, инженерных сетей и окончательного генплана проектируемого КТ.
7.1.3 Генплан КТ разрабатывают в соответствии с утвержденными документами территориального планирования района. Намечают размещение КТ с учетом выданного государственными органами ситуационного плана, красных линий границ земельного участка, ближайших железной, автомобильной дорог и акватории района.
7.1.4 Основной задачей эффективного проектирования генплана КТ является максимальное использование земельного участка для размещения складских объектов (КП и крытого перевалочного склада тарно-штучных грузов).
7.1.5 На территории КТ следует по возможности максимально блокировать складские и вспомогательные объекты. Например, блокировать административный корпус с главным складским корпусом (крытым перевалочным складом; гаражи и ремонтные хозяйства блокировать со вспомогательными хозяйственными объектами (насосными станциями, трансформаторной подстанцией, котельной); контрольно-пропускной пункт с административным зданием и т.д.
7.1.5а Для облегчения выбора схемы генплана КТ их классифицируют следующим образом:
- по форме земельного участка - прямоугольник, трапеция, треугольник, сложные неправильные формы;
- схеме путевого развития и направлению подачи-уборки вагонов - тупикового типа и проходного типа;
- подходам железнодорожного и автомобильного транспорта - подходы с одной стороны, с разных сторон;
- форме грузопотока - челночный, проходной, кольцевой, комбинированный.
Схемы генплана терминала с вводом железнодорожных путей на середину площадки считаются предпочтительными, поскольку позволяют сразу развести в разные стороны грузопотоки штучных и контейнерных грузов таким образом, чтобы они не пересекались. Это упрощает размещение объектов на территории терминала и внутритерминальные грузопотоки.
7.1.6 Въезд железнодорожного и автомобильного транспорта на площадку КТ следует предусматривать с двух противоположных сторон площадки терминала. Это позволит развести грузопотоки, прибывающие и отправляемые железнодорожным и автомобильным транспортом, и сократить возможное пересечение этих путей и переездов через железнодорожные пути.
7.1.7 К каждому складскому объекту следует предусматривать свой независимый железнодорожный путь.
7.1.8 Исключен с 26 мая 2020 г. - Изменение N 1
7.1.9 На крупных КТ с годовыми грузопотоками прибытия и отправления контейнеров железнодорожным транспортом 500-700 тыс. ДФЭ/год следует рассматривать целесообразность строительства выставочного парка на площадке терминала из 2-4 путей в дополнение к погрузочно-разгрузочным путям.
7.1.10 В проекте генплана следует предусматривать не менее двух въездов с разных концов терминала для автотранспорта. При этом первый въезд - действующий, а второй - аварийный, на случай чрезвычайных ситуаций.
7.1.11 В проекте генплана следует предусматривать по возможности одностороннее движение автомобилей по площадке терминала в направлении, обратном часовой стрелке.
7.1.12 Вместимость автостоянок для грузовых автомобилей (30% суточного автомобилепотока) на время стоянки до 2-3 ч принимают по расчетам, приведенным в приложении Б. Ширина автостоянки - не менее 18 м, а по длине - из расчета 4 м для установки одного автомобиля.
7.1.13 Вместимость автостоянки для легковых автомобилей следует рассчитывать с учетом числа автомобилей: не менее 30% от численности работников администрации терминала. Площадь автостоянки определяют из расчетов, приведенных в СП 113.13330.
7.1.14 Вспомогательные хозяйственные объекты, гаражи, ремонтную зону размещают в местах, не мешающих основному технологическому процессу перегрузочно-складских работ, с учетом подхода инженерных сетей на участок.
7.1.15 Административные и бытовые здания проектируют согласно СП 44.13330. Допускается размещать служебные и бытовые помещения на антресолях над приемно-отправочными экспедициями крытого складского корпуса.
7.1.16 Склады для хранения небольшого запаса жидких и тарных нефтепродуктов для хозяйственных нужд КТ следует проектировать в соответствии с СП 155.13130.
7.1.17 Для хранения запасов нефтепродуктов для хозяйственных нужд КТ следует применять только подземные резервуары для жидких нефтепродуктов, а тарные нефтепродукты хранить в крытом складе.
7.1.18 Для хранения запасов жидких и тарных нефтепродуктов для хозяйственных нужд КТ следует размещать в отдаленной части площадки терминала, где они не будут мешать основным технологическим процессам перегрузочно-складских работ.
7.1.19 При размещении на КТ устройств для приема и хранения запасов нефтепродуктов для хозяйственных нужд терминала следует предусматривать:
- подземные резервуары для бензина и дизельного топлива;
- сливные устройства для железнодорожных цистерн или автоцистерн;
- топливозаправочные колонки;
- резервуар сбора утечек;
- резервуар сбора отработанных нефтепродуктов и масел;
- резервуар уловленных нефтепродуктов и разделочный резервуар (уловленных нефтепродуктов) на очистных сооружениях производственно-дождевой канализации;
- склад тарных нефтепродуктов (в составе крытого перевалочного склада).
7.1.20 Расстояние от подземных резервуаров хранения запасов с нефтепродуктами для хозяйственных нужд КТ до зданий и сооружений следует принимать:
- до водопроводных (питьевого назначения) и противопожарных насосных станций, пожарных постов и помещений хранения противопожарного оборудования и огнетушащих средств, противопожарных резервуаров или водоемов (до водозаборных колодцев), административных и бытовых зданий - не менее 30 м;
- до других зданий, сооружений КТ - не менее 20 м.
7.1.21 Исключен с 26 мая 2020 г. - Изменение N 1
7.1.22 На основе принятых технических решений по КП и крытому перевалочному складу разрабатывают варианты компоновки генплана КТ.

С - крытые склады; К - контейнерные площадки
Рисунок 1а- Схемы основных компоновок железнодорожно-автомобильных КТ: тупиковая поперечная (а); тупиковая продольная (б); проходная продольная (в); проходная поперечная (г)
7.1.23 В техническом задании по строительной части проекта нагрузки на покрытие подштабельного места и полы в крытом складском корпусе принимают по технической характеристике изготовителей соответствующего складского и подъемно-транспортного оборудования.
7.1.24 На стадии "Рабочая документация" организация, выполняющая технологическую часть проекта, разрабатывает: штатное расписание, должностные инструкции, блок-схемы алгоритмов бизнес процессов складской переработки грузов и контейнеров, технологические карты грузовых операций, технологические инструкции, уточняет расстановку технологического оборудования с учетом технических решений по смежным частям проекта, согласовывает проектные решения по строительной, электротехнической, сантехнической и теплотехнической частям проекта, генплану и транспорту КТ. При этом необходимо уточнить экономические показатели инвестиционного проекта, определить финансовые потоки по годам, построить финансовый профиль проекта строительства КТ.
7.1.25 При необходимости крытого перевалочного склада на КТ выполняют следующие расчеты:
- потребной емкости склада по разным категориям грузов, в том числе: прибывающих с внешней сети автомобильным, водным и железнодорожным транспортом; прибывающих с КП для разгрузки из контейнеров на склад грузов; загружаемых в контейнеры и отправляемых из склада на КП. Расчет вместимости склада приведен в приложении В;
- способов складирования штучных грузов разных категорий: в каркасных фронтальных стеллажах, в глубинных стеллажах, на полочных стеллажах без поддонов;
- высоты ярусов в стеллажах разных типов и числа ярусов по высоте;
- ширины пролетов складского здания, числа стеллажей в пролетах и числа грузовых складских единиц в глубинных стеллажах по ширине пролетов, числа пролетов складского здания и общей его ширины;
- числа грузовых складских единиц по длине складского здания в каркасных фронтальных стеллажах и числа отсеков в глубинных стеллажах для массовых грузов;
- длины складского здания;
- параметров погрузочно-разгрузочного участка железнодорожного транспорта у крытого перегрузочного склада (число подач вагонов в сутки, число вагонов в подаче, длины погрузочно-разгрузочного пути, числа погрузчиков и работников склада на погрузке и выгрузке, времени погрузки и выгрузки грузов из вагонов);
- параметров погрузочно-разгрузочного участка автомобильного транспорта (числа ворот в складе, времени погрузки-разгрузки автомобилей, числа автомобилей в сутки, потребного числа средств механизации (электротележек, погрузчиков, передвижных конвейеров) и численность штата работников для погрузки-выгрузки грузов из автомобилей и контейнеров, времени погрузки и разгрузки автомобилей и контейнеров;
- общей численности штата работников крытого перевалочного склада и распределение их по рабочим сменам;
- капитальных затрат на строительство и техническое оснащение крытого перевалочного склада;
- годовых эксплуатационных расходов по крытому перевалочному складу (расходов на амортизацию и ремонт складского здания, строительных сооружений и оборудования, расходов на заработную плату работников, расходов на силовую и осветительную электроэнергию, на отопление складских, служебных и технических помещений);
- налогов, доходов, чистой прибыли от переработки штучных грузов в крытом перевалочном складе на терминале.
7.1.26 Основные технические решения и обоснования по архитектурно-строительной части комплексного проекта КТ разрабатывают на стадии "Проект" на основании материалов инженерно-геологических и геодезических изысканий и технического задания организации, выполняющей технологическую часть проекта этого терминала.
7.1.27 Строительная часть проекта КТ содержит конструктивные и архитектурные решения по КП, по крытым складам, административным, служебно-техническим помещениям, по фасадам, пролетам и сеткам колонн, основаниям и фундаментам, каркасам зданий, колоннам и ограждающим конструкциям, по полам, фермам, покрытиям и кровле, оконным и дверным проемам, перекрытиям, антресолям и лестницам и т.д.
7.1.28 Наружные ограждающие конструкции складских помещений следует проектировать в соответствии с СП 12.13130 и СП 70.13330.
7.1.29 Проектирование многоэтажных складских зданий на КТ не допускается.
7.1.30 Расчеты оснований и подштабельных покрытий КП и полов в крытом перевалочном складе выполняют на основании нагрузок, содержащихся в техническом задании, составленном разработчиками технологической части проекта (по контейнерным площадкам - 5-30 т/м2, по крытому складу 3-8 т/м2).
7.1.31 Расстояние от сливоналивных устройств для железнодорожных автомобильных цистерн до зданий и сооружений КТ (за исключением резервуаров) следует принимать не менее 39 м.
7.1.32 Сливоналивные устройства для автомобильных цистерн, предназначенные для слива и налива нефтепродуктов с температурой вспышки выше 120°C, допускается размещать непосредственно около подземных резервуаров таких жидкостей.
7.1.33 Расстояние от канализационных очистных сооружений для производственных сточных вод с нефтепродуктами (за исключением резервуаров) до зданий и сооружений КТ должно быть не менее 30 м. Расстояние от остальных канализационных очистных до зданий и сооружений КТ сооружений следует принимать не менее 15 м.
7.1.34 Складские здания для нефтепродуктов в таре допускается располагать по отношению к железнодорожному пути склада в соответствии с габаритами нормативного приближения строений к железнодорожным путям.
7.1.35 На территории КТ планировочные отметки проезжей части внутренних автомобильных дорог и отметки верха головки рельсов внутренних железнодорожных путей следует располагать на том же уровне, что и планировочную отметку покрытия КП.
7.1.36 На участках хранения запаса нефтепродуктов для хозяйственных нужд терминала и участках их приема-выдачи с железнодорожного и автомобильного транспорта для озеленения следует применять газоны и кустарники лиственных пород, а также геосинтетические материалы с семенами трав.
7.1.37 Скорость движения автомобилей по площадке КТ принимают ограниченной - 10 км/ч.
7.1.38 В проекте генплана следует предусмотреть дорожную разметку по ГОСТ Р 51256 для внутриплощадочных автомобильных дорог и пешеходных тротуаров для безопасного прохода работников и ограждение территории по ГОСТ Р 57278.
7.2.1.1 Вид и конструкцию покрытий и искусственного основания следует выбирать с учетом:
- эксплуатационно-технологического назначения;
- климатических, гидрогеологических и грунтовых условий строительства;
- величины, характера и интенсивности воздействия нагрузок (высоты штабеля складируемых грузов, частоты проходов автомобильного транспорта и погрузчиков, режима работы кранов).
7.2.1.2 Покрытия площадок для крупнотоннажных контейнеров подразделяют на три типа:
- жесткого типа из монолитного бетона и железобетона;
- жесткого типа из сборных железобетонных плит согласно техническим условиям на изготовление железобетонных плит ПАГ для аэродромных покрытий по ГОСТ 25912, требованиям к конструкции на предварительно напряженные железобетонные плиты ПАГ-14 по ГОСТ 25912, требованиям к конструкции на предварительно напряженные железобетонные плиты ПАГ-18 для аэродромных покрытий по ГОСТ 25912, требованиям к конструкции на предварительно напряженные железобетонные плиты ПАГ-20 для аэродромных покрытий по ГОСТ 25912, требованиям на арматурные и монтажно-стыковые изделия железобетонных плит для аэродромных покрытий по ГОСТ 25912;
- нежесткого типа с покрытием из асфальтобетона согласно техническим требованиям по приготовлению смесей асфальтобетонных дорожных, аэродромных и асфальтобетона по ГОСТ 9128 и техническим рекомендациям по устройству дорожных конструкций с применением асфальтобетона, требования к которым приведены в [15], [17].
Тип покрытия определяется проектом.
7.2.1.3 Рекомендуемые виды покрытий в зависимости от их назначения приведены в таблице 3.
|
Назначение площадок |
Рекомендуемые виды покрытия |
|
Площадки и проезды с использованием портальных кранов на пневмоколесном ходу и погрузчиков повышенной грузоподъемности |
Блочные, монолитные бетонные, армобетонные и железобетонные |
|
Открытые складские площадки для: - крупнотоннажных контейнеров и других тяжеловесных грузов; - металла и оборудования; - навалочных грузов, насыпных строительных материалов открытого хранения и минеральных удобрений; - генеральных грузов; - лесных грузов |
Блочные, монолитные бетонные, армобетонные и асфальтобетонные |
|
Внутриплощадочные дороги и подъезды для автомобильного и перегрузочного транспорта |
Монолитные бетонные, армобетонные, сборные железобетонные, асфальтобетонные |
7.2.1.4 Расчет и конструирование дорожных одежд внутриплощадочных автодорог, соединяющих отдельные участки и зоны КТ, следует выполнять в соответствии с положениями СП 37.13330.
7.2.1.5 Качество покрытий на КП должно быть обеспечено на весь заданный (проектный) срок службы.
7.2.1.6 Проектный срок службы покрытий КП назначается в зависимости от вида покрытия, опыта их эксплуатации и принимается в соответствии с таблицей 4 и СП 63.13330.
|
Вид покрытия |
Проектный срок, год службы, |
Трудоемкость и материалоемкость капремонта в % от начальной стоимости | |
|
Общий |
До капитального ремонта | ||
|
Блочные |
25 |
10 |
20 |
|
Монолитные бетонные |
15 |
10 |
75 |
|
Монолитные бетонные, железобетонные |
15 |
10 |
75 |
|
Сборные железобетонные |
20 |
10 |
30 |
|
Сборные железобетонные, предварительно напряженные |
20 |
10 |
30 |
|
Асфальтобетонные: | |||
|
- на цементно-бетонном основании |
15 |
7 |
50 |
|
- на щебеночном основании |
10 |
5 |
75 |
|
Из материалов и грунта, скрепленных битумом, цементом и другими вяжущими |
5 |
3 |
90 |
7.2.1.7 Покрытия площадок, расположенных как на естественном грунтовом основании, так и на искусственном уплотненном грунте, необходимы для обеспечения надежной эксплуатации погрузочно-разгрузочных машин. Проектирование покрытия площадок следует осуществлять в соответствии со строительными нормами по проектированию жестких дорожных одежд и нормами проектирования нежестких дорожных одежд [15].
7.2.1.8 Бетонирование покрытий производят картами шириной до 7 м, длиной не более 25 м и не более 60 м с устройством швов сжатия и швов расширения. Карту бетонируют захватками длиной 5-7 м с устройством поперечных швов сжатия между захватками.
7.2.1.9 Расчет оснований и верхних покрытий площадок для крупнотоннажных контейнеров производят с учетом максимальных нагрузок и воздействий, которые возникают при хранении контейнеров типа 1АА в 3 яруса (13,3 МПа) и переработке их портальных краном на пневмоколесном ходу (101,8 т на ось).
7.2.1.10 Для складирования тяжеловесных, длинномерных и лесных грузов, перевозимых в контейнерах, следует проектировать открытые площадки, оснащенные погрузочно-разгрузочными средствами с приспособлениями для захвата металла, железобетонных изделий и балок, круглого леса и пиломатериалов и др.
7.2.1.11 Для складирования грузов, перевозимых насыпью и навалом в контейнерах, следует проектировать специализированные открытые площадки и располагать их с учетом направления преобладающих ветров в данном районе на расстоянии не менее 50 м от складов тарно-штучных грузов и контейнерных площадок.
7.2.1.12 Проектирование покрытий автостоянок следует производить в соответствии с СП 113.13330.
7.2.1.13 Для обеспечения отвода дождевых вод поверхность покрытий территории КТ и поверхность открытых складских площадок всех типов должны иметь уклоны:
- для контейнеров, блок-пакетов и тяжеловесов, а также для навалочных грузов - до 0,010;
- для генеральных и лесных грузов - 0,010-0,020;
- на площадках у КПП, административных и бытовых зданий, ремонтных хозяйств, гаражей, АЗС и на стоянках автомашин и погрузчиков - 0,015-0,020.
7.2.1.14 На КТ дождеприемные колодцы следует размещать вне зоны интенсивных погрузочно-разгрузочных работ. Дождеприемные колодцы устраивают усиленного типа, выдерживающие давление от расчетных типов подъемно-транспортных средств.
Устройство дождеприемников следует принимать в соответствии с ГОСТ 3634.
Размещение дождеприемных колодцев под штабелями навалочных грузов не допускается.
7.2.1.15 Проектирование покрытий причалов следует осуществлять в соответствии с СП 350.1326000.
7.2.2.1 Тип покрытия пола производственных помещений следует назначать в зависимости от вида и интенсивности механических, жидкостных и тепловых воздействий с учетом специальных требований к полам согласно СП 29.13330.
Для складов тарно-штучных грузов следует использовать следующие виды покрытий: цементно-бетонное, сталефибробетонное, бетонное, асфальтобетонное.
7.2.2.2 Конструкции и материалы оснований и покрытий полов складских зданий и помещений проектируют с учетом восприятия нагрузок от складируемых грузов, вида и интенсивности механических воздействий напольного транспорта и пылеотделения в соответствии с требованиями ГОСТ 27751, СП 20.13330, СП 29.13330.
7.2.2.3 Полы в помещениях, где возможно образование взрывоопасных смесей газов, пыли, жидкостей и других веществ в концентрациях, при которых искры, образующиеся при ударе предметов о пол или разрядах статического электричества, могут вызвать взрыв или возгорание, выполняют с электрорассеивающим покрытием из материалов, не образующих искр при ударных воздействиях, характеризующимся величиной электросопротивления между поверхностью покрытия пола и системой заземления здания в пределах от 5 до 10 Ом.
7.2.2.4 Не допускается отклонение поверхности покрытия пола от заданного уклона более 0,2% соответствующего размера помещений, но не более 20 мм. В крытых складах с высотным стеллажным хранением применяют заливные чистые полы с точностью 5 мм на длине 3 м.
7.2.2.5 Гидроизоляцию от проникновения сточных вод и других жидкостей необходимо предусматривать при средней и большой интенсивности воздействия на пол согласно требованиям СП 29.13330.
Для покрытий полов складских помещений, предназначенных для хранения пищевых продуктов, не допускается применение дегтей и дегтевых мастик и других экологически вредных материалов.
7.2.2.6 Покрытия складских зданий следует проектировать без фонарей, с естественным освещением через окна, которые должны быть расположены на высоте не менее 4 м от уровня земли.
7.3.1 Планировку и размеры контейнерных площадок, количество железнодорожных путей, автомобильных подъездов определяют из объема работ, типов контейнеров применяемыми средствами механизации с учетом необходимых проходов и проездов.
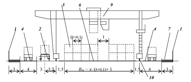
КП для среднетоннажных контейнеров с козловым краном на рельсовом ходу приведена на рисунке 1.
Размеры в метрах

а) поперечный разрез КП

б) план КП
1 - ограждение КП; 2 - автодороги; 3 - железнодорожный погрузочно-разгрузочный путь; 4 - кран грузоподъемностью 6 т, 5 - штабели контейнеров; б - пешеходные тротуары; 7 - подкрановые рельсовые пути; 8 - покрытие КП; 9 - ворота с КПП; 10- ремонтная зона и автостоянка; х - количество контейнеров, расположенных на площадке; у - количество
штабелей; а - длина контейнера; b - ширина контейнера
Рисунок 1 - КП для среднетоннажных контейнеров с козловым краном на рельсовом ходу
План КП для работы с крупнотоннажными контейнерами, представленный на рисунке 2, может быть аналогичен плану КП для среднетоннажных контейнеров, представленному на рисунке 1, б.
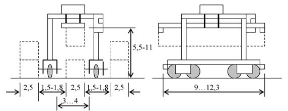
На КП могут применяться также портальные пневмоколесные краны, показанные на рисунке 3.
Размеры в метрах

а) КП с ричстакерами

б) КП с ПАП

в) КП с краном на рельсовом ходу
1 - ограждение КП; 2 - погрузо-разгрузочный железно-дорожный путь; 3 - ричстакер; 4 - автопроезды; 5 - штабели контейнеров; 6 - покрытие КП; 7 - пешеходные тротуары; 8 - ПАП; 9 - кран грузоподъемностью 32 т; 10 - подкрановые рельсовые пути; х - количество контейнеров; b – ширина контейнера; Вш - ширина КП
Рисунок 2 - Варианты КП для работы с крупнотоннажными контейнерами
7.3.2 Ширину пешеходных тротуаров вдоль ограждения КП и других объектов благоустройства территории КП принимают 2-3 м.
7.3.3 КП разделяют на секции, ряды и места, пронумерованные для быстрого нахождения контейнеров. Контейнеры на КП устанавливают штабелями (блоками). В штабеле контейнеры устанавливают дверями друг к другу.
7.3.4 Зазоры между боковыми стенками среднетоннажных контейнеров в штабеле (комплекте) 0,1-0,15 м, а между штабелями 0,6-0,7 м - проходы для приемо-сдатчиков.
7.3.5 В случае применения автопогрузчиков:
- размер штабеля вдоль длинной стороны контейнеров следует принимать равным 8 или 12 контейнерам IC, в отдельных случаях допускается увеличение его длины до 16 контейнеров IC;
- торцевые зазоры для обычных контейнеров 1C следует принимать 0,2-0,3 м, а для рефрижераторных - через каждую пару контейнеров 1C равным 2,5 м в целях установки устройств для токоподвода;
- боковой зазор между штабелями контейнеров следует принимать 1,5-1,8 м (рисунок 3);
- зазор более 1,6 м следует принимать в тех случаях, когда необходимо использовать средства механизации для очистки проездов от снега;
- ширину проездов, параллельных линии длины КП, между штабелями следует принимать не менее 25 м; параллельных линии ширины КП - 25-30 м при расположении осветительной мачты вне штабеля в зоне проезда и 20-25 м при расположении осветительной мачты в пределах штабеля.
Размеры в метрах

Рисунок 3 - Портальный автопогрузчик (ПАП)
7.3.6 Для крупнотоннажных контейнеров расстояние между контейнерами в штабеле равно 0,2 м, а между штабелями 0,8 м - проходы для приемо-сдатчиков.
7.3.7 Площадь штабеля контейнеров ограничивается 300 м2. При этом противопожарные проезды проектируют шириной не менее 6 м.
7.3.8 При проектировании КП с козловыми кранами через 100 м следует устанавливать поперечные заезды для автомобилей и пожарной техники не менее 6 м. Схема поперечного заезда автомобилей представлена на рисунке 4.
Размеры в метрах

Рисунок 4 - Схема поперечного заезда автомобилей
7.3.9 В случае применения пневмоколесных кранов и ПАП с автоконтейнеровозами следует:
- контейнеры размещать длинной стороной параллельно линии длины КП;
- торцевые зазоры для обычных контейнеров 1С принимать 0,3-0,6 м, а для рефрижераторных контейнеров через каждую пару контейнеров 1С - 2,5 м;
- боковые зазоры между контейнерами в штабеле принимать 0,4-0,6 м;
- ширину проездов, перпендикулярных линии длины КП, принимать между штабелями 28,5 м (рисунок 5).

Рисунок 5 - Портальный пневмоколесный кран (ППК)
7.3.10 При проектировании КП для специализированных контейнеров на планы площадок следует наносить схемы технологических перемещений подъемно-транспортных средств и оборудования, схемы расположения штабелей контейнеров, железнодорожных путей, автопроездов и разрывов между размещенными штабелями контейнеров.
7.3.11 Автомобильные проезды на КП следует предусматривать по возможности без пересечения с железнодорожными и подкрановыми путями.
7.3.12 Ширина каждой полосы движения автомобилей на контейнерной площадке - не менее 4 м.
7.3.13 Ширину поперечного прохода между контейнерами в штабеле, принимают 15 м при обслуживании штабеля автопогрузчиками.
7.3.14 Безопасный зазор между контейнерным рядом (штабелем) и проезжей частью - не менее 0,6 м.
7.3.15 При расположении проезжей части с внешней стороны опор крана необходимо предусмотреть зазор не менее 0,7 м между выступающими частями опоры крана и проходящим автотранспортом.
Для безопасности проезда автомобилей с габаритной высотой более 4 м размер зазора следует увеличить еще на 0,6 м.
7.3.16 Ширина внутренней автодороги с односторонним движением должна быть 6 м с обочинами, с двухсторонним движением - 12 м, в местах погрузки контейнеров - 19 м; внутренние радиусы поворота дороги - 12 м.
7.3.17 Для подъезда большегрузных автомобилей с разворотом задним бортом к воротам склада под углом 90° перед складом следует размещать проезд шириной 35 м, под углом 45° - 27 м.
7.3.18 Вокруг крытого склада шириной 100 м и более (или площадью более 5000 м2) следует размещать кольцевую противопожарную автодорогу шириной 6 м, при меньшей ширине подъезд следует предусматривать с двух длинных сторон склада.
7.3.19 Расчет пропускной способности автомобильного контрольно-пропускного пункта приведен в приложении Б.
7.4.1.1 КТ как объект инфраструктуры железнодорожного транспорта общего пользования относится по классификации к особо сложным объектам [4].
7.4.1.2 Железнодорожные пути на территории КТ и подъездные пути железнодорожного транспорта, а также устройства железнодорожного пути следует проектировать в соответствии с требованиями СП 37.13330.
7.4.1.3 Входной стрелочный перевод на площадку КТ следует размещать в пределах терминала, если это возможно по условиям генплана.
Количество стрелочных переводов и переездов через внутриплощадочные железнодорожные пути должно быть минимальным.
7.4.1.4 Количество железнодорожных путей определяют исходя из грузопотока КТ. Расчет пропускной способности железнодорожного грузового фронта приведен в приложении А.
7.4.1.5 Постоянные погрузочно-вызгрузочные железнодорожные пути КТ следует располагать на прямых участках. При планировании внутриплощадочного путевого развития следует применять крутые марки стрелочных переводов (1/6) и радиусы кривых не более 200-250 м. Для устройства стрелочных переводов следует предусматривать прямые участки длиной 40-50 м. При соответствующем обосновании допускается уменьшать радиусы кривых до 180 м.
7.4.1.6 Устройство въездов в здания и на грузовые фронты следует предусматривать с учетом следующих требований:
- расстояние от начала переходной кривой, а при ее отсутствии - от начала круговой кривой до ворот здания или до границы фронта погрузки-разгрузки, оборудованного грузовыми рампами, следует принимать не менее длины наиболее длинного вагона, подаваемого в это здание или на фронт погрузки-разгрузки, в трудных условиях при реконструкции допускается это расстояние уменьшать до 2 м, при этом следует предусматривать уширение ворот здания для обеспечения габарита приближения строений. Допускается ввод железнодорожного пути внутрь складского здания, если это предусмотрено технологической частью проекта;
- начало или конец вертикальной кривой проектируют таким образом, чтобы они были удалены от ворот здания или от начала грузового фронта (фронта подачи) не менее чем на длину наиболее длинного вагона, подаваемого под погрузку или разгрузку (в трудных условиях при реконструкции допускается это расстояние уменьшать до 2 м, при этом следует предусматривать мероприятия от ухода вагонов).
7.4.1.7 Переходные кривые разрешается не предусматривать для постоянных путей в пределах грузовых фронтов и подходов к ним.
Между смежными кривыми указанных путей, если радиус одной из кривых менее 200 м, следует предусматривать прямые вставки длиной не менее 20 м.
Кривые участки погрузочно-выгрузочных путей следует проектировать без возвышения наружного рельса.
7.4.1.7а Железнодорожный путь следует подводить к крытому складу снаружи, под навесом пролетом 9 или 12 м, с крытой грузовой рампой шириной 4 или 7 м. При этом следует учитывать габарит приближения строений к железнодорожному пути по ГОСТ 9238. Железнодорожную грузовую рампу следует располагать выше верхнего уровня головки рельсов на 1200 мм, а край подпорной рампы должен находиться на расстоянии 1920 мм от оси пути.
7.4.1.8 Расстояние между осями погрузочно-выгрузочных путей грузовых пунктов следует принимать не менее 4,8 м, в трудных условиях - 4,5 м. В отдельных обоснованных случаях, вызываемых конструктивной особенностью погрузочно-разгрузочных устройств, расстояние между смежными погрузочно-выгрузочными путями допускается уменьшать по расчету или допускается применять сплетение путей при условии запрещения одновременного приема подач на оба пути.
Погрузочно-выгрузочные пути на открытых и закрытых складах следует располагать так, чтобы зона действия грузоподъемной машины перекрывала ось пути не менее чем на 0,6 м.
Расположение специализированных путей для погрузки и выгрузки взрывчатых веществ, легковоспламеняющихся и горючих жидкостей, сжиженных углеводородных газов и других грузов повышенной пожарной опасности следует принимать с учетом требований проектирования соответствующих складов и грузовых фронтов.
7.4.1.9 При формировании маршрутных контейнерных поездов на терминале общая длина железнодорожных путей должна быть не менее 850 м для возможности установки полносоставного контейнерного поезда (из расчета 41 фитинговой 60-футовой платформы в составе поезда). Если длина площадки менее 850 м, то предусматривают 2-3 пути общей длиной не менее 850 м.
7.4.1.10 Постоянные погрузочно-выгрузочные пути следует располагать на горизонтальной площадке. В трудных условиях допускается располагать эти пути на продольном уклоне не круче 1,5‰, при этом должны быть предусмотрены устройства, препятствующие уходу отцепленных от локомотива вагонов.
7.4.1.11 При необходимости на КТ сооружают вагонные весы. Вагонные весы следует располагать на прямом горизонтальном участке сквозного или тупикового пути. Уклон подъездного пути по обе стороны от весов на длине взвешиваемого состава должен быть не более 2‰.
Наименьшая длина прямых горизонтальных участков пути с каждой стороны весов определяется исходя из требований к подъездным путям, устанавливаемых грузоприемных устройств весов.
Расстояние между весовым и смежными с ним путями должно быть не менее 7 м, а в трудных условиях - 6,8 м.
Полную длину весового пути и место положения на нем весов следует устанавливать из расчетной длины группы вагонов, подлежащих взвешиванию.
7.4.1.12 При проектировании маневровой работы на площадке КТ не допускается возможность входа локомотива внутрь крытых зданий.
7.4.2.1 Разработку проектной документации на подкрановые пути осуществляют на основании технического задания разработчиков технологической части проекта. Количество путей зависит от расчетного количества кранов на рельсовом ходу на КТ.
7.4.2.2 Состав и содержание проектной документации на устройство и эксплуатацию кранового пути регламентируют общими требованиями ГОСТ Р 51248.
7.4.2.3 Основные конструктивные решения по устройству кранового пути приведены в [14] и ГОСТ 24390.
Проект рельсового пути должен содержать:
- план рельсового пути с указанием основных размеров и участка для стоянки крана в нерабочем положении;
- конструкцию верхнего строения рельсового пути (тип рельса, подрельсовый опорный элемент, расстояния между ними, тип или конструкция стыковых скреплений, материал и размеры балластного слоя);
- конструкцию земляного полотна (поперечный профиль с размерами, расположение и тип водоотводных устройств, степень уплотнения земляного полотна);
- допуски, контролируемые при устройстве и эксплуатации;
- конструкцию тупиковых упоров, схему заземления рельсового пути;
- конструкцию переезда через рельсовые пути для автомобильного транспорта (при необходимости);
- указания о месте монтажа крана и регламенте обкатки рельсового пути.
7.4.2.4 При разработке проекта производства работ на устройство кранового пути и при привязке кранового пути к строящемуся КТ необходимо учитывать дополнительные требования, предъявляемые к зонам потенциально опасных производственных факторов (участки территории вблизи строящихся зданий и сооружений, зоны перемещения подъемно-транспортных средств и др.).
7.5.1 По назначению причалы на КТ подразделяют на грузовые и используемые для выполнения вспомогательных грузовых операций, стоянки судов технического флота и проведения бункеровки судов (вспомогательные причалы).
Проектирование причалов выполняют в соответствии с СП 350.1326000.
7.5.2 Параметры, подлежащие расчету и обоснованию для всех типов причалов:
- количество причалов;
- глубина у причала;
- длина причала;
- возвышение кордона причала;
- нормативные (базовые значения) нагрузки на причальные сооружения.
7.5.3 Проектное значение длины причала определяют как сумму длины расчетного судна и запаса свободной длины причала, необходимого для безопасной швартовки, стоянки и отшвартовки судна. При этом следует предусматривать, что причальная линия располагается в пределах указанной длины причала и не требует для обработки судна его перестановки вдоль причала.
7.5.4 При расчете длины причала, предназначенного для приема и обработки составных судов, следует учитывать длину наибольшего грузового блока (секции, модуля).
7.5.5 В случае постановки судов к причалу под обработку носом или кормой в расчет длины причала следует принимать наибольшую ширину судов-контейнеровозов, принятых в проекте.
7.5.6 При расчете длины причала, состоящего из причальной стенки и швартовных и отбойных палов, следует учитывать размещение швартовных и отбойных палов. Размеры причальной стенки определяют из размеров необходимой технологической площадки, которую устанавливают исходя из требований размещения и работы на ней подъемно-транспортных средств и условия обработки судна без его перестановки вдоль причала.
Запас свободной длины причала устанавливают с учетом размещения швартовных устройств.
7.5.7 Запас свободной длины причала зависит от конфигурации участка причальной линии, на которой проектируют причал, его относительного расположения на этом участке и от длины расчетного для данного причала судна и определяется:
- для причалов, расположенных внутри прямолинейного участка причальной линии, - как среднеарифметическая величина от нормативов расстояний между расчетными судами проектируемого и смежных с ним причалов;
- для причалов, расположенных на конце прямолинейного участка причальной линии, - как сумма половины норматива расстояний между расчетными судами проектируемого и смежного с ним причала и норматива расстояния от расчетного судна проектируемого причала до конца данного участка;
- для одиночно расположенных причалов - как сумма нормативов расстояния от расчетного судна до конца участка.
7.5.8 Запас свободной длины причалов на незащищенных от волнения или подверженных тягуну акваториях следует устанавливать в проекте с учетом конкретных условий и данных моделирования.
7.5.9 При постановке накатного судна, оборудованного прямой аппарелью, к причалу лагом и одновременно кормой (носом) к участку причала, расположенному перпендикулярно к нему, необходимость запаса свободной длины причала между судном и этим участком и его величину устанавливают с учетом характеристик аппарелей судов, обработку которых предусматривают на проектируемом причале.
7.5.10 В тех случаях, когда на расчетный год предусматриваемая глубина черпания у причалов менее, чем принятая перспективная глубина причала, в проектах допускается сокращать длины соответствующих участков причального фронта применительно к той глубине, которая принята на расчетный год.
Указанное сокращение длины причальной линии допускается при наличии технической возможности и целесообразности последующего наращивания длины до значения, соответствующего перспективной глубине причала.
8.1 Основные технические решения и обоснования по электротехнической части комплексного проекта КТ разрабатывают на стадии "Проект" на основании технического задания организации, выполняющей технологическую часть проекта этого терминала.
8.2 Разработку электротехнической части проекта КТ следует выполнять в соответствии с техническим заданием, выполненным или согласованным с организацией, выполняющей технологическую часть проекта КТ.
8.3 Электротехническая часть проекта КТ должна содержать следующие технические решения: силовое электрооборудование, автоматизация сантехнических систем и устройств, электроосвещение, электроотопление (в отдельно стоящих небольших строениях, например, в контрольно-пропускных пунктах, в конторах приемосдатчиков и в помещениях для обогрева на открытых контейнерных площадках и т.д.); слаботочные устройства и системы (пожарная и охранная сигнализация, системы видеонаблюдения, молниезащита, городская, внутренняя и громкоговорящая диспетчерская связь, телефонная и радиосвязь, электрочасофикация); внутриплощадочные и внешние инженерные сети электроснабжения, распределительные устройства.
8.4 Электротехническую часть проекта КТ разрабатывают в соответствии с [5], [6], [7], [13].
8.5 Порядок технологического присоединения к внешним электрическим сетям необходимо установить в электротехнической части проекта КТ в соответствии с [5], [13]
8.6 Требования ПУЭ по устройству электроустановок распространяются на вновь проектируемые электроустановки на КТ и обязательны для использования при реконструкции и переустройстве электрических сетей и установок на существующих КТ.
8.7 Электроустановки на КТ проектируют исходя из обязательных условий проведения в период эксплуатации планово-предупредительных и профилактических испытаний, ремонтов электроустановок и их электрооборудования.
8.8 Применяемые в электроустановках на КТ электрооборудование, электротехнические изделия и материалы должны соответствовать требованиям национальных стандартов, регламентов и технических условий, утвержденных в установленном порядке.
8.9. Конструкция, исполнение, способ установки, класс и характеристики изоляции применяемых машин, аппаратов, приборов и прочего электрооборудования, а также кабелей и проводов в соответствии с параметрами сети или электроустановки, режимами работы, условиями окружающей среды и требованиями [13].
8.10 Проектирование и выбор схем, компоновок и конструкций электроустановок, предусмотренных на КТ, производят на основе технико-экономических сравнений вариантов с учетом требований обеспечения безопасности обслуживания, применения надежных схем, внедрения новой техники, энерго- и ресурсосберегающих технологий, опыта эксплуатации.
8.11 При опасности возникновения электрокоррозии или почвенной коррозии предусматривают соответствующие меры по защите сооружений, оборудования, трубопроводов и других подземных коммуникаций на КТ.
8.12 В электроустановках следует обеспечить возможность легкого распознавания частей, относящихся к отдельным элементам (простота и наглядность схем, надлежащее расположение электрооборудования, надписи, маркировка, расцветка).
8.13 На КТ в электропомещениях с установками напряжением до 1 кВ допускается применение неизолированных и изолированных токоведущих частей без защиты от прикосновения, если по местным условиям такая защита не является необходимой для каких-либо иных целей (например, для защиты от механических воздействий). При этом доступные прикосновению части располагают так, чтобы обслуживание не было сопряжено с опасностью прикосновения к ним.
8.14 Пожаро- и взрывобезопасность электроустановок должна соответствовать требованиям [13].
8.15 При сдаче в эксплуатацию электроустановки снабжают противопожарными средствами и инвентарем в соответствии с действующими положениями.
8.16 В электротехнической части проекта необходимо рассмотреть вопрос о целесообразности применения на КТ собственной дизель-генераторной станции для электроснабжения потребителей в случае аварийных ситуаций.
9.1 При разработке сантехнической части проекта КТ следует руководствоваться положениями [8].
9.2 Основные технические решения и обоснования по сантехнической части комплексного проекта КТ разрабатывают на стадии "Проект" на основании технического задания организации, выполняющей технологическую часть проекта этого терминала.
9.3 Разработку сантехнической части проекта КТ следует выполнять в соответствии с техническим заданием, выполненным или согласованным с организацией, выполняющей технологическую часть проекта КТ.
9.4 При проектировании внешних и внутриплощадочных сетей водоснабжения следует руководствоваться положениями СП 31.13330.
9.5 Водоснабжение объектов КТ следует проектировать на основе утвержденных схем развития и размещения производительных сил, а также генеральных, бассейновых и территориальных схем комплексного использования и охраны вод, генеральных планов городов и сельских населенных пунктов, генеральных планов промышленных узлов.
9.6 В проектах хозяйственно-питьевых и объединенных производственно-питьевых водопроводов необходимо предусматривать зоны санитарной охраны источников водоснабжения, водопроводных сооружений и водоводов.
9.7 Сантехническая часть проекта КТ должна содержать обоснования и технические решения по следующим вопросам:
- внешние сети горячего и холодного водоснабжения и водоотведения (включая способ приготовления горячей воды) и технические условия для подключения к ним;
- внутриплощадочные сети холодного и горячего водоснабжения и водоотведения, технология и устройства для приема сточных вод в городскую систему канализации;
- сети водопровода холодного и горячего водоснабжения и водоотведения внутри зданий и построек (включая способы стока дождевых вод с крыш зданий) КТ; тип, параметры, характеристики и количество сантехнического оборудования и устройств; устройство, оборудование и автоматизация системы пожаротушения и связанные с ней внутриплощадочные инженерные сети и резервуары; способ и оборудование для очистки сточных вод.
9.8 Проектирование систем водопровода и канализации внутри зданий КТ следует выполнять в соответствии с СП 30.13330.
9.9 В состав санитарно-бытовых помещений входят гардеробные, душевые, умывальные, уборные, устройства питьевого водоснабжения, помещения для обогрева или охлаждения, обработки, хранения и выдачи спецодежды.
9.10 Санитарно-бытовые помещения для работающих, занятых непосредственно на производстве, проектируют с учетом групп производственных процессов.
10.1 Теплотехническую часть проекта КТ следует выполнять в соответствии с СП 50.13330 и СП 60.13330.
10.2 Основные технические решения и обоснования по теплотехнической части комплексного проекта КТ разрабатывают на основании технического задания организации, выполняющей технологическую часть проекта этого терминала.
10.3 Разработку теплотехнической части проекта КТ следует выполнять в соответствии с техническим заданием, выполненным или согласованным с организацией, выполняющей технологическую часть проекта этого терминала.
10.4 Теплотехническая часть проекта должна содержать технические решения и обоснования по следующим вопросам:
- выбор типа отопления (парового, водяного, воздушного или электрического) для каждого объекта на КТ;
- способ получения теплоносителя (от централизованной, нецентрализованной сети или от собственной котельной);
- внешние сети теплоснабжения и технические условия для подключения к ним;
- внутриплощадочная сеть теплоносителя и ее разводка внутри зданий;
- оборудование и устройство тепловых сетей;
- оборудование и устройства системы вентиляции и кондиционирования воздуха в помещениях складского комплекса КТ.
Все вопросы, рассматриваемые в теплотехнической части проекта, и технические решения должны быть обоснованы на основе сравнения вариантов и определения технико-экономических показателей.
10.5 В зданиях и сооружениях следует предусматривать технические решения, обеспечивающие:
- нормируемые метеорологические условия и чистоту воздуха в обслуживаемой зоне жилых и общественных помещений, а также административных и бытовых зданий КТ согласно ГОСТ 30494.
- нормируемые метеорологические условия и чистоту воздуха в рабочей зоне производственных, лабораторных и складских помещений в зданиях любого назначения согласно ГОСТ 12.1.005;
- нормируемые уровни шума и вибраций от работы оборудования и систем теплоснабжения, отопления, вентиляции и кондиционирования (отопительно-вентиляционного оборудования), а также от внешних источников шума согласно СП 51.13330. Для систем аварийной вентиляции и систем противодымной защиты при работе или опробовании согласно ГОСТ 12.1.003 в помещениях, где установлено это оборудование, допускается уровень шума не более 110 дБА. При наличии импульсного шума его уровень должен быть не более 125 дБА;
- охрану атмосферного воздуха от вентиляционных выбросов вредных веществ;
- ремонтопригодность систем отопления, вентиляции и кондиционирования;
- взрывопожаробезопасность систем отопления, вентиляции и кондиционирования.
11.1 Целесообразность проектирования Автоматизированной системы управления КТ (АСУ КТ) и перечень автоматизируемых технологических операций необходимо обосновать в технологической части проекта КТ на стадии "Проект".
11.2 АСУ КТ разрабатывается специализированной организацией на основании технического задания организации, которая выполняет технологическую часть проекта данного КТ.
11.3 Проектирование АСУ КТ следует выполнять в соответствии с техническим заданием, разработанным или согласованным организацией, выполняющей технологическую часть проекта терминала.
11.4 АСУ КТ состоит из двух основных подсистем:
- АСУ информационными процессами;
- АСУ механизмами и материальными потоками.
11.5 Техническое задание на АСУ информационными процессами может включать:
- схему генплана КТ, разработанную технологами на этапе бизнес-плана (технико-экономического обоснования);
- технологические планировки КП и крытого перевалочного склада;
- список технологических операций, подлежащих автоматизации (список задач);
- описание технологических процессов, управление которыми следует автоматизировать;
- макеты (формы) документов и сообщений, которые технологи хотят получать в автоматическом режиме или по запросу;
11.6 Техническое задание на проектирование (или поставку готового) автоматического подъемно-транспортного оборудования и устройств, которые предусмотрены в технологической части проекта для установки на терминале и программного управления материальными потоками перемещения грузов на КТ, может включать:
- список автоматических или полуавтоматических машин и механизмов, примененных в технологической части проекта;
- технические задания с требованиями к каждой автоматической машине;
- описания технологических процессов, в которых участвует каждая автоматическая машина или установка;
- технические задания на управление автоматизированными системами машин (например, на сортировочные конвейерные системы с автоматическим адресованием грузов в крытом перевалочном складе).
Технические задания на автоматические машины и системы машин могут быть представлены в виде блок-схем алгоритмов их действия.
11.7 В объем работ организации, разрабатывающей АСУ информационными процессами, входят:
- разработка архитектуры локальной вычислительной сети КТ;
- выбор и поставка всех технических средств, составляющих АСУ:
- информационное обеспечение АСУ, включая все массивы нормативно-справочной информации, макеты документов, сообщений, справок и т.д.;
- математическое обеспечение АСУ, выбор методов расчета показателей, формул, алгоритмов бизнес-процессов;
- выбор комплекса компьютерных программ, автоматизирующих все расчеты по управлению перегрузочно-складскими операциями на КТ; расчет экономических показателей; учет статуса грузов и грузовых операций в реальном масштабе времени; ведение учетно-отчетных документов, формирование и печать транспортных, складских и отчетных документов и т.д.;
- отладка всех компьютерных программ, образующих АСУ;
- организационное обеспечение АСУ, включая инструкции для операторов, которые будут использовать систему управления;
- обучение работников КТ использованию АСУ.
11.8 АСУ подъемно-транспортными машинами разрабатывает организация-изготовитель соответствующих автоматических машин, механизмов и транспортирующих систем. Эта организация поставляет, монтирует, налаживает и пускает все автоматическое оборудование, предусмотренное в технологической части проекта, и обучает работников КТ использованию этого оборудования.
11.9 На КТ должны прокладываться:
- комплексная телефонная сеть, в емкости которой должна быть учтена возможность подключения терминала к устройствам приема и передачи данных АСУ;
- сеть громкоговорящего оповещения;
- сеть радиофикации;
- сеть диспетчерского телевидения.
11.10 Централизованное управление работой терминала осуществляется из центрального пункта управления (ЦПУ), оборудованного пультом управления.
11.11 В ЦПУ должна быть предусмотрена аппаратура управления основным перегрузочным оборудованием, системами (информационной, связи, промышленного телевидения, диспетчерской связи с диспетчерской терминала) и другими средствами по заданию на проектирование.
11.12 В составе комплексов АСУ КТ и информационных логистических систем обеспечения технологических процессов предусматривают использование систем автоматизированного управления (САУ), включая системы автоматической идентификации контейнеров на КТ и КП.
Назначение САУ - идентификация контейнеров с грузами в процессе их перемещения, а также индикация попыток несанкционированного вскрытия за счет применения электронных пломбировочных устройств (ЭПУ), устанавливаемых на контейнерах, в соответствии с ГОСТ Р ИСО 17261 и ГОСТ Р 55557.1.
С применением САУ проводят обработку данных о контейнерах, учет их работы, слежение за их перемещением и сохранностью грузов в контейнерах по ГОСТ Р ИСО 17363, ГОСТ Р 55557.1 - ГОСТ Р 55557.5.
11.13 Используемая в САУ технология радиочастотной идентификации предусматривает процесс считывания информации с одной или более радиочастотных меток и ЭПУ, содержащих данные о контейнере, через считыватели, расположенные в пунктах контроля на контейнерных терминалах и площадках и транспортно-перегрузочном оборудовании, и передачи ее в центр управления автоматизированной системой мониторинга беспроводным способом с помощью радиосигналов.
11.14 Радиочастотные системы RFID (по ГОСТ Р ИСО 17363, ГОСТ Р 58492), ЭПУ, включающие радиочастотные метки, антенны и устройства считывания/опроса, должны работать независимо от других радиочастотных систем, работающих в других частотных диапазонах.
11.15 При установке радиочастотных меток на оборудовании для выполнения транспортных операций:
- на крановом оборудовании считывающие устройства могут размещаться на опорах подъемного крана. Зона покрытия уровня системы зависит от требований пользователя и составляет не менее 35 м;
- на передвижном оборудовании - на самом оборудовании. Зона покрытия уровня системы зависит от требований пользователя и составляет не менее 10 м.
12.1 Земельный участок под строительство КТ выбирают после разработки и утверждения бизнес-плана (технико-экономического обоснования). Однако возможны ситуации, когда застройщик сначала подбирает участок, а затем применительно к этому участку заказывает выполнение бизнес-плана его наиболее эффективного использования.
12.2 При выборе земельного участка под строительство КТ следует руководствоваться [9].
12.3 Выбор земельного участка под строительство КТ должен основываться на утвержденных в установленном порядке правилах землепользования и схемах территориального планирования.
12.4 Территориальное планирование направлено на определение в документах территориального планирования назначения территорий исходя из совокупности социальных, экономических, экологических и иных факторов в целях обеспечения устойчивого развития территорий, инженерной, транспортной и социальной инфраструктур, в целях обеспечения учета интересов граждан и их объединений, регионов и муниципальных образований.
12.5 Документы территориального планирования подразделяются на:
- документы территориального планирования Российской Федерации;
- документы территориального планирования субъектов Российской Федерации;
- документы территориального планирования муниципальных образований.
12.6 Документы территориального планирования являются обязательными для органов государственной власти, органов местного самоуправления при принятии ими решений и реализации таких решений.
Документы территориального планирования субъектов Российской Федерации и документы территориального планирования муниципальных образований не подлежат применению в части, противоречащей утвержденным документам территориального планирования Российской Федерации, со дня утверждения.
12.7 Проект планировки территории состоит из основной части, которая подлежит утверждению, и материалов по ее обоснованию.
12.8 Основная часть проекта планировки территории включает в себя:
а) чертеж или чертежи планировки территории, на которых отображаются:
- красные линии;
- линии, обозначающие дороги, улицы, проезды, линии связи, объекты инженерной и транспортной инфраструктур, проходы к водным объектам общего пользования и их береговым полосам;
- границы зон планируемого размещения объектов социально-культурного и коммунально-бытового назначения, иных объектов капитального строительства;
- границы зон планируемого размещения объектов федерального значения, объектов регионального значения, объектов местного значения.
б) положения о размещении объектов капитального строительства федерального, регионального или местного значения, а также положения о характеристиках планируемого развития территории, в том числе плотности и параметрах застройки территории и характеристиках развития систем социального, транспортного обслуживания и инженерно-технического обеспечения, необходимых для развития территории.
12.9 Материалы по обоснованию проекта планировки территории включают в себя материалы в графической форме и пояснительную записку.
12.9.1 Материалы по обоснованию проекта планировки территории в графической форме должны содержать:
- схему расположения элемента планировочной структуры;
- схему использования территории в период подготовки проекта планировки территории;
- схему организации улично-дорожной сети, которая может включать схему размещения парковок (парковочных мест), и схему движения транспорта на соответствующей территории;
- схему границ территорий объектов культурного наследия;
- схему границ зон с особыми условиями использования территорий;
- схему вертикальной планировки и инженерной подготовки территории;
- иные материалы.
12.9.2 Пояснительная записка должна содержать описание и обоснование положений, касающихся:
- определения параметров планируемого строительства систем социального, транспортного обслуживания и инженерно-технического обеспечения, необходимых для развития территории;
- защиты территории при чрезвычайных ситуациях природного и техногенного характера, проведения мероприятий по гражданской обороне и обеспечению пожарной безопасности.
12.10 Подготовку градостроительного плана земельного участка осуществляют в составе проекта межевания территории или в виде отдельного документа.
12.11 В составе градостроительного плана земельного участка указываются:
- границы земельного участка;
- границы зон действия публичных сервитутов;
- минимальные отступы от границ земельного участка в целях определения мест допустимого размещения зданий, строений, сооружений, за пределами которых запрещено строительство зданий, строений, сооружений;
- информация о градостроительном регламенте;
- информация о разрешенном использовании земельного участка, требованиях к назначению, параметрам и размещению объектов строительства КТ;
- информация о расположенных в границах земельного участка объектах капитального строительства, объектах культурного наследия;
- информация о технических условиях подключения (технологического присоединения) объектов капитального строительства к сетям инженерно-технического обеспечения;
- границы зоны планируемого размещения объектов капитального строительства для государственных или муниципальных нужд.
12.12 Реконструкцию КТ осуществляют только в виде приведения его в соответствие с градостроительным регламентом или путем уменьшения его несоответствия предельным параметрам разрешенного строительства и реконструкции. Изменение видов разрешенного использования указанных земельных участков и объектов капитального строительства осуществляют путем приведения их в соответствие с видами разрешенного использования земельных участков и объектов капитального строительства, установленными градостроительным регламентом.
12.13 Предельные (минимальные и максимальные) размеры земельных участков и предельные параметры разрешенного строительства, реконструкции КТ включают:
- площадь земельных участков;
- минимальные отступы от границ земельных участков в целях определения мест допустимого размещения зданий, строений, сооружений, за пределами которых запрещено строительство зданий, строений, сооружений;
- предельное количество этажей или предельную высоту зданий, строений, сооружений;
- максимальный процент застройки в границах земельного участка, определяемый как отношение суммарной площади земельного участка, которая может быть застроена, ко всей площади земельного участка.
12.14 При строительстве КТ возможны изменения зонирования территорий. Основаниями для рассмотрения главой местной администрации вопроса о внесении изменений в правила землепользования и застройки являются:
- несоответствие правил землепользования и застройки генеральному плану или схеме территориального планирования муниципального района, возникшее в результате внесения в генеральный план или схему территориального планирования муниципального района изменений;
- поступление предложений об изменении границ территориальных зон, изменении градостроительных регламентов.
12.15 В результате градостроительного зонирования определяют жилые, общественно-деловые, производственные зоны, зоны инженерной и транспортной инфраструктур, зоны сельскохозяйственного использования, зоны рекреационного назначения, зоны особо охраняемых территорий, зоны специального назначения, зоны размещения военных объектов и иные виды территориальных зон.
12.15.1 В состав производственных зон, зон инженерной и транспортной инфраструктур могут включаться:
- коммунальные зоны - зоны размещения коммунальных и складских объектов, объектов жилищно-коммунального хозяйства, объектов транспорта;
- производственные зоны - зоны размещения производственных объектов с различными нормативами воздействия на окружающую среду;
- иные виды производственной, инженерной и транспортной инфраструктур.
12.15.2 Производственные зоны, зоны инженерной и транспортной инфраструктур предназначены для размещения промышленных, коммунальных и складских объектов, объектов инженерной и транспортной инфраструктур, в том числе сооружений и коммуникаций железнодорожного, автомобильного, речного, морского, воздушного и трубопроводного транспорта, связи, а также для установления санитарно-защитных зон таких объектов в соответствии с требованиями технических регламентов.
12.16 При рассмотрении вариантов земельных участков для строительства КТ следует руководствоваться всеми требованиями к площадке для промышленного и транспортного строительства:
- инженерно-геологические и гидрологические условия площадки; рельеф местности;
- возможности обеспечения терминала на период строительства и последующей эксплуатации всеми видами топливно-энергетических, материальных, трудовых ресурсов, подходами разных видов транспорта.
12.17 При реконструкции существующего терминала следует стремиться к минимальным затратам на разборку существующих строений и подготовку участка под строительство.
12.18 Площадку под строительство контейнерного терминала следует выбирать вблизи населенных пунктов, но за пределами их перспективной городской застройки.
12.19 Следует учитывать особенности КТ как технического объекта в транспортной сети: близость, техническое оснащение и перерабатывающую способность возможной станции примыкания подъездного пути необщего пользования.
12.20 Следует учитывать технологические особенности КТ, у которого могут быть большие грузопотоки прибытия и отправления грузов железнодорожным, автомобильным и водным транспортом. В связи с этим следует располагать терминалы вблизи или с простыми способами входа и выхода на федеральные автомобильные дороги, транспортные коридоры и водные артерии.
12.21 Площадка терминала должна быть ровной, с уклонами не более 2-3-тысячных в продольном направлении и 4-5-тысячных в поперечном направлении, по возможности правильной прямоугольной или трапециевидной формы, длиной до 500-600 м при небольших грузопотоках и до 1100 м при больших грузопотоках, с учетом возможности прибытия и отправления контейнерных маршрутных поездов. Ширина площадки должна быть в пределах от 50 м (минимум) до 300-400 м.
12.22 При выборе площадки под строительство КТ необходимо учитывать ее расположение по отношению к основным транспортным коридорам и близость к основным крупным грузоотправителям и грузополучателям. При выборе площадки под строительство КТ необходимо также учитывать близость расположения торговых складов и сетей в городе или другом населенном пункте.
12.23 Выбор места строительства КТ зависит от характеристик используемых видов транспорта.
12.23.1 Для обеспечения взаимодействия с железнодорожным транспортом при выборе места строительства КТ следует учитывать:
- близость узловой сортировочной станции;
- техническую возможность, перерабатывающую способность станции примыкания и схему примыкания железнодорожного пути к станции;
- путевое развитие станции примыкания подъездного пути;
- какие грузовые операции разрешены на станции, число и длину приемо-отправочных путей на станции примыкания, число маневровых локомотивов, порядок обслуживания подъездных необщего пользования путей, наличие предприятия промышленного железнодорожного транспорта (ППЖТ), наличие системы управления стрелками и сигналами, наличие и число других подъездных путей на этой станции, размеры их вагонопотоков.
12.23.2 Для обеспечения взаимодействия КТ с автомобильным транспортом при выборе места под строительство КТ следует учитывать:
- возможную длину и ширину подъездной автодороги, ее прямолинейность, повороты, уклоны, наличие вблизи площадки под строительство КТ городских улиц с разрешенным грузовым движением, возможность выезда с площадки на основные шоссе, федеральные трассы, выходящие из города;
- возможность проезда автомобилей с терминала к основным грузовладельцам, наличие и мощность автопредприятий в ближайших районах города, а также - экспедиторских компаний.
12.23.3 Для обеспечения взаимодействия КТ с транспортом при выборе места под строительство КТ следует учитывать:
- близость речных и морских портов;
- техническую оснащенность и перерабатывающую способность речного или морского порта и схему примыкания железнодорожных путей и автомобильных дорог к порту;
- количество и длину причалов в порту, его техническое оснащение, наличие и размеры внутреннего грузопотока порта и т.д.
12.24 При выборе площадки под строительство КТ следует учитывать следующие особенности состояния участка и инженерно-геологических условий:
- наличие ранее проводимых инженерно-геологических и геодезических изысканий по земельному участку, а также доступ к этой документации;
- наличие неровностей рельефа участка, перепада отметок поверхности участка, овраги, заболоченные участки, ручьи на площадке или поблизости, наличие слоев торфа, выходящих на поверхность.
12.25 При выборе участка под строительство КТ следует учитывать следующие особенности обустройства инженерных сетей:
- возможности подключения к городским сетям холодного и горячего водоснабжения, водоотведения, электроснабжения, теплоснабжения, газоснабжения, очистки сточных вод;
- возможности и целесообразность постройки для терминала собственной котельной;
- возможность и целесообразность организации собственного водозабора (при отсутствии существующих сетей).
12.26 В случае строительства или реконструкции КТ на существующей освоенной площадке следует учитывать следующие факторы:
- техническое состояние существующих объектов и сооружений на площадке (если имеются);
- наличие списка объектов и сооружений с указанием года постройки, конструкции, ширины, длины, высоты, этажности;
- наличие генплана площадки с расположением существующих производственных объектов, складов, открытых площадок, внутренних автомобильных и железных дорог (в масштабе 1:500 или 1:1000);
- наличие чертежей существующих крытых складов (план, поперечный и продольный разрезы в масштабе 1:200 или 1:100);
- наличие подходов автомобильного и железнодорожного транспорта ко всем складам и состояние этих дорог;
- наличие, тип, грузоподъемность и техническое состояние существующих кранов и других подъемно-транспортных машин;
- состояние внутренних площадок и автодорог;
- год постройки и состояние существующих инженерных сетей;
- наличие терминалов-конкурентов, их специализация, техническая оснащенность, финансовое состояние, близость к строящемуся терминалу, перспективы развития терминально-складского и транспортного бизнеса в регионе.
13.1 Основные компоновочные, технологические и объемно-планировочные решения по проекту КТ принимают в бизнес-плане на стадии предпроектных логистических проработок и разработки схемы генплана КТ.
13.2 Возможные варианты генплана терминала анализируются по критериям максимального использования земельного участка для расположения складских объектов (КП и крытого перевалочного склада) с целью получения максимального дохода и прибыли от проектируемого терминала.
13.3 Отобранные три-четыре основных конкурентоспособных варианта генплана анализируют по двум показателям - чистая прибыль и срок окупаемости капиталовложений (инвестиций).
13.4 Предварительными оценочными показателями для анализа возможных вариантов генплана служит коэффициент застройки территории - не менее 0,6 и коэффициент полезного использования площади земельного участка - не менее 0,5.
13.5 После утверждения технико-экономического обоснования при разработке стадии "Проект" укрупненные показатели эффективности уточняют в процессе проработки объемно-планировочных и технологических решений по технологической и смежным частям проекта КТ.
13.6 При последующей разработке стадии "Проект" и выполнения технологических расчетов сравнивают варианты отдельных проектных решений. Лучший вариант выбирают путем сопоставления технико-экономических показателей, таких как: техническое оснащение КТ, способ складирования штучных грузов, формирование контейнерного поезда, конструкции элементов каркаса складского здания, конструкция основания КП, технологии загрузки грузов в контейнер, организации маневровых работ, тип системы отопления крытого склада и т.д.
13.7 После разработки всех смежных частей комплексного проекта и уточнения затрат на их осуществление, проверяют экономические показатели инвестиционного проекта и определяют: общие капитальные затраты (с разбивкой по этапам строительства, если необходимо), годовые производственные расходы, чистую дисконтированную прибыль и доходы, финансовые потоки по годам, рентабельность, уточняют срок окупаемости проекта и строят финансовый профиль проекта.
14.1 Раздел "Противопожарные мероприятия" входит в состав расчетно-пояснительной записки, составляемой в стадии "Проект" в технологической части проекта.
14.2 Раздел "Противопожарные мероприятия" разрабатывают в соответствии с [10], [11] и СП 4.13130.
14.3 Требования к объектам производственного назначения, представляющим собой отдельно стоящие здания, строения и сооружения; части зданий, выделенные в пожарные отсеки; части зданий, пристроенные или встроенные в объекты иного назначения; а также группы помещений и отдельные помещения, входящие в состав объектов иного назначения приведены в СП 4.13130. К таким объектам на КТ относятся: многоэтажные административные корпуса, здания мастерских, гаражи, служебные и бытовые помещения в закрытом складском корпусе, контрольно-пропускные пункты на въезде на терминал и другие.
14.4 Ограничение распространения пожара на объектах КТ достигается организационными мероприятиями и архитектурными и инженерными решениями по ограничению площади, интенсивности и продолжительности горения. К ним относятся:
- конструктивные и объемно-планировочные решения, препятствующие распространению опасных факторов пожара по помещению, между помещениями, между группами помещений различной функциональной пожарной опасности, между этажами и секциями, между пожарными отсеками, а также между объектами; ограничение пожарной опасности строительных материалов, используемых в поверхностных слоях конструкций объекта, в том числе кровель, отделок и облицовок фасадов, помещений и т.д.;
- снижение технологической взрывопожарной и пожарной опасности объектов защиты;
- наличие первичных, автоматических и привозных средств пожаротушения;
- сигнализация и оповещение о пожаре.
Объемно-планировочные и конструктивные решения по ограничению распространения пожара и требования к противопожарным расстояниям между объектами защиты приведены в СП 4.13130.
14.5 Для хранения контейнеров-цистерн на терминале должен быть выделен отдельный участок, отделенный от остальных штабелей контейнеров безопасной зоной шириной не менее 15 м.
14.6 Перевалочные крытые склады штучных грузов на КТ следует проектировать одноэтажными в соответствии с технологической частью проекта и указанными в данном разделе требованиями. В помещениях категорий А и Б следует предусматривать наружные легкосбрасываемые ограждающие конструкции. В качестве легкосбрасываемых конструкций следует использовать оконные конструкции со стеклопакетами и фонари. При недостаточной площади остекления оконных конструкций допускается в качестве легкосбрасываемых конструкций использовать конструкции покрытий из стальных, алюминиевых и пластмассовых листов и эффективного утеплителя. Площадь легкосбрасываемых конструкций следует определять расчетом. При отсутствии расчетных данных площадь легкосбрасываемых конструкций должна составлять не менее 0,05 м2 на 1 м3 объема помещения категории А и не менее 0,03 м2 - помещения категории Б. Оконное стекло относится к легкосбрасываемым конструкциям при толщине 3, 4 и 5 мм и площади не менее 0,8, 1 и 1,5 м2 соответственно. Армированное стекло к легкосбрасываемым конструкциям не относится. Рулонный ковер на участках легкосбрасываемых конструкций покрытия следует разрезать на карты площадью не более 180 м2 каждая. Расчетная нагрузка от массы легкосбрасываемых конструкций покрытия должна составлять не более 0,7 кПа (70 кгс/м2).
14.7 Въезд локомотивов всех типов в помещения категорий А и Б, тепловозов в помещения категорий В1-В3 и в помещения с конструкциями покрытий классов К2 и К3 не следует предусматривать.
14.8 Противопожарные расстояния на КТ между зданиями в зависимости от степени огнестойкости и класса их конструктивной пожарной опасности следует принимать в соответствии с СП 4.13130.
14.9 Степень огнестойкости, класс конструктивной пожарной опасности, высоту зданий и площадь этажа в пределах пожарного отсека следует принимать в соответствии с СП 4.13130.
14.10 Складские помещения категорий В1-В3 производственных зданий следует отделять от других помещений противопожарными перегородками 1-го типа и перекрытиями 3-го типа, при хранении этих грузов на высотных стеллажах - противопожарными стенами 1-го типа.
Категории зданий и помещений котельных по взрывопожарной и пожарной опасности принимаются согласно СП 12.13130.
14.11 При размещении в одном здании или помещении грузов с различной взрывопожарной и пожарной опасностью следует предусматривать мероприятия по предупреждению взрыва и распространению пожара. Эффективность этих мероприятий обосновывают в проектной документации. Если указанные мероприятия недостаточно эффективны, то технологические процессы (операции) с различной взрывопожарной и пожарной опасностью следует размещать в отдельных помещениях. При этом помещения разных категорий А, Б, В1, В2, В3 следует отделять одно от другого, а также эти помещения от помещений категорий В4, Г и Д и коридоров противопожарными перегородками следующих типов:
- в зданиях I степени огнестойкости - противопожарными перегородками 1-го типа, противопожарными перекрытиями (над подвалом) 2-го типа;
- в зданиях II и III степеней огнестойкости - противопожарными перегородками 1-го типа и противопожарными перекрытиями (над подвалом) 3-го типа;
- в зданиях IV степени огнестойкости классов пожарной опасности С0, С1 - противопожарными перегородками 2-го типа и противопожарными перекрытиями 3-го типа;
- в зданиях IV степени огнестойкости классов пожарной опасности С2, С3 помещения категорий В1-В3 - противопожарными перегородками 2-го типа и противопожарными перекрытиями 3-го типа, помещения категорий А и Б - противопожарными перегородками 1-го типа и противопожарными перекрытиями 3-го типа.
14.12 В случае размещения на КТ текущего запаса бензина и дизельного топлива, для заправки автопогрузчиков, автомобилей, для котельной и дизель-генераторной установки проектом предусматривают участки хранения жидких нефтепродуктов.
14.13 Складские здания с высотным стеллажным хранением категории В следует проектировать одноэтажными I-IV степеней огнестойкости класса пожарной опасности С0. Стеллажи должны иметь горизонтальные экраны из материалов группы НГ с шагом по высоте не более 4 м. Экраны должны перекрывать все горизонтальное сечение стеллажа, в том числе и зазоры между сдвоенными стеллажами, и не должны препятствовать погрузочно-разгрузочным работам. Экраны и днища тары и поддонов должны иметь отверстия диаметром 10 мм, расположенные равномерно, с шагом 150 мм.
14.14 Конструкции рамп и навесов, примыкающих к зданиям I, II, III и IV степеней огнестойкости, классов пожарной опасности С0 и С1, следует принимать из материалов группы НГ.
14.15 Противопожарные расстояния между зданиями определяют как расстояния между наружными стенами или другими конструкциями зданий, сооружений и строений. При наличии выступающих более чем на 1 м конструкций зданий, сооружений и строений, выполненных из горючих материалов, следует принимать расстояния между этими конструкциями.
14.16 Противопожарные расстояния на КТ между стенами зданий без оконных проемов допускается уменьшать на 20% при условии устройства кровли из негорючих материалов, за исключением зданий IV и V степеней огнестойкости и зданий классов конструктивной пожарной опасности С2 и С3.
14.17 Расстояние между складами и другими производственными зданиями не нормируется:
- если сумма площадей полов двух и более зданий III и IV степеней огнестойкости классов пожарной опасности С1, С2 и С3 не превышает площадь полов, допускаемую между противопожарными стенами, считая по наиболее пожароопасной категории, низшей степени огнестойкости и низшему классу конструктивной пожарной опасности здания;
- если стена более высокого или широкого здания или сооружения, выходящая в сторону другого здания, является противопожарной 1-го типа;
- если здания и сооружения III степени огнестойкости независимо от пожарной опасности размещаемых в них помещений имеют противостоящие противопожарные стены 2-го типа с заполнением проемов 2-го типа.
14.18 Допускается уменьшать противопожарные расстояния на КТ между зданиями, сооружениями и строениями I и II степеней огнестойкости класса конструктивной пожарной опасности С0 на 50% при оборудовании более 40% помещений каждого из зданий, сооружений и строений автоматическими установками пожаротушения.
14.19 Расстояние от зданий любой степени огнестойкости до зданий III и IV степеней огнестойкости классов пожарной опасности С1, С2 и С3, а также V степени огнестойкости принимают в соответствии с СП 4.13130. Ширина береговой полосы принимается 100 км, но не далее чем до ближайшего горного хребта.
14.20 Указанное расстояние для зданий I, II, а также III и IV степеней огнестойкости класса пожарной опасности С0 категорий А, Б и В уменьшается с 9 до 6 м при соблюдении одного из следующих условий:
- здания оборудуют стационарными автоматическими системами пожаротушения;
- удельная пожарная нагрузка в зданиях категории В менее или равна 10 кг на 1 м2 площади этажа.
14.21 Расстояние от зданий производственных объектов КТ (независимо от степени их огнестойкости) до границ лесного массива хвойных пород и мест разработки или открытого залегания торфа следует принимать 100 м, смешанных пород - 50 м, а до лиственных пород - 20 м. При размещении производственных объектов терминала в лесных массивах, когда строительство их связано с вырубкой леса, указанные расстояния до лесного массива хвойных пород допускается сокращать в два раза. Расстояния от зданий производственных объектов до мест открытого залегания торфа допускается сокращать в два раза при условии засыпки открытого залегания торфа слоем земли толщиной не менее 0,5 м в пределах половины расстояния, указанного в настоящем пункте.
14.22 Для двухэтажных зданий, сооружений и строений каркасной и щитовой конструкции V степени огнестойкости, а также зданий, сооружений и строений с кровлей из горючих материалов противопожарные расстояния на КТ следует увеличивать на 20%.
14.23 Противопожарные расстояния на КТ между зданиями, сооружениями и строениями I и II степеней огнестойкости допускается уменьшать до 4 м при условии, что стена более высокого здания, сооружения и строения, расположенная напротив другого здания, сооружения и строения, является противопожарной 1-го типа.
14.24 Минимальные противопожарные расстояния на КТ от административных зданий (классов функциональной пожарной опасности Ф1, Ф2, Ф3, Ф4) I и II степеней огнестойкости до производственных и складских зданий (класса функциональной пожарной опасности Ф5) составляют не менее 9 м (до зданий класса функциональной пожарной опасности Ф5 и классов конструктивной пожарной опасности С2, С3 - 15 м), III степени огнестойкости - 12 м, IV и V степеней огнестойкости - 15 м. Расстояния от административных зданий (классов функциональной пожарной опасности Ф1, Ф2, Ф3, Ф4) IV и V степеней огнестойкости до производственных и складских зданий (класса функциональной пожарной опасности Ф5) составляют 18 м. Для указанных зданий III степени огнестойкости расстояния между ними составляют не менее 12 м.
14.25 На КТ противопожарные расстояния между глухими торцевыми стенами, имеющими предел огнестойкости не менее REI 150, зданий, сооружений и строений I-III степеней огнестойкости не нормируются.
14.26 При наличии в крытом складском корпусе на КТ встроено-пристроенных частей другой функциональной пожарной опасности общая площадь пожарного отсека (этажа) не должна превышать предельно допустимых значений для этого объекта.
14.27 При наличии в складском корпусе частей различных классов функциональной пожарной опасности, разделенных противопожарными преградами, каждая из таких частей должна отвечать противопожарным требованиям, предъявляемым к объектам соответствующей функциональной пожарной опасности.
14.28 На КТ в местах сопряжения противопожарных преград с ограждающими конструкциями зданий, в том числе в местах изменения конфигурации здания, следует предусматривать мероприятия, обеспечивающие нераспространение пожара, минуя эти преграды. При размещении противопожарных стен в местах примыкания одной части здания к другой под углом необходимо, чтобы расстояние по горизонтали между ближайшими гранями проемов, расположенных в наружных стенах, было не менее 4 м, а участки стен карнизов и свесов крыш, примыкающие к противопожарной стене под углом, по длине не менее 4 м были выполнены из материалов группы НГ. При расстоянии между указанными проемами менее 4 м они должны заполняться противопожарными дверями или окнами 1-го типа.
14.29 Противопожарные стены и перекрытия 1-го типа не допускается пересекать каналами, шахтами и трубопроводами для транспортирования горючих газов, пылевоздушных смесей, жидкостей, веществ и материалов. В местах пересечения таких противопожарных преград каналами, шахтами и трубопроводами для транспортирования сред, отличных от вышеуказанных, следует предусматривать автоматические устройства, предотвращающие распространение продуктов горения по каналам, шахтам и трубопроводам.
14.30 При пожаре в крытом складе на КТ проемы в противопожарных преградах необходимо защитить от проникновения опасных факторов пожара. Окна в противопожарных преградах необходимо проектировать не открывающимися, а противопожарные двери, ворота, люки и клапаны оборудовать устройствами для самозакрывания и уплотнения в притворах. Двери, ворота, люки и клапаны, эксплуатирующиеся в открытом положении, необходимо оборудовать устройствами, обеспечивающими их автоматическое закрывание при пожаре.
14.31 В подвальных и цокольных этажах зданий КТ размещать помещения классов Ф1.1, Ф1.2 и Ф1.3 не допускается. На этих этажах и под помещениями, предназначенными для одновременного пребывания более 50 человек, помещения класса Ф5 категорий А и Б размещать не допускается.
14.32 Площадки для хранения тары и мусора на КТ следует ограждать и располагать на расстоянии не менее 15 м от зданий, сооружений и строений.
14.33 В противопожарных преградах, отделяющих помещения категорий А и Б в зданиях КТ от помещений других категорий, коридоров, лестничных клеток и лифтовых холлов, следует предусматривать тамбур-шлюзы с постоянным подпором воздуха. Устройство общих тамбур-шлюзов для двух помещений и более указанных категорий не допускается. При невозможности устройства тамбур-шлюзов в противопожарных преградах, отделяющих помещения категорий А и Б от других помещений, или дверей, ворот, люков и клапанов в противопожарных преградах, отделяющих помещения категории В от других помещений, следует предусматривать комплекс мероприятий по ограничению распространения пожара и проникания горючих газов, паров легковоспламеняющихся и горючих жидкостей, пыли, волокон, способных образовывать взрывоопасные концентрации, на смежные этажи и помещения. Эффективность данных мероприятий необходимо обосновывать. В проемах противопожарных преград, которые закрывают противопожарными дверями или воротами, для сообщения между смежными помещениями категорий В, Г и Д допускается предусматривать открытые тамбуры, оборудованные установками автоматического пожаротушения. Ограждающие конструкции этих тамбуров проектируют противопожарными.
14.34 В здании склада тарных грузов на первом этаже у торца допускается располагать помещения для зарядки аккумуляторных батарей электропогрузчиков. Ограждающие конструкции помещения для зарядки аккумуляторов должны иметь предел REI 45 и класс конструктивной пожарной опасности К0. Помещения для зарядки аккумуляторов должны быть отделены от остальных складских помещений противопожарными стенами 2-го типа и перекрытиями 3-го типа и иметь обособленный выход.
14.35 Оконные проемы складов тарных грузов с производством категории В следует заполнять стеклоблоками, устраивая в части проемов открывающиеся оконные фрамуги площадью не менее 1,2 м2 с механизированным открыванием для дымоудаления. Суммарная площадь проемов принимается не менее 0,3% площади пола склада.
14.36 В одноэтажных зданиях IV степени огнестойкости класса пожарной опасности С2 допускается размещать помещения категорий А и Б общей площадью не более 300 м2. При этом указанные помещения выделяют противопожарными перегородками 1-го типа и перекрытиями 3-го типа. Наружные стены этих помещений проектируют классов К0 или К1. Допускается проектировать одноэтажные мобильные здания IV степени огнестойкости.
14.37 Складские помещения для хранения аммиачной селитры в количестве не более 1500 т допускается отделять от других помещений, в том числе от складских помещений для удобрений и пестицидов, сплошными (без проемов) перегородками из материала группы НГ с пределом огнестойкости не менее EI 45.
14.38 Склады табака, как правило, размещаются в складских помещениях в одноэтажных зданиях, рассчитанных на хранение полугодового запаса табачного сырья. Данные склады табака следует делить противопожарными стенами на отсеки площадью не более 1500 м2, а для готовых табачных изделий - 750 м2.
14.39 Аэрозольную продукцию 2-го и 3-го уровней по пожарной опасности следует хранить, как правило, отдельно от других товаров в одноэтажных складских зданиях или противопожарных отсеках таких зданий. Хранение данной продукции на складах, расположенных в цокольных и подземных этажах, не допускается. При хранении на складе совместно с другими горючими товарами общее количество аэрозольной продукции 2-го и 3-го уровней пожарной опасности не должно превышать:
- аэрозольных упаковок уровня 2 - 1100 кг;
- уровня 3 - 450 кг.
Общее количество аэрозольной продукции при хранении на складе совместно с другими горючими товарами допускается увеличить при наличии автоматического водяного пожаротушения и выделения под аэрозольную продукцию отдельных помещений или специально отведенных участков с сетчатым ограждением (из стальной проволоки диаметром не менее 3 мм, размером ячейки не более 50 мм), исключающим разлет баллонов при пожаре. Общее количество аэрозольной продукции 2-го и 3-го уровней пожарной опасности в этом случае не должно превышать:
- при напольном хранении - 5500 кг;
- при хранении на стеллажах - 11000 кг.
14.40 При определении площади складского помещения для хранения аммиачной селитры (за исключением водоустойчивой селитры) следует также учитывать, что между противопожарными стенами допускается хранить не более 2500 т селитры в специальных мешках. Допускается хранение до 3500 т аммиачной селитры в мягких контейнерах (биг-бэг) в складских зданиях, разделенных перегородками из материала группы НГ с пределом огнестойкости не менее R 45 на складские помещения для хранения в каждом из них селитры в количестве не более 1750 т.
14.41 Перегородки, отделяющие складские помещения для хранения взрывопожароопасных и пожароопасных пестицидов от других помещений, должны иметь предел огнестойкости не менее EI 45 и класс пожарной опасности К0; двери в этих перегородках должны быть с пределом огнестойкости EI 30.
14.42 На открытых площадках или под навесами хранение аэрозольной продукции 2-го и 3-го уровней пожарной опасности допускается только в негорючих контейнерах. Расстояние от таких мест хранения до зданий или сооружений должно составлять не менее 15 м или у противопожарных стен. К аэрозольной продукции 1-го уровня пожарной опасности требования пожарной безопасности по размещению и хранению предъявляют как к горючим товарам.
14.43 Административные помещения для работников терминала следует блокировать со складскими зданиями или располагать в пристройках в торце производственных зданий со стороны размещения помещений категорий В1-В4, Г или Д.
14.44 В административных зданиях КТ I и II степеней огнестойкости с числом этажей не более трех главные лестницы допускается проектировать открытыми на всю высоту здания при условии размещения остальных (не менее двух) лестниц в обычных лестничных клетках 1-го типа. При этом вестибюли и поэтажные холлы, в которых размещены открытые лестницы, должны быть отделены от смежных помещений и коридоров противопожарными перегородками 1-го типа.
14.45 Административные и бытовые помещения на КТ размещают в пристройках складских зданий. Пристройки I и II степеней огнестойкости следует отделять от складских зданий I и II степеней огнестойкости противопожарными перегородками 1-го типа. Пристройки ниже II степени огнестойкости, а также пристройки к производственным зданиям ниже II степени огнестойкости и пристройки к помещениям и зданиям категорий А и Б следует отделять противопожарными стенами 1-го типа. Пристройки IV степени огнестойкости класса С0 допускается отделять от производственных зданий IV степени огнестойкости классов С0 и С1 противопожарными стенами 2-го типа.
14.46 Административные и бытовые помещения размещают во вставках и встройках складских зданий категорий В, Г и Д:
- I, II и III степеней огнестойкости класса пожарной опасности С0;
- IV степени огнестойкости всех классов пожарной опасности.
14.47 В служебно-бытовых и технических помещениях КТ, не относящихся к взрывобезопасным, следует применять окна или другие конструкции, выполняющие функцию предохранительного противовзрывного устройства, обеспечивающего безопасные нагрузки (5 кПа) при взрыве газо-, паро-, пылевоздушной смеси.
14.48 Вставки со служебно-бытовыми помещениями в складских корпусах следует отделять от производственных помещений противопожарными стенами 1-го типа. Вставки от производственных помещений категорий В, Г и Д допускается отделять: в зданиях I, II степеней огнестойкости классов С0 и С1, III степени огнестойкости класса С0 противопожарными перегородками 1-го типа; в зданиях III степени огнестойкости класса С1 и IV степени огнестойкости классов С0 и С1 - противопожарными стенами 2-го типа. Встройки следует принимать с числом этажей не более трех и отделять от производственных помещений противопожарными стенами и перекрытиями 1-го типа. Встройки от производственных помещений категорий В, Г и Д допускается отделять: в зданиях I, II степеней огнестойкости классов С0 и С1, III степени огнестойкости класса С0 - противопожарными перегородками 1-го типа и перекрытиями 2-го типа; в зданиях III степени огнестойкости класса С1 и IV степени огнестойкости классов С0 и С1 - противопожарными стенами 2-го типа и противопожарными перекрытиями 3-го типа. Суммарная площадь вставок, выделяемых противопожарными перегородками 1-го и противопожарными стенами 2-го типов, а также встроек и производственных помещений не должна превышать установленной площади пожарного отсека.
14.49 Коридоры следует разделять противопожарными перегородками 2-го типа на отсеки протяженностью не более 60 м.
14.50 Облицовку и отделку поверхностей стен, перегородок и потолков залов более чем на 75 мест (кроме залов в зданиях V степени огнестойкости) в административных помещениях КТ следует предусматривать из материалов групп горючести не ниже Г2.
14.51 Подвалы при размещении в них помещений категорий В1-В3 разделяют противопожарными перегородками 1-го типа на части площадью не более 3000 м2 каждая, при этом ширина каждой части (считая от наружной стены), как правило, не превышает 30 м.
В указанных помещениях следует предусматривать окна шириной не менее 0,75 м и высотой не менее 1,2 м с приямками шириной не менее 0,3 м и длиной не менее 1,8 м для установки дымососа. Суммарную площадь окон следует принимать не менее 0,2% площади пола помещений. В помещениях площадью более 1000 м2 следует предусматривать не менее двух окон. Перекрытия над подвалами должны иметь предел огнестойкости не менее REI 45. Коридоры должны быть шириной не менее 2 м с выходами непосредственно наружу или через обособленные лестничные клетки. Перегородки, отделяющие помещения от коридоров, принимают противопожарными 1-го типа. Подвалы с помещениями категорий В1-В3, которые по требованиям технологии производства запрещается размещать у наружных стен, следует разделять противопожарными перегородками на части площадью не более 1500 м2 каждая с устройством дымоудаления.
14.52 Перед лифтами в помещениях категорий А и Б на всех этажах следует предусматривать тамбур-шлюзы 1-го типа с постоянным подпором воздуха. В машинных отделениях лифтов зданий категорий А и В следует предусматривать постоянный подпор воздуха.
14.53 В случае размещения на КТ вспомогательных открытых складских площадок сыпучих грузов (угля, торфа, лесоматериалов) для хозяйственных нужд терминала расстояния от этих складских площадок до складских зданий терминала и расстояния между указанными открытыми складами следует принимать не менее 15 м. Для складов самовозгорающихся углей при высоте штабеля более 2,5 м расстояния между объектами увеличивают до 20 м.
14.54 Проектирование на КТ автозаправочных станций жидкого моторного топлива, эксплуатирующихся в качестве топливозаправочных пунктов, следует вести в соответствии с СП 155.13130.
14.55 На открытых площадках не допускается хранение в таре нефтепродуктов с температурой вспышки 45°C и ниже.
14.56 Для размещения в крытых складах легко воспламеняющихся и горючих жидкостей на КТ следует предусматривать отдельные отсеки, разделенные противопожарными стенами 1-го типа в соответствии с нормами.
14.57 Для хранения запаса нефтепродуктов в таре для хозяйственных нужд КТ допускается выделять изолированные секции в общем крытом одноэтажном складском корпусе, ограниченные противопожарными перегородками 1-го типа. При этом емкость склада не должна превышать 150 м3. В дверных проемах внутренних стен и перегородок следует предусматривать пороги высотой 150 мм.
14.58 Здания складов тарных нефтепродуктов должны быть I, II степени огнестойкости, а также III или IV степени огнестойкости класса С0.
14.59 Полы на складах для запаса тарных нефтепродуктов принимают из материалов группы НГ, не впитывающих нефтепродукты. Полы должны иметь уклоны для стока жидкости к лоткам, приямкам. В помещениях категорий А и Б следует применять безыскровые типы полов.
14.60 В помещениях класса Ф5 категорий А, Б и В1, в которых производят, применяют или хранят легко воспламеняющиеся жидкости, полы следует выполнять из негорючих материалов или материалов группы горючести Г1.
14.61 Грузовые рампы для погрузки и разгрузки тарных нефтепродуктов из железнодорожного и автомобильного транспорта и из контейнеров должны иметь покрытие из негорючих материалов. Для складов III категории допускается проектировать грузовые рампы из трудногорючих и горючих материалов.
14.62 Расстояние от раздаточных колонок нефтепродуктов расходного склада до зданий и сооружений КТ следует принимать не менее 30 м.
14.63 Здание склада тарных нефтепродуктов для хозяйственных нужд контейнерного терминала должно быть I, II степеней огнестойкости.
14.64 Устройства для слива жидких нефтепродуктов с температурой вспышки выше 120°C из автомобильных цистерн допускается размещать непосредственно у подземных резервуаров для хранения этих грузов.
14.65 Лестницы 3-го типа, предназначенные для доступа пожарных подразделений, должны иметь ширину не менее 700 мм.
14.66 В зданиях с внутренними водостоками в качестве ограждения на кровле допускается использовать парапет. При высоте парапета менее 0,8 м его следует дополнять решетчатым ограждением до высоты 0,8 м от поверхности кровли.
14.67 Для зданий высотой от планировочной отметки земли до карниза или верха парапета 10 м и более следует проектировать один выход на кровлю на каждые полные и неполные 40000 м2 кровли у зданий: одноэтажных - по наружной открытой стальной лестнице; многоэтажных - из лестничной клетки. В случаях, когда нецелесообразно иметь в пределах высоты верхнего этажа лестничную клетку для выхода на кровлю, допускается для зданий высотой от планировочной отметки земли до отметки чистого пола верхнего этажа не более 30 м проектировать наружную открытую стальную лестницу для выхода на кровлю из лестничной клетки через площадку этой лестницы.
15.1 Возможность размещения КТ согласуется с учетом его соответствия схеме территориального планирования. Органы местного самоуправления рассматривают проект схемы территориального планирования Российской Федерации в части возможного влияния планируемых для размещения КТ на социально-экономическое развитие муниципального образования, возможного негативного воздействия таких объектов на окружающую среду на территории муниципального образования.
15.2 Опасными факторами, влияющими на экологию региона при строительстве и работе КТ, являются:
- нарушение природных условий рельефа местности;
- загрязнение грунтовых и сточных вод;
- загрязнение воздуха выхлопными газами автомобилей и тепловозов;
- шум от работы автотранспорта, железнодорожного транспорта, кранов и автопогрузчиков;
- нарушение жизни птиц, животных и рыб.
15.3 В электроустановках, применяемых на КТ, необходимо предусмотреть сбор и удаление отходов: поврежденной картонной и деревянной тары, деревянных брусков, химических веществ, масла, мусора, технических вод и т.п. В соответствии с действующими требованиями по охране окружающей среды необходимо исключить возможность попадания указанных отходов в водоемы, систему отвода ливневых вод, овраги, а также на территории, не предназначенные для хранения таких отходов.
15.4 Владелец КТ обязан заключить договор со специализированной организацией о регулярном вывозе отходов производства, испорченной тары, мусора и т.д. для последующей утилизации.
15.5 После окончания строительства КТ и пуска его в эксплуатацию прилегающие территории к площадке терминала необходимо благоустроить и привести в первоначальное состояние, которое они имели до строительства терминала.
16.1 Общие правила проектирования таможенных терминалов не отличаются от правил проектирования других перевалочных ГТ на магистральном транспорте. Работу таможенных терминалов регламентируют в соответствии с [12].
16.2 Таможенный режим может действовать на всей территории КТ или только в пределах части терминала, например, в пределах склада временного хранения (СВХ) на контейнерной площадке, или СВХ может быть частью крытого перевалочного склада. В СВХ контейнеры и транспортные средства помещают на период их таможенного оформления (до одного месяца, а скоропортящиеся грузы - до трех суток).
16.3 На контейнерной площадке СВХ следует отделить от остальной части площадки металлической сетчатой перегородкой высотой 2,5 м с раздвижными воротами с электроприводом шириной 3 м на КПП. В составе КПП следует предусматривать служебные помещения, досмотровую площадку и промышленные весы для автотранспорта. Сетчатую перегородку проектируют сплошной по всему периметру СВХ. На воротах должна быть надпись "Таможенный режим СВХ".
16.4 Если СВХ предусматривают в крытом перевалочном складе для штучных грузов, то его следует отделить от остального склада сетчатой или глухой перегородкой с раздвижными или подъемными воротами размером 2,5x2,5 м с надписью "Таможенный режим СВХ".
16.5 Площадь, размеры и способы складирования контейнеров на открытой площадке, способы складирования тарно-штучных грузов в крытом складе под таможенным режимом СВХ определяют в технологической части проекта КТ на основании исходных данных, выданных застройщиком или техническим заказчиком проекта.
16.6 Технологию работы и техническое оснащение СВХ проектируют в соответствии с требованиями таможенных органов. Эти проектные решения отражают в техническом задании, которое организация, проектирующая технологическую часть проекта, выдает для разработки смежных частей проекта (строительной, сантехнической и др.).
16.7 Технические решения по СВХ должны быть согласованы с территориальным таможенным управлением.
16.8 Рабочие помещения для сотрудников таможенного поста предусматривают в технологической части проекта (в административном корпусе КТ) и их потребная численность задается в техническом задании на проектирование строительной и сантехнической частей проекта.
16.9 Один из видов сухопутных таможенных терминалов - тыловой терминал морского порта, называемый на морском транспорте "сухой порт". Различают следующие виды тыловых терминалов морских портов:
- с таможенным постом и без таможенного поста;
- с получением контейнеров из порта автомобильным или железнодорожным транспортом (замкнутыми челночными маршрутами, обращающимися по расписанию и твердым ниткам графика);
- с формированием маршрутных контейнерных поездов и без формирования таких поездов;
- с наличием запаса порожних контейнеров или без хранения порожних контейнеров;
- с наличием крытого перегрузочного склада штучных грузов и без наличия такого склада;
- с административным подчинением Морской администрации порта или как самостоятельное юридическое лицо;
- с разными сроками хранения контейнеров и штучных грузов на терминале и разным набором выполняемых логистических операций.
Приложение А
Пропускная способность железнодорожного грузового фронта (ЖГФ) определяется для контейнерооборота в месяц наибольшей загрузки, исходя из часовой эксплуатационной производительности и количества технологических линий, суточной валовой интенсивности обработки железнодорожной подачи на ЖГФ, сезонной неравномерности перевозок, годового бюджета рабочего времени.
Пропускную способность ЖГФ Pконт.жгф, тыс. конт./год, вычисляют по формуле
, (А.1)
где Nж - количество обработанных железнодорожных подач в сутки:
, (А.2)
Mж - валовая часовая интенсивность обработки одной железнодорожной подачи, конт./ч;
tраб - годовой бюджет рабочего времени, сут;
Kм.н. - коэффициент месячной неравномерности контейнеропотока.
Валовую часовую интенсивность обработки одной железнодорожной подачи Mж, конт./ч вычисляют по формуле
, (А.3)
где Дж.и - количество выгружаемых контейнеров на платформах в подаче, конт.;
Дж.э - количество погружаемых контейнеров на платформы в подаче, конт.;
tвс.ж - время на подачу и уборку платформ на ЖГФ, на прочие вспомогательные операции, не совмещаемые с грузовыми работами, ч.
Время грузовой обработки железнодорожной подачи tгр.ж, ч, вычисляют по формуле
, (А.4)
где Рэкс - эксплуатационная производительность одной технологической линии, конт./ч;
tсм - продолжительность смены, ч;
tо.п - продолжительность обеденного перерыва, ч;
N - количество технологических линий на ЖГФ.
Эксплуатационная производительность технологических линий на ЖГФ Рэкс, конт./ч, состоящих из машин циклического действия, вычисляют по формуле
Рэкс=РтехKc, (А.5)
где Ртех - техническая производительность лимитирующей машины в технологической линии, конт./ч;
Kc - коэффициент перехода от технической к эксплуатационной производительности технологической линии, численные значения которого принимаются в зависимости от способа производства погрузочно-разгрузочных работ:
при механизированном способе производства – Kc=0,75;
при автоматизированном способе производства - Kc=0,9.
Пропускную способность ЖГФ PTEU·жгф, тыс. TEU/год, вычисляют по формуле
PTEU·жгф=Pконт.жгфКTEU, (А.6)
где КTEU - TEU-фактор - отношение числа TEU к числу физических контейнеров.
Количество платформ в одной подаче принимается исходя из вместимости грузового пути.
Длина и ширина железнодорожной грузовой оперативной площадки определяется в зависимости от длины грузовых путей, схемы механизации грузовых работ, необходимости размещения подкрановых путей, буферных площадок, проездов и пр.
Изменение расчетной пропускной способности ЖГФ под заданный контейнеропоток производится за счет увеличения количества технологических линий, их производительности или изменения количества ЖГФ.
Приложение Б
Поток заявок характеризуется величиной плотности потока заявок λ, определяемой как количество заявок в единицу времени. В рассматриваемом случае плотностью потока заявок является отношение числа прибывающих автомобилей Nавт к рассматриваемому периоду времени. Если в год на контейнерной площадке можно обрабатывать Nавт (рабочее время составляет 365 дней, включающих 2 смены по 8 ч), то рабочее время составит Tраб=365·2·8=5840 ч. Среднее время между визитами автомобиля Tавт, ч, рассчитывают по формуле
, (Б.1)
т.е. плотность потока заявок есть величина, обратная периоду визитов автомобилей:
. (Б.2)
Работа каналов системы массового обслуживания характеризуется длительностью времени обслуживания заявки Тобсл, считающегося распределенным по показательному закону. Для расчетов в теории массового обслуживания используется величина, обратная длительности обслуживания,
называемая плотностью потока освобождения каналов.
Отношение
называется приведенной плотностью потока заявок. В рассматриваемом случае приведенная плотность потока заявок рассчитывается по формуле
. (Б.3)
По формуле (Б.3) можно определить, что приведенная плотность потока заявок показывает, сколько автомобилей в среднем прибывает на контейнерную площадку за время обслуживания одного из автомобилей. Согласно теории массового обслуживания доказывается, что стационарный режим, когда количество заявок в очереди на обслуживание не возрастает неограниченно, возможен лишь при выполнении соотношения α
.
Предельный случай α=n характеризуется 100%-ной занятостью каждого канала обслуживания, т.е. когда сразу же после окончания обслуживания одного автомобиля на его место встает следующий. Как при α=n, так и при реальном соотношении α<n может образовываться очередь на обслуживание. Теория массового обслуживания позволяет, в зависимости от различных соотношений величин α и n, оценить время ожидания заявки в очереди и длину очереди, т.е. среднее время ожидания автотранспорта в очереди на обслуживание и среднее количество единиц в ней, т.е. требуемый размер автостоянки для грузовых автомобилей.
Количество мест автостоянки для грузовых автомобилей определяется по формуле
, (Б.4)
где Ra - число мест на автостоянках;
Nпр - число прибывающих автомобилей с контейнерами за сутки;
Nот - число отправляемых автомобилей с контейнерами за сутки;
ta - время стоянки автомобилей на площадке терминала, ч;
Ta - время работы терминала по обработке автомобилей в сутки.
Слишком малое число полос для пропуска автомобилей приведет к появлению очереди (т.е. потерям от простоя и затратам на образование стоянки), слишком большое - приведет к неэффективному использованию пунктов пропуска, т.е. тоже к потерям. Для оценки потерь, связанных с простоями, теория массового обслуживания предлагает формулы для определения средней длины очереди и среднего времени ожидания в ней. Задавшись относительными удельными весами (удельной стоимостью) и оценив суммарную величину потерь, можно сравнить их с затратами на строительство дополнительных полос и пунктов пропуска, что позволяет определить их оптимальное количество m.
Соотношение
позволяет получить оценку пропускной способности Nавт для различных времен обслуживания Тобсл и nполос (рисунок Б.1). Каждая кривая показывает тот предельный объем потока транспортных средств, который автомобильный въездной комплекс (АВК), имеющий в своем составе то или иное число полос, может пропустить за год. Пропускная способность АВК, как функция времени обслуживания для различного числа полос пропуска представлена на рисунке Б.1.
Число полос движения и контроля автомобилей при въезде-выезде с терминала на КПП определяют по формуле
, (Б.5)
где nполос - число полос движения автомобилей у КПП терминала;
tКПП - время контроля одного автомобиля на КПП терминала, мин.
Рисунок Б.1 - Пропускная способность как функция времени обслуживания для различного числа полос пропуска
При этом, в зависимости от характера неравномерности, работа АВК будет сопровождаться отсутствием очереди или ее наличием, при том что весь поток транспортных средств гарантированно будет обслужен. В случае возможности организации прибытия транспортных средств по строгому расписанию, пропускная способность АВК будет использована полностью, а очереди будут отсутствовать. Следовательно, получаемые значения технологических параметров являются минимальными.
Приложение В
При расчете вместимости склада следует учитывать значения размеров транспортных партий контейнеров V, направляемых через грузовые фронты на склад (отправляемых со склада), интервалов между этими партиями Т и сроки хранения контейнерных партий на складе tx для месяца наибольшей загрузки. Ниже представлена методика определения вместимости склада.
Вместимость склада для контейнеров, прибывающих по железной дороге Еж.и, ДФЭ, рассчитывают по формуле
, (В.1)
где Vж.и - количество контейнеров в железнодорожной подаче, ДФЭ;
tx.ж.и - средний срок хранения контейнеров на складе, сут;
Tж.и - интервалы между поступлениями в железнодорожной подаче, сут.
В случае, если
, вместимость склада принимается равной Vи.
Аналогично вместимость склада для контейнеров, предназначенных для отправки железнодорожным транспортом Еж.э, ДФЭ, при условии
, рассчитывают по формуле
. (В.2)
В случае, если
, вместимость склада принимается равной Vж.э.
Общая вместимость склада для потока контейнеров для железной дороги Еж, ДФЭ, рассчитывают по формуле:
Еж=Еж.э+Еж.и. (В.3)
Вместимость склада для контейнеров, прибывающих на контейнерную площадки внешним и внутренним автомобильным транспортом Еа.и, ДФЭ, при
, рассчитывается по формуле
, (В.4)
где Vа.и - количество контейнеров, прибывающих автомобильным транспортом на склад в сутки, ДФЭ;
tx.а.и - средний срок хранения контейнеров на складе, сут;
Tа.и - интервал времени, равный 1 сут.
В случае, если
, вместимость склада принимается равной Vа.и.
Аналогично вместимость склада Еа.и, ДФЭ, для контейнеров, убывающих автотранспортом, рассчитывается по формуле
. (В.5)
В случае, если
, вместимость склада принимается Vа.э.
Общая вместимость склада для потока контейнеров для автотранспорта Еа, ДФЭ, рассчитывается по формуле
Еа=Еа.э+Еа.и. (В.6)
Приложение Г
Общее число 20-футовых контейнеров R, ДФЭ, которые находятся на контейнерной площадке (емкость или вместимость площадки), рассчитывают по формуле
R=x·y·z, (Г.1)
где х - число контейнеров, помещающихся по ширине контейнерной площадки;
у - число контейнеров, помещающихся по длине контейнерной площадки;
z - число ярусов хранения контейнеров по высоте.
Поскольку в действительности на контейнерных терминалах одновременно могут находиться 20-футовые контейнеры (ДФЭ) и 40-футовые контейнеры (СФЭ - 40-футовый эквивалент), то число физических единиц (штук) контейнеров на площадке будет меньше (обычно принимают коэффициент 0,6-0,7).
Число контейнеров по ширине контейнерной площадки х с автопогрузчиком-ричстакером, рассчитывают по формуле
, (Г.2)
где В - ширина контейнерной площадки, м;
n - число продольных проездов между штабелями контейнеров (принимаются через 15-20 м по ширине площадки);
А - ширина проезда для погрузчика с крановой стрелой (ричстакера) принимаемая 15 м;
2,6 м - ширина площадки, занимаемой контейнером, с учетом ширины самого контейнера (2438 мм) и зазора между контейнерами в штабеле 2600 - 2438 = 162 мм;
25 м - ширина продольного проезда вдоль железнодорожного пути, включающая: проезд для автопогрузчика-ричстакера, две полосы движения автомобилей вдоль железнодорожного пути (1 автомобиль загружается ричстакером, другие проезжают мимо) и габарит приближения строений к железнодорожному пути, равный 2,5 м;
ε{…} - обозначение целой части числа, получающегося в результате выполнения действий в скобках.
Для расчета числа контейнеров х по ширине контейнерной площадки сначала вычисляют число продольных проходов n, которое зависит от числа контейнеров, устанавливаемых по глубине штабеля x1:
, (Г.3)
где 25 м - ширина продольного проезда для погрузчика и 2-х полос движения для автомобилей вдоль железнодорожного пути;
15 м - ширина продольного проезда для автопогрузчика-ричстакера между штабелями контейнеров.
Число контейнеров, размещаемых по длине площадки у, рассчитывают по формуле
, (Г.4)
где L - длина контейнерной площадки, м;
m - число поперечных проездов по площадке (для ричстакера принимаются через 70-80 м по длине площадки);
А = 15 м - ширина проезда, такая же как ширина продольного проезда;
6,3 м - длина 20-футового контейнера с зазорами между контейнерами (6300 - 6048 = 252 мм).
Число ярусов хранения контейнеров по высоте z при облуживании контейнерной площадки автопогрузчиком-ричстакером принимают:
- для груженых контейнеров - z = 2,5-3 м;
- для порожних контейнеров - z = 4-5 м.
Для предварительных оценок емкость контейнерной площадки R может быть рассчитана с использованием удельного показателя потребной площади для размещения 1 контейнера ДФЭ - ΔS:
, (Г.5)
где S - площадь контейнерной площадки, м2;
ΔS - удельный показатель потребной площади для размещения 1-го контейнера ДФЭ при складировании в 3 яруса по высоте: для контейнерных площадок с автопогрузчиком-ричстакером - ΔS=20-22 м2/ДФЭ; при помощи портальных автопогрузчиков - ΔS=13-18 м2/ДФЭ. при помощи козлового контейнерного перегружателя – ΔS=8-10 м2/ДФЭ; при помощи безрельсового пневмоколесного крана ППК - ΔS=6-8 м2/ДФЭ.
В случае, если размеры контейнерной площадки неизвестны, а известен планируемый годовой грузопоток контейнеров Qг, ДФЭ/год (случай, когда подбирается новый земельный участок для строительства контейнерного терминала), то сначала рассчитывают коэффициент оборачиваемости контейнеров η
, (Г.6)
где τхр - срок хранения контейнеров на терминале, сут.
Срок хранения груженых контейнеров колеблется от 5 до 15 суток. В морских портах срок хранения составляет 6-8 суток.
При назначении срока хранения контейнеров на терминале рекомендуется руководствоваться статистическими данными по какому-либо действующему аналогичному терминалу, однако при этом необходимо учитывать следующие факторы:
- наличие и доля постоянных клиентов, направляющих свои контейнеры на терминал;
- наличие и доля крупных клиентов, направляющих контейнеры большими транспортными партиями;
- особенности расположения терминала;
- наличие морского порта;
- маршруты доставки контейнеров на терминал с терминала, наличие таможенного поста на терминале и др.
По порожним контейнерам сроки хранения устанавливаются больше, в пределах 15-25 суток.
Зная коэффициент оборачиваемости контейнеров η, рассчитывают потребную емкость контейнерной площадки R, ДФЭ, по формуле
, (Г.7)
где Qг - планируемый годовой грузопоток контейнеров, ДФЭ/год.
Далее решается обратная задача - зная потребную емкость контейнерной площадки R, рассчитывают величины: х, у, z по формулам (Г.2), (Г.4). Число ярусов по высоте для груженых контейнеров принимают z = 3, а для порожних контейнеров z = 5.
Число контейнеров по длине площадки у можно определить исходя из заданной длины площадки, которая может быть, например, принята по длине фронта подачи для установки фитинговых платформ под погрузку-выгрузку контейнеров по формуле
L=mф·lф.п., (Г.8)
где mф - число фитинговых платформ в подаче на терминал;
lф.п.=19,62 м - длина 60-футовой фитинговой платформы по автосцепкам.
Число фитинговых платформ mф в подаче вагонов на терминал может быть определено исходя из расчетного суточного грузопотока контейнеров по формуле
, (Г.9)
где kн - коэффициент неравномерности суточного грузопотока (принимается по аналогичному терминалу в пределах 1,1-1,3;
365 - количество дней в году;
3 - число 20-футовых контейнеров на фитинговой 60-футовой платформе;
р - число подач вагонов на терминал за сутки.
Зная длину контейнерной площадки L, можно рассчитать число контейнеров, размещаемых по длине площадки.
Число контейнеров ДФЭ, размещаемых по ширине площадки, можно вычислить по формуле
, (Г.10)
где ε{…} - обозначает целую часть числа, полученного в результате выполнения действий в скобках (округляется в меньшую сторону до целого контейнера);
ε{…}+1 - округление до целого ряда контейнеров в большую сторону.
Ширина контейнерной площадки Вп, м, рассчитывается по формуле
Вп=х·2,6+Вж+Впр·nпр, (Г.11)
где х - число контейнеров ДФЭ, устанавливаемых по ширине площадки;
2,6 м - ширина площадки, занимаемой контейнером, с учетом ширины самого контейнера (2438 мм) и зазора между контейнерами в штабеле 2600 - 2438 = 162 мм;
Вж=25 м - ширина продольного проезда вдоль железнодорожного пути, включающая: проезд для автопогрузчика-ричстакера и 2 полосы движения автомобилей вдоль железнодорожного пути (1 автомобиль загружается ричстакером, другие проезжают мимо) и габарит приближения строений железнодорожного пути 2,5 м;
Впр=15 м - ширина проезда для автопогрузчика-ричстакера;
nпр - число продольных проходов для автопогрузчика (принимаемое из расчета, что число контейнеров от прохода в глубину штабеля не более 3-4).
Для контейнерной площадки с козловым краном число контейнеров по ширине площадки определяется по формуле
, (Г.12)
где Lп - пролет козлового контейнерного крана, м, (принимают Lп = 25 м или Lп = 32 м);
2 - число зазоров между опорой с ходовыми колесами и штабелем контейнеров в пролете крана (с двух сторон);
1,5 м - зазор по ширине площадки между подкрановым путем и штабелем контейнеров;
nж - число железнодорожных путей, введенных в пролет козлового крана (принимают 1, 2 или 0, т.е. в пролет пути могут не вводиться, а подходить под консоли крана - под одну или под обе);
4,9 м - ширина габарита приближения строения к железнодорожному пути по ГОСТ 9238 (по 2,45 м в каждую сторону от пути);
2,6 м - ширина площадки, занимаемой контейнером, с учетом ширины самого контейнера (2438 мм) и зазора между контейнерами в штабеле 2600 - 2438 = 162 мм.
Если железнодорожные пути (1 или 2) введены в пролет козлового крана, то под одной из консолей можно поставить еще два ряда контейнеров, так как вылет консолей у контейнерных козловых кранов равен 8 м. Тогда общее число контейнеров по ширине контейнерной площадки составит: х+2.
Число контейнеров размещаемых по длине площадки с козловым краном у, рассчитывают по формуле:
, (Г.13)
где 2 - число пролетов контейнерной площадки;
10 м - резерв длины площадки на приближение крана к контейнеру в торце площадки;
n - число поперечных противопожарных проходов на площадке с козловым краном в пролете крана (принимаются через 30-50 м);
1,5 м - ширина поперечного прохода между контейнерами;
6,3 м - длина 20-футового контейнера с зазорами между контейнерами 6300 - 6048 = 252 мм.
Число ярусов контейнеров по высоте штабеля для площадки с козловым краном принимают: z = 2 - 3. Последовательность и порядок расчета для контейнерной площадки с козловым краном такие же, как и для варианта с ричстакерами.
При оснащении контейнерной площадки портальными автопогрузчиками (ПАП) число контейнеров по ширине площадки рассчитывается по формуле
, (Г.14)
где В - ширина контейнерной площадки, м;
2 - число боковых проходов вдоль площадки (с обеих сторон);
4 м - ширина продольных проездов для автотранспорта вдоль площадки хранения контейнеров;
4,3 м - округленная ширина одного продольного ряда контейнеров, м (контейнер 2438 мм и проезд между рядами контейнеров 1800 мм);
ε{…} - обозначение целой части числа, получающегося в результате выполнения действий в скобках.
Число контейнеров у, размещаемых по длине зоны хранения, обслуживаемой ПАП, рассчитывают по формуле
, (Г.15)
где 20 м - расстояние по длине площадки на выход ПАП из зоны штабельного хранения с 40-футовым контейнером (в каждом торце);
2 - число торцов контейнерной площадки;
6,3 м - длина 20-футового контейнера с зазорами между контейнерами (6300 - 6048 = 252 мм).
Число ярусов по высоте штабеля для портальных автопогрузчиков принимают z = 2 (так как при z = 3 стоимость портальных автопогрузчиков очень велика).
Расчеты для определения емкости контейнерной площадки, обслуживаемой ПАП, такие же, как и для площадки с автопогрузчиками с выдвижной крановой стрелой - с ричстакерами.
При оснащении контейнерной площадки портальными пневноколесными кранами (ППК) число контейнеров х по ширине площадки определяется по данным компаний-изготовителей ППК в зависимости от имеющейся ширины площади по пролету ППК - Lп:
- при Lп=20,8 м-x=5 и проезд для автомобиля;
- при Lп=23,6 м-x=6 и проезд для автомобиля;
- при Lп=26,4 м-x=7 и проезд для автомобиля;
- при Lп=29,2 м-x=8 и проезд для автомобиля.
Число контейнеров у по длине площадки, обслуживаемой ППК, рассчитывают по такой же формуле, как и для ПАП:
, (Г.16)
где 20 м - расстояние по длине на выход ППК из зоны штабеля в торцах площадки.
Число ярусов контейнеров по высоте штабеля принимается по данным компании-изготовителя ППК в зависимости от высоты подъема спредерного грузозахвата Hп:
при Hп=12340 мм, z = 3 - модель "1 через 3";
при Hп=15240 мм, z = 4 - модель "1 через 4";
при Hп=18100 мм, z = 5 - модель "1 через 5";
при Hп=21000 мм, z = 6 - модель "1 через 6".
Высота подъема спредера у ППК рассчитана так, чтобы можно было складировать в указанное число ярусов по высоте контейнеры повышенного объема, высотой 9,5 футов (2900 мм).
При первоначальных проработках по контейнерной площадке с козловыми кранами, с ПАП и с безрельсовыми ППК емкость контейнерных площадок, так же как и площадок с автопогрузчиками с крановой стрелой - ричстакерами, можно оценивать ориентировочно по укрупненным измерителям потребной площади ΔS, м2/ДФЭ, из расчета на 1 контейнер ДФЭ.
После того как установлена емкость контейнерной площадки, ее перерабатывающую способность Qг рассчитывают по формуле
, (Г.17)
где R - количество контейнеров ДФЭ, которое может единовременно поместиться на контейнерной площадке (вместимость или емкость контейнерной площадки);
η - оборачиваемость контейнеров за год;
τ - средний срок хранения контейнеров на площадке, сут.
Расчеты емкости и перерабатывающей способности терминала выполняются отдельно по каждому типу контейнеров, так как у них могут быть разные сроки хранения.
Грузооборотом контейнерного терминала Q, ДФЭ/год, называется сумма годовых грузопотоков по прибытию Qп и по отправлению Qот:
Q=Qп+Qот. (Г.18)
Далее выполняются расчеты погрузочно-разгрузочных участков контейнерного терминала, на которых осуществляется погрузка и/или разгрузка груженых и порожних контейнеров с железнодорожных (фитинговых) платформ и с автомобилей. Эти участки могут быть специализированными (только для погрузки или только для разгрузки, только для груженых или только для порожних контейнеров) или совмещенными, на которых выполняется и погрузка, и разгрузка контейнеров, и груженых, и порожних контейнеров.
Длина участка погрузки-разгрузки железнодорожных вагонов на контейнерной площадке Lж, м, рассчитывают по формуле
, (Г.19)
где Qсут - расчетный суточный грузопоток контейнеров на терминале, ДФЭ/сут; часть из этих контейнеров прибывает по железной дороге, другая часть отправляется по железной дороге. Если невозможно достаточно точно установить, какая часть контейнеров будет приходить по железной дороге, а какая на автомобилях и какую часть фитинговых платформ можно обслужить по сдвоенной операции выгрузки-погрузки, то в этом расчете принимается, что все контейнеры или приходят, или отправляются на железнодорожном транспорте; при перевозках в маршрутных контейнерных поездах Qсут может быть принят равным числу контейнеров ДФЭ в маршрутном поезде;
p - число подач вагонов с контейнерами за сутки со станции примыкания (принимается 1-3 подачи в сутки, в зависимости от величины контейнеропотока, организации маневровой работы, длины грузовых фронтов для обработки контейнерных перевозок и т.д.);
L1 - длина железнодорожного пути, необходимая для установки одной фитинговой платформы; платформы бывают: 40-футовые - на 2 ДФЭ (для них длина L1=15 м), 60-футовые - на 3 ДФЭ или 1 СФЭ+1ДФЭ (для них L1=20 м), 80-футовые (длиннобазовые) - на 2 СФЭ (для них L1=26 м).
Расчетный суточный грузопоток по прибытию контейнеров на терминал Qсут, ДФЭ/сут, определяется по формуле
, (Г.20)
где Qг - годовой грузопоток терминала (годовая перерабатывающая способность по прибытию), ДФЭ/год;
kн - коэффициент суточной неравномерности контейнеропотока прибытия, с учетом сезонных и других колебаний (принимается kн=1,2-1,5).
Время разгрузки вагонов с контейнерами под подачу Т, ч, рассчитывают по формуле
, (Г.21)
где Qсут - расчетный суточный контейнеропоток, ДФЭ/сут;
t - среднее время цикла перегрузки 1 контейнера, мин (определяется расчетом, по хронометражу или принимается t = 3-5 мин - в зависимости от типа подъемно-транспортной машины, технологии работы, способа подготовки к разгрузке или погрузке контейнерного поезда, квалификации водителя);
k1 - коэффициент, учитывающий фактическое число контейнеров из-за наличия части 40-футовых контейнеров (определяется расчетом или принимается k1=0,6-0,7);
р - число подач вагонов с контейнерами на терминал за сутки (принимается p = 1-3);
60 - количество минут в 1 ч.
Число мест одновременной погрузки-разгрузки контейнеров с автомобилей mа на площадке рассчитывают по формуле
, (Г.22)
где k1 - коэффициент, учитывающий фактическое количество контейнеров из-за наличия части 40-футовых контейнеров;
t - время цикла подъемно-транспортной машины при разгрузке или погрузке контейнера на автомобиль, мин; это время для разгружаемых контейнеров можно принимать 3-4 мин, а для загружаемых на автомобиль контейнеров - 5-7 мин, так как иногда приходится для доступа к нужному контейнеру переставлять 1-2 других контейнера, в среднем следует принимать в пределах t = 4-6 мин;
lконт/авт - число контейнеров на автомобиле;
Т - время работы контейнерного терминала в сутки по обслуживанию автомобильного транспорта, ч, принимают Т = 8-10 ч/сут (поскольку автомобильный транспорт ночью не работает);
60 - количество минут в 1 ч.
Общая перерабатывающая способность контейнерного терминала Qо, т, может быть рассчитана по формуле
Qо=(Qк·12+Qс)·10-3, (Г.23)
где Qк - перерабатывающая способность контейнерных площадок, ДФЭ/год;
12 т - средняя статистическая нагрузка 20-футового контейнера (масса груза в контейнере);
Qс - перерабатывающая способность крытых перегрузочных складов на контейнерном терминале, т/год;
10-3 - пересчет в тыс. т/год.
Если на грузовом терминале предусматриваются перегрузочные рампы для прямой перегрузки грузов из вагонов и автомобилей в контейнеры, то к общей перерабатывающей способности контейнерного терминала прибавляются еще грузопотоки прямой перегрузки через эти рампы.
В случае строительства нового контейнерного терминала, его потребная перерабатывающая способность должна быть задана, т.е. величины Qк и Qс - известны.
Поэтому при расчетах решается обратная задача - по известному грузопотоку определяется потребная емкость контейнерной площадки R, ДФЭ:
, (Г.24)
где Qк - планируемый контейнеропоток, проходящий через терминал, ДФЭ/год;
τ1 - средний срок хранения контейнеров на площадке;
365 - количество дней в году.
При необходимости могут быть отдельно определены потребные емкости контейнерных площадок для разных типов контейнеров, для груженых и порожних контейнеров.
Поскольку в технологическом процессе переработки контейнеров на терминале подъемно-транспортные машины выполняют разные грузовые операции на разных участках терминала, в проекте должно быть определено общее количество этих машин для всего терминала с учетом всех выполняемых ими операций.
Количество подъемно-транспортных машин r на контейнерной площадке рассчитывают по формуле
, (Г.25)
где Qсут - расчетный суточный контейнеропоток, конт./сут; в этом расчете должно использоваться количество физических контейнеров, а не ДФЭ, так как механизмы, перегружая 40-футовые контейнеры, перегружают как бы 2 контейнера ДФЭ. Если нет точных данных по доле 40-футовых и 20-футовых контейнеров в общем контейнеропотоке, можно ориентировочно принимать число физических контейнеров 0,7 от общего числа контейнеров в 20-футовом исчислении или более точно этот коэффициент пересчета k1 рассчитывают по формуле
, (Г.26)
где СФЭ - количество 40-футовых контейнеров в транспортной партии;
ДФЭ - количество 20-футовых контейнеров в транспортной партии;
Nпер - коэффициент переработки контейнеров, учитывающий многократную перестановку контейнеров на площадке (принимается в пределах от минимального количества перегрузок-разгрузок и погрузок - Nпер=2 до Nпер=5-6 - при нескольких промежуточных перестановках, для того чтобы добраться до нужного контейнера в штабеле; в среднем принимают Nпер=2-4 перегрузок);
t - среднее время цикла работы ричстакера или крана, мин, зависит от планировки терминала, расстояний перемещения погрузчиков технологии работ, типа и скоростей механизмов, квалификации водителя и принимается в пределах t = 3-5 мин;
Т - число часов работы контейнерной площадки в сутки, принимается с учетом режима работы терминала, условий прибытия вагонов и автомобилей и коэффициента использования оборудования по времени в пределах Т = 10-20 ч;
60 - количество минут в 1 ч.
Полученное число подъемно-транспортных машин округляется в большую сторону до целого числа и распределяется по типам машин.
При необходимости более детальных расчетов отдельно рассчитывают количество каждого типа подъемно-транспортных машин. При этом более точно определяют время цикла t, мин, каждой подъемно-транспортной машины по формуле, имеющей следующий обобщенный вид
, (Г.27)
где φ - коэффициент совмещения элементарных операций в цикле работы подъемно-транспортной машины (захват груза, подъем, перемещение и т.д.);
li - расстояние перемещения грузозахвата подъемно-транспортной машины в i-й элементарной операции, м;
νi - скорость движения грузозахвата подъемно-транспортной машины в i-й элементарной операции, м/мин (принимается по технической характеристике предприятий-изготовителей оборудования и уточняется по условиям работы терминала);
n - число элементарных операций перемещения, из которых состоит общий цикл работы подъемно-транспортной машины (включая движение с грузом и без груза);
t0 - дополнительные затраты времени на вспомогательные операции в цикле перемещения груза.
В состав проекта контейнерного терминала включают сводную заказную спецификацию на покупное технологическое оборудование по конвейерным площадкам, крытым складам и перегрузочным рампам.
Приложение Д
Существует несколько систем складирования с применением:
- фронтальных автопогрузчиков;
- ричстакеров;
- ПАП;
- козловых кранов на пневмоходу и портальных рельсовых кранов (ПРК).
Основные технологические отличия этих систем заключаются в различной высоте и плотности складирования контейнеров (таблица Д.1):
|
Система складирования |
Автопогрузчик |
Ричстакер |
Портальный автопогрузчик |
|
Высота складирования техническая, конт. |
(1+4) |
(1+4) |
(1+3) |
|
Количество ДФЭ на гектар, конт. |
260 |
400 |
675 |
Увеличение высоты складирования груженых контейнеров приводит к улучшению использования площади, но увеличивает трудоемкость перевалки контейнеров, простои смежного транспорта и ухудшает качество сервиса для клиентов. Складирование неисправных (выбракованных) контейнеров производят на специально выделенных площадках.
Максимальная высота укладки контейнеров в штабель не более 5 ярусов по высоте. Штабелирование порожних контейнеров на специально выделенной складской площадке рекомендуется производить автопогрузчиком - штабелером порожних контейнеров.
Порожние контейнеры складируют на специально отведенных площадках с учетом воздействия ветровых нагрузок и соблюдения следующих требований:
- без дополнительных креплений разрешается складирование контейнеров только в 2 яруса по высоте;
- при складировании на высоту в 3 яруса и более контейнеры соединяются крепежными средствами между собой;
- угловые контейнеры верхнего яруса штабеля во избежание сдвигов при значительных ветровых нагрузках надежно закрепляют. Крепление производят путем установки закладных штыков в фитинги нижележащего углового контейнера, установки на него контейнера верхнего яруса, а также путем установки тросов - растяжек.
Библиография
[1] Федеральный закон от 21 июля 1997 г. N 116-ФЗ "О промышленной безопасности опасных производственных объектов"
[2] Федеральный закон от 30 декабря 2009 г. N 384-ФЗ "Технический регламент о безопасности зданий и сооружений"
[3] Федеральный закон от 09 февраля 2007 г. N 16-ФЗ "О транспортной безопасности"
[4] Федеральный закон от 29 декабря 2004 г. N 190-ФЗ "Градостроительный кодекс Российской Федерации"
[5] Федеральный закон от 26 марта 2003 г. N 35-ФЗ "Об электроэнергетике"
[6] Федеральный закон от 23 ноября 2009 г. N 261-ФЗ "Об энергосбережении и о повышении энергетической эффективности и о внесении изменений в отдельные законодательные акты Российской Федерации"
[7] Федеральный закон от 10 января 2002 г. N 7-ФЗ "Об охране окружающей среды"
[8] Федеральный закон от 07 декабря 2011 г. N 416-ФЗ "О водоснабжении и водоотведении"
[9] Федеральный закон от 25 октября 2001 г. N 136-ФЗ "Земельный кодекс Российской Федерации"
[10] Федеральный закон от 21 декабря 1994 г. N 69-ФЗ "О пожарной безопасности"
[11] Федеральный закон от 22 июля 2008 г. N 123-ФЗ "Технический регламент о требованиях пожарной безопасности"
[12] Федеральный закон от 27 ноября 2010 г. N 311-ФЗ "О таможенном регулировании в Российской Федерации"
[13] Приказ Минэнерго Российской Федерации от 08 июля 2002 г. N 204 "Об утверждении глав Правил устройства электроустановок"
[14] СП 12-103-2002 Пути наземные рельсовые крановые. Проектирование, устройство и эксплуатация
[15] ОДН 218.046-01 Проектирование нежестких дорожных одежд
[16] Исключен с 26 мая 2020 г. - Изменение N 1
[17] ТР 103-07 Технические рекомендации по устройству дорожных конструкций с применением асфальтобетона


