СП 265.1325800.2016 (30.12.2020) КОЛЛЕКТОРЫ КОММУНИКАЦИОННЫЕ
С изменениями:
(30 декабря 2020 г.)
Manifold for engineering networks
Дата введения - 4 июня 2017 г.
Введен впервые
Введение
Настоящий свод правил разработан в соответствии с Федеральным законом от 30 декабря 2009 г. N 384-ФЗ "Технический регламент о безопасности зданий и сооружений" [3] и Федеральным законом от 22 июля 2008 г. N 123-ФЗ "Технический регламент о требованиях пожарной безопасности" [5].
Настоящий свод правил разработан следующими организациями: АО "Инжпроектсервис" (И.Б. Новиков (руководитель работы), М.А. Степанов, В.С. Молоткова, А.В. Тихомиров, С.В. Барышев, Е.В. Фомичева); ГУП "Москоллектор" (В.А. Глухоедов, А.Ю. Калядин, Т.Н. Гордюшина, канд. техн. наук М.Е. Климовский); ООО "ВЭП-инжиниринг" (Е.В. Савушкина); ОАО "МОЭК" (Р.В. Агапов); АО "МОЭК-проект" (А.И. Лейтман); ООО "Институт Каналстройпроект" (А.И. Бобров); ООО "ЭкоПрог" (М.Б. Ступеньков, А.И. Иванов, И.В. Рощупкин). Также были использованы материалы авторского коллектива АО "Мосинжпроект" (канд. техн. наук А.С. Чирко, Л.Н. Насыбулина, А.А. Пашенцев, В.Н. Киселев, В.Я. Зарецкий, Ю.Д. Гуреева, Г.В. Соловьева, А.В. Нагорнова, Ю.В. Кишинский, В.Н. Максимова, А.И. Плеханова, И.Н. Ильина, А.Н. Ковтуненко, Н.В. Митусов, В.Н. Степанов, докт. техн. наук В.Е. Меркин, Д.Д. Павлова) и ГУП "НИИМосстрой".
Разработка Изменения N 1 к настоящему своду правил выполнена авторским коллективом АО "ЦНИИПромзданий" (канд. техн. наук Н.Г. Келасьев, К.В. Авдеев, М.А. Назаров); АО "НИЦ "Строительство" - НИИОСП им. Н.М. Герсеванова (канд. техн. наук О.Н. Исаев, канд. техн. наук Р.Ф. Шарафутдинов).
1.1 Настоящий свод правил распространяется на проектирование, реконструкцию, капитальный ремонт, строительство и эксплуатацию коммуникационных коллекторов.
1.2 Настоящий свод правил не распространяется на каналы и тоннели, предназначенные для прокладки отдельных инженерных коммуникаций, при отсутствии внутренних инженерных систем и необходимости их эксплуатации.
В настоящем стандарте использованы нормативные ссылки на следующие документы:
ГОСТ 2.601-2013 Единая система конструкторской документации. Эксплуатационные документы
ГОСТ 12.1.004-91 Система стандартов безопасности труда. Пожарная безопасность. Общие требования
ГОСТ 12.1.030-81 Система стандартов безопасности труда. Электробезопасность. Защитное заземление, зануление
ГОСТ 5781-82 Сталь горячекатаная для армирования железобетонных конструкций. Технические условия
ГОСТ 10060-2012 Бетоны. Методы определения морозостойкости
ГОСТ 12730.5-84 Бетоны. Методы определения водонепроницаемости
ГОСТ 23118-2012 Конструкции стальные строительные. Общие технические условия
ГОСТ 26342-84 Средства охранной, пожарной и охранно-пожарной сигнализации. Типы, основные параметры и размеры
ГОСТ 26633-2012 Бетоны тяжелые и мелкозернистые. Технические условия
ГОСТ 30852.0-2002 (МЭК 60079-0:1998) Электрооборудование взрывозащищенное. Часть 0. Общие требования
ГОСТ 31565-2012 Кабельные изделия. Требования пожарной безопасности
ГОСТ Р 52748-2007 Дороги автомобильные общего пользования. Нормативные нагрузки, расчетные схемы нагружения и габариты приближения
ГОСТ Р 53325-2012 Техника пожарная
СП 1.13130.2009 Системы противопожарной защиты. Эвакуационные пути и выходы (с изменением N 1)
СП 3.13130.2009 Системы противопожарной защиты. Система оповещения и управления эвакуацией людей при пожарах. Требования пожарной безопасности
СП 5.13130.2009 Системы противопожарной защиты. Установки пожарной сигнализации и пожаротушения автоматические. Нормы и правила проектирования (с изменением N 1)
СП 14.13330.2014 "СНиП II-7-81* Строительство в сейсмических районах" (с изменением N 1)
СП 15.13330.2012 "СНиП II-22-81* Каменные и армокаменные конструкции"
СП 18.13330.2011 "СНиП II-89-80* Генеральные планы промышленных предприятий"
СП 20.13330.2011 "СНиП 2.01.07-85* Нагрузки и воздействия"
СП 25.13330.2012 "СНиП 2.02.04-88 Основания и фундаменты на вечномерзлых грунтах"
СП 28.13330.2012 "СНиП 2.03.11-85 Защита строительных конструкций от коррозии" (с изменением N 1)
СП 30.13330.2012 "СНиП 2.04.01-85* Внутренний водопровод и канализация зданий"
СП 31.13330.2012 "СНиП 2.04.02-84* Водоснабжение. Наружные сети и сооружения" (с изменениями N 1, N 2)
СП 32.13330.2012 "СНиП 2.04.03-85 Канализация. Наружные сети и сооружения" (с изменением N 1)
СП 42.13330.2011 "СНиП 2.07.01-89* Градостроительство. Планировка и застройка городских и сельских поселений"
СП 43.13330.2012 "СНиП 2.09.03-85 Сооружения промышленных предприятий"
СП 45.13330.2012 "СНиП 3.02.01-87 Земляные сооружения, основания и фундаменты"
СП 47.13330.2012 "СНиП 11-02-96 Инженерные изыскания для строительства. Основные положения"
СП 52.13330.2011 "СНиП 23-05-95* Естественное и искусственное освещение"
СП 60.13330.2012 "СНиП 41-01-2003 Отопление, вентиляция и кондиционирование воздуха"
СП 61.13330.2012 "СНиП 41-03-2003 Тепловая изоляция оборудования и трубопроводов"
СП 63.13330.2012 "СНиП 52-01-2003 Бетонные и железобетонные конструкции. Основные положения" (с изменениями N 1, N 2)
СП 70.13330.2012 "СНиП 3.03.01-87 Несущие и ограждающие конструкции"
СП 71.13330.2011 "СНиП 3.04.01-87 Изоляционные и отделочные покрытия"
СП 72.13330.2011 "СНиП 3.04.03-85 Защита строительных конструкций и сооружений от коррозии"
СП 76.13330.2011 "СНиП 3.05.06-85 Электротехнические устройства"
СП 91.13330.2012 "СНиП II-94-80 Подземные горные выработки"
СП 103.13330.2012 "СНиП 2.06.14-85 Защита горных выработок от подземных и поверхностных вод"
СП 116.13330.2012 "СНиП 22-02-2003 Инженерная защита территорий, зданий и сооружений от опасных геологических процессов. Основные положения"
СП 124.13330.2012 "СНиП 41-02-2003 Тепловые сети"
Примечание - При пользовании настоящим сводом правил целесообразно проверить действие ссылочных документов в информационной системе общего пользования - на официальном сайте федерального органа исполнительной власти в сфере стандартизации в сети Интернет или по ежегодному информационному указателю "Национальные стандарты", который опубликован по состоянию на 1 января текущего года, и по выпускам ежемесячного информационного указателя "Национальные стандарты" за текущий год. Если заменен ссылочный документ, на который дана недатированная ссылка, то рекомендуется использовать действующую версию этого документа с учетом всех внесенных в данную версию изменений. Если заменен ссылочный документ, на который дана датированная ссылка, то рекомендуется использовать версию этого документа с указанным выше годом утверждения (принятия). Если после утверждения настоящего свода правил в ссылочный документ, на который дана датированная ссылка, внесено изменение, затрагивающее положение, на которое дана ссылка, то это положение рекомендуется применять без учета данного изменения. Если ссылочный документ отменен без замены, то положение, в котором дана ссылка на него, рекомендуется применять в части, не затрагивающей эту ссылку. Сведения о действии сводов правил целесообразно проверить в Федеральном информационном фонде технических регламентов и стандартов.
3.1 В настоящем своде правил применены следующие термины с соответствующими определениями:
3.1.1 аварийный выход: Совокупность объемно-планировочных и технических решений, обеспечивающих оперативный выход людей из коллектора на поверхность земли в случае возникновения чрезвычайной ситуации.
3.1.2
|
автоматизированное рабочее место; АРМ: Программно-технический комплекс автоматизированной системы, предназначенный для автоматизации деятельности определенного вида. [ГОСТ 34.003-90, статья 2.22] |
3.1.3 автоматическая насосная станция; АНС: Совокупность объемно-планировочных и технических решений, обеспечивающих сбор и принудительное удаление из коллектора случайных, аварийных и дренажных вод.
3.1.4 вентиляционная камера (здесь): Часть коллектора, предназначенная для размещения вентиляционного оборудования.
3.1.5 вентиляционная шахта: Часть коллектора - сооружение, состоящее из вентиляционного канала и вентиляционного киоска (оголовка), предназначенное для обеспечения воздухообмена между коллектором и атмосферой.
3.1.6 вентиляционный канал: Часть коллектора от камеры до вентиляционного оголовка или киоска, предназначенная для подачи или удаления воздуха.
3.1.7 вентиляционный киоск: Часть коллектора, отдельно расположенное или встроенное сооружение с дверью или без двери, предназначенное для забора или выброса воздуха из коллектора.
3.1.8 вентиляционный оголовок: Часть коллектора, отдельно расположенное или встроенное сооружение с люком (аварийным выходом) или без него, предназначенное для забора или выброса воздуха из коллектора.
3.1.9 вентиляционный участок: Часть коллектора, имеющая независимую систему вентиляции.
3.1.10 галерея (здесь): Подземное, горизонтальное или наклонное протяженное сооружение, соединяющее камеры или линейную часть коллектора с диспетчерским пунктом или входом в коллектор для инженерных коммуникаций, предназначенное для прохода обслуживающего персонала, а также для прокладки ответвлений коммуникаций при необходимости их обслуживания из коллектора.
3.1.11 диспетчерский пункт; ДП: Часть коллектора или отдельное сооружение, входящее в инфраструктуру коллектора, место расположения диспетчера и оборудования, имеющего органы управления и средства отображения и выдачи информации.
3.1.12
|
закрытый способ строительства: Способ строительства подземных сооружений без вскрытия земной поверхности над ними. [СП 21.13330.2012, пункт 3.11] |
3.1.13 камера: Часть коллектора, предназначенная для ввода/вывода коммуникаций, а также для размещения вентиляционной камеры, АНС, электрощитовой.
3.1.14 Исключен с 1 июля 2021 г. - Изменение N 1
3.1.15 Исключен с 1 июля 2021 г. - Изменение N 1
3.1.16 коллекторное хозяйство: Коллектор, здания и сооружения необходимые для эксплуатации коллекторов, внутренних инженерных систем коллекторов и инженерных сетей, прокладываемых в коллекторах.
Примечание - Включает в себя насосные, ДП, павильоны, камеры, дренажные устройства и т.п.
3.1.17 Исключен с 1 июля 2021 г. - Изменение N 1
3.1.18 линейная часть коллектора: Участок коллектора между камерами, включая углы поворота.
3.1.19 монтажный проем: Отверстие в перекрытии для обеспечения беспрепятственного перемещения крупногабаритного оборудования или укрупненных узлов конструкций к месту их монтажа или демонтажа.
3.1.20
|
обделка: Постоянная конструкция, закрепляющая выработку и образующая ее внутреннюю поверхность. [СП 21.13330.2012, пункт 3.19] |
3.1.21 Исключен с 1 июля 2021 г. - Изменение N 1
3.1.21а
|
основание сооружения: Массив грунта, взаимодействующий с сооружением. [СП 22.13330.2016, пункт 3.26] |
3.1.21б
|
общий (коммуникационный) коллектор: Подземное линейное сооружение для совместной прокладки (размещения) и обслуживания трубопроводов и кабелей различного назначения. [СП 249.1325800.2016, пункт 3.25] |
3.1.22
|
открытый способ строительства: Способ строительства подземных сооружений со вскрытием земной поверхности над ними. [СП 249.1325800.2016, пункт 3.27] |
3.1.23 отсек: Часть коллектора, выделенная противопожарными стенами и противопожарными перекрытиями или покрытиями, с пределами огнестойкости конструкции, обеспечивающими нераспространение пожара за границы пожарного отсека в течение всей продолжительности пожара.
3.1.24 предизолированный трубопровод: Трубопровод, изолируемый в заводских условиях.
3.1.25 система горизонтального транспорта; СГТ: Комплекс технических средств передвижения внутри коммуникационного коллектора, предназначенный для ведения осмотра коммуникаций, прокладываемых в коллекторе, и доставки персонала, материалов и оборудования к местам ремонта и повреждений, с возможностью аварийной эвакуации персонала до аварийных выходов.
3.1.26 Исключен с 1 июля 2021 г. - Изменение N 1
3.1.26а
|
трасса: Положение оси линейного сооружения (трубопровода, кабеля и др.), отвечающее ее проектному положению на местности. [СП 249.1325800.2016, пункт 3.44] |
3.1.27 электрощитовая: Помещение в коллекторе или наземное сооружение, к которому проложены электрические кабели от трансформаторной подстанции, предназначенное для размещения электрооборудования и подключения кабелей, питающих инженерное оборудование коллектора.
3.2 В настоящем своде правил применены следующие сокращения:
АО - аварийное освещение;
АСУД - автоматизированная система управления и диспетчеризации;
АСПС - автоматическая система пожарной сигнализации;
ВРУ - вводно-распределительное устройство;
ДЦ - диспетчерский центр;
ИИ - инженерные изыскания;
ИПД - извещатель пожарный дымовой;
ИПР - извещатель пожарный ручной;
ИСБ - интегрированная система безопасности;
КИП - контрольно-измерительный пункт;
МТПК - микротоннелепроходческий комплекс;
ОС - охранная сигнализация;
ПК - персональный компьютер;
ПО - программное обеспечение;
ПОС - проект организации строительства;
ППР - проект производства работ;
ПЦН - пульт централизованного наблюдения;
РО - рабочее освещение;
СВ - система видеонаблюдения;
СГЗ - сигнализация газовой защиты;
СКУД - система контроля управления доступом;
СУТЭ - система управления технической эксплуатацией;
ТП - трансформаторная подстанция;
ТПК - тоннелепроходческий комплекс;
ТПМК - тоннелепроходческий механизированный комплекс;
УВИП - устройства ввода идентификационных признаков;
УПУ - устройства преграждающие управляемые;
УУ - устройства управления;
ЦДП - центральный диспетчерский пункт.
4.1 Настоящий свод правил необходимо соблюдать на всех этапах жизненного цикла создания и эксплуатации коммуникационных коллекторов и элементов коллекторного хозяйства, а именно: административно-бытовых помещений, диспетчерских пунктов, насосных, павильонов, отдельно стоящих электрощитовых, камер, камер АНС, дренажных устройств и т.п.
4.2 Коллекторы по своему назначению подразделяются на общие, специализированные и промышленные. В общих коллекторах (городских и внутриквартальных) располагаются различные виды инженерных сетей. Специализированные коллекторы используют для прокладки одного вида инженерных сетей. Промышленные коллекторы характеризуются прокладкой различных коммуникаций, указанных в 6.2.1 и принадлежащих одной эксплуатирующей организации.
4.3 Проектирование коммуникационных коллекторов осуществляется на основании проектов планировки, архитектурно-планировочных решений и технико-экономических обоснований градостроительных решений.
4.4 Коммуникационные коллекторы следует проектировать с учетом перспективы прокладки в коллекторах дополнительных сетей, а также с возможностью увеличения диаметров/сечений действующих (проектируемых) сетей.
Перспективы прокладки дополнительных сетей и возможности увеличения диаметров или сечений действующих должны быть предусмотрены в схемах развития инженерной инфраструктуры и указаны в технических условиях потребителей услуг (владельцев или балансодержателей сетей) и задании на проектирование коммуникационных коллекторов.
4.5 Внутреннее инженерное оборудование следует проектировать с учетом перспективы присоединения дополнительных участков коммуникационных коллекторов к действующим в соответствии со схемой развития коллекторов.
Объем перспективного развития указывают в технических условиях потребителей услуг и задании на проектирование коммуникационных коллекторов.
4.6 Требования к инженерным изысканиям
4.6.1 Инженерные изыскания (ИИ) для строительства коллекторов выполняют в соответствии с требованиями [1], СП 47.13330, СП 249.1325800 и настоящего подраздела, сейсмичность района устанавливается в соответствии с СП 14.13330.
Дополнительные требования к результатам ИИ, выполняемых для реконструкции, технического перевооружения и капитального ремонта коллекторов, сетей их инженерного обеспечения и инженерных сетей, проложенных в коллекторах, проводимых внутри коллектора без вскрытия строительных конструкций и проведения земляных работ, определяются техническим заданием заказчика (застройщика) в зависимости от вида, технической сложности и конструктивных особенностей работ по реконструкции, техническому перевооружению и капитальному ремонту.
При аварийном ремонте коллекторов и сетей инженерного обеспечения коллекторов ИИ не требуются.
5.1 Общие требования к планово-высотному размещению коммуникационных коллекторов в условиях городской и сельской застройки определяют в соответствии с СП 42.13330.
Планово-высотное размещение и способы строительства (прокладки) коллекторов должны назначаться с учетом влияния строительства на окружающую застройку, который должен выполняться в соответствии с требованиями СП 249.1328500.
5.2 Размещение коллекторов в плане
5.2.1 Городские коллекторы в городской застройке следует размещать в пределах поперечных профилей улиц и дорог под тротуарами или разделительными полосами, а при отсутствии такой возможности - вдоль газонов и зеленых зон.
5.2.2 При проектировании внутриквартальных коллекторов не допускается их трассировка через земельные участки общеобразовательных организаций и дошкольных образовательных организаций. Коллекторы с собственными инженерными сетями детского сада и школы следует проектировать по кратчайшим расстояниям от подводящих инженерных сетей до здания, исключая прохождение под игровыми и спортивными площадками (рекомендуется прокладка со стороны хозяйственной зоны). Не допускается устройство смотровых колодцев на территориях площадок, проездов, проходов. Места их размещения на других территориях должны быть огорожены или выделены предупреждающими об опасности знаками.
5.2.3 При новом строительстве расстояния в плане от наружной грани строительных конструкций коллекторов до зданий, сооружений и инженерных сетей следует принимать с учетом оценки влияния, выполняемой согласно указаниям СП 249.1325800, и не менее приведенных в СП 42.13330.
5.2.4 При прокладке коллекторов по территории промышленных предприятий расстояния, указанные в 5.2.3, согласно СП 18.13330.
5.2.5 Уменьшение нормативных расстояний, указанных в СП 42.13330, возможно при обосновании и согласовании с организацией, эксплуатирующей коллектор, и регламентируется [4, раздел I, пункт 5].
5.2.6 Пересечение коллекторами подземных инженерных коммуникаций, линий метрополитена, железной или автомобильной дороги, а также трамвайных путей следует предусматривать под углом 90°. При обосновании допускается уменьшение угла пересечения, но не менее 60°.
В местах пересечения коллектора с линиями метрополитена или железных дорог трассу коллектора следует проектировать прямолинейными участками без углов поворота. Прокладка коллекторов с проложенными в нем тепловыми сетями над станционными сооружениями метрополитена не допускается.
Пересечение коллекторами трамвайных путей следует предусматривать на расстоянии от стрелок и крестовин не менее 4 м (в свету).
5.2.7 При пересечении коллекторами железных дорог наименьшие расстояния по горизонтали в свету, м, следует принимать:
10 - до стрелок и крестовин железнодорожного пути и мест присоединения отсасывающих кабелей к рельсам электрифицированных железных дорог;
20 - до стрелок и крестовин железнодорожного пути при просадочных грунтах;
30 - до мостов и других искусственных сооружений.
5.2.8 В местах пересечения с газопроводами не допускается прохождение газопроводов через строительные конструкции камер и линейных сооружений коллектора.
5.2.9 При пересечении коммуникационных коллекторов с сетями водопровода, бесканально проложенной теплосетью, канализации и газопроводами, расположенными над коллектором, при расстоянии от наружной грани перекрытия коллектора до трубопроводов 300 мм и менее (в свету), следует предусматривать устройство футляров на трубопроводах водопровода, канализации, бесканально проложенной теплосети и газа на длине 2 м по обе стороны от пересечения (в свету). На стальных футлярах следует предусматривать защитное покрытие от коррозии или применять футляры из коррозионно-стойких материалов, обеспечивающих защиту пересекаемых коммуникаций от механических повреждений.
5.2.10 В местах ввода и вывода инженерных коммуникаций и для размещения инженерного оборудования коллектора, включая оборудование электрощитовых, а также для устройства основного входа или выхода и других целей по трассе коллектора следует предусматривать размещение камер.
В стесненных условиях, при отсутствии возможности устройства камеры, следует предусматривать техническое решение, обеспечивающее возможность обслуживания, осмотра и ремонта размещенного там оборудования и инженерных сетей, а также возможность прохода персонала.
5.2.11 Ширина охранной зоны должна составлять 5 м в каждую сторону от наружных граней строительных конструкций коллектора для подземных сооружений и 15 м для наземных сооружений коллектора.
В охранной зоне коллектора запрещается проведение любых строительно-монтажных работ без согласования с эксплуатирующей организацией.
5.3 Размещение коллекторов в профиле
5.3.1 При новом строительстве расстояния по вертикали от наружной грани строительных конструкций коллекторов до зданий, сооружений и инженерных сетей следует принимать с учетом оценки влияния, выполняемой согласно указаниям СП 249.1325800.
5.3.2 Следует проектировать коллекторы мелкого заложения. Глубокое заложение коллекторов допускается в районах населенных пунктов с плотной застройкой при большой плотности подземных коммуникаций на глубине мелкого заложения коллекторов, а также при неблагоприятных для строительства коллекторов мелкого заложения геологических, экологических и гидрогеологических условиях.
5.3.3 Глубина заложения перекрытия коллектора должна быть не менее 0,7 м для коллектора с теплопроводами и не менее 1,0 м - без теплопроводов. При соответствующем обосновании допускается уменьшение высоты засыпки с устройством утепления конструкций коллектора.
Дополнительно при проектировании и выборе глубины заложения коллектора следует учитывать:
- глубину заложения коммуникаций и других сооружений, расположенных рядом и пересекаемых коллектором;
- температурный режим внутри коллектора;
- несущую способность строительных конструкций коллектора;
- инженерно-геологические условия.
5.3.4 При пересечении коллекторов с подземными пешеходными переходами коллекторы следует прокладывать ниже пешеходных переходов.
5.3.5 Пересекаемые коллектором подземные инженерные сети следует прокладывать выше или ниже строительных конструкций коллектора. При невозможности перекладки коммуникаций, как исключение, допускается пересечение внутреннего габарита коллектора самотечными коммуникациями или электрическими кабельными линиями напряжением до 35 кВ. При этом коммуникации должны быть заключены в футляр, длина которого на 1 м превышает наружные габариты коллектора в каждую сторону.
Минимальное расстояние от стенки футляра до коммуникаций и кабелей, проложенных в коллекторе, должно быть в свету не менее 0,15 м.
5.3.6 Уклон лотка коллектора должен обеспечивать самотечный отвод случайных, дренажных или аварийных вод в нижние точки профиля, оборудованные средствами водоудаления (самотечные водовыпуски в дождевую канализацию или автоматические насосные станции), при этом он должен составлять не менее 2‰, а максимальный уклон следует принимать не более 50‰. В случае прокладки в коллекторе теплопроводов уклон следует выбирать из условия отсутствия проскальзывания трубопроводов тепловых сетей на опорных конструкциях.
5.3.7 При пересечении коллектора с линиями метрополитена или железных дорог профиль коллектора следует проектировать одним уклоном за пределы сооружения. Устройство нижних точек в местах пересечения коллектора с линиями метрополитена, железных дорог и подземных пешеходных переходов не допускается.
5.3.8 Футляры на пересекаемых коммуникациях, устраиваемые в соответствии с 5.2.9, следует размещать над или под коллектором с расстоянием не менее 0,1 м от наружной грани строительной конструкции коллектора до наружной грани футляра или обоймы, при этом следует соблюдать расстояния не менее указанных в СП 42.13330.
5.3.9 При прокладке инженерных сетей, пересекающих коллекторы, методом горизонтально-направленного бурения минимальные расстояния между строительными конструкциями коллектора и инженерными сетями следует увеличивать относительно расстояний, приведенных в СП 42.13330, на 0,3 м.
5.4 Размещение коллекторов в населенных пунктах
5.4.1 При выборе трассы коллектора следует учитывать необходимость размещения наземных сооружений, входящих в состав коллекторного хозяйства, а именно:
- вентиляционных оголовков;
- вентиляционных киосков;
- ДП;
- электрощитовых;
- входов и выходов в подземную часть коллектора;
- смотровых и монтажных люков;
- аварийных и эвакуационных выходов.
5.4.2 Вентиляционные оголовки, вентиляционные киоски, входы и выходы в подземную часть коллектора следует размещать вне проезжей части на газонах и в зеленых зонах, а смотровые и монтажные люки - по возможности вне проезжей части на газонах и в зеленых зонах.
5.4.3 Расстояние между решетками приточного и вытяжного вентиляционного оголовка или вентиляционного киоска должно быть не менее 3 м.
Уменьшение расстояния между приточным и вытяжным оголовком (киоском) допускается при соответствующем обосновании в стесненных условиях и устройстве вентиляционных оголовков (киосков), обеспечивающем исключение перетока воздуха из вытяжного оголовка в приточный.
Расстояние от вентиляционного оголовка или вентиляционного киоска до хранилищ нефти и газа, складов лесоматериалов и других пожароопасных и взрывоопасных объектов должно быть не менее 50 м.
Расстояние от подземных емкостей раздаточных колонок автомобильных заправочных станций до коллектора должно быть не менее 10 м, а до вентиляционного оголовка или вентиляционного киоска не менее 20 м.
5.4.4 Расстояние от головки трамвайного рельса до вентиляционного оголовка или вентиляционного киоска с аварийным выходом следует принимать не менее 2,0 м, то же для рельса железной дороги - 4,0 м.
5.4.5 Монтажные проемы и аварийные выходы следует располагать на расстоянии не менее 5 м от зданий и сооружений и не менее чем 2 м от камер и колодцев.
5.4.6 Размещение диспетчерских пунктов и требования к их объемно-планировочным решениям, а также к архитектурным решениям приведены в 11.4.
6.1.1 Конструкция коллектора на всем протяжении своего жизненного цикла должна отвечать требованиям безопасности в соответствии с [3], СП 43.13330, СП 63.13330, ГОСТ 27751, СП 249.1325800, СП 250.1325800.
6.2.1.1 Коллекторы предназначены для прокладки следующих сетей инженерного обеспечения: тепловых водяных и паровых сетей, водопроводных сетей, силовых электрических кабельных линий, кабелей связи и контрольных кабелей, трубопроводов сжатого воздуха давлением до 1,6 МПа, холодопроводов и трубопроводов напорной канализации.
Напорные канализационные сети и холодопроводы допускается прокладывать в коллекторах при наличии технико-экономического обоснования и технических условий на прокладку таких коммуникаций в коммуникационных коллекторах.
6.2.1.2 Тепловые водяные сети, сети водопровода, электрические кабельные линии до 35 кВ, кабели связи и трубопроводы сжатого воздуха с рабочим давлением не более 1,6 МПа прокладывают в коммуникационных коллекторах в любом сочетании.
6.2.1.3 Совместная прокладка в коммуникационном коллекторе силовых кабельных линий с паропроводами не допускается.
6.2.1.4 Прокладку паровых тепловых сетей или паропроводов следует предусматривать в сечении, отдельном от основного сечения коллектора, соединенным с основным.
Расстояния между местами соединений сечений коллектора не должны превышать 140 м.
6.2.1.5 Инженерные коммуникации в коммуникационном коллекторе следует располагать с одной или двух сторон от прохода.
Ширина прохода в свету между крайними трубопроводами или кабельными линиями должна быть равна наружному диаметру наибольшего трубопровода, в том числе и предизолированного, проложенного в коллекторе, плюс 0,1 м, но не менее 0,9 м.
Ширина прохода при двустороннем размещении силовых кабельных линий должна быть не менее 1,0 м.
Уменьшение ширины прохода до 0,5 м на протяжении не более 1,5 м возможно при обосновании и согласовании с организацией, эксплуатирующей коллектор.
Высота прохода в линейной части коллектора должна быть не менее 1,8 м. Как исключение, при пересечении коммуникаций, не подлежащих перекладке, или при наличии естественных преград допускается уменьшение высоты прохода до 1,6 м на протяжении не более 2 м.
6.2.1.6 Минимальные расстояния между строительными конструкциями и трубопроводами и соседними коммуникациями следует принимать в соответствии с [4] и приложением Б.
6.2.1.7 Ширину прохода в коммуникационном коллекторе при использовании горизонтальной системы транспорта следует выбирать в соответствии с требованиями раздела 9.
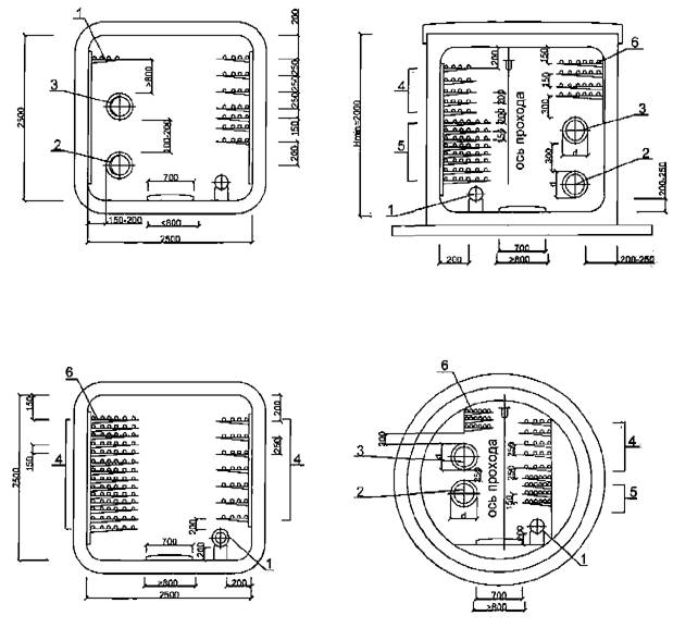
6.2.1.8 Примеры сечений коммуникационных коллекторов приведены на рисунке Г.1 приложения Г.
6.2.2.1 Тепловые сети в коллекторах следует проектировать в соответствии с положениями настоящего пункта с учетом требований СП 124.13330.
6.2.2.2 Трубопроводы тепловой сети следует располагать друг над другом в два яруса, при этом подающий трубопровод прокладывают в нижнем ярусе.
При обосновании допускается расположение трубопроводов тепловой сети в одном ярусе, при этом должна быть обеспечена возможность осмотра, диагностики и ремонта трубопроводов.
Допускается прокладка над трубопроводами тепловой сети на одной стороне коллектора кабелей связи и кабелей собственных нужд.
6.2.2.3 Опорные конструкции трубопроводов тепловой сети следует предусматривать железобетонными или металлическими. Опорные конструкции должны быть конструктивно связаны со строительными конструкциями коллектора.
Применяемые опоры должны быть диэлектрическими.
6.2.2.4 Минимальные расстояния от трубопроводов тепловой сети до строительных конструкций и смежных коммуникаций следует принимать с учетом требований СП 124.13330.
6.2.2.5 При разработке проектной документации на капитальный ремонт и реконструкцию тепловых сетей с использованием ранее возведенных строительных конструкций коллектора и опор тепловой сети следует проводить предпроектное обследование таких конструкций в целях определения возможности их использования на весь срок службы ремонтируемой (реконструируемой) сети.
При изменении диаметра трубопроводов тепловой сети следует проводить поверочный расчет неподвижных опор с учетом изменения нагрузки.
6.2.2.6 Трубопроводы тепловой сети, прокладываемые в коллекторе, должны иметь тепловую изоляцию. Тип и толщину изоляции следует выбирать с учетом требований СП 61.13330, СП 124.13330 и раздела 13.
6.2.2.7 Узлы управления, ответвления и другое оборудование, устанавливаемое на тепловых сетях, проложенных в коллекторе, следует размещать в камерах. Габариты камер следует проектировать во взаимной увязке с другими коммуникациями, проложенными в коллекторе, и в соответствии с требованиями СП 124.13330.
6.2.2.8 Трубопроводы тепловых сетей, прокладываемые в коллекторе, должны быть защищены от коррозии. Мероприятия по защите трубопроводов должны удовлетворять требованиям раздела 13 СП 124.13330.2012.
6.2.2.9 П-образные компенсаторы тепловых сетей следует размещать в нишах за пределами линейной части коллектора, а при невозможности устройства ниш - размещать П-образные компенсаторы внутри строительных габаритов линейной части коллектора, при этом поперечно проложенные трубопроводы тепловой сети должны быть оборудованы переходными мостиками в соответствии с требованиями 11.2.
6.2.2.10 Каналы тепловых сетей, примыкающие к коллекторам, следует проектировать с уклоном от коллектора.
6.2.3.1 Водопроводные сети в коллекторах следует проектировать в соответствии с положениями настоящего пункта с учетом требований СП 31.13330.
6.2.3.2 Трубопроводы водопроводной сети следует прокладывать с одной стороны от прохода совместно с кабелями связи и силовыми кабельными линиями.
Прокладка водопроводных сетей над трубопроводами тепловой сети не допускается.
6.2.3.3 Трубопроводы, прокладываемые в коллекторе, следует располагать на бетонных, железобетонных или металлических опорных конструкциях. Необходимость наличия конструктивной связи между опорными конструкциями и строительными конструкциями коллектора определяют расчетом.
Опоры должны быть из диэлектрического материала.
6.2.3.4 Материал трубопроводов водопроводной сети следует выбирать в соответствии с заданием на проектирование, техническими условиями эксплуатирующей организации и с учетом требований СП 31.13330.
6.2.3.5 Минимальные расстояния от трубопроводов водопроводной сети до строительных конструкций и смежных коммуникаций следует принимать по приложению Б с учетом требований СП 31.13330. Уменьшение расстояний допускается в случае проведения реконструкции трубопроводов в действующих коллекторах с учетом обеспечения требований 6.1.1.
6.2.3.6 Узлы управления, ответвления, гидранты и другое оборудование, устанавливаемое на сетях водопровода, проложенных в коллекторе, следует размещать в камерах за пределами коллектора. Габариты камер следует проектировать во взаимной увязке с другими коммуникациями, проложенными в коллекторе, и в соответствии с приложением Б и требованиями СП 31.13330.
Трубопроводы водопровода и пола камер следует проектировать с уклоном от коллектора.
В местах прохода трубопроводов через стенку коллектора должны быть предусмотрены гильзы с манжетами стенового ввода или другие устройства, обеспечивающие гидро- и газогерметизацию узла ввода.
6.2.3.7 В зависимости от температурного режима в коллекторе водопроводные сети следует теплоизолировать.
Теплоизоляции подлежат водопроводные сети на 15-метровом участке трубопровода до и после вентиляционного канала. Дополнительно трубопроводы водопровода следует изолировать при больших тепловыделениях в коллекторе и возможности нагрева водопроводной воды до 20°С. Необходимость применения изоляции, ее тип и конструкцию определяют в соответствии с требованиями СП 61.13330 и СП 31.13330, раздела 13, а также норм пожарной безопасности.
6.2.3.8 Трубопроводы водопроводных сетей, прокладываемых в коллекторе, должны быть стальными защищенными от коррозии или выполняться из негорючего коррозионно-стойкого материала.
Изоляцию водопроводных сетей следует выполнять в соответствии с требованиями раздела 10.
6.2.4.1 Проектирование и прокладку электрических кабельных линий в коллекторах следует вести в соответствии с правилами [4], [6], [7] и требованиями настоящего пункта.
В коллекторах кабельные линии рекомендуется прокладывать целыми строительными длинами, а размещение кабельных линий следует проводить в соответствии с изложенными ниже требованиями.
Силовые кабельные линии следует размещать только над или только под контрольными кабелями. В местах пересечения и ответвления допускается прокладка контрольных кабелей и кабелей связи над и под силовыми кабельными линиями.
Силовые кабельные линии с контрольными кабелями и кабелями связи разделяются горизонтальной перегородкой с пределом горючести EI 15 по [5].
Допускается прокладка контрольных кабелей рядом с силовыми кабельными линиями напряжением до 1 кВ.
Силовые кабельные линии напряжением до 1 кВ рекомендуется прокладывать над кабельными линиями выше 1 кВ; при этом их следует отделять противопожарной перегородкой с пределом горючести EI 15 по [5].
Различные группы кабельных линий: рабочие и резервные кабельные линии выше 1 кВ от генераторов, трансформаторов и т.п., питающие электроприемники категории I, следует прокладывать на разных горизонтальных уровнях и разделять противопожарными перегородками.
6.2.4.2 Силовые кабельные линии прокладывают в коллекторах по металлическим конструкциям.
Кабельные металлоконструкции следует устанавливать в соответствии с проектной (расчетной) пропускной способностью коллектора на этапе строительства до ввода в эксплуатацию.
Кабельные металлические конструкции монтируют из направляющего кронштейна (стойка, кабель-рост) и консоли (полки). Направляющие кронштейны кабельных металлоконструкций крепят к строительным конструкциям коллектора и закладным деталям болтовым соединением или путем сварки к стеновым и потолочным конструкциям фундаментными, анкерными болтами. Кабельные металлические консоли крепят болтовым соединением к стойкам, они должны иметь конструкцию, предотвращающую сползание кабельной линии.
Трасса для прокладки кабельных линий должна исключать острые кромки конструкции. Горизонтальные потоки силовых кабельных линий разделяют противопожарными перегородками с пределом огнестойкости не менее EI 15 по [5]. В случае применения автоматического пожаротушения с использованием воздушно-механической пены или распыленной воды перегородки допускается не устанавливать.
Следует применять стальные горячекатаные равнополочные консоли (полки) толщиной не менее 5 мм.
6.2.4.3 Расстояние между соседними опорными конструкциями (стойками, направляющими, кронштейнами) для размещения кабельных линий по длине сооружения должно составлять 0,8-1,0 м.
6.2.4.4 Минимальные расстояния по вертикали между консолями следует принимать в соответствии с приложением Б и требованиями [4].
6.2.4.5 В местах ответвлений кабельных линий следует предусматривать камеры. Габариты камер следует проектировать в зависимости от типа прокладываемого кабеля и обеспечения разводки кабелей радиусом не менее 25 их диаметров или радиусом изгиба не менее допустимого по техническим условиям на соответствующие кабели, а также с учетом установки индукционных катушек, необслуживаемых регенерационных пунктов с учетом обеспечения проходов для персонала, указанных в 6.2.1.5.
6.2.4.6 Электрические кабельные линии большего напряжения следует располагать ниже кабельных линий меньшего напряжения.
При размещении на полке кабельных линий разных марок и сечений расстояние между ближайшими кабельными линиями следует предусматривать не менее диаметра кабеля наибольшего сечения, а на вертикальных участках трассы кабельных линий - не менее полутора диаметров кабельной линии наибольшего сечения.
6.2.4.7 Ввод и вывод кабельных линий в коммуникационные коллекторы осуществляются в один или два ряда при числе кабелей в каждом ряду не более шести. Расстояние между кабелями должно составлять не менее 0,1 м.
6.2.4.8 Глубину заложения силовых кабелей в местах ввода (вывода) из коллектора следует принимать не более 1,5 м. Увеличение глубины заложения допускается в виде исключения при соответствующем обосновании, но не более 3,0 м.
6.2.4.9 Силовые электрические кабельные линии в коммуникационных коллекторах должны быть проложены без натяжения и провисов (прокладка "змейкой" не допускается).
6.2.4.10 Крепление кабельных линий к кабельным конструкциям следует предусматривать:
- в местах установки соединительных муфт;
- с обеих сторон от углов поворота;
- через каждые 10 м по всей протяженности трассы прокладки кабелей в коллекторе;
- в местах ввода и вывода кабелей из коллектора;
- при вертикальной прокладке кабелей в местах подъема и понижения коллектора.
Кабельные линии, прокладываемые вертикально по конструкциям и стенам, должны быть закреплены на каждой кабельной конструкции не реже чем через 1,0 м.
6.2.4.11 Кабельные линии, прокладываемые в коллекторе, подлежат маркировке. Маркировку кабельных линий выполняют с помощью бирок с нанесением соответствующего диспетчерского наименования, сечения и марки кабельной линии.
Бирки на кабельных линиях в общем случае размещают через каждые 50 м по всей протяженности прокладки кабелей в коллекторе, в местах изменения положения кабельных линий на полках, с каждой из сторон противопожарной перегородки или муфты и в местах ввода и вывода кабельных линий из коллектора, при наличии в коллекторе пикетов - под указателями каждого пятого пикета (при расстоянии между пикетами, равном 10 м) или каждого второго (при расстоянии между пикетами 20 м).
Маркировка кабелей должна начинаться от характерных точек (ДП, входов в коллектор, вводов кабельных линий, пикетов) и иметь точку отсчета.
Бирки на кабелях должны быть сгруппированы для удобства осмотра и контроля.
6.2.4.12 Кабельные муфты следует размещать по центру между консолями, при этом муфты, располагаемые в одном кабельном потоке, должны быть на расстоянии не менее 2 м друг от друга.
Не допускается монтаж соединительных и переходных муфт на поворотах, на наклонных и зауженных участках коллектора, под монтажными люками, на кабель-ростах, в местах спуска и подъема, на расстоянии не менее 2 м от кабельного ввода в коллектор, а также в кабельных сооружениях центров питания.
6.2.5.1 Проектирование и прокладку кабелей связи следует вести в соответствии с положениями настоящего пункта и нормами проектирования сетей связи.
Кабели связи следует размещать только под силовыми кабельными линиями; при этом их следует отделять противопожарными перегородками с пределом огнестойкости не менее EI 15 по [5].
6.2.5.2 Кабели связи прокладывают в коллекторах непосредственно на консолях, расстояние между консолями по длине коллектора должно быть 0,8-1,0 м.
6.2.5.3 Для ввода в коммуникационный коллектор канализационно-кабельных сооружений связи устраивают камеры с устройством люков для обслуживания кабелей связи. Трубопровод кабельной канализации вводят через гильзы с установкой уплотнителей, обеспечивающих герметичность ввода и защиту коллектора от поступления воды и газов в коллектор.
Габариты камер следует проектировать в зависимости от типа прокладываемого кабеля и обеспечения разводки кабелей радиусом не менее 15 их диаметров или радиусом изгиба не менее допустимого по техническим условиям на соответствующие кабели.
6.2.5.4 Ввод кабелей связи в коммуникационные коллекторы, сооружаемые с заглублением более 3 м до верха несущих конструкций, осуществляется через вертикальные опускные камеры, оборудованные смотровыми люками.
6.2.5.5 В коллекторах допускается прокладка как кабелей с металлическими жилами, так и оптических кабелей в исполнении нг*-LS по ГОСТ 31565-2012.
6.2.5.6 Кабели связи следует прокладывать целыми строительными длинами в пучках диаметром не более 100 мм.
6.2.5.7 Крепление, маркировки кабелей связи и установку муфт следует предусматривать аналогично 6.2.4.10, 6.2.4.11, 6.2.4.12 соответственно.
6.2.5.8 Емкость кабелей связи, прокладываемых в коллекторах, и соответствующее ей число полок для размещения кабелей связи следует выбирать с учетом наличия абонентов и перспектив изменения их числа в соответствии с градостроительными решениями.
6.3.1 Сечение коллектора следует выбирать на стадии проектирования в соответствии с заданием на проектирование, с учетом градостроительных, геологических, гидрогеологических условий строительства и методов производства работ.
6.3.2 Коллектор, сооружаемый открытым способом, как правило, проектируют прямоугольным из монолитного железобетона или из железобетонных унифицированных элементов заводского изготовления, а также комбинированным. Прямоугольные тоннели состоят из лотка, стен и перекрытия.
При этом габариты сечения следует определять в соответствии с 6.1, 6.2, а конструкцию линейной части - в соответствии с требованиями 11.1.
При необходимости устройства коллектора большей ширины, чем максимальный однопролетный, применяют двух- и трехпролетные конструкции из аналогичных конструктивных элементов, как и для примыкающих однопролетных коллекторов. Сечения элементов двух- и трехпролетных конструкций коллекторов приведены в приложении Г.
6.3.3 В местах изменения сечения коллектора следует устраивать камеры сопряжения.
6.4.1 Камеры на коллекторах сооружают в местах устройства ответвлений коммуникаций и установки оборудования, требующего обслуживания.
6.4.2 При проектировании камер их габариты следует выбирать из условия наличия проходов для обслуживания оборудования и осмотра коммуникаций и опорных конструкций. Минимальные расстояния приведены в приложении Б.
6.4.3 Высоту камер в свету от уровня пола до низа выступающих конструкций следует принимать не менее 2 м. Допускается местное уменьшение высоты камеры до 1,8 м.
6.4.4 Камеры, ниши, камеры колодцев и узлы разветвления коллекторов необходимо выполнять из элементов, применяемых для коллекторов с незначительными конструктивными изменениями.
7.1.1 Внутреннее инженерное оборудование коллекторов должно обеспечивать:
- безаварийную эксплуатацию коммуникационных коллекторов;
- выполнение требований санитарных норм и правил, связанных с пребыванием эксплуатирующего персонала в коллекторе и помещениях коллекторного хозяйства;
- выполнение правил охраны труда рабочих в период эксплуатации коллекторов и инженерных коммуникаций, проложенных в коллекторах;
- ресурсосбережение и энергосбережение.
7.1.2 При соответствующем обосновании и при наличии требований к проектированию СКУД, СВ, СГТ в составе задания проектирования на объект их предусматривают в коллекторах.
7.2.1 В коллекторах следует предусматривать приточно-вытяжную естественную вентиляцию, при этом для городских коллекторов допускается дополнительно предусматривать принудительную вентиляцию.
Система вентиляции должна исключать возможность скопления взрывоопасных газов во внутреннем объеме коллектора.
7.2.2 Вентиляция должна обеспечивать как в зимнее, так и летнее время температуру воздуха в коллекторах не выше 30°С и не ниже 5°С.
Для достижения указанных параметров следует использовать автоматическое включение вентиляторов для снижения температуры, определяемой датчиками, установленными в коллекторе, и автоматическим закрытием воздушных клапанов для повышения температуры.
В случае мелкого заложения коллекторов и невозможности соблюдения минимальной температуры воздуха в коллекторе в вентиляционных камерах следует размещать оборудование, обеспечивающее нагрев приточного воздуха.
7.2.3 Расчет системы вентиляции и отопления следует проводить в соответствии с техническими условиями эксплуатирующей организации с учетом тепловыделения от сетей, проложенных в коллекторе.
7.2.4 Производительность вентиляционной установки должна обеспечивать трехкратный воздухообмен в час, полученный в расчетные периоды года.
Трехкратный воздухообмен в коммуникационном коллекторе должен быть обеспечен в периоды проведения осмотров эксплуатирующим персоналом в соответствии с регламентами обслуживания и стандартами эксплуатирующей организации.
7.2.5 Вентиляционные установки коммуникационных коллекторов должны быть оснащены как дистанционным управлением из ДП, так и управлением на месте.
При этом должно обеспечиваться автоматическое включение вентиляционных установок от СГЗ.
7.2.6 Основанием для выбора вентиляционных установок является проведение теплотехнического и аэродинамического расчетов.
Граничными условиями при этом являются:
- протяженность отсека;
- аэродинамическое сопротивление отсека;
- сечение отсека, за исключением объема трубопроводов и оборудования, установленного в отсеке;
- наличие тепловыделяющих трубопроводов и оборудования.
7.2.7 Вентиляторы следует размещать в отдельных вентиляционных камерах; при совмещении вентиляционных камер и аварийных выходов вентиляционное оборудование должно быть огорожено с обеспечением свободного аварийного прохода.
Ширина прохода при этом должна быть не менее 0,9 м, а высота - не менее 1,5 м.
7.2.8 Вентиляционные камеры должны быть оснащены металлической дверью с уплотнением.
7.2.9 Вентиляционные приточные и вытяжные шахты должны иметь уклон в сторону коллектора с организацией стока воды в лоток коллектора. При этом попадание отводимой воды на коммуникации, проложенные в коллекторе, не допускается.
7.2.10 Угол между осью вентилятора и коллектора не должен превышать 45°.
7.2.11 В случае наличия протяженных участков и невозможности обеспечения вентиляции участка с помощью одного вентилятора допускается установка второго перегонного вентилятора, работающего на вытяжку. При таком расположении вентиляторов их работа должна быть синхронизирована и не допускать работы перегонного вентилятора без приточного.
7.3.1 Для обеспечения хозяйственных нужд водой (поливка, ремонтные работы, промывка коллектора и т.п.) в коллекторе может предусматриваться водопровод собственных нужд.
7.3.2 Водопровод собственных нужд коллекторов следует проектировать в соответствии с требованиями СП 31.13330 и настоящего свода правил.
7.3.3 При наличии в коллекторе внутренней водопроводной магистрали следует предусматривать врезку водоразборных кранов в водопроводную магистраль через 100 м.
7.3.4 Системы канализации в линейных сооружениях коммуникационных коллекторов размещают при наличии технических условий эксплуатирующей организации. Канализование предусматривается только для зданий ДП.
7.3.5 Внутренние системы водоснабжения и канализации следует проектировать в соответствии с требованиями СП 30.13330 и настоящего свода правил.
7.3.6 Наружные сети канализации и сооружения на них для подключения внутренних систем коллектора следует проектировать в соответствии с требованиями СП 32.13330.
7.4.1 В коллекторе необходимо предусматривать систему самотечного сбора воды в приямки, размещаемые в пониженных точках трассы коллектора, при этом исключив промерзание воды в лотках и приямках в холодный период года.
7.4.2 Для отвода воды из приямков в дождевую канализацию следует предусматривать АНС или самотечные водовыпуски.
7.4.3 В АНС коллектора необходимо предусматривать не менее трех погружных (два рабочих и один резервный) насосов, а в АНС коллектора с теплопроводами - дополнительно два насоса в отдельном приямке (емкости) для опорожнения теплопроводов.
Проектировать АНС для коллекторов с теплопроводами следует в соответствии с требованиями СП 124.13330.
Дренажные АНС, служащие для перекачки случайных вод в приемные резервуары сбросных АНС, допускается комплектовать двумя погружными насосами (рабочий и резервный).
При выборе насосов для АНС коллектора без теплопроводов следует устанавливать одинаковую мощность рабочих и резервных насосов, рассчитанную на максимальное поступление случайных и аварийных вод в объем коллектора на участке установки АНС.
7.4.4 В АНС коллектора на напорных участках трубопровода водовыпуска следует предусматривать запорную арматуру и обратные клапаны. Присоединение напорных трубопроводов к дождевой канализации необходимо предусматривать через водобойный колодец.
7.4.5 В коллекторе с самотечным водовыпуском диаметр трубопровода необходимо определять расчетом, при этом диаметр трубопровода не должен быть менее 150 мм.
Для самотечного водовыпуска отметка дна приямка должна быть выше верха трубы дождевой канализации. Уклон водовыпуска от приямка до канализации следует принимать не менее 5‰. При этом в приямке следует предусматривать гидрозатвор с обратным клапаном. Для опорожнения теплопроводов необходимо предусматривать отдельные водовыпуски в водобойный колодец. Не допускается предусматривать сброс сетевой воды от теплопроводов в лоток и в приямки коллектора.
7.4.6 В АНС коллектора для приямка следует предусматривать перекрытие из съемных чугунных решеток или металлических решеток с антикоррозийным покрытием, обеспечивающим срок их службы не менее 30 лет.
Объем приямка следует определять, исходя из условия обеспечения непрерывной продолжительности работы одного погружного насоса при опорожнении приямка в течение не менее 1 мин.
7.4.7 В АНС коллектора включение и выключение погружных насосов следует предусматривать в автоматическом режиме, а также вручную - непосредственно в месте их установки.
Автоматическое включение и выключение насосов АНС следует предусматривать от датчиков уровня воды. При этом устройства, формирующие сигнал управления насосами, располагаются в приямке на разных уровнях, которые определяют исходя из объема приямка, мощности насоса и требования непрерывной работы насоса не менее 1 мин.
Включение и выключение насосов для опорожнения теплопроводов необходимо предусматривать вручную - непосредственно в месте их установки.
7.4.8 Насосы в водоприемной камере АНС допускается располагать на разных уровнях. При расположении насосов на разных уровнях датчики уровня располагают на соответствующих уровнях всасывающих патрубков насосов.
7.4.9 Насосное оборудование, устанавливаемое в АНС, должно иметь следующие защитные функции, необходимость которых определяется эксплуатирующей организацией:
- наличие плавного пуска и плавной остановки двигателя (снижение пусковых токов, гидроударов, продление срока службы рабочих колес и подшипников);
- контроль рабочих токов системы;
- контроль напряжения питающей сети;
- контроль чередования фаз;
- контроль ресурса каждого насоса системы;
- контроль времени регламента технического обслуживания каждого насоса;
- автоматический перезапуск насосов при пропадании напряжения;
- автоматический контроль чередования работы насосов (равномерное распределение нагрузки и износа);
- контроль пусковых токов;
- защита насосов от аварийного простоя (регулярное автоматическое проворачивание насосов);
- наличие защиты от тепловой перегрузки;
- наличие защиты от токовой перегрузки;
- наличие защиты от токовой недогрузки;
- наличие защиты при коротком замыкании;
- наличие защиты оборудования при замыкании на "землю";
- наличие защиты от "сухого хода";
- контроль и защита от влаги в двигателе насоса;
- наличие системы уведомлений об авариях и отказах;
- ведение автоматического журнала событий всей системы.
7.4.10 Напорную линию дренажных трубопроводов АНС следует оснащать ревизионными вентилями.
В случаях размещения напорных дренажных линий АНС в коллекторах без теплопроводов допускается устройство греющего кабеля для дренажных трубопроводов.
7.5.1 Коммуникационные коллектора следует относить к потребителям категории надежности электроснабжения II, если другое не предусмотрено заданием на проектирование.
При этом системы охранной сигнализации, сигнализации загазованности, диспетчерского управления, оперативной связи и автоматической системы пожарной сигнализации по обеспечению надежности электроснабжения следует относить к потребителям категории I по [4].
7.5.2 Электроснабжение электроприемников собственных нужд коллекторов следует выполнять в соответствии с [4], питание - от источников трехфазного переменного тока напряжением 380/220 В с глухозаземленной нейтралью.
7.5.3 Прокладку взаиморезервирующих кабелей в коллекторе от ТП до электрощитовой необходимо предусматривать по разным сторонам коллектора. Допускается прокладка кабелей по одной стороне коллектора с использованием горизонтально разделительной перегородки с пределом огнестойкости не менее EI 15 по [5].
7.5.4 Электроснабжение потребителей коллектора необходимо предусматривать от электрощитовой. Размещение электрощитовой следует предусматривать в ДП или на верхнем этаже в одной из камер коллектора.
7.5.5 В электрощитовой коллектора следует предусматривать установку приборов учета потребляемой электроэнергии.
7.5.6 В коллекторах должны быть предусмотрены электрическое освещение и сеть для питания переносных светильников и электроинструмента. Электрическое освещение должно быть выполнено в соответствии с [4, раздел 6] и СП 52.13330. Рекомендуется выполнять освещение от двух независимых источников с чередованием подключения светильников к обоим источникам.
7.5.7 Прокладку кабелей следует выполнять в соответствии с [4, глава 2.2] и СП 76.13330. При совместной прокладке кабелей с трубопроводами тепловой сети предусматривают защиту кабелей от нагрева.
7.5.8 Электрооборудование в коллекторе следует предусматривать со степенью защиты не менее IP54, в электрощитовых коллектора - не менее IP44 в соответствии с [4].
7.5.9 Управление аварийным освещением коллектора следует предусматривать из ДП.
7.5.10 Сеть аварийного освещения не должна иметь штепсельных розеток, к сети аварийного освещения не допускается присоединение переносных трансформаторов и других видов нагрузки, не относящихся к этому виду освещения.
7.5.11 Питание светильников, требующих применения напряжения 42 В и ниже, от автотрансформаторов запрещается.
7.5.12 Аварийное освещение выполняется из светильников взрывогазозащищенного исполнения. Аварийные светильники устанавливают на расстоянии не более 50 м друг от друга, а также в местах поворотов (изгибах) коллектора и не менее одного на каждое помещение. Сеть аварийного освещения включается дистанционно, путем запитки фидера. Допускается также местное включение фидера.
Рабочее освещение выполняется светильниками с закрытым корпусом со степенью защиты не менее IP54. При установке на высоте менее 2 м светильники следует оснащать ударопрочным плафоном или защитной сеткой. Светильники РО устанавливают на расстоянии не более 10 м друг от друга с учетом светильников АО, не менее одного светильника на каждое помещение. Включение каждой группы РО должно осуществляться выключателем, установленным у каждого входа в отсек (помещение).
Расстановка светильников рабочего и аварийного освещения должна обеспечивать нормы освещенности в соответствии с СП 52.13330.
7.5.13 При проектировании сетей освещения следует применять энергосберегающие светодиодные лампы или ленты.
При применении светодиодных лент для РО допускается их использование в качестве аварийного освещения.
7.5.14 Все оборудование собственных нужд, устанавливаемое в коллекторе, в том числе распаячные коробки, должно иметь степень защиты не менее IP54 в соответствии с [4].
Допускается применение оборудования с меньшим IP при установке его в помещении электрощитовой.
7.5.15 ВРУ оборудования коллектора следует применять с исполнением по двухсекционной схеме, с секционным автоматическим переключателем и выводом сигнала на АРМ диспетчера о наличии/отсутствии напряжения на вводах.
7.5.16 Для защиты от поражения электрическим током в случае повреждения изоляции должны быть применены по отдельности или в сочетании следующие меры защиты при косвенном прикосновении: защитное заземление, автоматическое отключение питания, уравнивание потенциалов, выравнивание потенциалов, двойная или усиленная изоляция, сверхнизкое (малое) напряжение, защитное электрическое разделение цепей, изолирующие (непроводящие) помещения, зоны, площадки.
7.5.17 Расчет и выбор видимого проводника внутреннего контура заземления в подземных инженерных сооружениях (в том числе коммуникационных и кабельных коллекторах) проводят из условий помещений с агрессивной средой.
Видимый проводник внутреннего контура заземления и систему контура заземления в коллекторе выполняют в соответствии с СП 76.13330, ГОСТ 12.1.030 и [4]. Рекомендуется к применению видимого проводника стальная полоса размерами не менее 40x4 посредством сварки. Видимый проводник контура заземления должен предусматривать отвод проводника с болтовым соединением заземления для противопожарных кожухов соединительных муфт. Также необходимо предусмотреть отвод проводника с болтовым соединением заземления непосредственно возле аварийных выходов для заземления пожарного оборудования.
7.5.18 Электроснабжение коллекторов следует осуществлять от трансформаторов с глухозаземленной нейтралью.
7.6.1 Кабели собственных нужд прокладываются на полках собственных нужд, расположенных над коммуникациями с устройством перегородки с пределом горючести EI 15 или по оси коллектора.
7.6.2 Расстояние от консоли до строительных конструкций коллектора по вертикали должно быть не менее 150 мм, длина консоли не должна превышать 600 мм.
7.6.3 Крепежные элементы и лотки собственных нужд следует рассчитывать из учета максимальной нагрузки от кабелей собственных нужд с коэффициентом запаса 1,2.
7.6.4 Электрическую сеть рабочего освещения следует предусматривать по магистрально-радиальной схеме, а сеть аварийного освещения - по магистральной схеме.
Кабели рабочего и аварийного освещения прокладывают на отдельных полках, а при совместной прокладке на одной полке с устройством перегородки между ними - с пределом огнестойкости не менее EI 15 по [5].
8.1.1 Системы диспетчеризации и автоматизации должны обеспечивать:
- повышение качества ресурсоснабжения потребителей за счет организации системы оперативного контроля и анализа работы оборудования с использованием средств телемеханики;
- повышение экономической эффективности работы за счет снижения затрат на собственные нужды и увеличения ресурса работы оборудования;
- снижение аварийности инженерных сетей и конструкций коллекторов;
- исключение несанкционированного доступа в помещения коллектора и ДП;
- обнаружение случаев возникновения пожаров в помещениях коллекторов и ДП, а также своевременное информирование служб гражданской обороны и чрезвычайных ситуаций о возникновении нештатных ситуаций при эксплуатации коллектора.
8.1.2 ОС, АСПС и СГЗ должны быть адресными, сохранять работоспособность как в условиях эксплуатации, так и во время эвакуации персонала при аварийной ситуации.
8.1.3 Оборудование охранной и пожарной сигнализации, СГЗ и системы оперативной связи, расположенное в коллекторе, следует предусматривать со степенью защиты не менее IP54 в соответствии с [4].
8.1.4 Пожарную и охранную сигнализацию допускается проектировать как в единой системе, так и раздельными системами.
8.1.5 Оборудование пожарной и охранной сигнализации должно соответствовать требованиям ГОСТ 30852.0 и [4].
8.1.6 Оборудование ОС и АСПС должно соответствовать требованиям к оборудованию, подлежащему использованию в помещениях с классом взрывоопасной зоны, а также требованиям определенной проектной документации и эксплуатирующей организации в соответствии с [4].
8.1.7 Контрольные панели ОС и АСПС должны соответствовать требованиям ГОСТ 26342 и ГОСТ Р 53325.
8.1.8 Оборудование ОС и АСПС, устанавливаемое в коллекторах, должно соответствовать следующим требованиям:
- сохранять работоспособность в реальных условиях эксплуатации коллекторов и ДП;
- обеспечивать автоматическое включение системы тревожного оповещения и фидеров аварийного освещения в случае аварийной ситуации;
- обеспечивать приоритетность работы автоматики по пожарному сценарию перед работой автоматики по газовому сценарию;
- осуществлять контроль работоспособности оборудования, в том числе аккумуляторной батареи блока бесперебойного питания в автоматическом режиме с выдачей сигнала в случае возникновения неисправностей;
- осуществлять проверку работоспособности в режиме реального времени каналов связи;
- обеспечивать невозможность постановки на охрану объектов в случае нахождения в состоянии срабатывания охранного(ых) извещателя(ей).
8.1.9 Для оперативно-диспетчерского управления коллекторами должны быть созданы по два цифровых канала в сторону ДЦ (основной и дублирующий).
Каждый канал должен иметь общую пропускную способность, кратную 64 кбит/с, позволяющую организовать диспетчерскую телефонную связь, асинхронную низкоскоростную передачу телеинформации со скоростью не менее 9,6 кбит/с и высокоскоростную передачу данных в протоколе TCP/IP со скоростью не менее 5 МБ/с.
Пропускная способность высокоскоростной передачи данных также должна быть кратна 64 кбит/с и позволять организацию передачи и доставку в ДП пакетной информации различного назначения (регистрация аварийных событий, системы мониторинга переходных процессов и т.п.).
8.2.1 В коллекторе следует предусматривать систему ОС в целях обнаружения несанкционированного проникновения объекта-нарушителя в коллектор и передачи сигнала тревоги в ДП.
8.2.2 Систему ОС коллектора следует предусматривать адресной. Зоной контроля одного адреса с безадресным шлейфом может быть одна камера или точка доступа в коллектор независимо от числа уровней или участок коллектора протяженностью менее 100 м.
8.2.3 Установку контактных датчиков в коллекторе необходимо предусматривать для наружных и внутренних дверей коллектора, а также люков.
8.2.4 В коллекторе установку объемных датчиков следует предусматривать на путях аварийных выходов и в помещении с люком верхнего уровня камеры, в нижнем уровне камеры, в месте сопряжения с другим коллектором.
8.2.5 В помещении электрощитовой коллектора необходимо предусматривать два рубежа защиты с установкой контактных и объемных датчиков.
8.2.6 В коллекторе следует предусматривать автоматическую передачу сигнала тревоги из ДП на пульт централизованного наблюдения по специальной кабельной информационной сети, а при отсутствии возможности использования проводной связи - с использованием беспроводной линии связи. Необходимо также предусматривать возможность подключения приемно-контрольного прибора системы ОС к ПК в ДП.
8.3.1 В коллекторе в целях обнаружения возгорания и выдачи сигнала тревоги в ДП следует предусматривать АСПС в соответствии с требованиями СП 484.1311500.
8.3.2 АСПС коллектора следует предусматривать адресной. Зоной контроля одного адреса с безадресным шлейфом может быть одна камера независимо от числа уровней или участок коллектора протяженностью не более 100 м.
В качестве чувствительных элементов рекомендуется установка ИПД.
8.3.3 В коллекторе при срабатывании АСПС необходимо предусматривать автоматическое отключение системы вентиляции отсека и закрытие противопожарных клапанов в противопожарных перегородках.
8.3.4 В коллекторе установку ИПР следует предусматривать на нижнем и верхнем уровнях камеры с аварийным выходом, в помещениях электрощитовой, АНС и у перегородок внутри отсека.
Расстояние между ИПР не должно превышать 50 м.
8.4.1 В коллекторе следует предусматривать систему сигнализации загазованности метана в воздушной среде.
При достижении содержания метана в воздушной среде коллектора 1% объемной доли и выше следует предусматривать автоматическое включение системы вентиляции и аварийного освещения и отключение рабочего освещения в коллекторе и питающих кабельных линий насосов АНС и электроприводов задвижек.
8.4.2 Передачу информации от датчиков контроля метана необходимо предусматривать в ДП, а при наличии специализированных служб (например, службы газовой защиты) - и на их пульты. В ДП коллектора следует предусматривать приемный пульт системы сигнализации загазованности со световой и звуковой сигнализацией срабатывания в коллекторе датчика контроля метана.
8.4.3 Места установки датчиков газоанализаторов следует определять проектной документацией, при этом характерными точками для установки являются:
- места пересечения газопроводов с коллекторами;
- точки повышения профиля коллектора;
- места установки приточных и вытяжных шахт;
- места ввода и вывода трубопроводов и кабелей в коллекторе;
- тупиковые ответвления;
- места изменения сечения коллектора.
При этом чувствительные элементы следует располагать на потолке на расстоянии не более 200 мм от низа перекрытия.
Чувствительные элементы следует располагать таким образом, чтобы не мешать работе эксплуатирующего персонала.
8.4.4 Газоанализаторы должны обеспечивать непрерывный контроль за появлением метана в коллекторе.
8.5.1 В коллекторе следует предусматривать систему оперативной связи для передачи голосовой информации в ДП, а также организацию связи между эксплуатационным персоналом, работающим в коллекторе, или между оперативными подразделениями, участвующими в ликвидации аварийной ситуации.
8.5.2 Оснащение системами диспетчерской (технологической) связи должно обеспечивать оперативность принятия решений в нештатных ситуациях, эффективную работу эксплуатационного персонала.
8.5.3 Для создания системы допускается использовать оборудование местной телефонной станции, обеспечивающее технологическую (в том числе громкоговорящую) телефонную связь с функцией быстрого набора, оперативную радиосвязь, а также групповой дозвон для оповещения людей о чрезвычайной ситуации и для управления эвакуацией.
8.5.4 Время живучести системы оперативной связи должно быть не меньше времени эвакуации из объекта.
8.5.5 Система двусторонней оперативной связи с диспетчером (дежурным, охранником на входе в здание) объекта должна обеспечивать:
- двустороннюю громкоговорящую связь с зонами безопасности;
- оповещение эксплуатационного персонала о чрезвычайной ситуации;
- руководство эвакуацией из коллектора (в том числе информирование о путях эвакуации);
- обнаружение людей, по каким-либо причинам не покинувших коллектор.
8.5.6 Допускается по заданию на проектирование совмещение системы двусторонней связи с диспетчером с системой охраны входов в здание и АСУД.
8.6.1 Средства автоматизации и контроля должны обеспечивать работу коммуникационных коллекторов без постоянного обслуживающего персонала.
8.6.2 Система автоматизации коммуникационных коллекторов должна обеспечивать:
- прием информации о наличии метана в коллекторах от стационарной аппаратуры СГЗ;
- при появлении в коллекторе метана в концентрации, являющейся порогом срабатывания датчика газоанализатора:
- выдачу звуковой и световой сигнализации в диспетчерской,
- выдачу команды на включение вентиляционных установок и аварийного освещения коллектора,
- выдачу команды на отключение электроснабжения системы водоудаления и рабочего освещения,
- дистанционное управление вентиляционными установками;
- выдачу предупредительной сигнализации об отклонениях технологических параметров от установленных допустимых пределов и состоянии оборудования;
- отображение аварийной сигнализации;
- архивацию накопленной информации;
8.6.3 Система диспетчеризации коммуникационных коллекторов должна обеспечивать:
- управление технологическим оборудованием и системами собственных нужд коллектора;
- автоматическое (с заданной периодичностью) или по запросу отображение текущих значений технологических параметров:
- минимальный уровень воды в дренажных приямках,
- отображение аварийной сигнализации, включая сигналы срабатывания исполнительных механизмов,
- отображение мнемосхемы коммуникационного коллектора с указанием мест расположения люков и вентиляционных шахт,
- отображение схемы прохождения коллектора на местности с необходимыми привязками к капитальным сооружениям,
- отображение однолинейных электрических схем электроснабжения коллекторов с указанием статусного состояния автоматических выключателей;
- ведение следующих журналов в автоматическом и/или автоматизированном режиме:
- журнал событий,
- журнал дефектов и замечаний,
- журнал посещения коллектора,
- журнал учета работ, выполненных в порядке текущей эксплуатации,
- журнал учета распоряжений на выполнение работ в электроустановках,
- журнал регистрации открывания люков, дверей и аварийных выходов,
- журнал по проверке коллектора на загазованность;
- организационные функции:
- организация проведения плановых профилактических работ,
- организация проведения плановых и внеплановых ремонтных работ,
- организация устранения нештатных ситуаций (неисправность оборудования, нерасчетное поступление воды и пр.);
- учетные функции:
- формирование сведений о времени наработки основных агрегатов инженерных систем,
- формирование сводных отчетов по отказам оборудования,
- формирование статистических отчетов по контролируемым параметрам,
- предоставление пользователю справочной информации о возможных действиях в любой момент работы системы (автоматическая помощь),
- предоставление пользователю справочной информации о должностных инструкциях при ведении штатной эксплуатации коллектора, а также при возникновении аварийных (нештатных) ситуаций.
8.7.1 СКУД должна обеспечивать санкционированный доступ людей, транспорта и других объектов в (из) помещения, здания, зоны и территории, предотвращение несанкционированного доступа людей, транспорта и других объектов в (из) помещения, здания, зоны и территории, а также выдачу информации на пульт централизованного наблюдения о попытках несанкционированного доступа на объект.
8.7.2 В состав СКУД должны входить:
- УВИП в составе считывателей и идентификаторов;
- УУ в составе аппаратных и программных средств;
- УПУ в составе преграждающих конструкций и исполнительных устройств.
8.7.3 СКУД должна выполнять следующие функции:
- открывание УПУ при наличии идентификационного признака или по команде оператора СКУД;
- санкционированное изменение (добавление, удаление) идентификационных признаков в УУ и связь их с зонами доступа (помещениями) и временными интервалами доступа;
- защита от несанкционированного доступа к программным средствам УУ для изменения (добавления, удаления) идентификационных признаков;
- защита технических и программных средств от несанкционированного доступа к элементам управления, установки режимов и к информации;
- сохранение настроек и базы данных идентификационных признаков при отключении электропитания;
- ручное, полуавтоматическое или автоматическое открывание УПУ для прохода при чрезвычайных ситуациях, пожаре при технических неисправностях;
- открывание или блокировка любых дверей, оборудованных СКУД, с рабочего места оператора системы;
- закрывание УПУ на определенное время и выдача сигнала тревоги при попытках подбора идентификационных признаков (кода);
- отображение на пульте оператора, регистрацию и протоколирование текущих и тревожных событий;
- автономная работа считывателя с УПУ в каждой точке доступа при отказе связи с УУ;
- учет клиентов системы по типу пропусков:
- постоянные пропуска (действительны в течение периода исполнения сотрудником своих обязанностей),
- временные пропуска (действительны в течение определенного срока и удаляются из системы автоматически по его окончании),
- гостевые пропуска (дают право на одно посещение).
8.7.4 Считыватели УВИП должны обеспечивать:
- считывание идентификационного признака с идентификаторов;
- сравнение введенного идентификационного признака с хранящимся в памяти или базе данных УУ;
- формирование сигнала на открывание УПУ при идентификации пользователя;
- обмен информацией с УУ.
УВИП должно быть защищено от манипулирования путем прямого перебора или подбора идентификационных признаков.
Конструкция, внешний вид и надписи на идентификаторе и считывателе не должны приводить к раскрытию применяемых кодов.
8.7.5 УУ должно обеспечивать:
- прием информации от УВИП, ее обработку, отображение в заданном виде и выработку сигналов управления УПУ;
- ведение баз данных работников объекта с возможностью задания характеристик их доступа (кода, временного интервала доступа, уровня доступа и другие);
- ведение электронного журнала регистрации прохода работников через точки доступа;
- приоритетный вывод информации о тревожных ситуациях в точках доступа;
- контроль исправности состояния УПУ, УВИП и линий связи.
8.7.6 СКУД должна обеспечивать организацию пропускного и внутриобъектового режима на объектах и предусматривать разделение объекта на три основные зоны доступа:
1) первая зона - здания, территории (локальные зоны), помещения, доступ в которые персоналу и посетителям не ограничен;
2) вторая зона - помещения (локальные зоны), доступ в которые разрешен ограниченному кругу персонала, а также посетителям объекта по разовым или временным пропускам или в сопровождении персонала объекта;
3) третья зона - специальные помещения объекта, доступ в которые имеют исключительно определенные сотрудники и руководители.
Пропуск работников на объект через точки доступа должен осуществляться:
- в первой зоне доступа по одному признаку идентификации;
- во второй зоне доступа - по двум признакам идентификации (например, электронная карточка и ключ от механического замка);
- в третьей зоне доступа - не менее чем по двум признакам идентификации.
8.7.7 Конструктивно СКУД должны строиться по модульному принципу и обеспечивать:
- взаимозаменяемость сменных однотипных технических средств;
- удобство технического обслуживания и эксплуатации, а также ремонтопригодность;
- исключение возможности несанкционированного доступа к элементам управления:
- санкционированный доступ ко всем элементам, узлам и блокам, требующим регулирования, обслуживания или замены в процессе эксплуатации.
8.8.1 СВ должна обеспечивать передачу визуальной информации о состоянии охраняемых зон, помещений, периметра и территории объекта на локальный ПЦН.
8.8.2 СВ, предназначенную для работы в автоматизированном режиме, применяют в составе ИСБ или в дополнение к системе ОС.
Видеоизображение в СВ должно выводиться на видеомонитор оператора в постоянном режиме при расположении камер на площадных объектах, ДП и административных зданиях и только в случае возникновения тревоги (по сигналу тревоги, получаемому от извещателя охранной сигнализации, который логически связан с данной камерой видеонаблюдения при расположении камер в коллекторе).
8.8.3 Систему видеонаблюдения, предназначенную для работы в неавтоматизированном режиме, применяют для реального видеонаблюдения за обстановкой на контролируемом объекте (помещении, зоне). В этом случае для работы СВ требуется организация отдельного поста видеонаблюдения и дежурного оператора видеонаблюдения.
8.8.4 Система видеонаблюдения должна обеспечивать предоставление наглядного отображения состояний и управление элементами СВ на компьютерном мониторе с использованием графических планов объекта разных уровней детализации. При этом элементы системы видеонаблюдения должны отвечать следующим требованиям:
- настройка нескольких зон контроля для каждой телекамеры;
- цифровое (2/4/8/16-кратное) увеличение;
- воспроизведение видеозаписи;
- запись видеоинформации на внутренние носители;
- использование индивидуальной для каждой телекамеры настройки условий и продолжительности записи во время регистрации тревожных ситуаций;
- осуществление цифровой мультиплексной записи одновременно по всем телекамерам;
- программирование приоритета при записи первых мгновений тревожных событий (повышенная частота записи видеоинформации по тревожному каналу при сохранении обычного режима для остальных телекамер);
- программирование времени и скорости записи предтревожной ситуации и автоматическое отображение ее при появлении тревоги.
9.1 Общие и специализированные коммуникационные коллекторы могут быть оснащены СГТ.
9.2 СГТ должна соответствовать требованиям [8].
9.3 СГТ должна состоять из двух обязательных элементов; транспортного блока и зарядной камеры.
9.4 СГТ предназначаются для ведения осмотров коммуникаций, прокладываемых в коллекторе, и доставки персонала к местам ремонта и повреждений. Также данные системы допускается использовать для аварийной эвакуации персонала до аварийных выходов при возникновении аварийных нештатных ситуаций в коллекторе.
9.5 При оснащении коллекторов СГТ проведение осмотров коллекторного хозяйства осуществимо без участия обслуживающего персонала. Для этого СГТ должны быть оснащены модулем видео- и аудионаблюдения, связанным с ДП.
9.6 Управление СГТ в автоматическом режиме осуществляется из ДП.
9.7 Управление СГТ должно иметь дублирующую систему в кабине управления транспортным модулем.
9.8 СГТ, используемая в коллекторах, должна иметь электрический привод, не зависящий от энергоснабжения собственных нужд коллектора.
9.9 СГТ в своем составе может иметь следующие модули:
- транспортный модуль;
- модуль видео- и аудионаблюдения;
- грузовой модуль;
- модуль пожаротушения.
9.10 Модули, входящие в систему СГТ, кроме грузового, должны быть оснащены независимыми электродвигателями.
9.11 Зарядные камеры следует располагать в отдельных блоках, не требующих присутствия эксплуатирующего персонала.
9.12 СГТ должна быть оснащена:
- системой связи;
- системой видеомониторинга;
- детекторами движения;
- системой пожаротушения;
- датчиками-газоанализаторами;
- системой аварийной сигнализации;
- блоком микропроцессорного управления;
- системой управления электроприводов.
10.1 Проектирование коллекторов для прокладки электрических кабелей напряжением от 110 кВ и выше следует вести в соответствии с требованиями [4].
10.2 В кабельных коллекторах, предназначенных для прокладки кабелей напряжением от 110 кВ и выше, не допускается прокладка других инженерных коммуникаций.
10.3 Камеры кабельных коллекторов следует выполнять неглубокого залегания без устройства люков. Для проведения технического освидетельствования и проведения аварийно-восстановительных работ следует предусматривать устройство монтажных проемов в перекрытиях кабельных камер, закрываемых глухой съемной бетонной плитой.
10.4 Раскладка кабелей в камерах должна обеспечивать возможность выполнения ремонтных работ на одной кабельной линии без отключения оставшихся в работе кабельных линий.
10.5 В камерах следует устраивать приямки для откачки воды непосредственно под монтажным проемом.
10.6 В кабельных коллекторах, выполненных в виде закрытых переходов необслуживаемого типа, допускается отсутствие сигнализации загазованности, пожарной сигнализации, вентиляции и наличия освещения.
10.7 Для проведения осмотров кабельных коллекторов следует применять СВ.
11.1.1 Несущие конструкции коллектора должны соответствовать объемно-планировочным решениям, глубине заложения коллектора, инженерно-геологическим и гидрогеологическим условиям, а также отвечать требованиям надежности, прочности, долговечности, пожарной безопасности и устойчивости к воздействиям внешней среды. При этом необходимо учитывать совместную работу несущих конструкций коллектора и его основания, технологию строительства в соответствии с СП 249.1325800.
В зависимости от способа прокладки линейной части коллекторов в качестве основных типов несущей конструкции линейной части коллекторов следует рассматривать:
- сборные железобетонные прямоугольного сечения;
- монолитные железобетонные прямоугольного сечения;
- сборные железобетонные из блоков высокой точности круглого сечения с заполнением технологических пустот за обделкой твердеющими растворами.
11.1.2 В местах изменения типа конструкции, значительного изменения деформативности основания или резкого изменения нагрузок необходимо предусматривать деформационные (осадочные, температурные) швы.
Расстояния между деформационными швами в коллекторах, сооружаемых открытым способом, следует принимать для сборных железобетонных конструкций не более 50 м, для монолитных железобетонных конструкций не более 40 м или определять расчетом. Расстояние между антисейсмическими швами определено СП 14.13330.
11.1.3 В коллекторе следует предусматривать конструктивные и технологические решения, а также устройство защитных покрытий, снижающих воздействие среды на конструкции коллектора, соответствующие виду и условиям воздействия окружающей среды в соответствии с СП 250.1325800.
11.1.4 Для раскладки и крепления коммуникаций в коллекторе следует предусматривать металлоконструкции с креплением их к закладным деталям, соответствующим требованиям СП 63.13330. Для металлоконструкций необходимо предусматривать антикоррозийное покрытие в соответствии с СП 28.13330.
11.1.5 Кабельные металлоконструкции следует рассчитывать на нагрузку с учетом троекратного запаса к весу проложенных кабелей.
11.1.6 В лотке коллектора предусматривать диэлектрическую бетонную дорожку и водоперепускные канавки с устройством строительного уклона к водосборным приямкам.
Габариты канавок следует определять расчетом с учетом возможности приема максимального расхода случайных вод.
11.1.7 Расчет конструкций коллекторов следует проводить в соответствии с требованиями СП 20.13330.
11.1.7а Расчет конструкций коллекторов следует выполнять в соответствии с требованиями СП 22.13330, СП 43.13330, СП 249.1325800.
11.1.8 При расчете строительных конструкций нагрузки и воздействия следует выбирать в наименее выгодных сочетаниях, включающих в себя постоянные, временные длительные и кратковременные нагрузки и воздействия в двух режимах: эксплуатации и для периода строительно-монтажных работ.
11.1.9 Временные нагрузки от подвижного транспорта следует принимать в соответствии с СП 35.13330.
11.1.10 Несущие бетонные и железобетонные конструкции следует предусматривать из тяжелых бетонов по ГОСТ 26633.
11.1.11 Классы бетона по прочности на сжатие для бетонных и железобетонных конструкций следует принимать в соответствии с приложением В.
11.1.12 Марку бетона по водонепроницаемости следует принимать не ниже В6 по требованиям ГОСТ 12730.5 и F1100 по морозостойкости по ГОСТ 10060.
11.1.13 Армирование железобетонных несущих конструкций коллектора следует предусматривать из арматуры классов А240-А500 по ГОСТ 5781.
11.2.1 Для монтажа трубопроводов и других изделий необходимо предусматривать монтажные проемы длиной не менее 4 м и шириной не менее диаметра наибольшей трубы плюс 0,2 м, но не менее 0,5 м.
11.2.2 Для перехода через коммуникации, проходящие через коллектор, следует предусматривать стационарные пешеходные мостики с площадками. Ширина прохода должна быть не менее 0,6 м.
11.2.3 Лестницы переходных мостиков должны иметь уклон не более 75°.
Допускается увеличение уклона при высоте лестниц не более 2 м. Вертикальные лестницы с высотой более 2 м следует оборудовать защитными ограждениями.
11.2.4 Металлические лестницы высотой более 3 м должны быть оборудованы промежуточными площадками с высотой пролета не более 3 м.
11.2.5 Коллекторы с силовыми кабельными линиями должны комплектоваться диэлектрическими лестницами-стремянками из расчета одна лестница на 1,5 км линейной части коллектора. Лестницы размещаются в коллекторах организацией, эксплуатирующей коллектор. Места хранения диэлектрических лестниц-стремянок следует определять проектной документацией.
11.2.6 В местах примыкания коллекторов к техническим подпольям, подвалам, тепловым пунктам и иным сооружениям, не контролируемым эксплуатирующей организацией, следует устанавливать разделительные стенки, сплошные железобетонные толщиной не менее 160 мм или кирпичные толщиной не менее 400 мм в соответствии с СП 15.13330 с пределом огнестойкости не менее 1,5 ч.
11.2.7 В коллекторах следует предусматривать решетки отсечения:
- в местах сопряжения коллекторов (с учетом требований обеспечения аварийных выходов);
- в местах сопряжения действующих коллекторов с вновь строящимися и реконструируемыми коллекторами.
11.2.8 При выгораживании участков коллекторов решетками с двух сторон в случае необходимости вносят изменения в перечень аварийных выходов, действующий на период установки решеток.
11.2.9 Решетки следует изготовлять из стальных прутьев стали марки не ниже С245 диаметром не менее 16 мм, образующих ячейки размерами не более чем 150х150 мм, сваренных в перекрестиях. В доступных местах решетки обрамляют уголком размерами не менее 36х36x4 мм и приваривают по периметру к заделанным в стену на глубину 80 мм стальным анкерам диаметром не менее 12 мм и длиной не менее 120 мм. Минимальное число анкеров должно быть не менее двух на каждую сторону.
11.2.10 Размер и конструкция решетки должны обеспечивать максимальное перекрытие сечения коллектора либо галереи. Дверь в решетке должна закрываться на накладной несамозащелкивающийся замок и иметь возможность для опломбирования.
11.3.1 В коллекторе расстояние от низа решетки вентиляционного оголовка или вентиляционного киоска до поверхности земли должно быть не менее 0,5 м.
При использовании вентиляционного канала для аварийного выхода эксплуатационного персонала в случае устройства вентиляционного оголовка следует предусматривать люк размерами не менее 0,7х0,7 м. Крышка люка должна быть оборудована запорным устройством, открывающимся изнутри без ключа. При этом усилие для открывания крышки люка должно быть не более 150 Н.
11.3.2 Конструкции вентиляционного оголовка и вентиляционного киоска должны исключать попадание атмосферных осадков на инженерные коммуникации и оборудование, размещенные в коллекторе. С внутренней стороны решетки вентиляционного оголовка и вентиляционного киоска необходимо предусматривать металлическую сетку с ячейками 15х15 мм.
Запорные устройства вентиляционных шахт, вентиляционных киосков следует располагать с внутренней стороны двери (люка) и предусматривать защиту от несанкционированного открывания с поверхности с применением подручных средств и возможность для пломбирования. Установка данной защиты не должна снижать удобство открывания люка изнутри.
11.3.3 Вентиляционные приточные и вытяжные шахты должны иметь уклон в сторону коллектора с организацией стока воды в лоток коллектора. При этом попадание отводимой воды на коммуникации, проложенные в коллекторе, не допускается.
11.3.4 При размещении электрощитовой коллектора на поверхности земли ее местоположение необходимо предусматривать над одной из камер коллектора с устройством входа в помещение электрощитовой через дверь снаружи.
При этом для здания электрощитовой необходимо предусматривать конструкции из негорючих материалов, жалюзийные решетки на окнах и высоту дверного порога, равную 0,2 м.
11.3.5 Наземные элементы конструкций коллекторов и здания ДП следует проектировать в соответствии с настоящим подразделом и в обязательной увязке с архитектурной средой населенного пункта.
11.3.6 Вентиляционные киоски и оголовки должны устраиваться с отмосткой шириной 0,3 м.
11.3.7 Все здания и сооружения, входящие в инфраструктуру коммуникационных коллекторов, должны быть промаркированы. Отдельные входы/выходы с улицы в коллектор и помещения служб должны иметь идентифицирующие надписи.
11.4.1 Для эксплуатации коллекторов и проложенных в них инженерных коммуникаций необходимо предусматривать ДП.
Для эксплуатационного персонала и установки АРМ диспетчера, пультов сигнализации и контроля за работой технологического оборудования коллектора при соединении его с коллектором подземной галереей следует размещать не далее 50 м от трассы коллектора.
Для ДП должны быть указатели в соответствии с их почтовыми адресами.
11.4.2 ДП общих коллекторов необходимо предусматривать из расчета один ДП на участок коллектора общей протяженностью не менее 5 км с размещением его на равноудаленном расстоянии от границ участка.
Размещение ДП для специализированных и внутриквартальных коллекторов определяют на основании технико-экономического обоснования с учетом возможности использования ДП общих коллекторов.
Располагать ДП следует в отдельно стоящем здании, допускается размещение его на первых этажах жилых и общественных зданий, расположенных в непосредственной близости от трассы коллектора с устройством самостоятельного входа в ДП. Площадь застройки ДП определяется в соответствии с архитектурно-планировочными решениями и технико-экономическим обоснованием с учетом требований 11.4.3.
При обосновании возможно размещение ДП ниже уровня земли.
В ДП следует предусматривать устройство отдельного входа непосредственно снаружи, а из ДП - устройство основного входа в коллектор через подземную галерею.
11.4.3 В ДП коллектора следует предусматривать: диспетчерское помещение площадью не менее 15 м2, комнату отдыха и приема пищи, кабинет мастера, мужские и женские раздевалки со шкафами, мужской и женский туалет, душевые, помещение электрощитовой и другие необходимые вспомогательные и технические помещения.
11.4.4 Необходимо предусматривать подключение здания ДП коллектора к городским инженерным коммуникациям электроснабжения, теплоснабжения, водоснабжения, канализации, водоотведения, телефонной, радиотрансляционной сети и сети Интернет.
Водопроводный и тепловой узел с приборами учета и помещение электрощитовой необходимо предусматривать в подвальной части здания ДП.
Внутренние системы отопления, вентиляции, водопровода, канализации, освещения, электроснабжения здания ДП следует предусматривать в соответствии с требованиями СП 60.13330, СП 31.13330, [4] и других нормативных документов.
11.4.5 В ДП коллектора следует предусматривать системы пожарной и охранной сигнализации, а в диспетчерском помещении - необходимое оборудование и пульты управления и контроля над работой технологического оборудования и систем коллектора.
11.4.6 Системы водоотведения с крыш ДП следует оснащать системами антиобледенения.
11.4.7 ДП вне зависимости от их расположения следует оснащать СКУД, СВ, охранной и пожарной сигнализацией.
Проектирование этих систем следует вести в соответствии с требованиями 7.6.
11.4.8 Входные двери следует изготовлять из стального профиля и обшивать с двух сторон листовой сталью толщиной не менее 1,5-2 мм. Коробку металлической двери по периметру приваривают к заделанным в стену на глубину не менее 80 мм металлическим штырям диаметром не менее 12 мм, расстояние между которыми должно быть не более 700 мм.
11.4.9 Входная дверь должна иметь не менее двух врезных несамозащелкивающихся замков, установленных на расстоянии не менее 300 мм друг от друга, и смотровой глазок с углом обзора не менее 120°. Дверь аварийного выхода оснащают одним врезным замком и засовом со стороны ДП.
11.4.10 Прочность дверей может быть увеличена за счет использования предохранительных накладок, предохранительной угловой замковой планки, массивных дверных петель, торцевых крюков (штырей) со стороны петель.
11.4.11 Входные двери ДП при наличии таких требований в техническом задании могут быть дополнительно защищены изнутри решетчатыми металлическими дверями. Решетчатые металлические двери изготовляют из стальных прутьев диаметром не менее 16 мм, образующих ячейку размерами не более 150x150 мм и свариваемых в каждом пересечении. По периметру решетчатую дверь обрамляют стальным уголком размерами не менее 36x36x4 мм. Коробку решетчатой металлической двери по периметру приваривают к заделанным в стену на глубину не менее 80 мм металлическим штырям диаметром не менее 12 мм, расстояние между которыми должно быть не более 700 мм. Дверь должна закрываться на накладной (навесной) несамозащелкивающийся замок.
11.4.12 Окна ДП следует оборудовать металлическими решетками. Решетки следует устанавливать с внутренней стороны помещений или между рамами. При установке решеток между рамами фрамуга внешней рамы должна открываться наружу, а фрамуга внутренней рамы - вовнутрь помещения.
Решетка должна запираться с внутренней стороны помещения на замок или иное устройство, обеспечивающее запирание решетки и эвакуацию людей из помещения в экстремальных ситуациях.
Не менее одного окна в каждой комнате ДП должно быть оборудовано распашными решетками.
11.4.13 Металлические решетки произвольной конструкции следует изготовлять из стального проката сечением не менее 78 мм2, образующих ячейку не более 230 см2 и свариваемых в каждом пересечении. Решетку обрамляют стальным уголком размерами не менее 35x35x4 мм, уголок приваривают по периметру к прочно заделанным в стену на глубину не менее 80 мм стальным анкерам диаметром не менее 12 мм и длиной не менее 120 мм или к закладным деталям. Расстояние между анкерами или закладными деталями должно быть не менее 500 мм. Минимальное число анкеров (закладных деталей) должно быть не менее двух на каждую сторону.
11.4.14 Входная дверь из ДП в коллектор должна быть самозакрывающейся с уплотненным притвором и пределом огнестойкости не менее EI 30 по [5]. Двери следует оборудовать устройством, поддерживающим их в закрытом положении. В нерабочее время дверь должна закрываться со стороны ДП на запорное устройство с навесным замком.
11.5.1 Для выхода людей из коллектора при авариях необходимо устраивать аварийные выходы. Аварийные выходы из коллектора следует устраивать не реже чем через 300 м, а также во всех тупиковых участках. Аварийные выходы следует совмещать с камерами и узлами коллектора, допускается в качестве аварийных выходов использовать люки при условии соблюдения требований СП 1.13130.
Коллекторы, предназначенные для размещения трубопроводов с пожаро-, взрывоопасными и токсичными материалами (жидкостями), должны иметь выходы не реже чем через 60 м и в его концах.
При использовании в коллекторе СГТ допускается увеличение расстояния между аварийными выходами до 1000 м.
11.5.2 Аварийные выходы должны быть оборудованы стационарными лестницами из негорючего материала.
Конструкции лестниц должны соответствовать требованиям 11.2.3-11.2.5.
11.5.3 Запорное устройство аварийного выхода должно открываться со стороны коллектора свободно, без применения специальных приспособлений.
11.5.4 Усилие для открывания крышки аварийного люка должно быть не более 150 Н.
11.5.5 Часть запорных устройств аварийных выходов должна иметь возможность открывания снаружи (с поверхности) ключом. Число аварийных выходов, имеющих возможность открывания снаружи, и места их расположения определяет эксплуатирующая организация.
11.5.6 Инженерные коммуникации, проложенные в коллекторе, в местах устройства аварийных выходов следует располагать таким образом, чтобы был обеспечен свободный доступ к аварийному выходу.
11.5.7 При совмещении вентиляционных шахт и аварийных выходов конструкция вентиляционной шахты должна обеспечивать свободный проход и эвакуацию персонала.
11.6.1 Проектирование конструкций следует осуществлять в соответствии с СП 43.13330, а также с учетом требований настоящего свода правил.
11.6.2 Монтаж строительных конструкций выполняют согласно СП 70.13330.
11.6.3 Габариты и внутреннее наполнение камер выбирают исходя из требований разделов 6-9.
11.6.4 Габариты камер следует выбирать с учетом расстояний, указанных в приложении Б.
11.6.5 Камеры коммуникационных коллекторов должны быть оборудованы минимум двумя смотровыми люками диаметром 0,7 м, расположенными по диагонали к осям камеры.
При наличии крупного оборудования в камере дополнительно камеру оборудуют монтажным проемом и/или люками с габаритами, превышающими габариты оборудования на 0,2 м в каждую сторону.
Смотровые люки должны быть снабжены дополнительной гидроизоляцией и уплотнениями, исключающими попадание поверхностных вод в коллектор.
11.7.1 Электрощитовые следует размещать в ДП, камерах коллектора на верхних ярусах или в отдельно стоящих помещениях на поверхности с учетом требований 11.3.4.
Проектирование электрощитовых следует осуществлять в соответствии с требованиями [4].
11.7.2 Электрощитовые следует располагать из учета обслуживания коллектора протяженностью не более 1,2 км.
11.7.3 В электрощитовых следует предусматривать применение ВРУ с исполнением по двухсекционной схеме, с секционным автоматическим выключателем.
11.7.4 Узлы учета электроэнергии следует размещать в электрощитовых в отдельном шкафу.
11.7.5 Электрощитовые должны иметь противопожарные перегородки 1-го типа, перекрытия 3-го типа и двери 2-го типа.
11.7.6 Двери электрощитовых должны иметь предел огнестойкости не менее 0,6 ч.
12.1.1 При проектировании, строительстве и эксплуатации коллекторов, при наличии соответствующих требований у заказчика строительства или эксплуатирующей организации, следует использовать технологию информационного моделирования.
12.1.2 Информационная модель коллектора должна представлять собой набор знаний по конструкции и оснащению коллектора, структурированный в виде трехмерной параметрической модели связанных между собой объектов и соответствовать требованиям по формированию модели согласно СП 333.1325800.
12.1.3 Информационная модель коллектора должна включать в себя информацию о конфигурации конструктивных элементов сооружения, инженерного оборудования собственных нужд, оборудования телемеханизации и диспетчеризации, о размещении инженерных коммуникаций в коллекторе и свободных зонах. Каждый элемент информационной модели должен включать в себя информацию о технических параметрах и эксплуатационных характеристиках данного элемента. Требования к описанию компонентов (элементов) информационной модели должны соответствовать СП 328.1325800.
12.1.4 Информационная модель обеспечивает реализацию следующих задач, возникающих на этапах проектирования, строительства и эксплуатации коллектора:
- проверка корректности технических решений проекта, их соответствия требованиям регламентирующих документов, проверки корректности выполненных инженерных расчетов;
- проверка полноты проектной документации, корректности спецификаций оборудования и материалов;
- обеспечение согласованности инженерно-технических решений в проекте как внутри разделов проекта, так и между различными разделами проекта, в том числе разрабатываемых различными проектными организациями;
- осуществление технического надзора на этапе строительно-монтажных работ;
- обеспечение контроля согласованности архитектурных, конструктивных, инженерно-технических решений при внесении изменений в проект;
- повышение эффективности эксплуатации объекта.
Информационная модель коллектора должна включать в себя информацию об элементах следующих систем:
- отопления и вентиляции;
- водоснабжения и канализации;
- водоотведения;
- пожаротушения;
- электроснабжения и электрооборудования;
- телемеханики и диспетчеризации;
- слаботочных.
В информационной модели отображаются:
- конструктивные элементы;
- технологические отверстия различного назначения.
В конструктивных элементах должны быть указаны следующие параметры:
- тип элемента;
- габаритные размеры;
- материал.
Для визуального сходства конструктивных элементов следует использовать соответствующую материалам цветовую палитру. Должно быть обеспечено внешнее сходство информационной модели коллектора с оригиналом.
12.4.1 Отображаемые инженерные системы должны включать в себя основное оборудование и элементы, указанные в спецификации. Отображаемые компоненты инженерных систем должны иметь условное внешнее сходство с оригиналом, включая цвет, принятый в соответствии с цветом системы в проектной документации, и габаритные размеры. Расположение элементов в модели и их взаимосвязи должны соответствовать расположению и взаимосвязям элементов на объекте. Оборудование инженерных систем должно иметь следующие параметры:
- наименование;
- модель оборудования;
- наименование инженерной системы;
- тип оборудования;
- производитель (для оборудования);
- материал (для линейных элементов);
- габаритные размеры.
Наименования инженерных систем и трубопроводов должны соответствовать принятым в принципиальных схемах.
12.4.2 В информационной модели "Система отопления и вентиляции" отображаются:
- вентиляционные установки;
- воздуховоды;
- огнезадерживающие клапаны;
- канальные вентиляторы;
- вентиляционные решетки, диффузоры;
- радиаторы;
- тепловентиляторы;
- запорно-регулирующая арматура.
12.4.2.1 В информационной модели не отображаются:
- внутреннее устройство вентиляционных установок;
- элементы крепления воздуховодов и оборудования.
12.4.3 В информационной модели "Система водоснабжения и канализации" отображаются:
- оборудование водоснабжения и канализации;
- трубопроводы;
- ливневые воронки;
- запорно-регулирующая арматура.
12.4.3.1 В информационной модели не отображаются:
- внутреннее устройство оборудования;
- элементы крепления трубопроводов и оборудования.
12.4.4 В информационной модели "Система водоотведения" отображаются:
- оборудование и запорная арматура системы водоотведения;
- трубопроводы;
- водосборные приямки;
- колодцы;
- оборудование АНС.
12.4.4.1 В информационной модели не отображаются:
- внутреннее устройство оборудования;
- элементы крепления трубопроводов и оборудования.
12.4.5 В информационной модели "Система пожаротушения" отображаются:
- трубопроводы;
- спринклеры;
- пожарные шкафы;
- запорно-регулирующая арматура.
12.4.5.1 В информационной модели не отображаются:
- внутреннее устройство пожарных шкафов;
- элементы крепления труб и оборудования.
12.4.6 В информационной модели "Система электроснабжения и электрооборудования" отображаются:
- кабельные лотки;
- щиты;
- электрооборудование.
12.4.6.1 В информационной модели не отображаются:
- внутреннее устройство электрооборудования, щитов;
- элементы крепления лотков и электрооборудования;
- кабели.
12.4.7 В информационной модели "Система освещения внутреннего (ЭО)" отображаются:
- светильники;
- лампы.
12.4.7.1 В информационной модели не отображаются:
- внутреннее устройство светильников и ламп;
- элементы крепления светильников и ламп;
- кабели.
12.4.8 В информационной модели "Система автоматизации и слаботочные системы" отображаются:
- датчики;
- терморегуляторы;
- щиты;
- коммуникационные шкафы.
12.4.8.1 В информационной модели не отображаются:
- внутреннее устройство датчиков, терморегуляторов, щитов;
- элементы крепления датчиков, терморегуляторов, щитов;
- внутренние элементы коммуникационных шкафов;
- кабели.
13.1 Проектирование автоматических установок пожаротушения и пожарной сигнализации следует осуществлять в соответствии с СП 484.1311500 и требованиями настоящего свода правил.
13.2 Приемную станцию автоматических установок пожарной сигнализации следует размещать в помещении ДП.
13.3 Проектирование систем оповещения людей о пожаре следует выполнять согласно СП 3.13130.2009.
13.4 ДП должны быть укомплектованы средствами ручного пожаротушения. Типы установок и огнетушащие средства обосновывают в проекте.
13.5 Условия безопасной эвакуации людей при пожаре должны соответствовать СП 1.13130.
13.6 Сеть противопожарного водоснабжения подземных сооружений следует предусматривать согласно 7.3.
13.7 Несущие и ограждающие конструкции коллектора следует предусматривать с пределом огнестойкости не менее REI 60 и классом пожарной опасности К0 в соответствии с [5].
13.8 При протяженности вентиляционного отсека более 150 м требуется разбивать данный вентиляционный участок на вентиляционные отсеки путем установки противопожарных перегородок с вентиляторами во взрывобезопасном исполнении таким образом, чтобы протяженность участка коллектора между ними не превышала 150 м.
Увеличение протяженности отсеков допускается путем проведения технико-экономического обоснования и расчета пожарных рисков.
13.9 В коллекторе противопожарные перегородки внутри вентиляционного отсека и между пожарными отсеками, размещаемые в камерах, следует предусматривать с пределом огнестойкости не менее EI 45 по [5].
13.10 В перегородке необходимо предусматривать противопожарную дверь качающегося типа с пределом огнестойкости не менее EI 30 по [5], оборудованную устройством самозакрывания без замков.
13.11 В перегородке с вентилятором следует предусматривать установку нормально открытого противопожарного клапана с пределом огнестойкости не менее EI 30 по [5], закрываемого по сигналу пожарной сигнализации.
13.12 В коллекторе из каждой камеры следует предусматривать аварийный выход. Расстояние от тупиковой части коллектора до ближайшего аварийного выхода не должно превышать 25 м.
13.13 В коллекторе необходимо предусматривать прокладку кабелей с индексом "НГ". Допускается в обоснованных случаях применение других кабелей при условии покрытия их по всей длине огнезащитным кабельным покрытием, не содержащим органических растворителей, или использование другого способа огнезащиты кабелей.
13.14 Для тепловых и водопроводных сетей при их совместной прокладке в коллекторах с электрическими или слаботочными кабелями не допускается применять тепловую изоляцию группы горючести Г1-Г4 [5] без покровного слоя из негорючего материала и устройства противопожарных вставок длиной 3 м на каждые 100 м трубопровода.
При отсутствии в коллекторе силовых и слаботочных кабелей допускается применение материалов теплоизоляционного и покровного слоев групп горючести Г1 и Г2 [5] при устройстве противопожарных вставок длиной 3 м на каждые 100 м трубопровода.
13.15 В коллекторе в местах прохождения кабелей через строительные конструкции следует предусматривать противопожарные уплотнения пределом огнестойкости не ниже предела огнестойкости строительных конструкций.
13.16 В коллекторе прокладку электрических кабелей следует предусматривать на консолях с горизонтальными разделительными противопожарными перегородками (далее - перегородки) пределом огнестойкости не менее EI 15 по [5]. Расстояние от крайнего электрического кабеля до края перегородки должно быть не менее 50 мм.
13.17 В местах стыка элементов горизонтальных перегородок не должно быть видимых зазоров.
13.18 Для отсека коллектора протяженностью более 300 м с глубиной заложения менее 15 м (от основания коллектора) обеспечение требуемого уровня пожарной безопасности людей должно быть подтверждено в проекте расчетом пожарного риска.
13.19 При заглублении коллектора более 15 м разработка специальных технических условий, связанных с пожарной безопасностью, обязательна.
13.20 Аварийные выходы из коллектора допускается предусматривать размерами не менее 0,75х1,5 м - через двери, а также размерами не менее 0,6x0,8 м - через люки.
Допускается в качестве аварийных выходов использовать проемы высотой не менее 1,5 м при их длине не более одного метра.
13.21 Подземные сооружения коллекторов для инженерных коммуникаций защите системами приточно-вытяжной противодымной вентиляции не подлежат.
14.1 Коллекторы должны быть спроектированы таким образом, чтобы в процессе их строительства и эксплуатации было минимизировано негативное воздействие на окружающую среду.
14.2 Для снижения негативного воздействия в процессе строительства и эксплуатации коллектора на состояние компонентов окружающей среды на стадии проектирования следует предусматривать мероприятия по охране окружающей среды, восстановлению природной среды и обеспечению экологической безопасности.
14.3 Мероприятия по предотвращению или снижению возможного негативного воздействия проектируемого сооружения на окружающую среду разрабатывают по результатам оценки воздействия проектируемого сооружения на компоненты окружающей среды как на период строительства, так и на период его эксплуатации.
14.4 Перечень мероприятий по предотвращению или снижению возможного негативного воздействия должен включать в себя:
- мероприятия по охране атмосферного воздуха;
- мероприятия по охране и рациональному использованию земельных ресурсов и почвенного покрова;
- мероприятия по рациональному использованию и охране вод и водных биоресурсов в водных объектах;
- мероприятия по охране акустической среды;
- мероприятия по сбору, использованию, обезвреживанию, транспортированию и размещению отходов;
- мероприятия по охране недр, в том числе подземных вод;
- мероприятия по охране растительного и животного мира;
- мероприятия по минимизации возникновения возможных аварийных ситуаций и последствий их воздействия на экосистему региона.
14.5 В составе проектной документации как на период строительства, так и на период эксплуатации коллектора должны быть приведены расчеты:
- выбросов загрязняющих веществ;
- объемов образования отходов производства и потребления;
- объемов образующихся сточных и дренажных вод;
- уровней шумового воздействия на окружающую среду.
15.1.1 Строительно-монтажные работы по строительству коллекторов и сооружений на коллекторах, а также прокладку инженерных сетей в коллекторах, проведение реконструкции коллекторов и инженерных сетей в них следует проводить в соответствии с проектной документацией, разработанной в соответствии с действующими нормативными документами и технической документацией, правовыми актами Российской Федерации и настоящим сводом правил.
15.1.2 Строительство коллекторов может осуществляться открытым или закрытым способами. Выбор способа и технологии прокладки должен осуществляться на основании технико-экономического сравнения вариантов.
15.1.3 При производстве работ следует предусмотреть геотехнический мониторинг в соответствии с СП 249.1325800.
15.2.1а Строительство коллектора открытым способом должно выполняться с применением ограждающих и удерживающих конструкций.
В качестве ограждений следует использовать:
- "стену в грунте", устраиваемую траншейным способом, из буросекущихся или бурокасательных свай;
- ограждение из отдельных элементов (труб, двутавров и др.);
- шпунтовые ограждения;
- ограждения из закрепленного грунта и др.
15.2.1б Для защиты строительных котлованов и траншей от подземных вод применяют следующие способы:
- водопонижение - искусственное понижение уровня подземных вод до требуемой отметки;
- устройство противофильтрационной завесы - создание малопроницаемой строительной конструкции (или искусственно закрепленного массива грунта), заглубленной в водоупор и практически исключающей приток подземных вод в котлован или траншею;
- искусственное замораживание водонасыщенных грунтов для их временного укрепления путем создания ледогрунтовой завесы.
Допускается применять сочетание указанных способов защиты.
15.2.1 При производстве строительно-монтажных и ремонтно-восстановительных работ на коллекторах должны быть соблюдены требования противопожарной безопасности в соответствии с [5].
15.2.2 Земляные работы и работы по устройству оснований необходимо выполнять в соответствии с требованиями СП 45.13330, СП 249.1325800, СП 250.1325800 и настоящего подраздела.
15.2.3 Производство работ по сооружению и монтажу строительных конструкций следует выполнять в соответствии с требованиями настоящего подраздела и требованиями ГОСТ 23118, СП 70.13330, СП 71.13330, СП 72.13330, СП 249.1325800.
15.2.4 Перед началом производства земляных работ открытым способом при сооружении коллектора в натуру переносят оси зданий, подземных сооружений, археологических раскопок, разработанных в составе проектной документации.
Работы оформляют актом с участием заказчика, подрядчика и организации, выполняющей геодезические работы.
15.2.5 Каждое место разрытия ограждают забором (щитами) установленного образца с красными габаритными фонарями и оборудуют типовыми дорожными знаками (на проезжей части улиц и дорогах). В вечернее и ночное время места разрытий освещаются.
15.2.6 Вскрытие асфальтового покрытия проезжей части и тротуаров проводят в границах и объемах отрываемой траншеи, предусмотренных проектом и разрешением на разрытие.
15.2.7 Вынимаемый грунт складируют в пределах ограждений строительной площадки или перемещают за пределы строительной площадки. Место расположения грунта определяют в проекте производства работ.
Запрещается складирование грунта на проезжей части улиц, тротуарах, ухоженных газонах.
15.2.8 Производство земляных работ в непосредственной близости от существующих инженерных коммуникаций и пересечений с ними осуществляют в соответствии с требованиями СП 45.13330, СП 249.1325800 и проекта производства работ, разработанного и согласованного в соответствии с действующими правовыми актами Российской Федерации, нормативными документами и технической документацией.
Применение землеройных механизмов, ударного инструмента (ломы, кирки, клинья, пневматический инструмент и др.) вблизи действующих подземных коммуникаций и сооружений не допускается. При разработке траншей и котлованов вскрытые подземные сооружения и коммуникации защищают специальным коробом и подвешивают.
15.2.9 При производстве работ в зоне существующей застройки, на проезжей части дорог, тротуарах, остановках общественного транспорта строительная организация обязана выполнить работы, обеспечивающие безопасный проезд спецавтотранспорта и движение пешеходов путем строительства мостов, пешеходных мостиков или переходов с поручнями, а также обеспечить сохранность объектов культурного наследия.
15.2.10 После засыпки траншей и котлованов организация - производитель работ составляет акт о степени уплотнения песка, которая должна соответствовать проектной документации и отвечать требованиям СП 34.13330.
15.2.11 После проведения работ по прокладке подземных инженерных коммуникаций (сооружений) проводят комплексное восстановление нарушенного благоустройства (проезжая часть, бортовой камень, тротуары, озеленение) в объемах в соответствии с разработанным проектом.
15.2.12 Обратную засыпку и устройство основания в зимнее время следует выполнять по специально разработанному проекту производства работ, обеспечивающему необходимое качество проведения работ.
15.2.13 Исключен с 1 июля 2021 г. - Изменение N 1
15.3.1а Строительство коллекторов закрытым способом следует выполнять в строгом соответствии с разработанными ПОС и ППР, с учетом требований СП 103.13330, СП 116.13330, СП 249.1325800, используя следующие технологии строительства:
- щитовая проходка;
- микротоннелирование;
- горный способ;
- комбинированные технологии.
Допускается использовать другие технологии строительства коллекторов в случае их технико-экономического обоснования.
15.3.1б Щитовую проходку следует выполнять путем проходки коллектора и устройства его обделки с помощью тоннелепроходческого комплекса (ТПК), управляемого находящимся внутри него персоналом и позволяющего выполнять разработку и транспортирование грунта за пределы ТПК, крепление забоя и возведение обделки.
15.3.1в Допускается применять следующие типы ТПК: частично механизированные (забой открытого типа, все процессы механизированы кроме разработки грунта и крепления забоя); тоннелепроходческие механизированные комплексы (ТПМК) (забой открытого или закрытого типа, все основные проходческие процессы механизированы).
15.3.1г Для разработки забоя в ТПМК могут быть использованы роторные (с одновременной разработкой грунта по всей площади забоя) или экскаваторные (с рассекающими полками) рабочие органы.
15.3.1д Микротоннелирование следует выполнять с помощью микротоннелепроходческого комплекса (МТПК) путем продавливания секций обделки (труб) с помощью домкратов и расположенной впереди него, управляемой дистанционно (в автоматическом режиме) проходческой машины, позволяющей без присутствия людей в забое выполнять разработку и транспортирование грунта на поверхность, крепление забоя и продавливание коллектора (трубопровода) из стыкуемых в стартовом (монтажном) котловане (шахтном стволе) труб.
15.3.1е Щитовая проходка и микротоннелирование в неустойчивых грунтах должны выполняться с применением:
- активного пригруза забоя;
- предварительного укрепления грунта в забое;
- водопонижения.
15.3.1 Форму, размеры, последовательность и технологию проходки, а также параметры крепления шахтных стволов следует выполнять в строгом соответствии с разработанными ПОС и ППР. При этом должны быть учтены требования настоящего свода правил, СП 91.13330, СП 103.13330, СП 116.13330, СП 249.1325800, СП 250.1325800, [9] и [10].
15.3.2 При проходке шахтных стволов допускается применять в зависимости от инженерно-геологических и других условий способы производства работ, предусмотренные при выполнении работ открытым способом.
15.3.3 Способы защиты от подземных вод при проходке шахтных стволов следует применять согласно 15.2.2.
15.3.4 Исключен с 1 июля 2021 г. - Изменение N 1
15.3.5 Исключен с 1 июля 2021 г. - Изменение N 1
15.3.6 При строительстве коллекторов проходческими щитами необходимые размеры вертикальных стволов шахт и котлованов в плане определяют в зависимости от их назначения и габаритов применяемого щитового оборудования, которое должно быть там размещено.
15.3.7 Технологию закрытой проходки, выбранный тип (модель) ТПК (ТПМК) и МТПК и его основные характеристики устанавливают в проекте. Их выбор должен осуществляться на основании вида, диаметра и длины строящегося коллектора, инженерно-геологических (в том числе наиболее неблагоприятных) условий трассы.
Каждый проходческий комплекс должен быть снабжен паспортом предприятия-изготовителя и инструкцией по его эксплуатации. Проходка должна осуществляться в соответствии с разработанным для каждого строящегося коллектора регламентом.
15.3.8 Исключен с 1 июля 2021 г. - Изменение N 1
15.3.9 Исключен с 1 июля 2021 г. - Изменение N 1
15.3.10 Исключен с 1 июля 2021 г. - Изменение N 1
15.3.11 Исключен с 1 июля 2021 г. - Изменение N 1
15.3.12 Исключен с 1 июля 2021 г. - Изменение N 1
15.3.13 Исключен с 1 июля 2021 г. - Изменение N 1
15.3.14 Исключен с 1 июля 2021 г. - Изменение N 1
15.3.15 При строительстве коллекторных тоннелей проходческими щитами все подземные выработки должны иметь искусственное или естественное проветривание.
15.3.16 Естественное проветривание допускается при длине проходки коллекторного тоннеля глухим забоем до 45 м в соответствии с требованиями по технике безопасности в строительстве [11].
15.3.17 Объем воздуха, подаваемого в забой, определяют из расчета не менее 6 м3/мин на каждого работающего при проходке без взрывных работ.
15.3.18 При проходке кессонным способом объем подаваемого сжатого воздуха должен быть не менее 25 м3/ч на каждого работающего.
15.3.19 Воздух в тоннеле должен содержать не менее 20% кислорода по объему, при этом допускается содержание в воздухе не более 0,5% углекислого газа.
15.3.20 При выполнении работ вблизи газопроводов, канализации, а также в грунтах, содержащих органические остатки, необходимо брать систематические пробы воздуха на наличие опасных, в том числе воспламеняющихся, газов.
15.3.21 При торкретировании необходимо применять вытяжную вентиляцию с применением местных отсосов для удаления пыли.
15.3.22 Все без исключения подземные выработки должны быть освещены лампами накаливания от источников электроэнергии с напряжением в сухих тоннелях не более 36 В и в сырых тоннелях - 12 В; при этом электропроводку следует выполнять изолированными проводами.
15.3.23 Все материалы и аппаратура для нужд электроосвещения и электроснабжения подземных выработок должны быть в шахтном или во взрывобезопасном исполнении.
15.3.24 Подземные выработки должны иметь два вида освещения: рабочее и аварийное. Рабочее электрическое освещение подземных выработок осуществляется лампами накаливания, аварийное освещение - аккумуляторными и шахтными бензиновыми лампами.
15.3.25 Расстояние между электролампами рабочего освещения не должно превышать: 6 м - в тоннелях и 3 м - в шахтных стволах.
15.3.26 Электрические осветительные и силовые сети следует выполнять с соблюдением требований [4], [6] и [7].
15.3.27 Замеры сопротивления изоляции электропроводок в сети рабочего освещения необходимо проводить не реже одного раза в 3 мес.
Для обеспечения управления качеством производства работ при строительстве коллекторов следует использовать систему управления качеством на строительной площадке (далее - система управления качеством).
Система управления качеством предназначена для обеспечения оперативного доступа к проектной документации и эффективного взаимодействия участников проведения строительных работ при строительстве коллекторов.
Система управления качеством должна представлять собой облачное решение, которое может быть использовано в любом из следующих двух режимов:
- с использованием планшетного ПК;
- с использованием настольного ПК посредством веб-браузера.
Система управления качеством предназначена:
- для обеспечения доступа всех участников строительного процесса к актуальной версии проектной документации на строительной площадке или в офисе круглосуточно;
- повышения качества и снижения издержек при производстве работ за счет эффективного процесса управления замечаниями;
- повышения прозрачности хода строительных работ за счет использования фотоотчетов, иллюстрирующих ход проведения работ, возможности создания пометок на проектной документации, в том числе в виде фотографий, сделанных на объекте;
- повышения уровня контроля за ходом выполнения работ за счет регистрации и анализа объемов выполненных работ, подтвержденных фотографическими материалами;
- снижения издержек на разработку исполнительной документации за счет применения механизма регистрации отступлений от проекта и контроля внесения изменений в исполнительную документацию;
- снижения издержек при эксплуатации объекта за счет эффективной организации работ по вводу объекта в эксплуатацию.
Система управления качеством на строительной площадке должна обеспечивать выполнение следующих функций:
- круглосуточный доступ к последней версии проектной документации;
- интеграция с информационной моделью объекта для загрузки исходных данных в систему управления качеством и привязки информации по ходу работ к объектам информационной модели;
- структурирование информации по проведению работ путем разбиения объекта строительства на участки;
- загрузка/обновление проектной документации по ходу проекта, контроль версий документов;
- регистрация замечаний по качеству и срокам выполнения работ, документации и поставкам, выдача предписаний ответственным сторонам и контроль исполнения работ по замечаниям в установленные сроки;
- смена статусов замечаний в соответствии с процессом управления замечаниями и регламентом использования системы;
- оповещение ответственных о регистрации замечаний;
- оповещение автора об изменении статуса замечания;
- создание фотоотчетов с указанием мест фотографирования на планировках этажей;
- использование фотографий и пометок на проектной документации в замечаниях и фотоотчетах;
- регистрация действий пользователей системы, хранение истории изменения замечаний;
- обеспечение возможности регистрации хода производства и объемов выполненных работ;
- предоставление отчетности.
Система управления качеством на строительной площадке должна предусматривать совместное использование следующими категориями пользователей:
- представители заказчика (включая технический надзор);
- представители генерального подрядчика;
- представители подрядных организаций;
- проектных организаций,
- производителей работ,
- поставщиков.
Система управления качеством должна обеспечивать управление доступом в соответствии с функциями, выполняемыми пользователями в системе.
15.4.2.1 Общие сведения об исполнительной модели
В состав исполнительной документации на коллектор должны входить:
- исполнительные чертежи (планы, профили) с координатной привязкой и сечения с расположением трубопроводов, строительных конструкций и основного оборудования, а также с расстановкой характерных точек коллектора или пикетов;
- паспорта на оборудование;
- сертификаты на использованные материалы;
- общий журнал работ;
- акты скрытых работ;
- исполнительные схемы;
- протоколы испытаний;
- исполнительная модель;
- журнал авторского надзора.
Исполнительная модель коллектора должна представлять собой информационную параметрическую модель коллектора, отражающую конструктивные и технические решения, реализованные в процессе его строительства.
Исполнительная модель коллектора должна включать в себя информацию о конфигурации конструктивных элементов сооружения, инженерного оборудования собственных нужд, оборудования телемеханизации и диспетчеризации, о размещении инженерных коммуникаций в коллекторе и свободных зонах. Каждый элемент информационной модели должен включать в себя информацию о технических параметрах данного элемента.
Исполнительную модель коллектора разрабатывают на этапе выполнения строительно-монтажных работ и передают эксплуатирующей организации на этапе ввода в эксплуатацию в соответствии с ГОСТ 2.601. Разработку исполнительной модели коллектора осуществляет подрядчик, проводящий работы по его строительству.
15.4.2.2 Порядок разработки исполнительной модели
Исполнительную модель коллектора разрабатывают на основе проектной информационной модели путем внесения в нее изменений, проведенных в процессе производства строительных работ.
Регистрацию отступлений от проекта в ходе производства строительных работ осуществляют в системе управления качеством на строительной площадке (см. 12.3).
Изменения проектной модели коллекторов выполняются только на основании зарегистрированных в системе управления качеством на строительной площадке отступлений от проектной документации.
15.5.1 Возможность использования действующих железобетонных и металлических строительных конструкций определяется экспертной организацией на основании их обследования с последующим утверждением такой возможности эксплуатирующей организацией. При этом решение о возможности продолжения эксплуатации принимают при условии, что полезный срок использования составит не менее 15 лет.
Для коммуникационных коллекторов (участков коллекторов), расположенных под проезжей частью дорог категорий I-III, полезный срок использования должен составлять не менее 30 лет.
15.5.2 Восстановление гидроизоляции коллекторов проводят методами инъектирования, тампонирования гидроизоляционными составами, нанесения обмазочной гидроизоляции эластичными и проникающими материалами.
15.5.3 Работы по реконструкции строительных конструкций коллектора следует вести без уменьшения сечения коллектора менее нормативных значений, указанных в 6.2.
15.5.4 При производстве работ по реконструкции закрытым способом следует предусматривать замену и монтаж металлоконструкций без проведения сварочных работ.
15.5.5 На период проведения реконструкции в проектной документации должны быть предусмотрены мероприятия сохранности инженерных сетей, проложенных в коллекторе.
15.5.6 При проведении реконструкции и капитального ремонта тепловых и водопроводных сетей, проложенных в коллекторе, использование вентиляционных шахт для устройства байпасных камер не допускается.
15.5.7 Для обеспечения безопасности сопредельных с реконструируемым участком коллекторов следует устанавливать временные отсечные решетки в соответствии с требованиями 11.2.6-11.2.9.
16.1.1 Защиту строительных конструкций коллектора следует предусматривать в соответствии с требованиями СП 28.13330.
16.1.2 Защиту конструкций коллектора с внутренней стороны рекомендуется предусматривать в виде окрасочных защитных покрытий гидрофобизирующего или подщелачивающего действия или обмазочных изолирующих покрытий на основе полимерных и полимерцементных составов.
16.1.3 При проектировании коммуникационных коллекторов следует предусматривать конструктивные решения, предотвращающие наружную коррозию стальных трубопроводов, или применять неметаллические коррозионно-стойкие трубопроводы.
16.1.4 Для металлических конструкций следует применять антикоррозионные покрытия, наносимые непосредственно на наружную поверхность изделий и трубопроводов.
16.1.5 Не изолированные в заводских условиях концы трубных секций, отводов, тройников и других металлоконструкций следует покрывать антикоррозионным слоем.
16.1.6 В качестве дополнительной защиты стальных трубопроводов, проложенных в коллекторах, от коррозии блуждающими токами необходимо предусматривать следующие мероприятия:
- удаление трассы коллекторов от рельсовых путей электрифицированного транспорта и уменьшение числа пересечений с ним;
- увеличение переходного сопротивления строительных конструкций коллектора путем применения электроизолирующих неподвижных и подвижных опор труб;
- увеличение продольной электропроводности трубопроводов путем установки электроперемычек на сильфонных компенсаторах и на фланцевой арматуре;
- уравнивание потенциалов между параллельными трубопроводами путем установки поперечных токопроводящих перемычек между смежными трубопроводами при применении электрохимической защиты;
- установку электроизолирующих фланцев на вводах трубопроводов к объектам, которые могут быть источниками блуждающих токов (трамвайное депо, тяговые подстанции, ремонтные базы и т.п.).
16.1.7 Поперечные токопроводящие перемычки следует предусматривать в камерах с ответвлениями труб и на транзитных участках тепловых сетей.
16.1.8 Токопроводящие перемычки на осевых компенсаторах следует выполнять из многожильного медного провода, кабеля, стального троса; в остальных случаях допускается применение прутковой или полосовой стали.
Сечение перемычек надлежит определять расчетом и принимать не менее 50 мм2 по меди. Длину перемычек следует определять с учетом максимального теплового удлинения трубопровода. Стальные перемычки должны иметь защитное покрытие от коррозии.
16.1.9 КИП для измерения потенциалов трубопроводов следует устанавливать с интервалом не более 200 м:
- в камерах или местах установки неподвижных опор труб вне камер;
- в местах установки электроизолирующих фланцев;
- в местах пересечения коллекторов с проложенными в них тепловыми сетями, сетями водопровода или газопровода, с рельсовыми путями электрифицированного транспорта; при пересечении более двух путей КИП устанавливают по обе стороны пересечения с устройством, при необходимости, специальных камер;
- в местах пересечения или при параллельной прокладке со стальными инженерными сетями и сооружениями;
- в местах сближения трассы коллектора с проложенными в нем тепловыми, водопроводными или газовыми сетями, с пунктами присоединения отсасывающих кабелей к рельсам электрифицированных дорог.
16.2.1 Для защиты строительных конструкций бетонные и железобетонные несущие элементы следует изготовлять из тяжелых бетонов, соответствующих требованиям ГОСТ 26633.
16.2.2 Для различных видов конструкций следует применять различные классы бетона. Классы бетона для различных видов конструкций приведены в приложении В.
16.2.3 Для несущих конструкций коллектора, имеющих замкнутую по контуру наружную гидроизоляцию, необходимо предусматривать марку бетона по водонепроницаемости не ниже W6 по ГОСТ 12730.5 и F1100 по морозостойкости по ГОСТ 10060.
16.2.4 Для армирования железобетонных несущих конструкций коллектора следует предусматривать горячекатаную и термоупрочненную сталь классов А240-А500 ГОСТ 5781, прочностные и деформационные характеристики которых приведены в СП 63.13330, а также сталь классов А500С и А400С.
16.2.5 При использовании высокоточных сборных железобетонных блоков для водонепроницаемости коллектора следует использовать эластичные прокладки из материалов, обеспечивающих полезный срок службы не менее 50 лет.
Для наружных поверхностей коллектора, камер и других конструкций при их расположении вне зоны уровня грунтовых вод следует предусматривать гидроизоляцию перекрытий указанных сооружений.
Дополнительно допускается использование попутного или донного дренажа.
16.2.6 При расположении коллектора, камер и других конструкций коллекторов ниже максимального уровня стояния грунтовых вод следует предусматривать гидрозащитную изоляцию.
Тип гидроизоляции выбирают на стадии проектирования в зависимости от гидрогеологических условий, принятых конструктивных решений и способов строительства.
Дополнительно допускается использование попутного или донного дренажа.
17.1.1 При проектировании коммуникационных коллекторов и сооружений на них в районах с сейсмичностью 8 и 9 баллов, на подрабатываемых территориях, в районах с просадочными грунтами типа II, засоленными, набухающими, заторфованными и многолетнемерзлыми следует соблюдать требования СП 21.13330, 22.13330, СП 25.13330, СП 249.1325800 и настоящего свода правил.
Примечание - При просадочных грунтах типа I коллекторы допускается проектировать без учета требований настоящего раздела.
17.1.2 Запорную, регулирующую и предохранительную арматуру независимо от диаметров труб и параметров транспортируемой среды принимают из стали.
17.2.1 Расчетную сейсмичность для зданий и сооружений коллекторов следует принимать равной сейсмичности района строительства.
17.2.2 В местах прохождения трубопроводов инженерных сетей через стены коллекторов следует предусматривать зазор между наружной поверхностью трубы, в том числе предизолированной, и проемом, обеспечивающий перемещение трубопровода без смятия изоляции, но не менее 0,2 м. Для заделки зазора следует применять эластичные водогазонепроницаемые материалы.
17.2.3 В местах присоединения трубопроводов к насосам и другому оборудованию следует предусматривать мероприятия, обеспечивающие продольные и угловые перемещения трубопроводов.
17.2.4 Подвижные катковые и шариковые опоры для труб, прокладываемых в коллекторе, принимать не допускается.
17.3.1 Выбор трассы коллекторов, а также размещение камер, дренажных устройств трубопроводов и вентиляционных киосков следует проводить на основе материалов геокриологических изысканий при выполнении инженерно-геологических изысканий на застраиваемой территории с учетом прогноза изменения мерзлотно-грунтовых условий и принятого в соответствии с СП 25.13330 принципа использования многолетнемерзлых грунтов.
17.3.2 Для компенсации трубопроводов следует применять гибкие компенсаторы (различной формы) и углы поворотов трубопроводов. Допускается предусматривать сильфонные и линзовые компенсаторы.
17.3.3 При прокладке коллекторов с наличием в них тепловых сетей в просадочных (при оттаивании) многолетнемерзлых грунтах необходимо предусматривать следующие мероприятия по сохранению устойчивости конструкций коллекторов:
- вести прокладку сетей в коллекторах только при наличии естественной или искусственной вентиляции, обеспечивающей требуемый температурный режим грунта;
- проводить замену грунта в основании коллекторов на непросадочный;
- применять устройство свайного основания, обеспечивать водонепроницаемость коллекторов и камер.
Выбор мероприятий по сохранению устойчивости коллекторов с наличием в них тепловых сетей следует выполнять на основе расчетов зоны оттаивания мерзлого грунта около коллекторов и общего прогноза изменения мерзлотно-грунтовых условий застраиваемой территории.
17.3.4 Ответвления от коллекторов к отдельным зданиям, возводимым или возведенным на многолетнемерзлых грунтах с сохранением мерзлого состояния (принцип I по СП 25.13330.2012), следует предусматривать в вентилируемых участках коллекторов с выходом их на поверхность в пределах проветриваемого подполья зданий. При этом должны быть приняты меры по предотвращению протаивания грунтов под фундаментами зданий.
17.3.5 Дренажные устройства коллекторов должны быть рассчитаны на спуск воды непосредственно в системы канализации с охлаждением воды до температуры, допускаемой конструкциями сетей канализации и исключающей вредное тепловое воздействие на многолетнемерзлые грунты в основании.
17.3.6 Минимальную высоту скользящих опор для напорных трубопроводов, прокладываемых в коллекторах, следует принимать не менее 150 мм.
17.3.7 Расстояние между подвижными опорами труб при прокладке напорных коммуникаций следует принимать с коэффициентом 0,7 к расстояниям, полученным при расчете трубопроводов на прочность.
17.3.8 При прокладке напорных коммуникаций в коллекторах минимальные расстояния в свету между трубопроводами и строительными конструкциями, приведенные в приложении Б, следует увеличивать до перекрытия каналов - на 100 мм, до дна каналов - на 50 мм.
17.3.9 Расстояния в свету по горизонтали от наружных строительных конструкций коллекторов до фундаментов зданий и сооружений следует принимать:
- при строительстве зданий и сооружений на многолетнемерзлых грунтах по принципу I СП 25.13330.2012 - не менее 2 м от зоны оттаивания грунта около коллектора, определяемой расчетом, но не менее значений, указанных в таблице 2;
- при строительстве зданий и сооружений на многолетнемерзлых грунтах по принципу II СП 25.13330.2012 (без сохранения вечной мерзлоты) - не менее значений, указанных в таблице 17.1.
Таблица 17.1
|
Грунт |
Среднегодовая температура многолетнемерзлого грунта, °С | ||
|
От 0 до минус 2 |
От минус 2 до минус 4 |
Ниже минус 4 | |
|
Наименьшие расстояния в свету по горизонтали, м | |||
|
Глинистый |
7 |
6 |
6 |
|
Песчаный |
8 |
7 | |
|
Крупнообломочный |
10 |
8 |
8 |
17.3.10 Здания ДП и других сооружений на коллекторах следует проектировать надземными с вентилируемыми подпольями.
17.4.1 При проектировании коллекторов на подрабатываемых территориях наличие деформационных швов в линейной части коллекторов обязательно, расстояния между деформационными швами принимают по расчету, но не менее 50 м.
17.4.2 Уклоны коллекторов и трубопроводов попутного дренажа следует принимать с учетом ожидаемых уклонов земной поверхности от влияния горных выработок.
17.5.1 При проектировании коллекторов следует предусматривать мероприятия, предотвращающие просадку строительных конструкций, вызывающую прогиб трубопроводов более допустимого расчетного значения.
17.5.2 При прокладке коллекторов параллельно фундаментам зданий и сооружений в засоленных и набухающих грунтах наименьшие расстояния по горизонтали до фундаментов зданий и сооружений должны быть не менее 5 м, в грунтах типа II по просадочности - в соответствии с расчетом зон влияния сооружаемых коллекторов на здания и сооружения.
Наименьшее расстояние по горизонтали до бортового камня автомобильной дороги для коллекторов следует принимать не менее 2 м.
17.5.3 В основании камер следует предусматривать уплотнение грунтов на глубину не менее 1 м.
В основании линейной части коллекторов при значении просадки более 0,4 м следует предусматривать уплотнение грунтов на глубину 0,3 м, а при значении просадки более 0,4 м следует предусматривать дополнительно укладку слоя суглинистого грунта, обработанного водоотталкивающими материалами (битумами или дегтярными), толщиной не менее 0,1 м на всю ширину траншеи.
17.5.4 Под полами ДП, насосных и т.п., а также емкостных сооружений (дренажных резервуаров) следует предусматривать уплотнение грунта на глубину 2-2,5 м. Контур уплотненного грунта должен превышать габариты сооружения не менее чем на 3 м в каждую сторону.
Полы должны быть водонепроницаемыми и иметь уклон не менее 10‰ в сторону водосборного водонепроницаемого приямка. В местах сопряжения полов со стенами следует предусматривать водонепроницаемые плинтусы на высоту 0,1-0,2 м.
17.5.5 Пропуск трубопроводов через стены коллекторов необходимо осуществлять с помощью сальников, обеспечивающих их горизонтальное смещение внутри и за пределы сооружения на 1/5 возможного значения просадки, суффозионной осадки или набухания грунтов в основании.
17.5.6 При ответвлении коллекторов к отдельно стоящим зданиям дно коллектора, примыкающего к зданию, должно быть выше подошвы фундамента на значение не менее 0,5 м.
17.6.1 Трассы коллекторов следует предусматривать на участках:
- с наименьшей суммарной мощностью слоев торфа, илов и насыпных грунтов;
- с уплотненным или осушенным торфом;
- с прочными грунтами, подстилающими торфы.
17.6.2 Основания под коллекторы и камеры следует принимать:
- при мощности слоя торфа до 1 м - с полной выторфовкой с устройством песчаной подушки по всему дну траншеи и монолитной железобетонной плиты под основание каналов и камер;
- при мощности слоя торфа более 1 м - на свайном основании с устройством сплошного железобетонного ростверка под каналы или (в случае попутного дренажа) под дренажные трубы.
18.1 При проектировании, строительстве, реконструкции и эксплуатации коллекторов следует применять материалы и оборудование для обеспечения энергоэффективности и ресурсосбережения инженерных сетей, коммуникаций, зданий и сооружений.
18.2 Уровень и класс энергетической эффективности проектируемого коллектора, а также перечень необходимых мероприятий по повышению энергоэффективности проектируемого сооружения устанавливаются заданием на проектирование.
18.3 При теплотехническом проектировании помещений диспетчерских служб используют положения [12].
18.4 Проектные решения по энергоэффективности и ресурсосбережению проектируемых инженерных коммуникаций коллекторов следует принимать в соответствии с требованиями нормативных документов для каждого типа коммуникаций.
19.1.1 Эксплуатационная модель коллектора должна представлять собой информационную параметрическую модель коллектора, содержащую информацию по его эксплуатации.
Эксплуатационная модель коллектора должна включать в себя информацию о конфигурации конструктивных элементов сооружения, инженерного оборудования собственных нужд, оборудования телемеханизации и диспетчеризации, о размещении инженерных коммуникаций в коллекторе и свободных зонах. Каждый элемент эксплуатационной модели должен включать в себя информацию о технических параметрах и эксплуатационных характеристиках данного элемента.
Эксплуатационная модель коллектора предназначена для хранения и обеспечения доступа к информации по эксплуатации коллектора, выполнению проектов по прокладке коммуникаций по коллектору, разработки проектов по текущим и капитальным ремонтам коллекторов.
Эксплуатационную модель коллектора разрабатывает подрядчик по строительству в процессе ввода объекта в эксплуатацию на основе проектной информационной модели и передает эксплуатирующей организации вместе с исполнительной документацией.
Для коллекторов, спроектированных, построенных и введенных в эксплуатацию без использования информационной модели, разработку эксплуатационной модели выполняет эксплуатирующая организация.
19.1.2 В состав эксплуатационной модели коллектора должны быть включены:
- конструктивные решения;
- системы отопления и вентиляции;
- системы водоснабжения и канализации;
- системы пожаротушения;
- системы электроснабжения и электрооборудование;
- системы телемеханики и диспетчеризации;
- слаботочные системы.
19.1.3 Должны быть выполнены требования по детализации элементов, указанные в 19.1.3.1 и 19.1.3.2.
19.1.3.1 В эксплуатационной модели конструкции коллекторов отображаются:
- конструктивные элементы (стены, перекрытия, балки и т.п.);
- ограждающие конструкции;
- технологические отверстия различного назначения.
19.1.3.2 В архитектурных элементах должны быть указаны следующие параметры:
- тип элемента;
- габаритные размеры;
- материал.
Для визуального сходства конструктивных элементов следует использовать соответствующую материалам цветовую палитру. Должно быть обеспечено внешнее сходство модели коллектора с оригиналом.
19.1.4 Отображаемые инженерные системы должны включать в себя основное оборудование и элементы, указанные в спецификации. Отображаемые компоненты инженерных систем должны иметь условное внешнее сходство с оригиналом, включая цвет, принятый в соответствии с цветом системы в проектной документации, и габаритные размеры. Расположение элементов в модели и их взаимосвязи должны соответствовать расположению и взаимосвязям элементов на объекте. Должны быть отображены следующие параметры оборудования инженерных систем:
- наименование;
- модель оборудования;
- наименование инженерной системы;
- тип оборудования;
- производитель (для оборудования);
- материал (для линейных элементов);
- габаритные размеры.
Наименования инженерных систем и трубопроводов должны соответствовать принятым в принципиальных схемах.
19.1.5 В эксплуатационной модели "Системы отопления и вентиляции" отображаются:
- вентиляционные установки;
- воздуховоды;
- огнезадерживающие клапаны;
- канальные вентиляторы;
- вентиляционные решетки, диффузоры;
- радиаторы;
- тепловентиляторы;
- запорно-регулирующая арматура.
19.1.5.1 В эксплуатационной модели не отображаются:
- внутреннее устройство вентиляционных установок;
- элементы крепления воздуховодов и оборудования.
19.1.6 В эксплуатационной модели "Системы водоснабжения и канализации" отображаются:
- оборудование водоснабжения и канализации;
- трубопроводы;
- ливневые воронки;
- запорно-регулирующая арматура.
19.1.6.1 В эксплуатационной модели не отображаются:
- внутреннее устройство оборудования;
- элементы крепления трубопроводов и оборудования.
19.1.7 В эксплуатационной модели "Системы пожаротушения" отображаются:
- трубопроводы;
- спринклеры;
- пожарные шкафы;
- запорно-регулирующая арматура.
19.1.7.1 В эксплуатационной модели не отображаются:
- внутреннее устройство пожарных шкафов;
- элементы крепления труб и оборудования.
19.1.8 В эксплуатационной модели "Системы электроснабжения и электрооборудования" отображаются:
- кабельные лотки;
- щиты;
- электрооборудование.
19.1.8.1 В эксплуатационной модели не отображаются:
- внутреннее устройство электрооборудования, щитов;
- элементы крепления лотков и электрооборудования;
- кабели.
19.1.9 В эксплуатационной модели "Системы освещения внутреннего (ЭО)" отображаются:
- светильники;
- лампы.
19.1.9.1 В эксплуатационной модели не отображаются:
- внутреннее устройство светильников и ламп;
- элементы крепления светильников и ламп;
- кабели.
19.1.10 В эксплуатационной модели "Системы автоматизации и слаботочные системы" отображаются:
- датчики;
- терморегуляторы;
- щиты;
- коммуникационные шкафы.
19.1.10.1 В эксплуатационной модели не отображаются:
- внутреннее устройство датчиков, терморегуляторов, щитов;
- элементы крепления датчиков, терморегуляторов, щитов;
- внутренние элементы коммуникационных шкафов;
- кабели.
19.2.1 Общие сведения о СУТЭ
Для обеспечения эффективной эксплуатации коллекторов следует применять СУТЭ.
СУТЭ создается при обосновании и наличии требований по ее созданию и организации, эксплуатирующей коллектор.
СУТЭ предназначена для организации и автоматизации процессов эксплуатации, обеспечения эффективной и безопасной эксплуатации проектируемого объекта и его инженерной инфраструктуры.
СУТЭ предназначена для решения следующих задач:
- обеспечение безопасных условий эксплуатации коллекторов за счет обеспечения учета объектов эксплуатации и контроля проведения мероприятий по их поддержанию в работоспособном состоянии;
- организация централизованного контроля за текущим состоянием коллекторов путем получения и анализа оперативной информации по эксплуатации от систем диспетчеризации;
- сокращение затрат на эксплуатацию коллекторов за счет эффективного планирования, организации и автоматизации процессов эксплуатации;
- снижение затрат на энергоресурсы путем учета их потребления, выявления перерасходов, корректировки и оптимизации принципов их использования в процессе эксплуатации.
19.2.2 Состав и архитектура СУТЭ
СУТЭ должна представлять собой комплексное решение по организации процессов эксплуатации объекта и включать в себя организационную часть, регламентирующую процессы эксплуатации, и средства автоматизации процессов эксплуатации.
Организационная часть СУТЭ должна включать в себя регламентирующую документацию по процессам эксплуатации: описания и регламенты процессов эксплуатации, ролевые инструкции, описания используемых печатных форм и отчетов.
В основе решения по организации процессов эксплуатации должна лежать ролевая модель службы эксплуатации, которая должна представлять собой набор взаимосвязанных ролей сотрудников, позволяющий группировать функциональные задачи сотрудников службы эксплуатации без жесткой привязки к штатному расписанию эксплуатирующей организации. Роль должна описывать набор функций, которые выполняет сотрудник эксплуатирующей организации в своей деятельности, в рамках одного или нескольких процессов эксплуатации. Сотрудник эксплуатирующей организации объекта должен иметь возможность выполнять одну или несколько ролей. Ролевая модель службы эксплуатации объекта должна включать в себя роли, приведенные в таблице 19.1.
Таблица 19.1
|
Наименование роли |
Выполняемые функции |
Примечание |
|
1 Главный инженер |
Контроль эксплуатации объекта на основе отчетов и оперативных данных СУТЭ, утверждение графика планового обслуживания | |
|
2 Главный энергетик |
Контроль выполнения работ по эксплуатации объекта, контроль составления графика планового обслуживания, учет энергоресурсов | |
|
3 Инженеры по эксплуатации оборудования |
Организация и контроль проведения работ по аварийным заявкам и плановому техническому обслуживанию в зоне своей ответственности, ведение графика планового обслуживания инженерного оборудования | |
|
4 Инженеры по текущим и капитальным ремонтам |
Анализ результатов оценки технического состояния и аварийных ситуаций, планирование и контроль проведения работ по текущим и капитальным ремонтам | |
|
5 Диспетчер |
Прием обращений по телефону. Регистрация, обработка и контроль исполнения заявок в СУТЭ. Решение заявок посредством АСДУ. Организация работ по решению заявок. Учет и обновление информации о помещениях | |
|
6 Ответственный за материальное снабжение |
Учет расходных материалов и запасных частей. Актуализация складских остатков в СУТЭ |
19.2.3 СУТЭ должна включать в себя решения по организации следующих процессов эксплуатации объекта:
- процесс управления использованием сооружений;
- процесс учета оборудования собственных нужд;
- процесс оценки технического состояния;
- процесс управления текущими и капитальными ремонтами;
- процесс планового технического обслуживания;
- процесс аварийного обслуживания;
- процесс управления договорами;
- процесс учета энергоресурсов;
- процесс учета расходования запасных частей и расходных материалов;
- процесс управления эксплуатационной документацией.
Для каждого процесса эксплуатации должны быть четко сформулированы цели и задачи, описаны участники процессов, разработана регламентирующая документация, включающая в себя описания, схемы, регламенты и ролевые инструкции участников процессов.
Схемы процессов эксплуатации должны быть разработаны в нотации ЕРС (англ. Event-driven Process Chain - событийная цепочка процессов).
19.2.4 СУТЭ должна предусматривать хранение всей информации по технической эксплуатации объекта, в том числе:
- об объектах эксплуатации, а также их классификации;
- проводимых плановых и внеплановых работах;
- технологических инструкциях и регламентах обслуживания оборудования;
- нормативах проведения текущих и капитальных ремонтов;
- номенклатуре используемых расходных материалов и запасных частей;
- сотрудниках эксплуатирующих организаций, их квалификации и исполняемых ими заявках и работах;
- показаниях счетчиков энергоресурсов и показателях энергетической эффективности объектов;
- эксплуатационной документации.
19.2.5 СУТЭ должна обеспечивать хранение данных видов информации и их взаимосвязей в структурированном виде. Для этого на этапе создания системы должна быть разработана модель данных СУТЭ.
Модель данных СУТЭ должна представлять собой логическую структуру взаимосвязанных между собой данных с указанием их типов, категорий и разрешений. Связи между данными должны определять взаимосвязи между соответствующими объектами или обозначать возможность использования информации различных типов при описании того или иного объекта.
19.2.6 Средства автоматизации СУТЭ должны включать в себя программное обеспечение для автоматизации процессов эксплуатации, включающее в себя:
- базу данных;
- сервер приложений;
- веб-сервер доступа к СУТЭ;
- клиентское программное обеспечение пользователей СУТЭ;
- средства интеграции с системами диспетчеризации;
- модуль оповещений ответственных лиц.
19.2.7 Базу данных СУТЭ следует разрабатывать в соответствии с моделью данных СУТЭ. Она должна служить для хранения информации по эксплуатации и обеспечения ее доступности для остальных компонентов СУТЭ. Для управления базой данных следует использовать реляционную базу данных.
19.2.8 Сервер приложений СУТЭ должен представлять собой программную среду, предназначенную для эффективного исполнения процедур и системных скриптов СУТЭ и обеспечения обработки пользовательских запросов.
19.2.9 Веб-сервер доступа к СУТЭ должен обеспечивать доступ к функциям СУТЭ посредством веб-браузера и быть платформой для разработки интерфейсов сотрудников эксплуатирующих организаций и других пользователей СУТЭ.
19.2.10 Сервер приложений и веб-сервер доступа к системе должны быть реализованы на свободно распространяемой платформе ApacheTomcat. Для разработки интерфейсов и логики работы СУТЭ применяют следующие технологии:
- язык разметки XML;
- язык программирования Java Script;
- язык гипертекстовой разметки HTML;
- технология JSP для обработки запросов на сервере;
- flash-технология для отображения планировок.
19.2.11 Сервер СУТЭ должен обеспечивать одновременную работу всех пользователей. Сервер СУТЭ не должен иметь ограничения на число пользователей. Допускается ограничивать исключительно число одновременных подключений к системе. При создании СУТЭ следует выполнить расчет числа одновременных подключений. СУТЭ должна обеспечивать расчетное число подключений с запасом не менее 20%.
19.2.12 Интерфейсы пользователей следует разрабатывать по ролям в соответствии с операциями, выполняемыми пользователями СУТЭ в рамках процессов эксплуатации. Они не должны содержать доступ к функциям, выполнение которых не предусмотрено процессами эксплуатации.
Интерфейсы пользователей следует разрабатывать исходя из соответствия ролевой модели и минимизации числа кликов при доступе к функциям СУТЭ, выполняемым пользователем.
19.2.13 Модуль интеграции с системами диспетчеризации АСУД должен обеспечивать возможность получения СУТЭ информации от АСУД.
В рамках интеграции должны быть обеспечены передача информации об аварийных ситуациях в работе инженерных систем из АСУД в СУТЭ с последующей регистрацией неисправности, прием сигналов АСУД о запуске и остановке инженерного оборудования с последующим формированием графиков его работы, прием показаний счетчиков технического учета энергоресурсов (если применимо).
19.2.14 В рамках интеграции СУТЭ должна обеспечивать прием следующей информации об авариях:
- дата регистрации неисправности;
- время регистрации неисправности;
- место возникновения неисправности;
- оборудование, на котором возникла неисправность;
- текст сообщения о неисправности.
19.2.15 В рамках интеграции СУТЭ должна обеспечивать прием следующей информации о запусках и остановках инженерного оборудования:
- идентификатор оборудования;
- тип события (запуск, остановка);
- дата события;
- время события.
19.2.16 В рамках интеграции СУТЭ должна обеспечивать прием следующей информации о показаниях счетчиков учета энергоресурсов:
- идентификатор оборудования;
- значения показаний (до трех показаний);
- дата события;
- время события.
Интеграция с АСДУ должна обеспечивать возможность формирования в СУТЭ единого актуального журнала всех событий в инженерной инфраструктуре объекта.
19.2.17 Модуль оповещений должен обеспечивать передачу информации о необходимости проведения работ ответственному специалисту эксплуатирующей организации в автоматическом режиме.
19.3.1 СУТЭ должна обеспечивать выполнение следующих функций в рамках автоматизации процессов эксплуатации:
- импорт информации об объектах эксплуатации из информационной модели сооружений;
- хранение и редактирование информации об объектах эксплуатации, их типах, характеристиках, состоянии, поставщиках, хронологии проведения работ и т.п.;
- отображение мест размещения инженерного оборудования на планировках коллекторов;
- отображение использования коллекторов при прокладке коммуникаций, анализ возможности прокладки коммуникаций в коллекторе;
- возможность графического (визуального) представления и настройки рабочих процессов для автоматизации процессов эксплуатации;
- возможность привязки документов (паспортов, фотографий и пр.) к объектам эксплуатации;
- разработка плана технического обслуживания элементов коллектора;
- разработка планов проведения текущих и капитальных ремонтов;
- регистрация заявок на выполнение работ и контроль их исполнения в указанный срок;
- контроль исполнения работ по плановому техническому обслуживанию и заявкам;
- автоматическое ведение журналов учета заявок, аварий, работ на объектах эксплуатации с указанием ответственных лиц, сроков и результатов работ;
- контроль выполнения сроков проведения работ и решения заявок;
- формирование и печать нарядов на работы;
- ведение эксплуатационных журналов;
- формирование и печать аналитических отчетов о функционировании процессов эксплуатации, в том числе отчетов:
- о распределении заявок по типам, участкам, приоритету, ответственным, срокам, времени исполнения,
- временных и количественных показателях выполнения работ по техническому обслуживанию и по заявкам,
- показателях занятости сотрудников эксплуатирующих организаций, как по группам, так и персонально,
- эксплуатационных показателях объектов эксплуатации (срок службы, число аварий и т.п.),
- энергетической эффективности объектов эксплуатации.
19.3.2 Доступ к функциям СУТЭ должен быть организован через интерфейсы пользователей СУТЭ в соответствии с ролевой моделью.
19.3.3 СУТЭ должна обеспечивать аутентификацию пользователей при доступе в систему, автоматическое назначение пользователю соответствующей роли и конфигурацию интерфейса пользователя в соответствии с выполняемыми им функциями в процессах эксплуатации.
СУТЭ должна иметь возможность интеграции с информационной моделью коллектора.
В рамках интеграции должна быть обеспечена:
- передача информации об оборудовании из модели в СУТЭ;
- передача информации о помещениях.
Эксплуатационную модель коллектора следует разрабатывать на этапе выполнения строительно-монтажных работ и передавать эксплуатирующей организации на этапе ввода в эксплуатацию в соответствии с ГОСТ 2.601 и настоящим разделом.
20.1 Используемое для разработки и разрабатываемое ПО должно быть свободно от прав третьих лиц, не нарушать авторские, патентные и другие права интеллектуальной собственности третьих лиц на территории Российской Федерации.
20.2 ПО должно быть достаточным для реализации функций подсистемы сбора и передачи данных в системе управления коллекторов.
20.3 ПО должно обеспечивать подключение и передачу на ЦДП текущих и статистических данных.
20.4 ПО должно обеспечивать подключение и передачу на ЦДП мгновенных значений с приборов локальной автоматики, установленных в коллекторах.
20.5 На верхнем уровне системы ПО должно обеспечивать доступ к данным ЦДП в соответствии с международным стандартом и быть сертифицированным органами Росстандарта в качестве измерительной системы с включением в Государственный реестр средств измерений.
______________________________
* Указывают соответствующую категорию: A F/R, А, В, С или D.
Приложение А
(обязательное)
Приложение Б
Таблица Б.1 - Минимальные расстояния в свету между теплопроводами и строительными конструкциями коллектора
|
Наименование |
Минимальный размер, мм |
|
Вертикальное расстояние между горизонтальными конструкциями: для силовых кабелей числом 2-4 |
До 10 кВ - 200 20-35 кВ - 250 |
|
То же, более 4 |
≥0,6 длины консоли конструкции, но не менее 150 |
|
Для контрольных кабелей и кабелей связи вертикальное и горизонтальное расстояние в свету между одиночными силовыми кабелями при напряжении до 1 кВ |
100 |
|
Горизонтальное расстояние между контрольными кабелями и кабелями связи |
Не нормируется |
|
Вертикальное расстояние в свету между кабелями и параллельно проложенными трубопроводами различного назначения |
200 |
Таблица Б.3 - Минимальные расстояния в свету между теплопроводами и строительными конструкциями камер
|
Наименование |
Минимальный размер, мм |
|
От стенок трубы | |
|
- при диаметре трубопроводов до 400 мм: |
300 |
|
- при диаметре 500-600 мм |
500 |
|
- при диаметре более 600 мм |
700 |
|
Плоскости фланцев | |
|
- при диаметре трубопроводов до 400 мм |
300 |
|
- при диаметре более 400 мм |
500 |
|
Края раструба, обращенного к стене: | |
|
- при диаметре трубопроводов до 300 мм |
400 |
|
- при диаметре более 400 мм |
500 |
|
Маховик до внутренних поверхностей стен и перекрытия |
500 |
|
От низа трубы до дна камеры: | |
|
- при диаметре трубопроводов до 400 мм |
250 |
|
- при диаметре 500-600 мм |
300 |
|
- при диаметре более 600 мм |
350 |
Приложение В
Таблица В.1
|
Вид конструкции |
Класс бетона |
|
Железобетонные блоки высокой точности изготовления из водонепроницаемого бетона для обделок закрытого способа работ |
В40 |
|
Обычные железобетонные блоки для обделок закрытого способа работ |
В30 |
|
Железобетонные элементы сборных конструкций открытого способа работ, несущие конструкции из монолитного железобетона |
В25 |
|
Внутренние конструкции из монолитного железобетона, бетонные подготовки под гидроизоляцию |
В15 |
|
Бетонный лоток, бетонная дорожка для прохода |
В10 |
Приложение Г

1 - водопровод; 2 - подающий теплопровод; 3 - обратный теплопровод; 4 - силовые кабели; 5 - кабели связи; 6 - кабели собственных нужд
Рисунок Г.1

B - ширина коллектора; b - толщина стенки коллектора; H - высота коллектора; h -толщина плиты коллектора; hв - высота верхней секции коллектора; hн - высота нижней секции коллектора
Рисунок Г.2 - Типовые однопролетные коллекторы

B - ширина коллектора; H - высота коллектора
Рисунок Г.3 - Типовые двухпролетные коллекторы

B - ширина коллектора; H - высота коллектора
Рисунок Г.4 - Типовые трехпролетные коллекторы
Библиография
|
[1] |
Постановление Правительства Российской Федерации от 19 января 2006 г. N 20 "Об инженерных изысканиях для подготовки проектной документации, строительства, реконструкции объектов капитального строительства" | |
|
[2] |
Исключена с 1 июля 2021 г. - Изменение N 1 | |
|
[3] |
Федеральный закон от 30 декабря 2009 г. N 384-ФЗ "Технический регламент о безопасности зданий и сооружений" | |
|
[4] |
ПУЭ |
Правила устройства электроустановок (6-е и 7-е изд.) |
|
[5] |
Федеральный закон от 22 июля 2008 г. N 123-ФЗ "Технический регламент о требованиях пожарной безопасности" | |
|
[6] |
ПТЭЭП |
Правила технической эксплуатации электроустановок потребителей |
|
[7] |
ПТБЭЭП |
Правила техники безопасности при эксплуатации электроустановок потребителей (4-е изд.) |
|
[8] |
РД 05-325-99 |
Нормы безопасности на основное горно-транспортное оборудование для угольных шахт |
|
[9] |
ВСН 127-91 |
Нормы по проектированию и производству работ по искусственному понижению уровня подземных вод при сооружении тоннелей и метрополитенов |
|
[10] |
СН 322-74 |
Указания по производству и приемке работ по строительству в городах и на промышленных предприятиях коллекторных тоннелей, сооружаемых способом щитовой проходки |
|
[11] |
СНиП 12-03-2001 |
Безопасность труда в строительстве. Часть 1. Общие требования |
|
[12] |
СП 23-101-2004 |
Проектирование тепловой защиты зданий |


