ГОСТ Р 71523-2024 ОПТИКА И ФОТОНИКА. ГАЙКИ ДЛЯ ОПТИЧЕСКОГО ПРИБОРОСТРОЕНИЯ. КОНСТРУКЦИЯ И РАЗМЕРЫ
Утв. и введен в действие Приказом Федерального агентства по техническому регулированию и метрологии от 23 июля 2024 г. N 954-ст
Национальный стандарт РФ ГОСТ Р 71523-2024
"ОПТИКА И ФОТОНИКА. ГАЙКИ ДЛЯ ОПТИЧЕСКОГО ПРИБОРОСТРОЕНИЯ. КОНСТРУКЦИЯ И РАЗМЕРЫ"
Optics and photonics. Nuts for optical instrument making. Design and dimensions
ОКС 01.100
Дата введения - 1 января 2025 года
Введен впервые
Предисловие
1 РАЗРАБОТАН Федеральным государственным унитарным предприятием "Всероссийский научно-исследовательский институт "Центр" (ФГУП "ВНИИ "Центр")
2 ВНЕСЕН Техническим комитетом по стандартизации ТК 296 "Оптика и фотоника"
3 УТВЕРЖДЕН И ВВЕДЕН В ДЕЙСТВИЕ Приказом Федерального агентства по техническому регулированию и метрологии от 23 июля 2024 г. N 954-ст
4 ВВЕДЕН ВПЕРВЫЕ
Правила применения настоящего стандарта установлены в статье 26 Федерального закона от 29 июня 2015 г. N 162-ФЗ "О стандартизации в Российской Федерации". Информация об изменениях к настоящему стандарту публикуется в ежегодном (по состоянию на 1 января текущего года) информационном указателе "Национальные стандарты", а официальный текст изменений и поправок - в ежемесячном информационном указателе "Национальные стандарты". В случае пересмотра (замены) или отмены настоящего стандарта соответствующее уведомление будет опубликовано в ближайшем выпуске ежемесячного информационного указателя "Национальные стандарты". Соответствующая информация, уведомление и тексты размещаются также в информационной системе общего пользования - на официальном сайте Федерального агентства по техническому регулированию и метрологии в сети Интернет (www.rst.gov.ru)
1 Область применения
Настоящий стандарт распространяется на гайки для оптического приборостроения и устанавливает их конструкцию и размеры.
2 Нормативные ссылки
В настоящем стандарте использованы нормативные ссылки на следующие стандарты:
ГОСТ 1759.0 Болты, винты, шпильки и гайки. Технические условия
ГОСТ 10549 Выход резьбы. Сбеги, недорезы, проточки и фаски
ГОСТ 16093 (ИСО 965-1:1998, ИСО 965-3:1998) Основные нормы взаимозаменяемости. Резьба метрическая. Допуски. Посадки с зазором
ГОСТ 21474 Рифления прямые и сетчатые. Форма и основные размеры
ГОСТ 24643 Основные нормы взаимозаменяемости. Допуски формы и расположения поверхностей. Числовые значения
ГОСТ 24705 (ИСО 724:1993) Основные нормы взаимозаменяемости. Резьба метрическая. Основные размеры
ГОСТ ISO 4759-1 Изделия крепежные. Допуски. Часть 1. Болты, винты, шпильки и гайки. Классы точности A, B и C
ГОСТ ISO 6157-2 Изделия крепежные. Дефекты поверхности. Часть 2. Гайки
Примечание - При пользовании настоящим стандартом целесообразно проверить действие ссылочных стандартов в информационной системе общего пользования - на официальном сайте Федерального агентства по техническому регулированию и метрологии в сети Интернет или по ежегодному информационному указателю "Национальные стандарты", который опубликован по состоянию на 1 января текущего года, и по выпускам ежемесячного информационного указателя "Национальные стандарты" за текущий год. Если заменен ссылочный стандарт, на который дана недатированная ссылка, то рекомендуется использовать действующую версию этого стандарта с учетом всех внесенных в данную версию изменений. Если заменен ссылочный стандарт, на который дана датированная ссылка, то рекомендуется использовать версию этого стандарта с указанным выше годом утверждения (принятия). Если после утверждения настоящего стандарта в ссылочный стандарт, на который дана датированная ссылка, внесено изменение, затрагивающее положение, на которое дана ссылка, то это положение рекомендуется применять без учета данного изменения. Если ссылочный стандарт отменен без замены, то положение, в котором дана ссылка на него, рекомендуется применять в части, не затрагивающей эту ссылку.
3 Общие положения
3.1 Настоящий стандарт устанавливает общие требования к конструкции и размерам гаек, используемых в оптическом приборостроении.
3.2 Конструкция и размеры
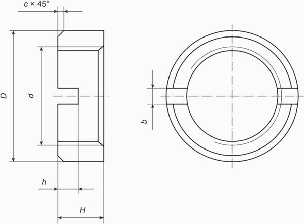
3.2.1 Круглые низкие гайки со шлицем диаметром резьбы от 6 до 24 мм
Конструкция и размеры гаек должны соответствовать указанным на рисунке 1 и в таблицах 1 и 2.

Рисунок 1 - Конструкция круглых низких гаек со шлицем
Таблица 1 - Размеры круглых низких гаек со шлицем
В миллиметрах
|
Номинальный диаметр резьбы d |
6 |
7 |
8 |
9 |
10 |
12 |
14 |
16 |
18 |
20 |
22 |
24 | |
|
Шаг резьбы P |
Мелкий |
0,75 | |||||||||||
|
Диаметр гайки D |
Номин. |
9 |
10 |
11 |
12 |
13 |
15 |
17 |
20 |
22 |
24 |
26 |
30 |
|
Пред. откл. по h14 |
-0,36 |
-0,43 |
-0,52 | ||||||||||
|
Высота гайки H |
Номин. |
3,5 |
4,0 |
4,5 |
5,0 |
6,0 |
7,0 |
8,0 | |||||
|
Пред. откл. по h14 |
-0,30 |
-0,36 | |||||||||||
|
Ширина шлица b |
Номин. |
0,8 |
1,2 |
1,6 |
2,0 |
2,5 | |||||||
|
Пред. откл. по H14 |
+0,15 |
+0,40 | |||||||||||
|
Глубина шлица h |
Номин. |
1,5 |
1,8 |
2,0 |
2,2 |
2,5 |
3,0 |
3,5 | |||||
|
Пред. откл. по IT14 |
0,25 |
0,30 | |||||||||||
|
Фаска c |
0,6 |
0,8 | |||||||||||
|
Допуск соосности наружного диаметра относительно резьбы d в диаметральном выражении - по 12-й степени точности согласно ГОСТ 24643 |
0,16 |
0,20 |
0,25 | ||||||||||
|
Допуск симметричности шлица относительно оси резьбы в диаметральном выражении - по 13-й степени точности согласно ГОСТ 24643 |
0,25 |
0,30 |
0,40 | ||||||||||
Таблица 2 - Применяемость материалов для круглых низких гаек со шлицем
|
Номинальный диаметр резьбы d, мм |
Применяемость |
Теоретическая масса 1000 шт. стальных гаек, кг | |
|
Класс прочности или группа материала | |||
|
5 |
32 | ||
|
6 |
По [1] |
0,9 | |
|
7 |
1,1 | ||
|
8 |
1,4 | ||
|
9 |
1,6 | ||
|
10 |
2,1 | ||
|
12 |
2,6 | ||
|
14 |
2,8 | ||
|
16 |
5,5 | ||
|
18 |
6,2 | ||
|
20 |
7,0 | ||
|
22 |
7,6 | ||
|
24 |
17,1 | ||
Примечания
1 Для определения массы латунных гаек значения массы, указанные в таблице 2, должны быть умножены на коэффициент 1,08.
2 Резьба - по ГОСТ 24705, поле допуска 6H - по ГОСТ 16093, фаски - по ГОСТ 10549.
3 Материалы и покрытия - по [1].
4 Допуски, методы контроля размеров и отклонения формы и расположения поверхностей - по ГОСТ ISO 4759-1.
5 Дефекты поверхности и методы контроля - по ГОСТ ISO 6157-2.
6 Остальные технические требования - по ГОСТ 1759.0.
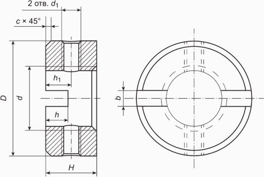
3.2.2 Круглые гайки со шлицем и отверстиями для стопора диаметром резьбы от 2,5 до 12 мм
Конструкция и размеры гаек должны соответствовать указанным на рисунке 2 и в таблицах 3 и 4.

Рисунок 2 - Конструкция круглых гаек со шлицем и отверстиями для стопора
Таблица 3 - Размеры круглых гаек со шлицем и отверстиями для стопора
В миллиметрах
|
Номинальный диаметр резьбы d |
2,5 |
3,0 |
4,0 |
5,0 |
6,0 |
8,0 |
10,0 |
12,0 | |
|
Шаг резьбы P |
0,45 |
0,50 |
0,70 |
0,80 |
1,00 |
1,25 |
1,50 |
1,75 | |
|
Диаметр гайки D |
Номин. |
5 |
6 |
8 |
10 |
11 |
14 |
18 |
22 |
|
Пред. откл. по h12 |
-0,12 |
-0,15 |
-0,18 |
-0,21 | |||||
|
Высота гайки H |
Номин. |
2,5 |
3,5 |
4,0 |
5,0 |
6,0 |
8,0 |
10,0 | |
|
Пред. откл. по h14 |
-0,25 |
-0,30 |
-0,36 | ||||||
|
Диаметр отверстия d1 |
М1,4 |
М2,0 |
М3,0 |
М4,0 | |||||
|
Расстояние от торца до оси отверстия h1 |
Номин. |
1,1 |
1,2 |
1,8 |
2,0 |
2,5 |
3,2 |
4,0 |
5,0 |
|
Пред. откл. по js14 |
+0,125 |
+0,150 | |||||||
|
Ширина шлица b |
Номин. |
0,6 |
0,8 |
1,0 |
1,2 |
1,6 |
2,0 |
2,5 |
3,0 |
|
Пред. откл. по H14 |
+0,25 | ||||||||
|
Глубина шлица h |
Номин. |
0,7 |
0,9 |
1,0 |
1,2 |
2,0 |
2,5 |
3,5 |
4,0 |
|
Пред. откл. по H16 |
+0,60 |
+0,75 | |||||||
|
Фаска c |
0,2 |
0,4 |
0,6 |
0,8 |
1,0 | ||||
|
Допуск соосности наружного диаметра относительно резьбы d в диаметральном выражении - по 12-й степени точности согласно ГОСТ 24643 |
0,12 |
0,16 |
0,20 | ||||||
|
Допуск симметричности шлица относительно оси резьбы d в диаметральном выражении - по 13-й степени точности согласно ГОСТ 24643 |
0,20 |
0,25 |
0,30 | ||||||
Таблица 4 - Применяемость материалов для круглых гаек со шлицем и отверстиями для стопора
|
Номинальный диаметр резьбы d, мм |
Применяемость |
Теоретическая масса 1000 шт. стальных гаек, кг | |
|
Класс прочности или группа материала | |||
|
5 |
32 | ||
|
2,5 |
По [1] |
0,28 | |
|
3,0 |
0,38 | ||
|
4,0 |
1,00 | ||
|
5,0 |
2,40 | ||
|
6,0 |
2,75 | ||
|
8,0 |
5,00 | ||
|
10,0 |
10,60 | ||
|
12,0 |
21,00 | ||
Примечания
1 Для определения массы латунных гаек значения массы, указанные в таблице 4, должны быть умножены на коэффициент 1,08.
2 Резьба - по ГОСТ 24705, поле допуска 6H - по ГОСТ 16093, фаски - по ГОСТ 10549.
3 Материалы и покрытия - по [1].
4 Допуски, методы контроля размеров и отклонения формы и расположения поверхностей - по ГОСТ ISO 4759-1.
5 Дефекты поверхности и методы контроля - по ГОСТ ISO 6157-2.
6 Остальные технические требования - по ГОСТ 1759.0.
3.2.3 Круглые гайки с торцевыми отверстиями "под ключ" и отверстием для стопора диаметром резьбы от 2,5 до 10,0 мм
Конструкция и размеры гаек должны соответствовать указанным на рисунке 3 и в таблицах 5 и 6.

Рисунок 3 - Конструкция круглых гаек с торцевыми отверстиями "под ключ" и отверстием для стопора
Таблица 5 - Размеры круглых гаек с торцевыми отверстиями "под ключ" и отверстием для стопора
В миллиметрах
|
Номинальный диаметр резьбы d |
2,5 |
3,0 |
4,0 |
5,0 |
6,0 |
8,0 |
10,0 | |
|
Шаг резьбы P |
0,45 |
0,50 |
0,70 |
0,80 |
1,00 |
1,25 |
1,50 | |
|
Диаметр гайки D |
Номин. |
7 |
8 |
10 |
12 |
14 |
18 |
22 |
|
Пред. откл. по h14 |
-0,36 |
-0,43 |
-0,52 | |||||
|
Высота гайки H |
Номин. |
2,4 |
2,6 |
3,6 |
4,2 |
5,0 |
6,5 |
8,0 |
|
Пред. откл. по h12 |
-0,10 |
-0,12 |
-0,15 | |||||
|
Диаметр отверстия d1 |
Номин. |
1,2 |
1,5 |
2,0 |
2,5 |
3,0 | ||
|
Пред. откл. по H13 |
+0,14 |
+0,18 | ||||||
|
Глубина отверстия h |
Номин. |
1,5 |
2,0 |
2,5 |
3,0 |
3,5 |
4,0 | |
|
Пред. откл. по H14 |
± 0,25 |
± 0,30 | ||||||
|
Межцентровое расстояние A |
5,0 |
5,5 |
7,0 |
8,0 |
10,0 |
13,0 |
15,0 | |
|
Резьбовое отверстие d2 |
М1,2 |
М1,6 |
М2 |
М3 | ||||
|
Расстояние от торца до оси отверстия d2 h1 |
Номин. |
1,2 |
1,3 |
1,8 |
2,1 |
2,5 |
3,2 |
4,0 |
|
Пред. откл. по js13 |
± 0,07 |
± 0,09 | ||||||
|
Фаска c |
- |
0,5 |
0,8 | |||||
Таблица 6 - Применяемость материалов для круглых гаек с торцевыми отверстиями "под ключ" и отверстием для стопора
|
Номинальный диаметр резьбы d, мм |
Применяемость |
Теоретическая масса 1000 шт. стальных гаек, кг | |
|
Класс прочности или группа материала | |||
|
5 |
32 | ||
|
2,5 |
По [1] |
0,55 | |
|
3,0 |
0,86 | ||
|
4,0 |
2,00 | ||
|
5,0 |
3,70 | ||
|
6,0 |
4,60 | ||
|
8,0 |
9,40 | ||
|
10,0 |
18,50 | ||
Примечания
1 Для определения массы латунных гаек значения массы, указанные в таблице 6, должны быть умножены на коэффициент 1,08.
2 Резьба - по ГОСТ 24705, поле допуска 6H - по ГОСТ 16093, фаски - по ГОСТ 10549.
3 Материалы и покрытия - по [1].
4 Допускается изготавливать гайки без отверстия под стопор d2.
5 Допуски, методы контроля размеров и отклонения формы и расположения поверхностей - по ГОСТ ISO 4759-1:
- допуск перпендикулярности опорной поверхности гайки относительно оси резьбы d - по 9-й степени точности;
- допуск соосности наружной цилиндрической поверхности гайки относительно оси резьбы d - по 11-й степени точности.
6 Позиционный допуск двух отверстий d1 диаметром 0,1 мм (допуск зависимый).
7 Методы контроля размеров и отклонений формы и расположения поверхностей - по ГОСТ ISO 4759-1.
8 Дефекты поверхности и методы контроля - по ГОСТ ISO 6157-2.
9 Остальные технические требования - по ГОСТ 1759.0.
3.2.4 Шлицевые круглые гайки с отверстием для стопора диаметром резьбы от 10 до 33 мм
Конструкция и размеры гаек должны соответствовать указанным на рисунке 4 и в таблицах 7 и 8.

Рисунок 4 - Конструкция шлицевых круглых гаек с отверстием для стопора
Таблица 7 - Размеры шлицевых круглых гаек с отверстием для стопора
В миллиметрах
|
Номинальный диаметр резьбы d |
10 |
12 |
14 |
16 |
18 |
20 |
22 |
24 |
27 |
30 |
33 | |
|
Шаг резьбы P |
Мелкий |
0,75 | ||||||||||
|
Диаметр гайки D |
Номин. |
18 |
20 |
22 |
25 |
28 |
30 |
32 |
35 |
38 |
42 |
45 |
|
Пред. откл. по h14 |
-0,43 |
-0,52 |
-0,62 | |||||||||
|
Высота гайки H |
Номин. |
4 |
5 |
6 | ||||||||
|
Пред. откл. по h13 |
-0,18 | |||||||||||
|
Диаметр отверстия d1 |
М1,6 |
М2,0 |
М3,0 | |||||||||
|
Расстояние от торца до оси отверстия d1 h1 |
Номин. |
2,0 |
2,5 |
3,0 | ||||||||
|
Пред. откл. по js14 |
+0,125 | |||||||||||
|
Ширина шлица b |
Номин. |
4 |
5 | |||||||||
|
Пред. откл. по H14 |
+0,3 | |||||||||||
|
Глубина шлица h |
Номин. |
2,0 |
2,5 | |||||||||
|
Пред. откл. по H16 |
+0,60 | |||||||||||
|
Фаска c |
0,6 |
1,0 | ||||||||||
|
Допуск соосности наружного диаметра относительно резьбы d в диаметральном выражении - по 2-й степени точности согласно ГОСТ 24643 |
0,12 |
0,16 |
0,20 | |||||||||
Таблица 8 - Применяемость материалов для шлицевых круглых гаек с отверстием для стопора
|
Номинальный диаметр резьбы d, мм |
Применяемость |
Теоретическая масса 1000 шт. стальных гаек, кг | |
|
Класс прочности или группа материала | |||
|
5 |
32 | ||
|
10 |
По [1] |
4,8 | |
|
12 |
7,5 | ||
|
14 |
8,1 | ||
|
16 |
10,7 | ||
|
18 |
13,6 | ||
|
20 |
14,8 | ||
|
22 |
18,8 | ||
|
24 |
22,6 | ||
|
27 |
25,1 | ||
|
30 |
30,6 | ||
|
33 |
33,2 | ||
Примечания
1 Для определения массы латунных гаек значения массы, указанные в таблице 8, должны быть умножены на коэффициент 1,08.
2 Резьба - по ГОСТ 24705, поле допуска 6H - по ГОСТ 16093, фаски - по ГОСТ 10549.
3 Материалы и покрытия - по [1].
4 Допуски, методы контроля размеров и отклонения формы и расположения поверхностей - по ГОСТ ISO 4759-1.
5 Дефекты поверхности и методы контроля - по ГОСТ ISO 6157-2.
6 Остальные технические требования - по ГОСТ 1759.0.
3.2.5 Фасонные гайки с накаткой диаметром резьбы от 2 до 10 мм
Гайки изготавливаются в двух исполнениях:
- исполнение 1 - высокие;
- исполнение 2 - низкие.
Конструкция и размеры гаек должны соответствовать указанным на рисунке 5 и в таблицах 9 и 10.

Рисунок 5 - Конструкция фасонных гаек с накаткой
Таблица 9 - Размеры фасонных гаек с накаткой
В миллиметрах
|
Номинальный диаметр резьбы d |
2,0 |
2,5 |
3,0 |
4,0 |
5,0 |
6,0 |
8,0 |
10,0 | ||
|
Шаг резьбы P |
0,40 |
0,45 |
0,50 |
0,70 |
0,80 |
1,00 |
1,25 |
1,50 | ||
|
Диаметр гайки D |
Номин. |
9 |
11 |
12 |
16 |
20 |
24 |
30 |
36 | |
|
Пред. откл. по h14 |
-0,36 |
-0,43 |
-0,52 |
-0,62 | ||||||
|
Высота гайки H |
Номин. |
Исполнение 1 |
5,5 |
7,0 |
8,0 |
10,0 |
12,5 |
16,0 |
20,0 |
26,0 |
|
Исполнение 2 |
2,0 |
2,5 |
3,5 |
4,0 |
5,0 |
6,0 |
8,0 | |||
|
Пред. откл. по h14 |
Исполнение 1 |
-0,30 |
-0,36 |
-0,43 |
-0,52 | |||||
|
Исполнение 2 |
-0,25 |
-0,30 |
-0,36 | |||||||
|
Диаметр отверстия d1 |
Номин. |
2,2 |
2,8 |
3,2 |
4,2 |
5,2 |
6,2 |
8,5 |
10,5 | |
|
Пред. откл. по H12 |
+0,10 |
+0,12 |
+0,15 |
+0,18 | ||||||
|
Диаметр буртика d2 |
Номин. |
4,5 |
5,0 |
6,0 |
8,0 |
10,0 |
12,0 |
16,0 |
20,0 | |
|
Пред. откл. по h14 |
-0,30 |
-0,36 |
-0,43 |
-0,52 | ||||||
|
Диаметр проточки d3 |
Номин. |
3,5 |
4,0 |
5,0 |
7,0 |
8,5 |
9,5 |
13,5 |
17,0 | |
|
Пред. откл. по h12 |
-0,12 |
-0,15 |
-0,18 | |||||||
|
Высота накатанной части гайки h |
Номин. |
Исполнение 1 |
2,2 |
2,8 |
3,0 |
4,0 |
5,0 |
6,0 |
8,0 |
10,0 |
|
Исполнение 2 |
1,5 |
2,0 |
3,0 |
4,0 |
6,0 | |||||
|
Пред. откл. по h14 |
Исполнение 1 |
-0,25 |
-0,30 |
-0,36 | ||||||
|
Исполнение 2 |
-0,25 |
-0,30 |
-0,36 | |||||||
|
Глубина отверстия d1 h1 |
Номин. |
2,0 |
3,0 |
3,5 |
4,0 |
5,0 |
7,0 |
8,0 |
10,0 | |
|
Пред. откл. по js15 |
± 0,20 |
± 0,24 |
± 0,29 | |||||||
|
Высота буртика h2 |
1,0 |
1,2 |
1,5 |
2,0 |
2,5 |
3,0 |
3,8 |
5,0 | ||
|
Радиус округления |
r |
1,2 |
2,0 |
2,5 |
3,0 |
4,0 |
5,0 |
6,0 | ||
|
r1 |
0,5 |
1,0 |
2,0 | |||||||
|
Шаг рифления P1 |
Исполнение 1 |
0,5 |
0,6 |
0,8 | ||||||
|
Исполнение 2 |
0,6 | |||||||||
|
Фаска c |
0,3 |
0,5 | ||||||||
Таблица 10 - Применяемость материалов для фасонных гаек с накаткой
|
Номинальный диаметр резьбы d, мм |
Исполнение |
Применяемость |
Теоретическая масса 1000 шт. стальных гаек, кг | |
|
Класс прочности или группа материала | ||||
|
5 |
32 | |||
|
2,0 |
1 |
По [1] |
1,305 | |
|
2 |
1,010 | |||
|
2,5 |
1 |
2,450 | ||
|
2 |
1,800 | |||
|
3,0 |
1 |
3,190 | ||
|
2 |
2,200 | |||
|
4,0 |
1 |
7,490 | ||
|
2 |
5,300 | |||
|
5,0 |
1 |
14,200 | ||
|
2 |
9,600 | |||
|
6,0 |
1 |
25,500 | ||
|
2 |
17,400 | |||
|
8,0 |
1 |
26,520 | ||
|
2 |
22,600 | |||
|
10,0 |
1 |
29,720 | ||
|
2 |
28,000 | |||
Примечания
1 Для определения массы латунных гаек значения массы, указанные в таблице 10, должны быть умножены на коэффициент 1,08.
2 Резьба - по ГОСТ 24705, поле допуска 6H - по ГОСТ 16093, фаски - по ГОСТ 10549.
3 Материалы и покрытия - по [1].
4 Допуски, методы контроля размеров и отклонения формы и расположения поверхностей - по ГОСТ ISO 4759-1.
5 Дефекты поверхности и методы контроля - по ГОСТ ISO 6157-2.
6 Остальные технические требования - по ГОСТ 1759.0.
3.2.6 Условные обозначения
Пример условного обозначения гайки исполнения 1, диаметром резьбы d = 2 мм, с крупным шагом резьбы, с полем допуска 6H, класса прочности 5, с покрытием 01 толщиной 3 мкм:
Гайка М2-6H.5.013 ГОСТ Р 71523-2024
То же, для гайки исполнения 2, из латуни марки ЛС59-1, с полем допуска 6H, группы 32, с покрытием 03 толщиной 3 мкм:
Гайка 2М2-6H.32.ЛС59-1.033 ГОСТ Р 71523-2024
Пример условного обозначения гайки диаметром резьбы d = 6 мм, с мелким шагом резьбы, с полем допуска 6H, класса прочности 5, с покрытием 01 толщиной 6 мкм:
Гайка М6x0.75-6H.5.016 ГОСТ Р 71523-2024
То же, для гайки из латуни марки ЛС59-1, группы 32, с покрытием 03 толщиной 6 мкм:
Гайка М6x0.75-6H.32.ЛС59-1.036 ГОСТ Р 71523-2024
Библиография
|
[1] |
ОПП 3-027-92 |
Материалы, покрытия и поля допусков крепежных изделий |


