электронный сборник нормативных документов по строительству
Обновления
10.04.2026 22:49
электронный сборник нормативных документов по строительству

ГОСТ Р 71446-2024 КОНСТРУКЦИИ ДЕРЕВЯННЫЕ. МЕТОД ОПРЕДЕЛЕНИЯ ПАРОПРОНИЦАЕМОСТИ И ВОДОПРОНИЦАЕМОСТИ ЗАЩИТНЫХ ПОКРЫТИЙ

Утв. и введен в действие Приказом Федерального агентства по техническому регулированию и метрологии от 10 июня 2024 г. N 754-ст

Национальный стандарт РФ ГОСТ Р 71446-2024

"КОНСТРУКЦИИ ДЕРЕВЯННЫЕ. МЕТОД ОПРЕДЕЛЕНИЯ ПАРОПРОНИЦАЕМОСТИ И ВОДОПРОНИЦАЕМОСТИ ЗАЩИТНЫХ ПОКРЫТИЙ"

Timber structures. Method for determining vapor and water permeability of protective coatings

ОКС 91.080.20

Дата введения - 1 июля 2024 года

Введен впервые

Предисловие

1 РАЗРАБОТАН Акционерным обществом "Научно-исследовательский центр строительства (АО "НИЦ "Строительство") - Центральный научно-исследовательский, проектно-конструкторский и технологический институт им. В.А. Кучеренко (ЦНИИСК им. В.А. Кучеренко)

2 ВНЕСЕН Техническим комитетом по стандартизации ТК 465 "Строительство"

3 УТВЕРЖДЕН И ВВЕДЕН В ДЕЙСТВИЕ Приказом Федерального агентства по техническому регулированию и метрологии от 10 июня 2024 г. N 754-ст

4 ВВЕДЕН ВПЕРВЫЕ

Правила применения настоящего стандарта установлены в статье 26 Федерального закона от 29 июня 2015 г. N 162-ФЗ "О стандартизации в Российской Федерации". Информация об изменениях к настоящему стандарту публикуется в ежегодном (по состоянию на 1 января текущего года) информационном указателе "Национальные стандарты", а официальный текст изменений и поправок - в ежемесячном информационном указателе "Национальные стандарты". В случае пересмотра (замены) или отмены настоящего стандарта соответствующее уведомление будет опубликовано в ближайшем выпуске ежемесячного информационного указателя "Национальные стандарты". Соответствующая информация, уведомление и тексты размещаются также в информационной системе общего пользования - на официальном сайте Федерального агентства по техническому регулированию и метрологии в сети Интернет (www.rst.gov.ru)

1 Область применения

Настоящий стандарт распространяется на деревянные конструкции и устанавливает метод определения паропроницаемости и водопроницаемости защитных покрытий, нанесенных на древесину, при воздействии воды и водяного пара.

2 Нормативные ссылки

В настоящем стандарте использованы нормативные ссылки на следующие стандарты:

ГОСТ 166 (ИСО 3599-76) Штангенциркули. Технические условия

ГОСТ 577 Индикаторы часового типа с ценой деления 0,01 мм. Технические условия

ГОСТ 20022.1 Защита древесины. Термины и определения

ГОСТ 29317 (ИСО 3270-84) Материалы лакокрасочные и сырье для них. Температуры и влажности для кондиционирования и испытания

ГОСТ 31993 (ISO 2808:2007) Материалы лакокрасочные. Определение толщины покрытия

ГОСТ 33094 Детали и изделия мебели из древесины и древесных материалов. Методы определения толщины прозрачных и непрозрачных защитно-декоративных покрытий

ГОСТ ISO 7886-1 Шприцы инъекционные однократного применения стерильные. Часть 1. Шприцы для ручного использования

ГОСТ Р 58144 Вода дистиллированная. Технические условия

Примечание - При пользовании настоящим стандартом целесообразно проверить действие ссылочных документов в информационной системе общего пользования - на официальном сайте Федерального агентства по техническому регулированию и метрологии в сети "Интернет" или по ежегодному информационному указателю "Национальные стандарты", который опубликован по состоянию на 1 января текущего года, и по выпускам ежемесячного информационного указателя "Национальные стандарты" за текущий год. Если заменен ссылочный стандарт, на который дана недатированная ссылка, то рекомендуется использовать действующую версию этого стандарта с учетом всех внесенных в данную версию изменений. Если заменен ссылочный стандарт, на который дана датированная ссылка, то рекомендуется использовать версию этого стандарта с указанным выше годом утверждения (принятия). Если после утверждения настоящего стандарта в ссылочный стандарт, на который дана датированная ссылка, внесено изменение, затрагивающее положение, на которое дана ссылка, то это положение рекомендуется применять без учета данного изменения. Если ссылочный стандарт отменен без замены, то положение, в котором дана ссылка на него, рекомендуется применять в части, не затрагивающей эту ссылку.

3 Термины и определения

В настоящем стандарте применены термины по ГОСТ 20022.1 и [1], а также следующие термины с соответствующими определениями:

3.1 плотность потока водяного пара: Масса водяного пара, проходящего через единицу площади рабочей поверхности образца за единицу времени.

3.2 паропроницаемость: Величина, численно равная отношению толщины образца материала к сопротивлению паропроницанию, измеренному при установившемся стационарном потоке водяного пара через этот образец.

3.3 сопротивление паропроницанию: Величина Па, численно равная разности парциальных давлений водяного пара у противоположных сторон изделия с плоскопараллельными сторонами, при которой через изделие площадью 1 м2 за 1 ч проходит 1 мг водяного пара при равенстве температуры воздуха у противоположных сторон изделия.

3.4 давление насыщенного пара: Давление пара, при котором жидкость находится в равновесии со своим паром.

3.5 защитное покрытие: Покрытие, наносимое на поверхность древесины и образующее слой, предохраняющий древесину от увлажнения.

3.6 водопроницаемость защитного покрытия: Способность пропускать или задерживать воду из окружающей среды к поверхности подложки.

3.7 испытуемая площадь: Площадь поверхности образца, через которую проходит поток водяного пара или воды во время испытания.

4 Средства испытаний и вспомогательные устройства

Для испытаний применяют следующие средства и устройства:

- сосуды прямоугольной формы из стекла или прозрачной пластмассы с бортиками для установки образцов;

- трафарет покрывной прямоугольной формы;

- климатическую камеру с поддержанием постоянной температуры (23 ± 2) °C и относительной влажности воздуха (50 ± 5)% по ГОСТ 29317, с системой обеспечения циркуляции воздуха со скоростью от 0,02 до 0,3 м/с, исключающей прямое попадание потока воздуха на образец;

- компенсационный клапан;

- штангенциркуль ШЦ по ГОСТ 166;

- весы с погрешностью взвешивания ± 0,01 г для определения массы испытательного сосуда с образцом;

- микроскоп отсчетный типа МПБ;

- дистиллированную воду по ГОСТ Р 58144;

- шприц объемом не менее 50 мл по ГОСТ ISO 7886-1;

- индикатор часового типа с ценой деления 0,01 мм по ГОСТ 577;

- антиадгезионную смазку (машинное масло);

- приборы для измерения температуры и относительной влажности воздуха;

- герметик силиконовый или силикон-каучуковый;

- самоклеящуюся бутилкаучуковую ленту.

5 Изготовление и подготовка образцов

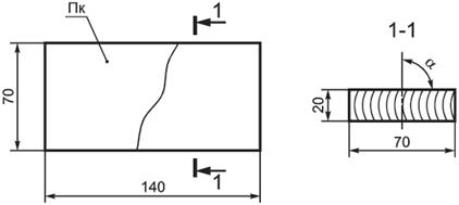
5.1 Для изготовления образцов используют спелую древесину ели или ядровую часть сосны плотностью 450 - 500 кг/м3 без сучков и трещин. Годовые кольца должны быть направлены под углом α = 90° к испытуемой поверхности (рисунок 1), при этом их количество должно быть от 3 до 8 на 10 мм. Размер образцов 70 x 140 x (20 ± 1) мм.

image001.jpg

α - угол между годовыми кольцами и испытуемой поверхностью 90°

Рисунок 1 - Образец для испытаний защитного покрытия на паропроницаемость и водопроницаемость

5.2 Перед изготовлением образцов древесину выдерживают при температуре (23 ± 2) °C и относительной влажности воздуха (50 ± 5)% до достижения постоянной массы (влажность древесины 9% - 10%).

5.3 Образцы (10 шт.) выпиливают из пяти строганых заготовок шириной 70 мм и длиной вдоль волокон 330 мм (см. рисунок 2). Среднюю часть заготовок длиной около 50 мм используют для определения толщины защитного покрытия, а два отрезка длиной по 140 мм - для проведения испытаний.

Кромки и углы образцов необходимо скруглить для обеспечения более равномерной толщины пленки защитного покрытия на всей испытуемой поверхности.

image002.jpg

1 и 2 - образцы размером 70 x 140 мм; 3 - фрагмент заготовки для определения толщины защитного покрытия

Рисунок 2 - Схема разделки заготовки с нанесенным защитным покрытием на образцы

5.4 Перед нанесением защитного покрытия измеряют толщину каждого образца штангенциркулем в шести точках и определяют среднее значение.

6 Нанесение покрытий

6.1 Защитное покрытие, подлежащее испытанию, наносят только на одну сторону заготовки согласно нормативным документам изготовителей.

6.2 Толщину защитного покрытия определяют на средней части заготовки по ГОСТ 31993 методом неразрушающего контроля или с разрушением покрытия (непрозрачного) по ГОСТ 33094 с помощью отсчетного микроскопа МПБ. После измерения толщины покрытия заготовки разрезают на образцы по схеме, показанной на рисунке 2.

7 Определение паропроницаемости

7.1 Проведение испытаний

7.1.1 Сущность метода заключается в определении количества водяного пара, которое проходит через образец с защитным покрытием и без защитного покрытия вследствие разности между парциальным давлением водяного пара внутри испытательного сосуда и парциальным давлением водяного пара снаружи (в испытательной камере).

7.1.2 Испытания проводят на 10 образцах, пять из которых с нанесенным слоем защитного покрытия, а пять других - без него.

7.1.3 Образцы перед испытанием выдерживают при температуре (23 ± 2) °C и относительной влажности воздуха (50 ± 5)% до достижения постоянной массы, когда результаты взвешивания в течение трех последующих дней отличаются не более чем на 5%.

7.1.4 Подготовленные образцы устанавливают в верхней части испытательного сосуда на бортики. Предварительно по периметру нижней поверхности образцов укладывают самоклеящуюся бутилкаучуковую ленту толщиной 4 - 5 мм.

После установки образца на бортики сосуда края верхней поверхности образцов, а также торцы и боковые кромки влагоизолируют герметиком.

Края верхней поверхности образцов герметизируют до размера, соответствующего испытуемой площади нижней поверхности образцов, используя для этого покрывной трафарет. Образец устанавливают на испытательный сосуд по схеме, приведенной в приложении А.

7.1.5 После установки образцов в сосуды с помощью шприца через отверстие диаметром 1 мм в боковой стенке сосуда наливают дистиллированную воду по ГОСТ Р 58144, уровень которой должен быть меньше половины высоты сосуда и не должен доходить до компенсационного клапана. Для контроля за уровнем воды в сосуде на его боковой стенке крепят указатель, градуированный в миллиметрах.

После заполнения сосудов водой отверстие герметизируют. Расстояние от поверхности воды до нижней поверхности образца с защитным покрытием hв необходимо поддерживать в пределах (40 ± 5) мм. Схема испытательного сосуда с образцом приведена на рисунке 3, а.

7.1.6 На период испытаний компенсационный клапан, установленный в боковой стенке сосуда, должен быть закрыт.

7.1.7 Испытательные сосуды с образцами взвешивают с точностью ± 10 мг и помещают в испытательную камеру, в которой поддерживаются параметры воздуха, указанные в 7.1.3.

При разности парциальных давлений водяного пара в испытательном сосуде и испытательной камере вокруг сосуда возникает поток водяного пара, который проходит через испытуемый образец.

image003.jpg

а - положение сосуда при испытании образца на паропроницаемость; б - положение сосуда при испытании образца на водопроницаемость; 1 - образец; 2 – защитное покрытие; 3 - испытательный сосуд; 4 - герметик; 5 - компенсационный воздушный клапан; 6 – отверстие для заполнения сосуда водой; 7 - дистиллированная вода hвд = 60 мм; dв = (40 ± 5) мм; l = 120 мм; b = 50 мм

Рисунок 3 - Схема испытательного сосуда с образцом для определения паро- и водопроницаемости защитных покрытий на древесине

7.1.8 Для определения плотности потока водяного пара в стационарных условиях сосуды с образцами взвешивают каждые 24, 48 или 96 ч и определяют количество водяного пара, прошедшего через образцы.

Если первые два взвешивания показывают изменение массы слишком большое или слишком маленькое, временной интервал необходимо отрегулировать для последующих взвешиваний. Взвешивания повторяют до тех пор, пока изменение массы за единицу времени не будет постоянным.

7.1.9 В момент взвешивания фиксируют значения температуры и относительной влажности воздуха. Результаты измерений заносят в протокол испытаний в соответствии с приложением Б.

7.1.10 Испытания считают завершенными после установления стационарного потока водяного пара через образец, когда плотность потока водяного пара в течение нескольких последовательных взвешиваний колеблется не более чем на 5% среднего значения.

7.2 Обработка результатов испытаний

7.2.1 Для каждого сосуда с образцом строят график зависимости массы от времени. В линейной части графика определяют прямую линию, проходящую через три и более точек, наклон которой (прямой) равен (массовой) скорости потока водяного пара через образец.

7.2.2 Вычисляют паропроницаемость каждого образца δm, мг/м2·ч·Па, по формуле

δm = Δm/(A·Δt·ΔP), (1)

где Δm = m2 – m1 - количество водяного пара, проходящего через образец за интервал времени от t1 до t2, мг;

A - площадь поверхности испытуемого образца, через которую проходит поток водяного пара, м2;

Δt = t2 – t1 - интервал времени между двумя взвешиваниями, ч;

ΔP = Pi – Pe - разность значений парциального давления водяного пара у поверхностей образца, Па;

Pe - парциальное давление водяного пара, Па, в воздухе климатической камеры температурой (23 ± 2) °C и относительной влажностью φe (50 ± 5)%, вычисляют по формуле

Pe = φe·E/100, (2)

где E - давление насыщенного водяного пара в сосуде, Па, приведенное в приложении В;

Pi - парциальное давление водяного пара, Па, в сосуде с образцом температурой (23 ± 2) °C и относительной влажностью φi 100%, вычисляют по формуле

Pi = φi·E/100. (3)

Расчет паропроницаемости выполняют с точностью до второй значащей цифры.

Примечание - Учитывая, что паропроницаемость защитного покрытия является разницей между значениями паропроницаемости образца с нанесенным на нее покрытием и паропроницаемостью образца без покрытия, зазор (расстояние) между поверхностью воды и нижней поверхностью образца hвд (см. рисунок 3, а) во внимание допускается не принимать при условии соблюдения его постоянной величины на протяжении всего процесса испытаний.

7.2.3 Определяют среднее значение паропроницаемости:

δm,1 - среднее значение паропроницаемости пяти образцов с защитным покрытием;

δm,2 - среднее значение паропроницаемости пяти образцов без защитного покрытия.

Значения, отличающиеся от среднего более чем на 5%, исключают. За паропроницаемость принимают среднее значение (δm,1 или δm,2) результатов не менее четырех определений одной серии испытаний, расхождение между которыми не превышает 5%.

7.2.4 Сопротивление паропроницанию защитного покрытия определяют как разность между значениями сопротивления паропроницанию образца с покрытием и сопротивления паропроницанию образца без покрытия.

Сопротивление паропроницанию покрытия R, (м2·ч·Па)/мг, вычисляют по формуле

R = 1/δm,1 – 1/δm,2. (4)

7.2.5 Паропроницаемость покрытия δ0, мг/(м2·ч·Па) вычисляют по формуле

δ0 = 1/R – 1/Rп.в, (5)

где Rп.в - сопротивление паропроницанию воздуха, (м2·ч·Па)/мг, определяемое по формуле

Rп.в = dвв, (6)

где dв - толщина слоя воздуха (расстояние от поверхности воды в испытательном сосуде до нижней поверхности образца), м;

μв - паропроницаемость воздуха в испытательном сосуде, мг/(м·ч·Па), определяют по приложению В.

7.2.6 По результатам полученных испытаний составляют протокол испытаний в соответствии с приложением Б.

8 Определение водопроницаемости

8.1 Проведение испытаний

8.1.1 Для определения водопроницаемости защитного покрытия после окончания испытаний по определению его паропроницаемости сосуды с образцами переворачивают на 180°, при этом отверстие, предназначенное для введения воды в сосуд, и компенсационный клапан (открытый), должны находиться выше уровня воды (см. рисунок 3, б).

8.1.2 Сосуды с образцами взвешивают и помещают в испытательную камеру, в которой поддерживают температуру воздуха (23 ± 2) °C и относительную влажность (50 ± 5)%.

8.1.3 Водопроницаемость защитного покрытия оценивают по скорости проникновения через него влаги путем периодического взвешивания сосуда с образцом с точностью 0,01 г. Взвешивают образцы через определенные промежутки времени, но не реже чем через 5 - 7 с. Таким же образом испытывают образцы без защитного покрытия.

8.1.4 Испытания продолжают до достижения постоянной скорости проникновения влаги через образец, о чем свидетельствует установившаяся скорость потери массы сосуда с образцом. По мере уменьшения объема воды в сосуде в процессе испытаний воду доливают до уровня по 7.1.5 и взвешивают сосуд с образцом.

8.1.5 Расчет водопроницаемости W выполняют с точностью до второй значащей цифры. Определяют среднее значение водопроницаемости:

Wr,1 - среднее значение водопроницаемости образцов без защитного покрытия;

Wr,2 - среднее значение водопроницаемости образцов с защитным покрытием.

Значения, отличающиеся от среднего более чем на 5%, исключают. За водопроницаемость принимают среднее значение (Wr,1 или Wr,2) результатов не менее четырех определений одной серии испытаний, расхождение между которыми не превышает 5%.

8.1.6 Количественную оценку водопроницаемости образцов W, кг/м2 с, с покрытием и без покрытия проводят по средним показателям испытаний, рассчитанным для каждого образца по формуле

W = Δm/(A·Δt), (7)

где Δm = m2 – m1 - изменение массы емкости с образцом за интервал времени от t1 до t2, кг;

A - площадь поверхности испытуемого образца, контактирующей с водой, м2;

Δt = t2 – t1 - интервал времени между двумя взвешиваниями, с.

8.1.7 Вычисляют водопроницаемость покрытия WПк по формуле

WПк = W1 - W2, (8)

где W1 - водопроницаемость образца без защитного покрытия;

W2 - водопроницаемость образца с защитным покрытием.

8.1.8 Определяют среднее значение водопроницаемости:

WПк,1 - среднее значение водопроницаемости пяти образцов без защитного покрытия;

WПк,2 - среднее значение водопроницаемости пяти образцов с защитным покрытием.

8.1.9 На основании проведенных испытаний оформляют протокол испытаний в соответствии с приложением Б.

Приложение А

(обязательное)

Схема установки образца на сосуд

image004.jpg

а - крепление по периметру нижней поверхности образца самоклеящейся бутилкаучуковой ленты; б - установка образца на плечики сосуда; в - установка покрывного трафарета с грузом; г - нанесение на боковую поверхность и пласть образца герметика; д - съем покрывного трафарета; 1 - образец; 2 - самоклеящаяся бутилкаучуковая лента; 3 - защитное покрытие; 4 - испытательный сосуд; 5 - покрывной трафарет; 6 - антиадгезионная смазка (машинное масло); 7 - герметик; 8 - груз

Приложение Б

(обязательное)

Протокол испытаний

Результаты испытаний оформляют протоколом, в который включают следующие данные:

1) ссылку на настоящий стандарт;

2) характеристики испытуемого материала (основы) для нанесения защитного покрытия (порода и плотность древесины, количество годовых слоев на 1 см);

3) размеры образцов (ширину, длину вдоль волокон, толщину, площадь поверхности);

4) количество образцов для испытаний;

5) марку защитного состава, норму его расхода (количество нанесенного состава), количество слоев;

6) технологию и условия нанесения защитного покрытия;

7) толщину защитного покрытия в мкм;

8) описание использованного комплекта для испытаний, включая метод подготовки и герметизации, размер покрывного трафарета для герметизации;

9) продолжительность и условия сушки и кондиционирования образцов перед испытанием;

10) способ испытаний;

11) температуру и относительную влажность воздуха в камере испытаний;

12) период измерений, длительности испытаний, показатели изменения массы;

13) заключение по результатам испытаний паропроницаемости защитного покрытия (средние значения результатов определения сопротивления паропроницанию и паропроницаемости покрытия);

14) заключение по результатам испытаний водопроницаемости защитного покрытия (средние значения результатов определения водопроницаемости покрытия);

15) дату и место проведения испытаний.

Приложение В

(справочное)

Значения парциального давления насыщенного водяного пара

В настоящем приложении приведены значения парциального давления насыщенного водяного пара в паскалях при температуре воздуха над водой от 17,0 °C до 28,9 °C (таблица В.1).

Таблица В.1

t, °C

0

0,1

0,2

0,3

0,4

0,5

0,6

0,7

0,8

0,9

17

1937

1949

1962

1974

1986

2000

2012

2025

2037

2050

18

2064

2077

2089

2102

2115

2129

2142

2156

2169

2182

19

2197

2210

2225

2238

2252

2266

2281

2294

2309

2324

20

2338

2352

2366

2381

2396

2412

2426

2441

2456

2471

21

2488

2502

2517

2538

2542

2564

2580

2596

2612

2628

22

2644

2660

2676

2691

2709

2725

2742

2758

2776

2792

23

2809

2826

2842

2860

2877

2894

2913

2930

2948

2965

24

2984

3001

3020

3038

3056

3074

3093

3112

3130

3149

25

3168

3186

3205

3224

3244

3262

3282

3301

3321

3341

26

3363

3381

3401

3421

3441

3461

3481

3502

3523

3544

27

3567

3586

3608

3628

3649

3672

3692

3714

3796

3758

28

3782

3801

3824

4846

3869

3890

3913

3937

3960

3982

Библиография

[1]

РМГ 75-2014

Государственная система обеспечения единства измерений. Измерения влажности веществ. Термины и определения

Яндекс.Метрика