Утв. и введен в действие Приказом Федерального агентства по техническому регулированию и метрологии от 24 мая 2024 г. N 660-ст
Национальный стандарт РФ ГОСТ Р 71399-2024
"АВТОМОБИЛЬНЫЕ ТРАНСПОРТНЫЕ СРЕДСТВА. ИЗДЕЛИЯ КРЕПЕЖНЫЕ. БОЛТЫ С ПОТАЙНОЙ ГОЛОВКОЙ И НИЗКИМ КВАДРАТНЫМ ПОДГОЛОВКОМ. ТЕХНИЧЕСКИЕ ТРЕБОВАНИЯ"
Motor vehicles. Fasteners. Flat countersunk head square neck bolts with short square. Technical requirements
ОКС 21.060.20
Дата введения - 1 февраля 2025 года
Введен впервые
Предисловие
1 ПОДГОТОВЛЕН Федеральным государственным унитарным предприятием "Центральный ордена Трудового Красного Знамени научно-исследовательский автомобильный и автомоторный институт" (ФГУП "НАМИ") на основе собственного перевода на русский язык немецкоязычной версии стандарта, указанного в пункте 4
2 ВНЕСЕН Техническим комитетом по стандартизации ТК 375 "Металлопродукция из черных металлов и сплавов"
3 УТВЕРЖДЕН И ВВЕДЕН В ДЕЙСТВИЕ Приказом Федерального агентства по техническому регулированию и метрологии от 24 мая 2024 г. N 660-ст
4 Настоящий стандарт является модифицированным по отношению к стандарту ДИН 608:2010 "Болты с потайной головкой и низким четырехгранным подголовком" (DIN 608:2010 "Senkschrauben mit niedrigem Vierkantansatz", MOD) путем внесения технических отклонений, объяснение которых приведено во введении к настоящему стандарту.
Наименование настоящего стандарта изменено относительно наименования указанного стандарта для приведения в соответствие с ГОСТ Р 1.5-2012 (пункт 3.5).
Сведения о соответствии ссылочных национальных и межгосударственных стандартов международным стандартам, использованным в качестве ссылочных в примененном стандарте, приведены в дополнительном приложении ДА
5 ВВЕДЕН ВПЕРВЫЕ
Правила применения настоящего стандарта установлены в статье 26 Федерального закона от 29 июня 2015 г. N 162-ФЗ "О стандартизации в Российской Федерации". Информация об изменениях к настоящему стандарту публикуется в ежегодном (по состоянию на 1 января текущего года) информационном указателе "Национальные стандарты", а официальный текст изменений и поправок - в ежемесячном информационном указателе "Национальные стандарты". В случае пересмотра (замены) или отмены настоящего стандарта соответствующее уведомление будет опубликовано в ближайшем выпуске ежемесячного информационного указателя "Национальные стандарты". Соответствующая информация, уведомление и тексты размещаются также в информационной системе общего пользования - на официальном сайте Федерального агентства по техническому регулированию и метрологии в сети Интернет (www.rst.gov.ru)
Введение
В настоящий стандарт внесены следующие изменения по отношению к ДИН 608:2010:
- изменены отдельные фразы (слова, значения показателей, ссылки);
- уточнена область применения в части установления характеристик болтов с потайной головкой и низким квадратным подголовком с метрической резьбой M10 и M12 класса точности C для автомобильных транспортных средств.
Все дополнения и изменения в тексте стандарта выделены курсивом.
1 Область применения
Настоящий стандарт устанавливает характеристики болтов с потайной головкой и низким квадратным подголовком с метрической резьбой M10 и M12 класса точности C, применяемых для автомобильных транспортных средств.
2 Нормативные ссылки
В настоящем стандарте использованы нормативные ссылки на следующие стандарты:
ГОСТ 16093 (ИСО 965-1:1998, ИСО 965-3:1998) Основные нормы взаимозаменяемости. Резьба метрическая. Допуски. Посадки с зазором
ГОСТ 24705 (ИСО 724:1993) Основные нормы взаимозаменяемости. Резьба метрическая. Основные размеры
ГОСТ ISO 898-1 Механические свойства крепежных изделий из углеродистой и легированной стали. Часть 1. Болты, винты и шпильки установленных классов прочности с крупным и мелким шагом резьбы
ГОСТ ISO 3269 Изделия крепежные. Приемочный контроль
ГОСТ ISO 3506-1 Механические свойства крепежных изделий из коррозионно-стойкой нержавеющей стали. Часть 1. Болты, винты и шпильки
ГОСТ ISO 4032 Гайки шестигранные нормальные (тип 1). Классы точности A и B
ГОСТ ISO 4034 Гайки шестигранные нормальные (тип 1). Класс точности C
ГОСТ ISO 4042 Изделия крепежные. Электролитические покрытия
ГОСТ ISO 4759-1 Изделия крепежные. Допуски. Часть 1. Болты, винты, шпильки и гайки. Классы точности A, B и C
ГОСТ ISO 6157-1 Изделия крепежные. Дефекты поверхности. Часть 1. Болты, винты и шпильки общего назначения
ГОСТ ISO 8992 Изделия крепежные. Общие требования для болтов, винтов, шпилек и гаек
ГОСТ ISO 10684 Изделия крепежные. Покрытия, нанесенные методом горячего цинкования
ГОСТ Р ИСО 4753 Изделия крепежные. Концы деталей с наружной метрической резьбой
ГОСТ Р ИСО 10683 Изделия крепежные. Системы неэлектролитических цинк-ламельных покрытий
Примечание - При пользовании настоящим стандартом целесообразно проверить действие ссылочных стандартов в информационной системе общего пользования - на официальном сайте Федерального агентства по техническому регулированию и метрологии в сети Интернет или по ежегодному информационному указателю "Национальные стандарты", который опубликован по состоянию на 1 января текущего года, и по выпускам ежемесячного информационного указателя "Национальные стандарты" за текущий год. Если заменен ссылочный стандарт, на который дана недатированная ссылка, то рекомендуется использовать действующую версию этого стандарта с учетом всех внесенных в данную версию изменений. Если заменен ссылочный стандарт, на который дана датированная ссылка, то рекомендуется использовать версию этого стандарта с указанным выше годом утверждения (принятия). Если после утверждения настоящего стандарта в ссылочный стандарт, на который дана датированная ссылка, внесено изменение, затрагивающее положение, на которое дана ссылка, то это положение рекомендуется применять без учета данного изменения. Если ссылочный стандарт отменен без замены, то положение, в котором дана ссылка на него, рекомендуется применять в части, не затрагивающей эту ссылку.
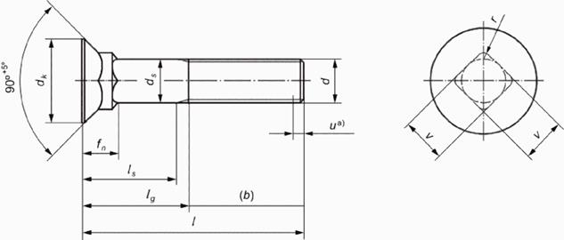
3 Размеры болтов
Размеры болтов с потайной головкой и низким квадратным подголовком должны соответствовать указанным на рисунке 1 и в таблице 1.
Примечание - Дополнительная информация по обозначению размеров и их описанию - см. [1].

--------------------------------
a u ≤ 2P.
Рисунок 1 - Болт с потайной головкой и низким квадратным подголовком
Конец с фаской (CH) или скругленный конец (RN) по ГОСТ Р ИСО 4753 - по выбору изготовителя.
Таблица 1 - Размеры болтов
В миллиметрах
|
Резьба d
|
M10
|
M12
|
|
P *
|
1,5
|
1,75
|
|
b
|
26
|
30
|
|
dk
|
не более
|
19,65
|
24,65
|
|
не менее
|
18,35
|
23,35
|
|
ds **
|
не более
|
10
|
12
|
|
не менее
|
9,42
|
11,30
|
|
fn
|
не более
|
8,45
|
11,05
|
|
не менее
|
7,55
|
9,95
|
|
r ***
|
не более
|
1,5
|
1,8
|
|
v
|
не более
|
10,58
|
12,70
|
|
не менее
|
9,42
|
11,30
|
|
l
|
ls и lg
|
|
Номинальный размер
|
не менее
|
не более
|
ls,
не менее
|
lg,
не более
|
ls,
не менее
|
lg,
не более
|
|
25
|
23,95
|
26,05
|
-
|
16
|
-
|
-
|
|
30
|
28,95
|
31,05
|
-
|
16
|
-
|
20
|
|
35
|
33,75
|
36,25
|
-
|
16
|
-
|
20
|
|
40
|
38,75
|
41,25
|
-
|
16
|
-
|
20
|
|
45
|
43,75
|
46,25
|
11,5
|
19
|
-
|
20
|
|
50
|
48,75
|
51,25
|
16,5
|
24
|
-
|
20
|
|
* P - шаг резьбы.
** По производственно-техническим причинам разрешается применять допуск +IT15 для гладкой части стержня болта (включая квадратный подголовок).
*** Радиус r должен быть выдержан на длине не менее 0,5fn под головкой.
Примечание - Длины свыше 50 мм должны возрастать ступенчато через 10 мм. Промежуточные длины применять не рекомендуется.
|
4 Технические требования
Технические требования на болты с потайной головкой и низким квадратным подголовком приведены в таблице 2.
Таблица 2 - Технические требования
|
Материал
|
Сталь
|
|
Общие требования
|
ГОСТ ISO 8992
|
|
Резьба
|
Класс допуска
|
8g
|
|
Обозначение стандарта
|
ГОСТ 16093, ГОСТ 24705
|
|
Механические свойства
|
Класс прочности *
|
4.6
|
4.8
|
8.8
|
|
Обозначение стандарта
|
ГОСТ ISO 898-1
|
|
Предельные размеры, допуски формы и расположения
|
Класс точности
|
C
|
|
Обозначение стандарта
|
ГОСТ ISO 4759-1
|
|
Поверхность
|
Допускаемые дефекты поверхности - по ГОСТ ISO 6157-1
Требования к гальваническим покрытиям - по ГОСТ ISO 4042
Требования к горячему цинкованию - по ГОСТ ISO 10684
Требования к цинк-ламельным покрытиям - по ГОСТ Р ИСО 10683
|
|
Приемочный контроль
|
Для приемочного контроля применяют ГОСТ ISO 3269
|
|
* Другие классы прочности по согласованию сторон в соответствии с ГОСТ ISO 898-1 для углеродистой стали или ГОСТ ISO 3506-1 для нержавеющей стали.
|
5 Массы болтов
В таблице 3 приведены теоретические массы болтов.
Таблица 3 - Массы болтов
Размеры в миллиметрах
|
Резьба d
|
M10
|
M12
|
|
Длина l
|
Масса 1000 шт., кг, при плотности стали 7,85 кг/дм3
|
|
25
|
18,2
|
-
|
|
30
|
20,7
|
33,0
|
|
35
|
23,2
|
36,6
|
|
40
|
25,7
|
40,2
|
|
45
|
28,8
|
43,8
|
|
50
|
31,9
|
48,2
|
6 Примеры условного обозначения
Пример условного обозначения болта с потайной головкой и низким квадратным подголовком, с резьбой d = 10 мм, длиной l = 50 мм и классом прочности 4.6:
Болт с потайной головкой ГОСТ Р 71399 - M10 x 50 - 4.6
Пример условного обозначения при поставке болтов с потайной головкой класса прочности 4.6 с шестигранными гайками по ГОСТ ISO 4034 класса прочности 5 или болтов с потайной головкой класса прочности 8.8 с шестигранными гайками класса прочности 8 по ГОСТ ISO 4032, дополнительно указывают краткое обозначение Mu:
Болт с потайной головкой ГОСТ Р 71399 - M10 x 50 - 4.6 - Mu
Примечание - Дополнительная информация по обозначению форм, исполнений и данных для заказа - см. [2].
Приложение ДА
(справочное)
Сведения о соответствии ссылочных национальных и межгосударственных стандартов международным стандартам, использованным в качестве ссылочных в примененном стандарте
Таблица ДА.1
|
Обозначение ссылочного национального, межгосударственного стандарта
|
Степень соответствия
|
Обозначение и наименование ссылочного международного стандарта
|
|
ГОСТ 16093-2004 (ИСО 965-1:1998, ИСО 965-3:1998)
|
MOD
|
ISO 965-1:1998 "Резьбы метрические ИСО общего назначения. Допуски. Часть 1. Принципы и основные данные"
|
|
ГОСТ 24705-2004 (ИСО 724:1993)
|
MOD
|
ISO 724:1993 "Резьбы метрические ИСО общего назначения. Основные размеры"
|
|
ГОСТ ISO 898-1-2014
|
IDT
|
ISO 898-1:2013 "Механические свойства крепежных изделий из углеродистых и легированных сталей. Часть 1. Болты, винты и шпильки установленных классов прочности с крупным и мелким шагом резьбы"
|
|
ГОСТ ISO 3269-2021
|
IDT
|
ISO 3269:2019 "Изделия крепежные. Приемочный контроль"
|
|
ГОСТ ISO 3506-1-2014
|
IDT
|
ISO 3506-1:2009 "Механические свойства крепежных изделий из коррозионно-стойкой нержавеющей стали. Часть 1. Болты, винты и шпильки с установленными классами точности и прочности"
|
|
ГОСТ ISO 4034-2014
|
IDT
|
ISO 4034:2012 "Гайки шестигранные нормальные (тип 1). Класс точности C"
|
|
ГОСТ ISO 4042-2015
|
IDT
|
ISO 4042:1999 "Изделия крепежные. Электролитические покрытия"
|
|
ГОСТ ISO 4759-1-2015
|
IDT
|
ISO 4759-1:2000 "Изделия крепежные. Допуски. Часть 1. Болты, винты, шпильки и гайки. Классы точности A, B и C"
|
|
ГОСТ ISO 8992-2015
|
IDT
|
ISO 8992:2005 "Изделия крепежные. Общие требования для болтов, винтов, шпилек и гаек"
|
|
ГОСТ ISO 10684-2015
|
IDT
|
ISO 10684:2004 "Изделия крепежные. Покрытия, нанесенные методом горячего цинкования"
|
|
ГОСТ Р ИСО 4753-2013
|
IDT
|
ISO 4753:2011 "Изделия крепежные. Концы деталей с наружной метрической резьбой"
|
|
ГОСТ Р ИСО 10683-2020
|
IDT
|
ISO 10683:2018 "Изделия крепежные. Системы неэлектролитических цинк-ламельных покрытий"
|
|
Примечание - В настоящей таблице использованы следующие условные обозначения степени соответствия стандартов:
- IDT - идентичные стандарты;
- MOD - модифицированные стандарты.
|
Библиография
|
[1]
|
ИСО 225:2010
|
Изделия крепежные. Болты, винты, шпильки и гайки. Символы и обозначения размеров (Fasteners - Bolts, screws, studs and nuts - Symbols and descriptions of dimensions)
|
|
[2]
|
ДИН 962:2013
|
Винты, болты, шпильки и гайки. Обозначение, типы и исполнение (Bolts, screws, studs and nuts - Designations, types and finishes)
|