Утв. и введен в действие Приказом Федерального агентства по техническому регулированию и метрологии от 13 мая 2024 г. N 594-ст
Национальный стандарт РФ ГОСТ Р 71378-2024
"КЕНОТРОНЫ ВЫСОКОВОЛЬТНЫЕ. МЕТОД ИЗМЕРЕНИЯ ЕМКОСТИ АНОД - КАТОД"
High-voltage cenotrons. Method of measuring the anode-cathode capacitance
ОКС 33.060.99
Дата введения - 1 марта 2025 года
Введен впервые
Предисловие
1 РАЗРАБОТАН Акционерным обществом "Российский научно-исследовательский институт "Электронстандарт" (АО "РНИИ "Электронстандарт")
2 ВНЕСЕН Техническим комитетом по стандартизации ТК 303 "Электронная компонентная база, материалы и оборудование"
3 УТВЕРЖДЕН И ВВЕДЕН В ДЕЙСТВИЕ Приказом Федерального агентства по техническому регулированию и метрологии от 13 мая 2024 г. N 594-ст
4 ВВЕДЕН ВПЕРВЫЕ
Правила применения настоящего стандарта установлены в статье 26 Федерального закона от 29 июня 2015 г. N 162-ФЗ "О стандартизации в Российской Федерации". Информация об изменениях к настоящему стандарту публикуется в ежегодном (по состоянию на 1 января текущего года) информационном указателе "Национальные стандарты", а официальный текст изменений и поправок - в ежемесячном информационном указателе "Национальные стандарты". В случае пересмотра (замены) или отмены настоящего стандарта соответствующее уведомление будет опубликовано в ближайшем выпуске ежемесячного информационного указателя "Национальные стандарты". Соответствующая информация, уведомление и тексты размещаются также в информационной системе общего пользования - на официальном сайте Федерального агентства по техническому регулированию и метрологии в сети Интернет (www.rst.gov.ru)
1 Область применения
Настоящий стандарт распространяется на импульсные и выпрямительные высоковольтные кенотроны (далее - кенотроны) и устанавливает методы измерения емкости анод - катод, электрические параметры и характеристики, подлежащие включению в технические условия (ТУ) или стандарты видов "Технические условия", "Общие технические условия" при их разработке или пересмотре.
Настоящий стандарт предназначен для применения предприятиями, организациями и другими субъектами научной и хозяйственной деятельности независимо от форм собственности и подчинения, а также федеральными органами исполнительной власти Российской Федерации, участвующими в разработке, производстве, эксплуатации кенотронов в соответствии с действующим законодательством.
2 Нормативные ссылки
В настоящем стандарте использована нормативная ссылка на следующий стандарт:
ГОСТ 20693 Кенотроны высоковольтные. Термины и определения
Примечание - При пользовании настоящим стандартом целесообразно проверить действие ссылочных стандартов в информационной системе общего пользования - на официальном сайте Федерального агентства по техническому регулированию и метрологии в сети Интернет или по ежегодному информационному указателю "Национальные стандарты", который опубликован по состоянию на 1 января текущего года, и по выпускам ежемесячного информационного указателя "Национальные стандарты" за текущий год. Если заменен ссылочный стандарт, на который дана недатированная ссылка, то рекомендуется использовать действующую версию этого стандарта с учетом всех внесенных в данную версию изменений. Если заменен ссылочный стандарт, на который дана датированная ссылка, то рекомендуется использовать версию этого стандарта с указанным выше годом утверждения (принятия). Если после утверждения настоящего стандарта в ссылочный стандарт, на который дана датированная ссылка, внесено изменение, затрагивающее положение, на которое дана ссылка, то это положение рекомендуется применять без учета данного изменения. Если ссылочный стандарт отменен без замены, то положение, в котором дана ссылка на него, рекомендуется применять в части, не затрагивающей эту ссылку.
3 Термины и определения
В настоящем стандарте применены термины по ГОСТ 20693.
4 Принцип измерения
Измерение емкости анод - катод проводят стандартными приборами, внесенными в Государственный реестр средств измерений Российской Федерации, в основу измерения которых положен один из методов: замещения, высокочастотного моста, деления напряжения или биений.
5 Аппаратура
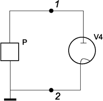
5.1 Электрическая структурная схема подключения электродов кенотрона к измерительному прибору должна соответствовать указанной на рисунке 1.

P - измерительный прибор; V4 - измеряемый кенотрон; 1, 2 - зажимы измерительного прибора
Рисунок 1
К зажимам 1 и 2 измерительного прибора подключают выводы анода - катода, между которыми должна быть измерена емкость.
5.2 Перечень приборов, применяемых для измерения емкости анод - катод кенотронов, приведен в приложении А.
5.3 Основная погрешность измерительного прибора должна находиться в пределах ± 5%.
6 Подготовка и проведение измерений
6.1 Подготовку и проведение измерений емкости анод - катод следует проводить в соответствии с требованиями эксплуатационной документации на прибор, указанный в приложении А.
6.2 У кенотронов с катодом косвенного канала, не имеющих внутриламповых соединений с катодом, при измерении емкости анод - катод подогреватель следует соединять с катодом, если иное не оговорено в нормативно-технической документации (НТД) на кенотроны конкретных типов.
При измерении емкости анод - катод кенотронов, имеющих катод или подогреватель с несколькими выводами, эти выводы должны быть соединены между собой.
7 Показатели точности измерений
7.1 Погрешность измерения емкости анод - катод должна соответствовать установленной в НТД на изделия конкретных типов.
7.2 Расчет погрешности измерения емкости анод - катод приведен в приложении Б.
Приложение А
(рекомендуемое)
Приборы, применяемые для измерения
Таблица А.1
|
Наименование и тип прибора
|
Основные технические характеристики прибора
|
|
Мост емкостей E7-9
|
Диапазон измеряемых емкостей от 1 до 5000 пФ.
Рабочая частота измерения 300 - 700 кГц.
Мощность, потребляемая прибором, 10 В·А
|
|
Мост емкостей E7-10
|
Диапазон измеряемых емкостей от 0,01 пФ до 100 мкФ.
Рабочая частота измерения 1000 Гц.
Мощность, потребляемая прибором, 25 В·А
|
|
Примечание - Допускается применение других приборов, удовлетворяющих требованиям настоящего стандарта.
|
Приложение Б
(справочное)
Расчет погрешности измерения емкости анод - катод
Б.1 Погрешность измерения емкости анод - катод рассчитывают по формуле
, (Б.1)
где δco - предел основной погрешности измерительного прибора;
δcq - предел дополнительной погрешности измерительного прибора;
δcR - предел составляющей погрешности, учитывающий вклад емкости колпачков и гибких проводов;
K1, K2, K3 - предельные коэффициенты, зависящие от законов распределения составляющих погрешностей;
K∑ - коэффициент, зависящий от закона распределения погрешности измерения и установленной вероятности.
Б.2 Если законы распределения составляющих погрешностей неизвестны, то их принимают равновероятными, для которых предельный коэффициент равен 1,73 (K1 = K2 = K3 = 1,73).
Если закон распределения погрешности измерения принимают нормальным, тогда для установленной вероятности 0,95 коэффициент будет равен 1,9.