ГОСТ Р МЭК 62391-1-2023 КОНДЕНСАТОРЫ ПОСТОЯННОЙ ЕМКОСТИ С ДВОЙНЫМ ЭЛЕКТРИЧЕСКИМ СЛОЕМ ДЛЯ ЭЛЕКТРИЧЕСКОГО И ЭЛЕКТРОННОГО ОБОРУДОВАНИЯ. Часть 1. ОБЩИЕ ТЕХНИЧЕСКИЕ УСЛОВИЯ
Утв. и введен в действие Приказом Федерального агентства по техническому регулированию и метрологии от 12 сентября 2023 г. N 821-ст
Fixed electric double-layer capacitors for electric and electronic equipment. Part 1. General specifications
(IEC 62391-1:2022, Fixed electric double-layer capacitors for use in electric and electronic equipment - Part 1: Generic specification, IDT)
ОКС 31.060.10
Дата введения - 1 декабря 2023 года
Введен впервые
Предисловие
1 ПОДГОТОВЛЕН Национальной ассоциацией производителей источников тока "РУСБАТ" (Ассоциация "РУСБАТ") на основе собственного перевода на русский язык англоязычной версии стандарта, указанного в пункте 4, при участии Федерального государственного бюджетного учреждения "Российский институт стандартизации" (ФГБУ "Институт стандартизации")
2 ВНЕСЕН Техническим комитетом по стандартизации ТК 044 "Аккумуляторы и батареи"
3 УТВЕРЖДЕН И ВВЕДЕН В ДЕЙСТВИЕ Приказом Федерального агентства по техническому регулированию и метрологии от 12 сентября 2023 г. N 821-ст
4 Настоящий стандарт идентичен международному стандарту МЭК 62391-1:2022 "Конденсаторы постоянной емкости с двойным электрическим слоем для использования в электрическом и электронном оборудовании. Часть 1. Общие технические условия" (IEC 62391-1:2022 "Fixed electric double-layer capacitors for use in electric and electronic equipment - Part 1: Generic specification", IDT).
Наименование настоящего стандарта изменено относительно наименования указанного международного стандарта для приведения в соответствие с ГОСТ Р 1.5-2012 (пункт 3.5).
При применении настоящего стандарта рекомендуется использовать вместо ссылочных международных стандартов соответствующие им национальные и межгосударственные стандарты, сведения о которых приведены в дополнительном приложении ДА.
Дополнительные сноски в тексте стандарта, выделенные курсивом, приведены для пояснения текста оригинала
5 ВВЕДЕН ВПЕРВЫЕ
Правила применения настоящего стандарта установлены в статье 26 Федерального закона от 29 июня 2015 г. N 162-ФЗ "О стандартизации в Российской Федерации". Информация об изменениях к настоящему стандарту публикуется в ежегодном (по состоянию на 1 января текущего года) информационном указателе "Национальные стандарты", а официальный текст изменений и поправок - в ежемесячном информационном указателе "Национальные стандарты". В случае пересмотра (замены) или отмены настоящего стандарта соответствующее уведомление будет опубликовано в ближайшем выпуске ежемесячного информационного указателя "Национальные стандарты". Соответствующая информация, уведомление и тексты размещаются также в информационной системе общего пользования - на официальном сайте Федерального агентства по техническому регулированию и метрологии в сети Интернет (www.rst.gov.ru)
Настоящий стандарт распространяется на конденсаторы с двойным электрическим слоем постоянной емкости (далее - конденсаторы), предназначенные для работы в цепях постоянного тока в электрическом и электронном оборудовании, и устанавливает общие технические требования и методы испытаний, подлежащие включению в технические условия (ТУ) на конденсаторы конкретных типов и групповые технические условия (ГТУ) и для оценки качества электрорадиоизделий и других целей.
В настоящем стандарте использованы нормативные ссылки на следующие стандарты [для датированных ссылок применяют только указанное издание ссылочного стандарта, для недатированных - последнее издание (включая все изменения)]:
IEC 60062, Marking codes for resistors and capacitors (Коды для маркировки резисторов и конденсаторов)
IEC 60063, Preferred number series for resistors and capacitors (Резисторы и конденсаторы. Ряды предпочтительных чисел)
IEC 60068-1:2013, Environmental testing - Part 1: General and guidance (Испытания на воздействие внешних факторов. Часть 1. Общие положения и руководство)
IEC 60068-2-1:2007, Environmental testing - Part 2-1: Tests - Tests A: Cold (Испытания на воздействия внешних факторов. Часть 2-1. Испытания. Испытания A: холод)
IEC 60068-2-2:2007, Environmental testing - Part 2-2: Tests - Tests B: Dry Heat (Испытания на воздействие внешних факторов. Часть 2-2. Испытания. Испытание B: сухое тепло)
IEC 60068-2-6, Environmental testing - Part 2-6: Tests - Test Fc: Vibration (sinusoidal) [Испытания на воздействие внешних факторов. Часть 2-6. Испытания. Испытание Fc: вибрация (синусоидальная)]
IEC 60068-2-14, Environmental testing - Part 2-14: Tests - Test N: Change of temperature (Испытания на воздействие внешних факторов. Часть 2-14. Испытания. Испытание N: изменение температуры)
IEC 60068-2-20, Environmental testing - Part 2-20: Tests - Ta and Tb: Test methods for solderability and resistance to soldering heat of devices of with leads (Испытания на воздействие внешних факторов. Часть 2-20. Испытания. Испытание Ta и Tb: методы испытания на паяемость и стойкость к воздействию нагрева при пайке устройств с соединительными проводами)
IEC 60068-2-21, Environmental testing - Part 2-21: Tests - Test U: Robustness of terminations and integral mounting devices (Испытания на воздействие внешних факторов. Часть 2-21. Испытания. Испытание U: прочность выводов и неразъемных крепежных устройств)
IEC 60068-2-45:1980, Environmental testing - Part 2-45: Tests - Test XA and guidance: Immersion in cleaning solvents, IEC 60068-2-45:1980/Amd1:1993 (Испытания на воздействия внешних факторов. Часть 2-45. Испытания. Испытание XA и руководство: погружение в очищающие растворители, МЭК 60068-2-45:1980/Изм. 1:1993)
IEC 60068-2-58, Environmental testing - Part 2-58: Tests - Test Td: Test methods for solderability, resistance to dissolution of metallization and to soldering heat of surface mounting devices (SMD) [Испытание на воздействие внешних факторов. Часть 2-58. Испытания. Испытание Td: методы испытаний компонентов с поверхностным монтажом (SMD) на паяемость, устойчивость к выщелачиванию металлизации и на сопротивление теплоте пайки]
IEC 60068-2-69, Environmental testing - Part 2-69: Tests - Test Te/Tc: Solderability testing of electronic components and printed boards by the wetting balance (force measurement) method [Испытания на воздействие внешних факторов. Часть 2-69. Испытания. Испытание Te/Tc: испытание на паяемость электронных компонентов и печатных плат методом баланса смачивания (измерение сил)]
IEC 60068-2-78, Environmental testing - Part 2-78: Tests - Test Cab: Damp heat, steady state (Испытание на воздействие внешних факторов. Часть 2-78. Испытания. Испытание Cab: влажное тепло, установившийся режим)
IEC 60294, Measurement of the dimensions of a cylindrical component with axial terminations (Измерение размеров цилиндрического компонента с двумя аксиальными выводами)
IEC 60695-11-5, Fire hazard testing - Part 11-5: Test flames - Needle-flame test method - Apparatus, confirmatory test arrangement and guidance (Испытания на пожароопасность. Часть 11-5. Испытательное пламя. Метод испытания игольчатым пламенем. Аппаратура, руководство и порядок испытания на подтверждение соответствия)
IEC 60717, Method for the determination of the space required by capacitors and resistors with unidirectional terminations (Конденсаторы и резисторы с однонаправленными выводами. Метод определения требующегося пространства)
IEC 61193-2, Quality assessment systems - Part 2: Selection and use of sampling plans for inspection of electronic components and packages (Системы обеспечения качества. Часть 2. Выбор и использование планов выборок для контроля электронных компонентов и корпусов)
В настоящем стандарте применены следующие термины с соответствующими определениями.
Терминологические базы данных ИСО и МЭК для использования в стандартизации доступны по следующим адресам:
- Электропедия МЭК по адресу: http://www.electropedia.org/;
- платформа онлайн-просмотра ИСО по адресу: http://www.iso.org/obp.
3.1 активная воспламеняемость (active flammability): Воспламеняемость (самовоспламенение), вызванная(ое) внутренним нагревом компонента.
Примечание - Активное воспламенение может быть вызвано искрением, например из-за недостаточного внутреннего контакта.
3.2 категория пассивной воспламеняемости (category of passive flammability): Категория классификации по максимальному времени горения, которое допускается по окончании установленного времени приложения пламени.
3.3 диапазон температур категории (category temperature range): Диапазон температур окружающей среды, на длительную работу в котором рассчитан конденсатор.
Примечание - Определяют по нижней и верхней температурам категории.
3.4 напряжение категории UC (category voltage, UC): Максимальное напряжение, которое допускается подавать на конденсатор при верхней температуре категории в течение длительного времени.
Примечание - Этот термин не применен в настоящем стандарте и приведен только для информации.
3.5 класс (class): Классификация конденсатора по значению емкости и значению внутреннего сопротивления в зависимости от применения.
3.6 конденсатор для цепей постоянного тока DC (DC capacitor): Конденсатор, предназначенный главным образом для применения в цепях постоянного тока.
Примечание 1 - Конденсатор для цепей постоянного тока может не подходить для использования в цепях переменного тока.
Примечание 2 - Данный термин не применен в настоящем стандарте и приведен только для информации.
3.7 семейство (электронных компонентов) [family (electronic components)]: Группа электронных компонентов, в которых появляется одно преобладающее физическое свойство и/или которые выполняют определенную функцию.
3.8 сокращенные пределы (inset limits): Ужесточенные пределы, вытекающие из допуска, применяемого к установленным пределам параметра для учета всех величин, влияющих на показания измерительного прибора, чтобы гарантировать, что устройства с параметрами, выходящие за установленные пределы, не будут признаны годными в результате ошибок измерения.
3.9 изолированный конденсатор (insulated capacitor): Конденсатор, все выводы секции которого могут иметь потенциал, отличающийся от потенциала любой проводящей поверхности (но не менее нормированного напряжения), с которой корпус конденсатора контактирует при обычном использовании.
Примечание - Данный термин не применен в настоящем стандарте и приведен только для информации.
3.10 внутреннее сопротивление (internal resistance): Составляющая сопротивления в эквивалентной последовательной цепи конденсатора, состоящей из емкости и сопротивления.
Примечание - Внутреннее сопротивление указывают в омах, Ом.
3.11 падение напряжения; IR-падение (IR drop): Падение напряжения между выводами конденсатора, возникающее в начале разряда и определяемое как произведение тока разряда на внутреннее сопротивление конденсатора.
Примечание - Данный термин не применен в настоящем стандарте и приведен только для информации.
3.12 ток утечки (leakage current): Значение тока, протекающего через конденсатор после заряда в течение фиксированного периода времени.
Примечание 1 - Ток утечки указывают в амперах, А.
Примечание 2 - Как правило, это сумма тока зарядки конденсатора, экспоненциально убывающего со временем, и темнового тока (тока утечки в первоначальном понимании) самого конденсатора.
3.13 нижняя температура категории (lower category temperature): Минимальная температура окружающей среды, на длительную работу при которой рассчитан конденсатор.
3.14 удержание напряжения; саморазряд (maintain voltage, self discharge): Удерживаемое напряжение при выдержке без нагрузки в течение фиксированного периода времени после заряда.
3.15 масса (mass): Масса конденсатора со всеми неподвижными частями.
Примечание - Данный термин не применен в настоящем стандарте и приведен только для информации.
3.16 максимальная температура хранения (maximum storage temperature): Максимальная температура окружающей среды, которую конденсатор в нерабочем состоянии должен выдерживать без повреждения.
Примечание - Данный термин не применен в настоящем стандарте и приведен только для информации.
[МЭК 60384-1:2021, статья 3.11. Терминологическая статья изменена: добавлено примечание]
3.17 максимальная температура конденсатора (maximum temperature of a capacitor): Температура наиболее нагретой точки наружной поверхности конденсатора.
Примечание 1 - Выводы являются частью наружной поверхности конденсатора.
Примечание 2 - Данный термин не применен в настоящем стандарте и приведен только для информации.
3.18 измерительное оборудование (measuring equipment): Все инструменты, необходимые для проведения измерений.
Примечание - Определение разъясняет, что такие элементы, как кабели, соединители, держатели или другие крепления, используемые совместно с показывающим измерительным прибором, подпадают под действие требований настоящего стандарта.
3.19 минимальная температура хранения (minimum storage temperature): Минимальная температура окружающей среды, которую конденсатор в нерабочем состоянии должен выдерживать без повреждения.
Примечание - Данный термин не применен в настоящем стандарте и приведен только для информации.
3.20 минимальная температура конденсатора (minimum temperature of a capacitor): Температура наиболее холодной точки наружной поверхности конденсатора.
Примечание 1 - Выводы являются частью наружной поверхности конденсатора.
Примечание 2 - Данный термин не применен в настоящем стандарте и приведен только для информации.
3.21 номинальная емкость CN (nominal capacitance, CN): Емкость, на которую рассчитан конденсатор и значение которой, как правило, указана на нем.
3.22 расширенные пределы (outset limits): Ослабленные пределы, вытекающие из допуска, применяемого к установленным пределам параметра, для учета всех величин, влияющих на показания измерительного прибора, чтобы гарантировать, что устройства с параметрами, не выходящими за установленные пределы, не будут признаны дефектными в результате ошибок измерения.
3.23 пассивная воспламеняемость (passive flammability): Воспламеняемость, вызванная внешним нагревом компонента.
Примечание - Пассивное воспламенение может быть вызвано, например, пламенем.
3.24 нормированный пульсирующий ток (rated ripple current): Среднеквадратичное значение максимального допустимого переменного тока установленной частоты, при котором конденсатор может работать при установленной температуре в течение длительного времени.
Примечание - Данный термин не применен в настоящем стандарте и приведен только для информации.
3.25 нормированное пульсирующее напряжение (rated ripple voltage): Среднеквадратичное значение максимально допустимого переменного напряжения установленной частоты, наложенного на напряжение постоянного тока, при котором конденсатор может работать при установленной температуре в течение длительного времени.
Примечание 1 - Сумма постоянного напряжения и амплитудного значения переменного напряжения, приложенных к конденсатору, не должна превышать нормированного напряжения или напряжения, зависящего от температуры, в зависимости от того, какое из них применяется.
Примечание 2 - Данный термин не применен в настоящем стандарте и приведен только для информации.
3.26 нормированная температура (rated temperature): Максимальная температура окружающей среды, при которой допускается подавать нормированное напряжение в течение длительного времени.
3.27 нормированное напряжение UR (rated voltage, UR): Максимальное постоянное напряжение или амплитудное значение импульсного напряжения, которое допускается подавать на конденсатор в течение длительного времени при любой температуре от нижней температуры категории до нормированной температуры.
3.28 напряжение обратной полярности (reverse voltage): Напряжение, подаваемое на выводы конденсатора в направлении обратной полярности.
Примечание - Данный термин не применен в настоящем стандарте и приведен только для информации.
3.29 вид (style): Деление типа, осуществляемое обычно по размерным признакам.
Примечание 1 - Вид может объединять конденсаторы нескольких вариантов исполнения, отличающиеся конструктивными особенностями.
Примечание 2 - Данный термин не применен в настоящем стандарте и приведен только для информации.
3.30 подсемейство (электронных компонентов) [subfamily (electronic components)]: Группа компонентов в пределах одного семейства, изготавливаемых по единой технологии.
3.31 конденсатор для поверхностного монтажа (surface mount capacitor): Конденсатор постоянной емкости, малые размеры, характер или форма выводов которого делают его пригодным для использования в гибридных схемах и на печатных платах.
3.32 коэффициент перенапряжения (surge voltage ratio): Отношение максимального мгновенного напряжения, которое допускается подавать на выводы конденсатора в течение установленного времени при какой-либо температуре в пределах диапазона температур категории, к нормированному напряжению или к напряжению, на которое влияет температура, в зависимости от того, которое из напряжений подают.
Примечание 1 - В ТУ на конденсаторы конкретных типов должно быть установлено, сколько раз в течение 1 ч допускается подавать это напряжение.
Примечание 2 - Данный термин не применен в настоящем стандарте и приведен только для информации.
3.33 температурная характеристика емкости (temperature characteristic of capacitance): Максимальное обратимое изменение емкости, происходящее в заданном диапазоне температур в пределах температур категории.
Примечание 1 - Термин относится, главным образом, к конденсаторам, изменение емкости которых в зависимости от температуры является линейной или нелинейной функцией и не может быть выражено с определенной точностью.
Примечание 2 - Температурная характеристика емкости, как правило, выражена в процентах емкости, измеренной при температуре приведения, обычно при 20 °C.
Примечание 3 - Данный термин не применен в настоящем стандарте и приведен только для информации.
3.34 напряжение, зависящее от температуры (temperature derated voltage): Максимальное напряжение, которое допускается подавать на выводы конденсатора при температуре от нормированной до верхней температуры категории в течение длительного времени.
Примечание - Данные о зависимости напряжения от нормированной до верхней температуры категории, при необходимости, приводят в ТУ.
3.35 температура перегрева (конденсатор) [temperature rise (capacitor)]: Превышение температуры конденсатора относительно температуры окружающей среды, являющееся результатом потерь в конденсаторе, связанных с работой в условиях заряда и/или разряда.
Примечание 1 - На повышение температуры влияет температура окружающей среды.
Примечание 2 - Данный термин не применен в настоящем стандарте и приведен только для информации.
3.36 постоянная времени (time constant): Произведение внутреннего сопротивления (включая сопротивление цепи) и емкости.
Примечание - Постоянная времени, как правило, выражается в секундах, с.
3.37 тип (type): Группа компонентов, имеющих общие конструктивные признаки, одинаковая технология изготовления которых позволяет объединить их для сертификации или контроля соответствия качества.
Примечание - В некоторых случаях компоненты, описанные в нескольких ТУ, могут быть рассмотрены как принадлежащие к одному типу.
[МЭК 60384-1:2021, статья 3.39. Терминологическая статья изменена: примечание переформулировано]
3.38 неопределенность измерения (uncertainty of measurement): Установление пределов диапазона, в границах которого, как ожидается, будет находиться истинное значение измерения по отношению к зарегистрированному результату с определенным уровнем достоверности.
3.39 неизолированный конденсатор (uninsulated capacitor): Конденсатор, один или более выводов секции которого не могут иметь потенциал, отличающийся от потенциала любой проводящей поверхности (но не менее нормированного напряжения), с которой корпус конденсатора контактирует при обычном использовании.
Примечание - Данный термин не применен в настоящем стандарте и приведен только для информации.
3.40 верхняя температура категории (upper category temperature): Максимальная температура окружающей среды, на длительную работу при которой рассчитан конденсатор.
[МЭК 61881-3:2012, статья 3.17. Терминологическая статья изменена: примечание исключено]
3.41 видимое повреждение (visible damage): Видимое повреждение, уменьшающее возможность использования конденсатора сообразно его предназначению.
3.42 объем (volume): Объем корпуса конденсатора без учета выводов.
4.1 Единица измерения и обозначения
Применяют единицы, графические и буквенные обозначения и термины, установленные в МЭК 60027, МЭК 60050, МЭК 60617, ИСО 80000-1.
Допускается использование дополнительных элементов, которые должны быть получены в соответствии с принципами стандартов, перечисленных выше.
4.2 Предпочтительные значения и класс
4.2.1 Общие положения
Предпочтительные значения, соответствующие подсемейству, должны быть указаны в ГТУ.
Примечание - Из-за особенностей конденсатора невозможно указать предпочтительные значения нормированного напряжения.
4.2.2 Предпочтительные значения номинальной емкости
Предпочтительные значения номинальной емкости должны быть взяты из значений, приведенных для серии E по МЭК 60063.
4.2.3 Класс
Класс конденсатора следует классифицировать по емкости и внутреннему сопротивлению в зависимости от применения (см. приложение A).
4.3 Маркировка
4.3.1 Общие положения
Критерии идентификации и другую информацию, которая должна быть указана в маркировке конденсатора и/или на упаковке, устанавливают в ГТУ.
Порядок приоритета маркировки малогабаритных конденсаторов должен быть установлен в ТУ.
4.3.2 Кодирование
Если для обозначения емкости, допуска или даты изготовления применяют кодирование, его метод выбирают по МЭК 60062.
5.1 Общие положения
В ГТУ и/или ТУ на конденсаторы конкретных типов должны быть указаны: испытания, которые следует провести; измерения, которые должны быть выполнены до и после каждого испытания или подгруппы испытаний, а также последовательность, в которой они должны быть проведены. Этапы каждого испытания следует выполнять в указанном порядке. Условия измерений должны быть одинаковыми для начальных и заключительных измерений.
Если системы оценки качества на национальном уровне включают методы, отличные от тех, которые установлены в вышеуказанных стандартах, то должно быть приведено их подробное описание.
Пределы, указанные во всех ТУ, являются абсолютными пределами. Принцип учета неопределенности измерений приведен в приложении F.
5.2 Требования к испытаниям и измерениям
5.2.1 Условия испытаний
Если не указано иное, все испытания следует проводить в стандартных климатических условиях по 4.3 МЭК 60068-1:2013:
- температура окружающей среды: от 15 °C до 35 °C;
- относительная влажность: от 25% до 75%;
- атмосферное давление: от 86 до 106 кПа.
5.2.2 Условия измерений
Если не указано иное, все измерения необходимо проводить в стандартных климатических условиях по 4.3 МЭК 60068-1:2013, за исключением следующего:
- температура: (20 ± 2) °C.
Все измерения следует выполнять после установления теплового равновесия (см. 5.2.4).
5.2.3 Предварительное кондиционирование
Если не указаны другие требования, то конденсатор заряжают от источника постоянного тока и постоянного напряжения постоянным током до достижения напряжения UR, после чего выдерживают при напряжении UR в течение 30 мин. Затем конденсатор разряжают до нижнего предельного значения напряжения с использованием соответствующего разрядного устройства.
5.2.4 Термостабилизация
Конденсаторы выдерживают при температуре по 5.2.2 в течение периода времени, достаточного для достижения теплового равновесия (см. приложение C).
5.3 Сушка
Если в ТУ на конденсаторы конкретных типов не указано иное, то конденсатор должен быть выдержан в печи с циркуляцией воздуха при температуре (55 ± 2) °C и относительной влажности не более 20% в течение (96 ± 4) ч.
Затем конденсатор охлаждают в эксикаторе с использованием подходящего осушителя (например, активированный оксид алюминия или силикагель) и выдерживают в нем до начала испытаний.
5.4 Хранение
5.4.1 Хранение при высокой температуре
5.4.1.1 Начальное измерение
Выполняют измерения, указанные в ТУ.
5.4.1.2 Условия испытаний
Конденсаторы подвергают испытанию Bb по МЭК 60068-2-2:2007 со следующими степенями жесткости:
- температура испытания: верхняя температура категории;
- продолжительность испытания: (96 ± 4) ч.
Допускается помещать испытуемые образцы в испытательную камеру при любой температуре от лабораторной до верхней температуры категории.
5.4.1.3 Завершающее измерение
После восстановления в течение не менее 16 ч выполняют измерения, указанные в ТУ на конденсаторы конкретных типов.
5.4.2 Хранение при низкой температуре
5.4.2.1 Начальное измерение
Выполняют измерения, указанные в ТУ на конденсаторы конкретных типов.
5.4.2.2 Условия испытаний
Конденсаторы подвергают испытанию Ab по МЭК 60068-2-1:2007. Конденсаторы выдерживают при температуре минус 40 °C, либо в течение 4 ч после термостабилизации, либо в течение 16 ч, в зависимости от того, какой период короче.
Допускается помещать испытуемые образцы в испытательную камеру при любой температуре - от лабораторной до минус 40 °C.
5.4.2.3 Завершающее измерение
После восстановления в течение не менее 16 ч выполняют измерения, указанные в ТУ на конденсаторы конкретных типов.
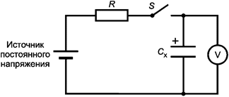
6.1 Метод 1 измерения емкости и внутреннего сопротивления (разряд постоянным током)
6.1.1 Электрическая схема измерения
Емкость и внутреннее сопротивление измеряют с использованием методов заряда и разряда постоянным током. Принципиальная электрическая схема измерения приведена на рисунке 1.

ICC - постоянный ток; UCV - постоянное напряжение;
- амперметр постоянного тока;
- регистратор напряжения постоянного тока; S - переключатель режимов работы; Cx - испытуемый конденсатор;
- источник постоянного тока;
- источник постоянного напряжения,
- нагрузка постоянного тока; a) блок питания для заряда постоянным током; b) блок питания для заряда при постоянном напряжении
Рисунок 1 - Принципиальная электрическая схема измерения емкости и внутреннего сопротивления
6.1.2 Испытательное оборудование
Испытательное оборудование должно обеспечивать заряд постоянным током, заряд при постоянном напряжении, разряд постоянным током, измерение и регистрацию тока и напряжения между выводами конденсатора в зависимости от времени разряда, как показано на рисунке 2. Испытательное оборудование должно обеспечивать возможность устанавливать и измерять ток и напряжение с точностью до ± 1%.

UR - нормированное напряжение, В; U1 - расчетное начальное напряжение, В; U2 - расчетное конечное напряжение, В; ΔU3 - падение напряжения, В; TCV – продолжительность заряда при постоянном напряжении, мин
Рисунок 2 - Зависимость напряжения между выводами конденсатора от времени при измерении емкости и внутреннего сопротивления
Источник питания должен обеспечивать постоянный ток для заряда конденсатора до заряженности 95% и функцию установки продолжительности заряда при постоянном напряжении. Нагрузка постоянного тока должна обеспечивать постоянный ток разряда, установленный в таблице 1 или таблице 2 соответственно. Регистратор напряжения постоянного тока должен обеспечивать возможность проведения измерений и записи с разрешением 5 мВ и интервалом выборки данных не более 100 мс.
6.1.3 Процедура измерения
6.1.3.1 Общие положения
Измерение выполняют путем анализа зависимости напряжения между выводами конденсатора от времени.
Метод измерения должен соответствовать 6.1.3.2 или 6.1.3.3, в зависимости от класса (см. приложение A), и должен быть указан в ТУ на конденсаторы конкретных типов.
Перед измерением выполняют предварительную обработку по 5.2.3, термостабилизацию по 5.2.4 и, если указано в ТУ на конденсаторы конкретных типов, сушку по 5.3.
Напряжение между выводами конденсатора измеряют и регистрируют как функцию времени в течение всей процедуры измерения.
Примечание - Если номинальное значение внутреннего сопротивления конденсатора неизвестно, ток для измерения можно установить в соответствии с рекомендуемыми процедурами, описанными в приложении E.
6.1.3.2 Метод измерения 1A (классы 1, 2, 3 и 4)
Если в ТУ на конденсаторы конкретных типов не указано иное, то условия измерения должны соответствовать приведенным в таблице 1. Постоянный зарядный ток ICC должен обеспечивать заряд конденсатора с полнотой заряда 95%. Его значение устанавливают с использованием нормированного напряжения UR и номинального внутреннего сопротивления RN по ICC = UR/38RN. Постоянный ток разряда для измерения емкости и внутреннего сопротивления определяют в соответствии с номинальной емкостью конденсатора.
|
Условия измерения |
Класс. Применение | |||
|
Класс 1. Поддержка питания памяти |
Класс 2. Накопление энергии |
Класс 3. Мощность |
Класс 4. Импульсная мощность | |
|
Заряд постоянным током, А |
Полнота заряда a 95% | |||
|
Продолжительность заряда постоянным напряжением, мин |
30 | |||
|
Постоянный ток разряда для измерения емкости b, мА |
1CN |
0,4CNUR |
4CNUR |
40CNUR |
|
Постоянный ток разряда для измерения внутреннего сопротивления c, мА |
10CN |
4CNUR |
40CNUR |
400CNUR |
|
U1 |
0,8UR | |||
|
U2 |
0,4UR | |||
|
Для класса 3 и класса 4 допускается использовать метод измерения 1B. Количество значащих цифр для значения разрядного тока 10 А или менее должно быть одной цифрой; вторую цифру расчетного значения следует округлить в меньшую сторону. Количество значащих цифр для разрядного тока, превышающего 10 А, должно быть двухзначным; третью цифру расчетного значения следует округлить в меньшую сторону. Примечание - CN - номинальная емкость в фарадах, Ф; UR - нормированное напряжение в вольтах, В. -------------------------------- a Общую концепцию эффективности заряда/разряда см. в приложении D. b Если ΔU3 превышает 5% зарядного напряжения (0,05UR) в исходных характеристиках, значение разрядного тока может быть уменьшено на половину, на одну пятую или на одну десятую. c Если ΔU3 превышает 20% зарядного напряжения (0,2UR) в исходных характеристиках, значение разрядного тока может быть уменьшено на половину, на одну пятую или на одну десятую. | ||||
Процедура измерения должна быть следующей:
a) конденсатор заряжают постоянным током;
b) при достижении источником питания заданного напряжения заряд конденсатора продолжают при достигнутом постоянном напряжении;
c) конденсатор разряжают постоянным током на нагрузку;
d) измеряют длительность времени от начала разряда до момента, когда напряжение между выводами конденсатора становится равным U1 и U2 соответственно (см. рисунок 2).
6.1.3.3 Метод измерения 1B (классы 3, 4 и 5)
Если в ТУ на конденсаторы конкретных типов не указано иное, то условия измерения должны соответствовать приведенным в таблице 2. Постоянный зарядный ток ICC должен обеспечивать заряд конденсатора с полнотой заряда 95%. Его значение устанавливают с использованием нормированного напряжения UR и номинального внутреннего сопротивления RN по ICC = UR/38RN. Постоянный ток разряда Id должен быть в состоянии разрядить конденсатор с полнотой разряда 95%. Постоянный ток разряда задают в соответствии с нормированным напряжением UR и номинальным внутренним сопротивлением Rn по Id = UR/40Rn.
|
Условия измерения |
Класс. Применение | ||
|
Класс 3. Мощность |
Класс 4. Импульсная мощность |
Класс 5. Высокая мощность | |
|
Заряд постоянным током, А |
Полнота заряда a 95% | ||
|
Продолжительность заряда постоянным напряжением, мин |
5 | ||
|
Разряд постоянным током |
Полнота разряда a 95% | ||
|
U1 |
0,8UR | ||
|
U2 |
0,4UR | ||
|
Для класса 3 и класса 4 допускается использовать метод измерения 1A. Количество значащих цифр для значения разрядного тока 10 А или менее должно быть одной цифрой; вторую цифру расчетного значения следует округлить в меньшую сторону. Число значащих цифр для разрядного тока, превышающего 10 А, должно быть двухзначным; третью цифру расчетного значения следует округлить в меньшую сторону. -------------------------------- a Общую концепцию эффективности заряда/разряда см. в приложении D. | |||
Процедура измерения должна быть следующей:
a) конденсатор заряжают постоянным током;
b) при достижении источником питания заданного напряжения заряд конденсатора продолжают при достигнутом постоянном напряжении;
c) конденсатор разряжают постоянным током на нагрузку;
d) измеряют длительность от начала разряда до момента, когда напряжение между выводами конденсатора становится равным U1 и U2 соответственно (см. рисунок 2).
6.1.4 Методы расчета емкости
6.1.4.1 Общие положения
Емкость рассчитывают методом линейной аппроксимации или методом преобразования энергии.
6.1.4.2 Метод линейной аппроксимации (метод измерения 1A)
Емкость C, Ф, конденсатора рассчитывают по формуле
,
где Id - разрядный ток, А;
U1 - начальное напряжение измерения, В;
U2 - конечное напряжение измерения, В;
t2 - длительность времени от начала разряда до момента, когда напряжение между выводами конденсатора становится равным U2, с;
t1 - длительность времени от начала разряда до момента, когда напряжение между выводами конденсатора становится равным U1, с.
6.1.4.3 Метод преобразования энергии (метод измерения 1B)
Емкость конденсатора C, Ф, рассчитывают по формуле
,
где W - измеренная энергия разряда, Дж, полученная путем интегрирования энергии разряда, Дж, для каждого заданного интервала выборки от начального напряжения U1 до конечного напряжения U2;
U1 - измеренное начальное напряжение, В;
U2 - измеренное конечное напряжение, В.
6.1.5 Методы расчета внутреннего сопротивления
6.1.5.1 Общие положения
Внутреннее сопротивление рассчитывают методом наименьших квадратов или по точке пересечения линий.
6.1.5.2 Метод расчета внутреннего сопротивления по точке пересечения линий (метод измерения 1A)
Внутреннее сопротивление конденсатора R, Ом, рассчитывают по формуле
,
где Id - разрядный ток, А;
ΔU3 - падение напряжения, В.
Примечание - Падение напряжения получают, проводя вспомогательную линию, продолжающую прямую часть графика зависимости напряжения между выводами конденсатора от времени, полученную с помощью регистратора напряжения (см. рисунок 2).
6.1.5.3 Метод расчета внутреннего сопротивления методом наименьших квадратов (метод измерения 1B)
Внутреннее сопротивление конденсатора R, Ом, рассчитывают по формуле
,
где Id - разрядный ток, А;
ΔU3 - падение напряжения, В.
К характеристикам падения напряжения от начального напряжения расчета U1 до конечного напряжения расчета U2 применяют линейную аппроксимацию, используя метод наименьших квадратов. Получают точку пересечения (значение напряжения) прямой линии в момент начала разряда. ΔU3 - разница напряжений, В, между напряжением в точке пересечения и установленным напряжением заряда при постоянном напряжении, В.
6.1.6 Условия, которые должны быть указаны в технических условиях на конденсаторы конкретных типов
ТУ должно содержать следующие данные:
a) классификация метода;
b) приложенное напряжение, отличное от нормированного напряжения;
c) продолжительность заряда, отличную от 30 мин (см. таблицу 1) или 5 мин (см. таблицу 2);
d) постоянный ток разряда, отличный от указанного в таблице 1 или таблице 2;
e) U1 и U2 во время падения напряжения при разряде, отличные от указанных в таблице 1 или таблице 2.
6.2 Метод 2 измерения емкости и внутреннего сопротивления
6.2.1 Измерение емкости методом заряда с постоянным сопротивлением
6.2.1.1 Принципиальная схема измерения
Измерения проводят с использованием измерительной схемы, показанной на рисунке 3.

R - сопротивление; S - переключатель режимов работы;
- регистратор напряжения постоянного тока; Cx - испытуемый конденсатор
Рисунок 3 - Принципиальная схема для измерения емкости методом заряда с постоянным сопротивлением
6.2.1.2 Метод измерения
Процедура измерения должна быть следующей:
a) перед измерением замыкают выводы конденсатора на период не менее 30 мин, чтобы обеспечить полный разряд;
b) устанавливают значение R таким образом, чтобы постоянная времени τ была на уровне от 60 до 120 с;
c) измеряют постоянную времени τ при приложении напряжения постоянного тока UR и рассчитывают емкость C, Ф, по формуле
,
где τ - постоянная времени: длительность заряда до 0,632UR, с;
R - последовательно включенное сопротивление, Ом.
6.2.1.3 Условия, которые должны быть указаны в ТУ
ТУ должно содержать следующие данные:
a) приложенное напряжение, отличное от нормированного напряжения;
b) последовательно включенное сопротивление R, если постоянная времени отличается от интервала 60 - 120 с.
6.2.2 Измерение внутреннего сопротивления методом переменного тока
6.2.2.1 Принципиальная схема измерения
Измерения проводят с помощью измерительной схемы, показанной на рисунке 4.

- осциллятор;
- амперметр переменного тока;
- вольтметр переменного тока; Cx - испытуемый конденсатор
Рисунок 4 - Принципиальная схема для измерения внутреннего сопротивления методом переменного тока
6.2.2.2 Метод измерения
Процедура измерения должна быть следующей:
a) частота переменного тока при измерениях должна быть 1 кГц;
b) среднеквадратичное значение переменного тока должно быть 1 - 10 мА;
c) внутреннее сопротивление конденсатора Ra, Ом, рассчитывают по формуле
,
где U - среднеквадратичное значение напряжения переменного тока, В;
I - среднеквадратичное значение переменного тока, А.
6.3 Ток утечки
6.3.1 Метод измерения
Измерения проводят с использованием измерительной схемы, показанной на рисунке 5.

Rpr - защитный резистор; S - выключатель;
- амперметр постоянного тока;
- вольтметр постоянного тока; Cx - испытуемый конденсатор
Рисунок 5 - Принципиальная схема для измерения тока утечки
Процедура измерения должна соответствовать нижеприведенной.
a) Перед проведением измерения конденсаторы полностью разряжают. Процедура разряда должна занимать от 1 до 24 ч и должна быть указана в ТУ.
b) Ток утечки измеряют, если в ТУ на конденсаторы конкретных типов не указано иное, с использованием нормированного напряжения постоянного тока UR, соответствующего температуре испытания. После подзаряда в течение не более 30 мин до достижения 95% применяемого напряжения должна быть выбрана продолжительность подачи заданного постоянного напряжения, выбираемая из ряда 0,5; 1; 2; 4; 8; 12; 24 или 48 ч. Выбранная продолжительность должна быть указана в ТУ на конденсаторы конкретных типов (см. рисунок 6).
c) Ток утечки измеряют по показаниям амперметра по истечении заданного времени воздействия.
d) Должен быть использован стабилизированный регулируемый источник питания.
e) Если в ТУ на конденсаторы конкретных типов не указано иное, то напряжение на конденсатор подают через защитный резистор сопротивлением не более 1000 Ом. При использовании защитного резистора напряжение на конденсаторе в момент измерения тока утечки должно составлять 95% и более уровня используемого напряжения.

Рисунок 6 - Изменение тока и напряжения во время измерения тока утечки
6.3.2 Элементы, которые должны быть указаны в технических условиях на конденсаторы конкретных типов
В ТУ на конденсаторы конкретных типов должны быть установлены следующие параметры:
a) предельный ток утечки при стандартной температуре 20 °C и других установленных температурах;
b) при необходимости поправочный коэффициент: если измерения проводят при температуре, отличной от 20 °C, но в пределах диапазона температур, охватываемого стандартными климатическими условиями испытаний;
c) продолжительность подачи заданного напряжения;
d) сопротивление защитных резисторов, отличное от 1000 Ом;
e) продолжительность разряда.
6.4 Удержание напряжения
6.4.1 Метод измерения
Метод измерения должен быть следующим (см. рисунок 7).
a) Перед проведением измерения конденсаторы полностью разряжают. Продолжительность разряда должна составлять от 1 до 24 ч и должна быть указана в ТУ на конденсаторы конкретных типов.
b) Подают нормированное напряжение UR непосредственно на выводы конденсатора, не используя защитный резистор. Если иное не указано в ТУ на конденсаторы конкретных типов, то продолжительность заряда должна составлять 8 ч, включая заряд 30 мин для достижения 95% приложенного напряжения.
c) Отсоединяют выводы конденсатора от источника напряжения. Если в ТУ на конденсаторы конкретных типов не указано иное, то конденсатор выдерживают в стандартных условиях в течение 16, 24, 48 или 96 ч.
d) Внутреннее сопротивление используемого вольтметра постоянного тока должно быть не менее 1 МОм.

Рисунок 7 - График напряжения при испытании по измерению удержания напряжения
6.4.2 Расчет уровня удержания напряжения
Уровень удержания напряжения A, %, рассчитывают по формуле
,
где Uend - напряжение между выводами незамкнутого конденсатора по истечении 6, 24, 48 или 96 ч, В;
UR - нормированное напряжение, В.
6.4.3 Условия, которые должны быть указаны в технических условиях на конденсаторы конкретных типов
В ТУ на конденсаторы конкретных типов должны быть установлены следующие параметры:
a) продолжительность разряда;
b) приложенное напряжение, отличное от нормированного напряжения;
c) продолжительность заряда, отличная от 8 ч;
d) период времени между отключением конденсатора от источника зарядного напряжения и измерением.
7.1 Визуальный контроль и проверка размеров
7.1.1 Визуальный контроль
Состояние, качество изготовления и внешний вид должны быть удовлетворительными, что подтверждают визуальным контролем.
Маркировка должна быть разборчивой и соответствовать ТУ на конденсаторы конкретных типов, что подтверждают визуальным контролем.
7.1.2 Размеры (замеры)
Размеры, указанные в ТУ на конденсаторы конкретных типов как пригодные для замера, должны быть проверены и соответствовать установленным значениям.
Если применимо, измерения выполняют по МЭК 60294 или МЭК 60717.
7.1.3 Размеры (детальные)
Все размеры, указанные в ТУ на конденсаторы конкретных типов, должны быть проверены и соответствовать установленным значениям.
7.2 Прочность выводов
7.2.1 Испытание Ua1 - растяжение
Конденсаторы подвергают испытанию Ua1 по МЭК 60068-2-21, если применимо.
Прикладываемая сила должна быть:
- для выводов, отличных от проводов, - 20 Н;
- выводов в виде проводов - см. таблицу 3.
|
Номинальная площадь поперечного сечения S a, мм2 |
Соответствующий диаметр d для проволоки круглого сечения, мм |
Сила растяжения с допуском ± 10%, N |
|
S ≤ 0,05 |
d ≤ 0,25 |
1 |
|
0,05 |
0,25 |
2,5 |
|
0,1 |
0,35 |
5 |
|
0,2 |
0,5 |
10 |
|
0,5 |
0,8 |
20 |
|
1,2 |
1,25 |
40 |
|
a Для проводов, полос или штырей круглого сечения номинальная площадь поперечного сечения равна площади, рассчитанной на основе номинального(ых) размера(ов), указанного(ых) в ТУ на конденсаторы конкретных типов. Для многожильных проводов номинальную площадь поперечного сечения получают путем суммирования площадей поперечного сечения отдельных жил проводника, указанных в ТУ на конденсаторы конкретных типов. | ||
7.2.2 Испытание Ub - изгиб
Половину выборки конденсаторов подвергают испытанию Ub по МЭК 60068-2-21, если применимо.
Метод 1. Выполняют два последовательных изгиба в каждом направлении. Испытание не применяют, если в ТУ на конденсаторы конкретных типов выводы описаны как жесткие.
7.2.3 Испытание Uc - скручивание
Оставшуюся часть выборки конденсаторов подвергают испытанию Uc по МЭК 60068-2-21, если это применимо.
Следует использовать метод 1, степень жесткости 2 (два последовательных поворота на 180°).
Испытание не применяют, если в ТУ на конденсаторы конкретных типов выводы описывают как жесткие, и к компонентам с однонаправленными выводами, предназначенными для поверхностного монтажа.
7.2.4 Испытание Ud - крутящий момент (для выводов с резьбовыми шпильками или винтами и для интегрированных монтажных устройств)
Конденсаторы подвергают испытанию Ud по МЭК 60068-2-21, если применимо.
Используемая степень жесткости должна быть указана в ТУ на конденсаторы конкретных типов (см. таблицу 4).
|
Номинальный диаметр резьбы, мм |
2,6 |
3 |
3,5 |
4 |
5 |
6 |
8 |
10 |
12 | |
|
Крутящий момент, Нм |
Степень жесткости 1 |
0,4 |
0,5 |
0,8 |
1,2 |
2,0 |
2,5 |
5 |
7 |
12 |
|
Степень жесткости 2 |
0,2 |
0,25 |
0,4 |
0,6 |
1,0 |
1,25 |
2,5 |
3,5 |
6 | |
7.2.5 Визуальный контроль
После каждого испытания конденсаторы подвергают визуальному контролю. По результатам не должно быть видимых повреждений.
7.3 Вибрационная устойчивость
7.3.1 Начальное измерение
Выполняют измерения, указанные в ТУ на конденсаторы конкретных типов.
7.3.2 Испытания
Конденсаторы подвергают испытанию Fc по МЭК 60068-2-6 с использованием метода монтажа и степени жесткости, указанных в ТУ на конденсаторы конкретных типов.
Если указано в ТУ на конденсаторы конкретных типов, то в течение последних 30 мин испытания на устойчивость к вибрации должны быть выполнены электрические измерения в каждом направлении движения для выявления прерывистого контакта, обрыва или короткого замыкания.
Метод измерения должен быть указан в ТУ на конденсаторы конкретных типов.
Продолжительность измерения должна быть равна длительности времени, необходимого для одной развертки частотного диапазона от одного крайнего значения частоты до другого.
7.3.3 Заключительные измерения и требования
После испытания проводят визуальный контроль конденсаторов. По результатам не должно быть видимых повреждений. Если конденсаторы испытывают в соответствии с 7.3.2, требования должны быть указаны в ТУ на конденсаторы конкретных типов.
Затем должны быть выполнены измерения, указанные в ТУ на конденсаторы конкретных типов.
8.1 Быстрая смена температуры
8.1.1 Начальное измерение
Выполняют измерения, указанные в ТУ на конденсаторы конкретных типов.
8.1.2 Испытания
Конденсаторы подвергают испытанию Na по МЭК 60068-2-14 с использованием степени жесткости, указанной в ТУ на конденсаторы конкретных типов.
8.1.3 Заключительная проверка, измерения и требования
Проводят визуальный контроль конденсаторов. По результатам не должно быть видимых повреждений.
8.2 Влажное тепло, постоянный режим
8.2.1 Начальное измерение
Выполняют измерения, указанные в ТУ на конденсаторы конкретных типов.
8.2.2 Испытания
Конденсаторы подвергают испытанию Cab по МЭК 60068-2-78 с использованием степени жесткости, указанной в ТУ на конденсаторы конкретных типов.
8.2.3 Завершающее измерение
Выполняют измерения, указанные в ТУ на конденсаторы конкретных типов.
8.3 Долговечность
8.3.1 Начальные измерения
Выполняют измерения, указанные в ТУ на конденсаторы конкретных типов.
8.3.2 Испытания
8.3.2.1 Общие положения
Применяют испытание Bb по МЭК 60068-2-2:2007 со следующими исключениями:
- конденсаторы помещают в испытательную камеру при любой температуре - от комнатной температуры окружающей среды до заданной температуры испытания;
- после термостабилизации при температуре камеры к конденсатору прикладывают установленное напряжение.
Конденсаторы размещают в испытательной камере таким образом, чтобы ни один конденсатор не находился в пределах 5 мм от другого конденсатора.
8.3.2.2 Условия испытаний
Условия испытаний:
a) приложенное напряжение: нормированное напряжение;
b) температура испытания: верхняя температура категории;
c) продолжительность испытания: 1000 ч или в соответствии с ТУ на конденсаторы конкретных типов.
8.3.3 Завершающее измерение, визуальный контроль и требования
По истечении указанного периода конденсаторам дают охладиться до стандартных климатических условий и, если это указано в ТУ на конденсаторы конкретных типов, подвергают восстановлению.
Затем конденсаторы подвергают визуальному контролю.
Выполняют измерения, указанные в ТУ на конденсаторы конкретных типов. Конденсатор считают вышедшим из строя, если требования ТУ на конденсаторы конкретных типов во время или после испытания не выполнены.
8.4 Характеристики при высокой и низкой температуре
8.4.1 Общие положения
Конденсаторы подвергают испытаниям на сухое тепло и холод (см. 8.4.3 и 8.4.4 соответственно) с нижеприведенными подробностями.
8.4.2 Процедура испытаний
Степень жесткости для испытаний должна быть такой же, как и для испытаний на сухое тепло и холод. В ТУ могут быть предусмотрены испытания при промежуточных температурах.
Выполняют измерения, указанные в ТУ на конденсаторы конкретных типов.
8.4.3 Сухое тепло
Конденсаторы подвергают испытанию Bb по МЭК 60068-2-2:2007 с использованием степени жесткости верхней температуры категории в течение 2 ч или более после достижения термической стабилизации или так, как установлено в ТУ на конденсаторы конкретных типов (см. приложение C).
При заданной высокой температуре и в конце периода высокой температуры выполняют измерения, указанные в ТУ на конденсаторы конкретных типов.
8.4.4 Холод
Конденсаторы подвергают испытанию Ab по МЭК 60068-2-1:2007 с использованием степени жесткости температуры более низкой категории в течение 2 ч или более после достижения термической стабилизации или так, как установлено в ТУ на конденсаторы конкретных типов (см. приложение C).
При заданной низкой температуре и в конце периода низкой температуры должны быть выполнены измерения, указанные в ТУ на конденсаторы конкретных типов.
8.4.5 Завершающее измерение и требования
Измеряемые параметры конденсаторов не должны превышать предельные значения, указанные в ТУ на конденсаторы конкретных типов.
9.1 Стойкость к воздействию нагрева при пайке
9.1.1 Предварительная подготовка и начальное измерение
В случаях, предусмотренных ТУ на конденсаторы конкретных типов, конденсаторы должны быть высушены по 5.3.
Конденсаторы должны быть измерены, как установлено в ТУ на конденсаторы конкретных типов.
9.1.2 Испытания
Если в ТУ на конденсаторы конкретных типов не указано иное, то испытания проводят методом, установленным в этих ТУ, с учетом требований по перечислениям a), b) или c).
Условия испытаний должны быть определены в ТУ на конденсаторы конкретных типов.
a) Для всех конденсаторов, кроме указанных в перечислениях b) и c):
МЭК 60068-2-20, испытание Tb, метод 1 (паяльная ванна).
b) Для конденсаторов, не предназначенных для поверхностного монтажа, но с соединениями, используемыми для пайки, как указано в ТУ на конденсаторы конкретных типов:
1) МЭК 60068-2-20, испытание Tb, метод 1 (паяльная ванна);
2) МЭК 60068-2-20, испытание Tb, метод 2 (паяльник).
c) Для конденсаторов поверхностного монтажа - МЭК 60068-2-58, метод 2 (оплавления припоя) или 1 (пайки в ванне).
9.1.3 Восстановление
Период восстановления, если иное не указано в ТУ на конденсаторы конкретных типов, должен быть не менее 2 ч (см. приложение C).
9.1.4 Заключительный контроль, измерения и требования
Для всех конденсаторов, кроме конденсаторов для поверхностного монтажа, применяют следующие положения:
- после проведения испытания проводят визуальный контроль конденсаторов;
- не должно быть видимых повреждений, и маркировка должна быть разборчивой;
- конденсаторы должны быть измерены, как установлено в ТУ на конденсаторы конкретных типов и соответствовать установленным в них требованиям.
Конденсаторы для поверхностного монтажа подвергают визуальному контролю и измерению, и они должны соответствовать требованиям, установленным в ТУ на конденсаторы конкретных типов.
9.2 Паяемость
9.2.1 Общие положения
Испытание не применяют к тем выводам, которые в ТУ на конденсаторы конкретных типов описаны как не предназначенные для пайки.
9.2.2 Предварительная подготовка
В ТУ на конденсаторы конкретных типов должно быть указано, следует ли применять старение. Если требуется ускоренное старение, следует применить одну из процедур старения по МЭК 60068-2-20.
Если в ТУ на конденсаторы конкретных типов не указано иное, то испытание проводят с неактивным флюсом.
9.2.3 Конденсаторы с выводами
9.2.3.1 Общие положения
Конденсаторы подвергают испытанию Ta по МЭК 60068-2-20 с использованием либо метода 1 (метод паяльной ванны), либо метода 2 (паяльник), как установлено в ТУ на конденсаторы конкретных типов.
Если указан метод 1 (метод паяльной ванны), применяют нижеприведенные требования.
9.2.3.2 Условия испытаний
Если в ТУ на конденсаторы конкретных типов не указано иное, то применяют одно из испытаний по перечислениям a) или b), указанных в этих ТУ.
Условия испытаний должны быть определены в ТУ на конденсаторы конкретных типов.
a) Для всех конденсаторов, кроме указанных в перечислении b):
1) МЭК 60068-2-20, испытание Ta, метод 1 (паяльная ванна).
Глубина погружения (от посадочной плоскости или корпуса детали): 2-0,5 мм с использованием теплоизоляционного экрана толщиной (1,5 ± 0,5) мм;
2) МЭК 60068-2-20, испытание Ta, метод 2 (паяльник);
3) МЭК 60068-2-69, метод баланса смачивания припоем в ванне с припоем.
Примечание - МЭК 60068-2-69 применяют, если это указано в ТУ на конденсаторы конкретных типов или по договоренности между изготовителем и потребителем.
b) Для конденсаторов, не предназначенных для использования на печатных платах, но с соединениями, используемыми для пайки, как указано в ТУ на конденсаторы конкретных типов:
1) МЭК 60068-2-20, испытание Ta, метод 1 (ванна для пайки).
Глубина погружения (от посадочной плоскости или корпуса детали): 3,5-0,5 мм;
2) МЭК 60068-2-20, испытание Ta, метод 2 (паяльник).
9.2.3.3 Заключительная проверка, измерения и требования
Выводы проверяют на качественное лужение, о чем свидетельствует свободное растекание припоя при смачивании выводов.
9.2.4 Конденсаторы для поверхностного монтажа
9.2.4.1 Общие положения
Конденсаторы подвергают испытанию Td по МЭК 60068-2-58. ТУ на конденсаторы конкретных типов должны содержать данные по жесткости и подходам, которые будут использованы для смачивания, осушения или сопротивления растворению металлизации.
В ТУ на конденсаторы конкретных типов также должны быть указаны участки образца, подлежащие испытаниям после смачивания.
9.2.4.2 Заключительная проверка, измерения и требования
Конденсаторы для поверхностного монтажа должны соответствовать требованиям, установленным в ТУ на конденсаторы конкретных типов.
9.3 Стойкость компонентов к растворителям
9.3.1 Начальные измерения
Выполняют измерения, указанные в ТУ на конденсаторы конкретных типов.
9.3.2 Испытания
Компоненты подвергают испытанию XA по МЭК 60068-2-45 со следующими подробностями:
a) используемый растворитель - 2-пропанол;
b) температура растворителя - (23 ± 5) °C, если иное не указано в ТУ;
c) кондиционирование - метод 2 (без натирания);
d) время восстановления - не менее 2 ч (см. приложение C), если иное не указано в ТУ на конденсаторы конкретных типов.
9.3.3 Требования
Выполняют измерения, указанные в ТУ на конденсаторы конкретных типов, с соблюдением установленных требований.
9.4 Устойчивость маркировки к растворителям
9.4.1 Испытания
Компоненты подвергают испытанию XA по МЭК 60068-2-45:1980 со следующими подробностями:
a) используемый растворитель - 2-пропанол (МЭК 60068-2-45:1980/AMD1:1993, 3.1.2);
b) температура растворителя - (23 ± 5) °C;
c) кондиционирование - метод 1 (с растиранием);
d) протирочный материал - вата;
e) время восстановления - не применимо, если иное не указано в ТУ на конденсаторы конкретных типов.
9.4.2 Требования
После испытания маркировка должна быть разборчивой.
10.1 Пассивная воспламеняемость
10.1.1 Процедура испытаний
Конденсаторы испытывают в соответствии со следующей процедурой:
a) испытание проводят по МЭК 60695-11-5;
b) испытуемый конденсатор должен находиться в пламени в положении, наиболее способствующем горению (если это положение не указано в ТУ на конденсаторы конкретных типов, оно должно быть оценено путем предварительного испытания). Каждый образец подвергают воздействию пламени только один раз;
c) испытаниям подвергают наименьший, средний (в случае более четырех размеров корпуса) и наибольший размер корпуса. Для каждого размера корпуса испытывают три образца с максимальной емкостью и три образца с минимальной емкостью.
Продолжительность воздействия пламени и длительность горения приведена в таблице 5. Если применимо, в ТУ на конденсаторы конкретных типов должна быть указана категория пассивной воспламеняемости.
10.1.2 Требования
Длительность горения образца не должна превышать значения, указанного в таблице 5. Горящие капли или падающие раскаленные части не должны воспламенять папиросную бумагу.
|
Категория воспламеняемости |
Степень жесткости воздействия. Продолжительность воздействия пламени для диапазонов объема конденсатора a, с |
Максимальная длительность горения, с | |||
|
Объем ≤ 250 мм3 |
250 мм3 <объем ≤ 500 мм3 |
500 мм3 <объем ≤ 1750 мм3 |
1750 мм3 <объем ≤ 12 000 мм3 | ||
|
A |
15 |
30 |
60 |
120 |
3 |
|
B |
10 |
20 |
30 |
60 |
10 |
|
C |
5 |
10 |
20 |
30 |
30 |
|
a Испытание конденсаторов объемом более 12 000 мм3 допускается проводить в соответствии с МЭК 60695-2-11 (температура испытания 750 °C); испытание конденсатора на воспламеняемость не требуется, если используют самозатухающие материалы с минимальным индексом воспламеняемости раскаленной проволоки (GWFI) 750 °C или с таким, который указан в соответствующей спецификации. | |||||
10.2 Сброс давления
10.2.1 Испытания
Если иное не указано в ТУ на конденсаторы конкретных типов, то к конденсатору в прямом направлении прикладывают напряжение постоянного тока с амплитудой, необходимой для создания тока не менее 10 мА/Ф.
10.2.2 Требования
Устройство сброса давления должно открываться таким образом, чтобы исключить опасность взрыва или возгорания.
См. приложение Q.
Приложение A
(обязательное)
A.1 Общие положения
В настоящем приложении приведена классификация конденсаторов в соответствии с емкостью и внутренним сопротивлением в зависимости от применения.
A.2 Классификация по емкости и внутреннему сопротивлению
Измерения емкости методом разряда постоянным током и внутреннего сопротивления методом постоянного тока требуют длительного времени измерения в зависимости от характеристик изделия при условии, что условия измерения стандартизованы с учетом специфики этих методов измерения. Для подбора эффективных условий измерения применяют классификацию видов применения, в соответствии с которой устанавливают пять видов условий измерения (см. рисунок A.1).

Рисунок A.1 - Концептуальное представление, ориентированное на характеристики в каждом классе
Применения разбиты на пять классов, внутри которых могут быть использованы одни и те же условия измерения (разрядный ток), подходящие для измерения емкости и внутреннего сопротивления с обеспечением необходимой точности.
Класс 1 (поддержка питания памяти): для конденсаторов, которые в основном используют для резервирования питания оперативной памяти с разрядным током от нА до мкА. Конденсаторы для этого вида применения имеют относительно низкую емкость и высокое внутреннее сопротивление.
Класс 2 (накопление энергии): для накопительных конденсаторов, которые в основном обеспечивают длительную работу с разрядным током от мА до А. Конденсаторы для этого вида применения имеют высокую емкость и не требовательны к величине внутреннего сопротивления. Внутреннее сопротивление конденсаторов этого класса, как правило, более высокое по сравнению с классом 3, ориентированным на использование мощности.
Класс 3 (мощность): для конденсаторов, которые в основном используют для привода двигателей, требующих мощности с разрядным током от мА до А. Конденсаторы для этого применения имеют относительно высокую емкость и низкое внутреннее сопротивление.
Класс 4 (импульсная мощность): для конденсаторов, которые в основном обеспечивают кратковременную отдачу большой мощности (относительно большой ток). Конденсаторы для этого применения имеют низкую емкость и низкое внутреннее сопротивление.
Класс 5 (высокая мощность): для конденсаторов, которые в основном используют для случаев применения (например, автомобильных и железнодорожных), требующих большой мощности (относительно большой ток) с напряженными циклами заряда-разряда. Конденсаторы для этого применения имеют более высокое значение емкости и более низкое значение внутреннего сопротивления по сравнению с классом 3.
Если в ТУ на конденсаторы конкретных типов не указано иное, то электрические характеристики и методы измерений следует выбирать в соответствии с таблицей A.1 по описанным выше классам применения.
|
Измеряемый параметр |
Подраздел, пункт |
Класс | |||||
|
Класс 1 |
Класс 2 |
Класс 3 |
Класс 4 |
Класс 5 | |||
|
Емкость |
Метод разряда постоянным током, метод 1A |
6.1.4.2 |
A |
A |
A |
A |
C |
|
Метод заряда при постоянном сопротивлении, метод 1B |
6.1.4.3 |
C |
C |
B |
B |
A | |
|
Метод заряда при постоянном сопротивлении |
6.2.1 |
B |
B |
B |
B |
C | |
|
Внутреннее сопротивление |
Измерение методом постоянного тока, метод 1A |
6.1.5.2 |
C |
A |
A |
A |
C |
|
Измерение методом постоянного тока, метод 1B |
6.1.5.3 |
C |
B |
B |
B |
A | |
|
Измерение методом переменного тока |
6.2.2 |
A |
B |
B |
B |
C | |
|
Ток утечки |
6.3 |
C |
C |
C |
C |
C | |
|
Удержание напряжения |
6.4 |
A |
C |
C |
C |
C | |
|
Выбор варианта классификации: A - используют как стандартный метод; B - используют как упрощенный метод; C - используют, если это необходимо. Выбор варианта классификации должен быть указан в ТУ на конденсаторы конкретных типов. Информацию о емкости см. в приложении B. | |||||||
Приложение B
(справочное)
B.1 Общие положения
Этот метод подходит для конденсаторов с относительно низким внутренним сопротивлением и может быть использован как метод быстрого измерения.
B.2 Измерительная система
Измерительная система включает в себя компоненты, показанные на рисунке B.1. Система, которая применяет метод измерения емкости на низкой частоте, может быть использована следующим образом:
a) анализатор частотных характеристик генерирует синусоидальное напряжение заданной частоты и подает напряжение на конденсатор через потенциостат (устройство, автоматически поддерживающее постоянный потенциал электрода);
b) потенциостат определяет ток, протекающий через конденсатор, и преобразует его в напряжение, поступающее обратно в анализатор частотных характеристик;
c) получают импеданс |Z| и фазовый угол ϕ от напряжения и тока измеряемого конденсатора.

Рисунок B.1 - Система измерения емкости методом переменного тока на низкой частоте
B.3 Расчет емкости
Рассчитывают емкость нижеприведенным образом.
a) Рассчитывают реактивное сопротивление X, Ом, по формуле
X = |Z|·sinϕ, (B.1)
где |Z| - полное сопротивление, Ом;
ϕ - фазовый угол.
b) Используют рассчитанное реактивное сопротивление для расчета емкости конденсатора C, Ф, по формуле
, (B.2)
где π - отношению длины окружности к ее диаметру;
f - частота измерения, Гц.
B.4 Условия измерения
Условия измерения должны быть следующими:
a) используют одну из измерительных частот 0,05; 0,1; 1; 10 или 100 Гц;
b) измерительное напряжение должно быть не более 3% от нормированного напряжения;
c) напряжение смещения должно составлять от 50% до 95% нормированного напряжения; если не возникает сомнений относительно оценки, напряжение смещения допускается не указывать.
Приложение C
(справочное)
C.1 Общие положения
В этом приложении представлено описание длительности достижения термостабилизации (теплового равновесия) конденсаторов в качестве эталона при определении продолжительности выдержки для предварительной обработки.
C.2 Длительность достижения теплового равновесия конденсаторов
Было проверено допущение, что длительность достижения теплового равновесия, т.е. промежуток времени, необходимый для того, чтобы центральная часть конденсатора достигла температуры, отличающейся от внешней температуры не более чем на 1 °C, зависит от внешних размеров конденсатора и изменения температуры в центральных частях конденсаторов.
Результирующие данные по проверке длительности достижения теплового равновесия центральных частей конденсаторов, которые подвергались воздействию определенной температуры окружающей среды, подтвердили, что длительность достижения равновесия пропорциональна величине внешних размеров, таких как диаметр для цилиндрических конденсаторов, и толщине (наиболее тонкая сторона) для призматических конденсаторов. На рисунке C.1 показана длительность достижения равновесия конденсаторов до нормальной комнатной температуры при выдержке после высокой температуры. На рисунке C.2 показана длительность достижения равновесия конденсаторов до нормальной комнатной температуры при выдержке после низкой температуры. Пунктирные прямые линии на данных рисунках обозначают предполагаемую наибольшую длительность достижения равновесия конденсаторов. Целесообразно использовать эти пунктирные прямые линии в качестве продолжительности выдержки для предварительного кондиционирования. На рисунке C.3 показаны фактические измеренные изменения температуры в центральных частях конденсаторов.

- фактические результаты измерения
Рисунок C.1 - Длительность достижения теплового равновесия конденсаторов (от 85 °C до 25 °C)

- фактические результаты измерения
Рисунок C.2 - Длительность достижения теплового равновесия конденсаторов (от минус 40 °C до плюс 25 °C)

a) От 85 °C до 25 °C

b) От минус 40 °C до плюс 25 °C
Рисунок C.3 - Изменение температуры сердечника конденсатора во времени
Приложение D
(справочное)
D.1 Общие положения
В настоящем приложении дана общая концепция эффективности заряда и разряда и определения испытательного тока, которые приведены в 6.1.3.
D.2 Полнота заряда, полнота разряда и ток
D.2.1 Расчет при полной зарядке и разрядке
Заряд Q после заряда или разряда в течение времени t при постоянном токе I, запасенную энергию W и энергию L, рассеянную на сопротивлении R, определяют по формулам (D.1), (D.2) и (D.3) соответственно.
Q = It; (D.1)
; (D.2)
. (D.3)
Если конденсатор заряжают или разряжают на полную емкость при постоянном токе по формуле (D.2) или (D.3) соответственно, полноту Pc для заряда или Pd для разряда определяют по формуле (D.4) или (D.5) соответственно, где R - внутреннее сопротивление, C - емкость конденсатора.
; (D.4)
. (D.5)
В настоящем стандарте полнота заряда или разряда предлагается равной 95% с учетом экзотермического эффекта и затрат времени на измерение. Продолжительность времени t, необходимая для заряда с полнотой 95%, определяют по формуле (D.6), исходя из формулы (D.4)
t = 38RC. (D.6)
Заряд Q, накопленный в конденсаторе, определяют как произведение емкости C и зарядного напряжения U по формуле (D.7). Ток Ic для 95%-ного заряда определяют по формуле (D.8) исходя из формул (D.1), (D.6) и (D.7)
Q = CU; (D.7)
. (D.8)
Продолжительность времени t, необходимого для разряда на 95%, определяют по формуле (D.9) исходя из формулы (D.5), а ток Id, необходимый для разряда на 95%, определяют по формуле (D.10).
t = 40RC; (D.9)
. (D.10)
Формулы (D.8) и (D.10) используют для определения тока при проведении испытаний на заряд или разряд. После определения зарядного/разрядного тока можно рассчитать максимальную выходную мощность при заданной эффективности.
D.2.2 Расчет с учетом неполного заряда и разряда из-за внутреннего сопротивления
D.2.2.1 Заряд постоянным током
Непосредственно перед процессом заряда, в момент времени t0 = 0, конденсатор полностью разряжают (U0 = 0 В). При этом условии электростатически запасенная энергия при чистой емкости C (относительно потенциала земли Ugnd = 0 В) равна
(соответствующий заряд Q0 = 0). (D.11)
При заряде постоянным током I эквивалентное последовательное сопротивление ESR, обозначаемое как R, вызывает омические потери мощности
P = I2R. (D.12)
Для заряда верхний предел напряжения источника постоянного тока устанавливают на UR. Заряд прекращают при достижении значения UR на входе датчика, при этом ток устанавливают равным 0 А. Непосредственно после процесса зарядки, в момент времени t1, конденсатор не будет полностью заряжен из-за внутреннего сопротивления. Заряд, хранящийся на внутренней поверхности конденсатора, равен Q1. Электростатически запасенная энергия в этих условиях равна
. (D.13)
Омические потери на внутреннем сопротивлении, возникающие в процессе заряда, равны
. (D.14)
Разность энергий ΔWc = [W1 – W0] при чистой емкости, т.е. накопленной энергии, равна
. (D.15)
Полная энергия, переданная от источника тока на конденсатор, равна
ΔWT = ΔWc + ΔWJ. (D.16)
Соотношение между ΔWc и ΔWT дает эффективность зарядки:
. (D.17)
Уравнение (D.17) позволяет рассчитать продолжительность зарядки:
. (D.18)
При dt I = C dU ток заряда получают как
. (D.19)
Подставляя уравнение (D.18) в (D.19), определяют ток заряда I как функцию Pc
. (D.20)
Электрический ток, необходимый для зарядки конденсатора с КПД 95%, т.е. Pc = 0,95, равен
. (D.21)
D.2.2.2 Разряд постоянным током
Непосредственно перед разрядом, в момент времени t0 = 0, на конденсаторе сохраняется напряжение U0 (= UR). Соответствующий сконденсированный заряд на конденсаторе емкостью C равен Q0. В этом случае электростатически запасенная энергия при чистой емкости (относительно потенциала земли Ugnd = 0 В) равна
. (D.22)
При разряде постоянным током I, эквивалентное последовательное сопротивление ESR, обозначаемое как R, вызывает омические потери мощности
P = I2R. (D.23)
Непосредственно после процесса разряда, в момент времени t1, на конденсаторе сохраняется остаточное напряжение U1 = IR. Электростатически запасенная энергия чистой емкости при этом условии равна
. (D.24)
Омические потери на внутреннем сопротивлении, возникающие в процессе разряда, равны
. (D.25)
Разница энергии из-за разряда на чистой емкости составляет
. (D.26)
Доступная для использования энергия равна
ΔWU = ΔWc + ΔWJ. (D.27)
Соотношение
между полезной энергией и разностью энергий на конденсаторе
. (D.28)
Приведенное выше уравнение может быть решено для тока разряда следующим образом:
. (D.29)
Для эффективности разряда 95%, т.е. P = 0,95, ток равен
. (D.30)
Приложение E
(справочное)
E.1 Общие положения
В настоящем приложении приведен метод определения испытательного тока, используемого в 6.1.3.
E.2 Процедуры определения тока для измерения емкости
Если номинальное внутреннее сопротивление конденсатора неизвестно, испытательный ток для измерения конденсатора, обеспечивающий полноту заряда 95% и полноту разряда 95% устанавливают в соответствии с нижеприведенными процедурами.
a) Используя оценочное внутреннее сопротивление, измеряют временную характеристику напряжения между выводами конденсатора в соответствии с процедурой, установленной в 6.1.3, а затем рассчитывают внутреннее сопротивление согласно описанию в 6.1.5.
b) Если внутреннее сопротивление вначале оценить невозможно, рекомендуется в качестве начального значения установить зарядный и разрядный токи равными 30 А.
c) Используя внутреннее сопротивление, рассчитанное по перечислению a), измеряют временную характеристику напряжения между выводами конденсатора в соответствии с процедурой, установленной в 6.1.3, и рассчитывают внутреннее сопротивление согласно описанию в 6.1.5.
d) Повторяют описанные выше процедуры до тех пор, пока разница между рассчитанным значением внутреннего сопротивления и предыдущим значением не станет менее 10% предыдущего значения.
Если ΔU3 становится более 0,1UR, проводят процедуры по перечислениям a) - c) с меньшим током, а затем повторно выполняют измерения. Если расчетное внутреннее сопротивление отрицательно, следует исполнить процедуры по перечислениям a) - c) с большим током, а затем выполнить измерения.
E.3 Пример определения значения тока для измерения характеристик конденсатора
В таблице E.1 приведены примеры определения значения испытательного тока. Определение значения тока выполняют в порядке, показанном в таблице E.1.
|
Этап |
Значение внутреннего сопротивления, используемого для определения тока, мОм |
Зарядный ток, А |
Разрядный ток, А |
Вычисленная емкость, Ф |
Вычисленное внутреннее сопротивление, мОм |
|
Этап 1 |
1,5 (оценочный) |
47,4 |
45,0 |
1 297 |
4,6 |
|
Этап 2 |
4,6 (вычисленный по результатам этапа 1) |
15,4 |
14,7 |
1 351 |
5,0 |
|
Этап 3 |
5,0 (вычисленный по результатам этапа 2) |
14,2 |
13,5 |
1 351 |
5,0 |
Приложение F
(справочное)
F.1 Цель
В ТУ электронных компонентов указаны пределы параметров, определяющие применимость компонента. Эти пределы не учитывают неопределенность измерения, вызванную погрешностью испытательного и измерительного оборудования и методов испытаний, а также условиями окружающей среды и человеческого фактора.
Целью настоящего приложения является определение обязательных правил по расчету неопределенности измерения и установлению внутренних пределов для обеспечения единообразного применения. Также рассматривается особый случай установления расширенных пределов.
F.2 Расчет неопределенности измерения
Требования к проведению оценки неопределенности измерений могут быть разделены на три этапа:
a) идентификацию возможных вкладов ошибок;
b) количественное определение размера каждого перечисленного вклада;
c) расчет общей неопределенности измерения.
F.3 Правила
F.3.1 Значение неопределенности измерения должно быть рассчитано для каждого требования к рабочим характеристикам, которое связано с аттестацией, сертификацией технических возможностей, технологиями и процессами, планами выборок, приемо-сдаточными и периодическими испытаниями, как определено в ТУ.
F.3.2 Каждое значение неопределенности измерения следует использовать для применения ужесточения пределов по крайней мере этого значения в ТУ, как определено в F.3.1.
F.3.3 Ужесточение пределов должно применяться в соответствии с F.4.2 для аттестации, сертификации технических возможностей, технологии и процессов и в соответствии с F.4.3 для аудиторских испытаний продукта.
F.3.4 Отчеты об испытаниях и протоколы испытаний, составленные для подтверждения соответствия аттестации, сертификации технических возможностей, планам выборок, приемо-сдаточным и периодическим испытаниям, как определено в применимых ТУ, должны содержать значение неопределенности для каждого требования к рабочим характеристикам.
F.4 Расчет сокращенных и расширенных пределов
F.4.1 Основополагающий принцип заключается в том, что пределы должны быть отнесены от заданных значений на соответствующую неопределенность измерения. Это увеличивает вероятность того, что результаты измерений, попадающие в ужесточенные пределы, включая предельные значения, действительно находятся в пределах требований, установленных в ТУ, так что принимаются только действительно соответствующие устройства.
Исключение из ужесточенных пределов возникает, когда проводят аудиторские испытания продукта. В этой ситуации, чтобы убедиться в том, что неопределенность измерения не приведет к отбраковке качественных продуктов, аудиторское испытание смягчает установленные пределы. Это увеличивает вероятность того, что результаты измерений, выходящие за расширенные пределы, включая предельные значения, действительно выходят за пределы ТУ, так что отбраковываются только действительно несоответствующие устройства.
F.4.2 Для изготовителя компонентов, если верхнее заданное значение параметра обозначить "x", нижнее заданное значение параметра - "y", а неопределенность измерения - "a", то ужесточенные пределы для параметра равны (x - a) и (y + a).
F.4.3 Для аудиторского испытания: если верхнее заданное значение параметра обозначить "x", нижнее заданное значение параметра - "y", а неопределенность измерения - "b", то расширенные пределы для параметра равны (x + b) и (y - b).
Чем меньше неопределенность измерения, тем меньше становятся значения "a" и "b" и тем ближе пределы, применяемые изготовителем и аудитором, приближаются к пределам, установленным в ТУ.
F.5 Примеры
F.5.1 Общие положения
Установка ужесточенных пределов и смягченных пределов.
F.5.2 Пример 1. Измерение сопротивления
|
Установленное в спецификации значение сопротивления: |
100 Ом ± 10% = от 90 до 110 Ом. |
|
Расчетная неопределенность измерения: |
± 1,2% = ± 1,08 и ± 1,32 Ом. |
Ужесточенные пределы: от 91,08 до 108,68 Ом.
Смягченные пределы: от 88,92 до 111,32 Ом.
F.5.3 Пример 2. Измерение сопротивления
Начальное измерение: 105,00 Ом.
|
Установленное в спецификации значение сопротивления: |
<0,5% = ± 0,53 Ом = 104,47 до 105,53 Ом. |
|
Расчетная неопределенность измерения: |
± 0,1% = ± 0,10 и ± 0,11 Ом. |
Ужесточенные пределы: от 104,57 до 105,42 Ом.
Смягченные пределы: от 104,37 до 105,64 Ом.
F.5.4 Пример 3. Измерение транзистора (усиление)
Заданные пределы: 60 ≤ h21E ≤ 80.
Расчетная неопределенность измерения: 5.
Ужесточенные пределы: от 65 до 75.
Смягченные пределы: от 55 до 85.
F.5.5 Пример 4. Сравнение исходных и заключительных результатов измерения
Начальное измерение: 102,05 мкФ.
Заданный допуск: отклонение на 1%.
Расчетная неопределенность измерения: 0,1%.
Ужесточенные пределы: от 101,13 до 102,97 мкФ.
Смягченные пределы: от 100,93 до 103,17 мкФ.
Приложение Q
(обязательное)
Q.1 Общие положения
Q.1.1 Обзор
Если настоящий стандарт и любые связанные стандарты применяют для целей полной оценки системы качества, требуется соответствие разделам Q.5, Q.6 или Q.14.
Если настоящий стандарт используют вне систем оценки качества, для таких целей, как проверка конструкции или типовые испытания, допускается применять процедуры и требования, приведенные в Q.5.1 и в перечислении b) Q.5.3, но, если они используются, испытания и части испытаний следует применять в порядке, установленном в программах испытаний.
Перед тем как оценивать компоненты в соответствии с процедурами настоящего приложения, изготовитель должен получить аттестацию своей организации в соответствии с положениями требуемой системы оценки качества (при наличии).
Методы, доступные для одобрения компонентов оцениваемого качества и описанные в следующих пунктах, включают:
- квалификацию соответствия;
- подтверждение технических возможностей;
- одобрение технологии.
Для определенного подсемейства компонентов необходимы отдельные ГТУ для утверждения соответствия и подтверждения технических возможностей, и поэтому подтверждение технических возможностей доступно только после утверждения соответствующих ГТУ.
Q.1.2 Применимость квалификации соответствия
Квалификацию соответствия применяют для стандартного ряда компонентов, изготовленных с использованием аналогичных процессов проектирования и производства и соответствующих опубликованным ТУ на конденсаторы конкретных типов.
Программу испытаний, приведенную в ТУ на конденсаторы конкретных типов для соответствующего уровня оценки и уровней рабочих характеристик, применяют непосредственно к ряду компонентов, которые должны быть квалифицированы, как установлено в Q.5 и соответствующих ГТУ.
Q.1.3 Применимость подтверждения технических возможностей
Q.1.3.1 Общие положения
Подтверждение технических возможностей применяют для компонентов, разработанных с использованием общих правил проектирования, изготавливаемых путем применения группы общих процессов (в том числе, если компоненты изготовлены в соответствии с конкретными требованиями потребителя).
Для подтверждения технических возможностей ТУ на конденсаторы конкретных типов делят на три категории в соответствии с Q.1.3.2, Q.1.3.3 и Q.1.3.4.
Q.1.3.2 Компоненты, подтверждаемые по техническим возможностям, включая испытательные средства валидации процесса
Для каждого компонента, подтверждаемого по техническим возможностям (КПТВ), должны быть подготовлены ТУ на конденсаторы конкретных типов. Они должны определять назначение КПТВ и включать все требуемые степени жесткости и пределы испытаний.
Q.1.3.3 Стандартные каталожные компоненты
Если изготовителю требуется компонент, одобренный в соответствии с процедурой подтверждения технических возможностей, то разрабатывают ТУ подтверждения технических возможностей, соответствующие стандартным ТУ (при наличии).
Q.1.3.4 Компоненты, выпускаемые по требованиям покупателя
Содержание ТУ на конденсаторы конкретных типов (как правило, называемые ТУ заказчика) должно быть согласовано в соответствии с установленной системой оценки качества (при наличии).
Информацию по ТУ заказчика включают в соответствующие ГТУ.
Подтверждение выдается изготовителю на основе валидации правил проектирования, процессов и процедур контроля качества, а также результатов испытаний при квалификации соответствия компонентов, включая все испытательные средства для валидации процесса. Дополнительная информация приведена в Q.6 и в соответствующих ГТУ.
Q.1.4 Применимость одобрения технологии
Одобрение технологии применяют, если полный технологический процесс (проектирование, реализация процесса, изготовление продукции, испытания и отгрузка) охватывает квалификационные аспекты, общие для всех компонентов, определяемых технологией.
Q.2 Первичный этап производства
Первичный этап производства должен быть указан в ГТУ.
Q.3 Субподряд
Если первичный этап производства и/или последующих стадий выполняют по субподряду, это должно соответствовать установленной системе оценки качества (при наличии).
Общие или групповые технические условия могут содержать:
- запрет субподряда по техническим причинам;
- специальные требования, например для определенных последовательных стадий, которые должны быть выполнены одним изготовителем;
- разрешение субподряда без дополнительных требований.
Q.4 Конструктивноподобные компоненты
Порядок группирования конструктивноподобных компонентов для проведения квалификационных испытаний или испытаний на соответствие качества при квалификационном утверждении, подтверждении технических возможностей или одобрении технологии должно быть установлено в соответствующих ГТУ.
Q.5 Процедуры квалификации соответствия
Q.5.1 Право на квалификацию соответствия
Квалификация соответствия предоставляется изготовителю только в том случае, если он прошел аттестацию изготовителя конденсаторов и, кроме того, и выполнил требования настоящего приложения. Допускается проведение процедур аттестации и квалификации параллельно, но квалификация соответствия не должна предоставляться до аттестации изготовителя конденсаторов.
Q.5.2 Заявка на квалификацию соответствия
Изготовитель должен соблюдать установленную систему оценки качества (при наличии).
Q.5.3 Процедура испытаний для утверждения квалификации соответствия
Должна быть использована одна из нижеприведенных процедур.
a) Изготовитель должен представить доказательства соответствия требованиям ТУ на трех контрольных партиях для последовательных партий с минимальным интервалом и на одной партии для периодической проверки. В период отбора контрольных партий не допускается внесение существенных изменений в производственный процесс.
b) Образцы берут из партий в соответствии с МЭК 61193-2. Следует использовать обычный контроль, но, если размер выборки дает нуль-приемку при отсутствии несоответствий, должны быть взяты дополнительные образцы для удовлетворения требований к размеру выборки, чтобы обеспечить появление одного несоответствующего элемента.
c) Изготовитель должен предоставить свидетельство испытаний, чтобы продемонстрировать соответствие требованиям ТУ по программе испытаний с фиксированным объемом выборки, указанным в ГТУ.
d) Образцы, отобранные для формирования выборки, должны быть выбраны случайным образом из текущего производства или по согласованию.
e) Для двух процедур размеры выборки и количество допустимых несоответствий должны быть сопоставимого порядка. Условия испытаний и требования должны быть одинаковыми.
Q.5.4 Предоставление квалификации соответствия
Квалификация соответствия должна быть предоставлена, если процедуры в соответствии с установленной системой оценки качества (при их наличии) выполнены удовлетворительно.
Q.5.5 Поддержание квалификации соответствия
Квалификация соответствия должна поддерживаться путем регулярной демонстрации соответствия требованиям соблюдения качества (см. Q.5.6).
Q.5.6 Проверка соответствия качества
ТУ на конденсаторы конкретных типов, связанные с ГТУ, должны содержать программы испытаний для проверки соответствия качества. В программе должны быть указаны группировка, выборка и периодичность для приемо-сдаточных и периодических проверок.
Применение правила переключения для ослабленного контроля в группе C разрешено во всех подгруппах, кроме долговечности.
Планы выборочного контроля и уровни контроля должны быть выбраны из приведенных в МЭК 61193-2. Допускается установка более одной программы.
Q.6 Процедуры подтверждения технических возможностей
Q.6.1 Общие положения
Подтверждение технических возможностей охватывает:
- разработку конструкции, подготовку материалов и технологии изготовления, включая процедуры контроля и испытания;
- пределы рабочих характеристик, заявленные для процессов и продукции, т.е. указанные для КПТВ, и параметров контроля процесса (ПКП);
- диапазон механических конструкций, для которых предоставляется утверждение.
Общая схема подтверждения технических возможностей приведена на рисунке Q.1.

Рисунок Q.1 - Общая схема подтверждения технических возможностей
Q.6.2 Право на получения подтверждения технических возможностей
Изготовитель должен соблюдать требования установленной системы оценки качества (при наличии).
Q.6.3 Заявка на получение подтверждения технических возможностей
Изготовитель должен соблюдать требования установленной системы оценки качества (при наличии) и требования соответствующих ГТУ.
Q.6.4 Описание технических возможностей
Техническая возможность должна быть описана в руководстве по техническим возможностям (РТВ) в соответствии с установленной системой оценки качества (при наличии) и требованиями соответствующих ГТУ. РТВ должно включать или делать ссылки на следующее:
- общее введение и описание задействованных технологий;
- аспекты взаимодействия с покупателем, включая положения правил проектирования (если применимо) и помощь покупателям в формулировании их требований;
- подробное описание правил проектирования, которые будут использованы;
- процедуру проверки соблюдения правил проектирования для соответствующей технологии компонентов, изготовленных в соответствии с ТУ на конденсаторы конкретных типов;
- перечень всех используемых материалов со ссылкой на соответствующие спецификации закупки и спецификации входного контроля материалов;
- блок-схему всего процесса, показывающую точки контроля качества и разрешенные циклы доработки и содержащую ссылки на все процедуры контроля процесса и качества;
- декларацию процессов, для которых запрашивалось одобрение согласно требованиям соответствующих ГТУ;
- декларацию пределов, для которых запрашивалось одобрение согласно требованиям соответствующих ГТУ;
- список КПТВ, используемых для оценки технических возможностей, с общим описанием каждого из них с подробной таблицей, показывающей, где заявленные пределы технических возможностей демонстрируются конкретным проектом КПТВ;
- ТУ на конденсаторы конкретных типов для каждого КПТВ;
- подробный план контроля, включающий ПКП, используемые для управления процессами, с общим описанием каждого ПКП и указанием взаимосвязи между конкретным ПКП и соответствующими свойствами и характеристиками готового компонента;
- руководство по применению конструктивного подобия при отборе проб для проверки соответствия качества.
Q.6.5 Демонстрация и проверка технических возможностей
Q.6.5.1 Общие положения
Изготовитель должен продемонстрировать и проверить технические возможности согласно установленной системе оценки качества (при наличии) и требованиям соответствующих ГТУ с нижеприведенными подробностями.
Q.6.5.2 КПТВ для демонстрации технических возможностей
Изготовитель должен согласовать с органом по сертификации (ОС) параметры, определяющие данный процесс, и диапазон КПТВ, которые необходимы для демонстрации диапазона технических возможностей, указанного в РТВ.
Демонстрация должна быть проведена путем испытания согласованного ряда КПТВ, которые должны быть спроектированы, изготовлены, а параметры процесса должны контролироваться согласно РТВ. КПТВ должны соответствовать нижеприведенным требованиям.
a) Диапазон используемых КПТВ должен представлять все пределы заявленных технических возможностей. КПТВ должны быть выбраны для демонстрации взаимно достижимых комбинаций пределов.
b) КПТВ должны быть одними из следующих:
- компоненты, специально разработанные для демонстрации сочетания пределов технических возможностей;
- компоненты конструкций, используемых в общем производстве;
- сочетание того и другого при условии соблюдения требований, приведенных в перечислении a).
Если КПТВ разрабатывают и производят исключительно для подтверждения технических возможностей, изготовитель должен использовать те же правила проектирования, материалы и производственные процессы, которые применяют к выпущенным продуктам.
ТУ на конденсаторы конкретных типов должны быть подготовлены для каждого КПТВ и иметь специальный формат титульного листа. ТУ должны определять назначение КПТВ и включать все требуемые уровни жесткости и пределы испытаний. Допускается, что ТУ на конденсаторы конкретных типов содержат ссылки на документацию по внутреннему контролю, в которой указаны производственные испытания и регистрация, чтобы продемонстрировать контроль и обслуживание процессов и пределов технических возможностей.
Q.6.5.3 Пределы технических возможностей
Пределы технических возможностей должны быть установлены в соответствующих ГТУ.
Q.6.6 Программа подтверждения технических возможностей
В соответствии с требуемой системой оценки качества (при наличии) изготовитель должен подготовить программу оценки заявленных технических возможностей. Эта программа должна быть разработана таким образом, чтобы каждый заявленный предел технических возможностей проверялся определенным КПТВ.
Программа должна включать:
- столбчатую диаграмму или другие средства отображения предлагаемой программы утверждения;
- сведения обо всех КПТВ, которые будут использованы, со ссылками на ТУ на конденсаторы конкретных типов;
- диаграмму, показывающую характеристики, которые должны быть продемонстрированы каждым КПТВ;
- ссылку на планы управления, которые будут использованы для управления технологическим процессом.
Q.6.7 Отчет об испытаниях для подтверждения технических возможностей
В соответствии с требуемой системой оценки качества (при наличии) должен быть выпущен отчет об испытаниях для подтверждения технических возможностей, который должен содержать следующую информацию:
- номер и дату РТВ;
- программу подтверждения технических возможностей в соответствии с Q.6.6;
- все результаты испытаний, полученные при выполнении программы;
- используемые методы испытаний;
- отчеты о действиях, предпринятых в случае отказа (см. Q.6.10.2).
Отчет должен быть подписан уполномоченным представителем руководства (УПР) как достоверное изложение полученных результатов и представлен органу, который указан в национальных правилах и несет ответственность за выдачу подтверждения технических возможностей.
Q.6.8 Реферат описания технических возможностей
Реферат предназначен для официальной публикации после того, как будет предоставлено подтверждение технических возможностей.
Реферат в разделе "Область деятельности" должен включать четкое общее описание технологии или компонента, на которые распространяется утверждение, и подробное и четкое описание возможностей, методах изготовления и номенклатуре продуктов, для которых изготовитель был аттестован.
Q.6.9 Модификации, которые могут повлиять на подтверждение технических возможностей
Любые модификации, которые могут повлиять на подтверждение технических возможностей, должны удовлетворять требованиям установленной системы оценки качества (при наличии).
Q.6.10 Первоначальное подтверждение технических возможностей
Q.6.10.1 Общие положения
Разрешение предоставляется, если:
- выбранный диапазон КПТВ в совокупности удовлетворяет требованиям к оценке ТУ на конденсаторы конкретного вида КПТВ, при этом не допускается наличие неподтвержденных параметров;
- план контроля полностью реализован в системе управления процессом.
Q.6.10.2 Процедура в случае отказа
Применяют требуемую систему оценки качества (при наличии) с нижеприведенными особенностями.
В случае несоответствия образцов требованиям к испытаниям изготовитель должен заявить о своем намерении выполнить одно из действий, описанных в перечислениях a) и b):
a) изменить предлагаемый объем технических возможностей;
b) провести расследование для установления причины отказа, такого как:
- сбой самого испытания, например отказ испытательного оборудования или ошибка оператора;
- сбой конструкции или процесса.
Если причина отказа установлена как отказ в проведении испытания, то либо образец, который не прошел испытание, либо, если необходимо, новый образец должен быть возвращен в программу испытаний после принятия необходимых корректирующих действий. Если предполагается использовать новый образец, он должен быть подвергнут всем испытаниям в заданной последовательности программы испытаний, соответствующих удаленному образцу.
Если причина отказа установлена как отказ конструкции или процесса, то после устранения причин отказа должна быть выполнена программа испытаний, чтобы продемонстрировать, что причина отказа устранена и что все корректирующие меры, включая документирование, исполнены. Если это будет выполнено, последовательности испытаний, в которых произошел отказ, должны быть полностью повторены с использованием новых КПТВ.
После завершения испытания изготовитель должен отправить отчет и включить его копию в отчет об испытаниях для подтверждения технических возможностей (см. Q.6.7).
Q.6.10.3 Общий план выбора ПКП и КПТВ
Каждый изготовитель должен подготовить блок-схему процесса на основе примера, приведенного в соответствующих ГТУ. Для всех этапов процесса, включенных в блок-схему, изготовитель должен включить соответствующие средства контроля процесса.
Контролируемые точки должны быть обозначены изготовителем, как показано в примере в соответствующих ГТУ.
Q.6.10.4 Планы испытания контроля процесса
Планы испытаний должны составлять часть системы контроля технологического процесса, используемой изготовителем. Если используется статистический контроль процессов (СКП), реализация должна соответствовать основным требованиям СКП. Планы СКП представляют собой обязательные элементы контроля в узлах процесса.
Для каждого этапа процесса, на котором используют производственное оборудование, изготовитель должен контролировать параметры процесса через регулярные промежутки времени и сравнивать показания с контрольными и рабочими пределами, которые он установит.
Q.6.10.5 Планы испытаний для КПТВ, демонстрирующие пределы технических возможностей
Планы испытаний для КПТВ для демонстрации пределов технических возможностей должны быть установлены в соответствующих ГТУ.
Q.6.11 Предоставление подтверждения технических возможностей
Подтверждение технических возможностей должно быть предоставлено, если процедуры в соответствии с требуемой системой оценки качества (при их наличии) завершены удовлетворительно и требования соответствующих ГТУ выполнены.
Q.6.12 Поддержание подтверждения технических возможностей
Подтверждение технических возможностей должно поддерживаться путем соблюдения требований установленной системы оценки качества (при их наличии) и требований, заявленных в РТВ, согласно графику обслуживания, приведенному в соответствующих ГТУ.
Кроме того, должно быть выполнено следующее:
a) подтверждение технических возможностей остается в силе без повторных испытаний в течение двух лет;
b) программу повторных испытаний КПТВ определяет изготовитель. Для контроля за технологическим процессом изготовитель должен установить систему контроля. Пример схемы программы контроля, как правило, приводят в ГТУ. Для верификации пределов изготовитель должен гарантировать, что все планы испытаний по Q.6.10.5, которые имеют отношение к подтверждению его технических возможностей, повторяют не реже одного раза в два года;
c) для поддержания подтверждения технических возможностей допускается использовать проверку соответствия качества компонентов для поставки. Если изготовитель имеет квалификацию соответствия для ряда компонентов, которые изготавливаются с применением идентичных процессов и находятся в пределах подтвержденных технических возможностей, для поддержания подтверждения технических возможностей допускается использовать результаты контрольных испытаний процесса и результаты периодических испытаний на соответствие качества, вытекающие из квалификации соответствия;
d) изготовитель должен гарантировать, что ряд КПТВ остается репрезентативным для выпускаемой продукции и соответствует требованиям ГТУ;
e) изготовитель должен поддерживать производство, чтобы:
- процессы, указанные в РТВ, за исключением любых согласованных добавлений или исключений согласно процедуре Q.6.9, остаются без изменений,
- не произошло изменений в местах изготовления и заключительного испытания,
- в производстве изготовителя при подтверждении технических возможностей не было перерывов продолжительностью более 6 мес;
f) изготовитель должен вести учет хода выполнения программы поддержания технических возможностей, чтобы в любое время можно было установить те пределы технических возможностей, которые были проверены, и те, которые ожидают проверки в указанный период.
Q.6.13 Расширение подтверждения технических возможностей
Изготовитель может расширить пределы своих подтвержденных технических возможностей, выполнив план испытаний по Q.6.10.5, который относится к типу расширяемых пределов. Если предлагаемое расширение отличается от описанного в Q.6.10.5, изготовитель должен предложить отбор проб и испытания, которые должны быть одобрены. Изготовитель также должен установить технологический контроль над любыми новыми процессами, необходимыми для производства в новых пределах.
Заявку на расширение технических возможностей следует подавать так же, как и на первоначальное утверждение.
Q.6.14 Проверка соответствия качества
Требования к испытанию на соответствие качества приведены в ТУ на конденсаторы конкретных типов и должны быть выполнены в соответствии с установленной системой оценки качества (при наличии).
Q.7 Переделка и ремонт
Q.7.1 Переделка
Переделку, определенную в требуемой системе оценки качества (при наличии), не следует проводить, если она запрещена ГТУ. В ГТУ должно быть указано, существует ли ограничение на число случаев доработки конкретного компонента.
Все переделки должны быть выполнены до формирования контрольной партии, предлагаемой к контролю в соответствии с требованиями ТУ на конденсаторы конкретных типов.
Процедуры переделок должны быть изложены в соответствующей документации, подготовленной изготовителем, и выполнены под непосредственным контролем УПР. Переделки не следует проводить по субподряду.
Q.7.2 Ремонт
Компоненты, которые отремонтированы в соответствии с требуемой системой оценки качества (при наличии), не должны выпускаться.
Q.8 Разрешение на поставку
Q.8.1 Общие положения
Компоненты должны быть допущены к поставке в соответствии с Q.5.6 и требуемой системой оценки качества (при наличии) после проведения проверки соответствия качества, предусмотренной в ТУ на конденсаторы конкретных типов.
Q.8.2 Разрешение на поставку при квалификационном утверждении до завершения испытаний группы B
Если условия МЭК 61193-2 для перехода к сокращенному контролю выполнены для всех испытаний группы B, изготовителю разрешается выпускать компоненты до завершения таких испытаний.
Q.9 Протоколы сертификационных испытаний выпущенных партий
Если покупатель требует представить протоколы сертификационных испытаний, это должно быть указано в ТУ на конденсаторы конкретных типов.
Примечание - Для подтверждения технических возможностей протоколы сертификационных испытаний относятся только к испытаниям, проводимым на КПТВ.
Q.10 Поставки с задержкой
Компоненты, находившиеся на хранении более двух лет (если иное не указано в ГТУ) после выпуска партии, перед поставкой должны быть повторно проверены на паяемость и электрические характеристики, как указано в ТУ на конденсаторы конкретных типов.
Процедура повторной проверки, принятая УПР изготовителя, должна быть одобрена.
После того как партия была удовлетворительно повторно проверена, ее качество подтверждается на установленный период.
Q.11 Альтернативные методы испытаний
Должны быть приведены в указанной системе оценки качества (при наличии).
В случае возникновения разногласий для арбитражных и справочных целей должны быть использованы только установленные методы.
Q.12 Производство за пределами географических границ ОС МЭК ЭК 1
--------------------------------
1 ОС МЭК ЭК (IECQ CBs) - орган по сертификации системы МЭК по оценке качества электронных компонентов (системы МЭК ЭК).
В соответствии с требованиями указанной системы оценки качества (при наличии).
Q.13 Непроверенные параметры
Предполагается, что в установленных пределах находятся только те параметры компонента, которые указаны в ТУ на конденсаторы конкретных типов и подвергнуты испытаниям. Не допускается, чтобы неуказанный параметр оставался неизменным при переходе от одного компонента к другому. Если по какой-либо причине необходимо контролировать один или несколько дополнительных параметров, то следует использовать новые, более обширные ТУ.
Должны быть полностью описаны дополнительные методы испытаний и указаны соответствующие пределы, планы выборочного контроля и уровни контроля.
Q.14 Процедуры одобрения технологии
Q.14.1 Общие положения
Одобрение технологического изготовления компонентов распространяется на весь технологический процесс. Он расширяет существующие концепции, такие как квалификация и подтверждение технических возможностей, путем добавления в качестве обязательных:
a) использование внутрипроизводственных методов контроля, например СКП;
b) применение стратегии постоянного улучшения качества;
c) мониторинг общих технологий и операций;
d) гибкость технологии, обусловленная системой управления качеством и требованиями сектора рынка;
e) принятие рабочей документации изготовителя с целью предоставления средств для быстрого утверждения или продления срока действия одобрения.
Q.14.2 Право на одобрение технологии
Изготовитель должен соблюдать требуемую систему оценки качества (при наличии).
Q.14.3 Применение одобрения технологии
Изготовитель должен соблюдать установленную систему оценки качества (при наличии).
Q.14.4 Описание технологии
Технология должна быть описана в декларации об одобренной технологии и программе одобрения технологии в соответствии с установленной системой оценки качества (при наличии).
Q.14.5 Демонстрация и проверка технологии
Изготовитель должен продемонстрировать и проверить технологию в соответствии с установленной системой оценки качества (при наличии).
Q.14.6 Предоставление одобрения технологии
Одобрение технологии должно быть предоставлено, если процедуры в соответствии с установленной системой оценки качества (при их наличии) были полностью соблюдены.
Q.14.7 Поддержание утверждения технологии
Одобрение технологии должно поддерживаться соблюдением требований установленной системы оценки качества (при наличии).
Q.14.8 Проверка соответствия качества
Проверку соответствия качества и требований следует проводить в соответствии с ТУ на конденсаторы конкретных типов и программами согласования технологий.
Q.14.9 Определение уровня интенсивности отказов
Определение уровня интенсивности отказов и сертификация должны быть описаны в ТУ на конденсаторы конкретных типов.
Q.14.10 Уровень качества выпускаемой продукции
Определение уровня качества должно быть согласовано между покупателем и изготовителем.
Приложение X
(справочное)
Разработка этого стандарта привела к новой структуре. В таблице X.1 указаны номера новых пунктов и подпунктов по отношению к МЭК 62391-1:2015 (второе издание).
|
МЭК 62391-1:2015, номер раздела/подраздела |
МЭК 62391-1:2022, номер раздела/подраздела |
Примечания |
|
1 |
1 |
Изменения отсутствуют |
|
2 |
2 | |
|
3 |
3 | |
|
4 |
4 | |
|
4.1 |
4.1 | |
|
4.2 |
4.2 | |
|
4.3 |
4.3 | |
|
4.4 |
11 |
В соответствии с изменением номеров пунктов |
|
5 |
5 |
Изменения отсутствуют |
|
5.1 |
5.1 | |
|
5.2 |
5.2 | |
|
5.3 |
5.3 | |
|
5.4 |
7.1 |
В соответствии с изменением номеров пунктов |
|
5.5 |
6.1 | |
|
5.6 |
6.2 | |
|
5.7 |
6.3 | |
|
5.8 |
6.4 | |
|
5.9 |
7.2 | |
|
5.10 |
9.1 | |
|
5.11 |
9.2 | |
|
5.12 |
8.1 | |
|
5.13 |
7.3 | |
|
5.14 |
8.2 | |
|
5.15 |
8.3 | |
|
5.16 |
5.4 | |
|
5.17 |
8.4 | |
|
5.18 |
9.3 | |
|
5.19 |
9.4 | |
|
5.20 |
10.1 | |
|
5.21 |
10.2 | |
|
Приложение G |
Приложение G |
В стандартах на конденсаторы, разработанных в ТК 40, примененные перекрестные ссылки обозначены буквой "X" |
Приложение ДА
(справочное)
Таблица ДА.1
|
Обозначение ссылочного международного стандарта |
Степень соответствия |
Обозначение и наименование соответствующего национального, межгосударственного стандарта |
|
IEC 60062 |
IDT |
ГОСТ IEC 60062-2014 "Коды для маркировки резисторов и конденсаторов" |
|
IEC 60063 |
IDT |
ГОСТ 28884-90 (МЭК 63-63) "Ряды предпочтительных значений для резисторов и конденсаторов" |
|
IEC 60068-1:2013 |
MOD |
ГОСТ 30630.0.0-99 "Методы испытаний на стойкость к внешним воздействующим факторам машин, приборов и других технических изделий. Общие требования" |
|
IEC 60068-2-1:2007 |
IDT |
ГОСТ Р МЭК 60068-2-1-2009 "Испытания на воздействие внешних факторов. Часть 2-1. Испытания. Испытание A: холод" |
|
IEC 60068-2-2:2007 |
IDT |
ГОСТ Р МЭК 60068-2-2-2009 "Испытания на воздействие внешних факторов. Часть 2-2. Испытания. Испытание B: сухое тепло" |
|
IEC 60068-2-6 |
MOD |
ГОСТ 30630.1.2-99 "Методы испытаний на стойкость к механическим внешним воздействующим факторам машин, приборов и других технических изделий. Испытания на воздействие вибрации" |
|
IEC 60068-2-14 |
NEQ |
ГОСТ 30630.2.1-2013 "Методы испытаний на стойкость к климатическим внешним воздействующим факторам машин, приборов и других технических изделий. Испытания на устойчивость к воздействию температуры" |
|
IEC 60068-2-20 |
IDT |
ГОСТ Р МЭК 60068-2-20-2015 "Испытания на воздействие внешних факторов. Часть 2-20. Испытания. Испытание T. Методы испытания на паяемость и стойкость к воздействию нагрева при пайке устройств с соединительными проводами" |
|
IEC 60068-2-21 |
NEQ |
ГОСТ 30630.1.6-2013 "Методы испытаний на стойкость к механическим внешним воздействующим факторам машин, приборов и других технических изделий. Испытания электрических выводов, патрубков и других присоединительных деталей на воздействие изгиба, крутящего момента, растягивающей и сжимающей сил" |
|
IEC 60068-2-45:1980 |
IDT |
ГОСТ 28229-89 (МЭК 68-2-45-80) "Основные методы испытаний на воздействие внешних факторов. Часть 2. Испытания. Испытание XA и руководство. Погружение в очищающие растворители" |
|
IEC 60068-2-58 |
- |
* |
|
IEC 60068-2-69 |
- |
* |
|
IEC 60068-2-78 |
IDT |
ГОСТ Р МЭК 60068-2-78-2009 "Испытания на воздействие внешних факторов. Часть 2-78. Испытания. Испытание Cab: влажное тепло, постоянный режим" |
|
IEC 60294 |
- |
* |
|
IEC 60695-11-5 |
- |
* |
|
IEC 60717 |
- |
* |
|
IEC 61193-2 |
IDT |
ГОСТ Р МЭК 61193-2-2015 "Системы оценки качества. Часть 2. Выбор и использование планов выборочного контроля электронных компонентов и блоков" |
|
* Соответствующий национальный стандарт отсутствует. До его принятия рекомендуется использовать перевод на русский язык данного международного стандарта. Примечание - В настоящей таблице использованы следующие условные обозначения степени соответствия стандартов: - IDT - идентичные стандарты; - MOD - модифицированные стандарты; - NEQ - неэквивалентные стандарты. | ||
Библиография
IEC 60027 (all parts), Letter symbols to be used in electrical technology [Обозначения буквенные, применяемые в электротехнике (все части)]
IEC 60050 (all parts), International Electrotechnical Vocabulary [Международный электротехнический словарь (все части)]
IEC 60068-2-47:2005, Environmental testing - Part 2-47: Test - Mounting of specimens for vibration, impact and similar dynamic tests (Испытания на воздействие внешних факторов. Часть 2-47. Испытания. Монтаж элементов, аппаратуры и других изделий для испытаний на вибрацию, удар и для подобных динамических испытаний)
IEC 60301:2012, Preferred diameters of wire terminations of capacitors and resistors (Предпочтительные диаметры проволочных выводов конденсаторов и резисторов)
IEC 60384-1:2021, Fixed capacitors for use in electronic equipment - Part 1: Generic specification (Конденсаторы постоянной емкости для электронной аппаратуры. Часть 1. Общие технические условия)
IEC 60617 (all parts), Graphical symbols for diagrams [Графические символы для диаграмм (все части)]
IEC 60695-2-11, Fire hazard testing - Part 2-11: Glowing/hot-wire based test methods - Glow-wire flammability test method for end-products (GWEPT) (Испытания на пожароопасность. Часть 2-11. Методы испытаний накаленной/нагретой проволокой. Испытание раскаленной проволокой на воспламеняемость конечной продукции)
IEC 61881-3:2012, IEC 61881-3:2012/Amd1:2013, Railway applications - Rolling stock equipment - Capacitors for power electronics - Part 3: Electric double-layer capacitors, IEC 61881-3:2012/Amd1:2013 (Оборудование для подвижного состава железных дорог. Конденсаторы для силовой электроники. Часть 3. Электрические двухслойные конденсаторы)
IEC 62391-1:2015, Fixed electric double-layer capacitors for use in electronic equipment - Part 1: Generic specification (Конденсаторы постоянной емкости с двойным электрическим слоем для использования в электрическом и электронном оборудовании. Часть 1. Общие технические условия)
IEC 62391-2:2006, Fixed electric double-layer capacitors for use in electronic equipment - Part 2: Sectional specification - Electric double-layer capacitors for power application (Конденсаторы постоянной емкости с двойным электрическим слоем для использования в электронном оборудовании. Часть 2. Групповые технические условия. Конденсаторы двухслойные для силового применения)
IEC 62391-2-1:2006, Fixed electric double-layer capacitors for use in electronic equipment - Part 2-1: Blank detail specification - Electric double-layer capacitors for power application - Assessment level EZ (Конденсаторы постоянной емкости с двойным электрическим слоем для использования в электронном оборудовании. Часть 2-1. Типовая форма частных технических условий. Конденсаторы двухслойные для силового применения. Уровень оценки EZ)
IEC 62576:2018, Electric double-layer capacitors for use in hybrid electric vehicles - Test methods for electrical characteristics (Конденсаторы электрические двойнослойные для использования в гибридных электромобилях. Методы испытаний электрических характеристик)
ISO 80000-1:2009, Quantities and units - Part 1: General (Величины и единицы. Часть 1. Общие положения)


