ГОСТ Р ИСО 17677-1-2023 КОНТАКТНАЯ СВАРКА. СЛОВАРЬ. Часть 1. ТОЧЕЧНАЯ, РЕЛЬЕФНАЯ И ШОВНАЯ СВАРКА
Утв. и введен в действие Приказом Федерального агентства по техническому регулированию и метрологии от 28 июля 2023 г. N 593-ст
Resistance welding. Vocabulary. Part 1. Spot, projection and seam welding
(ISO 17677-1:2021, IDT)
ОКС 25.160.10
Дата введения - 1 августа 2023 года
Введен впервые
Предисловие
1 ПОДГОТОВЛЕН Саморегулируемой организацией Ассоциация "Национальное Агентство Контроля Сварки" (СРО Ассоциация "НАКС") на основе собственного перевода на русский язык англоязычной версии стандарта, указанного в пункте 4
2 ВНЕСЕН Техническим комитетом по стандартизации ТК 364 "Сварка и родственные процессы"
3 УТВЕРЖДЕН И ВВЕДЕН В ДЕЙСТВИЕ Приказом Федерального агентства по техническому регулированию и метрологии от 28 июля 2023 г. N 593-ст
4 Настоящий стандарт идентичен международному стандарту ИСО 17677-1:2021 "Контактная сварка. Словарь. Часть 1. Точечная, рельефная и шовная сварка" (ISO 17677-1:2021 "Resistance welding - Vocabulary - Part 1: Spot, projection and seam welding", IDT).
Международный стандарт разработан Техническим комитетом ИСО/ТК 44 "Сварка и родственные процессы", подкомитетом ПК 8 "Оборудование для газовой сварки, резки и родственных процессов"
5 ВВЕДЕН ВПЕРВЫЕ
Правила применения настоящего стандарта установлены в статье 26 Федерального закона от 29 июня 2015 г. N 162-ФЗ "О стандартизации в Российской Федерации". Информация об изменениях к настоящему стандарту публикуется в ежегодном (по состоянию на 1 января текущего года) информационном указателе "Национальные стандарты", а официальный текст изменений и поправок - в ежемесячном информационном указателе "Национальные стандарты". В случае пересмотра (замены) или отмены настоящего стандарта соответствующее уведомление будет опубликовано в ближайшем выпуске ежемесячного информационного указателя "Национальные стандарты". Соответствующая информация, уведомление и тексты размещаются также в информационной системе общего пользования - на официальном сайте Федерального агентства по техническому регулированию и метрологии в сети Интернет (www.rst.gov.ru)
Настоящий стандарт устанавливает словарь терминов и определений для контактной точечной, рельефной и шовной сварки.
Примечание - В дополнение к терминам, используемым на английском и французском языках, двух из трех официальных языков ИСО, в ИСО 17677-1:2021 приведены эквивалентные термины на немецком языке; они публикуются под ответственность организации-члена Германии (DIN). Только термины и определения, данные на официальных языках, могут считаться терминами и определениями ИСО.
В настоящем стандарте нет нормативных ссылок.
ИСО и МЭК поддерживают терминологические базы данных для использования в стандартизации по следующим адресам:
- платформа онлайн-просмотра ИСО: доступна по адресу http://www.iso.org/obp;
- Электропедия МЭК: доступна по адресу http://www.electropedia.org/.
3.1.1 испытание зубилом (chisel test): Испытание, при котором зубило вбивают между сваренными листами вблизи соседних сварных швов до тех пор, пока не произойдет разрушение или металл около сварных соединений не деформируется или не изогнется.
3.1.2 испытание на поперечное растяжение (cross tension test): Испытание на растяжение образцов, сваренных контактной сваркой, для определения механических свойств и характера разрушения сварного шва.
3.1.3 сварка проволоки в крест (cross-wire welding): Рельефная сварка (3.1.11) в крест пересекающихся проволок или прутков.
3.1.4 контактная двусторонняя сварка (direct welding): Разновидность контактной сварки во вторичном контуре, при которой сварочный ток и сварочное усилие электрода (3.3.5) прикладывают к каждой из деталей посредством расположенных друг напротив друга соосных электродов (3.2.1) и за один цикл сварки образуется один сварной шов.
Примечание 1 - См. типовое расположение элементов на рисунке 12.
3.1.5 контактная односторонняя сварка (indirect welding): Разновидность контактной сварки во вторичном контуре, при которой сварочный ток протекает через детали как вне сварных швов, так и через них.
Примечание 1 - См. типовое расположение элементов на рисунке 13.
3.1.6 многоимпульсная сварка (multiple impulse welding): Сварка более чем за один импульс.
Примечание 1 - См. рисунки 4 - 7 для соответствующих циклограмм времени и усилия на электродах (3.3.5).
3.1.7 многоточечная сварка (multiple spot welding): Точечная сварка, при которой за один цикл сварки выполняют две сварные точки и более.
Примечание 1 - Примерами являются точечная параллельная сварка (3.1.8) и точечная серийная сварка (3.1.14).
3.1.8 точечная параллельная сварка (parallel spot welding): Разновидность контактной точечной сварки во вторичном контуре, при которой ток распределяется параллельно для получения одновременно двух сварных швов и более.
Примечание 1 - См. рисунок 11 a).
3.1.9 испытание на отдир (peel test): Разрушающее испытание, при котором нахлесточное соединение контактной сварки испытывают приложением отдирающего усилия, которое приводит к созданию напряжений, направленных преимущественно в металл сварного шва.
3.1.10 испытание на отрыв внутренним давлением (pillow test): Разрушающее испытание, при котором применяют внутреннее давление для проверки герметичности и прочности сварного шва.
3.1.11 рельефная сварка (projection welding): Контактная сварка, при которой выполненные сварные швы имеют заданное положение путем создания выступов, выпуклостей или пересечений, концентрирующих усилие и ток за счет своей геометрии.
Примечание 1 - Один рельеф или более создаются на сопрягаемых поверхностях (3.3.16) и разрушаются в процессе сварки.
3.1.12 контактная точечная сварка (resistance spot welding): Процесс контактной сварки, формирующий сварную точку на сопрягаемых поверхностях (3.3.16) в нахлестке соединяемых деталей за счет теплоты, выделяемой при прохождении сварочного тока через электроды и соединяемые детали на сопротивлении последних. Электроды (3.2.1) концентрируют сварочный ток и усилие в области формирования сварной точки.
3.1.13 шовная сварка (seam welding): Контактная сварка, при которой сварочное усилие прикладывается непрерывно, а ток подается непрерывно или периодически с целью получения непрерывного сварного шва; при этом соединяемые детали расположены между двумя роликовыми электродами (3.2.5) или между роликовым электродом и электродным стержнем.
3.1.14 серийная точечная сварка (series spot welding): Разновидность контактной сварки во вторичном контуре, при которой вторичный ток проходит через свариваемые детали и электроды (3.2.1) по ряду электрических цепей для формирования нескольких контактных точечных, шовных или рельефных сварных швов.
Примечание 1 - См. рисунки 1 и 11 b).
3.1.15 роликовая точечная сварка (roll spot welding): Разновидность контактной сварки, при которой формируется прерывистый точечный шов с применением одного вращающегося дискового электрода или более.
Примечание 1 - Вращение электродов (3.2.1) может прекращаться или продолжаться при выполнении сварного шва.
3.1.16 шунтирующий шов (shunt weld): Первая из множества сварных точек, которая работает как шунт.
3.1.17 испытание на сдвиг при растяжении (tensile shear test): Испытание, при котором нахлесточный сварной образец подвергают растяжению для определения механических свойств образца.
3.1.18 сварка с перекрытием (stitch welding): Точечная сварка, при которой последовательные сварные швы перекрывают друг друга.
3.2.1 электрод (контактной сварки) (electrode, resistance welding electrode): Элемент электрической цепи, который подает электроэнергию и прикладывает усилие электрода (3.3.5) к заготовке.
Например: вращающийся ролик, вращающийся диск, стержень, цилиндр, пластина, зажим, патрон и их разновидности.
3.2.1.1 изогнутый электрод (angled electrode, bent electrode): Электрод для точечной сварки или сварки с перекрытием (3.1.18), рабочая поверхность (3.2.6) которого не перпендикулярна оси сборки.
3.2.1.2 контактный электрод (contact electrode): Электрод контактной сварки (3.2.1), предназначенный для передачи вторичного тока через детали без сварки.
3.2.1.3 смещенный [эксцентриковый] электрод (offset electrode, eccentric electrode): Электрод для точечной сварки или сварки с перекрытием (3.1.18), рабочая поверхность (3.2.6) которого не концентрична оси адаптера электрода (3.2.2).
3.2.2 электродный адаптер; хвостовик (electrode adaptor, shank): Устройство, используемое для присоединения электрода (3.2.1) к электрододержателю (3.2.4).
3.2.3 электродный колпачок (electrode cap): Съемный электрод (3.2.1) в форме наконечника, используемый при контактной точечной сварке (3.1.12).
3.2.4 электрододержатель (electrode holder): Устройство, удерживающее сварочный электрод (3.2.1).
3.2.5 роликовый электрод; ролик для шовной сварки (electrode wheel, seam welding wheel): Вращающийся электрод контактной сварки (3.2.1) в форме кольца или диска.
3.2.6 рабочая поверхность электрода (electrode working face): Наконечник электрода контактной сварки, контактирующий с деталью при контактной точечной и рельефной сварке (3.2.1).
3.2.7 сварочная головка (welding head): Устройство, включающее систему создания усилия и направляющее устройство, несущее электрододержатель (3.2.4), плиту или роликовый электрод (3.2.5).
3.3.1 время охлаждения [закалки] (chill time, quench time): Период времени между окончанием протекания сварочного тока и началом протекания тока последующего нагрева, в течение которого ток не протекает, а сварной шов охлаждается электродами (3.2.1).
Примечание 1 - См. рисунок 5.
3.3.2 время охлаждения [паузы] (cool time, pause time): Временной интервал при многоимпульсной сварке (3.1.6) или шовной сварке (3.1.13) между периодами последовательного нагрева.
Примечание 1 - См. рисунки 4 и 7.
3.3.3 время задержки тока (current delay time): Промежуток времени между достижением заданного значения усилия и началом протекания тока.
Примечание 1 - См. рисунок 3.
3.3.4 время без тока (current-off time): Промежуток времени между выключением тока в одном сварочном цикле (3.3.43) и включением тока в следующем.
3.3.5 усилие на электроде (electrode force): Усилие, прикладываемое электродами к деталям.
Примечание 1 - См. сварочное усилие (3.3.44).
3.3.6 сварочное усилие на электроде (welding electrode force): Усилие на электроде, прикладываемое во время сварки (3.3.40).
3.3.7 ковочное усилие (электрода) (forging electrode force, forge force): Усилие на электроде, прикладываемое в период проковки.
3.3.8 динамическое усилие на электроде (dynamic electrode force): Усилие на электроде, прикладываемое во время фактического сварочного цикла (3.3.43).
3.3.9 статическое усилие на электроде (static electrode force): Усилие на электроде без сварочного тока и перемещения сварочной машины.
3.3.10 теоретическое усилие на электроде (theoretical electrode force): Усилие, за исключением сил трения и инерции, достигаемое на электродах контактной сварочной машины за счет действия начального усилия и теоретических механических свойств системы.
3.3.11 программа усилия на электроде (electrode force programme): Заданная последовательность изменения усилия во время сварки.
3.3.12 программа усилия на электроде и сварочного тока (electrode force and current programme): Заданная последовательность изменений усилия и тока во время сварочного цикла (3.3.43).
3.3.13 движение электрода при сварке (electrode movement during welding): Физическое перемещение электродов (3.2.1) вследствие термического расширения, усадки и вдавливания при сварке.
3.3.14 проскальзывание электрода (electrode skidding): Боковое перемещение электродов (3.2.1) в сварочном процессе относительно поверхности свариваемых деталей.
3.3.15 ход электрода (electrode stroke): Физическое перемещение электродов (3.2.1) в направлении их оси во время сварочного цикла (3.3.43).
3.3.16 сопрягаемая поверхность (faying surface): Примыкающая поверхность одной детали, образующая контакт с соединяемой деталью.
3.3.17 время приложения усилия (force application time): Полное время приложения усилия электродами (3.2.1) к свариваемым деталям во время сварочного цикла (3.3.43).
Примечание 1 - См. рисунки 3 - 7.
3.3.18 время снижения усилия (force fall time): Время между началом снижения усилия и достижением нуля.
Примечание 1 - См. рисунки 3 - 7.
3.3.19 время поддержания усилия (force maintenance time): Время в сварочном цикле (3.3.43), в течение которого усилие поддерживается на заданном уровне, за исключением времени нарастания усилия (3.3.20) и времени снижения усилия (3.3.18).
Примечание 1 - См. рисунки 3 - 7.
3.3.20 время нарастания усилия (force rise time): Время между началом нарастания усилия и достижением заданного усилия.
Примечание 1 - См. рисунки 3 - 7.
3.3.21 время усилия (на электроде) (electrode force time, force time): Время, в течение которого усилие создается и прикладывается.
Примечание 1 - См. рисунки 3 - 7.
3.3.22 время проковки (forge time): Время приложения повышенного усилия во время или после прохождения сварочного тока в программе по сварочному усилию.
Примечание 1 - См. рисунок 6.
3.3.23 время приближения головки (head approach time): Время движения электрода (3.2.1) из неподвижного состояния до контакта с деталью.
Примечание 1 - См. рисунки 3 - 7.
3.3.24 время возврата головки (head return time): Время, за которое электрод возвращается из контакта со свариваемой деталью в исходное положение.
3.3.25 зона термического влияния; HAZ (heat-affected zone, HAZ): Участок нерасплавленного основного металла, микроструктура которого подверглась тепловому воздействию при сварке.
Примечание 1 - См. рисунок 2.
[ISO/TR 25901-1:2016, 2.1.2.2, изменено: к определению добавлены "тепловому воздействию при сварке" и примечание 1.]
3.3.26 время нагрева (heat time): Продолжительность какого-либо импульса при многоимпульсной сварке (3.1.6) или контактной шовной сварке (3.1.13).
Примечание 1 - См. рисунки 4 - 7.
3.3.27 время выдержки (hold time): Время приложения усилия на электродах (3.3.5) после завершения прохождения тока.
Примечание 1 - См. рисунки 3 - 7.
3.3.28 время выключенного состояния (усилия) (off-time, force set off-time): Время после времени выдержки и до начала следующего рабочего цикла.
Примечание 1 - См. фактическое время выключенного состояния усилия (3.3.29).
3.3.29 фактическое время выключенного состояния (усилия) (actual force off-time, actual off-time): Измеренный период времени между двумя последовательными сварочными циклами (3.3.43), в течение которого к деталям не прикладывается усилие на электродах (3.3.5).
Примечание 1 - См. время выключенного состояния (3.3.28).
Примечание 2 - См. рисунки 3 - 7.
3.3.30 разводящие усилия (opposing forces): Усилия, направленные на разъединение электродов вследствие несовпадения положения деталей, обратного пружинного воздействия, воздействия уплотнений и т.д.
Примечание 1 - См. сварочное усилие (3.3.44).
3.3.31 время термообработки [закалки] (post-heat time, temper time): Промежуток времени, следующий за временем охлаждения (3.3.1), в течение которого ток проходит через сварную точку с целью термообработки или улучшения микроструктуры сварного шва.
Примечание 1 - См. рисунки 5 и 6.
3.3.32 время предварительного нагрева (preheat time): Время подачи тока предварительного нагрева, предшествующего прохождению сварочного тока.
Примечание 1 - См. рисунки 5 и 6.
3.3.33 выброс; выплеск; разбрызгивание; вспышка (expulsion, splash, spatter, flash): Частицы металла, выбрасываемые в зазор между сопрягаемыми поверхностями (3.3.16) свариваемых деталей или между свариваемыми деталями и электродами при контактной точечной сварке (3.1.12), рельефной сварке (3.1.11) или шовной сварке (3.1.13).
3.3.34 время сжатия (squeeze time): Заданное время между началом сварочного цикла (3.3.43) и началом протекания тока.
Примечание 1 - См. фактическое время предварительного сжатия (3.3.35).
Примечание 2 - См. рисунки 3 - 7.
3.3.35 фактическое время предварительного сжатия (actual squeeze time): Фактическое время между началом сварочного цикла (3.3.43) и началом протекания тока.
Примечание 1 - См. время сжатия (3.3.34).
Примечание 2 - На рисунках 3 - 8 с циклограммами времени и усилия на электродах (3.3.5) показано время предварительного сжатия.
3.3.36 базовое время (time base): Время, выраженное в циклах частоты источника питания или в миллисекундах.
3.3.37 нарастание (upslope): Контролируемое непрерывное увеличение тока от заданного значения или нуля в заданный период времени.
Примечание 1 - См. падение (3.3.38).
3.3.38 падение (down slope): Контролируемое непрерывное уменьшение тока до достижения заданного значения или нуля в заданный период времени.
Примечание 1 - См. нарастание (3.3.37).
3.3.39 область контакта сварки (weld contact area): Площадь на сопрягаемых поверхностях (3.3.16), через которую проходит сварочный ток от одной детали к другой в процессе контактной сварки.
3.3.40 время сварки (weld time): Продолжительность непрерывного протекания сварочного тока.
Примечание 1 - См. рисунки 3 - 7.
3.3.41 программа сварочного тока (welding current programme): Предварительно заданная последовательность изменения тока.
3.3.42 время сварочного цикла (welding cycle time): Время, необходимое для выполнения сварочного цикла (3.3.43), за исключением времени на позиционирование электродов (3.2.1).
Примечание 1 - См. рисунки 3 - 7.
3.3.43 сварочный цикл (welding cycle): Последовательность операций при контактной сварке, выполняемых машиной для получения сварного шва и возврата электродов (3.2.1) в исходное положение.
3.3.44 сварочное усилие (welding force): Усилие, действующее на сопрягаемые поверхности (3.3.16), являющееся результатом действия усилия на электродах (3.3.5) и любого разводящего усилия (3.3.30), например пружинная отдача свариваемых деталей и геометрия деталей.
3.3.45 программа сварочного усилия (welding force programme): Заданная последовательность изменений сварочного усилия.
3.3.46 рабочий ход (work clearance stroke): Физическое перемещение электродов (3.2.1), позволяющее им перемещаться из одного положения при сварке в другое.
Примечание 1 - См. рисунок 8.
3.3.47 время рабочего цикла (working cycle time): Продолжительность выполнения операций машиной или сварочными клещами для заварки сварного шва, включая возврат в исходное положение.
Примечание 1 - См. рисунки 3 - 7.
3.3.48 рабочий ход (working stroke): Минимальное движение электродов (3.2.1) во время сварочного цикла (3.3.43).
Примечание 1 - См. рисунок 8.
3.3.49 максимальный ход; большая высота хода; обратный ход (maximum stroke, high lift stroke, retract stroke): Максимальный ход электрода (3.2.1).
3.4.1 область уплотняющего пояска (corona bond area): Область, окружающая литое ядро (3.4.11) на сопрягаемых поверхностях (3.3.16), в которой произошло соединение в твердой фазе.
3.4.2 диаметр уплотняющего пояска dc (corona bond diameter): Средний диаметр области уплотняющего пояска (3.4.1).
Примечание 1 - См. рисунки 2 и 9.
3.4.3 область прохождения тока (current pass area); Область, через которую ток проходит от электрода (3.2.1) к свариваемой детали, меньшая, чем рабочая поверхность электрода (3.2.6), и меняющаяся в процессе сварки.
3.4.4 цикл нагрузки Xc (duty cycle): Время, %, в течение которого в пределах заданного периода источник питания или его вспомогательные узлы работают на номинальном режиме без перегрева.
Примечание 1 -
,
где ton - время нагрева, а tsp - заданный период.
3.4.5 отпечаток электрода (electrode indentation): Отпечаток, образованный электродами (3.2.1) на поверхности деталей при точечной или шовной сварке.
3.4.6 глубина отпечатка электрода eu, el (electrode indentation depth): Максимальная глубина отпечатка электрода (3.4.5), измеренная в направлении усилия на электроде (3.3.5).
Примечание 1 - См. рисунок 2.
3.4.7 диаметр отпечатка электрода deu, del (electrode indentation diameter): Диаметр отпечатка электрода (3.4.5).
Примечание 1 - См. рисунок 2.
Примечание 2 - Если возможно, то следует применять среднюю величину.
3.4.8 срок службы электрода (electrode life): Заданное количество сварных точек или длина сварного шва, которые могут быть выполнены электродом без какой-либо корректировки или замены.
3.4.9 сервисный [производственный] срок службы электрода (electrode service life, electrode production life): Заданное количество сварных точек или длина сварного шва, которые могут быть выполнены электродом до того, как электрод станет непригодным для применения.
3.4.10 смещение электрода (electrode misalignment): Непреднамеренное несовпадение осей электродов (3.2.1).
3.4.11 литое ядро (nugget): Зона сварного шва при точечной, рельефной или шовной сварке, в которой металл был расплавлен.
Примечание 1 - См. рисунок 2.
3.4.12 провар литого ядра p1, pu (nugget penetration): Максимальное проплавление литого ядра (3.4.11) верхней или нижней детали, измеренное в направлении, перпендикулярном сопрягаемым поверхностям (3.3.16) деталей.
Примечание 1 - См. рисунок 2.
3.4.13 толщина литого ядра p (nugget thickness): Максимальная толщина литого ядра (3.4.11) при точечной, рельефной или шовной сварке в двух или более листах, измеренная в направлении, перпендикулярном к сопрягаемым поверхностям (3.3.16) деталей.
Примечание 1 - Для двух листов p = p1 + pu. См. рисунок 2.
3.4.14 перекрытие литых ядер o (nugget overlap): Общая площадь двух соседних перекрывающихся литых ядер (3.4.11) сварного шва при шовной сварке.
Примечание 1 - См. рисунок 14.
Примечание 2 - Площадь, содержащая часть предыдущего литого ядра сварного шва, переплавленную последующим литым ядром.
3.4.15 ширина сварного шва шовной сварки (seam weld width): Ширина металла сварного шва в плоскости сопрягаемых поверхностей (3.3.16) в направлении, перпендикулярном продольной оси линейного сварного шва шовной контактной сварки.
3.4.16 длина литого ядра шовной сварки d1 (seam weld nugget length): Длина одиночного литого ядра (3.4.11), измеренная в направлении шовной сварки (3.1.13).
3.4.17 расхождение листов x (sheet separation): Зазор между сопрягаемыми поверхностями (3.3.16), измеренный на расстоянии 0,5dn от края литого ядра (3.4.11).
Примечание 1 - См. рисунок 2.
3.4.18 область вторичного контура (throat area): Область, ограниченная физическими элементами вторичного контура сварочной машины.
3.4.19 ширина вмятины электрода при шовной сварке (width of seam weld electrode indentation): Ширина отпечатка электрода (3.4.5), измеренная в направлении, перпендикулярном к продольной оси линейного сварного шва контактной шовной сварки.
3.4.20 диаметр сварного шва dw (weld diameter): Средний диаметр зоны сплавления по сопрягаемой поверхности (3.3.16) после разрушающих испытаний без проведения металлографического исследования.
Примечание 1 - См. рисунок 10.
3.4.21 диаметр литого ядра dn (nugget diameter): Диаметр литого ядра (3.4.11), измеренный по сопрягаемым поверхностям (3.3.16) при проведении металлографического исследования.
Примечание 1 - См. рисунок 2.
3.4.22 диаметр пробки dp (plug diameter): Средний диаметр пробки после разрушающих испытаний.
Примечание 1 - См. рисунок 10.
3.4.23 пробка; кнопка (plug, button): Часть точечного сварного шва, которая вырывается при разрушающих испытаниях.
Примечание 1 - Может включать в себя все литое ядро или его часть, зону термического влияния и основной металл.
Примечание 2 - В другом свариваемом листе остается отверстие.
3.4.24 разрушение поверхности контакта (interface failure): Разрушение литого ядра сварного шва по сопрягаемым поверхностям (3.3.16).
Примечание 1 - См. рисунки 9 и 15.
Примечание 2 - Если удаляется менее 20% толщины сопрягаемого листа, то разрушение считают произошедшим по плоскости контакта.
3.4.25 разрушение пробкой; вырыв кнопки (plug failure, button pull): Характер разрушения сварного шва, при котором разделение происходит по основному металлу или зоне термического влияния (3.3.25) сварного шва, при этом вырванная пробка (3.4.23) остается на одном листе, а на другом листе образуется отверстие.
Примечание 1 - См. рисунки 10 и 15.
3.4.26 частичное разрушение толщины (partial thickness failure): Характер разрушения сварного шва, при котором части литого ядра и/или основного металла вырываются из соединяемых листов без образования сквозного отверстия.
Примечание 1 - См. рисунки 15 и 16.
Примечание 2 - Вырванная часть должна составлять более 20% толщины соединяемого листа, в ином случае разрушение считается поверхностным. При частичном разрушении толщины на одном привариваемом листе остается полость, при этом отсутствует сквозное отверстие, как при вырыве кнопки.
Примечание 3 - Разрушение по границе литого ядра (3.4.11) и зоны термического влияния называют колпачковым.
3.4.27 смешанный характер разрушения (mixed failure mode): Характер разрушения точечного сварного шва, в котором присутствуют два или три различных характера разрушения.
Примечание 1 - См. рисунок 17.
Примечание 2 - Существуют три различных характера разрушения: разрушение поверхности контакта (3.4.24), разрушение пробкой, вырыв кнопки (3.4.25) и частичное разрушение толщины (3.4.26).
3.4.28 область сплавления (fused area): Область сварного шва на сопрягаемой поверхности (3.3.16) после разрушающих испытаний в случае разрушения поверхности.
Примечание 1 - См. рисунок 9.
3.4.29 соединение в твердой фазе (solid phase joint): Ковочное соединение, сформированное без плавления.
3.4.30 асимметричный сварной шов (asymmetrical weld): Сварной шов продолговатой или овальной формы при точечной или рельефной сварке (3.1.11).
Примечание 1 - См. рисунок 10.
3.4.31 минимальная ширина сварного шва шовной сварки wmin (minimum seam weld width): Минимальная ширина сварного шва шовной сварки (3.4.15) в продольном направлении.
Примечание 1 - См. рисунок 18.
3.4.32 область пайки (brazed area): Область при сварке листов с металлическим покрытием, в которой соединение образуется только между покрытиями.
Примечание 1 - См. рисунок 19.
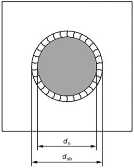
3.4.33 диаметр области пайки dsb (brazed zone diameter): Диаметр области пайки (3.4.32) при сварке листов с металлическим покрытием, измеренный в плоскости сварного шва сопрягаемых поверхностей (3.3.16).
Примечание 1 - Следует использовать среднюю величину (см. рисунок 19).
3.4.34 расстояние между центрами литых ядер a (distance between nugget centres): Расстояние между центрами двух соседних литых ядер (3.4.11) в сварном шве шовной сварки.
Примечание 1 - См. рисунок 16.
Примечание 2 - Положение центра ядра в нормальных условиях соответствует положению максимального проплавления ядра.
3.4.35 диаметр зоны термического влияния dHAZ (heat-affected zone diameter): Диаметр зоны термического влияния (3.3.25), измеренный на макро- или микрошлифах.
Примечание 1 - См. рисунок 2.
3.4.36 глубина зоны термического влияния PHAZ,u, PHAZ,l (heat-affected zone penetration): Максимальный размер зоны термического влияния (3.3.25) в направлении толщины каждого листа.
Примечание 1 - См. рисунок 2.
3.4.37 максимальная толщина сварного шва шовной сварки pmax (maximum thickness of seam weld): Максимальная толщина литого ядра сварного шва шовной сварки (3.4.11) в направлении толщины.
Примечание 1 - См. рисунок 14.
3.4.38 минимальная толщина сварного шва шовной сварки pmin (minimum thickness of seam weld): Минимальная толщина литого ядра сварного шва шовной сварки (3.4.11) в направлении толщины.
Примечание 1 - См. рисунок 14.
Примечание 2 - Как правило, измеряют в области нахлестки деталей.
Примечание 3 - Минимальная толщина литого ядра может быть измерена при прерывистых сварных швах шовной и роликовой точечной сварки; проведение измерений при непрерывной сварке зависит от режимов сварки и свариваемого металла.
3.4.39 разрушение пробкой в основном металле; вырыв кнопки из основного металла (plug failure in parent metal, button pull in parent metal): Особый случай разрушения пробкой (3.4.25), при котором разрушение происходит по основному металлу, приводящему к большему диаметру вырыва, чем диаметр ядра, замеренный по поперечному сечению.
Примечание 1 - См. рисунок 20.

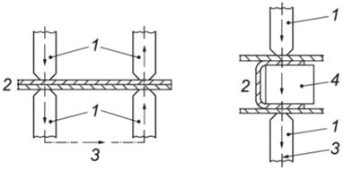
1 - электрод; 2 - свариваемая деталь; 3 - направление протекания тока; 4 - медная проставка
Рисунок 1 - Примеры многоточечной сварки

1 - свариваемые детали; 2 - литое ядро; 3 – зона термического влияния (ЗТВ); 4 - отпечаток электрода; dHAZ - диаметр зоны термического влияния; pHAZ,l – глубина зоны термического влияния в нижней детали; pHAZ,u – глубина зоны термического влияния в верхней детали; tl – толщина нижней детали; tu - толщина верхней детали; deu – диаметр вмятины электрода; del - диаметр вмятины электрода; dc - диаметр уплотняющего пояска; dn - диаметр литого ядра; pu - провар литого ядра; pl - провар литого ядра; x - расхождение листов; eu - глубина отпечатка электрода; el - глубина отпечатка электрода; a - место измерения расхождения листов (x)
Рисунок 2 - Измерения, полученные на макрошлифе сварного шва

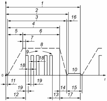
1 - время рабочего цикла; 2 - время сварочного цикла; 3 - время приложения усилия; 4 - время усилия на электродах; 5 - время нарастания усилия; 6 - время поддержания усилия; 7 - время задержки тока; 8 - усилие на электроде; 9 - ток; 10 - время поднятия головки; 11 - время опускания головки; 12 - время сжатия; 13 - время сварки; 14 - время выдержки; 15 - время падения усилия; 16 - фактическое время выключения усилия; 17 - время возврата головки; 18 - время выключения; 19 - нарастание; 20 - падение; t - время
Рисунок 3 - Циклограмма "время - усилие" на электродах для простой точечной сварки, сварки с перекрытием и рельефной сварки

1 - время рабочего цикла; 2 - время сварочного цикла; 3 - время приложения усилия; 4 - время усилия на электродах; 5 - время нарастания усилия; 6 - время поддержания усилия; 7 - время задержки тока; 8 - усилие на электроде; 9 - ток; 10 - время поднятия головки; 11 - время опускания головки; 12 - время сжатия; 13 - время сварки; 14 - время выдержки; 15 - время падения усилия; 16 - фактическое время выключения усилия; 17 - время возврата головки; 18 - время выключения; 19 - время охлаждения; 20 - время нагрева/время одиночной сварки; t - время
Рисунок 4 - Циклограмма "время - усилие" на электродах для пульсирующей или рельефной сварки

1 - время рабочего цикла; 2 - время сварочного цикла; 3 - время приложения усилия; 4 - время усилия на электродах; 5 - время нарастания усилия; 6 - время поддержания усилия; 7 - время задержки тока; 8 - усилие на электроде; 9 - ток; 10 - время поднятия головки; 11 - время опускания головки; 12 - время сжатия; 13 - время сварки; 14 - время выдержки; 15 - время падения усилия; 16 - фактическое время выключения усилия; 17 - время возврата головки; 18 - время выключения; 19 - время охлаждения; 20 - время нагрева/время одиночной сварки; 21 - время предварительного подогрева; 22 – время повторного нагрева; t - время
Рисунок 5 - Циклограмма "время - усилие" на электродах для точечной и рельефной сварки. Программа управления током

1 - время рабочего цикла; 2 - время сварочного цикла; 3 - время приложения усилия; 4 - время усилия на электродах; 5 - время нарастания усилия; 6 - время поддержания усилия; 7 - время задержки тока; 8 - усилие на электроде; 9 - ток; 10 - время поднятия головки; 11 - время опускания головки; 12 - время сжатия; 13 - время сварки; 14 - время выдержки; 15 - время падения усилия; 16 - фактическое время выключения усилия; 17 - время возврата головки; 18 - время выключения; 19 - время нагрева/время одиночной сварки; 20 – время предварительного подогрева; 21 - время повторного нагрева; 22 - задержка ковочного усилия; 23 - время проковки; 24 - усилие проковки; t - время
Рисунок 6 - Циклограмма "время - усилие" на электродах для точечной сварки. Программа управления током и усилием на электродах

1 - время рабочего цикла; 2 - время сварочного цикла; 3 - время приложения усилия; 4 - время усилия на электродах; 5 - время нарастания усилия; 6 - время поддержания усилия; 7 - время задержки тока; 8 - усилие на электроде; 9 - ток; 10 - время поднятия головки; 11 - время опускания головки; 12 - время сжатия; 13 - время выдержки; 14 - время падения усилия; 15 - фактическое время выключения усилия; 16 - время возврата головки; 17 - время выключения; 18 - время охлаждения; 19 - время нагрева/время одиночной сварки; t - время
Рисунок 7 - Циклограмма "время - усилие" на электродах для шовной сварки

1 - рабочий ход; 2 - ход по рабочему зазору; 3 - ход при высоком подъеме
Рисунок 8 - Положение верхнего электрода перед точечной сваркой

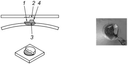
1 - область сплавления; 2 - область уплотняющего пояска; 3 - литое ядро; dc - диаметр уплотняющего пояска; dn - диаметр литого ядра
Рисунок 9 - Измерение диаметра сварной точки при разрушении поверхности контакта

1 - симметрично dp = dw = d; 2 – асимметрично dp = dw = (d1 + d2)/2; 3 - частичная пробка с частичным разрушением поверхности контакта dp = (d1 + d2)/2, dw = (d3 + d4)/2; dp - диаметр пробки; dw – диаметр сварной точки
Примечание - d1 и d3 - минимальные диаметры, d2 и d4 - максимальные.
Рисунок 10 - Измерение диаметра сварной точки и пробки при разрушении пробкой и при частичном разрушении с разрушением поверхности контакта
|
|
|
|
a) Параллельная сварка |
b) Последовательная сварка |
Рисунок 11 - Параллельная и последовательная точечная сварка. Односторонняя контактная сварка

Рисунок 12 - Типовые схемы контактной двусторонней сварки

Рисунок 13 - Типовые схемы контактной односторонней сварки

a - расстояние между центрами сварных швов; d1 - длина литого ядра в сварном шве шовной сварки; o - перекрытие литых ядер сварного шва шовной сварки; pmax - максимальная толщина сварного шва шовной сварки; pmin - минимальная толщина сварного шва шовной сварки
Рисунок 14 - Продольное сечение сварного шва шовной сварки параллельно направлению сварки
|
|
|
|
a) Разрушение поверхности контакта hN/t1 <20% |
b) Частичное разрушение толщины hN/t1> 20% |
t1 - длина литого ядра в сварном шве шовной сварки; t2 - взаимное перекрытие литых ядер сварного шва шовной сварки; hN - максимальная толщина сварного шва шовной сварки
Рисунок 15 - Разница между разрушением поверхности контакта и частичным разрушением толщины

1 - часть сварного шва, оставшаяся над сопрягаемой поверхностью после разрушения; 2 - область уплотняющего пояска; 3 - литое ядро; dc - диаметр уплотняющего пояска; dn - диаметр литого ядра; dw - диаметр сварного шва
Рисунок 16 - Измерение диаметра сварного шва при частичном разрушении толщины

a) Частичная пробка с частичным разрушением толщины

b) Частичная толщина с частичным разрушением поверхности контакта

c) Частичная пробка с частичной толщиной и частичное разрушение поверхности контакта
1 - часть сварного шва, оставшаяся над сопрягаемой поверхностью после разрушения; 2 - полость и отверстие в сопрягаемом листе; 3 - зоны сплавления литого ядра в нижнем листе; 4 - частичная сварная пробка из противоположного листа; 5 - межфазная область разрушения; 6 - полость от сварного шва с частичной толщиной
Рисунок 17 - Смешанный характер разрушений с частичным разрушением по толщине

1 - направление сварки; wmin - минимальная ширина сварного шва
Рисунок 18 - Измерение минимальной ширины сварного шва (после испытания на отслаивание, вид сверху)

Рисунок 19 - Измерения диаметра при сварке листов с металлическим покрытием с областью пайки

Рисунок 20 - Разрушение пробкой в основном металле
Библиография
|
[1] |
ISO 4063 |
Welding and allied processes - Nomenclature of processes and reference numbers |
|
[2] |
ISO 17659:2002 |
Welding - Multilingual terms for welded joints with illustrations |
|
[3] |
ISO/TR 25901-1:2016 |
Welding and allied processes - Vocabulary - Part 1: General terms |
|
[4] |
ISO/TR 25901-3 |
Welding and allied processes - Vocabulary - Part 3: Welding processes |
|
[5] |
IEV International Electrotechnical Vocabulary Chapter 851, Electric welding | |
|
[6] |
EN 1792:2003 |
Welding - Multilingual list of terms for welding and related processes |
|
[7] |
BS 499-1:2009 |
Welding terms and symbols - Glossary for welding, brazing and thermal cutting |
|
[8] |
AWS A3.0 |
Standard terms and definitions including terms for adhesive bonding, brazing, soldering, thermal cutting, and thermal spraying |






