Утв. и введен в действие Приказом Федерального агентства по техническому регулированию и метрологии от 27 февраля 2023 г. N 112-ст
Национальный стандарт РФ ГОСТ Р ИСО 24334-2023
"ПОКРЫТИЯ НАПОЛЬНЫЕ ЛАМИНИРОВАННЫЕ. МЕТОД ОПРЕДЕЛЕНИЯ ПРОЧНОСТИ ЗАМКОВЫХ СОЕДИНЕНИЙ ДЛЯ МЕХАНИЧЕСКИ СОБРАННЫХ ПАНЕЛЕЙ"
Laminate floor coverings. Method for determining the strength of locks for mechanically assembled panels
(ISO 24334:2019, Laminate floor coverings - Determination of locking strength for mechanically assembled panels, IDT)
ОКС 91.060.30
Дата введения - 1 ноября 2023 года
Введен впервые
Предисловие
1 ПОДГОТОВЛЕН Обществом с ограниченной ответственностью "ПСМ-Стандарт" (ООО "ПСМ-Стандарт") на основе собственного перевода на русский язык англоязычной версии стандарта, указанного в пункте 4
2 ВНЕСЕН Техническим комитетом по стандартизации ТК 144 "Строительные материалы и изделия"
3 УТВЕРЖДЕН И ВВЕДЕН В ДЕЙСТВИЕ Приказом Федерального агентства по техническому регулированию и метрологии от 27 февраля 2023 г. N 112-ст
4 Настоящий стандарт идентичен международному стандарту ИСО 24334:2019 "Покрытия напольные ламинированные. Определение прочности крепления механически соединяемых панелей" (ISO 24334:2019 "Laminate floor coverings - Determination of locking strength for mechanically assembled panels", IDT).
Международный стандарт ИСО 24334:2019 подготовлен Техническим комитетом ИСО/ТК 219 "Напольные покрытия".
Наименование настоящего стандарта изменено относительно наименования указанного международного стандарта для приведения в соответствие с ГОСТ Р 1.5-2012 (пункт 3.5).
При применении настоящего стандарта рекомендуется использовать вместо ссылочных стандартов соответствующие им национальные и межгосударственные стандарты, сведения о которых приведены в дополнительном приложении ДА
5 ВВЕДЕН ВПЕРВЫЕ
6 Часть содержания примененного международного стандарта, указанного в пункте 4, может быть объектом патентных прав
Правила применения настоящего стандарта установлены в статье 26 Федерального закона от 29 июня 2015 г. N 162-ФЗ "О стандартизации в Российской Федерации". Информация об изменениях к настоящему стандарту публикуется в ежегодном (по состоянию на 1 января текущего года) информационном указателе "Национальные стандарты", а официальный текст изменений и поправок - в ежемесячном информационном указателе "Национальные стандарты". В случае пересмотра (замены) или отмены настоящего стандарта соответствующее уведомление будет опубликовано в ближайшем выпуске ежемесячного информационного указателя "Национальные стандарты". Соответствующая информация, уведомление и тексты размещаются также в информационной системе общего пользования - на официальном сайте Федерального агентства по техническому регулированию и метрологии в сети Интернет (www.rst.gov.ru)
1 Область применения
Настоящий стандарт устанавливает метод определения прочности замковых соединений панелей ламинированных напольных покрытий, которые собирают с помощью вертикальных и горизонтальных механических замковых систем.
Примечание - Данный метод также применим к другим механически собранным панелям, например к модульным многослойным напольным покрытиям.
2 Нормативные ссылки
В настоящем стандарте использована нормативная ссылка на следующий стандарт [для датированной ссылки применяют только указанное издание ссылочного стандарта, для недатированной - последнее издание (включая все изменения)]:
ISO 7500-1, Metallic materials. Calibration and verification of static uniaxial testing machines. Part 1. Tension/compression testing machines. Calibration and verification of the force-measuring system (Материалы металлические. Калибровка и верификация машин для статических испытаний в условиях одноосного нагружения. Часть 1: Машины для испытания на растяжение/сжатие. Калибровка и верификация силоизмерительной системы).
3 Термины и определения
В настоящем стандарте термины и определения отсутствуют.
ИСО и МЭК поддерживают терминологическую базу данных, используемую в целях стандартизации по следующим адресам:
- платформа онлайн-просмотра ИСО: доступна по адресу http://www.ISO.org/obp;
- Электропедия МЭК: доступна по адресу http://www.electropedia.org/.
4 Сущность метода
Механически собранные панели с механическими замковыми соединениями растягивают до раскрытия ширины соединения на 0,20 мм или до поломки замка.
5 Средства испытаний
5.1 Машина для испытания на растяжение, верифицированная и калиброванная по ИСО 7500-1 и соответствующая 3-му классу для диапазона усилий, прилагаемых при определении прочности замкового соединения.
5.2 Измерительный инструмент (штангенциркуль), для определения длины, ширины и толщины образца с точностью измерения до 0,1 мм.
5.3 Пила для разрезки образца.
5.4 Весы с точностью измерения до 0,1 г.
5.5 Внешний экстензометр или оптический измеритель с точностью измерения до 0,01 мм.
5.6 Два зажимных устройства, прикрепленных к машине для испытания на растяжение. Зажимные устройства (например, Zwick/Roell <1>, тип 8355, 20 кН) используют для удержания захватов.
--------------------------------
<1> Zwick/Roell является примером подходящего продукта, имеющегося в продаже. Эта информация приведена для удобства пользователей данного стандарта и не означает одобрения ИСО данного продукта.
5.7 Два захвата, 50 мм x 210 мм, прикрепленные к зажимным устройствам для удержания образца с противоскользящим материалом покрытия (см. рисунок 6 и рисунок 7).
5.8 Калибровочная пластина, изготовленная из чугуна размерами 200 мм x 200 мм, толщиной (7 ± 1) мм, для регулировки зажимного устройства в условиях компланарности при испытании на растяжение.
6 Отбор образцов и кондиционирование
Отбирают пять панелей, предпочтительно из одной упаковки, для подготовки пяти образцов к испытаниям замковых соединений поперечных и пяти образцов к испытаниям замков продольных сторон (если размеры панели позволяют, отбор образцов для поперечной и продольной сторон проводят из одной и той же панели).
Панели, из которых вырезают образцы для испытаний, доводят до постоянной массы при относительной влажности (RH) (50 ± 5)% и температуре (23 ± 2) °C.
Постоянную массу считают достигнутой, если результаты двух последовательных взвешиваний, проведенных с интервалом в 24 ч, отличаются не более чем на 0,1%.
7 Порядок проведения испытаний
7.1 Раскрой поперечной стороны панели
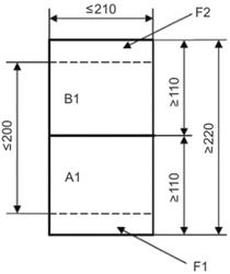
Вырезают из каждой панели два образца: A1 и B1. Длина образца должна быть не менее 110 мм (для установки машины).
Если ширина панели равна или меньше 210 мм, то в образце используют фактическую ширину (рисунок 1).
Если ширина панели менее 100 мм, то продольные боковые профили двух панелей склеивают между собой. В образце используют новую фактическую ширину (рисунок 2).
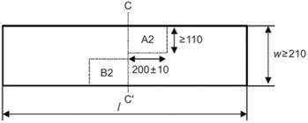
Если ширина панели более 210 мм, вырезают образец шириной (200 ± 10) мм (рисунок 3).
Размеры в миллиметрах

l - длина панели; w - ширина панели; A1, B1 - испытуемые образцы (длина ≥ 110 мм)
Рисунок 1 - Раскрой поперечной стороны панели для испытания (100 мм
Размеры в миллиметрах

l - длина панели; w - ширина панели; A1, B1 - испытуемые образцы (длина ≥ 110 мм)
Рисунок 2 - Раскрой поперечной стороны панели для испытания (w <100 мм)
Размеры в миллиметрах

l - длина панели; w - ширина панели; A1, B1 - испытуемые образцы (длина ≥ 110 мм)
Рисунок 3 - Раскрой поперечной стороны панели для испытания (w> 210 мм)
7.2 Раскрой продольной стороны панели
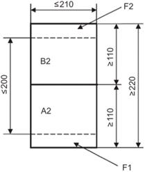
Вырезают из каждой панели два образца: A2 и B2. Длина образца должна составлять (200 ± 10) мм, а ширина - минимум 110 мм (чтобы соответствовала машине).
Если ширина панели больше или равна 110 мм, образец следует вырезать по центральной линии панели (рисунок 4).
Если ширина панели менее 110 мм, то продольные боковые профили двух панелей должны быть склеены между собой, а образец должен быть вырезан по центральной линии панели (рисунок 5).
Размеры в миллиметрах

l - длина панели; w - ширина панели; C-C' - центральная линия панели; A2, B2 - испытуемые образцы (длина 200 ± 10 мм; ширина ≥ 110 мм)
Рисунок 4 - Раскрой продольной стороны панелей для испытания (w ≥ 110 мм)
Размеры в миллиметрах

l - длина панели; w - ширина панели; C-C' - центральная линия панели; A2, B2 - испытуемые образцы (длина 200 ± 10 мм; ширина ≥ 110 мм)
Рисунок 5 - Раскрой продольной стороны панелей для испытания (w <110 мм)
7.3 Сборка образцов для испытаний
7.3.1 Сборка образцов по поперечным сторонам
Измеряют ширину поверхности напольного покрытия образцов A1 и B1 с точностью до 1 мм, а их толщину с точностью до 0,1 мм.
Как показано на рисунках 1 - 3, соединяют поперечные стороны образцов A1 и B1 в соответствии с инструкцией по монтажу от производителя (рисунок 6).
Размеры в миллиметрах

F1 - область крепления 1 для первого захвата; F2 – область крепления 2 для второго захвата; A1, B1 - испытуемые образцы
Рисунок 6 - Собранный образец для испытания для поперечной стороны
7.3.2 Сборка образцов по продольным сторонам
Измеряют ширину поверхности напольного покрытия образцов A2 и B2 с точностью до 1 мм, а их толщину с точностью до 0,1 мм.
Как показано на рисунках 4 и 5, соединяют продольные стороны образцов A2 и B2 в соответствии с инструкцией по монтажу от производителя (рисунок 7).
Размеры в миллиметрах

F1 - область крепления 1 для первого захвата; F2 – область крепления 2 для второго захвата; A2, B2 - испытуемые образцы
Рисунок 7 - Собранный образец для испытания для продольной стороны
7.4 Испытание на растяжение
7.4.1 Общие положения
Испытание образцов проводят при относительной влажности воздуха (50 ± 5)% и его температуре (23 ± 2) °C, если испытание не завершается в течение 60 мин после извлечения испытуемых образцов из условий кондиционирования.
Направление растяжения должно быть перпендикулярно замковому соединению, находящемуся в компланарной векторам плоскости.
7.4.2 Подготовка
Компланарность векторов плоскости зажимных устройств регулируют с помощью калибровочной пластины.
Устанавливают захваты в зажимные устройства.
Закрепляют калибровочную пластину в захвате верхнего зажимного устройства.
Подгоняют нижнее зажимное устройство с помощью калибровочной пластины к верхнему зажимному устройству.
7.4.3 Проведение испытания
Для испытания поперечной стороны образца сначала прикрепляют зажим к образцу A1 (в области крепления F1). Прикрепляя зажим к образцу B1 (область крепления F2), необходимо убедиться в том, что нет дополнительного растяжения или натяжения. Для этого на машине для испытаний на растяжение должно быть установлено программное обеспечение для управления регулировкой нулевой силы, чтобы избежать дополнительных усилий, возникающих в результате зажима образца.
При ширине образца менее 210 мм образец закрепляют по вертикальной центральной линии захвата перпендикулярно областям крепления на расстоянии не более 200 мм друг от друга.
Регулируют внешний экстензометр (или оптический измеритель) по вертикальной центральной линии испытуемого образца как можно ближе к замковому соединению.
Запускают испытательную машину, применяя предварительное сжатие силой 10 Н, затем растягивают испытуемые образцы со скоростями 0,5 или 5 мм/мин. В результатах испытаний используют нижний индекс для соответствующей скорости 0,5 или 5 мм/мин.
Регистрируют значение силы F0,2/0,5 или F0,2/5 в ньютонах, необходимой для получения раскрытия ширины соединения 0,20 мм.
Регистрируют значение силы Fmax/0,5 или Fmax/5 в ньютонах, необходимую для достижения предела прочности замкового соединения, а также величину раскрытия между разъединенными элементами Δs0,5 или Δs5 при разрыве соединения. Измеряют Δs с точностью до 0,01 мм.
Проводят испытание на пяти образцах, изготовленных из пяти разных панелей.
Рассчитывают среднее значение пяти зарегистрированных измерений F0,2/0,5 или F0,2/5, Fmax/0,5 или Fmax/5 и Δs0,5 или Δs5. Проверяют их достоверность в соответствии с пунктом 8.
Для испытания продольной стороны используют ту же процедуру, что и для испытания поперечной стороны, используя образцы A2 и B2.
8 Повторение
При достоверности результатов измерений трех параметров Fmax, F0,2 и Δs каждый результат измерений не должен отличаться более чем на 20% от среднего арифметического значения пяти результатов.
Если один из пяти результатов серии испытаний выходит за допустимые пределы повторения либо для Fmax, F0,2, либо для Δs, подготавливают и испытывают один новый образец. Если результат этого единственного испытания находится в допустимых пределах повторения, данный результат заменяет предыдущий результат, который оказался за допустимыми пределами повторения. В противном случае проводят пять совершенно новых испытаний, результаты измерений которых проверяют на достоверность так же, как и первые.
Если два или более из пяти результатов измерений серии испытаний выходят за допустимые пределы повторения либо для Fmax, F0,2, либо для Δs, проводят пять совершенно новых испытаний и проверяют их достоверность так же, как и первые.
Новые результаты проверяют на достоверность так же, как и первые. Процедуру повторяют до тех пор, пока пять испытуемых образцов для испытаний не дадут достоверных значений результатов. Если для получения результатов в допустимых пределах повторения необходимо более трех полных серий испытаний, испытание прерывают и не завершают.
9 Выражение результатов
Средние арифметические значения измерений F0,2 и Fmax делят на среднюю измеренную ширину поверхности зажатой стороны испытуемого образца. Результаты измерений f0,2/0,5 или f0,2/5 и fmax/0,5 или fmax/5 выражают в килоньютонах на метр (кН/м). fmax - это прочность замкового соединения собранных панелей.
f0,2, fmax и Δs указывают отдельно для продольных и поперечных сторон панелей.
Если Δs равно или меньше 0,2 мм, соответствующая прочность запирания для f0,2 равна fmax.
Все регистрируемые значения должны соответствовать показаниям, полученным с помощью внешнего экстензометра.
10 Протокол испытаний
Протокол испытаний должен содержать как минимум следующую информацию:
- наименование продукта;
- идентификация образца;
- ссылка на настоящий стандарт;
- скорость растяжения образцов при испытании;
- f0,2 - в килоньютонах на метр, кН/м, с точностью до 0,1 кН/м, для продольных и поперечных сторон;
- прочность замкового соединения на разрыв fmax в килоньютонах на метр, кН/м, с точностью до 0,1 кН/м, для продольных и поперечных сторон;
- среднее значение раскрытия замка Δs в миллиметрах, мм, с точностью до 0,01 мм, для продольных и поперечных сторон;
- если хотя бы один замок на одной из сторон ломается до достижения ширины раскрытия соединения 0,20 мм, оценивают все раскрытия (не только среднее Δs), измеренные для этой стороны;
- толщина панелей в миллиметрах, мм, с точностью до 0,1 мм;
- ширина панелей в миллиметрах, мм, с точностью до 0,1 мм;
- при наличии количество повторных испытаний, необходимых для получения достоверных результатов;
- дата проведения испытания.
Приложение ДА
(справочное)
Сведения о соответствии ссылочных международных стандартов национальным и межгосударственным стандартам
Таблица ДА.1
|
Обозначение ссылочного международного стандарта
|
Степень соответствия
|
Обозначение и наименование соответствующего национального, межгосударственного стандарта
|
|
ISO 7500-1
|
-
|
<*>
|
|
<*> Соответствующий национальный, межгосударственный стандарт отсутствует. До его принятия рекомендуется использовать перевод на русский язык данного международного стандарта.
|