Утв. и введен в действие Приказом Федерального агентства по техническому регулированию и метрологии от 27 декабря 2022 г. N 1604-ст
Национальный стандарт РФ ГОСТ Р ИСО 17907-2022
"СУДА И МОРСКИЕ ТЕХНОЛОГИИ. ЭЛЕМЕНТЫ ЯКОРНО-ШВАРТОВНОГО УСТРОЙСТВА, ПРИМЕНЯЕМЫЕ ПРИ ОДНОТОЧЕЧНОЙ ШВАРТОВКЕ ТАНКЕРА. ТЕХНИЧЕСКИЕ ТРЕБОВАНИЯ И МЕТОДЫ ИСПЫТАНИЙ"
Ships and marine technology. Single point mooring arrangements for conventional tanker.
Technical requirements and test methods
(ISO 17907:2014, Ships and marine technology - Single point mooring arrangements for conventional tankers, IDT)
ОКС 47.020.01
Дата введения - 1 июня 2023 года
Введен впервые
Предисловие
1 ПОДГОТОВЛЕН Научно-исследовательским институтом стандартизации и сертификации "Лот" (НИИ "Лот") Федерального государственного унитарного учреждения "Крыловский государственный научный центр" (ФГУП "Крыловский государственный научный центр") на основе собственного перевода на русский язык англоязычной версии международного стандарта, указанного в пункте 4
2 ВНЕСЕН Техническим комитетом по стандартизации ТК 005 "Судостроение"
3 УТВЕРЖДЕН И ВВЕДЕН В ДЕЙСТВИЕ Приказом Федерального агентства по техническому регулированию и метрологии от 27 декабря 2022 г. N 1604-ст
4 Настоящий стандарт идентичен международному стандарту ИСО 17907:2014 "Суда и морские технологии. Элементы якорно-швартовного устройства танкера, применяемые при одноточечной швартовке судна" (ISO 17907:2014 "Ships and marine technology - Single point mooring arrangements for conventional tankers", IDT).
Наименование настоящего стандарта изменено относительно наименования указанного международного стандарта для приведения в соответствие с ГОСТ Р 1.5-2012 (пункт 3.5)
5 ВВЕДЕН ВПЕРВЫЕ
Правила применения настоящего стандарта установлены в статье 26 Федерального закона от 29 июня 2015 г. N 162-ФЗ "О стандартизации в Российской Федерации". Информация об изменениях к настоящему стандарту публикуется в ежегодном (по состоянию на 1 января текущего года) информационном указателе "Национальные стандарты", а официальный текст изменений и поправок - в ежемесячном информационном указателе "Национальные стандарты". В случае пересмотра (замены) или отмены настоящего стандарта соответствующее уведомление будет опубликовано в ближайшем выпуске ежемесячного информационного указателя "Национальные стандарты". Соответствующая информация, уведомление и тексты размещаются также в информационной системе общего пользования - на официальном сайте Федерального агентства по техническому регулированию и метрологии в сети Интернет (www.rst.gov.ru)
1 Область применения
Настоящий стандарт устанавливает технические требования и методы испытаний элементов якорно-швартовного устройства танкера, таких как цепные стопоры, швартовные клюзы и роульсы, применяемые при швартовке судна к одноточечному причалу.
Настоящий стандарт распространяется на танкеры, газовозы и химовозы при швартовке к одноточечному причалу.
2 Технические требования
2.1 Проектирование элементов якорно-швартовного устройства танкера при швартовке к одноточечному причалу
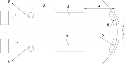
Общая схема якорно-швартовного устройства танкера приведена на рисунках 1 и 2.

1 - осевая линия цепи, параллельная палубе; 2 – цепной стопор; 3 - швартовный клюз; 4 - направление к роульсу или барабану лебедки; 5 - половина ширины звена цепи
Рисунок 1 - Общая схема расположения якорно-швартовного устройства танкера при швартовке к одноточечному причалу

a) Якорно-швартовное устройство танкера с одним цепным стопором

b) Якорно-швартовное устройство танкера с двумя цепными стопорами
1 - направление к барабану лебедки без роульса; 2 - расстояние между роульсом и цепным стопором со стороны кормы, которое должно быть не менее 3 м; 3 - цепной стопор; 4 - расстояние между швартовным клюзом и лицевой стороной обоих цепных стопоров от 2,7 до 3,7 м; 5 - швартовный клюз; 6 - направление к барабану лебедки через роульс
Рисунок 2 - Общая схема расположения якорно-швартовного устройства танкера с одним и двумя цепными стопорами
2.2 Требования к размещению и изготовлению элементов якорно-швартовного устройства танкера
2.2.1 Цепные стопоры
a) Требования к количеству цепных стопоров и нагрузке приведены в таблице 1.
Таблица 1 - Требования к количеству цепных стопоров и нагрузке на стопор
|
Грузоподъемность судна
|
Количество цепных стопоров
|
Минимальная безопасная рабочая нагрузка SWL, т
|
|
Менее 100 000 т дедвейта (для таких судов также может быть установлено два цепных стопора)
|
1
|
200
|
|
Св. 100 000, но не более 150 000 т дедвейта (для таких судов также может быть установлено два цепных стопора)
|
1
|
250
|
|
Св. 150 000 т дедвейта
|
2
|
350
|
|
Примечание - Коэффициент запаса по минимальной безопасной рабочей нагрузке для цепных стопоров должен быть не менее двух.
|
b) Общие типы цепных стопоров приведены в приложении A.
c) Конструкция цепного стопора в закрытом положении должна предотвращать износ цепей при трении из-за внезапного рывка.
d) Действующее усилие на цепной стопор не должно превышать 245 Н.
e) Детали цепного стопора следует изготавливать из стального литья, поковок или проката, которые соответствуют действующим стандартам.
f) Детали цепного стопора не должны иметь дефектов, таких как трещины, песочные включения и поры, влияющих на их эксплуатацию.
g) Когда цепной стопор приварен к основанию, прочность сварного шва должна быть такой, чтобы он мог выдерживать нагрузку, равную двум минимальным безопасным рабочим нагрузкам SWL. Если цепной стопор крепится к основанию болтами, тогда для предотвращения сдвига должны быть предусмотрены упоры.
h) Если на судне предусмотрено устройство аварийной буксировки, тогда цепной стопор, предназначенный для швартовки к одноточечному причалу, также может быть использован в качестве цепного стопора для аварийной буксировки.
2.2.2 Швартовные клюзы
a) Требования к конфигурации и нагрузке швартовных клюзов должны быть сопоставимы с требованиями к цепным стопорам, предназначенным для швартовки к одноточечному причалу.
b) Общий тип швартовного клюза приведен в приложении B.
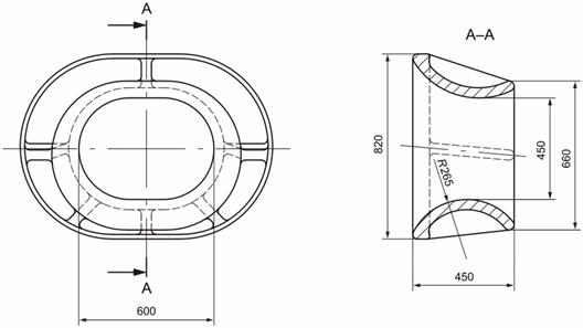
c) Швартовные клюзы должны быть замкнутого типа с размерами отверстия не менее 600 мм в ширину и 450 мм в высоту.
d) Прочность швартовного клюза должна быть достаточной для всех соответствующих углов буксировки, т.е. до 90° от диаметральной плоскости до левого и правого борта и 30° по вертикали вверх и вниз.
e) Швартовные клюзы могут быть изготовлены из стального литья, поковок или проката, которые соответствуют действующим стандартам.
f) Элементы швартовных клюзов не должны иметь дефектов, таких как трещины, песочные включения и поры, влияющих на их эксплуатацию.
g) Если на судне предусмотрено устройство аварийной буксировки, тогда швартовный клюз, предназначенный для швартовки к одноточечному причалу, также может быть использован в качестве швартовного клюза для аварийной буксировки.
2.2.3 Роульсы
a) Основные типы роульсов приведены в приложении C.
b) Роульсы должны выдерживать горизонтальную нагрузку, равную большему из двух значений:
- 225 кН;
- результирующей силы от возможного натяжения в швартове, равного 225 кН.
c) Общие характеристики соответствуют для роульсов диаметром 350, 400 и 450 мм.
d) Роульсы могут быть изготовлены из стального литья, поковок или проката, которые соответствуют действующим стандартам.
e) Элементы роульсов не должны иметь дефектов, таких как трещины, песочные включения и поры, влияющих на их эксплуатацию.
3 Методы испытаний
3.1 Цепные стопоры
3.1.1 Испытание материалов
При испытании стального литья физический и химический контроль следует проводить на тестовых образцах. Результаты контроля должны соответствовать действующим стандартам на материалы. Магнитопорошковую дефектоскопию следует проводить после чистовой обработки поверхности литых деталей. Изделия не должны иметь дефектов, таких как трещины, песочные включения и поры, влияющих на их эксплуатацию.
При испытании кованых изделий физический и химический контроль следует проводить на тестовых образцах. Результаты контроля должны соответствовать действующим стандартам на материалы. Ультразвуковую дефектоскопию следует проводить в соответствии с требованиями к поковкам группы II. Изделия не должны иметь трещин, расслоений или других дефектов, влияющих на их эксплуатацию.
Контроль качества основных сварных соединений должен быть проведен внешним осмотром и методом ультразвуковой дефектоскопии. Сварные швы должны иметь гладкую и плоскую поверхность и не иметь дефектов, таких как трещины, песочные включения и поры, влияющих на их эксплуатацию.
3.1.2 Испытание на прочность
При испытании на прочность цепного стопора нагрузка должна быть приложена по оси цепи в направлении натяжения в течение 1 мин. После испытания должна быть проведена магнитопорошковая дефектоскопия элементов цепного стопора. Основные сварные швы и отливки не должны иметь дефектов, влияющих на их эксплуатацию.
Схема испытания цепного стопора приведена на рисунке 3.

1 - ось цепи якоря
Рисунок 3 - Схема испытания на прочность цепного стопора
3.1.3 Рабочее испытание
При рабочем испытании цепного стопора следует установить балансировочный груз массой 25 кг и убедиться в том, что усилие, действующее на цепной стопор, приложенное перпендикулярно к рабочему рычагу, не превышает 245 Н в соответствии с методом балансировки рычага.
3.2 Швартовные клюзы
3.2.1 Испытание материалов
При испытании стального литья физический и химический контроль следует проводить на тестовых образцах. Результаты контроля должны соответствовать действующим стандартам на материалы. Магнитопорошковую дефектоскопию следует проводить после чистовой обработки поверхности литых деталей. Изделия не должны иметь дефектов, таких как трещины, песочные включения и поры, влияющих на их эксплуатацию.
При испытании кованых изделий физический и химический контроль следует проводить на тестовых образцах. Результаты контроля должны соответствовать действующим стандартам на материалы. Ультразвуковую дефектоскопию следует проводить в соответствии с требованиями к поковкам группы II. Изделия не должны иметь трещин, расслоений или других дефектов, влияющих на их эксплуатацию.
Контроль качества основных сварных соединений должен быть проведен внешним осмотром и методом ультразвуковой дефектоскопии. Сварные швы должны иметь гладкую и плоскую поверхность и не иметь дефектов, таких как трещины, песочные включения и поры, влияющих на их эксплуатацию.
3.2.2 Испытание на прочность
При испытании на прочность швартовного клюза нагрузку следует прикладывать в течение 1 мин. После испытания должна быть проведена магнитопорошковая дефектоскопия элементов швартовного клюза. Основные сварные швы и отливки не должны иметь дефектов, влияющих на их эксплуатацию.
Схема испытания швартовного клюза приведена на рисунке 4.

Рисунок 4 - Схема испытания на прочность швартовного клюза
3.3 Роульсы
3.3.1 Испытание материалов
При испытании стального литья физический и химический контроль следует проводить на тестовых образцах. Результаты контроля должны соответствовать действующим стандартам на материалы. Магнитопорошковую дефектоскопию следует проводить после чистовой обработки поверхности литых деталей. Изделия не должны иметь дефектов, таких как трещины, песочные включения и поры, влияющих на их эксплуатацию.
При испытании кованых изделий физический и химический контроль следует проводить на тестовых образцах. Результаты контроля должны соответствовать действующим стандартам на материалы. Ультразвуковую дефектоскопию следует проводить в соответствии с требованиями к поковкам группы II. Изделия не должны иметь трещин, расслоений или других дефектов, влияющих на их эксплуатацию.
Контроль качества основных сварных соединений должен быть произведен внешним осмотром и методом ультразвуковой дефектоскопии. Сварные швы должны иметь гладкую и плоскую поверхность и не иметь дефектов, таких как трещины, песочные включения и поры, влияющих на их эксплуатацию.
3.3.2 Испытание на прочность
При испытании на прочность роульса нагрузка должна быть приложена в течение 1 мин. После испытания роульс должен нормально вращаться без торможения, как показано на рисунке 5.

Рисунок 5 - Схема испытания на прочность роульса
4 Маркировка
На каждом элементе якорно-швартовного устройства танкера при одноточечном способе швартовки должна быть нанесена маркировка, содержащая:
a) минимальную безопасную рабочую нагрузку SWL;
b) дату или серийный номер изготовителя.
Маркировка должна быть четко обозначена на видном месте.
Приложение A
(справочное)
Типы и габаритные размеры цепных стопоров

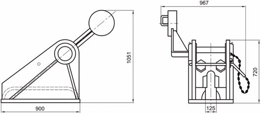
Рисунок A.1 - Цепной стопор с язычком с SWL = 200 т

Рисунок A.2 - Цепной стопор с контрфорсом с SWL = 200 т

Рисунок A.3 - Цепной стопор с язычком с SWL = 350 т
Приложение B
(справочное)
Общий тип и габаритные размеры швартовного клюза

Рисунок B.1 - Швартовный клюз с SWL = 350 т
Приложение C
(справочное)
Типы и габаритные размеры роульсов

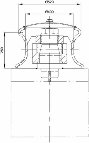
Рисунок C.1 - Роульс диаметром 350 мм

Рисунок C.2 - Роульс диаметром 400 мм