ГОСТ Р МЭК 61225-2021 АТОМНЫЕ СТАНЦИИ. СИСТЕМЫ КОНТРОЛЯ, УПРАВЛЕНИЯ И ЭЛЕКТРОСНАБЖЕНИЯ. ТРЕБОВАНИЯ К СТАТИЧЕСКИМ СИСТЕМАМ БЕСПЕРЕБОЙНОГО ЭЛЕКТРОСНАБЖЕНИЯ ПОСТОЯННОГО И ПЕРЕМЕННОГО ТОКА
Утв. и введен в действие приказом Федерального агентства по техническому регулированию и метрологии от 25 мая 2021 г. N 430-ст
Национальный стандарт РФ ГОСТ Р МЭК 61225-2021
"АТОМНЫЕ СТАНЦИИ. СИСТЕМЫ КОНТРОЛЯ, УПРАВЛЕНИЯ И ЭЛЕКТРОСНАБЖЕНИЯ. ТРЕБОВАНИЯ К СТАТИЧЕСКИМ СИСТЕМАМ БЕСПЕРЕБОЙНОГО ЭЛЕКТРОСНАБЖЕНИЯ ПОСТОЯННОГО И ПЕРЕМЕННОГО ТОКА"
Nuclear power plants. Instrumentation, control and electrical power systems. Requirements for static uninterruptible DC and AC power supply systems
ОКС 27.120.20
Дата введения - 1 декабря 2021 г.
Взамен ГОСТ Р МЭК 61225-2011
Предисловие
1 Подготовлен Национальной ассоциацией производителей источников тока "РУСБАТ" (Ассоциация "РУСБАТ") на основе собственного перевода на русский язык англоязычной версии стандарта, указанного в пункте 4, и Федеральным государственным унитарным предприятием "Российский научно-технический центр информации по стандартизации, метрологии и оценке соответствия" (ФГУП "СТАНДАРТИНФОРМ")
2 Внесен Техническим комитетом по стандартизации ТК 044 "Аккумуляторы и батареи"
3 Утвержден и введен в действие Приказом Федерального агентства по техническому регулированию и метрологии от 25 мая 2021 г. N 430-ст
4 Настоящий стандарт идентичен международному стандарту МЭК 6122 5:2019 "Атомные станции. Системы контроля, управления и электроснабжения. Требования к статическим системам бесперебойного электроснабжения постоянного и переменного тока" (IEC 61225:2019, Nuclear power plants - Instrumentation, control and electrical power systems - Requirements for static uninterruptible DC and AC power supply systems, IDT).
При применении настоящего стандарта рекомендуется использовать вместо ссылочных международных стандартов соответствующие им национальные и межгосударственные стандарты, сведения о которых приведены в дополнительном приложении ДА.
Дополнительные сноски в тексте стандарта, выделенные курсивом, приведены для пояснения текста оригинала
5 Взамен ГОСТ Р МЭК 61225-2011
Введение
a) Технические положения, основные вопросы и организация стандарта
МЭК 61225:1993 был разработан с целью установления требований к проектированию источников электропитания для систем контрольно-измерительных приборов и управления (КИПиУ) на атомных станциях (АС). Принимая во внимание мировой опыт по данному вопросу, в 2003 году рабочая группа А2 рекомендовала пересмотреть этот стандарт так, чтобы новая версия, МЭК 61225 Ed. 2 (2005 г.), была последовательно интегрирована в серию стандартов ПК 45А. В 2015 году рабочая группа А11 рекомендовала пересмотреть данный стандарт после публикации актуализированной версии SSG-34 МАГАТЭ и включить в его область применения статические системы бесперебойного электроснабжения (ССБЭ) всех типов подключенного оборудования.
На основе мирового опыта эксплуатации систем электроснабжения на АС выявлены колебания и неисправности питающего напряжения, такие как:
- возмущения напряжения из-за нарушений во внутренней распределительной сети переменного тока (с внешним или внутренним источником возмущения);
- бросок напряжения при обрыве сети;
- обрыв фазы (одна или две фазы);
- асимметричные неисправности.
Данные типы возмущений могут ухудшить характеристики ССБЭ и привести к отказу подключенного оборудования.
Одна из задач ССБЭ - защита подключенного оборудования от колебаний напряжения в локальной распределительной сети переменного тока (концепция помехоустойчивости). ССБЭ должны обеспечивать выходное напряжение заданного значения и заданной формы волны (в случае переменного тока) для подключенных нагрузок и питание соответствующих нагрузок в течение установленного времени независимо от любых колебаний напряжения в местной распределительной сети переменного тока.
Примеры изменений напряжения и частоты во входном фидере ССБЭ приведены в приложении А. Примеры спецификаций для статических источников бесперебойного питания приведены в приложении В.
Настоящий стандарт применяют при проектировании ССБЭ на новых АС, проектные работы для которых будут начаты после его введения. Настоящий стандарт рекомендуется применять при модернизации и обновлении эксплуатируемых АС.
b) Место настоящего стандарта в структуре серии стандартов МЭК ПК 45А
МЭК 61225 является документом второго уровня и устанавливает требованиям к ССБЭ.
Более подробное описание структуры серии стандартов МЭК ПК 45А приведено в перечислении d) настоящего введения.
c) Рекомендации и ограничения в отношении применения настоящего стандарта
Настоящий стандарт применяют совместно с МЭК 61513, МЭК 60709, МЭК 60880, МЭК 62138, МЭК 62855 и МЭК 63046.
d) Описание структуры серии стандартов МЭК ПК 45А и их взаимосвязь с другими документами МЭК и документами других организаций (МАГАТЭ, ИСО)
Стандартами первого уровня в серии стандартов МЭК ПК 45А являются МЭК 61513 и МЭК 63046. МЭК 61513 содержит общие требования к системам и оборудованию КИПиУ, применяемым для выполнения функций, важных для безопасности АС. МЭК 63046 устанавливает общие требования к системам электроснабжения МЭК 63046 и распространяется на системы электроснабжения, включая системы питания систем КИПиУ. МЭК 61513 и МЭК 63046 применяют совместно как документы одного уровня; в них сформирована структура серии стандартов МЭК ПК 45А и установлены общие требования к КИПиУ и электрическим системам для АС.
МЭК 61513 и МЭК 63046 содержат прямые ссылки на другие стандарты МЭК ПК 45А, рассматривающие общие темы, связанные с классификацией функций и классификацией систем, аттестацией, разделением систем, защитой от отказа по общей причине, аспектами программного обеспечения, аспектами аппаратных средств и проектированием пунктов управления. Стандарты второго уровня, на которые приведены ссылки, следует применять вместе с МЭК 61513 и МЭК 63046 как единый комплекс стандартов.
К третьему уровню отнесены стандарты МЭК ПК 45А, на которые отсутствуют прямые ссылки в МЭК 61513 или МЭК 63046, - это стандарты, распространяющиеся на конкретное оборудование, технические методы или определенные процессы. Как правило, документы, ссылающиеся на документы второго уровня (по общим темам), можно применять как самостоятельные документы.
К четвертому уровню отнесены документы серии стандартов МЭК ПК 45А, представленные в виде технических отчетов, которые не являются нормативными документами.
В серии стандартов МЭК ПК 45А последовательно внедрены и детализированы принципы и основные аспекты безопасности, предусмотренные в Руководствах МАГАТЭ по безопасности АС и в других документах по безопасности МАГАТЭ, в частности: в Нормах МАГАТЭ по безопасности SSR-2/1, устанавливающих требования безопасности при проектировании атомных станций; в Руководстве по безопасности SSG-30, в котором представлена классификация по безопасности конструкций, систем и компонентов АС; в Руководстве МАГАТЭ по безопасности SSG-39, которое содержит информацию по дизайну систем контроля и управления для АС; в Руководстве МАГАТЭ по безопасности SSG-34, которое содержит информацию по дизайну систем электроснабжения АС, и в Руководстве по внедрению NSS 17 применительно к компьютерной защищенности на объектах использования атомной энергии. Термины и определения, используемые в области безопасности и защиты, серии стандартов МЭК ПК 45А соответствуют терминологии МАГАТЭ.
МЭК 61513 и МЭК 63046 изложены в таком же формате, как и основной документ по безопасности МЭК 61508, и содержат полную схему жизненного цикла и структуру жизненного цикла системы. Кроме того, в данных стандартах в отношении ядерной безопасности интерпретированы основные требования, содержащиеся в МЭК 61508-1, МЭК 61508-2 и МЭК 61508-4, применительно к атомной энергетике. С этой точки зрения МЭК 60880 и МЭК 62138 соответствуют МЭК 61508-3 в части использования в атомной энергетике.
В МЭК 61513 и МЭК 63046 приведены ссылки на стандарты ИСО, документы МАГАТЭ GS-R-3, МАГАТЭ GS-G-3.1 и МАГАТЭ GS-G-3.5 по вопросам, связанным с обеспечением качества (QA).
На втором уровне применительно к ядерной безопасности МЭК 62645 является исходным документом по безопасности для стандартов серии МЭК ПК 45А, который построен на действующих принципах первого уровня и основных концепциях общих стандартов по безопасности, в частности ИСО/МЭК 27001 и ИСО 27002. МЭК 62645 адаптирует и дополняет указанные стандарты, чтобы они соответствовали контексту, а также координирует их с серией стандартов МЭК 62443.
На втором уровне МЭК 60964 является исходным документом в отношении пунктов управления, которые соответствуют положениям серии стандартов МЭК ПК 45А, а МЭК 62342 - для стандартов МЭК ПК 45А касательно управления старением.
Примечания 1) - Предполагается, что для проектирования систем КИПиУ на АС, которые реализуют традиционные функции безопасности (например, для решения проблем охраны труда работников, защиты имущества или ресурсов, защиты от химических опасных факторов, опасных факторов процессов получения, переработки и использования энергии), будут применены международные или национальные стандарты.
──────────────────────────────
1) Примечание 2, приведенное в оригинале МЭК 61225:2019, исключено в связи с опубликованием МЭК 63046:2020.
──────────────────────────────
Настоящий стандарт устанавливает требования к функциональным возможностям и рабочим характеристикам низковольтных статических систем бесперебойного электроснабжения (ССБЭ) на атомных станциях (АС). Бесперебойное электроснабжение обеспечивается электрическим оборудованием, которое получает электрическую энергию из источника, хранит и обеспечивает ее подачу в заданной форме к выходным выводам посредством внутренних средств. ССБЭ не имеет вращающихся частей для выполнения своих функций.
Конкретные требования к конструкции компонентов системы электроснабжения установлены стандартами МЭК и стандартами, приведенными в нормативных ссылках, а в остальном выходят за область применения настоящего стандарта.
В настоящем стандарте использованы нормативные ссылки на следующие международные стандарты. Для датированных ссылок применяют только указанное издание ссылочного стандарта, для недатированных - последнее издание (включая все изменения).
IEC 60038, IEC standard voltages (Стандартные напряжения МЭК)
IEC 60146-1-1, Semiconductor converters - General requirements and line commutated converters - Part 1-1: Specification of basic requirements (Полупроводниковые преобразователи. Общие требования и линейные коммутаторы. Часть 1-1. Спецификация основных требований)
IEC 60146-2, Semiconductor converters - Part 2: Self-commutated semiconductor converters including direct d.c. converters (Полупроводниковые преобразователи. Часть 2. Самокоммутируемые полупроводниковые преобразователи, включая прямые d.c. преобразователи)
IEC 60364-4-41, Low voltage electrical installations - Part 4.41: Protection for safety - Protection against electric shock (Электроустановки низковольтные. Часть 4-41. Требования для обеспечения безопасности. Защита от поражения электрическим током)
IEC 60709, Nuclear power plants - Instrumentation, control and electrical power systems important to safety - Separation (Атомные станции. Системы контроля и управления, важные для безопасности. Разделение)
IEC/IEEE 60780-323, Nuclear power plants - Electrical equipment important to safety - Qualification (Атомные станции. Электрическое оборудование, важное для безопасности. Квалификация)
IEC 60880, Nuclear power plants - Instrumentation and control systems important to safety - Software aspects for computer-based systems performing category A functions (Атомные станции. Системы контроля и управления, важные для безопасности. Программное обеспечение компьютерных систем, выполняющих функции категории А)
IEC 60980, Recommended practices for seismic qualification of electrical equipment of the safety system for nuclear generating stations (Рекомендуемый порядок проведения сейсмической квалификации электрического оборудования для систем безопасности атомных станций)
IEC 61000 (all parts), Electromagnetic compatibility (EMC) [Электромагнитная совместимость (EMC)]
IEC 61508 (all parts), Functional safety of electrical/electronic/programmable electronic safety-related systems (Функциональная безопасность систем электрических, электронных, программируемых электронных, связанных с безопасностью)
IEC 61513, Nuclear power plants - Instrumentation and control important to safety - General requirements for systems (Системы контроля и управления, важные для безопасности атомной станции. Общие требования)
IEC 62003, Nuclear power plants - Instrumentation and control important to safety - Requirements for electromagnetic compatibility testing (Системы контроля и управления, важные для безопасности атомной станции. Требования к испытаниям на электромагнитную совместимость)
IEC 62040 (all parts), Uninterruptible power systems (UPS) [Системы бесперебойного энергоснабжения (UPS)]
IEC 62138, Nuclear power plants - Instrumentation and control systems important to safety - Software aspects for computer-based systems performing category В or С functions (Системы контроля и управления, важные для безопасности атомной станции. Программное обеспечение компьютерных систем, выполняющих функции категорий В и С)
IEC 62566, Nuclear power plants - Instrumentation and control important to safety - Development of HDL-programmed integrated circuits for systems performing category A functions (Атомные станции. Контроль и управление, важные для безопасности. Использование программируемых интегральных схем для применения в системах, выполняющих функции безопасности категории А)
IEC 62566-2, Nuclear power plants - Instrumentation and control important to safety - Development of HDL-programmed integrated circuits - Part 2: HDL-programmed integrated circuits for systems performing category В or С functions (to be published) [Атомные станции. Контроль и управление, важные для безопасности. Использование программируемых интегральных схем. Часть 2. HDL-запрограммированные интегральные схемы для систем, выполняющих функции категории В или С (будет опубликован)]
В настоящем стандарте применены следующие термины с соответствующими определениями.
Примечание - В настоящем стандарте применены термины, установленные в руководствах МАГАТЭ по безопасности SSG-34 и SSG-39.
ИСО и МЭК ведут терминологические базы данных для использования в стандартизации по следующим адресам:
- Электропедия МЭК, которая доступна на http://www.electropedia.org/;
- платформа онлайн-просмотра ИСО, которая доступна на http://www.iso.org/obp.
3.1 ожидаемое при эксплуатации событие; ОЭС (anticipated operational occurrence, АОО): Отклонение эксплуатационного процесса от нормальной работы, которое, как ожидается, произойдет по крайней мере один раз в течение срока эксплуатации установки, но которое благодаря соответствующим предусмотренным в проекте мерам не нанесет значительного повреждения узлам, важным для безопасности, и не приведет к аварийным условиям.
[Глоссарий безопасности МАГАТЭ, издание 2016 г.]
3.2 зарядное устройство (battery charger): Электрическое устройство, используемое для преобразования переменного тока в постоянный для заряда батарей и подачи энергии для нагрузок постоянного тока во время нормальной работы.
Примечание - Зарядное устройство обеспечивает гальваническую развязку вывода постоянного тока от ввода переменного тока и оснащено регулированием и мониторингом.
[IEEE 946, 2004]
3.3 отказ по общей причине; ООП (common cause failure, CCF): Отказ двух конструкций, систем и компонентов или более вследствие единичного события или причины.
[Глоссарий безопасности МАГАТЭ, издание 2016 г.]
3.4 разнообразие (diversity): Наличие двух резервных систем или компонентов или более для выполнения одной определенной функции, при котором разные системы или компоненты наделяются различными признаками таким образом, чтобы уменьшалась возможность отказа по общей причине.
[Глоссарий безопасности МАГАТЭ, издание 2016 г.]
3.5 группа (резервирования) (division): Совокупность элементов, включая их взаимосвязи, которые образуют одну единицу резервирования резервной системы или группы безопасности.
Примечания
1 Группы могут включать несколько каналов.
2 Обозначение, которое позволяет установить и поддерживать физическую, электрическую и функциональную независимость от других резервирующих наборов элементов.
[МАГАТЭ SSG-39, 2016]
3.6 состояния (атомной) станции (plant states):
|
Эксплуатационные состояния |
Аварийные условия | |||
|
Нормальная эксплуатация |
Ожидаемые при эксплуатации события |
Проектные аварии |
Запроектные аварии | |
|
Без существенной деградации топлива |
С разрушением активной зоны | |||
[Глоссарий безопасности МАГАТЭ, издание 2016 г.]
3.7 резервирование (redundancy): Использование альтернативных (одинаковых или неодинаковых) конструкций, систем и элементов таким образом, чтобы все они могли выполнять необходимую функцию независимо от эксплуатационного состояния или отказа (выхода из строя) любого из них.
[Глоссарий безопасности МАГАТЭ, издание 2016 г.]
3.8 система, связанная с безопасностью (safety related system): Система, важная для безопасности, которая не является частью системы безопасности.
[Глоссарий безопасности МАГАТЭ, издание 2016 г.]
3.9 система безопасности (safety system): Система, важная для безопасности, обеспечивающая безопасный останов реактора или отвод остаточного тепла из активной зоны либо ограничивающая последствия ожидаемых при эксплуатации событий и проектных аварий.
[Глоссарий безопасности МАГАТЭ, издание 2016 г.]
3.10 единичный отказ (single failure): Отказ, который приводит к потере способности системы или элемента выполнять предписанные им функции безопасности, а также любые последующие отказы, являющиеся результатом этого.
[Глоссарий безопасности МАГАТЭ, издание 2016 г.]
3.11 критерий единичного отказа (single failure criterion): Критерий (или требование), применяемый(ое) к системе таким образом, чтобы она обязательно сохраняла способность выполнять свою функцию в случае любого единичного отказа.
[Глоссарий безопасности МАГАТЭ, издание 2016 г.]
3.12 обесточивание станции; ОС (station blackout, SBO): Состояние станции, которое характеризуется полной потерей всего энергопитания переменного тока от внешних источников, главного электрического генератора и резервных источников электропитания переменного тока, которые важны с точки зрения безопасности для шин ответственных и неответственных потребителей распределительного устройства.
Примечания
1 ССБЭ постоянного и переменного тока работоспособны до тех пор, пока батареи могут обеспечивать электропитание нагрузок.
2 Имеются альтернативные источники энергопитания переменного тока в соответствии с МАГАТЭ SSG-34.
[МАГАТЭ SSG-34, 2016]
В настоящем стандарте применены следующие сокращения 1):
──────────────────────────────
1) Аббревиатуры АС и DC используют для обозначения элементов электрических схем, на рисунках и маркировке.
──────────────────────────────
АС - переменный ток;
ОЭС - ожидаемое при эксплуатации событие;
ООП - отказ по общей причине;
DC - постоянный ток;
ЭМС - электромагнитная совместимость;
КИПиУ - контрольно-измерительные приборы и управление;
БТИЗ - биполярный транзистор с изолированным затвором;
АС - атомная станция;
ОС - обесточивание станции;
КСК - конструкции, системы и компоненты;
ССБЭ - статическая система бесперебойного энергоснабжения;
ИБП - источник бесперебойного питания.
5.1 Общие положения
Настоящий стандарт устанавливает требования к надежности и устойчивости ССБЭ на АС. В отношении источников питания систем безопасности применяют более строгие критерии и проводят дополнительную проверку, при этом следует учитывать, что все локальные и внешние системы электроснабжения АС вносят вклад в надежность и устойчивость энергосистем АС. Следует применять одинаковые требования к ССБЭ независимо от классификации безопасности с дифференцированным подходом к проверке и аттестации.
ССБЭ должны иметь в достаточном объеме запасы надежности и устойчивости для того, чтобы гарантировать, что:
- нормируемые характеристики оборудования, возможности и емкости, необходимые для достижения поставленных целей, соответствуют установленным требованиям;
- уставки защиты оборудования в системе распределения электроэнергии АС выбраны с учетом потенциальных возмущений во всех режимах работы;
- оборудование имеет достаточную энергоемкость и способно поддерживать работу в аварийных ситуациях.
Конструкция ССБЭ должна обеспечивать пользователям возможность анализировать:
- переходные, динамические и квазистационарные изменения напряжения и частоты (в случае источника переменного тока);
- перебои в подаче электроэнергии (или провалы напряжения/частоты, превышающие допустимый диапазон динамических колебаний) продолжительностью от миллисекунд до состояния обесточивания станции (ОС);
- асимметричные условия.
5.2 Функция и описание статических систем бесперебойного электроснабжения
5.2.1 Общие положения
ССБЭ должна обеспечивать непрерывное бесперебойное питание всех подключенных нагрузок в пределах указанных допусков по напряжению, а также (для систем переменного тока) формы волны и частоты для всех условий на входе источника.
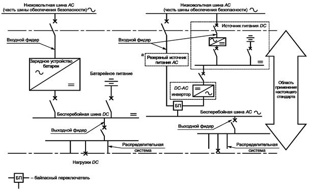
ССБЭ, как правило, состоит из одной или двух систем (см. рисунок 1):
- системы питания постоянного тока (DC) с зарядными устройствами и батареями, питающими нагрузки;
- системы питания переменного тока (АС) с зарядными устройствами, резервными батареями, статическими переключателями и инверторами, питающими нагрузки переменного тока.

──────────────────────────────
а Прямоугольник обозначает:
- прямое соединение;
- трансформатор;
- регулируемый трансформатор.
──────────────────────────────
Рисунок 1 - Граница системы
Допускается использование общих зарядных устройств и батарей для систем питания постоянного и переменного тока.
Функции ССБЭ и классификация функций по важности для безопасности должны быть установлены в соответствии со схемой классификации безопасности АС. Как правило, классификация функций по важности для безопасности базируется на наиболее высокой классификации нагрузки, обеспечиваемой источником питания, как установлено в 7.2.
Ограничения на подключение нагрузок с различными классификациями установлены в 8.5.
DC/DC-преобразователи, АС/DC-преобразователи и преобразователи для стабилизации напряжения на рисунке 1 не показаны. ССБЭ может служить также источником бесперебойного питания переменного тока и, как правило, представляет собой интегрированную сборку зарядного устройства, батареи и инвертора, как показано в правой части рисунка 1.
5.2.2 Обозначения
Входной фидер: ССБЭ оснащена входным фидером, как правило, от низковольтной силовой шины переменного тока, являющейся частью шин электрической безопасности 1).
──────────────────────────────
1) См. рисунки в IAEA SSG-34.
──────────────────────────────
Выходной фидер: ССБЭ оснащена комплектом, состоящим из зарядного устройства/батареи или зарядного устройства/батареи/инвертора в сочетании с выходным фидером, который подключен к распределительной системе.
ССБЭ обеспечивает питание нагрузок распределительной системы (см. рисунок 1).
5.2.3 Системы бесперебойного энергоснабжения постоянного тока
Каждая группа резервирования системы бесперебойного энергоснабжения постоянного тока должна состоять как минимум:
- из батареи;
- зарядного устройства для батареи;
- системы распределения.
Чтобы повысить надежность группы резервирования, а также для облегчения обслуживания следует рассмотреть возможность внутреннего резервирования в каждой группе резервирования. Информация относительно обеспечения резервирования приведена в 5.3.
Система электропитания постоянного тока должна обеспечивать нагрузки постоянного тока во время нормальной работы (включая отключения), ожидаемые при эксплуатации и аварийных событиях.
Система электропитания постоянного тока должна в течение заданного минимального периода времени обеспечивать нагрузки постоянного тока при потере питания на входном фидере без отклонения напряжения выходного фидера за пределы установленных допусков.
5.2.4 Системы бесперебойного переменного тока
Каждая группа резервирования системы бесперебойного питания переменного тока должна состоять:
- из линии питания от системы постоянного тока до инвертора;
- в качестве альтернативы - линии питания от бесперебойной шины переменного тока, специализированного зарядного устройства, батареи и инвертора;
- системы распределения.
Резервное питание распределительной системы от бесперебойной шины переменного тока должно быть установлено вместе с устройством для автоматического переключения между линией питания от инвертора и резервным источником питания.
Для того чтобы повысить надежность группы резервирования, а также для облегчения обслуживания, следует рассмотреть возможность внутреннего резервирования в каждой группе резервирования. Информация относительно обеспечения резервирования приведена в 5.3.
Система электропитания переменного тока должна обеспечивать питание нагрузок переменного тока во время нормальной работы (включая отключение), ожидаемых при эксплуатации и аварийных событиях.
Система электропитания переменного тока должна в течение заданного минимального времени обеспечивать нагрузки переменного тока при потере питания на входном фидере без отклонения напряжения выходного фидера за пределы установленных допусков.
Ввиду более высокой надежности систем постоянного тока следует рассмотреть возможность подключения системы КИПиУ безопасности от системы постоянного тока, а также использования комбинации питания постоянного и переменного токов для минимизации рисков отказа при нормальном режиме работы. При питании только нагрузок постоянного тока применение источника постоянного тока должно быть предпочтительным решением. Такой подход устраняет возможный источник отказа.
5.3 Группы резервирования системы
Система электропитания постоянного и переменного тока должна быть разделена на резервные и независимые группы. Нагрузки, гарантирующие безопасность, должны быть обеспечены энергией по крайней мере от одного выделенного источника питания для каждой группы резервирования, чтобы сделать возможными физическое и функциональное разделения. Требуемое число резервных источников зависит от конструкции системы защиты реактора и резервирования в проекте АС.
Источники питания для нагрузок безопасности, на которые распространяется настоящий стандарт, должны соответствовать критерию единичного отказа согласно МЭК 61513 и требованиям по разделению и устойчивости к отказу, установленным в МЭК 60709.
Следует учитывать функциональное различие (разнообразие) систем переменного и постоянного токов для источников питания КИПиУ для повышения надежности всего энергообеспечения. Принцип независимости и разнообразия следует применять для защиты от вероятных отказов по общей причине (ООП), которые могут повлиять на резервирующие части и возникают:
- в самом оборудовании;
- вследствие коммутационных скачков;
- вследствие скачков напряжения и/или частоты.
Примеры таких событий приведены в приложении А.
Необходимо предусмотреть возможность ООП, например путем анализа и обеспечения глубоко эшелонизированной защиты при проектировании, обслуживании, испытании и эксплуатации системы.
5.4 Границы системы
В объем аспектов области применения настоящего стандарта входит система электропитания от выходных выводов выключателя к зарядному устройству до выключателей на входе каждой отдельной нагрузки (см. рисунок 1).
В пределах, указанных выше, каждая система может включать в себя такое оборудование, как трансформаторы, преобразователи, зарядные устройства батарей, инверторы, кабели, изолирующие устройства, распределительные щиты, переключающие устройства, центральные и локально расположенные батареи, а также оборудование коммутации, мониторинга и защиты.
При необходимости нагрузка с более низкой классификацией безопасности в пределах того же подкласса может снабжаться энергией от шины, питающей оборудование с более высокой классификацией безопасности, в соответствии с положениями, установленными в 8.5.
6.1 Статическое бесперебойное электропитание для систем, важных для безопасности
ССБЭ может подвергаться воздействию электрических возмущений на входном фидере. Эти переходные процессы следует идентифицировать и смягчать. Должна быть предусмотрена защита для предотвращения воздействия возмущений, выходящих за допустимые пределы, на выходное напряжение (или частоту, если применимо) фидера и распределительной системы. Конструкция ССБЭ должна обеспечивать защиту подключенного оборудования от таких возмущений и колебаний.
Выходное напряжение для питания нагрузок (переменного или постоянного тока) должно поддерживаться в установленных пределах после потери и после восстановления питания на входящем фидере. Следует предусмотреть анализ нагрузок на предмет их устойчивости к кратковременным перебоям в электроснабжении во время операций переключения с временами, характерными для используемого байпасного переключателя.
Конструкция ССБЭ должна гарантировать, что прерывания и возмущения входного напряжения фидера не повлияют на подключенное оборудование при выполнении его функции безопасности.
Следует учитывать требования электромагнитной совместимости (ЭМС), например путем проведения анализа, по результатам которого должен быть продемонстрирован адекватный иммунитет. Компоненты, используемые в источниках питания для ССБЭ, должны соответствовать требованиям к помехоустойчивости, установленным в МЭК 62003.
Примечание - Основным стандартом ЭМС для ИБП (см. 6.4) является МЭК 62040 в сочетании с МЭК 61000-6-2 и МЭК 61000-6-4.
Риск отказа программного обеспечения или ООП в оборудовании, используемом для управления и мониторинга ИБП, должен быть снижен до приемлемого уровня, сообразно обоснованию безопасности за счет разработки соответствующего программного обеспечения, установления категоризации, проведения проверки и аттестации. Следует учитывать разнообразный дизайн аппаратного и программного обеспечения.
Рекомендации по разработке, проверке и аттестации программного обеспечения приведены в МЭК 60880 (для систем класса 1), МЭК 62138 (для систем класса 2/3), МЭК 62566 и МЭК 62566-2.
Допускается использование устройств класса SIL3 по МЭК 61508 после соответствующего испытания оборудования и опыта эксплуатации.
6.2 Батареи и зарядные устройства
Для обеспечения бесперебойного электропитания постоянного тока батарея и зарядное устройство должны быть постоянно подключены к соответствующей шине. Емкость батареи и мощность зарядного устройства должны быть достаточными для питания подключенных нагрузок (включая переходные и периодические нагрузки) и поддержания питания в течение заданного минимального времени.
Зарядное устройство батареи должно иметь достаточную мощность, чтобы:
- восстановить батарею из разряженного состояния до состояния перехода на поддерживающий заряд в течение приемлемого времени при сохранении допустимого диапазона напряжения потребителей;
- обеспечивать максимальные предполагаемые требования в отношении питания всех подключенных нагрузок после начальной потери нормального питания (одновременно с проведением заряда батареи).
Если предусмотрена возможность быстрого заряда батареи, следует изучить последствия повышенного напряжения для потребителей.
Зарядное устройство должно иметь соответствующие отключающие устройства в цепях переменного и постоянного токов, позволяющие его изолировать.
Батареи каждой резервированной системы электропитания должны быть установлены в отдельных помещениях с собственным независимым контролем и вентиляцией, производительность которой должна поддерживать условия в пределах проектного диапазона.
Примечание - В ЕН 50272-2 приведена информация о требованиях безопасности для батарейных установок с целью исключения образования опасного количества водорода.
Все батареи должны иметь соответствующие отключающие устройства, чтобы изолировать их от зарядного устройства и шины постоянного тока и обеспечивать возможность проверки емкости.
При расчете емкости батарей и мощности зарядных устройств в системе постоянного тока необходимо учитывать следующее:
- запас прочности конструкции;
- температурные эффекты;
- старение, износ компонентов.
Возможности батарей должны соответствовать всем требуемым нагрузкам и условиям эксплуатации в течение указанного промежутка времени во всех состояниях АС и без работающего зарядного устройства. Условия эксплуатации включают, но не ограничивают:
- рабочие циклы;
- электрические переходные процессы при нормальных условиях эксплуатации;
- условия проектных аварий;
- потерю питания переменного тока.
Примечание - Исследования потока распределения приведены в МЭК 62855.
Батареи и зарядные устройства должны работать таким образом, чтобы батарея постоянно поддерживалась в заряженном состоянии. Батарея подает ток на нагрузки только тогда, когда питание с помощью зарядного устройства недоступно. Зарядное устройство для батарей должно поддерживать стабильное напряжение и обеспечивать непрерывные и кратковременные нагрузки без подключенных батарей (работа в этом режиме, как правило, не ожидается) 1). Батареи и зарядные устройства должны соответствовать тем условиям окружающей среды, для которых оборудование рассчитано при его эксплуатации, с целью смягчения последствий проектной аварии.
──────────────────────────────
1) Это недопустимый рабочий режим для нормальной работы. Способность зарядного устройства к короткому замыканию ограничена, и, возможно, оно переходит в режим ограничения тока, что может помешать устранению неисправностей. Цель требования состоит в том, чтобы предотвратить аномальное напряжение постоянного тока, если батарея отключена.
──────────────────────────────
Пример технических характеристик батареи и зарядного устройства приведен в приложении В.
Необходимо учитывать способ функционирования и возможности оборудования в том случае, если батареи или зарядные устройства не работают из-за неисправности.
Локальные источники питания, например обеспечивающие питание одного прибора или шкафа управления, также должны отвечать требованиям, установленным в соответствующих разделах настоящего стандарта.
6.3 Инверторы и байпасные переключатели
Для питания оборудования, требующего непрерывного питания переменного тока, должно быть обеспечено наличие ИБП переменного тока. ИБП должен гарантировать функциональную возможность питания всех подключенных нагрузок, включая переходные и периодические нагрузки.
Источник бесперебойного питания переменного тока должен включать:
- входной фидер переменного тока;
- зарядное устройство для батареи;
- батарею как накопитель энергии;
- инвертор;
- выходной фидер переменного тока;
- байпасный переключатель для автоматического переключения между инвертором и резервным источником переменного тока (см. ниже).
Если требуются ИБП переменного тока с наиболее высокой степенью готовности, необходимо обеспечить быстрое автоматическое переключение между инвертором и альтернативным резервным источником питания переменного тока 1) с использованием статического переключателя или переключающего контактора. Примерами альтернативных источников резервного питания переменного тока являются трансформаторы или регулируемые трансформаторы.
──────────────────────────────
1) При использовании альтернативного источника питания возмущения в фидере будут передаваться на шины бесперебойного питания и могут отрицательно повлиять на питаемые нагрузки (например, оборудование КИПиУ).
──────────────────────────────
Требования и рекомендации для батарей и зарядных устройств установлены в 6.2.
Конструкция инвертора должна учитывать следующие условия в дополнение к суммированию общей нагрузочной способности:
- контроль напряжения во время пропадания и последующего возврата основного источника питания должен обеспечивать выходное напряжение в установленных пределах;
- инвертор должен быть пригоден для нелинейных нагрузок.
Инвертор, а также резервный источник питания должны быть способны по отдельности запускать устройство защиты, расположенное ниже по потоку, чтобы изолировать отказ системы на стороне нагрузки.
Инвертор должен быть спроектирован таким образом, чтобы выдерживать максимальное перенапряжение, ожидаемое на входе постоянного тока, без необходимости активировать собственную защиту.
С целью более быстрого переключения инверторы должны работать синхронно с выделенной резервной системой в нормальном рабочем режиме. Коммутационное оборудование должно выдерживать максимальное обратное напряжение, которое может возникать во время возмущений напряжения на резервном источнике переменного тока. Устройство переключения должно иметь собственный блок управления, на который не влияют отказы в управлении инвертором.
Пример технических характеристик инвертора и байпасного переключателя приведен в приложении В.
6.4 Источники бесперебойного питания
Источником бесперебойного питания переменного тока может служить ИБП. ИБП, как правило, представляет собой интегрированную сборку зарядного устройства и инвертора с подключенной батареей.
Требования и рекомендации для батарей и зарядных устройств приведены в 6.2; требования и рекомендации для инверторов и байпасных выключателей - в 6.3.
6.5 Преобразователи, используемые для стабилизации напряжения
Для питания электронных устройств допускается применять DC/DC-преобразователи промежуточной цепи. Сторона входа этих DC/DC-преобразователей должна быть подключена к напряжению ССБЭ. Данные DC/DC-преобразователи могут питать на выходной стороне нагрузки или группы нагрузок контролируемым напряжением, номинальное значение которого может отличаться от напряжения ССБЭ, для того, чтобы:
- стабилизировать выходное напряжение в зависимости от нагрузки и степени заряженности (СЗ) батареи;
- уровень напряжения потребителя привести к уровню напряжения, отличающемуся от уровня напряжения источника питания.
Такие преобразователи должны быть установлены либо в системе питания постоянного тока, либо во входном фидере соответствующего шкафа управления, как указано в 6.6.
Требования и рекомендации для инверторов приведены в 6.3. Пример спецификации преобразователя представлен в приложении В.
6.6 Электропитание КИПиУ с использованием DC/DC-преобразователей и ACI DC-преобразователей
Системы КИПиУ, как правило, оснащены DC/DC-преобразователями или АС/DC-преобразователями. Эти преобразователи регулируют уровень напряжения и обеспечивают оборудование КИПиУ энергией.
Преобразователь питается от ССБЭ и может содержать переключающее устройство (например, БТИЗ), трансформатор, выпрямитель и фильтр на выходе. Преобразователь должен обеспечивать гальваническую развязку источника питания КИПиУ через установленный трансформатор.
DC/DC-преобразователи и AC/DC-преобразователи размещают в специализированных шкафах КИПиУ или группах шкафов КИПиУ. DC/DC-преобразователи или AC/DC-преобразователи должны иметь достаточную мощность для питания подключенных нагрузок с учетом требований защиты.
Требования и рекомендации, применяемые к батареям и зарядным устройствам, приведены в 6.2, для инверторов - в 6.3. Пример спецификации DC/DC преобразователя представлен в приложении В.
7.1 Системные аспекты
Система распределения получает питание от резервных источников питания и обеспечивает непрерывное питание каждой нагрузки в пределах указанных допусков по напряжению, форме волны и частоте для всех входных условий.
Сечение проводки для каждой ответвленной цепи с предохранителями выбирают таким образом, чтобы ограничить стационарное падение напряжения от источника питания до конечной нагрузки не более 5 %. Следует учитывать падение напряжения между зарядным устройством/батареей или инвертором и шинами системы распределения.
В нормальных условиях эксплуатации система распределения постоянного тока должна быть подключена к батарее и зарядному устройству. Бесперебойная распределительная система переменного тока должна питаться от инвертора, а резервный источник питания переменного тока должен (см. 6.3, когда это рекомендуется) быть готовым обеспечить питание с минимальным временем прерывания. Если происходит переключение на резервный источник питания, возврат к питанию от инвертора должен быть автоматическим после возобновления его работы. Время переключения должно быть менее времени отключения, допускаемого нагрузками, подключенными к шинам системы распределения.
При нормальных условиях эксплуатации следует избегать параллельной работы батарей разных элементов резервирования. Любое применение двойного питания из разных элементов резервирования допускается только при достаточно низкой вероятности ООП. Контроль такого соединения должен быть проведен и подтвержден путем оценки безопасности его состояния.
7.2 Распределение нагрузок
Нагрузки должны быть распределены по наиболее подходящим источникам переменного или постоянного тока в соответствии с их конкретными требованиями.
В процессе проектирования должен быть составлен перечень всех нагрузок, включая их классификацию по важности для безопасности. Должны быть установлены требования для каждой нагрузки, в том числе напряжение, ток в нормальном режиме, пиковый пусковой ток или ток включения, коэффициент мощности, профиль нагрузки и требуемая мощность, допуски источника питания переменного или постоянного тока. Должно быть установлено максимально допустимое время прерывания для каждой нагрузки.
Примечание - Исследования потока распределения нагрузок приведены в МЭК 62855.
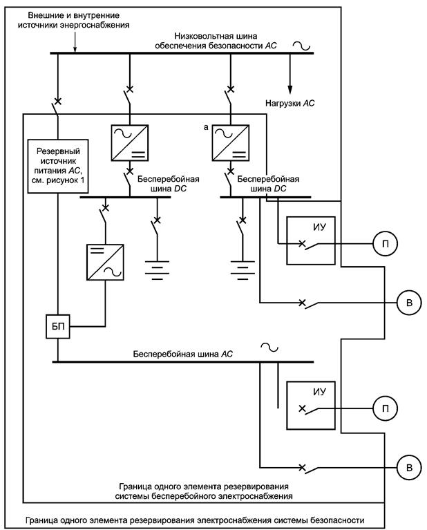
Альтернативные типы систем распределения, описанные в настоящем стандарте, приведены на рисунках 2 и 3.
Нагрузки, не связанные с безопасностью, для которых требуется ИБП, рассмотрены в 8.5.

──────────────────────────────
а Допускается совместное использование батарей и зарядных устройств для систем питания постоянным током и бесперебойного питания переменным током, если обеспечены условия оперирования.
──────────────────────────────
- изолирующее устройство (ИУ);
- размыкатель;
- байпасный переключатель;
- нагрузка, важная для безопасности;
- нагрузки прочие
Рисунок 2 - Пример одной группы резервирования системы бесперебойного питания

- размыкатель;
- байпасный переключатель;
- системы контроля и защиты I, II, III, IV
Рисунок 3 - Пример системы бесперебойного питания переменного тока КИПиУ
7.3 Электрические характеристики
Для обеспечения возможности использования широкого спектра оборудования для систем распределения должны быть выбраны стандартные напряжения с минимальным числом уровней, чтобы избежать сложности системы. При необходимости допускается использование собственных преобразователей для отдельных нагрузок, чтобы адаптировать их к стандартным напряжениям. Рекомендуемые значения напряжения указаны в МЭК 60038.
Характеристики источников постоянного тока, установленные для отдельных нагрузок, должны иметь запас по значениям, установленным для выхода системы питания, чтобы учесть:
- ухудшение условий эксплуатации;
- падение напряжения между нагрузкой и питанием;
- напряжение батареи во время непрерывного подзаряда;
- падение напряжения батареи при разряде.
Характеристики источников переменного тока, установленные для отдельных нагрузок, должны иметь запас по значениям, установленным для выхода системы питания, чтобы учесть:
- ухудшение условий эксплуатации;
- падение напряжения между нагрузкой и питанием.
В случае трехфазного питания нагрузки должны быть соответствующим образом сбалансированы по трем фазам.
Для надежности питания отдельной нагрузки в случае неисправности в системе важное значение имеет конструкция системы электрической защиты. Система электрической защиты рассмотрена в 9.3.
7.4 Заземление
Заземление служит для поддержания как электробезопасности, так и работоспособности систем электроснабжения, КИПиУ.
Примечание - Инструкции по проектированию заземления приведены в национальных и международных стандартах.
На любой АС, как правило, имеется четыре концептуально идентифицируемых, но не обязательно физически различных системы заземления: для безопасности персонала, от молнии, для систем электроснабжения и для систем КИПиУ, включая сигнальное заземление. Все системы заземления должны быть подключены к единой сети заземления.
Как правило, распределительную систему следует заземлять для предотвращения потенциальных опасных неисправностей, которые могут возникнуть в нормально незаземленной системе. Если применяют незаземленную систему, особое внимание следует уделять контролю уровня изоляции относительно земли и последующему устранению повреждений, чтобы предотвратить возможный отказ при возникновении в системе питания двух замыканий на землю или более. Контрольно-измерительное оборудование должно сигнализировать и определять места повреждения до того, как полное сопротивление относительно земли упадет ниже значения, при котором могут возникнуть неисправности.
Система заземления сигналов КИПиУ должна быть совместима с системой заземления распределения электропитания КИПиУ.
Существует ряд решений по заземлению систем КИПиУ. Как правило, на АС используется один из двух подходов: одноточечное заземление или многоточечное заземление. Выбор предпочтительного решения зависит от особенностей проектных характеристик.
Используемый подход к заземлению должен быть обоснован и согласован с общими проектными положениями по ЭМС.
8.1 Общие положения
Конструкция локальной энергосистемы и распределение нагрузок должны быть такими, чтобы на источник питания КИПиУ не оказывали неблагоприятного воздействия другие нагрузки. При проектировании следует учитывать переходные процессы, возникающие из-за быстрых изменений электрической нагрузки (например, из-за работы клапанов, двигателей и других устройств, из-за срабатывания предохранителей и других защитных устройств). Источник питания КИПиУ должен быть отделен до степени, необходимой для изоляции этих эффектов.
8.2 Электромагнитная совместимость
Как нелинейные нагрузки, так и преобразователи мощности могут создавать помехи, которые излучаются напрямую или передаются по линиям электропитания другому оборудованию. Влияние помех должно быть минимизировано за счет использования оборудования, которое соответствует уровням помех согласно МЭК 61000, а также путем физического разделения и экранирования кабелей по МЭК 60709.
Примечание - Промышленные ИБП, как правило, не соответствуют требованиям ЭМС, необходимым для применения на АС.
Ряд нагрузок (например, импульсные блоки питания) генерирует импульсы тока, которые вызывают гармоники тока. Эти нагрузки должны быть указаны для соответствия допустимым уровням формы волны тока и помех, чтобы гарантировать, что могут поддерживаться приемлемые формы волны напряжения.
Примечание - Исследования на ЭМС приведены в МЭК 62855.
8.3 Переходные процессы
Многие типы нагрузок, например компьютеры и программируемые устройства, подвержены неисправностям, вызванным искажением формы сигнала напряжения питания, чрезмерным содержанием гармоник и переходными процессами/скачками напряжения. Срабатывание предохранителей или включение нагрузок (например, трансформаторов или вращающегося оборудования) вызовет переходный процесс, который может на мгновение снизить напряжение на оборудовании, питаемом от того же источника питания, до недопустимо низкого уровня и вызвать вышеуказанные помехи. Точно так же перенапряжение или скачки напряжения могут вызвать повреждение компьютерных устройств. Для предотвращения подобного рода последствий должны быть приняты превентивные меры. Например, ответвления, подающие питание на соленоидные клапаны или реле высокой мощности и двигатели, и ответвления, подающие питание на контуры управления измерениями, компьютеры и программируемые контроллеры должны быть подключены к разным системам. Во избежание помех такие ответвления следует подводить отдельными кабелями с соответствующим экраном.
Максимальный ток, подаваемый инвертором в данных условиях, может привести к его переходу в режим ограничения тока. Защита в распределительной системе (например, предохранители или автоматические выключатели) должна соответствовать характеристикам источника питания.
Пусковые токи должны быть ограничены до приемлемого значения конструкцией или последовательностью нагрузок. Источник питания должен обеспечивать также пусковой ток наибольшей группы нагрузки (например, шкафы КИПиУ, двигатели и т.д.) в течение требуемого времени.
8.4 Ток нагрузки
Ток нагрузки переменного тока редко бывает синусоидальным из-за характеристик индуктивных нагрузок, таких как трансформаторы и заряд конденсаторов.
Пиковый ток/напряжение оказывает значительное влияние на характеристики нагрузки, и формы сигналов тока и напряжения должны быть указаны в определенных пределах. В приложении В приведены типичные значения для источника питания переменного тока. Допускаются также другие пиковые значения тока/напряжения в зависимости от номинального уровня напряжения системы распределения при условии, что эти пиковые значения соответствуют приведенным в МЭК 60038.
8.5 Источники питания для нагрузок с более низким классом безопасности
Нагрузки с более низким классом безопасности, как правило, не должны запитываться от шин с более высоким классом безопасности.
Если оценка безопасности показывает, что допустимо питать нагрузку с более низким классом безопасности от шины с более высоким классом безопасности, необходимо соблюдать следующие критерии для повышения надежности системы электропитания:
- шина с более высоким классом безопасности может питать нагрузки с более низким классом безопасности, только если они подключены через устройства, которые предотвращают распространение неисправностей на этих небезопасных нагрузках или их отрицательное влияние [например, изолирующие устройства (см. рисунок 2) типа предохранителей].
Примечание - Информация о разделении приведена в МЭК 60709;
- возможности системы питания должны быть достаточными для поддержки как безопасных, так и небезопасных нагрузок в течение времени, установленного критериями безопасности.
9.1 Общие положения
Высокий уровень надежности и постоянная готовность к работе источников питания зависят от эффективной защиты и контроля всех значимых характеристик источника питания.
Устройства контроля и надлежащей блокировки для защиты от общих отказов должны быть установлены в каждом резервном элементе. Следует применять требования к разделению, установленные в МЭК 60709.
9.2 Мониторинг
Требования к проводимому мониторингу должны быть определены на основе идентификации неисправностей для поддержания непрерывности электроснабжения. Результатом мониторинга должны быть соответствующий объем информации и/или сигналы тревоги или инициирование соответствующих защитных действий. Сигналы тревоги должны быть классифицированы аналогично другим сигналам тревоги на предприятии в соответствии с их значимостью и необходимыми действиями оператора.
Концепция мониторинга должна быть сосредоточена на том, что необходимо для обеспечения постоянной готовности и надежности.
Мониторинг, необходимый для каждой резервированной системы питания, должен включать, но не ограничиваться, следующее:
a) зарядное устройство/преобразователь батареи:
- выходное напряжение вне допустимого диапазона (выше или ниже установленного значения),
- входное напряжение вне допустимого диапазона (выше или ниже установленного значения, также несимметричный вход переменного тока),
- сбой питания внутреннего контроля (отказ источника питания внутреннего контроля);
b) инвертор:
- выходное напряжение вне допустимого диапазона (выше или ниже установленного значения),
- выходная частота вне допустимого диапазона (выше или ниже установленного значения),
- ошибка синхронизации (инвертор не синхронизирован с резервным источником или резервный источник недоступен),
- сбой питания внутреннего контроля (отказ источника питания внутреннего контроля),
- низкое напряжение батареи (напряжение постоянного тока ниже допуска);
c) система распределения:
- выходное напряжение вне допустимого диапазона (выше или ниже установленного значения),
- плохая изоляция от земли (если система распределения не заземлена).
Для батарей требуемый контроль зависит от типа батареи. Как минимум, необходимо регулярно контролировать общее напряжение батареи и напряжение на нескольких отдельных элементах батареи. В этот мониторинг должны также быть включены локальные батареи.
Аварийная сигнализация должна инициироваться в случае защитного действия, которое приводит к потере одного источника питания в резервированной системе или к потере питания нагрузки. Устройства контроля и защиты каждого элемента резервирования должны быть физически и функционально независимыми от других элементов резервирования.
9.3 Электрическая защита
Зарядные устройства и инверторы батарей являются источниками ограниченного тока короткого замыкания. При исследованиях координации защиты следует учитывать максимально допустимые токи короткого замыкания от зарядных устройств и инверторов.
Примечание - Исследования координации защиты приведены в МЭК 62855.
В системе электропитания должна быть предусмотрена защита, чтобы минимизировать влияние на систему и количество нагрузок, затронутых неисправностью. Эффект от ложного обнаружения и устранения неисправностей должен быть минимизирован. Основным источником повреждений, как правило, являются нагрузки, поэтому должна быть предусмотрена соответствующая индивидуальная защита от перегрузки по току, перегрузки и (если применимо) замыкания на землю.
Соответствующие защитные действия должны быть определены на основе возможностей подключенных нагрузок, а также долговременных и краткосрочных возможностей источника питания.
Примечание - Собственная защита устройства может оказать нежелательное влияние на сохранение функциональной работоспособности.
Как правило, следует избегать параллельного подключения источников питания. Если для конкретных приложений разрешены параллельные соединения, то должна быть обеспечена соответствующая защита.
Устройство максимальной токовой защиты питаемых нагрузок должно быть рассчитано на основе полного сопротивления короткого замыкания и критериев отключения по низкому напряжению, установленных в МЭК 60364-4-41.
Все оборудование, используемое в системе питания, должно быть аттестовано в соответствии с конкретными правилами и стандартами, применимыми к оборудованию для нормальных, аномальных и аварийных условий, чтобы обеспечить функции безопасности и надежную работу в течение всего срока службы.
Оборудование должно быть сертифицировано для ожидаемых условий окружающей среды, в которых оно будет работать.
Если этого требует проект АС, оборудование должно быть аттестовано для тех условий, которые могут возникнуть во время эксплуатации станции, то есть природных явлений (сейсмических и т.д.), внутренних событий (отказов станции) и особых внешних событий, например вызванных деятельностью человека.
Программа аттестации должна соответствовать применимым требованиям, определенным в серии стандартов МЭК 60146-1-1, МЭК/IEEE 60780-323, МЭК 60146-2, МЭК 60980 и МЭК 62040 соответственно.
Механизмы старения, которые могут существенно повлиять на электрические компоненты, и средства отслеживания эффектов таких механизмов должны быть определены в процессе проектирования. Это включает понимание соответствующих явлений старения. Эффекты старения чаще всего возникают из-за воздействия тепла и радиации.
Программы технического обслуживания, программы наблюдения и программы управления старением должны включать действия по выявлению любой тенденции к деградации (старению), которая может привести к тому, что работа оборудования будет нарушена.
В частности, следует учитывать периодические испытания батарей для отслеживания снижения емкости и ограниченного срока службы конденсаторов.
Квалифицированный срок службы компонентов безопасности должен быть установлен для определенной рабочей среды.
Система должна быть спроектирована таким образом, чтобы позволять осуществлять испытания в рамках эксплуатационного контроля. Испытания следует проводить на регулярной основе в соответствии с интервалами, установленными в конкретных правилах и руководствах технического обслуживания для каждого типа оборудования.
Предпочтительным является поэтапное испытание, т.е. системы резервирования не следует проверять одновременно.
Контрольные испытания должны в достаточной мере продемонстрировать, что системы сохраняют свою проектную мощность и резервирование, работоспособность средств переключения и что батареи сохраняют соответствующую емкость. Система должна быть спроектирована таким образом, чтобы ее секции или части могли быть отключены без потери неприемлемого количества нагрузок и не подвергая опасности безопасную работу станции.
Примечание - Во время испытания резервирование может быть ослаблено на ограниченный период времени.
Разработчик должен проанализировать возможности проведения испытаний без отключения и с отключением для каждой части системы, а также необходимость минимизировать ручную реконфигурацию системы для проведения испытаний. Неисправность или обход компонентов системы безопасности должны быть отмечены в главной диспетчерской. Систему электропитания и ее компоненты следует периодически проверять в соответствии с графиком испытаний системы безопасности.
Должны быть предусмотрены условия, позволяющие выполнять испытание разряда батареи (проверка емкости) при проектном токе нагрузки. В качестве альтернативы испытание допускается проводить постоянным током, соответствующим 5-часовому режиму разряда в соответствии с рекомендациями изготовителя батареи.
В целях испытания зарядные устройства могут работать в тестовом режиме с выходным напряжением, меньшим, чем напряжение подзаряда батареи. В этом режиме можно проверить работу диодов развязанных нагрузок на их заданную функцию.
По возможности пусконаладочные испытания следует проводить в реальных или смоделированных рабочих условиях, преобладающих при обращении к источнику питания. Испытания также должны продемонстрировать работоспособность нагрузок во всем расчетном диапазоне напряжений системы электроснабжения.
Для оборудования, требования к которому установлены в настоящем стандарте, должна быть предусмотрена программа технического обслуживания.
Конструкция и расположение всех компонентов системы электропитания должны обеспечивать простую идентификацию компонентов, удобство в обслуживании и короткие сроки ремонта (например, за счет доступности и возможности замены). Должен быть обеспечен легкий доступ к компонентам для обслуживания.
Приложение А
(справочное)
Система электроснабжения АС должна отвечать всем функциональным требованиям в условиях установившегося режима, краткосрочных условиях эксплуатации и переходных режимов, определенных в проекте. На рисунках А.1 - А.3 приведены примеры изменений напряжения.
Примечание - IAEA SSG-34 и МЭК 62855 предоставляют информацию по основам проектирования.

а - напряжение при отказе; b - быстрый рост напряжения; с - повышение напряжения из-за возбуждения генератора и возврат к нормальному напряжению
Рисунок А.1 - Пример изменений напряжения в местной системе электроснабжения переменного тока во время устранения неисправности системы передачи

Рисунок А.2 - Пример профиля напряжения на месте после потери нагрузки (переход на работу на местную нагрузку)

Рисунок A.3 - Пример смоделированных напряжений на шине обеспечения безопасности, состояние обрыва двух фаз в линии 400 кВ к трансформатору устройства
Приложение В
(справочное)
В.1 Пример 1. Спецификация источника постоянного тока для оборудования, требующего бесперебойного питания
|
Устройство/параметр |
Значение |
Примечания |
|
В.1.1 Батарея | ||
|
Нормированное напряжение |
110 В постоянного тока |
Расчетные допуски для системы питания постоянного тока составляют + 10 %, - 15 % |
|
Тип батареи |
Открытого типа | |
|
Напряжение поддерживающего постоянного подзаряда |
2,23 В/элемент | |
|
Количество ветвей |
2 | |
|
Количество аккумуляторов в каждой ветке |
53 | |
|
Конечное напряжение разряда |
1,8 В/элемент | |
|
Емкость |
540 А·ч |
270 А·ч на ответвление при расчетном токе нагрузки |
|
Минимальная продолжительность разряда |
8 ч |
При расчетном токе нагрузки |
|
Температура в помещении |
От 15 °С до 25 °С |
Емкость зависит от температуры |
|
Сейсмические требования |
Да |
Зависит от расположения |
|
В.1.2 Зарядное устройство батареи | ||
|
Входное напряжение |
400 В переменного тока с относительным допуском от - 15 % до + 10 % - 3 фазы | |
|
Переходные колебания входного напряжения |
Внешние и локальные возмущения (см., например, приложение А) | |
|
Асимметричная подача напряжения |
Напряжения и углы могут быть несимметричными (см., например, приложение А) | |
|
Время прерывания подачи напряжения |
250 мс |
Питание системы распределения переменного тока (устранение неисправностей и возмущения сети) |
|
> 10 с |
Отключение внешнего питания с последующим запуском резервных источников переменного тока | |
|
Входная частота |
50 Гц с относительным допуском + 5 % | |
|
Входная частота переходных колебаний |
См., например, приложение А | |
|
Нормированное выходное напряжение |
110 В постоянного тока |
Для соответствия батарее |
|
Максимальное выходное напряжение |
112 % | |
|
Нормальный характер нагрузки и работы |
Поддерживающий постоянный подзаряд, подключенная батарея | |
|
Статические вариации поддерживающего постоянного подзаряда |
± 5 % | |
|
Максимальная пульсация |
5 % |
Без подключенной батареи |
|
Параллельная работа зарядных устройств батарей |
Да | |
|
Нормированный выходной ток |
200 А | |
|
Время восстановления полной емкости батареи |
8 ч |
В разряженном состоянии при 1,8 В/элемент с подключенными нагрузками |
|
Предел тока |
102 % | |
|
Максимальный номинал предохранителя для зарядного устройства без батареи |
6 А |
Максимальный импеданс в цепи, умноженный на Ом. Ток короткого замыкания в 10 раз превышает номинал предохранителя |
|
Температура |
(0 ÷ 40) °С | |
|
Охлаждение и вентиляция |
Естественные | |
|
Степень защиты |
IP42 | |
|
Сейсмические требования |
Да |
Соответствует месту расположения |
|
Требование ЭМС |
Да |
См. серию стандартов МЭК 61000 |
|
Уровень изоляции |
2,5 кВ |
Должно быть согласовано с характеристиками станции |
|
Примечание - Значения приведены исключительно в качестве примера; эти значения зависят от станции. | ||
В.2 Пример 2. Спецификация источника питания переменного тока для оборудования, требующего бесперебойного питания
|
Устройство/параметр |
Значение |
Примечания |
|
В.1.1 Батарея | ||
|
См. В.1.1 Батарея | ||
|
В.2.2 Зарядное устройство батареи | ||
|
См. В.1.2 Зарядное устройство батареи | ||
|
В.2.3 Инвертор | ||
|
Входное напряжение |
110 В постоянного тока с допустимым отклонением от - 15 % до + 10 % | |
|
Номинальное выходное напряжение |
АС 220/127 В - 3 фазы + N |
Синусоидальная волна |
|
Номинальная выходная частота |
50 Гц | |
|
Статические колебания напряжения |
± 0,5 % |
Если для любой нагрузки не требуется меньшее отклонение |
|
Частота статических колебаний |
± 0,1 % |
По внутренним часам, не запускается от резервного источника питания |
|
Регулируемый диапазон выходного напряжения |
± 5 % | |
|
Номинальная мощность |
200 кВ·А | |
|
Максимальное полное гармоническое искажение |
5 % | |
|
Доля нелинейных нагрузок |
≤ 100 % | |
|
Напряжение динамического отклика при 100 %-ной ступенчатой нагрузке |
≤ 5 %, время восстановления - ≤ 3 мс | |
|
Перегрузочная способность |
150 % - 1 мин 120 % - 15 мин | |
|
Охлаждение и вентиляция |
Естественные | |
|
Степень защиты |
IP42 | |
|
Сейсмические требования |
Да | |
|
Требование ЭМС |
Да | |
|
Уровень изоляции |
2,5 кВ | |
|
В.2.4 Переключатель байпаса и трансформатор | ||
|
Максимальное обратное напряжение |
1500 В |
При несовпадении фаз между резервным источником АС и выходом инвертора, переходное перенапряжение при резервном питании |
|
Способность выдерживать короткое замыкание |
≥ 5 кА | |
|
Уровень изоляции |
2,5 кВ |
Должно быть согласовано с характеристиками станции |
|
Примечание - Значения приведены исключительно в качестве примера; эти значения зависят от станции. | ||
В.3 Пример 3. Спецификация источника питания постоянного тока с преобразователем постоянного тока в постоянный для оборудования
|
Устройство/параметр |
Значение |
Примечания |
|
Входное напряжение |
110 В постоянного тока с допустимым отклонением от - 15 % до + 10 % |
Заземлен с высоким сопротивлением |
|
Пусковой ток |
≤ двукратное значение нормированного тока | |
|
Номинальное выходное напряжение |
24 В постоянного тока |
Отрицательный полюс заземлен |
|
Диапазон уставки выходного напряжения |
От 24 до 28 В |
Обеспечить необходимое напряжение на клеммах нагрузки |
|
Статическое изменение напряжения |
± 0,5 % | |
|
Максимальная пульсация напряжения |
≤ 5 % | |
|
Номинальная мощность |
600 Вт | |
|
Нормированный выходной ток |
25 А |
На один конвертер |
|
Ограничитель тока |
102 % | |
|
Максимальный номинал предохранителя |
2 А |
Максимальный импеданс в цепи, умноженный на Ом. Ток короткого замыкания в 10 раз превышает номинал предохранителя |
|
Отклонение напряжения ступенчатой нагрузки от 10 % до 90 % |
≤ 5 % |
Время отклика для контроля напряжения ≤ 0,05 с |
|
Защита от короткого замыкания |
Да | |
|
Параллельная работа нескольких преобразователей |
Да | |
|
Охлаждение и вентиляция |
Естественные | |
|
Степень защиты |
IP42 | |
|
Сейсмические требования |
Да |
Соответствует месту расположения |
|
Требование ЭМС |
Да |
См. серию стандартов МЭК 61000 |
|
Примечание - Значения приведены исключительно в качестве примера; эти значения зависят от станции. | ||
В.4 Программа учета человеческого фактора
При проектировании бесперебойного электроснабжения рекомендуется разработать и применять план программы учета человеческого фактора в соответствии с МЭК 60964. План должен включать вопросы, такие как:
a) использование условных графических символов;
b) цветовое кодирование световых индикаторов;
c) аудиовизуальное оповещение;
d) калибровка шкалы прибора;
e) форма рукояток ручного переключателя - действие и выбор;
f) стандартизация аварийных сообщений;
g) стандартизация маркировки;
h) предупреждающие таблички об опасном напряжении;
i) отделение опасного напряжения от низкого управляющего напряжения;
j) диагностические средства.
Приложение ДА
(справочное)
Таблица ДА.1
|
Обозначение ссылочного международного стандарта |
Степень соответствия |
Обозначение и наименование соответствующего национального и межгосударственного стандарта |
|
IEC 60038 |
MOD |
ГОСТ 29322-2014 (IEC 60038:2009) "Напряжения стандартные" |
|
IEC 60146-1-1 |
- |
* |
|
IEC 60146-2 |
- |
* |
|
IEC 60364-4-41 |
IDT |
ГОСТ Р 50571.3-2009 (МЭК 60364-4-41:2005) "Электроустановки низковольтные. Часть 4-41. Требования для обеспечения безопасности. Защита от поражения электрическим током" |
|
IEC 60709 |
IDT |
ГОСТ Р МЭК 60709-2011 "Атомные станции. Системы контроля и управления, важные для безопасности. Разделение" |
|
IEC/IEEE 60780-323 |
- |
* |
|
IEC 60880 |
IDT |
ГОСТ Р МЭК 60880-2010 "Атомные электростанции. Системы контроля и управления, важные для безопасности. Программное обеспечение компьютерных систем, выполняющих функции категории А" |
|
IEC 60980 |
- |
* |
|
IEC 61000 (all parts) |
MOD |
ГОСТ Р 51317.1.2-2007 (МЭК 61000-1-2:2001) "Совместимость технических средств электромагнитная. Методология обеспечения функциональной безопасности технических средств в отношении электромагнитных помех" ГОСТ Р 51317.1.5-2009 (МЭК 61000-1-5:2004) "Совместимость технических средств электромагнитная. Воздействия электромагнитные большой мощности на системы гражданского назначения. Основные положения" ГОСТ Р 51317.2.4-2000 (МЭК 61000-2-4-94) "Совместимость технических средств электромагнитная. Электромагнитная обстановка. Уровни электромагнитной совместимости для низкочастотных кондуктивных помех в системах электроснабжения промышленных предприятий" ГОСТ Р 51317.2.5-2000 (МЭК 61000-2-5-95) "Совместимость технических средств электромагнитная. Электромагнитная обстановка. Классификация электромагнитных помех в местах размещения технических средств" ГОСТ Р 51317.3.4-2006 (МЭК 61000-3-4:1998) "Совместимость технических средств электромагнитная. Ограничение эмиссии гармонических составляющих тока техническими средствами с потребляемым током более 16 А, подключаемыми к низковольтным системам электроснабжения. Нормы и методы испытаний" |
|
IEC 61508 (all parts) |
IDT |
ГОСТ Р МЭК 61508-1-2012 "Функциональная безопасность систем электрических, электронных, программируемых электронных, связанных с безопасностью. Часть 1. Общие требования" ГОСТ Р МЭК 61508-2-2012 "Функциональная безопасность систем электрических, электронных, программируемых электронных, связанных с безопасностью. Часть 2. Требования к системам" ГОСТ IEC 61508-3-2018 "Функциональная безопасность систем электрических, электронных, программируемых электронных, связанных с безопасностью. Часть 3. Требования к программному обеспечению" |
|
IEC 61513 |
IDT |
ГОСТ Р МЭК 61513-2020 "Системы контроля и управления, важные для безопасности атомной станции. Общие требования" |
|
IEC 62003 |
- |
* |
|
IEC 62040 (all parts) |
IDT |
ГОСТ IEC 62040-1-2018 "Системы бесперебойного энергоснабжения (UPS). Часть 1. Общие требования и требования безопасности к UPS" ГОСТ IEC 62040-2-2018 "Системы бесперебойного энергоснабжения (UPS). Часть 2. Требования к электромагнитной совместимости. Лист интерпретации" ГОСТ IEC 62040-3-2018 "Системы бесперебойного энергоснабжения (UPS). Часть 3. Метод установления эксплуатационных характеристик и требования к испытаниям" ГОСТ Р МЭК 61508-4-2012 "Функциональная безопасность систем электрических, электронных, программируемых электронных, связанных с безопасностью. Часть 4. Термины и определения" ГОСТ Р МЭК 61508-5-2012 "Функциональная безопасность систем электрических, электронных, программируемых электронных, связанных с безопасностью. Часть 5. Рекомендации по применению методов определения уровней полноты безопасности" ГОСТ Р МЭК 61508-6-2012 "Функциональная безопасность систем электрических, электронных, программируемых электронных, связанных с безопасностью. Часть 6. Руководство по применению ГОСТ Р МЭК 61508-2 и ГОСТ Р МЭК 61508-3" ГОСТ Р МЭК 61508-7-2012 "Функциональная безопасность систем электрических, электронных, программируемых электронных, связанных с безопасностью. Часть 7. Методы и средства" |
|
IEC 62138 |
IDT |
ГОСТ Р МЭК 62138-2010 "Атомные электростанции. Системы контроля и управления, важные для безопасности. Программное обеспечение компьютерных систем, выполняющих функции категорий В и С" |
|
IEC 62566 |
- |
* |
|
IEC 62566-2 |
- |
* |
|
* Соответствующий национальный стандарт отсутствует. До его принятия рекомендуется использовать перевод на русский язык данного международного стандарта. Примечание - В настоящей таблице использованы следующие условные обозначения степени соответствия стандартов: - IDT - идентичные стандарты; - MOD - модифицированные стандарты. | ||
Библиография
IEC 60364 (all parts), Low-voltage electrical installations (Электроустановки низкого напряжения)
IEC 60479 (all parts), Effects of current on human beings and livestock (Влияние тока на людей и домашний скот)
IEC 60964, Nuclear power plants - Control rooms - Design (Атомные электростанции. Диспетчерские. Проектирование)
IEC 61000-6-2, Electromagnetic compatibility (EMC) - Part 6-2: Generic standards - Immunity standard for industrial environments [Электромагнитная совместимость (EMC). Часть 6-2. Общие стандарты. Стандарт помехоустойчивости для промышленных сред]
IEC 61000-6-4, Electromagnetic compatibility (EMC) - Part 6-4: Generic standards - Emission standard for industrial environments [Электромагнитная совместимость (EMC). Часть 6-4. Общие стандарты. Стандарт излучения для промышленных сред]
IEC 61226, Nuclear power plants - Instrumentation and control important to safety - Classification of instrumentation and control functions (Атомные электростанции. Контрольно-измерительные приборы и средства управления, важные для безопасности. Классификация контрольно-измерительных приборов и функций управления)
IEC 62040-3, Uninterruptible power systems (UPS) - Part 3: Method of specifying the performance and test requirements [Источники бесперебойного питания (ИБП). Часть 3. Метод определения рабочих характеристик и требований к испытаниям]
IEC 62340, Nuclear power plants - Instrumentation and control systems important to safety - Requirements for coping with common cause failure (CCF) [Атомные электростанции. Контрольно-измерительные системы, важные для безопасности. Требования к устранению отказов по общей причине (ООП)]
IEC 62671, Nuclear power plants - Instrumentation and control important to safety - Selection and use of industrial digital devices of limited functionality [Атомные электростанции. Контрольно-измерительные системы, важные для безопасности. Требования к устранению отказов по общей причине (CCF)]
IEC 62855, Nuclear power plants - Electrical power systems - Electrical power systems analysis (Атомные электростанции. Электроэнергетические системы. Анализ электроэнергетических систем)
IEC 63046, Nuclear power plants - Electrical systems - General requirements (in preparation) [Атомные электростанции. Электрические системы. Общие требования (в разработке)]
EN 50272-2, Safety requirements for secondary batteries and battery installations - Part 2: Stationary batteries (Требования безопасности для аккумуляторных батарей и аккумуляторных установок. Часть 2. Стационарные батареи)
IAEA Specific Safety Requirements SSR-2/1 rev 1, Safety of Nuclear Power Plants: Design (Специальные требования безопасности МАГАТЭ SSR-2/1 ред. 1. Безопасность атомных электростанций: проектирование)
IAEA Safety Guide SSG-34, Design of Electrical Power Systems for Nuclear Power Plants (Руководство МАГАТЭ по безопасности SSG-34. Проектирование электроэнергетических систем для атомных электростанций)
IAEA Safety Guide SSG-39, Instrumentation and control systems important to safety in nuclear power plants (Руководство МАГАТЭ по безопасности SSG-39. Контрольно-измерительные приборы и системы управления, важные для безопасности на атомных электростанциях)
IAEA Nuclear Energy Series NG-T-3.8, Electric Grid Reliability and Interface with Nuclear Power Plants (Серия МАГАТЭ по ядерной энергии NG-T-3.8. Надежность электрических сетей и взаимодействие с атомными электростанциями)
IAEA Safety Report Series No 91, Impact of Open Phase Conditions on Nuclear Power Plants Electrical Power Supply Systems (Серия отчетов МАГАТЭ по безопасности N 91. Влияние условий обрыва фазы на системы электроснабжения атомных электростанций)
IAEA - TECDOC - 1770, Design Provisions for Withstanding Station Blackout at Nuclear Power Plants (МАГАТЭ - TECDOC - 1770. Проектные положения для выдерживания обесточивания станций на атомных электростанциях)
IEEE Std 946-2004, IEEE Recommended Practice for the Design of DC Auxiliary Power Systems for Generating Systems (Рекомендуемая практика IEEE для проектирования систем вспомогательного питания постоянного тока для генерирующих систем)


