электронный сборник нормативных документов по строительству
Обновления
14.04.2026 20:19
электронный сборник нормативных документов по строительству

ГОСТ Р ИСО 17076-2-2016 КОЖА. ОПРЕДЕЛЕНИЕ СОПРОТИВЛЯЕМОСТИ ИСТИРАНИЮ. Часть 2. МЕТОД ШАРИКОВОЙ ПЛАСТИНЫ МАРТИНДЕЙЛА

Утв. и введен в действие приказом Федерального агентства по техническому регулированию и метрологии от 6 июня 2016 г. N 522-ст
Национальный стандарт РФ ГОСТ Р ИСО 17076-2-2016
"КОЖА. ОПРЕДЕЛЕНИЕ СОПРОТИВЛЯЕМОСТИ ИСТИРАНИЮ. Часть 2. МЕТОД ШАРИКОВОЙ ПЛАСТИНЫ МАРТИНДЕЙЛА"

Leather. Determination of abrasion resistance. Part 2. Martindale ball plate method

ОКС 59.140.30

Дата введения - 1 июля 2017 г.
Введен впервые

Предисловие

1 Подготовлен Техническим комитетом по стандартизации ТК 412 "Текстильная и легкая промышленность", открытым акционерным обществом "Всероссийский научно-исследовательский институт сертификации" (ОАО "ВНИИС") на основе собственного перевода на русский язык англоязычной версии стандарта, указанного в пункте 4

2 Внесен Управлением технического регулирования и стандартизации Федерального агентства по техническому регулированию и метрологии

3 Утвержден и введен в действие приказом Федерального агентства по техническому регулированию и метрологии от 6 июня 2016 г. N 522-ст

4 Настоящий стандарт идентичен международному стандарту ИСО 17076-2:2011 "Кожа. Определение сопротивляемости истиранию. Часть 2. Метод шариковой пластины Мартиндейла" (ISO 17076-2:2011 "Leather - Determination of abrasion resistance - Part 2: Martindale ball plate method", IDT).

При применении настоящего стандарта рекомендуется использовать вместо ссылочных международных стандартов соответствующие им национальные стандарты Российской Федерации и действующие в этом качестве межгосударственные стандарты, сведения о которых приведены в дополнительном приложении ДА

5 Введен впервые

1 Область применения

Настоящий стандарт устанавливает метод определения сопротивляемости обивочной кожи истиранию с использованием прибора с шариковой пластиной Мартиндейла. Данный метод применим к полуанилиновой, пигментированной коже и коже с покрытием.

2 Нормативные ссылки

В настоящем стандарте использованы нормативные ссылки на следующие стандарты. Для недатированных ссылок применяют самые последние издания, включая любые изменения и поправки.

ИСО 2419 Кожа. Физические и механические испытания. Подготовка образцов и кондиционирование (ISO 2419, Leather - Physical and mechanical tests Sample preparation and conditioning)

ИСО 11641 Кожа. Испытания устойчивости окраски. Устойчивость окраски к "поту" (ISO 11641, Leather - Tests for colour fastness - Colour fastness to perspiration)

ИСО 12947-1 Текстиль. Определение устойчивости тканей к истиранию методом Мартиндейла. Часть 1. Аппаратура Мартиндейла для испытаний истиранием (ISO 12947-1, Textiles - Determination of the abrasion resistance of fabrics by the Martindale method - Part 1: Martindale abrasion testing apparatus)

ИСО 12947-4 Текстиль. Определение устойчивости тканей к истиранию методом Мартиндейла. Часть 4: Оценка изменения внешнего вида (ISO 12947-4, Textiles - Determination of the abrasion resistance of fabrics by the Martindale method - Part 4: Assessment of appearance change)

3 Сущность метода

Процедура основана на методе по ИСО 12947-4 и модифицирована для применения размещаемой под образцом шариковой пластины для лучшей имитации повседневного использования.

4 Аппаратура и материалы

4.1 Аппаратура Мартиндейла для испытаний истиранием и материалы по ИСО 12947-1.

4.2 Держатель абразива диаметром 38 мм по ИСО 12947-1.

4.3 Нагружающий элемент массой (795 ± 7) г (давление 12 кПа) по ИСО 12947-1.

4.4 Монтажный груз массой (2, 5 ± 0, 5) кг и диаметром (120 ± 10) мм по ИСО 12947-1.

4.5 Истирающая ткань по ИСО 12947-1 в форме круга диаметром 38 мм.

4.6 Войлок по ИСО 12947-1 в форме круга диаметром 140 мм.

4.7 Пеноматериал по ИСО 12947-1 в форме круга диаметром 38 мм.

4.8 Подходящий резак круглой формы или пресс-нож для вырезания образцов диаметром приблизительно 150 мм.

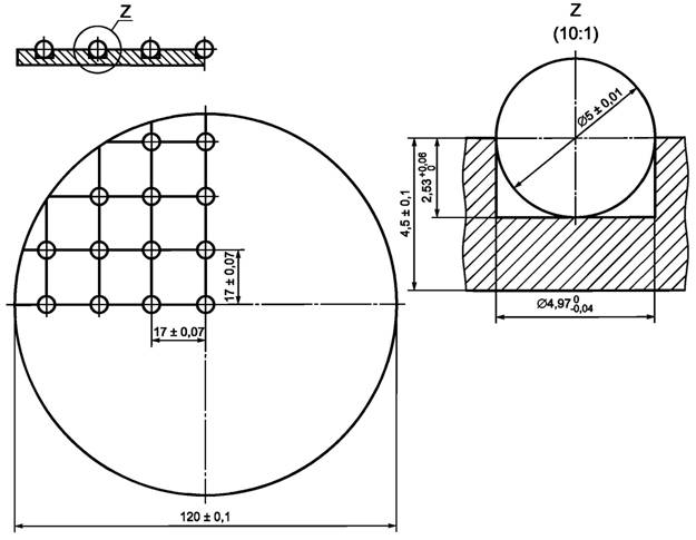
4.9 Шариковая пластина со стальными шариками в количестве 37 штук (см. рисунок 1).

image001.jpg

- диаметр: 120 мм;

- толщина: 4, 5 мм;

- материал: сталь или алюминий;

- расположение: один шарик в центре;

- диаметр шарика: 5 мм;

- материал шарика: сталь;

- ячейка сетки: 17 мм

Рисунок 1 - Чертеж шариковой пластины

После того как стальные шарики будут вставлены, всю пластину зажимают между двумя параллельными стальными пластинами с усилием приблизительно 18 кН для того, чтобы обеспечить нахождение всех шариков на одной и той же высоте.

4.10 Раствор искусственного "пота" с уровнем рН = 8, 0 по ИСО 11641, приготовляемый каждый день заново.

4.11 Цилиндрический сосуд с внутренним диаметром от 60 до 63 мм и высотой не менее 30 мм.

4.12 Лупа с увеличением от 4х до 6х или переносной микроскоп с увеличением 50х.

5 Отбор проб и подготовка образцов для испытаний

5.1 Перед вырезанием образцов для испытаний пробу кожи кондиционируют по ИСО 2419.

5.2 Вырезают не менее двух образцов диаметром 150 мм для сухого испытания по ИСО 2419, используя простое лезвие или пресс-нож (4.8). Если необходимо, вырезают не менее двух дополнительных образцов с раствором искусственного "пота".

6 Порядок проведения испытаний

6.1 Количество испытаний

Процедуру необходимо проводить не менее двух раз.

6.2 Сухое испытание

6.2.1 Закрепляют поддерживаемую пеноматериалом (4.7) истирающую ткань (4.5) в абразивном держателе диаметром 38 мм (4.2) по ИСО 12947-4.

6.2.2 Процедуру истирания проводят на столе истирающего устройства Мартиндейла (4.1). Используют такую последовательность размещения на испытательном столе: войлок (4.6), за ним следует шариковая пластина (4.9) и затем образец кожи. В испытательную аппаратуру вставляют шариковую пластину шариками вверх таким образом, чтобы сетка была направлена параллельно диагоналям квадрата фигуры Лиссажу (см. рисунок 2). Закрепляют образец кожи по ИСО 12947-4, используя монтажный груз (4.4) для исключения образования складки на поверхности образца.

Проверяют, чтобы образцы для испытаний, шариковая пластина и шерстяной войлок были центрированы в зажиме истирающего стола. Обеспечивают, чтобы шарики оставались в заданном положении после зажима.

image002.jpg

Рисунок 2 - Ориентация шариковой пластины относительно фигуры Лиссажу

6.2.3 Устанавливают держатель абразива (4.2) с истирающей тканью (4.5) на аппаратуру Мартиндейла. Добавляют нагружающий элемент (4.3) и проводят 100 циклов истирания по ИСО 12947-1.

6.2.4 Убирают держатель абразива с истирающей тканью из аппаратуры Мартиндейла и визуально оценивают поверхность кожи. Отмечают количество мест с разрушенной отделкой. Разрушением отделки считается ситуация, когда полностью разрушается слой отделки, и становятся видны волокна кожи. Чтобы получить наиболее надежные результаты, можно использовать лупу или переносной микроскоп (4.12).

6.2.5 Повторяют этапы 6.2.3 и 6.2.4 до тех пор, пока не образуется не менее четырех мест с разрушенной отделкой.

Примечание - Чтобы уменьшить время, необходимое для испытания, может оказаться полезным проведение предварительного испытания со 100 циклами без остановки до первой оценки, поскольку кожи с высокой устойчивостью к истиранию могут потребовать большее количество циклов до разрушения отделки в одной или более точках. Затем делают еще 100 циклов.

6.3 Испытание с раствором искусственного "пота" (дополнительно)

6.3.1 Закрепляют поддерживаемую пеноматериалом (4.7) истирающую ткань (4.5) в абразивном держателе диаметром 38 мм (4.2) по ИСО 12947-4.

6.3.2 Наливают 2 см3 раствора искусственного "пота" (4.10) в цилиндрический сосуд (4.11). Опускают держатель образца в сосуд таким образом, чтобы истирающая ткань была в контакте с раствором искусственного "пота" в течение (5 ± 0, 5) мин.

6.3.3 Проводят процедуру по 6.2.2-6.2.5. После каждых 500 циклов повторно смачивают истирающую ткань по 6.3.2, используя свежий раствор искусственного "пота".

7 Протокол испытаний

Протокол испытаний должен включать следующее:

a) ссылка на настоящий стандарт;

b) идентификация испытуемой кожи;

c) количество циклов, необходимое для получения не менее четырех мест разрушения отделки для сухого испытания, и соответствующее количество мест разрушения отделки для каждого испытуемого образца;

d) среднее количество циклов, необходимое для получения не менее четырех мест разрушения отделки при сухом испытании;

e) любые отклонения от метода, установленного в настоящем стандарте.

Если испытание было проведено с раствором искусственного "пота", указывают дополнительно следующую информацию:

a) среднее количество циклов, необходимое для получения не менее четырех мест разрушения отделки при испытании с раствором искусственного "пота";

b) используемый раствор искусственного "пота" и его уровень рН.

Приложение А
(справочное)

Примеры разрушений (сфотографированные с 50-кратным увеличением)

image003.jpg

Рисунок А.1 - Фотографии разрушений

Приложение ДА
(справочное)

Сведения о соответствии ссылочных международных стандартов национальным стандартам Российской Федерации и действующим в этом качестве межгосударственным стандартам

Таблица ДА.1

Обозначение ссылочного международного стандарта

Степень соответствия

Обозначение и наименование соответствующего национального или действующего в этом качестве межгосударственного стандарта

ИСО 2419

IDT

ГОСТ ISO 2419-2013/ISO 2419:2012 "Кожа. Физические и механические испытания. Подготовка и кондиционирование проб"

ИСО 11641

IDT

ГОСТ Р ИСО 11641-2015/ISO 11641:2012 "Кожа. Испытания на устойчивость окраски. Метод определения устойчивости окраски к "поту"

ИСО 12947-1

IDT

ГОСТ Р ИСО 12947-1-2011/ISO 12947-1:1998 "Материалы текстильные. Определение устойчивости к истиранию полотен по методу Мартиндейла. Часть 1. Устройство для испытания по методу истирания Мартиндейла"

ИСО 12947-4

IDT

ГОСТ Р ИСО 12947-4-2012/ISO 12947-4:1998 "Материалы текстильные. Определение стойкости к истиранию полотен по методу Мартиндейла. Часть 4. Оценка изменения внешнего вида"

Примечание - В настоящей таблице использовано следующее условное обозначение степени соответствия стандартов:

- IDT - идентичные стандарты.

Яндекс.Метрика