ГОСТ Р МЭК 60601-1-2010 ИЗДЕЛИЯ МЕДИЦИНСКИЕ ЭЛЕКТРИЧЕСКИЕ. Часть 1. ОБЩИЕ ТРЕБОВАНИЯ БЕЗОПАСНОСТИ С УЧЕТОМ ОСНОВНЫХ ФУНКЦИОНАЛЬНЫХ ХАРАКТЕРИСТИК
Medical electrical equipment. Part 1. General requirements for basic safety and essential performance
ОКС 11.040
ОКСТУ 9407
Дата введения - 1 сентября 2011 г.
Введен впервые
Предисловие
Цели и принципы стандартизации в Российской Федерации установлены Федеральным законом от 27 декабря 2002 г. N 184-ФЗ "О техническом регулировании", а правила применения национальных стандартов Российской Федерации - ГОСТ Р 1.0-2004 "Стандартизация в Российской Федерации. Основные положения"
Сведения о стандарте
1 Подготовлен Обществом с ограниченной ответственностью "Испытательный центр АФК" на основе русской версии международного стандарта, указанного в пункте 4
2 Внесен Техническим комитетом по стандартизации ТК 11 "Медицинские приборы, аппараты и оборудование"
3 Утвержден и введен в действие приказом Федерального агентства по техническому регулированию и метрологии от 23 ноября 2010 г. N 492-ст
4 Настоящий стандарт является идентичным международному стандарту МЭК 60601-1:2005 "Изделия медицинские электрические. Часть 1. Общие требования безопасности и основные характеристики" (IEC 60601-1:2005 "Medical electrical equipment - Part 1. General requirements for basic safety and essential performance"), включая технические поправки Corr. 1-2006, Corr. 2-2007, l-SH 01-2008, l-SH 02-2009. Технические поправки к указанному международному стандарту, принятые после его официальной публикации, внесены в текст настоящего стандарта и выделены двойной вертикальной линией, расположенной на полях напротив соответствующего текста, а обозначение и год принятия технической поправки приведены в скобках после соответствующего текста
При применении настоящего стандарта рекомендуется использовать вместо ссылочных международных стандартов соответствующие им национальные стандарты Российской Федерации, сведения о которых приведены в дополнительном приложении ДА
Настоящий стандарт будет действовать одновременно со стандартом ГОСТ Р 50267.0-92 (МЭК 601-1-88) "Изделия медицинские электрические. Часть 1. Общие требования безопасности" и введенными к этому стандарту в действие в Российской Федерации частными стандартами, устанавливающими требования безопасности к конкретным изделиям. По мере пересмотра частных стандартов для приведения в соответствие с требованиями настоящего стандарта их будут отменять. После пересмотра и отмены всех частных стандартов будет отменен ГОСТ Р 50267.0-92 (МЭК 601-1-88)
5 Введен впервые
Введение
В 1976 г. подкомитет МЭК 62А опубликовал первое издание МЭК/TR 60513 Основные аспекты безопасности электрических изделий, используемых в медицинской практике. Первое издание МЭК/TR 60513 стало основой для разработки:
- первого издания МЭК 60601-1 (исходный стандарт безопасности для ИЗДЕЛИЙ МЕДИЦИНСКИХ ЭЛЕКТРИЧЕСКИХ);
- серии дополнительных стандартов МЭК 60601-1-XX на ИЗДЕЛИЯ МЕДИЦИНСКИЕ ЭЛЕКТРИЧЕСКИЕ;
- серии частных стандартов МЭК 60601-2-ХХ на ИЗДЕЛИЯ МЕДИЦИНСКИЕ ЭЛЕКТРИЧЕСКИЕ отдельных типов;
- серии стандартов МЭК 60601-3-ХХ на функциональные характеристики ИЗДЕЛИЙ МЕДИЦИНСКИХ ЭЛЕКТРИЧЕСКИХ отдельных типов.
Зная о необходимости и безотлагательности принятия настоящего стандарта, охватывающего требования безопасности электрических изделий, используемых в медицинской практике, большая часть Национальных комитетов проголосовала в 1977 г. за принятие первой редакции МЭК 60601-1, основанной на проекте, который в то время представлял первый подход к этой проблеме. Широта области применения, сложность рассматриваемых изделий и специфичность некоторых мер защиты и соответствующих испытаний для их проверки потребовали многолетних усилий для подготовки первого издания (1977 г.) настоящего стандарта, который, как уже можно утверждать, с момента своей публикации стал универсальной основой.
Однако частое применение первого издания выявило необходимость усовершенствований, внесение которых стало особенно желательным ввиду значительного успеха, который имел этот стандарт с момента его публикации.
Тщательная работа по пересмотру стандарта, предпринятая впоследствии и продолжавшаяся в течение нескольких лет, закончилась в 1988 г. публикацией второго издания, в котором были обобщены все поступившие к этому времени усовершенствования. После этого усовершенствование стандарта постоянно продолжалось. Во второе издание были внесены изменения сначала в 1991 г., а затем - в 1995 г.
Первоначальный подход МЭК состоял в подготовке раздельных стандартов - стандартов на требования к ОСНОВНОЙ БЕЗОПАСНОСТИ и стандартов на требования к функциональным характеристикам ИЗДЕЛИЙ МЕДИЦИНСКИХ ЭЛЕКТРИЧЕСКИХ. Это стало бы естественным расширением подхода, исторически принятого на национальном и международном уровнях в отношении других стандартов на электрические изделия (например, на бытовые). В них требования к ОСНОВНОЙ БЕЗОПАСНОСТИ регулируются обязательными стандартами, однако требования к функциональным характеристикам регулируются конъюнктурой рынка. В этом контексте можно сказать, что "способность электрического чайника кипятить воду не является определяющей для его безопасного использования".
Теперь признано, что эта ситуация не относится ко многим МЕДИЦИНСКИМ ЭЛЕКТРИЧЕСКИМ ИЗДЕЛИЯМ и ОТВЕТСТВЕННЫЕ ОРГАНИЗАЦИИ должны применять стандарты, содержащие требования как к ОСНОВНОЙ БЕЗОПАСНОСТИ, так и к ОСНОВНЫМ ФУНКЦИОНАЛЬНЫМ ХАРАКТЕРИСТИКАМ, таким как точность регулирования отдаваемой энергии или вводимых терапевтических веществ ПАЦИЕНТУ или обработки и отображения физиологических данных, влияющих на лечение ПАЦИЕНТА.
Это означает, что разделение требований к ОСНОВНОЙ БЕЗОПАСНОСТИ и требований к ОСНОВНЫМ ФУНКЦИОНАЛЬНЫМ ХАРАКТЕРИСТИКАМ является неподходящим с точки зрения оценки ОПАСНОСТЕЙ, возникающих из-за неадекватного проектирования ИЗДЕЛИЙ МЕДИЦИНСКИХ ЭЛЕКТРИЧЕСКИХ. Многие частные стандарты серии МЭК 60601-2-ХХ включают в себя требования к ОСНОВНЫМ ФУНКЦИОНАЛЬНЫМ ХАРАКТЕРИСТИКАМ, которые не могут быть непосредственно оценены ОТВЕТСТВЕННОЙ ОРГАНИЗАЦИЕЙ без применения этих стандартов. (Тем не менее действующие серии стандартов МЭК 60601 включают в себя меньше требований к ОСНОВНЫМ ФУНКЦИОНАЛЬНЫМ ХАРАКТЕРИСТИКАМ, чем требований к ОСНОВНОЙ БЕЗОПАСНОСТИ).
До подготовки третьего издания МЭК 60601-1 подкомитет МЭК 62А подготовил второе издание МЭК/TR 60513 [12]*(1) в 1994 г. Это второе издание послужило руководством при разработке настоящего издания МЭК 60601-1, а также для дальнейшей разработки серий стандартов МЭК 60601-1-XX и МЭК 60601-2-ХХ.
Для достижения согласованности с международными стандартами, удовлетворения существующих ожиданий медицинского сообщества и сближения с разработками стандартов серии МЭК 60601-2-ХХ в МЭК/TR 60513 были внесены два новых принципиальных изменения:
- первое изменение связано с расширением понятия "БЕЗОПАСНОСТЬ" и включения в него требований к ОСНОВНЫМ ФУНКЦИОНАЛЬНЫМ ХАРАКТЕРИСТИКАМ (например, точности аппаратуры для контроля физиологических параметров). Это привело к изменению названия публикации: вместо "Изделия медицинские электрические. Часть 1. Общие требования безопасности", использованного во втором издании, применено наименование "Изделия медицинские электрические. Часть 1. Общие требования безопасности с учетом основных функциональных характеристик";
- второе изменение обусловлено тем, что при определении минимальных требований безопасности необходимо оценивать адекватность процесса проектирования изделий. Это - практически единственный метод оценки безопасности некоторых изделий, в частности с использованием программируемых электронных систем. В результате были введены общие требования к выполнению ПРОЦЕССА МЕНЕДЖМЕНТА РИСКА. Параллельно с разработкой третьего издания МЭК 60601-1 объединенный проект с техническим комитетом ИСО/ТС 210 закончился публикацией общего стандарта МЕНЕДЖМЕНТА РИСКА для медицинских изделий. В соответствии с настоящим изданием МЭК 60601-1 требуется, чтобы ИЗГОТОВИТЕЛЬ использовал ПРОЦЕСС МЕНЕДЖМЕНТА РИСКА, отвечающий требованиям ИСО 14971 (см. 4.2).
Настоящий стандарт содержит требования к ОСНОВНОЙ БЕЗОПАСНОСТИ и ОСНОВНЫМ ФУНКЦИОНАЛЬНЫМ ХАРАКТЕРИСТИКАМ, что в общем случае применимо к ИЗДЕЛИЯМ МЕДИЦИНСКИМ ЭЛЕКТРИЧЕСКИМ. Для изделий некоторых типов эти требования либо добавлены, либо заменены специальными требованиями дополнительного или частного стандарта. При наличии частных стандартов настоящий стандарт не должен использоваться без них.
В настоящем стандарте приняты следующие шрифтовые выделения:
● Требования и определения: прямой шрифт.
● Технические требования к испытаниям: курсив.
● Информационные материалы вне таблиц (типа примечаний, примеров и ссылок): шрифт уменьшенного размера. Аналогично выделяют и нормативный текст таблиц.
●ТЕРМИНЫ, ИСПОЛЬЗУЕМЫЕ В ТЕКСТЕ НАСТОЯЩЕГО СТАНДАРТА И ОПРЕДЕЛЕННЫЕ В ЕГО ПУНКТЕ 3 И ПРЕДМЕТНОМ УКАЗАТЕЛЕ: ЗАГЛАВНЫМИ БУКВАМИ.
В настоящем стандарте термины означают:
- "пункт" - одна из семнадцати частей стандарта, указанных в оглавлении, включая все свои подпункты; например, пункт 7 включает подпункты (пункты) 7.1, 7.2 и т.д.;
- "подпункт" - пронумерованная последовательность подпунктов пункта; например, подпункты 7.1, 7.2 и 7.2.1 являются подпунктами пункта 7.
Перед ссылкой на пункт и перед его номером в настоящем стандарте будет стоять слово "пункт", а ссылка на подпункт будет ограничиваться лишь его номером.
В настоящем стандарте союз "или" будет использоваться как включающее "или", т.е. утверждение будет истинным при любой комбинации условий.
Вербальные формы, используемые в настоящем стандарте, совпадают по форме с описанными в приложении G Директив ИСО/МЭК (часть 2).
Вспомогательные глаголы:
- "должен" означает, что соответствие требованиям или испытаниям обязательно для соответствия настоящему стандарту;
- "следует" означает, что соответствие требованиям или испытаниям рекомендовано, но не обязательно для соответствия настоящему стандарту;
- "может" используется для описания допустимых путей достижения соответствия требованиям или испытаниям.
Пометка (*) перед заголовком пункта (подпункта) или таблицы указывает, что в приложении А имеются рекомендации или пояснения к этим элементам текста.
1.1 * Область распространения
Настоящий стандарт распространяется на ОБЩИЕ ТРЕБОВАНИЯ БЕЗОПАСНОСТИ С УЧЕТОМ ОСНОВНЫХ ФУНКЦИОНАЛЬНЫХ ХАРАКТЕРИСТИК к ИЗДЕЛИЯМ МЕДИЦИНСКИМ ЭЛЕКТРИЧЕСКИМ и СИСТЕМАМ МЕДИЦИНСКИМ ЭЛЕКТРИЧЕСКИМ, в дальнейшем именуемым как "ME ИЗДЕЛИЯ" и "ME СИСТЕМЫ" соответственно.
Если какой-либо пункт или подпункт настоящего стандарта применим исключительно к ME ИЗДЕЛИЮ или же исключительно к ME СИСТЕМАМ, то об этом будут свидетельствовать название и содержание этого пункта или подпункта, в противном случае данный пункт или подпункт применим и к ME ИЗДЕЛИЮ, и к ME СИСТЕМАМ.
ОПАСНОСТИ, связанные с физиологическими эффектами, вызванными воздействием ME ИЗДЕЛИЯ или ME СИСТЕМЫ, не рассматриваются в настоящем стандарте, за исключением 7.2.13 и 8.4.1.
Примечание - См. также п. 4.2.
Настоящий стандарт может также применяться к изделиям, используемым для компенсации или облегчения заболеваний, травм или утраты трудоспособности.
На лабораторное диагностическое оборудование, не подпадающее под определение ME ИЗДЕЛИЯ, распространяется действие стандартов серии МЭК 61010*(2). Настоящий стандарт не распространяется на имплантируемые части активных медицинских изделий, подпадающих под действие ИСО 14708-1*(3).
Настоящий стандарт не распространяется на системы подачи медицинских газов по ИСО 7396-1 "Системы разводки медицинских газов. Часть 1. Трубопроводы для сжатых медицинских газов и вакуума".
Примечание - В 6.3 ИСО 7396-1 применяют требования МЭК 60601-1-8 к постоянному мониторингу и сигналам опасности.
Это ограничение области распространения будет действовать до принятия новой редакции МЭК 60601-1. (I-SH 01-2008).
1.2 Цель
Целью настоящего стандарта является установление общих требований и обеспечение основы для разработки частных стандартов.
1.3 * Дополнительные стандарты
В сериях стандартов МЭК 60601 дополнительные стандарты определяют требования к ОСНОВНОЙ БЕЗОПАСНОСТИ и ОСНОВНЫМ ФУНКЦИОНАЛЬНЫМ ХАРАКТЕРИСТИКАМ, применимые к:
- подгруппе ME ИЗДЕЛИЙ (например, радиологическому оборудованию);
- определенной характеристике всех ME ИЗДЕЛИЙ, которая не полностью отражена в настоящем стандарте.
Применимые дополнительные стандарты становятся нормативными документами с момента их публикации и должны применяться вместе с настоящим стандартом.
Примечания
1 При оценке соответствия МЭК 60601-1 допускается независимо оценивать соответствие дополнительным стандартам.
2 При декларировании соответствия МЭК 60601-1 декларирующий это должен специально перечислить дополнительные применимые стандарты, что позволяет всем заинтересованным лицам понимать, какие дополнительные стандарты были частью оценки.
3 Члены МЭК ведут регистр действующих международных стандартов. Пользователи настоящего стандарта должны обращаться к этому регистру для поиска опубликованных дополнительных стандартов.
Если дополнительный стандарт применим к ME ИЗДЕЛИЮ, для которого имеется частный стандарт, то последний будет обладать приоритетом над дополнительным стандартом.
1.4 * Частные стандарты
В сериях стандартов МЭК 60601 частные стандарты могут изменять, заменять или ликвидировать требования, содержащиеся в настоящем стандарте и соответствующие определенному ME ИЗДЕЛИЮ, а также могут добавлять другие требования к ОСНОВНОЙ БЕЗОПАСНОСТИ и ОСНОВНЫМ ФУНКЦИОНАЛЬНЫМ ХАРАКТЕРИСТИКАМ.
Примечание - Члены МЭК и ИСО ведут регистр действующих международных стандартов. Пользователи настоящего стандарта должны обращаться к этому регистру для определения опубликованных частных стандартов.
Требования частного стандарта обладают приоритетом над требованиями настоящего стандарта.
В настоящем стандарте использованы нормативные ссылки на следующие стандарты:
Для датированных ссылок должна применяться только процитированная редакция, а для недатированных ссылок - только последняя редакция документа (включая любые изменения).
ВНИМАНИЕ! Дополнительные стандарты серии МЭК 60601, выпущенные после публикации настоящего стандарта, становятся нормативными документами с момента их публикации и должны рассматриваться как включенные в нормативные ссылки (см. п. 1.3).
Примечание - Справочные ссылки приведены в библиографии.
МЭК 60065:2001 Аудио-, видео- и аналогичная им электронная аппаратура. Требования безопасности
МЭК 60068-2-2:1974 Экологические испытания. Часть 2. Испытания. Испытания В: Испытания сухим жаром
Изменение 1 (1993)
Изменение 2 (1994)
МЭК 60079-0 Электрическая аппаратура для работы во взрывоопасных газовых средах. Часть 0. Общие требования
МЭК 60079-2 Электрическая аппаратура для работы во взрывоопасных газовых средах. Часть 2. Герметизированные сосуды повышенного давления типа "р"
МЭК 60079-5 Электрическая аппаратура для работы во взрывоопасных газовых средах. Часть 5. Сосуды с порошковым заполнением типа "q"
МЭК 60079-6 Электрическая аппаратура для работы во взрывоопасных газовых средах. Часть 6. Сосуды с масляным заполнением типа "о"
МЭК 60083 Сетевые розетки и вилки бытового или аналогичного общего применения, стандартизированные в государствах - членах МЭК
МЭК 60085 Электрическая изоляция. Классификация по термостойкости
МЭК 60086-4 Первичные химические источники тока. Часть 4: Безопасность литиевых аккумуляторов
МЭК 60112 Метод определения стойкости и сравнительных показателей контроля твердых изоляционных материалов
МЭК 60127-1 Миниатюрные плавкие предохранители. Часть 1: Определения для миниатюрных плавких предохранителей и общие требования к их вставкам
МЭК 60227-1:1993 Кабели с поливинилхлоридной изоляцией на номинальные напряжения 450/750 В включительно. Часть 1: Общие требования*(4)
Изменение 1 (1995)
Изменение 2 (1998)
МЭК 60245-1:2003 Кабели с резиновой изоляцией на номинальные напряжения 450/750 В включительно. Часть 1: Общие требования
МЭК 60252-1 Конденсаторы двигателей переменного тока. Часть 1: Общие требования. Рабочие характеристики, испытания и основные характеристики. Требования безопасности. Руководство по монтажу и эксплуатации
МЭК 60320-1 Приборный штепсель для бытового и аналогичного общего применения. Часть 1: Общие требования
МЭК 60335-1:2001 Бытовые и аналогичные им электрические приборы. Безопасность. Часть 1: Общие требования
МЭК 60364-4-41 Электрооборудование зданий. Часть 4-41: Электробезопасность. Защита от поражения электрическим током
МЭК 60384-14:2005 Конденсаторы постоянной емкости для применения в электронной аппаратуре. Часть 14. Частная спецификация: Конденсаторы постоянной емкости для подавления электромагнитных помехи подсоединения к сетевому электропитанию
МЭК 60417-DB:2002 Графические символы для использования в оборудовании*(5)
МЭК 60445 Основные требования и принципы обеспечения безопасности интерфейса человек-машина, маркировка и идентификация. Идентификация терминалов оборудования и концевых заделок некоторых определяемых проводников, включая общие правила для буквенно-цифровых систем
МЭК 60447 Интерфейс человек - машина. Основные принципы безопасности, маркировка и идентификация. Принципы включения
МЭК 60529:1989 Степени защиты, предусмотренные кожухами-экранами (IР-код)*(6)
Изменение 1 (1999)
МЭК 60601-1-2 Изделия медицинские электрические. Часть 1-2: Общие требования безопасности. Дополнительный стандарт: Электромагнитная совместимость. Требования и методы испытаний
МЭК 60601-1-3 Изделия медицинские электрические. Часть 1: Общие требования безопасности. 3. Дополнительный стандарт: Общие требования к лучевой защите при работе с рентгенодиагностическим оборудованием
МЭК 60601-1-6 Изделия медицинские электрические. Часть 1-6: Общие требования безопасности. Дополнительный стандарт: Эксплуатационная пригодность
МЭК 60601-1-8 Изделия медицинские электрические. Часть 1-8: Общие требования безопасности. Дополнительный стандарт: Общие требования, испытания и инструкции по применению систем аварийной сигнализации в изделиях и системах медицинских электрических
МЭК 60664-1:1992 Координация изоляции для оборудования в низковольтных системах. Часть 1: Принципы, требования и методы испытаний*(7)
Изменение 1 (2000)
Изменение 2 (2002)
МЭК 60695-11-10 Испытания на пожароопасность. Часть 11-10. Пламя для испытания. Методы испытания горизонтальным и вертикальным пламенем 50 Вт
МЭК 60730-1:1999 Автоматический электрический контроль для бытового и аналогичного применения. Часть 1: Общие требования*(8)
Изменение 1 (2003)
МЭК 60825-1:1993 Безопасность лазерных изделий. Часть 1: Классификация оборудования, требования и руководство пользователя*(9)
Изменение 1 (1997)
Изменение 2 (2001)
МЭК 60851-3:1996 Обмоточные провода. Методы испытаний. Часть 3: Механические свойства*(10)
Изменение 1 (1997)
Изменение 2 (2003)
МЭК 60851-5:1996 Обмоточные провода. Методы испытаний. Часть 5: Электрические свойства*(11)
Изменение 1 (1997)
Изменение 2 (2004)
МЭК 60851-6:1996 Обмоточные провода. Методы испытаний. Часть 6: Теплофизические свойства
Изменение 1 (1997)
МЭК 60878:2003 Графические символы для электрического оборудования, применяемого в медицинской практике
МЭК 60884-1 Розетки и вилки бытового или аналогичного общего применения. Часть 1: Общие требования
МЭК 60950-1:2001 Информационно-технологическое оборудование. Безопасность. Часть 1: Общие требования
МЭК 61058-1:2000 Приборные переключатели. Часть 1: Общие требования*(12)
Изменение 1 (2001)
МЭК 61558-1:1997 Трансформаторы безопасности, блоки силового электропитания и аналогичные им устройства. Часть 1: Общие требования и методы испытаний*(13)
Изменение 1 (1998)
МЭК 61558-2-1 Трансформаторы безопасности, блоки силового электропитания и аналогичные им устройства. Часть 2: Специфические требования к разделительным трансформаторам общего применения
МЭК 61672-1 Электроакустика. Измерители уровня звука. Часть 1: Технические условия
МЭК 61672-2 Электроакустика. Измерители уровня звука. Часть 2. Модель оценочных испытаний
МЭК 61965 Механическая безопасность электронно-лучевых трубок
ИСО 31 (все части) Величины и единицы измерений
ИСО 780 Упаковка. Пиктограммы, применяемые для погрузочно-разгрузочных работ
ИСО 1000 Система единиц СИ и рекомендации по использованию их производных и некоторых других величин
ИСО 1853 Проводящие и диссипативные каучуки, вулканизированные или термопластические. Измерение удельного сопротивления
ИСО 2878 Каучук вулканизированный. Антистатические и проводящие изделия. Определение электрического сопротивления
ИСО 2882*(14) Каучук вулканизированный. Антистатические и проводящие изделия для больничного применения. Предельные значения для электрического сопротивления
ИСО 3746 Акустика. Определение звуковых уровней мощности шумовых источников с помощью звукового давления. Метод исследования с использованием измерения огибающей поверхности в плоскости отражения
ИСО 3864-1:2002 Графические символы. Цвета и знаки безопасности. Часть 1. Принципы разработки знаков безопасности на рабочих и общественных местах
ИСО 5349-1 Вибрация механическая. Измерение и оценка воздействия на человека вибрации, передаваемой через руки. Часть 1. Общие требования
ИСО 7000-DB:2004*(15) Графические символы для нанесения на оборудование. Набор символов
ИСО 7010:2003 Графические символы. Цвета и знаки безопасности. Знаки безопасности, наносимые в рабочих и общественных местах
ИСО 9614-1 Акустика. Определение звуковых уровней мощности шумовых источников с помощью интенсивности звука. Измерение в дискретных точках
ИСО 10993 (все части) Биологическая аттестация медицинских устройств
ИСО 11134 Стерилизация медицинских изделий. Требования к проверке и стандартному контролю. Промышленная влажная высокотемпературная стерилизация
ИСО 11135 Медицинские изделия. Проверка и текущий контроль стерилизации в среде окиси этилена
ИСО 11137 Стерилизация медицинских изделий. Требования к проверке и текущему контролю. Радиационная стерилизация
ИСО 13852 Безопасность машин. Безопасные расстояния для предотвращения повреждений верхних конечностей
ИСО 14971:2000 Изделия медицинские. Применение менеджмента риска к медицинским изделиям
ИСО 15223 Медицинские изделия. Символы, применяемые при маркировании, на медицинских изделиях, этикетках и в сопроводительной документации
ИСО 23529 Каучуки. Общие процедуры приготовления и доведения до нужного состояния образцов для испытаний физическими методами
В настоящем стандарте применены следующие термины с соответствующими определениями:
Примечания
1 Там, где в настоящем стандарте применяют термины "напряжение" и "ток", подразумевают их среднеквадратические значения постоянного, переменного напряжения или тока (или напряжения, или тока сложной формы), если не оговорено иное.
2 Термин "электрическое изделие" используют для обозначения ME ИЗДЕЛИЯ (см. 3.63) или другого электрического изделия. В настоящем стандарте также термин "изделие" используют и для обозначения ME ИЗДЕЛИЯ и другого электрического или неэлектрического изделия при их применении в ME СИСТЕМЕ (см. 3.64).
3 Указатель терминов приведен в конце настоящего стандарта.
3.1 СМОТРОВАЯ КРЫШКА (ACCESS COVER): Часть КОРПУСА или ЗАЩИТНОГО УСТРОЙСТВА, обеспечивающая возможность доступа к ME ИЗДЕЛИЮ для его регулировки, осмотра, ремонта или замены компонентов.
3.2 ДОСТУПНАЯ ЧАСТЬ (ACCESSIBLE PART): Часть электрического изделия, за исключением РАБОЧЕЙ ЧАСТИ, к которой можно прикоснуться стандартным испытательным пальцем.
Примечание - См. также п. 5.9.2.1.
3.3 ПРИНАДЛЕЖНОСТЬ (ACCESSORY): Дополнительный компонент, предназначенный для его использования вместе с изделием для:
- обеспечения ПРЕДУСМОТРЕННОГО ПРИМЕНЕНИЯ,
- определенного специального применения,
- облегчения использования изделия,
- расширения функциональных характеристик или
- объединения функций одного изделия с функциями другого изделия.
[МЭК 60788:2004, rm-83-06 измененный]
3.4 ЭКСПЛУАТАЦИОННЫЙ ДОКУМЕНТ (ACCOMPANYING DOCUMENT): Документ, прилагаемый к ME ИЗДЕЛИЮ, ME СИСТЕМЕ или ПРИНАДЛЕЖНОСТИ и содержащий информацию для ОТВЕТСТВЕННОЙ ОРГАНИЗАЦИИ или ОПЕРАТОРА, в особенности относительно ОБЩИХ ТРЕБОВАНИЙ БЕЗОПАСНОСТИ и ОСНОВНЫХ ФУНКЦИОНАЛЬНЫХ ХАРАКТЕРИСТИК.
3.5 ВОЗДУШНЫЙ ЗАЗОР (AIR CLEARANCE): Кратчайшее расстояние по воздуху между двумя токопроводящими частями.
Примечание - Измененный термин, заимствованный из МЭК 60664-1 (определение 1.3.2).
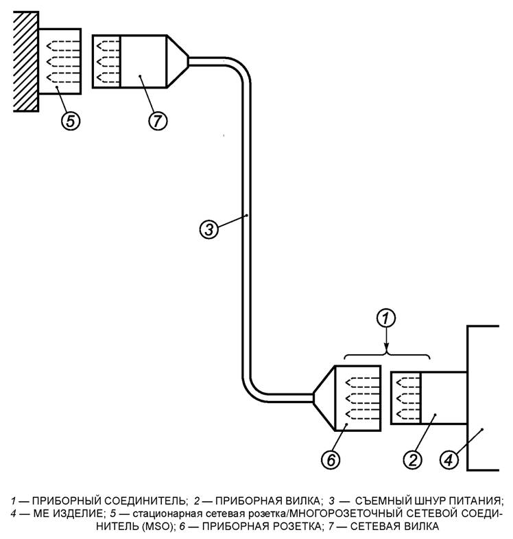
3.6 ПРИБОРНЫЙ СОЕДИНИТЕЛЬ (APPLIANCE COUPLER): Устройство, обеспечивающее соединение гибкого шнура с электрическим изделием без применения ИНСТРУМЕНТА и состоящее из двух частей: ПРИБОРНОЙ РОЗЕТКИ и ПРИБОРНОЙ ВИЛКИ.
Примечание - См. рисунок 1.

Рисунок 1 - Съемный шнур сетевого питания (см. Определения)
3.7 ПРИБОРНАЯ ВИЛКА (APPLIANCE INLET): Часть ПРИБОРНОГО СОЕДИНИТЕЛЯ, встроенная в
электрическое изделие или ЗАКРЕПЛЕННАЯ на нем.
Примечание - См. рисунки 1 и 2.
3.8 * РАБОЧАЯ ЧАСТЬ (APPLIED PART): Часть ME ИЗДЕЛИЯ, которая при НОРМАЛЬНОЙ
ЭКСПЛУАТАЦИИ ME ИЗДЕЛИЯ или ME СИСТЕМЫ обязательно должна входить в непосредственный контакт с ПАЦИЕНТОМ для выполнения требуемых функций.
Примечания
1 См. рисунки 3, 4, а также рисунки А.1 - А.7 (включительно).
2 См. также 4.6 относительно идентификации частей, которые не подпадают под определение РАБОЧИХ ЧАСТЕЙ, но которые, однако, необходимо рассматривать как РАБОЧИЕ ЧАСТИ в результате применения ПРОЦЕССА МЕНЕДЖМЕНТА РИСКА.
3 См. также 3.78 для определения связанного с этим термином термина СОЕДИНЕНИЕ С ПАЦИЕНТОМ.
3.9 * ОСНОВНАЯ ИЗОЛЯЦИЯ (BASIC INSULATION): Изоляция частей, находящихся под напряжением, обеспечивающая основную защиту от поражения электрическим током.
[IEV 826-12-14, измененный]
Примечание - ОСНОВНАЯ ИЗОЛЯЦИЯ обеспечивает только одно СРЕДСТВО ЗАЩИТЫ.

Рисунок 2 - Пример определяемых зажимов и проводов (см. определения)

Рисунок 3 - Пример ME ИЗДЕЛИЯ КЛАССА I (см. определения)

Рисунок 4 Пример ME ИЗДЕЛИЯ КЛАССА II с металлическим КОРПУСОМ (см. определения)
3.10 * ОСНОВНАЯ БЕЗОПАСНОСТЬ (BASIC SAFETY): Устранение недопустимого РИСКА, непосредственно вызванного физическими ОПАСНОСТЯМИ, когда ME ИЗДЕЛИЕ используется в НОРМАЛЬНОМ СОСТОЯНИИ или при УСЛОВИИ ЕДИНИЧНОГО НАРУШЕНИЯ.
3.11 КАТЕГОРИЯ АР (CATEGORY АР): Классификация ME ИЗДЕЛИЯ или его частей, соответствующих определенным требованиям к конструкции, маркировке и документации, которые обеспечивают предотвращение возникновения источников поджига ВОСПЛАМЕНЯЮЩЕЙСЯ СМЕСИ АНЕСТЕТИКОВ С ВОЗДУХОМ.
3.12 КАТЕГОРИЯ APG (CATEGORY APG): Классификация ME ИЗДЕЛИЯ или его частей, соответствующих определенным требованиям к конструкции, маркировке и документации, которые обеспечивают предотвращение возникновения источников поджига ВОСПЛАМЕНЯЮЩЕЙСЯ СМЕСИ АНЕСТЕТИКОВ С КИСЛОРОДОМ ИЛИ ЗАКИСЬЮ АЗОТА.
3.13 электрическое изделие КЛАССА I (CLASS I): Электрическое изделие, в котором защита от поражения электрическим током обеспечивается не только ОСНОВНОЙ ИЗОЛЯЦИЕЙ, но и дополнительными мерами безопасности с использованием средств, обеспечивающих соединение металлических ДОСТУПНЫХ ЧАСТЕЙ или внутренних металлических частей с ЗАЩИТНЫМ ЗАЗЕМЛЕНИЕМ.
Примечание - См. рисунок 3.
3.14 электрическое изделие КЛАССА II (CLASS II): Электрическое изделие, в котором защита от поражения электрическим током обеспечивается не только ОСНОВНОЙ ИЗОЛЯЦИЕЙ, но и дополнительными мерами безопасности, такими как ДВОЙНАЯ или УСИЛЕННАЯ ИЗОЛЯЦИЯ, и при этом отсутствуют устройства для защитного заземления или защита, обеспечиваемая условиями установки.
Примечания
1 См. рисунок 4.
2 Изделие КЛАССА II может быть снабжено ЗАЖИМОМ РАБОЧЕГО ЗАЗЕМЛЕНИЯ или ПРОВОДОМ РАБОЧЕГО ЗАЗЕМЛЕНИЯ. См. также 8.6.8 и 8.6.9.
3.15 ЧЕТКО РАЗЛИЧИМАЯ (CLEARLY LEGIBLE): Маркировка, которую может правильно различать лицо с нормальным зрением.
Примечание - См. также 7.1.2.
3.16 ХОЛОДНОЕ СОСТОЯНИЕ (COLD CONDITION): Состояние, которого электрическое изделие достигает после снятия питания в течение достаточно долгого времени для достижения им температуры окружающей среды.
3.17 * КОМПОНЕНТ С ВЫСОКОЙ СТЕПЕНЬЮ ИНТЕГРАЦИИ (COMPONENT WITH HIGH-INTEGRITY CHARACTERISTICS): Компонент, для которого одна или более характеристик гарантируют безотказность его функционирования с точки зрения требований безопасности, указанных в настоящем стандарте, в течение ОЖИДАЕМОГО СРОКА СЛУЖБЫ ME ИЗДЕЛИЯ при его НОРМАЛЬНОЙ ЭКСПЛУАТАЦИИ и разумно прогнозируемой неправильной эксплуатации.
3.18 * ПРОДОЛЖИТЕЛЬНЫЙ РЕЖИМ РАБОТЫ (CONTINUOUS OPERATION): Работа при НОРМАЛЬНОЙ ЭКСПЛУАТАЦИИ в течение неограниченного времени без превышения установленных значений температуры.
3.19 ПУТЬ УТЕЧКИ (CREEPAGE DISTANCE): Наикратчайшее расстояние по поверхности изоляционного материала между двумя токопроводящими частями изделия.
[IEV 151-15-50 измененный]
3.20 * РАБОЧАЯ ЧАСТЬ С ЗАЩИТОЙ ОТ РАЗРЯДА ДЕФИБРИЛЛЯТОРА (DEFIBRILLATION-PROOF APPLIED PART): РАБОЧАЯ ЧАСТЬ ME ИЗДЕЛИЯ, имеющая защиту от воздействия разряда кардиодефибриллятора на ПАЦИЕНТА.
3.21 * СЪЕМНЫЙ ШНУР ПИТАНИЯ (DETACHABLE POWER SUPPLY CORD): Гибкий шнур, предназначенный для подсоединения к электрическому изделию с помощью ПРИБОРНОГО СОЕДИНИТЕЛЯ с целью обеспечения сетевым питанием.
Примечание - См. рисунки 1 - 3.
3.22 * ПРЯМОЕ ПРИМЕНЕНИЕ НА СЕРДЦЕ (DIRECT CARDIAC APPLICATION): Использование РАБОЧЕЙ ЧАСТИ, которая обеспечивает прямой контакт с сердцем ПАЦИЕНТА.
3.23 * ДВОЙНАЯ ИЗОЛЯЦИЯ (DOUBLE INSULATION): Изоляция, состоящая из ОСНОВНОЙ ИЗОЛЯЦИИ и ДОПОЛНИТЕЛЬНОЙ ИЗОЛЯЦИИ.
[IEV 195-06-08]
Примечание - ДВОЙНАЯ ИЗОЛЯЦИЯ обеспечивает два СРЕДСТВА ЗАЩИТЫ.
3.24 * РАБОЧИЙ ЦИКЛ (DUTY CYCLE): Максимальное время активации (вкл), за которым следует минимальное время деактивации (выкл), необходимое для безопасной эксплуатации ME ИЗДЕЛИЯ.
3.25 ТОК УТЕЧКИ НА ЗЕМЛЮ (EARTH LEAKAGE CURRENT): Ток, протекающий от СЕТЕВОЙ ЧАСТИ изделия через изоляцию или по ней на ПРОВОД ЗАЩИТНОГО ЗАЗЕМЛЕНИЯ.
3.26 * КОРПУС (ENCLOSURE): Внешняя поверхность электрического изделия или его частей.
Примечание - С целью испытаний согласно настоящему стандарту металлическая фольга определенных размеров, приведенная в контакт с частями внешней поверхности КОРПУСА, выполненного из материала с низкой проводимостью или из изоляционного материала, должна считаться частью КОРПУСА (см. рисунки 2 - 4).
3.27 * ОСНОВНЫЕ ФУНКЦИОНАЛЬНЫЕ ХАРАКТЕРИСТИКИ (ESSENTIAL PERFORMANCE): Характеристики, обеспечивающие предотвращение недопустимого РИСКА.
Примечание - ОСНОВНЫЕ ФУНКЦИОНАЛЬНЫЕ ХАРАКТЕРИСТИКИ изделия определяются возможным возникновением недопустимого РИСКА при их отсутствии или ухудшении.
3.28 ОЖИДАЕМЫЙ СРОК СЛУЖБЫ (EXPECTED SERVICE LIFE): Максимальное время полезной эксплуатации ME ИЗДЕЛИЯ, определяемое ИЗГОТОВИТЕЛЕМ.
3.29 ИЗОЛИРОВАННАЯ ("ПЛАВАЮЩАЯ") РАБОЧАЯ ЧАСТЬ ТИПА F (далее РАБОЧАЯ ЧАСТЬ ТИПА F) [F-TYPE ISOL ATED (FLO ATING) APPLIED PART (herein F-TYPE APPLIED PART)]: РАБОЧАЯ ЧАСТЬ, в которой СОЕДИНЕНИЯ С ПАЦИЕНТОМ изолированы от других частей ME ИЗДЕЛИЯ в такой степени, что по ним не будет протекать ток, превышающий допустимый ТОК УТЕЧКИ НА ПАЦИЕНТА, при непреднамеренном соединении внешнего источника напряжения с ПАЦИЕНТОМ, которое, следовательно, оказывается приложенным между СОЕДИНЕНИЯМИ С ПАЦИЕНТОМ и землей.
Примечание - РАБОЧИЕ ЧАСТИ ТИПА F являются либо РАБОЧЕЙ ЧАСТЬЮ ТИПА BF, либо РАБОЧЕЙ ЧАСТЬЮ ТИПА CF.
3.30 ЗАКРЕПЛЕННОЕ (FIXED): Термин, означающий закрепление, или иначе фиксирование, на определенном месте либо постоянно, либо таким образом, что это закрепление может быть устранено только с использованием ИНСТРУМЕНТА.
Примеры
1 Часть ME ИЗДЕЛИЯ, постоянно закрепляемая методом сварки и т.д.
2 Часть ME ИЗДЕЛИЯ, закрепляемая с помощью крепежа (винтов, гаек и т.д.); ее удаление/открытие невозможно без применения ИНСТРУМЕНТА.
3.31 ВОСПЛАМЕНЯЮЩАЯСЯ СМЕСЬ АНЕСТЕТИКА С ВОЗДУХОМ (FLAMMABLE ANAESTETHIC MIXTURE WITH AIR): Смесь воспламеняющихся паров анестетика с воздухом в такой концентрации, при которой в определенных условиях может происходить возгорание этой смеси.
3.32 ВОСПЛАМЕНЯЮЩАЯСЯ СМЕСЬ АНЕСТЕТИКА С КИСЛОРОДОМ ИЛИ ЗАКИСЬЮ АЗОТА (FLAMMABLE ANAESTETHIC MIXTURE WITH OXYGEN OR NITROUS OXIDE): Смесь воспламеняющихся паров анестетика с кислородом или с закисью азота в такой концентрации, при которой в определенных условиях может происходить возгорание этой смеси.
3.33 * ФУНКЦИОНАЛЬНОЕ СОЕДИНЕНИЕ (FUNCTIONAL CONNECTION): Соединение, электрическое или иное, в том числе предназначенное для передачи сигналов, энергии или веществ.
Примечание - Соединение с ЗАКРЕПЛЕННОЙ сетевой розеткой ПИТАЮЩЕЙ СЕТИ (с одной или с несколькими) не будет считаться ФУНКЦИОНАЛЬНЫМ СОЕДИНЕНИЕМ.
3.34 ПРОВОД РАБОЧЕГО ЗАЗЕМЛЕНИЯ (FUNCTIONAL EARTH CONDUCTOR): Провод, присоединяемый к ЗАЖИМУ РАБОЧЕГО ЗАЗЕМЛЕНИЯ.
Примечание - См. рисунок 2.
3.35 * ЗАЖИМ РАБОЧЕГО ЗАЗЕМЛЕНИЯ (FUNCTIONAL EARTH TERMINAL): Зажим, непосредственно соединенный с цепью или экранирующей частью изделия, который предназначен для заземления в функциональных целях.
Примечание - См. рисунки 2, 3 и 4.
3.36 ОГРАЖДЕНИЕ (GUARD): Часть изделия, специально используемая для обеспечения защиты посредством установки физических преград.
Примечание - В зависимости от конструкции ME ИЗДЕЛИЯ ОГРАЖДЕНИЕМ можно считать кожух, укрытие, экран, дверцу защитный корпус и т.д.
ОГРАЖДЕНИЕ может действовать:
- самостоятельно; тогда оно эффективно только при его установке на определенном месте;
- в сочетании с устройством блокировки с фиксацией ограждения или без нее; в этом случае защита обеспечивается независимо от положения ОГРАЖДЕНИЯ.
3.37 РУЧНОЕ (ИЗДЕЛИЕ) (HAND-HELD): Термин, относящийся к электрическому изделию, которое во время НОРМАЛЬНОЙ ЭКСПЛУАТАЦИИ удерживается в руках (поддерживается рукой).
3.38 * ВРЕД (HARM): Физическая травма или ущерб здоровью людей или животных, или ущерб имуществу или окружающей среде.
[ИСО 14971:2000, определение 2.2 измененное]
3.39 ОПАСНОСТЬ (HAZARD): Потенциальный источник ВРЕДА.
[ИСО 14971:2000, определение 2.3]
3.40 * ОПАСНАЯ СИТУАЦИЯ (HAZARDOUS SITUATION): Обстоятельства, при которых люди, имущество или окружающая среда могут подвергаться одному или нескольким видам ОПАСНОСТИ.
[Рекомендации ИСО/МЭК 51:1999, определение 3.6]
3.41 ВЫСОКОЕ НАПРЯЖЕНИЕ (HIGH VOLTAGE): Любое напряжение, превышающее 1 000 В переменного тока или 1 500 В постоянного тока или 1 500 В пикового значения напряжения сложной формы.
3.42 ИСПЫТАТЕЛЬНОЕ ГИДРАВЛИЧЕСКОЕ ДАВЛЕНИЕ (HYDRAULIC TEST PRESSURE): Давление, прикладываемое для проверки сосудов или их частей.
Примечание - См. 9.7.5.
3.43 КООРДИНАЦИЯ ИЗОЛЯЦИИ (INSULATION COORDINATION): Взаимная корреляция характеристик изоляции электрических изделий, учитывающая ожидаемую микросреду и другие влияющие воздействия.
3.44 * ПРЕДУСМОТРЕННОЕ ПРИМЕНЕНИЕ/ПРЕДУСМОТРЕННОЕ НАЗНАЧЕНИЕ (INTENDED USE/INTENDED PURPOSE): Использование изделия, ПРОЦЕССА или услуги в соответствии с техническими характеристиками, инструкциями и информацией, предоставляемой ИЗГОТОВИТЕЛЕМ.
[ИСО 14971:2000, определение 2.5]
Примечание - ПРЕДУСМОТРЕННОЕ ПРИМЕНЕНИЕ не следует путать с НОРМАЛЬНОЙ ЭКСПЛУАТАЦИЕЙ. Несмотря на то, что оба эти термина относятся к использованию изделия по назначению, указанному ИЗГОТОВИТЕЛЕМ, ПРЕДУСМОТРЕННОЕ ПРИМЕНЕНИЕ делает акцент на достижение медицинской цели, тогда как НОРМАЛЬНАЯ ЭКСПЛУАТАЦИЯ подразумевает не только достижение медицинской цели, но и техническое обслуживание, уход, транспортирование и т.д. изделия.
3.45 ВНУТРЕННИЙ ИСТОЧНИК ПИТАНИЯ (INTERNAL ELECTRICAL POWER SOURCE): Источник, обеспечивающий работу изделия и являющийся его частью, преобразующий другие формы энергии в электрический ток.
ПРИМЕР - Химический, механический, солнечный или ядерный источник электропитания.
Примечание - ВНУТРЕННИЙ ИСТОЧНИК ПИТАНИЯ может находиться в основной части изделия, крепиться снаружи или находиться в отдельном КОРПУСЕ.
3.46 ИЗДЕЛИЕ С ВНУТРЕННИМ ИСТОЧНИКОМ ПИТАНИЯ (INTERNALLY POWERED): Термин, относящийся к электрическому изделию, которое способно работать от ВНУТРЕННЕГО ИСТОЧНИКА ПИТАНИЯ.
3.47 ТОК УТЕЧКИ (LEAKAGE CURRENT): Ток, который не является рабочим.
Примечание - Определены следующие ТОКИ УТЕЧКИ: ТОК УТЕЧКИ НА ЗЕМЛЮ, ТОК УТЕЧКИ НА ДОСТУПНУЮ ЧАСТЬ и ТОК УТЕЧКИ НА ПАЦИЕНТА.
3.48 ПРИБОРНАЯ РОЗЕТКА (MAINS CONNECTOR): Часть ПРИБОРНОГО СОЕДИНИТЕЛЯ, составляющая единое целое или присоединяемая к гибкому шнуру, предназначенному для соединения с ПИТАЮЩЕЙ СЕТЬЮ.
Примечание - ПРИБОРНАЯ РОЗЕТКА предназначена для соединения с ПРИБОРНОЙ ВИЛКОЙ электрического изделия (см. рисунки 1 и 2).
3.49 * СЕТЕВАЯ ЧАСТЬ (MAINS PART): Электрическая цепь, предназначенная для присоединения к ПИТАЮЩЕЙ СЕТИ.
Примечания
1 СЕТЕВАЯ ЧАСТЬ включает в себя все проводящие части, которые не отделены от ПИТАЮЩЕЙ СЕТИ по крайней мере одним СРЕДСТВОМ ЗАЩИТЫ.
2 В рамках данного определения ПРОВОД ЗАЩИТНОГО ЗАЗЕМЛЕНИЯ не должен рассматриваться как СЕТЕВАЯ ЧАСТЬ изделия (см. рисунки 2 и 3).
3.50 * СЕТЕВАЯ ВИЛКА (MAINS PLUG): Часть, составляющая единое целое или присоединяемая к ШНУРУ ПИТАНИЯ электрического изделия, предназначенная для соединения с сетевой розеткой.
Примечания
1 См. рисунок 1.
2 См. также стандарты МЭК 60083 и МЭК 60309-1 [8].
3.51 СЕТЕВОЙ ТРАНСФОРМАТОР (MAINS SUPPLY TRANSFORMER): Статическая часть изделия с двумя или несколькими обмотками, которая за счет электромагнитной индукции преобразует переменное напряжение и ток СЕТЕВОГО ПИТАНИЯ в напряжение и ток, как правило, различных значений на той же частоте.
3.52 СЕТЕВОЕ ПРИСОЕДИНИТЕЛЬНОЕ УСТРОЙСТВО (MAINS TERMINAL DEVICE): ПРИСОЕДИНИТЕЛЬНОЕ УСТРОЙСТВО, с помощью которого осуществляется подсоединение к ПИТАЮЩЕЙ СЕТИ.
Примечание - См. рисунок 2.
3.53 СЕТЕВОЕ ПЕРЕХОДНОЕ НАПРЯЖЕНИЕ (MAINS TRANSIENT VOLTAGE): Максимальное пиковое напряжение, ожидаемое на входе питания электрического изделия и появляющееся вследствие внешних переходных процессов в ПИТАЮЩЕЙ СЕТИ.
3.54 СЕТЕВОЕ НАПРЯЖЕНИЕ (MAINS VOLTAGE): Напряжение ПИТАЮЩЕЙ СЕТИ между двумя линейными проводами в многофазной системе или напряжение между линейным и нулевым проводами в однофазной системе.
3.55 ИЗГОТОВИТЕЛЬ (MANUFACTURER): Физическое или юридическое лицо, отвечающее за проектирование, изготовление, упаковку или маркировку ME ИЗДЕЛИЙ, сборку ME СИСТЕМ или модификацию ME ИЗДЕЛИЯ или ME СИСТЕМЫ независимо от того, выполняются ли эти операции одним и тем же лицом или третьей стороной, действующей в интересах данного лица.
Примечания
1 ИСО 13485 [30] определяет "маркировку" как объект, выражаемый в письменной, печатной или графической форме и
- закрепляемый на медицинском изделии или на любой его таре или обертке, или
- сопровождающий медицинское изделие
и связанный с его идентификацией, техническим описанием и эксплуатацией, за исключением документов на распаковку. В этом стандарте данный материал рассматривается как маркировка и ЭКСПЛУАТАЦИОННЫЕ ДОКУМЕНТЫ.
2 Процесс "модификации" включает в себя внесение существенных изменений в ME ИЗДЕЛИЕ или ME СИСТЕМУ уже при их эксплуатации.
3 В некоторых судопроизводствах ОТВЕТСТВЕННУЮ ОРГАНИЗАЦИЮ допускается рассматривать как ИЗГОТОВИТЕЛЯ, если она оказывается привлеченной к указанным операциям.
4 Измененное в ИСО 14971:2000 определение 2.6.
3.56 * МАКСИМАЛЬНОЕ СЕТЕВОЕ НАПРЯЖЕНИЕ (MAXIMUM MAINS VOLTAGE): Напряжение, используемое для испытательных целей, связанных с напряжением ПИТАЮЩЕЙ СЕТИ, и прикладываемое к определенным частям ME ИЗДЕЛИЯ.
Примечание - Значение МАКСИМАЛЬНОГО СЕТЕВОГО НАПРЯЖЕНИЯ определено согласно п. 8.5.3.
3.57 * МАКСИМАЛЬНО ДОПУСТИМОЕ РАБОЧЕЕ ДАВЛЕНИЕ (MAXIMUM PERMISSIBLE PRESSURE): Максимальное давление, допускаемое для компонента изделия, указанное изготовителем данного компонента.
3.58 * СРЕДСТВА ЗАЩИТЫ ОПЕРАТОРА; MOOP (MEANS OF OPERATOR PROTECTION): СРЕДСТВА ЗАЩИТЫ, предназначенные для снижения РИСКА поражения электрическим током всех лиц, за исключением ПАЦИЕНТА.
3.59 * СРЕДСТВА ЗАЩИТЫ ПАЦИЕНТА; МОРР (MEANS OF PATIENT PROTECTION): СРЕДСТВА ЗАЩИТЫ, предназначенные для снижения РИСКА поражения электрическим током ПАЦИЕНТА.
3.60 * СРЕДСТВА ЗАЩИТЫ; MOP (MEANS OF PROTECTION): Средства, предназначенные для снижения РИСКА поражения электрическим током в соответствии с требованиями настоящего стандарта.
Примечание - СРЕДСТВА ЗАЩИТЫ включают изоляцию, ВОЗДУШНЫЕ ЗАЗОРЫ, ПУТИ УТЕЧКИ, импедансы и СОЕДИНЕНИЯ С ЗАЩИТНЫМ ЗАЗЕМЛЕНИЕМ.
3.61 МЕХАНИЧЕСКАЯ ОПАСНОСТЬ (MECHANICAL HAZARD): ОПАСНОСТЬ, связанная с механической силой или производимая механической силой.
3.62 МЕХАНИЧЕСКОЕ ЗАЩИТНОЕ УСТРОЙСТВО (MECHANICAL PROTECTIVE DEVICE): Устройство, которое позволяет исключить или снизить механический РИСК до приемлемого уровня и которое срабатывает в случае возникновения УСЛОВИЯ ЕДИНИЧНОГО НАРУШЕНИЯ.
3.63 * МЕДИЦИНСКОЕ ЭЛЕКТРИЧЕСКОЕ ИЗДЕЛИЕ; ME ИЗДЕЛИЕ (MEDICAL ELECTRICAL EQUIPMENT; ME EQUIPMENT): Электрическое изделие, имеющее РАБОЧУЮ ЧАСТЬ или передающее энергию к ПАЦИЕНТУ или от него, или обнаруживающее передачу этой энергии к ПАЦИЕНТУ или от него и которое:
a) имеет не более одного соединения с ПИТАЮЩЕЙ СЕТЬЮ;
b) предназначено его ИЗГОТОВИТЕЛЕМ для:
1) диагностики, лечения или контроля состояния ПАЦИЕНТА; или
2) компенсации или облегчения заболеваний, ранений и утраты работоспособности.
Примечания
1 ME ИЗДЕЛИЕ включает в себя те ПРИНАДЛЕЖНОСТИ, которые определены ИЗГОТОВИТЕЛЕМ и необходимы для НОРМАЛЬНОЙ ЭКСПЛУАТАЦИИ ME ИЗДЕЛИЙ.
2 Не все электрические изделия, используемые в медицинской практике, подпадают под это определение (например, некоторые виды лабораторного диагностического оборудования).
3 Имплантируемые части активных медицинских устройств могут подпадать под это определение, однако они исключены из сферы действия настоящего стандарта (см. соответствующую формулировку в пункте 1).
4 В настоящем стандарте термин "электрическое изделие" используется для обозначения ME ИЗДЕЛИЯ или других электрических изделий.
5 См. также 4.10.1, 8.2.1 и 16.3.
3.64 * МЕДИЦИНСКАЯ ЭЛЕКТРИЧЕСКАЯ СИСТЕМА; ME СИСТЕМА (MEDICAL ELECTRICAL SYSTEM; ME SYSTEM): Совокупность изделий, определенная ИЗГОТОВИТЕЛЕМ, в которой по крайней мере одно изделие является ME ИЗДЕЛИЕМ и изделия связаны между собой ФУНКЦИОНАЛЬНЫМИ СОЕДИНЕНИЯМИ или путем использования МНОГОРОЗЕТОЧНОГО СЕТЕВОГО СОЕДИНИТЕЛЯ.
Примечание - Изделия, упоминаемые в настоящем стандарте, должны включать в себя ME ИЗДЕЛИЕ.
3.65 ПЕРЕДВИЖНОЕ ИЗДЕЛИЕ (MOBILE): Термин, связанный с ТРАНСПОРТИРУЕМЫМ ИЗДЕЛИЕМ, предназначенным для перемещения из одного места в другое на собственных колесах или с использованием эквивалентных средств.
3.66 * ОБОЗНАЧЕНИЕ МОДЕЛИ ИЛИ ТИПА (MODEL OR TYPE REFERENCE): Комбинация цифр, букв или цифр и букв, используемая для обозначения определенной модели изделия или ПРИНАДЛЕЖНОСТИ.
3.67 * МНОГОРОЗЕТОЧНЫЙ СЕТЕВОЙ СОЕДИНИТЕЛЬ; MSO (MULTIPLE SOCKET-OUTLET; MSO): Одна или более сетевых розеток, предназначенных для соединения с гибким шнуром питания или составляющих с ним одно целое и обеспечивающих СЕТЕВЫМ ПИТАНИЕМ ME ИЗДЕЛИЯ и другие электрические изделия.
Примечание - МНОГОРОЗЕТОЧНЫЙ СЕТЕВОЙ СОЕДИНИТЕЛЬ может быть отдельным изделием или неотъемлемой частью электрического изделия.
3.68 * СЕТЕВЫЕ/ИНФОРМАЦИОННЫЕ СРЕДСТВА СВЯЗИ (NETWORK/DATA COUPLING): Любые средства для передачи или приема информации от другого изделия в соответствии со спецификацией ИЗГОТОВИТЕЛЯ.
3.69 НОМИНАЛЬНОЕ (ЗНАЧЕНИЕ) [NOMINAL (value)]: Значение, относительно которого задаются допускаемые отклонения.
3.70 НОРМАЛЬНОЕ СОСТОЯНИЕ (NORMAL CONDITION): Состояние, при котором все средства, предусмотренные для защиты от ОПАСНОСТЕЙ, исправны.
3.71 НОРМАЛЬНАЯ ЭКСПЛУАТАЦИЯ (NORMAL USE): Эксплуатация изделия, включая плановый осмотр и регулировку ОПЕРАТОРОМ, а также режим ожидания, согласно инструкции по эксплуатации.
Примечание - ПРЕДУСМОТРЕННОЕ ПРИМЕНЕНИЕ не следует путать с НОРМАЛЬНОЙ ЭКСПЛУАТАЦИЕЙ. Несмотря на то, что оба эти термина относятся к использованию изделия по назначению, указанному ИЗГОТОВИТЕЛЕМ, ПРЕДУСМОТРЕННОЕ ПРИМЕНЕНИЕ делает акцент на достижение медицинской цели, тогда как НОРМАЛЬНАЯ ЭКСПЛУАТАЦИЯ подразумевает не только достижение медицинской цели, но и техническое обслуживание, уход, транспортирование и т.д.
3.72 ОБЪЕКТИВНОЕ СВИДЕТЕЛЬСТВО (OBJECTIVE EVIDENCE): Информация, которая может быть доказанной на основании фактов, полученных посредством наблюдений, измерений, испытаний или иными способами.
[ИСО 14971:2000, определение 2.8]
3.73 * ОПЕРАТОР (OPERATOR): Лицо, работающее с изделием.
Примечание - См. также 3.101.
3.74 АВТОМАТИЧЕСКИЙ ВЫКЛЮЧАТЕЛЬ МАКСИМАЛЬНОГО ТОКА (OVER-CURRENT RELEASE): Защитное устройство, которое вызывает размыкание электрической цепи с временной задержкой или без нее, если ток в этом устройстве превышает установленное значение
[IEV 441-16-33 измененный]
3.75 * СРЕДА С ПОВЫШЕННЫМ СОДЕРЖАНИЕМ КИСЛОРОДА (OXYGEN RICH ENVIRONMENT): Среда, в которой концентрация кислорода:
a) превышает 25% при давлении до 110 кПа; или
b) парциальное давление кислорода превышает 27, 5 кПа при атмосферном давлении выше 110 кПа.
3.76 ПАЦИЕНТ (PATIENT): Живое существо (человек или животное), подвергающееся медицинскому обследованию или лечению.
3.77 * ДОПОЛНИТЕЛЬНЫЙ ТОК В ЦЕПИ ПАЦИЕНТА (PATIENT AUXILIARY CURRENT): Ток, протекающий через ПАЦИЕНТА при НОРМАЛЬНОЙ ЭКСПЛУАТАЦИИ между любым СОЕДИНЕНИЕМ С ПАЦИЕНТОМ и всеми другими СОЕДИНЕНИЯМИ С ПАЦИЕНТОМ, не предназначенный для создания физиологического воздействия.
3.78 * СОЕДИНЕНИЕ С ПАЦИЕНТОМ (PATIENT CONNECTION): Соединение в РАБОЧЕЙ ЧАСТИ, через которое может протекать ток между ПАЦИЕНТОМ и ME ИЗДЕЛИЕМ в НОРМАЛЬНОМ СОСТОЯНИИ или при УСЛОВИИ ЕДИНИЧНОГО НАРУШЕНИЯ.
3.79 * СРЕДА ПАЦИЕНТА (PATIENT ENVIRONMENT): Любое пространство, в котором может возникать намеренный или непреднамеренный контакт между ПАЦИЕНТОМ и частями ME ИЗДЕЛИЯ или ME СИСТЕМЫ или между ПАЦИЕНТОМ и другими лицами, находящимися в контакте с ME ИЗДЕЛИЕМ или ME СИСТЕМОЙ.
3.80 ТОК УТЕЧКИ НА ПАЦИЕНТА (PATIENT LEAKAGE CURRENT): Ток:
- протекающий от СОЕДИНЕНИЙ С ПАЦИЕНТОМ через ПАЦИЕНТА на землю
или
- возникающий из-за непредусмотренного появления напряжения от внешнего источника на ПАЦИЕНТЕ и протекающий от СОЕДИНЕНИЙ С ПАЦИЕНТОМ в РАБОЧЕЙ ЧАСТИ ТИПА F на землю.
3.81 * ПИКОВОЕ РАБОЧЕЕ НАПРЯЖЕНИЕ (PEAK WORKING VOLTAGE): Максимальное значение переменного или постоянного РАБОЧЕГО НАПРЯЖЕНИЯ, включая периодические импульсы напряжения, возникающие в электрическом изделии, за исключением внешних переходных процессов.
[МЭК 60950-1:2001, определение 1.2.9.7, измененное]
3.82 ЖИЗНЕННЫЙ ЦИКЛ РАЗРАБОТКИ PEMS (PEMS DEVELOPMENT LIFE-CYCLE): Период времени, начинающийся на стадии принятия концепции проекта и заканчивающийся по завершении стадии ПРОВЕРКИ СООТВЕТСТВИЯ PEMS.
Примечание - См. также 3.90.
3.83 ПРОВЕРКА СООТВЕТСТВИЯ (ВАЛИДАЦИЯ) PEMS (PEMS VALIDATION): ПРОЦЕСС оценки характеристик PEMS или компонентов в ходе или по окончании ПРОЦЕССА разработки этой системы с целью определения соответствия PEMS требованиям ее ПРЕДУСМОТРЕННОГО ПРИМЕНЕНИЯ.
Примечание - См. также 3.90.
3.84 ИЗДЕЛИЕ С ПОСТОЯННЫМ ПРИСОЕДИНЕНИЕМ К ПИТАЮЩЕЙ СЕТИ (PERMANENTLY INSTALLED): Изделие, присоединяемое к ПИТАЮЩЕЙ СЕТИ с помощью постоянного соединения, которое может быть отсоединено только с помощью ИНСТРУМЕНТА.
3.85 ПЕРЕНОСНОЕ (ИЗДЕЛИЕ) (PORTABLE): Термин, относящийся к ТРАНСПОРТИРУЕМОМУ изделию, предназначенному для перемещения из одного места в другое одним или несколькими лицами.
3.86 ПРОВОД ВЫРАВНИВАНИЯ ПОТЕНЦИАЛА (POTENTIAL EQUALIZATION CONDUCTOR): Провод, не являющийся ПРОВОДОМ ЗАЩИТНОГО ЗАЗЕМЛЕНИЯ или нулевым проводом, который обеспечивает непосредственное соединение электрического изделия с шиной выравнивания потенциалов электропроводки помещения.
Примечание - См. рисунок 2.
3.87 ШНУР ПИТАНИЯ (POWER SUPPLY CORD): Гибкий шнур, ЗАКРЕПЛЕННЫЙ или подключаемый к электрическому изделию для соединения с ПИТАЮЩЕЙ СЕТЬЮ.
Примечание - См. рисунки 1 - 4 включительно.
3.88 ПРОЦЕДУРА (PROCEDURE): Установленный способ выполнения работ.
[ИСО 14971:2000, определение 2.9]
3.89 ПРОЦЕСС (PROCESS): Совокупность взаимосвязанных действий и ресурсов, преобразующая входы в выходы.
[ИСО 14971:2000, определение 2.10]
3.90 ПРОГРАММИРУЕМАЯ ЭЛЕКТРИЧЕСКАЯ МЕДИЦИНСКАЯ СИСТЕМА; PEMS (PROGRAMMABLE ELECTRICAL MEDICAL SYSTEM; PEMS): ME ИЗДЕЛИЕ или ME СИСТЕМА, содержащее(-ая) одну или несколько ПРОГРАММИРУЕМЫХ ЭЛЕКТРОННЫХ ПОДСИСТЕМ (PESS).
3.91 ПРОГРАММИРУЕМАЯ ЭЛЕКТРОННАЯ ПОДСИСТЕМА; PESS (PROGRAMMABLE ELECTRONIC SUBSYSTEM; PESS): Система, основанная на использовании одного или нескольких центральных процессоров, включая их программное обеспечение и интерфейсы.
3.92 ПРАВИЛЬНО УСТАНОВЛЕННОЕ (PROPERLY INSTALLED): Установленное в соответствии с ЭКСПЛУАТАЦИОННЫМИ ДОКУМЕНТАМИ.
3.93 ПРОВОД ЗАЩИТНОГО ЗАЗЕМЛЕНИЯ (PROTECTIVE EARTH CONDUCTOR): Провод, соединяющий ЗАЖИМ ЗАЩИТНОГО ЗАЗЕМЛЕНИЯ с внешней системой защитного заземления.
Примечание - См. рисунок 2.
3.94 СОЕДИНЕНИЕ С ЗАЩИТНЫМ ЗАЗЕМЛЕНИЕМ (PROTECTIVE EARTH CONNECTION): Соединение с ЗАЖИМОМ ЗАЩИТНОГО ЗАЗЕМЛЕНИЯ, предназначенное для целей защиты и соответствующее требованиям настоящего стандарта.
3.95 ЗАЖИМ ЗАЩИТНОГО ЗАЗЕМЛЕНИЯ (PROTECTIVE EARTH TERMINAL): Зажим, соединенный с токопроводящими частями изделия КЛАССА I для обеспечения безопасности. Этот зажим предназначен для соединения с внешней системой защитного заземления с помощью ПРОВОДА ЗАЩИТНОГО ЗАЗЕМЛЕНИЯ.
Примечание - См. рисунок 2.
3.96 ЗАЗЕМЛЕННАЯ С ЦЕЛЬЮ ЗАЩИТЫ (ЧАСТЬ) (PROTECTIVELY EARTHED): Часть, соединенная с целью защиты с ЗАЖИМОМ ЗАЩИТНОГО ЗАЗЕМЛЕНИЯ с помощью средств, отвечающих требованиям настоящего стандарта.
3.97 НОРМИРОВАННОЕ (ЗНАЧЕНИЕ) [RATED (value)]: Указанное ИЗГОТОВИТЕЛЕМ значение характеристик изделия.
3.98 ЗАПИСЬ (RECORD): Документ, который дает ОБЪЕКТИВНОЕ СВИДЕТЕЛЬСТВО о выполненных работах или достигнутых результатах.
[ИСО 14971:2000, определение 2.11]
3.99* УСИЛЕННАЯ ИЗОЛЯЦИЯ (REINFORCED INSULATION): Единая система изоляции, которая обеспечивает два СРЕДСТВА ЗАЩИТЫ.
3.100 ОСТАТОЧНЫЙ РИСК (RESIDUAL RISK): РИСК, сохраняющийся после принятия мер для защиты.
[ИСО 14971:2000, определение 2.12]
3.101 ОТВЕТСТВЕННАЯ ОРГАНИЗАЦИЯ (RESPONSIBLE ORGANIZATION): Юридическое или физическое лицо, ответственное за использование и обслуживание ME ИЗДЕЛИЯ или ME СИСТЕМЫ.
Примечания
1 Ответственным физическим или юридическим лицом может быть, например, больница, отдельный клиницист или непрофессионал. При эксплуатации электрического изделия на дому ПАЦИЕНТ, ОПЕРАТОР и ОТВЕТСТВЕННАЯ ОРГАНИЗАЦИЯ могут быть одним и тем же лицом.
2 Образование и обучение включены в термин "применение" ME ИЗДЕЛИЯ или ME СИСТЕМЫ.
3.102 РИСК (RISK): Сочетание вероятности причинения ВРЕДА и ТЯЖЕСТИ этого ВРЕДА.
[ИСО 14971:2000, определение 2.13]
3.103 АНАЛИЗ РИСКА (RISK ANALYSIS): Систематическое использование доступной информации для идентификации ОПАСНОСТЕЙ и определения РИСКА.
[ИСО 14971:2000, определение 2.14]
3.104 ОЦЕНКА РИСКА (RISK ASSESSMENT): Общий ПРОЦЕСС, включающий в себя АНАЛИЗ РИСКА и ОЦЕНИВАНИЕ РИСКА.
[ИСО 14971:2000, определение 2.15]
3.105 УПРАВЛЕНИЕ РИСКОМ (RISK CONTROL): ПРОЦЕСС принятия решений и осуществление защитных мер, направленных на уменьшение РИСКОВ или поддержание их на установленных уровнях.
[ИСО 14971:2000, определение 2.16]
3.106 ОЦЕНИВАНИЕ РИСКА (RISK EVALUATION): Принятие решения, основанного на существующих общественных ценностях, о допустимости риска в конкретной ситуации на основании АНАЛИЗА РИСКА.
[ИСО 14971:2000, определение 2.17]
3.107 МЕНЕДЖМЕНТ РИСКА (RISK MANAGEMENT): Систематическое применение принципов менеджмента, ПРОЦЕДУР и методов к задачам анализа, оценивания и управления РИСКАМИ.
[ИСО 14971:2000, определение 2.18]
3.108 ФАЙЛ МЕНЕДЖМЕНТА РИСКА (RISK MANAGEMENT FILE): Совокупность ЗАПИСЕЙ и других документов (необязательно взаимосвязанных), создаваемых в ПРОЦЕССЕ МЕНЕДЖМЕНТА РИСКА.
[ИСО 14971:2000, определение 2.19]
Примечание - Вся связанная с безопасностью информация, включая расчеты ИЗГОТОВИТЕЛЯ, результаты испытаний и т.д., считается частью ФАЙЛА МЕНЕДЖМЕНТА РИСКА. См. также 4.2.
3.109 БЕЗОПАСНАЯ РАБОЧАЯ НАГРУЗКА (SAFE WORKING LOAD): Максимальная внешняя механическая нагрузка (масса) на изделие или на его часть, которая допускается при НОРМАЛЬНОЙ ЭКСПЛУАТАЦИИ.
3.110* ВТОРИЧНАЯ ЦЕПЬ (SECONDARY CIRCUIT): Цепь, которая отделена от СЕТЕВОЙ ЧАСТИ изделия по крайней мере одним СРЕДСТВОМ ЗАЩИТЫ и получает электропитание от трансформатора, конвертера или эквивалентного им изолирующего устройства, или же от ВНУТРЕННЕГО ИСТОЧНИКА ПИТАНИЯ.
Примечание - См. также 8.9.1.12.
3.111 САМОВОССТАНАВЛИВАЮЩИЙСЯ ТЕРМОВЫКЛЮЧАТЕЛЬ (SELF-RESETTING THERMAL CUTOUT): ТЕРМОВЫКЛЮЧАТЕЛЬ, который автоматически восстанавливает подачу тока после охлаждения соответствующей части электрического изделия.
3.112 * РАЗДЕЛИТЕЛЬНОЕ УСТРОЙСТВО (SEPARATION DEVICE): Компонент или совокупность компонентов, имеющие входные/выходные части, которые в целях безопасности предотвращают передачу нежелательного напряжения или тока между частями ME СИСТЕМЫ.
3.113 ОБСЛУЖИВАЮЩИЙ ПЕРСОНАЛ (SERVICE PERSONAL): Физические или юридические лица, являющиеся ОТВЕТСТВЕННОЙ ОРГАНИЗАЦИЕЙ и осуществляющие установку, сборку, техническое обслуживание или ремонт ME ИЗДЕЛИЯ или ME СИСТЕМЫ.
3.114 ТЯЖЕСТЬ (ОПАСНОСТИ) (SEVERITY): Мера возможных последствий ОПАСНОСТИ.
[ИСО 14971:2000, определение 2.21]
3.115 * СИГНАЛЬНЫЙ ВХОД/ВЫХОД; SIP/SOP (SIGNAL INPUT/OUTPUT PART; SIP/SOP): Часть ME ИЗДЕЛИЯ, не являющаяся РАБОЧЕЙ ЧАСТЬЮ, предназначенная для передачи сигналов другому электрическому изделию или для приема сигналов от него, например, с целью отображения, регистрации или обработки данных.
Примечание - См. рисунок 2.
3.116 УСЛОВИЕ ЕДИНИЧНОГО НАРУШЕНИЯ (SINGLE FAULT CONDITION): Состояние, при котором одно СРЕДСТВО для снижения РИСКА имеет дефект или существует одно ненормальное условие.
Примечание - См. 4.7 и 13.2.
3.117 БЕЗОПАСНОЕ ПРИ ЕДИНИЧНОМ НАРУШЕНИИ (SINGLE FAULT SAFE): Характеристика ME ИЗДЕЛИЯ или его частей, благодаря которой отсутствует недопустимый РИСК при УСЛОВИИ ЕДИНИЧНОГО НАРУШЕНИЯ на протяжении всего ОЖИДАЕМОГО СРОКА СЛУЖБЫ.
Примечание - См. 4.7.
3.118 СТАЦИОНАРНОЕ (STATIONARY): Термин, относящийся к изделию, не предназначенному для перемещения с одного места в другое.
3.119 ДОПОЛНИТЕЛЬНАЯ ИЗОЛЯЦИЯ (SUPPLEMENTARY INSULATION): Независимая изоляция, применяемая в дополнение к ОСНОВНОЙ ИЗОЛЯЦИИ для обеспечения защиты от поражения электрическим током при нарушении ОСНОВНОЙ ИЗОЛЯЦИИ.
[IEV 826-12-15, измененный]
Примечание - ДОПОЛНИТЕЛЬНАЯ ИЗОЛЯЦИЯ обеспечивает лишь одно СРЕДСТВО ЗАЩИТЫ.
3.120 * ПИТАЮЩАЯ СЕТЬ (SUPPLY MAINS): Источник электрической энергии, не являющийся частью ME ИЗДЕЛИЯ или ME СИСТЕМЫ.
Примечание - Этот термин относится также к аккумуляторным и преобразовательным системам, устанавливаемым в санитарных машинах и т.п.
3.121 КОЭФФИЦИЕНТ БЕЗОПАСНОСТИ (ЗАПАС ПРОЧНОСТИ ПРИ РАСТЯЖЕНИИ) (TENSILE SAFETY FACTOR): Отношение ПРЕДЕЛА ПРОЧНОСТИ ПРИ РАСТЯЖЕНИИ к механическому напряжению при ПОЛНОЙ НАГРУЗКЕ.
3.122 ПРЕДЕЛ ПРОЧНОСТИ ПРИ РАСТЯЖЕНИИ (TENSILE STRENGTH): Максимальное механическое напряжение, возникающее при растяжении испытываемого образца непосредственно перед его разрывом.
3.123 ПРИСОЕДИНИТЕЛЬНОЕ УСТРОЙСТВО (TERMINAL DEVICE): Часть электрического изделия, с помощью которого производится электрическое соединение.
Примечание - ПРИСОЕДИНИТЕЛЬНОЕ УСТРОЙСТВО может содержать несколько отдельных контактов.
3.124 ТЕРМОВЫКЛЮЧАТЕЛЬ (THERMAL CUT-OUT): Устройство, которое при ненормальных условиях работы позволяет ограничивать температуру электрического изделия или его частей путем автоматического размыкания электрической цепи или уменьшение тока через неё, причем его уставка не может быть никем изменена, за исключением квалифицированного ОБСЛУЖИВАЮЩЕГО ПЕРСОНАЛА.
3.125 ТЕМПЕРАТУРНАЯ СТАБИЛИЗАЦИЯ (THERMAL STABILITY): Состояние, при котором температура объекта не может увеличиваться более чем на 2° в течение 1 ч.
3.126 ТЕРМОРЕГУЛЯТОР (THERMOSTAT): Чувствительное к температуре устройство, предназначенное для поддержания температуры в определенном диапазоне или выше/ниже предварительно установленного значения.
3.127 ИНСТРУМЕНТ (TOOL): Экстракорпоральный предмет, который может быть использован для закрепления или ослабления креплений или выполнения регулировок.
Примечание - В рамках настоящего стандарта монеты и ключи также могут считаться ИНСТРУМЕНТАМИ.
3.128 ПОЛНАЯ НАГРУЗКА (TOTAL LOAD): Максимальная общая нагрузка на деталь, включающая в себя максимальную БЕЗОПАСНУЮ РАБОЧУЮ НАГРУЗКУ, где она применима, и статические и динамические силы, возникающие при НОРМАЛЬНОЙ ЭКСПЛУАТАЦИИ изделия.
Примечания
1 Примером динамических сил могут служить силы, возникающие при ускорении или замедлении движущихся масс.
2 В случае, когда нагрузка разделена между несколькими параллельными деталями, поддерживающими пациента, а распределение нагрузки между этими частями однозначно не определено, необходимо принимать в расчет наименее благоприятную ситуацию.
3.129 ТОК УТЕЧКИ НА ДОСТУПНУЮ ЧАСТЬ (TOUCH CURRENT): ТОК УТЕЧКИ, протекающий от КОРПУСА или его частей, за исключением СОЕДИНЕНИЙ С ПАЦИЕНТОМ, доступных при НОРМАЛЬНОЙ ЭКСПЛУАТАЦИИ ОПЕРАТОРУ или ПАЦИЕНТУ, через внешние токопроводящие пути, отличные от ПРОВОДА ЗАЩИТНОГО ЗАЗЕМЛЕНИЯ, на землю или на другую часть КОРПУСА.
Примечание - Смысл этого термина аналогичен смыслу термина "ток утечки на корпус" в первой и второй редакциях настоящего стандарта. Этот термин был изменен для приведения в соответствие с МЭК 60950-1 и отражает тот факт, что измерение теперь будет относиться также к частям, которые обычно являются СОЕДИНЕННЫМИ С ЗАЩИТНЫМ ЗАЗЕМЛЕНИЕМ частями.
3.130 ТРАНСПОРТИРУЕМОЕ (ИЗДЕЛИЕ) (TRANSPORTABLE): Изделие, предназначенное для легкого перемещения без существенного ограничения по положению с одного места в другое, будучи присоединенным к источнику питания или без присоединения к нему.
Пример - ПЕРЕДВИЖНОЕ ME ИЗДЕЛИЕ и ПЕРЕНОСНОЕ ME ИЗДЕЛИЕ.
3.131 ЗОНА ЗАХВАТА (TRAPPING ZONE): Доступное место на ME ИЗДЕЛИИ, ME СИСТЕМЕ или внутри его (ее), или в пространстве, окружающем изделие, в котором тело человека или его часть может подвергаться ОПАСНОСТИ захвата, сдавливания, рассечения, удара, пореза, втягивания, укола и прокалывания.
3.132 * РАБОЧАЯ ЧАСТЬ ТИПА В (TYPE В APPLIED PART): РАБОЧАЯ ЧАСТЬ, соответствующая требованиям настоящего стандарта по обеспечению защиты от поражения электрическим током, в особенности - требованиям к допустимому ТОКУ УТЕЧКИ НА ПАЦИЕНТА и ДОПОЛНИТЕЛЬНОМУ ТОКУ В ЦЕПИ ПАЦИЕНТА.
Примечания
1 РАБОЧАЯ ЧАСТЬ ТИПА В маркируется символом 19, приведенным в таблице D.1 МЭК 60417-5840 (DB:2002-10), или, когда это применимо, символом 25, приведенным в таблице D.1 МЭК 60417-5841. См. также 3.20.
2 РАБОЧАЯ ЧАСТЬ ТИПА В не предназначена для ПРЯМОГО ПРИМЕНЕНИЯ НА СЕРДЦЕ пациента.
3 См. также 4.6, относящийся к обработке частей, которые не подпадают под определение РАБОЧИХ ЧАСТЕЙ, но которые, однако, необходимо рассматривать как таковые в результате применения ПРОЦЕССА МЕНЕДЖМЕНТА РИСКА.
3.133 * РАБОЧАЯ ЧАСТЬ ТИПА BF (TYPE BF APPLIED PART): РАБОЧАЯ ЧАСТЬ ТИПА F, соответствующая требованиям настоящего стандарта по обеспечению более высокой степени защиты от поражения электрическим током, чем РАБОЧАЯ ЧАСТЬ ТИПА В.
Примечания
1 РАБОЧАЯ ЧАСТЬ ТИПА BF маркируется символом 20, приведенным в таблице D.1 МЭК 60417-5333 (DB:2002-10), или, когда это применимо, символом 26, приведенным в таблице D.1 МЭК 60417-5334 (DB:2002-10).
См. также п. 3.20.
2 РАБОЧАЯ ЧАСТЬ ТИПА BF не предназначена для ПРЯМОГО ПРИМЕНЕНИЯ НА СЕРДЦЕ пациента.
3 См. также 4.6, относящийся к обработке частей, которые не подпадают под определение РАБОЧИХ ЧАСТЕЙ, но которые, однако, необходимо рассматривать как таковые в результате применения ПРОЦЕССА МЕНЕДЖМЕНТА РИСКА.
3.134 * РАБОЧАЯ ЧАСТЬ ТИПА CF (TYPE CF APPLIED PART): РАБОЧАЯ ЧАСТЬ ТИПА F, соответствующая требованиям настоящего стандарта по обеспечению более высокой степени защиты пациента от поражения электрическим током, чем РАБОЧАЯ ЧАСТЬ ТИПА BF.
Примечания
1 РАБОЧАЯ ЧАСТЬ ТИПА CF маркируется символом 21, приведенным в таблице D.1 МЭК 60417-5335 (DB:2002-10), или, когда это применимо, символом 27, приведенным в таблице D.1 МЭК 60417-5336 (DB:2002-10). См. также 3.20.
2 См. также 4.6, относящийся к обработке частей, которые не подпадают под определение РАБОЧИХ ЧАСТЕЙ, но которые, однако, необходимо рассматривать как таковые в результате применения ПРОЦЕССА МЕНЕДЖМЕНТА РИСКА.
3.135 ТИПОВОЕ ИСПЫТАНИЕ (TYPE TEST): Испытание на представительном образце изделия с целью определения того, насколько разработанное и изготовленное изделие соответствует требованиям настоящего стандарта.
3.136 ЭКСПЛУАТАЦИОННАЯ ПРИГОДНОСТЬ (USABILITY): Характеристика, определяющая эффективность, результативность и простоту обучения ОПЕРАТОРА, а также соответствие эксплуатационным требованиям.
[МЭК 60601-1-6:2004, определение 2.211]
3.137 ПРОЕКТИРОВАНИЕ ЭКСПЛУАТАЦИОННОЙ ПРИГОДНОСТИ (USABILITY ENGINEERING): Применение знаний о поведении человека, его возможностях, их ограничениях и других характерных особенностях при разработке инструментов, механизмов, изделий, устройств, систем, задач, рабочих мест и при охране окружающей среды для достижения достаточной ЭКСПЛУАТАЦИОННОЙ ПРИГОДНОСТИ.
[МЭК 60601-1-6:2004, определение 2.212]
3.138 ВЕРИФИКАЦИЯ (VERIFICATION): Подтверждение на основе анализа и представления ОБЪЕКТИВНОГО СВИДЕТЕЛЬСТВА того, что установленные требования выполнены.
Примечание - При проектировании и конструировании ВЕРИФИКАЦИЯ будет касаться только ПРОЦЕССА анализа результатов этих работ для определения соответствия требованиям, предъявленным к этим видам работ
[ИСО 14971:2000, определение 2.22]
3.139 * РАБОЧЕЕ НАПРЯЖЕНИЕ (WORKING VOLTAGE): Наибольшее напряжение, которому подвергается или может подвергаться рассматриваемая изоляция или компонент при работе электрического изделия в режиме НОРМАЛЬНОЙ ЭКСПЛУАТАЦИИ.
[МЭК 60950-1:2001, определение 1.2.9.6]
4.1 * Условия применения требований к ME ИЗДЕЛИЮ или ME СИСТЕМЕ
Если не оговорено иное, то требования настоящего стандарта должны применяться при НОРМАЛЬНОЙ ЭКСПЛУАТАЦИИ ME ИЗДЕЛИЯ или ME СИСТЕМЫ и при отклонениях от НОРМАЛЬНОЙ ЭКСПЛУАТАЦИИ, которые можно предвидеть в разумных пределах.
При применении требований настоящего стандарта к ME ИЗДЕЛИЮ или ME СИСТЕМЕ, предназначенных для компенсации или облегчения заболеваний, травм или нетрудоспособности, определения и требования, в которых используется термин "ПАЦИЕНТ", должны считаться относящимися к лицам, для которых это ME ИЗДЕЛИЕ или ME СИСТЕМА предназначено (а).
4.2 * ПРОЦЕСС МЕНЕДЖМЕНТА РИСКА для ME ИЗДЕЛИЯ или ME СИСТЕМЫ
Должен быть выполнен ПРОЦЕСС МЕНЕДЖМЕНТА РИСКА в соответствии с ИСО 14971. При применении ИСО 14971:
- термин "медицинское изделие" должен иметь тот же смысл, что и термин "ME ИЗДЕЛИЕ" или "ME СИСТЕМА";
- понятие "условие нарушения", применяемое в ИСО 14971, должно включать в себя, но не ограничиваться термином "УСЛОВИЕ ЕДИНИЧНОГО НАРУШЕНИЯ", используемым в настоящем стандарте;
- принципы определения допустимого РИСКА и допустимость ОСТАТОЧНОГО РИСКА (РИСКОВ) должны устанавливаться ИЗГОТОВИТЕЛЕМ;
- в случаях, когда настоящий стандарт или любой из дополнительных или частных стандартов задают поддающиеся проверке требования, касающиеся конкретных РИСКОВ, а указанные требования оказываются выполненными, то, как предполагается, ОСТАТОЧНЫЕ РИСКИ, которым соответствуют эти требования, должны считаться допустимыми в отсутствие ОБЪЕКТИВНЫХ СВИДЕТЕЛЬСТВ обратного.
Примечания
1 Настоящий стандарт определяет требования, которые в общем случае применимы к РИСКАМ, связанным с ME ИЗДЕЛИЕМ или ME СИСТЕМАМИ, и которые должны использоваться в ПРОЦЕССЕ МЕНЕДЖМЕНТА РИСКА. В этом ПРОЦЕССЕ должны определяться не только те ОПАСНОСТИ, которые учитываются в настоящем стандарте, но и все другие ОПАСНОСТИ, связанные с ними РИСКИ и меры по УПРАВЛЕНИЮ РИСКОМ.
2 Состояния или нарушения, которые могут приводить к возникновению ОПАСНОСТЕЙ, определены в соответствующих пунктах настоящего стандарта. В этих случаях часто необходимо использовать ПРОЦЕСС МЕНЕДЖМЕНТА РИСКА для определения фактического наличия ОПАСНОСТЕЙ и испытаний, которые должны проводиться для проверки того, что идентифицированные ОПАСНОСТИ не будут возникать при указанных обстоятельствах.
3 Следует признать, что ИЗГОТОВИТЕЛЬ не может выполнять все ПРОЦЕССЫ, указанные в настоящем стандарте для каждого компонента ME ИЗДЕЛИЯ или ME СИСТЕМЫ, такого как, например, специализированный (фирменный) компонент, подсистема немедицинского назначения или стандартное устройство. В этом случае ИЗГОТОВИТЕЛЬ должен учитывать необходимость принятия дополнительных мер по УПРАВЛЕНИЮ РИСКОМ.
4 В случае, когда требования настоящего стандарта относятся к предотвращению недопустимого РИСКА, приемлемость или неприемлемость данного вида РИСКА должна определяться ИЗГОТОВИТЕЛЕМ в соответствии с принятыми им принципами определения допустимого РИСКА.
5 Требования настоящего стандарта (см. п. 1.1) распространяются не на все РИСКИ, связанные с ME ИЗДЕЛИЕМ и ME СИСТЕМАМИ.
Соответствие этим требованиям настоящего стандарта проверяют рассмотрением ФАЙЛА МЕНЕДЖМЕНТА РИСКА. Предполагается, что требования этого пункта и все требования настоящего стандарта, относящиеся к просмотру указанного файла, будут выполняться, если ИЗГОТОВИТЕЛЬ будет иметь:
- утвержденный ПРОЦЕСС МЕНЕДЖМЕНТА РИСКА;
- утвержденные допустимые уровни РИСКА;
- доказательства допустимости ОСТАТОЧНОГО РИСКА (РИСКОВ) в соответствии с принципами определения допустимого РИСКА.
4.3 * ОСНОВНЫЕ ФУНКЦИОНАЛЬНЫЕ ХАРАКТЕРИСТИКИ
ИЗГОТОВИТЕЛЬ должен определить, какие характеристики ME ИЗДЕЛИЯ или ME СИСТЕМЫ являются ОСНОВНЫМИ ФУНКЦИОНАЛЬНЫМИ ХАРАКТЕРИСТИКАМИ. Если в настоящем стандарте указано, что после проведения конкретного вида испытания ОСНОВНЫЕ ФУНКЦИОНАЛЬНЫЕ ХАРАКТЕРИСТИКИ должны соответствовать установленным требованиям, то именно эти характеристики должны быть проверены.
Примечание - В случаях, когда требования настоящего стандарта относятся к ОСНОВНЫМ ФУНКЦИОНАЛЬНЫМ ХАРАКТЕРИСТИКАМ, они должны устанавливаться ИЗГОТОВИТЕЛЕМ в соответствии с используемыми им принципами определения допустимого РИСКА.
Соответствие проверяют рассмотрением ФАЙЛА МЕНЕДЖМЕНТА РИСКА.
4.4 * ОЖИДАЕМЫЙ СРОК СЛУЖБЫ
ИЗГОТОВИТЕЛЬ должен в ФАЙЛЕ МЕНЕДЖМЕНТА РИСКА указывать ОЖИДАЕМЫЙ СРОК СЛУЖБЫ ME ИЗДЕЛИЯ или ME СИСТЕМЫ.
Соответствие проверяют рассмотрением ФАЙЛА МЕНЕДЖМЕНТА РИСКА.
4.5 * Эквивалентная безопасность ME ИЗДЕЛИЯ или ME СИСТЕМЫ
Даже в случае, когда в настоящем стандарте определены требования, относящиеся к определенным РИСКАМ, допускаются и альтернативные способы учета этих РИСКОВ при условии, что ИЗГОТОВИТЕЛЬ может доказать, что ОСТАТОЧНЫЕ РИСКИ после применения указанных альтернативных способов не будут превышать ОСТАТОЧНЫЕ РИСКИ, связанные с применением требований настоящего стандарта.
Соответствие проверяют рассмотрением ФАЙЛА МЕНЕДЖМЕНТА РИСКА.
4.6 * Части ME ИЗДЕЛИЯ или ME СИСТЕМЫ, находящиеся в контакте с ПАЦИЕНТОМ
ПРОЦЕСС МЕНЕДЖМЕНТА РИСКА должен включать в себя оценку того, должны ли на части, которые могут приходить в контакт с ПАЦИЕНТОМ, но не подпадают под определение РАБОЧИХ ЧАСТЕЙ, распространяться требования, предъявляемые к РАБОЧИМ ЧАСТЯМ. Если в ПРОЦЕССЕ МЕНЕДЖМЕНТА РИСКА принимается решение, что на них распространяются требования, предъявляемые к РАБОЧИМ ЧАСТЯМ, то должны выполняться все соответствующие требования и проводиться испытания, предусмотренные настоящим стандартом, за исключением 7.2.10, который не применяется к таким частям.
Соответствие проверяют рассмотрением ФАЙЛА МЕНЕДЖМЕНТА РИСКА.
4.7 * УСЛОВИЕ ЕДИНИЧНОГО НАРУШЕНИЯ для ME ИЗДЕЛИЯ
ME ИЗДЕЛИЕ должно быть сконструировано и изготовлено таким образом, чтобы оно оставалось БЕЗОПАСНЫМ ПРИ УСЛОВИИ ЕДИНИЧНОГО НАРУШЕНИЯ или чтобы РИСК оставался допустимым, как это определено при применении 4.2.
Примечание 1 - НОРМАЛЬНЫЕ СОСТОЯНИЯ, указанные в 8.1, перечисление а), принимаются во внимание при оценке соответствия любому требованию настоящего стандарта, к которому они могут иметь отношение.
ME ИЗДЕЛИЕ считают БЕЗОПАСНЫМ ПРИ УСЛОВИИ ЕДИНИЧНОГО НАРУШЕНИЯ, если:
a) оно использует единственное средство снижения РИСКА, обладающее незначительной вероятностью нарушения (например, УСИЛЕННУЮ ИЗОЛЯЦИЮ, подвешенные массы без МЕХАНИЧЕСКИХ ЗАЩИТНЫХ УСТРОЙСТВ с применением КОЭФФИЦИЕНТА БЕЗОПАСНОСТИ 8Х, КОМПОНЕНТА С ВЫСОКОЙ СТЕПЕНЬЮ ИНТЕГРАЦИИ), или
b) УСЛОВИЕ ЕДИНИЧНОГО НАРУШЕНИЯ возникает, но:
- начальное нарушение будет обнаружено в течение ОЖИДАЕМОГО СРОКА СЛУЖБЫ ME ИЗДЕЛИЯ и до нарушения второго средства снижения РИСКА (например, подвешенные массы с МЕХАНИЧЕСКИМИ ЗАЩИТНЫМИ УСТРОЙСТВАМИ); или
- вероятность того, что второе средство уменьшения РИСКА будет нарушено в течение ОЖИДАЕМОГО СРОКА СЛУЖБЫ ME ИЗДЕЛИЯ, пренебрежимо мала.
В случае, когда одно УСЛОВИЕ ЕДИНИЧНОГО НАРУШЕНИЯ приводит к другому УСЛОВИЮ ЕДИНИЧНОГО НАРУШЕНИЯ, эти два нарушения должны рассматриваться как одно УСЛОВИЕ ЕДИНИЧНОГО НАРУШЕНИЯ.
В процессе любого испытания при УСЛОВИИ ЕДИНИЧНОГО НАРУШЕНИЯ должно применяться только одно нарушение.
Примечание 2 - Нарушения по вероятности их возникновения в общем случае могут быть разделены на три категории:
a) настолько маловероятные нарушения, что их можно не принимать в расчет. РИСКИ, возникающие в результате этих нарушений, могут считаться допустимыми;
b) достаточно вероятные нарушения, которые необходимо принимать в расчет, но не достаточно вероятные, чтобы их считать возникающими поочередно (единичное нарушение). Нарушения этой категории будут включать в себя все выявленные согласно этому стандарту нарушения, возникающие при УСЛОВИИ ЕДИНИЧНОГО НАРУШЕНИЯ, а также любые другие нарушения, выявляемые согласно ИСО 14971, которые соответствуют критерию УСЛОВИЯ ЕДИНИЧНОГО НАРУШЕНИЯ;
c) настолько вероятные, насколько непрогнозируемые или невыявляемые, поэтому они рассматриваются как НОРМАЛЬНОЕ СОСТОЯНИЕ и должны учитываться как по отдельности, так и совместно.
Результаты АНАЛИЗА РИСКА должны использоваться для определения того, какие нарушения нужно проверять. Одно нарушение любого одного компонента, которое может приводить к ОПАСНОЙ СИТУАЦИИ, включая упоминаемую в 13.1, должно моделироваться - физически или теоретически. При оценке необходимости моделирования нарушения компонента должен приниматься во внимание РИСК, связанный с нарушением компонента в течение ОЖИДАЕМОГО СРОКА ЖИЗНИ ME ИЗДЕЛИЯ. Эта оценка должна завершаться применением принципов МЕНЕДЖМЕНТА РИСКА и учитывать такие факторы, как надежность, КОЭФФИЦИЕНТ БЕЗОПАСНОСТИ и номинальные значения компонентов. Кроме того, при моделировании УСЛОВИЙ ЕДИНИЧНОГО НАРУШЕНИЯ должны моделироваться и нарушения компонентов, которые можно считать достаточно вероятными или невыявляемыми.
Примечание 3 - См. также Примечание 2 в 4.2.
Это требование и соответствующие испытания не должны применяться к нарушениям ДВОЙНОЙ или УСИЛЕННОЙ ИЗОЛЯЦИИ или КОМПОНЕНТОВ С ВЫСОКОЙ СТЕПЕНЬЮ ИНТЕГРАЦИИ.
Соответствие определяют путем применения установленных требований и испытаний для УСЛОВИЙ ЕДИНИЧНОГО НАРУШЕНИЯ, указанных в 13.2, а также испытаний для нарушений, определенных исходя из результатов АНАЛИЗА РИСКА. Соответствие подтверждается, если введение любого из УСЛОВИЙ ЕДИНИЧНОГО НАРУШЕНИЯ, указанного в 13.2, не будет непосредственно приводить к возникновению ОПАСНЫХ СИТУАЦИЙ, указанных в 13.1, или к любому иному результату, приводящему к недопустимому РИСКУ.
4.8 Компоненты ME ИЗДЕЛИЯ
Все компоненты, включая проводные соединения, нарушения которых могут приводить к возникновению ОПАСНОЙ СИТУАЦИИ, должны применяться в соответствии с их номинальными характеристиками, если в настоящем стандарте или в ПРОЦЕССЕ МЕНЕДЖМЕНТА РИСКА не сделаны исключения. Надежность компонентов, которые используются в качестве СРЕДСТВА ЗАЩИТЫ, должна оцениваться при условиях их эксплуатации в ME ИЗДЕЛИЯХ. Компоненты должны соответствовать одному из следующих требований (см. также 4.5):
а) они выполнены по требованиям безопасности соответствующих стандартов МЭК или ИСО
Примечание 1 - Для этих компонентов, уже прошедших проверку на соответствие стандартам на компоненты, нет необходимости в выполнении идентичных или эквивалентных испытаний.
b) в отсутствие соответствующего стандарта МЭК или ИСО должны применяться требования настоящего стандарта.
Примечание 2 - В отсутствие как требований настоящего стандарта, так и требований стандартов МЭК или ИСО для подтверждения соответствия ПРОЦЕССУ МЕНЕДЖМЕНТА РИСКА может использоваться любой другой нормативный документ (например, стандарты на устройства других типов, национальные стандарты).
Для иллюстрации положений а) и b) см. блок-схему рисунка 5.
Соответствие этим требованиям настоящего стандарта проверяют осмотром и при необходимости - соответствующим испытанием. Испытания двигателей (см. 13.2.8 и 13.2.13.3) и трансформаторов (см. 15.5.3) согласно настоящему стандарту должны быть всеобъемлющими и проводиться вместе с оценкой качества системы изоляции трансформатора или двигателя в соответствии с таблицей 22, в которой указаны все требуемые настоящим стандартом испытания. Компоненты ME СИСТЕМЫ, которые обеспечивают изоляцию от изделий немедицинского назначения, рассмотрены в пункте 16.

Рисунок 5 - Блок-схема оценки компонентов (см. 4.8)
4.9 * Использование в ME ИЗДЕЛИЯХ КОМПОНЕНТОВ С ВЫСОКОЙ СТЕПЕНЬЮ ИНТЕГРАЦИИ
КОМПОНЕНТ С ВЫСОКОЙ СТЕПЕНЬЮ ИНТЕГРАЦИИ должен использоваться в тех случаях, когда нарушение работы того или иного компонента может приводить к недопустимому РИСКУ. КОМПОНЕНТЫ С ВЫСОКОЙ СТЕПЕНЬЮ ИНТЕГРАЦИИ должны отбираться и оцениваться с учетом условий их эксплуатации и отклонений от этих условии, которые можно предвидеть в разумных пределах в течение ОЖИДАЕМОГО СРОКА СЛУЖБЫ ME ИЗДЕЛИЯ.
Соответствие проверяют рассмотрением ФАЙЛА МЕНЕДЖМЕНТА РИСКА и критериев отбора КОМПОНЕНТОВ С ВЫСОКОЙ СТЕПЕНЬЮ ИНТЕГРАЦИИ
4.10 Питание
4.10.1 Источник питания для ME ИЗДЕЛИЯ
ME ИЗДЕЛИЕ должно быть пригодно для присоединения к ПИТАЮЩЕЙ СЕТИ, к отдельному источнику питания или питаться от ВНУТРЕННЕГО ИСТОЧНИКА ПИТАНИЯ. В других вариантах может использоваться комбинированное питание от указанных источников.
Соответствие проверяют рассмотрением ЭКСПЛУАТАЦИОННОЙ ДОКУМЕНТАЦИИ
4.10.2 ПИТАЮЩАЯ СЕТЬ для ME ИЗДЕЛИЯ и ME СИСТЕМЫ
Для ME ИЗДЕЛИЙ, предназначенных для работы от ПИТАЮЩЕЙ СЕТИ, НОРМИРУЕМЫЕ напряжения не должны превышать следующих значений:
- 250 В - для РУЧНЫХ ME ИЗДЕЛИЙ;
- 250 В постоянного тока или однофазного переменного тока, или 500 В многофазного переменного тока - для ME ИЗДЕЛИЙ и ME СИСТЕМ с номинальной потребляемой мощностью на более 4 кВА; или
- 500 В - для всех других ME ИЗДЕЛИЙ и ME СИСТЕМ.
В настоящем стандарте предполагается, что ПИТАЮЩАЯ СЕТЬ должна иметь следующие характеристики:
- категория II по перенапряжению при переходных процессах в сети, если более высокая категория не установлена ИЗГОТОВИТЕЛЕМ;
- отсутствие напряжений свыше 110% или ниже 90% НОМИНАЛЬНОГО значения напряжения между любыми проводами системы или между любым из проводов и землей (см. 7.9.3.1).
Примечание 1 - МЭК 60601-1-2 содержит требования и испытания при наличии провалов, кратковременных прерываний и изменений напряжения и ПИТАЮЩЕЙ СЕТИ (см. также 1.3);
- практически синусоидальное напряжение и практически симметричное при многофазной системе электропитания;
- частота - не более 1 кГц;
- отклонение частоты - не более 1 Гц при НОМИНАЛЬНОЙ частоте до 100 Гц и не более 1% НОМИНАЛЬНОЙ частоты - в диапазоне от 100 Гц до 1 кГц;
- средства защиты - согласно МЭК 60364-4-41.
Примечание 2 - Если ME ИЗДЕЛИЕ или ME СИСТЕМА предназначено(а) для работы от ПИТАЮЩЕЙ СЕТИ с характеристиками, отличающимися от указанных выше, то могут понадобиться дополнительные меры безопасности;
- постоянное напряжение (измеренное магнитоэлектрическим измерительным прибором с подвижной катушкой или эквивалентным ему прибором) имеет размах пульсаций не более 10% среднего значения напряжения.
В случае, когда размах пульсаций превышает 10% среднего значения напряжения, необходимо указывать пиковое значение напряжения.
4.11 Потребляемая мощность
Установившееся значение потребляемой мощности ME ИЗДЕЛИЯ или ME СИСТЕМЫ при НОМИНАЛЬНОМ напряжении и установках органов управления, указанных в инструкции по эксплуатации, не должно превышать более чем на 10% значения, указанного на маркировке (см. 7.2.7).
Соответствие проверяют осмотром и с помощью следующих испытаний:
- ME ИЗДЕЛИЕ или ME СИСТЕМА работает согласно инструкции по эксплуатации до достижения установившегося значения потребляемой мощности. Измеряют потребляемую мощность и сравнивают ее с маркировкой и данными, приведенными в техническом описании;
- ME ИЗДЕЛИЕ или ME СИСТЕМА, промаркированные как работающие в одном или нескольких диапазонах НОМИНАЛЬНЫХ напряжений, проверяют на нижних и верхних границах диапазонов. Если указанная в маркировке НОМИНАЛЬНАЯ входная мощность относится к среднему значению соответствующего диапазона напряжений, то испытание проводят при напряжении, равном его среднему значению в этом диапазоне;
- установившееся значение тока измеряют с использованием прибора, обеспечивающего показания действительного среднеквадратического значения.
Потребляемую мощность, если она выражается в вольт-амперах, измеряют с помощью ампервольтметра или определяют как произведение установившихся тока (измеренного указанным выше методом) и напряжения питания.
Вместо вышеупомянутых измерений допускается использовать сертификат поставщика.
5.1 * ТИПОВЫЕ ИСПЫТАНИЯ
Испытания, указанные в настоящем стандарте, являются ТИПОВЫМИ ИСПЫТАНИЯМИ. Испытания, которым должно подвергаться ME ИЗДЕЛИЕ, определяют с учетом требований пункта 4, особенно требований 4.2.
Испытания не проводят, если анализ показывает, что состояние, подлежащее проверке, адекватно оценено другими испытаниями или методами.
Результаты АНАЛИЗА РИСКА используют для определения того, какое сочетание (сочетания) одновременных нарушений должно проверяться.
Примечание - Результаты испытаний могут потребовать корректировки АНАЛИЗА РИСКА.
5.2 * Число образцов для испытаний
ТИПОВЫЕ ИСПЫТАНИЯ производят на одном представительном образце проверяемого изделия.
Примечание - Одновременно для испытаний может использоваться несколько образцов, если это не будет существенно влиять на достоверность получаемых результатов.
5.3 Температура окружающей среды, влажность, атмосферное давление
a) После того как подлежащее испытанию ME ИЗДЕЛИЕ установлено в режим НОРМАЛЬНОЙ ЭКСПЛУАТАЦИИ (согласно 5.7), испытания проводят в диапазоне условий окружающей среды, указанном в техническом описании (см. 7.9.3.1).
b) ME ИЗДЕЛИЕ должно быть защищено от других воздействий (например, сквозняка), которые могут влиять на достоверность результатов испытаний.
c) В случаях, когда температура окружающей среды не может поддерживаться, условия испытаний соответствующим образом изменяют, а результаты испытаний корректируют.
5.4 Прочие условия испытаний
a) В отсутствие иных указаний в настоящем стандарте ME ИЗДЕЛИЕ испытывают при наименее благоприятных условиях эксплуатации, указанных в инструкции по эксплуатации и определенных при АНАЛИЗЕ РИСКА.
b) ME ИЗДЕЛИЯ, обладающие рабочими параметрами, которые могут регулироваться или устанавливаться любым лицом, не являющимся ОБСЛУЖИВАЮЩИМ ПЕРСОНАЛОМ, в процессе испытаний регулируют с установкой на значения, наименее благоприятные для соответствующего испытания, но в соответствии с инструкцией по эксплуатации.
c) Если на результаты испытаний оказывают влияние давление на входе, расход или химический состав охлаждающей жидкости, то эти параметры при проведении испытаний должны находиться в пределах, указанных в техническом описании.
d) В случаях, когда требуется водяное охлаждение ME ИЗДЕЛИЯ, используют питьевую воду.
5.5 Питающее напряжение, род тока, вид питания, частота
а) Если на результаты испытаний влияют отклонения питающего напряжения от его НОМИНАЛЬНОГО значения, то влияние таких отклонений должно приниматься в расчет.
Питающее напряжение в процессе испытаний устанавливают согласно 4.10 или согласно маркировке, нанесенной на ME ИЗДЕЛИЕ (см. 7.2.6), в зависимости от того, какое из них наименее благоприятно.
b) ME ИЗДЕЛИЕ, имеющее СЕТЕВУЮ ЧАСТЬ, предназначенную для соединения с ПИТАЮЩЕЙ СЕТЬЮ переменного тока, испытывают на переменном токе при НОМИНАЛЬНОЙ частоте (если она указана) с отклонением ±1 Гц (до частот 100 Гц включительно) или с отклонением ±1% (на частотах выше 100 Гц). ME ИЗДЕЛИЕ, для которого указан диапазон НОМИНАЛЬНЫХ частот, испытывают на наименее благоприятной частоте, содержащейся в этом диапазоне.
c) ME ИЗДЕЛИЕ, предназначенное для работы при нескольких НОМИНАЛЬНЫХ напряжениях или как на переменном, так и на постоянном токе, испытывают при условиях, описанных в 5.4, при наименее благоприятном напряжении и виде питания, например числе фаз (кроме однофазного питания) и роде тока. При этом может понадобиться проведение нескольких испытаний для установления того, какое сочетание параметров питания является наименее благоприятным.
d) ME ИЗДЕЛИЕ, имеющее СЕТЕВУЮ ЧАСТЬ, предназначенную для подсоединения к ПИТАЮЩЕЙ СЕТИ постоянного тока, испытывают только на постоянном токе. При проведении испытаний должно приниматься во внимание возможное влияние полярности электропитания на работу ME ИЗДЕЛИЯ в соответствии с инструкцией по эксплуатации (см. также 8.2.2).
e) ME ИЗДЕЛИЕ, для которого предусмотрено использование разных ПРИНАДЛЕЖНОСТЕЙ или компонентов, указанных в ЭКСПЛУАТАЦИОННЫХ ДОКУМЕНТАХ (см. 7.9.2.14 и 7.9.3.2), проверяют с такими ПРИНАДЛЕЖНОСТЯМИ или компонентами, которые обеспечивают наименее благоприятные условия испытаний.
f) Если в инструкции по эксплуатации указывается, что ME ИЗДЕЛИЕ предназначено для получения электропитания от специального источника, то его подсоединяют к этому источнику электропитания (см. также 7.2.5 и 8.2.1).
Примечание - То, что в первом и втором изданиях настоящего стандарта называлось "специальным источником питания", теперь рассматривается либо как другая часть того же самого ME ИЗДЕЛИЯ, либо как другое изделие в ME СИСТЕМЕ.
5.6 Ремонт и внесение изменений
При необходимости ремонта или внесения изменений после нарушений или в предвидении будущих нарушений в процессе испытаний испытательная лаборатория и поставщик ME ИЗДЕЛИЯ могут договориться либо о представлении нового образца, на котором должны быть снова проведены все испытания, которые влияют на результаты, либо, что более предпочтительно, о проведении всех необходимых ремонтных работ или изменений, после чего должны быть повторены только соответствующие испытания.
5.7 * Предварительное воздействие влагой
До испытаний согласно 8.7.4 и 8.8.3 все ME ИЗДЕЛИЯ или их части подвергают предварительному воздействию влагой.
ME ИЗДЕЛИЕ или его части должны подвергаться этому испытанию в собранном виде (или, если это необходимо, частями). Упаковка, используемая при транспортировании и хранении, должна быть снята.
Испытанию подвергают только те части ME ИЗДЕЛИЯ, на которые могут влиять климатические факторы, моделируемые при этом испытании.
Части ME ИЗДЕЛИЯ, которые могут отделяться от него без помощи ИНСТРУМЕНТА, отделяют и подвергают воздействию влагой одновременно с основной частью ME ИЗДЕЛИЯ.
СМОТРОВЫЕ КРЫШКИ, которые могут открываться или сниматься без помощи ИНСТРУМЕНТА, должны быть открыты и сняты.
Предварительное воздействие влагой на ME ИЗДЕЛИЕ производят в камере влаги, содержащей воздух при относительной влажности (93±3)%. Температура воздуха в этой камере во всех местах возможной установки ME ИЗДЕЛИЯ должна поддерживаться с точностью ±2°С при любом требуемом значении температуры Т, лежащем в диапазоне от + 20°С до + 32°С. Перед помещением ME ИЗДЕЛИЯ в камеру влаги его температуру доводят до значения, лежащего в диапазоне от Т до Т + 4°С, и выдерживают при этой температуре не менее 4 ч до воздействия влагой.
ME ИЗДЕЛИЕ и его части должны выдерживаться в камере влажности в течение 48 ч.
В случае, когда ПРОЦЕСС МЕНЕДЖМЕНТА РИСКА устанавливает, что ME ИЗДЕЛИЕ может подвергаться воздействию влагой в течение продолжительного времени (например, ME ИЗДЕЛИЕ, предназначенное для применения в полевых условиях), то время выдержки в камере влажности соответственно увеличивают.
5.8 Последовательность испытаний
Если не оговорено иное, то испытания согласно настоящему стандарту проводят в такой последовательности, чтобы результаты любого испытания не оказывали влияния на результаты последующих испытаний.
Примечание - Рекомендуется проводить все испытания в последовательности, указанной в приложении В.
5.9 * Определение РАБОЧИХ ЧАСТЕЙ и ДОСТУПНЫХ ЧАСТЕЙ
5.9.1 РАБОЧИЕ ЧАСТИ
РАБОЧИЕ ЧАСТИ определяют внешним осмотром и рассмотрением ЭКСПЛУАТАЦИОННЫХ ДОКУМЕНТОВ (см. также 4.6).
5.9.2 ДОСТУПНЫЕ ЧАСТИ
5.9.2.1 * Испытательный палец
Части ME ИЗДЕЛИЯ, которые должны считаться ДОСТУПНЫМИ ЧАСТЯМИ, определяют при внешнем осмотре и при необходимости - с помощью испытаний. В случае возникновения сомнений доступность определяют испытанием, проводимым с помощью стандартного испытательного пальца, показанного на рисунке 6, прикладываемого в согнутом или прямом положении:
- при всех положениях ME ИЗДЕЛИЯ при его НОРМАЛЬНОЙ ЭКСПЛУАТАЦИИ;
- после открытия СМОТРОВЫХ КРЫШЕК и удаления частей ME ИЗДЕЛИЯ, включая лампы, плавкие предохранители и их держатели, без помощи ИНСТРУМЕНТА или согласно инструкции по эксплуатации.
Стандартный испытательный палец применяют без приложения излишних усилий при каждом возможном положении ME ИЗДЕЛИЯ, за исключением случая, когда ME ИЗДЕЛИЕ в напольном исполнении с массой при любых режимах работы более 45 кг не наклоняют. ME ИЗДЕЛИЕ, которое согласно техническому описанию, предназначено для монтажа в шкаф (стойку), испытывают в смонтированном состоянии.
Отверстия, в которые стандартный испытательный палец не входит (см. рисунок 6), механически проверяют с помощью прямого разъединенного испытательного пальца тех же размеров, прикладываемого с усилием 30 Н. Если этот палец проходит через отверстие, то испытание со стандартным испытательным пальцем (см. рисунок 6) повторяют и при необходимости продавливают его через отверстие.
5.9.2.2 Испытательный крюк
Отверстия в ME ИЗДЕЛИИ механически проверяют с помощью испытательного крюка (см. рисунок 7), если он входит в отверстия.
Испытательный крюк вставляют во все рассматриваемые отверстия и затем за него тянут с усилием 20 Н в течение 10 с в направлении, строго перпендикулярном к поверхности, в которой имеется соответствующее отверстие. Любые дополнительные части, которые становятся доступными, определяют с помощью стандартного испытательного пальца (см. рисунок 6) или наружным осмотром.
5.9.2.3 Приводные механизмы
Токопроводящие части приводных механизмов органов управления, которые становятся доступными после снятия рукояток, кнопок, рычагов и т.п., считают ДОСТУПНЫМИ ЧАСТЯМИ. Токопроводящие части приводных механизмов не считают ДОСТУПНЫМИ ЧАСТЯМИ, если для снятия рукояток, кнопок, рычагов и т.п. необходимо применять ИНСТРУМЕНТЫ и рассмотрение ФАЙЛА МЕНЕДЖМЕНТА РИСКА показывает, что непреднамеренное отсоединение этих частей маловероятно в течение ОЖИДАЕМОГО СРОКА СЛУЖБЫ ME ИЗДЕЛИЯ (см. также 15.4.6.1).

Рисунок 6 - Стандартный испытательный палец (см. 5.9.2.1)
Примечание
1. Использование штырька или канавки является одним из возможных конструктивных решений для организации угла изгиба пальца до 90°, поэтому их размеры и допуски на рисунке не приведены. Реальная конструкция испытательного пальца должна гарантировать изгиб с предельным отклонением от 0° до +10°.
2. Размеры в круглых скобках приведены для справки.
3. Конструкция испытательного пальца соответствует МЭК 60950-1 (рисунок 2А) и основана на МЭК 61032*(16) (рисунок 2 испытательного пальца В). В ряде случаев указанные выше допуски могут быть иными.

Рисунок 7 - Испытательный крюк (см. 5.9.2.2)
6.1 Общие положения
В настоящем стандарте ME ИЗДЕЛИЯ или их части, включая РАБОЧИЕ ЧАСТИ, классифицируются следующим образом.
6.2 * Защита от поражения электрическим током
ME ИЗДЕЛИЕ, работающее от внешнего источника электропитания, должно классифицироваться как ME ИЗДЕЛИЕ КЛАССА I или ME ИЗДЕЛИЕ КЛАССА II (см. 7.2.6). Все остальные ME ИЗДЕЛИЯ должны классифицироваться как ME ИЗДЕЛИЕ с ВНУТРЕННИМ ИСТОЧНИКОМ ПИТАНИЯ.
ME ИЗДЕЛИЕ с ВНУТРЕННИМ ИСТОЧНИКОМ ПИТАНИЯ, имеющее средства соединения с ПИТАЮЩЕЙ СЕТЬЮ, должно соответствовать требованиям к ME ИЗДЕЛИЯМ КЛАССА I или КЛАССА II, когда оно соединено с ПИТАЮЩЕЙ СЕТЬЮ, или требованиям к ME ИЗДЕЛИЯМ С ВНУТРЕННИМ ИСТОЧНИКОМ ПИТАНИЯ в отсутствие указанного соединения.
РАБОЧИЕ ЧАСТИ должны классифицироваться как РАБОЧИЕ ЧАСТИ ТИПА В, РАБОЧИЕ ЧАСТИ ТИПА BF или РАБОЧИЕ ЧАСТИ ТИПА CF (см. 7.2.10 и 8.3). РАБОЧИЕ ЧАСТИ могут быть также классифицированы как РАБОЧИЕ ЧАСТИ С ЗАЩИТОЙ ОТ РАЗРЯДА ДЕФИБРИЛЛЯТОРА (см. 8.5.5).
6.3 * Защита от опасного проникания воды или твердых частиц
КОРПУСА должны классифицироваться по степени их защиты от проникания воды и твердых частиц в соответствии с МЭК 60529 (см. 7.2.9 и 11.6.5).
Примечания
1 Кодирование согласно этой классификации имеет вид IPN1N2, где:
- N1 - целое число, указывающее на степень защиты от проникания твердых частиц, или буква X.
- N2 - целое число, указывающее на степень защиты от проникания воды, или буква X.
2 См. также таблицу D.3.
6.4 Метод (методы) стерилизации
ME ИЗДЕЛИЕ или его части, предназначенные для стерилизации, должны классифицироваться в соответствии с методами стерилизации, указанными в инструкции по эксплуатации (см. 7.9.2.12 и 11.6.7).
Пример 1 - Газовая стерилизация оксидом этилена.
Пример 2 - Радиационная стерилизация, например, гамма-излучением.
Пример 3 - Паровая стерилизация, например, в автоклаве.
Пример 4 - Другие методы, рекомендованные ИЗГОТОВИТЕЛЕМ.
6.5 Пригодность для эксплуатации в СРЕДЕ С ПОВЫШЕННЫМ СОДЕРЖАНИЕМ КИСЛОРОДА
ME ИЗДЕЛИЕ и ME СИСТЕМА, предназначенные для работы в СРЕДЕ С ПОВЫШЕННЫМ СОДЕРЖАНИЕМ КИСЛОРОДА, должны классифицироваться в соответствии с таким использованием (см. 11.2.2).
6.6 * Режим работы
ME ИЗДЕЛИЕ должно классифицироваться либо для ПРОДОЛЖИТЕЛЬНОГО РЕЖИМА РАБОТЫ, либо для НЕПРОДОЛЖИТЕЛЬНОГО РЕЖИМА РАБОТЫ (см. 7.2.11).
Примечание - Приложение С содержит рекомендации, облегчающие поиск требований к маркировке ME ИЗДЕЛИЙ и ME СИСТЕМ, содержащихся в других пунктах настоящего стандарта.
7.1 Общие положения
7.1.1 * ЭКСПЛУАТАЦИОННАЯ ПРИГОДНОСТЬ идентификации, маркировки и документации
ИЗГОТОВИТЕЛЬ в ПРОЦЕССЕ ПРОЕКТИРОВАНИЯ ЭКСПЛУАТАЦИОННОЙ ПРИГОДНОСТИ должен указать РИСК получения низких показателей ЭКСПЛУАТАЦИОННОЙ ПРИГОДНОСТИ, связанных с идентификацией, маркировкой и документацией ME ИЗДЕЛИЯ (см. МЭК 60601-1-6, а также 1.3 и 12.2).
Соответствие проверяют анализом результатов ПРОЦЕССА ПРОЕКТИРОВАНИЯ ЭКСПЛУАТАЦИОННОЙ ПРИГОДНОСТИ
7.1.2* Различимость маркировки
Маркировка, требуемая согласно 7.2, 7.3, 7.4, 7.5 и 7.6, должна быть ЧЕТКО РАЗЛИЧИМАЯ при следующих условиях:
- для предупреждающих надписей, инструкций, знаков безопасности и рисунков, наносимых на наружные поверхности ME ИЗДЕЛИЯ; из предусмотренного положения персонала, выполняющего соответствующую функцию;
- для ЗАКРЕПЛЕННОГО ME ИЗДЕЛИЯ; из положения, используемого при НОРМАЛЬНОЙ ЭКСПЛУАТАЦИИ смонтируемого ME ИЗДЕЛИЯ;
- для ТРАНСПОРТИРУЕМОГО и СТАЦИОНАРНОГО (но не ЗАКРЕПЛЕННОГО) ME ИЗДЕЛИЯ; из положения НОРМАЛЬНОЙ ЭКСПЛУАТАЦИИ или после отодвигания ME ИЗДЕЛИЯ от стены, или после поворачивания ME ИЗДЕЛИЯ из его положения при НОРМАЛЬНОЙ ЭКСПЛУАТАЦИИ, а в случае демонтируемых блоков стойки - после их снятия со стойки;
- для маркировки внутри ME ИЗДЕЛИЯ или внутри частей ME ИЗДЕЛИЯ; из предусмотренного положения персонала, выполняющего соответствующую функцию.
Соответствие проверяют с помощью следующего испытания.
ME ИЗДЕЛИЕ или его часть размещают таким образом, чтобы точка наблюдения находилась в заданном инструкцией положении ОПЕРАТОРА; или же точка наблюдения должна находиться на расстоянии 1 м в любом месте на основании конуса с углом 30° и осью, перпендикулярной плоскости маркировки. Внешнюю освещенность ME ИЗДЕЛИЯ выбирают наименее благоприятную в диапазоне 100 - 1500 лк. Наблюдатель должен иметь остроту зрения 0 по логарифмической шкале минимальной разрешающей способности по углу или 6/6 (20/20) (при необходимости корректируется).
Наблюдатель должен правильно различать маркировку с заданной точки наблюдения.
7.1.3 * Долговечность маркировки
Маркировка, требуемая согласно 7.2, 7.3, 7.4, 7.5 и 7.6, должна удаляться только с применением ИНСТРУМЕНТА или с приложением значительных усилий и быть достаточно долговечной, оставаясь ЧЕТКО РАЗЛИЧИМОЙ на протяжении всего ОЖИДАЕМОГО СРОКА СЛУЖБЫ ME ИЗДЕЛИЯ. При оценке долговечности маркировки должен приниматься во внимание режим НОРМАЛЬНОЙ ЭКСПЛУАТАЦИИ ME ИЗДЕЛИЯ.
Соответствие проверяют внешним осмотром ME ИЗДЕЛИЯ и проведением следующих испытаний:
a) после проведения всех испытаний согласно настоящему стандарту (см. в приложении В рекомендованную последовательность проведения испытаний):
- проверяют маркировку на соответствие требованиям 7.1.2;
- убеждаются в том, что наклеиваемые этикетки не отошли от поверхности, а кромки этикеток не свернулись по краям;
b) для маркировки, требуемой согласно 7.2, 7.4, 7.5 и 7.6, необходимо проводить дополнительное испытание на долговечность. При этом маркировка должна протираться вручную, без излишнего нажима, сначала в течение 15 с с использованием матерчатой салфетки, смоченной дистиллированной водой, далее в течение 15 с - матерчатой салфеткой, смоченной этиловым спиртом, денатурированным метиловым спиртом, и, наконец, в течение следующих 15 с - матерчатой салфеткой, смоченной изопропиловым спиртом.
7.2 Маркировка на наружных поверхностях ME ИЗДЕЛИЯ или частей ME ИЗДЕЛИЯ (см. также таблицу С.1)
7.2.1 Минимальные требования к маркировке ME ИЗДЕЛИЯ и его взаимозаменяемых частей
Если размеры ME ИЗДЕЛИЯ, его частей или ПРИНАДЛЕЖНОСТЕЙ или конструкция КОРПУСА не позволяют наносить на них маркировку согласно 7.2.2 до 7.2.20 включительно, то маркировка должна наноситься, по крайней мере, согласно 7.2.2, 7.2.5 и 7.2.6 (не для ME ИЗДЕЛИЙ с постоянным присоединением к ПИТАЮЩЕЙ СЕТИ), 7.2.10 и 7.2.13 (если применимо), а остальную маркировку необходимо полностью приводить в ЭКСПЛУАТАЦИОННЫХ ДОКУМЕНТАХ. В случае, когда нанесение маркировки на ME ИЗДЕЛИЕ не является целесообразным, она может наноситься на индивидуальную упаковку ME ИЗДЕЛИЯ.
Любые материалы, компоненты, ПРИНАДЛЕЖНОСТИ или ME ИЗДЕЛИЯ, предназначенные для одноразового применения, или их упаковки должны маркироваться надписью "Повторно не использовать" или символом по ИСО 7000-1051 (DB:2004-01) (см. таблицу D.1, символ 28).
7.2.2 * Идентификация
ME ИЗДЕЛИЕ и его съемные компоненты должны маркироваться с использованием его наименования или торговой марки ИЗГОТОВИТЕЛЯ и с указанием ОБОЗНАЧЕНИЯ МОДЕЛИ ИЛИ ТИПА, за исключением случая, когда отсутствие идентификации не приводит к недопустимому РИСКУ.
Программное обеспечение, которое входит в состав PEMS, должно идентифицироваться с помощью индивидуального идентификатора, такого как номер версии или дата ее выпуска. Идентификация должна быть доступна для определенного круга лиц, например для ОБСЛУЖИВАЮЩЕГО ПЕРСОНАЛА. Эти идентификационные данные не обязательно наносить на наружные поверхности ME ИЗДЕЛИЙ.
7.2.3 * Обращение к ЭКСПЛУАТАЦИОННЫМ ДОКУМЕНТАМ
Когда это целесообразно, символ по ИСО 7000-1641 (DB:2004-01) (см. таблицу D.1, символ 11) можно использовать для того, чтобы дать совет ОПЕРАТОРУ обратиться к ЭКСПЛУАТАЦИОННЫМ
ДОКУМЕНТАМ. Если это обращение является обязательным, то знак безопасности по ИСО 7010-М002 (см. таблицу D.2, знак безопасности 10) должен использоваться вместо символа ИСО 7000-1641.
7.2.4* Маркировка ПРИНАДЛЕЖНОСТЕЙ
ПРИНАДЛЕЖНОСТИ должны маркироваться с указанием их наименования или торговой марки их ИЗГОТОВИТЕЛЯ или поставщика, а также ОБОЗНАЧЕНИЯ МОДЕЛИ ИЛИ ТИПА. В случае, когда маркировка ПРИНАДЛЕЖНОСТЕЙ не является целесообразной, она может наноситься на индивидуальную упаковку.
7.2.5 Маркировка ME ИЗДЕЛИЯ, предназначенного для питания от другого изделия
Если ME ИЗДЕЛИЕ предназначено для питания от другого изделия, в том числе от ME ИЗДЕЛИЯ в составе ME СИСТЕМЫ, и соединение с непредназначенным источником питания может приводить к недопустимому РИСКУ, то должна наноситься маркировка с указанием ОБОЗНАЧЕНИЯ МОДЕЛИ ИЛИ ТИПА предназначенного источника вблизи точки его соединения. См. также 7.9.2.3, 8.2.1 и 16.3.
7.2.6 Соединение с ПИТАЮЩЕЙ СЕТЬЮ
ME ИЗДЕЛИЕ должно маркироваться с указанием следующей информации:
- НОМИНАЛЬНОГО напряжения (напряжений) источника питания или НОМИНАЛЬНОГО диапазона (диапазонов) напряжения источника, к которому оно может быть подсоединено. НОМИНАЛЬНЫЙ диапазон напряжений питания должен иметь тире (-) между минимальным и максимальным значениями напряжения. При указании нескольких НОМИНАЛЬНЫХ напряжений или нескольких НОМИНАЛЬНЫХ диапазонов напряжений питания они должны разделяться косой чертой (/).
Пример 1 - НОМИНАЛЬНЫЙ диапазон напряжения питания: 100 - 240 В. Это означает, что ME ИЗДЕЛИЕ предназначено для подсоединения к ПИТАЮЩЕЙ СЕТИ, имеющей НОМИНАЛЬНОЕ напряжение в диапазоне от 100 до 240 В.
Пример 2 - Наличие нескольких НОМИНАЛЬНЫХ напряжений электропитания: 120/220/240 В. Это означает, что ME ИЗДЕЛИЕ предназначено для подсоединения к ПИТАЮЩЕЙ СЕТИ, имеющей НОМИНАЛЬНОЕ напряжение 120 или 220 или 240 В.
Примечание 1 - Маркировка НОМИНАЛЬНОГО напряжения питания соответствует МЭК 61293*(17);
- особенностей питания, например числа фаз (за исключением однофазного) и вида тока. Для этой цели могут использоваться символы по МЭК 60417-5032, 5032-1, 5032-2, 5031 и 5033 (все DB:2002-10), см. также таблицу D.1, символы 1, 2, 3, 4 и 5.
Примечание 2 - В случае переменного тока указание НОМИНАЛЬНОЙ частоты (в Гц) достаточно для определения вида тока;
- НОМИНАЛЬНОЙ частоты электропитания или диапазона НОМИНАЛЬНЫХ частот (в Гц).
Пример 3 - НОМИНАЛЬНЫЙ диапазон частоты питания 50 - 60 Гц. Это означает, что ME ИЗДЕЛИЕ предназначено для подсоединения к ПИТАЮЩЕЙ СЕТИ, имеющей НОМИНАЛЬНУЮ частоту в диапазоне от 50 до 60 Гц;
- для ME ИЗДЕЛИЯ КЛАССА II - символа по МЭК 60417-5172 (DB:2003-02), см. таблицу D.1, символ 9.
За исключением ME ИЗДЕЛИЙ С ПОСТОЯННЫМ ПРИСОЕДИНЕНИЕМ К ПИТАЮЩЕЙ СЕТИ, эта маркировка должна наноситься на наружные поверхности частей ME ИЗДЕЛИЯ, которые содержат соединение с ПИТАЮЩЕЙ СЕТЬЮ, и желательно вблизи места соединения. Для ME ИЗДЕЛИЯ С ПОСТОЯННЫМ ПРИСОЕДИНЕНИЕМ К ПИТАЮЩЕЙ СЕТИ маркировка НОМИНАЛЬНОГО напряжения или диапазона напряжений питания, к которому оно подсоединяется, может наноситься на внутренние или наружные поверхности ME ИЗДЕЛИЯ и желательно вблизи места соединения.
7.2.7 Потребляемая от ПИТАЮЩЕЙ СЕТИ мощность
НОМИНАЛЬНАЯ потребляемая мощность должна указываться в амперах, вольт-амперах или ваттах, если коэффициент мощности превышает 0, 9.
Если ME ИЗДЕЛИЕ работает в одном или нескольких диапазонах НОМИНАЛЬНОГО напряжения, то НОМИНАЛЬНАЯ потребляемая мощность должна быть указана для высшей и низшей границ диапазона или диапазонов, если границы отличаются от их среднего значения более чем на ±10%.
Если границы диапазонов не отличаются более чем на 10% от среднего значения, то достаточна маркировка потребляемой мощности для среднего значения диапазона.
Если нормируемые характеристики ME ИЗДЕЛИЯ включают в себя значения как длительного, так и кратковременного тока или мощности (в ВА), то маркировка должна содержать как длительное, так и наиболее характерное кратковременное значение мощности (в ВА), с четкой идентификацией и указанием в ЭКСПЛУАТАЦИОННЫХ ДОКУМЕНТАХ.
Маркировка потребления ME ИЗДЕЛИЯ, снабженного средствами для питания другого электрического изделия, должна включать в себя НОМИНАЛЬНУЮ выходную мощность этих средств.
7.2.8 Выходные соединители
7.2.8.1 Выходная сетевая мощность
О маркировке МНОГОРОЗЕТОЧНОГО СЕТЕВОГО СОЕДИНИТЕЛЯ, который является неотъемлемой частью ME ИЗДЕЛИЯ, см. 16.9.2.1 b).
7.2.8.2 Другие источники мощности
За исключением МНОГОРОЗЕТОЧНОГО СЕТЕВОГО СОЕДИНИТЕЛЯ или соединителей, предназначенных только для определенного изделия, частей изделия или ПРИНАДЛЕЖНОСТЕЙ, выходные соединители ME ИЗДЕЛИЯ, предназначенные для передачи мощности, должны маркироваться с указанием следующих характеристик:
- НОМИНАЛЬНОГО выходного напряжения;
- НОМИНАЛЬНОГО тока или мощности (если применимо);
- выходной частоты (если применимо).
7.2.9 Классификация IP
ME ИЗДЕЛИЕ или его части должны маркироваться символом, использующим буквы IP, за которыми должны следовать обозначения, приведенные в МЭК 60529, согласно классификации в 6.3 (см. таблицу D.3, Код 2).
ИЗДЕЛИЯ, классифицированные как IPX0 или IP0X, маркировать этими символами не обязательно.
7.2.10 * РАБОЧИЕ ЧАСТИ
Данное требование не применяют к частям, идентифицированным согласно 4.6.
Степень защиты от поражения электрическим током согласно классификации 6.2 должна маркироваться соответствующим символом для всех РАБОЧИХ ЧАСТЕЙ, т.е. РАБОЧИЕ ЧАСТИ ТИПА В - символом по МЭК 60417-5840, РАБОЧИЕ ЧАСТИ ТИПА BF - символом по МЭК 60417-5333, РАБОЧИЕ ЧАСТИ ТИПА CF - символом по МЭК 60417-5335 (все согласно DB:2002-10); см. таблицу D.1, символы 19, 20 и 21.
Для РАБОЧИХ ЧАСТЕЙ С ЗАЩИТОЙ ОТ РАЗРЯДА ДЕФИБРИЛЛЯТОРА должны использоваться символы по МЭК 60417-5841, МЭК 60417-5334 или МЭК 60417-5336 (все согласно DB:2002-10); см. таблицу D.1, символы 25, 26 и 27.
Соответствующий символ должен наноситься на соединитель РАБОЧЕЙ ЧАСТИ или рядом с ним, за исключением случаев:
- такой соединитель отсутствует; при этом маркировка должна наноситься на саму РАБОЧУЮ ЧАСТЬ; либо
- один соединитель используется для подсоединения нескольких РАБОЧИХ ЧАСТЕЙ, имеющих различную классификацию по степени защиты; в этом случае каждая РАБОЧАЯ ЧАСТЬ должна маркироваться собственным символом защиты.
Для четкого отличия символа по МЭК 60417-5333 от символа по МЭК 60417-5840 последний не должен наноситься таким образом, чтобы создавалось впечатление, что он помещен в прямоугольную рамку (см. таблицу D.1, символы 19 и 20).
Если устройство защиты от разряда дефибриллятора частично находится в кабеле ПАЦИЕНТА, то знак безопасности по ИСО 7010-W001 необходимо наносить вблизи соответствующего выхода (см. таблицу D.2, знак безопасности 2). В инструкции по эксплуатации должно даваться пояснение о том, что защита ME ИЗДЕЛИЯ от разряда дефибриллятора зависит от используемых кабелей.
7.2.11 Режим работы
В отсутствие на ME ИЗДЕЛИИ специальной маркировки предполагается, что оно предназначено для ПРОДОЛЖИТЕЛЬНОГО РЕЖИМА РАБОТЫ. Для ME ИЗДЕЛИЯ, не предназначенного для ПРОДОЛЖИТЕЛЬНОГО РЕЖИМА РАБОТЫ, с помощью соответствующей маркировки должен указываться РАБОЧИЙ ЦИКЛ, содержащий сведения о максимальном времени активации (вкл) и минимальном времени деактивации (выкл).
7.2.12 * Плавкие предохранители
В случае, когда держатель плавкого предохранителя является ДОСТУПНОЙ ЧАСТЬЮ, тип и полные характеристики плавкого предохранителя (напряжение, ток, скорость срабатывания) должны указываться вблизи держателя плавкого предохранителя.
7.2.13 Физиологические эффекты (знаки безопасности и предупреждающие надписи)
ME ИЗДЕЛИЯ, вызывающие физиологические эффекты, которые не очевидны для ОПЕРАТОРА и могут причинять ВРЕД ПАЦИЕНТУ или ОПЕРАТОРУ, должны иметь соответствующий знак безопасности (см. 7.5) на видном месте, чтобы он был ЧЕТКО РАЗЛИЧИМЫМ на ПРАВИЛЬНО УСТАНОВЛЕННОМ ME ИЗДЕЛИИ при НОРМАЛЬНОЙ ЭКСПЛУАТАЦИИ.
В инструкции по эксплуатации должны быть описаны характер ОПАСНОСТИ и меры предосторожности для ее предотвращения или минимизации связанного с ней РИСКА.
7.2.14 ПРИСОЕДИНИТЕЛЬНЫЕ УСТРОЙСТВА ВЫСОКОГО НАПРЯЖЕНИЯ
ПРИСОЕДИНИТЕЛЬНЫЕ УСТРОЙСТВА ВЫСОКОГО НАПРЯЖЕНИЯ, находящиеся на внешней стороне ME ИЗДЕЛИЯ и доступные без помощи ИНСТРУМЕНТА, должны маркироваться символом по МЭК 60417-5036 (DB:2002-10); см. таблицу D.1, символ 24.
7.2.15 Условия охлаждения
В маркировке должны содержаться требования к охлаждению ME ИЗДЕЛИЯ (например, подаче воды или воздуха).
7.2.16 Механическая устойчивость
О требованиях к маркировке ME ИЗДЕЛИЙ с ограниченной устойчивостью см. 9.4.
7.2.17 Защитная упаковка
Если при транспортировании или хранении ME ИЗДЕЛИЯ необходимо предпринимать специальные меры, то упаковку необходимо соответствующим образом маркировать (см. ИСО 780).
Допустимые условия транспортирования и хранения ME ИЗДЕЛИЯ должны содержаться в маркировке, наносимой на внешней стороне упаковки (см. 7.9.3.1 и ИСО 15223).
В случае, когда преждевременная распаковка ME ИЗДЕЛИЯ или его части может приводить к недопустимому РИСКУ, упаковку необходимо маркировать соответствующим знаком безопасности (см. 7.5).
Пример 1 - Чувствительные к действию влажности ME ИЗДЕЛИЯ.
Пример 2 - ME ИЗДЕЛИЯ, содержащие опасные вещества и материалы.
Упаковка ME ИЗДЕЛИЯ или его ПРИНАДЛЕЖНОСТЕЙ, поставляемых в стерильном состоянии, должна маркироваться как стерильная (см. ИСО 15223).
7.2.18 Внешний источник давления
На ME ИЗДЕЛИЕ должна наноситься маркировка вблизи каждого входного соединителя, содержащая сведения относительно максимального НОМИНАЛЬНОГО давления, создаваемого внешним источником.
7.2.19 ЗАЖИМ РАБОЧЕГО ЗАЗЕМЛЕНИЯ
ЗАЖИМ РАБОЧЕГО ЗАЗЕМЛЕНИЯ должен маркироваться символом по МЭК 60417-5017 (DB:2002-10); см. таблицу D.1, символ 7.
7.2.20 Съемные защитные средства
Если ME ИЗДЕЛИЕ предназначено для выполнения альтернативных функций, требующих удаления защитных средств, то эти защитные средства должны быть маркированы с указанием необходимости установки их на место, когда соответствующая альтернативная функция больше не требуется. При наличии блокировки маркировка не требуется.
Соответствие требованиям 7.2 проверяют внешним осмотром ME ИЗДЕЛИЯ и применением испытаний и критериев согласно 7.1.2 и 7.1.3.
7.3 Маркировка внутри ME ИЗДЕЛИЯ или частей ME ИЗДЕЛИЯ (см. также таблицу С.2)
7.3.1 Нагревательные элементы и патроны нагревательных ламп
Максимальная мощность нагревательных элементов и патронов нагревательных ламп должна указываться в маркировке, наносимой вблизи нагревателя или на нем самом.
Для нагревательных элементов и патронов нагревательных ламп, которые могут заменяться только ОБСЛУЖИВАЮЩИМ ПЕРСОНАЛОМ с помощью ИНСТРУМЕНТА, достаточна идентифицирующая маркировка со ссылкой на информацию, содержащуюся в ЭКСПЛУАТАЦИОННЫХ ДОКУМЕНТАХ.
7.3.2 * Части под ВЫСОКИМ НАПРЯЖЕНИЕМ
Части под ВЫСОКИМ НАПРЯЖЕНИЕМ ME ИЗДЕЛИЯ должны маркироваться: символом по МЭК 60417-5036 (DB:2002-10) - см. таблицу D.1, символ 24, или знаком безопасности - см. таблицу D.2, знак безопасности 3. См. также 7.5.
7.3.3 Батареи и аккумуляторы
Тип батареи или аккумулятора и порядок их установки (если применимо) должны быть указаны на маркировке (см. 15.4.3.2).
Для батарей или аккумуляторов, предназначенных для замены только ОБСЛУЖИВАЮЩИМ ПЕРСОНАЛОМ с помощью ИНСТРУМЕНТА, достаточна идентифицирующая маркировка со ссылкой на информацию в ЭКСПЛУАТАЦИОННЫХ ДОКУМЕНТАХ.
В случае использования литиевых батарей или аккумуляторов, или воспламеняющихся элементов, неправильная замена которых могла бы привести к недопустимому РИСКУ, дополнительно к идентифицирующей маркировке со ссылкой на ЭКСПЛУАТАЦИОННЫЕ ДОКУМЕНТЫ должно быть дано предупреждение, указывающее, что их замена недостаточно обученным персоналом может привести к ОПАСНОСТИ (такой как повышение температуры, возгорание или взрыв).
7.3.4 * Плавкие предохранители, ТЕРМОВЫКЛЮЧАТЕЛИ и АВТОМАТИЧЕСКИЕ ВЫКЛЮЧАТЕЛИ МАКСИМАЛЬНОГО ТОКА
Плавкие предохранители, сменные ТЕРМОВЫКЛЮЧАТЕЛИ и АВТОМАТИЧЕСКИЕ ВЫКЛЮЧАТЕЛИ МАКСИМАЛЬНОГО ТОКА, которые становятся доступными только с помощью ИНСТРУМЕНТА, должны идентифицироваться либо по типу и своим полным характеристикам (напряжению, току, скорости и току срабатывания), либо путем ссылки на ЭКСПЛУАТАЦИОННЫЕ ДОКУМЕНТЫ.
7.3.5 ЗАЖИМЫ ЗАЩИТНОГО ЗАЗЕМЛЕНИЯ
ЗАЖИМЫ ЗАЩИТНОГО ЗАЗЕМЛЕНИЯ должны маркироваться символом в соответствии с МЭК 60417-5019 (DB:2002-10); см. таблицу D.1, символ 6, за исключением случая, когда ЗАЖИМ ЗАЩИТНОГО ЗАЗЕМЛЕНИЯ находится в ПРИБОРНОЙ ВИЛКЕ согласно МЭК 60320-1.
Маркировка, наносимая на ЗАЖИМЫ ЗАЩИТНОГО ЗАЗЕМЛЕНИЯ или рядом с ними, не должна наноситься на части ME ИЗДЕЛИЯ, которые могут сниматься для выполнения соединений. Маркировка должна быть видна после выполнения соединений.
7.3.6 ЗАЖИМЫ РАБОЧЕГО ЗАЗЕМЛЕНИЯ
ЗАЖИМЫ РАБОЧЕГО ЗАЗЕМЛЕНИЯ должны маркироваться символом в соответствии с МЭК 60417- 5017 (DB:2002-10); см. таблицу D.1, символ 7.
7.3.7 Зажимы питания
Маркировка зажимов для проводов питания должна наноситься вблизи этих зажимов, за исключением случая, когда может быть доказана невозможность возникновения ОПАСНОЙ СИТУАЦИИ при перемещении проводов.
Если ME ИЗДЕЛИЕ является настолько малогабаритным, что маркировка зажимов не может быть нанесена, то соответствующие обозначения необходимо указать в ЭКСПЛУАТАЦИОННЫХ ДОКУМЕНТАХ.
Зажимы, предназначенные исключительно для подсоединения нулевого провода питания в ME ИЗДЕЛИИ С ПОСТОЯННЫМ ПРИСОЕДИНЕНИЕМ К ПИТАЮЩЕЙ СЕТИ, должны маркироваться соответствующим кодом согласно МЭК 60445 (см. таблицу D.3, код 1).
При необходимости маркировки трехфазного соединения ее необходимо наносить согласно МЭК 60445.
Маркировка, наносимая в местах электрических соединений или вблизи них, не должна наноситься на части, которые должны сниматься для выполнения соединений. Маркировка должна быть видна после выполнения соединений.
7.3.8 Температура зажимов питания
Если температура любой точки в распределительной коробке или в отсеке для проводов, предназначенных для питания ME ИЗДЕЛИЯ С ПОСТОЯННЫМ ПРИСОЕДИНЕНИЕМ К ПИТАЮЩЕЙ СЕТИ (включая также и сами провода), превышает 75°С при НОРМАЛЬНОЙ ЭКСПЛУАТАЦИИ и в НОРМАЛЬНОМ СОСТОЯНИИ при максимальной температуре окружающей среды, указанной в техническом описании (см. 7.9.3.1), то ME ИЗДЕЛИЕ должно маркироваться с использованием следующей или эквивалентной ей надписи:
"Для подключения питания используйте провода, предназначенные для работы при температурах не ниже X°С",
где X должно превышать максимальную температуру, возникающую в распределительной коробке или отсеке для проводов при НОРМАЛЬНОЙ ЭКСПЛУАТАЦИИ и в НОРМАЛЬНОМ СОСТОЯНИИ. Эта надпись должна наноситься в местах подсоединения питания или вблизи них, но не на частях ME ИЗДЕЛИЯ, которые должны удаляться для выполнения соединений. Эта надпись должна оставаться ЧЕТКО РАЗЛИЧИМОЙ после выполнения соединений.
Соответствие требованиям 7.3 проверяют внешним осмотром ME ИЗДЕЛИЯ, проведением испытаний и применением критериев 7.1.2 и 7.1.3.
7.4 Маркировка органов управления и измерительных приборов (см. также таблицу С.3)
7.4.1 Выключатели питания
Выключатели, используемые для коммутации питания ME ИЗДЕЛИЯ или его частей, включая сетевые выключатели, должны иметь положения "вкл" и "выкл", которые:
- маркированы символами согласно МЭК 60417-5007 (DB:2002-10) и МЭК 60417-5008 (DB:2002-10); см. таблицу D.1, символы 12 и 13; или
- индицируются установленным рядом световым индикатором; или
- указаны иными однозначно воспринимаемыми средствами.
При использовании нажимной кнопки с двумя фиксированными положениями:
- она должна маркироваться символом согласно МЭК 60417-5010 (DB:2002-10); см. таблицу D.1, символ 14;
- ее состояние должно индицироваться установленным рядом световым индикатором или
- состояние этого выключателя должно указываться иными однозначно воспринимаемыми средствами.
При использовании нажимной кнопки без фиксации положения:
- она должна маркироваться символом по МЭК 60417-5011 (DB:2002-10); см. таблицу D.1, символ 15; или
- ее состояние должно индицироваться установленным рядом световым индикатором; или
- состояние этого выключателя должно указываться иными однозначно воспринимаемыми средствами.
7.4.2 Органы управления
Различные положения органов управления и выключателей ME ИЗДЕЛИЯ должны индицироваться пиктограммами, буквами или другими визуальными средствами, например символами согласно МЭК 60417-5264 (DB:2002-10) и МЭК 60417-5265 (DB:2002-10); см. таблицу D.1, символы 16 и 17.
Если при НОРМАЛЬНОЙ ЭКСПЛУАТАЦИИ изменение установки органа управления может приводить к возникновению недопустимого РИСКА для ПАЦИЕНТА, то этот орган должен быть также снабжен:
- соответствующим устройством индикации, например измерительным прибором или шкалой; или
- указателем направления изменения значения данной функции (см. также 15.4.6.2).
7.4.3 Единицы измерения
Числовые значения параметров, указываемые на ME ИЗДЕЛИИ, должны выражаться в единицах системы СИ в соответствии с ИСО 31, за исключением величин в перечне таблицы 1, которые могут выражаться в единицах, не входящих в систему СИ.
Применение единиц измерения СИ, кратных им величин и некоторых других единиц измерения нужно осуществлять согласно ИСО 1000.
Соответствие требованиям 7.4 настоящего стандарта проверяют внешним осмотром ME ИЗДЕЛИЯ, проведением испытаний и применением критериев 7.1.2 и 7.1.3.
|
Величина |
Единица измерения | ||
|
наименование |
обозначение | ||
|
международное |
русское | ||
|
Плоский угол |
Оборот |
r |
об |
|
Град |
gon (grade) |
град (гон) | |
|
Градус |
° |
° | |
|
Угловая минута | |||
|
Угловая секунда | |||
|
Время |
Минута |
min |
мин |
|
Час |
h |
ч | |
|
Сутки |
d |
сут | |
|
Энергия |
Электрон-вольт |
eV |
эВ |
|
Объем |
Литр |
l* |
л* |
|
Давление респираторных газов, крови и других жидкостей организма |
Миллиметр ртутного столба |
mmHg |
мм рт ст. |
|
Сантиметр водяного столба |
cmH2O |
см вод. ст. | |
|
Давление газов |
Бар |
bar |
бар |
|
Миллибар |
mbar |
мбар | |
|
* Для согласованности с международными стандартами объем обозначают буквой l, хотя в стандарте ИСО приводится обозначение L. | |||
7.5 Знаки безопасности
В рамках настоящего пункта маркировка, используемая для предупреждений, запрещений или обязательных действий, уменьшающих РИСК, который недостаточно очевиден для ОПЕРАТОРА, должна выполняться в виде знаков безопасности, выбираемых в соответствии с ИСО 7010.
Примечание 1 - В данном контексте "предупреждение" означает "Существует определенная опасность", "запрещение" означает "Вы не должны ..." и "обязательные действия" означает "Вы должны ...".
При отсутствии знака безопасности соответствующего значения применяют один из следующих методов:
a) формируют знак безопасности по соответствующим шаблонам согласно ИСО 3864-1:2002 (пункт 7); см. таблицу D.2, знаки безопасности 1, 4 и 8;
b) используют общий предупреждающий знак безопасности согласно ИСО 7010:2003-W001 (см. таблицу D.2, знак безопасности 2) вместе с дополнительным символом или текстом. Текст должен иметь форму утвердительного заявления (т.е. указания безопасности) и описывать прогнозируемые РИСКИ, например "Возможность ожогов", "РИСК взрыва" и т.д.;
c) используют общий запрещающий знак безопасности согласно ИСО 7010:2003-Р001 (см. таблицу D.2, знак безопасности 4) вместе с дополнительным символом или текстом. Текст должен иметь форму утвердительного заявления (т.е. указания безопасности) и описывать, что запрещается, например, "Не открывать!", "Не бросать!" и т.д.;
d) используют общий знак безопасности для обязательных действий согласно ИСО 7010:2003-М001 (см. таблицу D.2, знак безопасности 9) вместе с дополнительным символом или текстом. Текст должен иметь форму утвердительного заявления (т.е. указания безопасности) и описывать обязательные действия в виде команды на их исполнение, например "Надеть защитные перчатки", "Очистить перед введением" и т.д.
В отсутствие места на ME ИЗДЕЛИИ для нанесения указания вместе со знаком безопасности это указание может быть приведено в инструкции по эксплуатации.
Примечания
2 Цвета знаков безопасности определены в ИСО 3864-1, которые всегда необходимо использовать.
3 Уведомление об опасности должно включать в себя и соответствующие меры предосторожности или инструкции по снижению РИСКА (например, типа "Не использовать для... ", "Держать вдали от... " и т.д.).
Знаки безопасности, включая любые дополнительные символы или надписи, должны сопровождаться пояснениями в инструкции по эксплуатации (см. 7.9.2).
Соответствие проверяют внешним осмотром ME ИЗДЕЛИЯ.
7.6 Символы
7.6.1 Объяснение символов
Смысл символов, используемых для маркировки, должен быть объяснен в инструкции по эксплуатации.
7.6.2 Символы, приведенные в приложении D
Символы, используемые в настоящем стандарте, должны соответствовать требованиям, приведенным в цитируемых публикациях МЭК или ИСО. Для получения оперативной справки в приложении D приведены графические символы и их описание.
7.6.3 Символы для маркировки органов управления и функций
Символы, используемые для маркировки органов управления и функций, должны, где это применимо, соответствовать требованиям стандартов МЭК и ИСО, в которых данные символы определены (см. также 7.2.13).
Примечание - В МЭК 60878 приведена сводка наименований, описаний и графических форм символов, предназначенных для маркировки электрических изделий, используемых в медицинской практике.
Соответствие требованиям 7.6 проверяют внешним осмотром.
7.7 Цвета изоляции проводов
7.7.1 ПРОВОД ЗАЩИТНОГО ЗАЗЕМЛЕНИЯ
ПРОВОД ЗАЩИТНОГО ЗАЗЕМЛЕНИЯ должен идентифицироваться по всей его длине изоляцией желтого и зеленого цветов.
7.7.2 СОЕДИНЕНИЯ С ЗАЩИТНЫМ ЗАЗЕМЛЕНИЕМ
Изоляция любых проводников ME ИЗДЕЛИЯ, которые формируют СОЕДИНЕНИЯ С ЗАЩИТНЫМ ЗАЗЕМЛЕНИЕМ, должна маркироваться желтым и зеленым цветами хотя бы на концах проводников.
Пример - В многожильных шнурах, состоящих из параллельно соединенных проводов, с целью уменьшения сопротивления СОЕДИНЕНИЙ С ЗАЩИТНЫМ ЗАЗЕМЛЕНИЕМ до допустимого значения, должны использоваться только провода с изоляцией желтого и зеленого цветов.
7.7.3 Изоляция желтого и зеленого цветов
Идентификация проводов с помощью изоляции желтого и зеленого цветов должна использоваться только для:
- ПРОВОДОВ ЗАЩИТНОГО ЗАЗЕМЛЕНИЯ (см. 8.6.2);
- проводов, указанных в 7.7.2;
- ПРОВОДОВ ВЫРАВНИВАНИЯ ПОТЕНЦИАЛОВ (см. 8.6.7);
- ПРОВОДОВ РАБОЧЕГО ЗАЗЕМЛЕНИЯ (см. 8.6.9).
7.7.4 Нулевой провод
Изоляция проводов в ШНУРАХ ПИТАНИЯ, предназначенных для соединения с нулевым проводом системы электропитания, в соответствии с МЭК 60227-1 или МЭК 60245-1 должна быть светло-голубого цвета.
7.7.5 Провода в ШНУРАХ ПИТАНИЯ
Цвета проводов в ШНУРАХ ПИТАНИЯ должны соответствовать МЭК 60227-1 или МЭК 60245-1.
Соответствие требованиям 7.7 проверяют внешним осмотром.
7.8 * Световые индикаторы и органы управления
7.8.1 Цвета световых индикаторов
Цвета световых индикаторов и их значение должны соответствовать указанным в таблице 2.
Примечание - МЭК 60601-1-8 содержит специальные требования к цвету, частоте и РАБОЧЕМУ ЦИКЛУ световых индикаторов тревожной сигнализации.
Точечно-матричные и другие буквенно-цифровые дисплеи не считаются световыми индикаторами.
|
Цвет |
Значение |
|
Красный |
Предостережение. Указание ОПЕРАТОРУ о принятии безотлагательных мер безопасности |
|
Желтый |
Предупреждение. Указание ОПЕРАТОРУ о необходимости отреагировать на индикацию |
|
Зеленый |
Указание о готовности к действию |
|
Любой другой |
Все указания, кроме указаний, соответствующих красному желтому или зеленому цвету |
7.8.2 Цвета органов управления
Красный цвет органов управления должен использоваться только для тех органов, с помощью которых выполнение какой-либо функции должно прерываться в случае возникновения срочной необходимости.
Соответствие требованию 7.8 проверяют внешним осмотром (см. также 15.4.4).
7.9 ЭКСПЛУАТАЦИОННЫЕ ДОКУМЕНТЫ
7.9.1 * Общие положения (см. также таблицу С.4)
ME ИЗДЕЛИЕ должно комплектоваться документацией, содержащей, по крайней мере, инструкцию по эксплуатации и техническое описание. ЭКСПЛУАТАЦИОННЫЕ ДОКУМЕНТЫ должны рассматриваться как часть ME ИЗДЕЛИЯ.
Примечание - Назначение ЭКСПЛУАТАЦИОННЫХ ДОКУМЕНТОВ состоит в обеспечении безопасной эксплуатации ME ИЗДЕЛИЯ в течение его ОЖИДАЕМОГО СРОКА СЛУЖБЫ.
ЭКСПЛУАТАЦИОННЫЕ ДОКУМЕНТЫ должны идентифицировать ME ИЗДЕЛИЕ путем включения в них следующих сведений (если применимо):
- наименование или торговая марка ИЗГОТОВИТЕЛЯ, а также адреса, по которым ОТВЕТСТВЕННАЯ ОРГАНИЗАЦИЯ может обращаться к нему;
- ОБОЗНАЧЕНИЕ МОДЕЛИ ИЛИ ТИПА ME ИЗДЕЛИЯ (см. 7.2.2).
ЭКСПЛУАТАЦИОННЫЕ ДОКУМЕНТЫ могут предоставляться на электронных носителях, например на CD ROM. Если ЭКСПЛУАТАЦИОННЫЕ ДОКУМЕНТЫ предоставлены на электронных носителях, то ПРОЦЕСС МЕНЕДЖМЕНТА РИСКА должен включать в себя рассмотрение вопроса о том, какую информацию следует предоставить также в виде твердой копии или в виде маркировки на ME ИЗДЕЛИИ, например, какие действия следует предпринять в случае возникновения чрезвычайной ситуации.
В ЭКСПЛУАТАЦИОННЫХ ДОКУМЕНТАХ должна быть указана необходимая квалификация и специальные навыки, требуемые ОПЕРАТОРУ или ОТВЕТСТВЕННОЙ ОРГАНИЗАЦИИ, а также все ограничения на выбор местоположения или условий внешней среды, в которой это ME ИЗДЕЛИЕ может использоваться.
ЭКСПЛУАТАЦИОННЫЕ ДОКУМЕНТЫ должны составляться на уровне, соответствующем образованию, обучению и знаниям лиц, для которых они предназначены.
Соответствие проверяют рассмотрением ЭКСПЛУАТАЦИОННЫХ ДОКУМЕНТОВ.
7.9.2 Инструкция по эксплуатации (см. также таблицу С.5)
7.9.2.1 * Общие положения
В инструкции по эксплуатации должны быть указаны:
- назначение ME ИЗДЕЛИЯ, предусмотренное ИЗГОТОВИТЕЛЕМ;
- наиболее часто используемые функции;
- любые известные противопоказания к применению данного ME ИЗДЕЛИЯ.
Инструкция по эксплуатации должна включать в себя все применимые классификации, указанные в пункте 6, все маркировки, указанные в 7.2, и пояснения знаков безопасности и символов, нанесенных на ME ИЗДЕЛИЕ.
Примечания
1 Инструкция по эксплуатации предназначена для ОПЕРАТОРА и ОТВЕТСТВЕННОЙ ОРГАНИЗАЦИИ и может содержать только информацию, максимально полезную для ОПЕРАТОРА или ОТВЕТСТВЕННОЙ ОРГАНИЗАЦИИ. Дополнительные сведения могут содержаться в техническом описании (см. также 7.9.3).
2 Рекомендации для подготовки инструкций по эксплуатации содержатся в МЭК 62079 [25], а рекомендации для подготовки материалов для обучения работе с ME ИЗДЕЛИЕМ - в МЭК/TR 61258 [24].
Инструкция по эксплуатации должна быть написана на языке, понятном для предполагаемого ОПЕРАТОРА.
7.9.2.2 * Предупреждения и указания по безопасности
Инструкция по эксплуатации должна содержать все предупреждения и указания по безопасности.
Примечание - Общие предупреждения и указания по безопасности должны включаться в определенный пункт инструкции по эксплуатации, который должен предшествовать собственно инструкциям.
Для ME ИЗДЕЛИЙ КЛАССА I инструкция по эксплуатации должна содержать предупреждение следующего содержания: "ОСТОРОЖНО! Во избежание риска поражения электрическим током изделие должно присоединяться только к сетевому питанию, имеющему защитное заземление".
Инструкция по эксплуатации должна содержать для ОПЕРАТОРА или ОТВЕТСТВЕННОЙ ОРГАНИЗАЦИИ предупреждения относительно любых серьезных РИСКОВ возникновения взаимовлияния из-за присутствия ME ИЗДЕЛИЯ при определенных исследованиях или лечении.
Инструкция по эксплуатации должна включать в себя информацию относительно возможности возникновения взаимных электромагнитных помех или других взаимодействий между ME ИЗДЕЛИЕМ и другими устройствами вместе с рекомендациями относительно способов их ликвидации или минимизации.
Если ME ИЗДЕЛИЕ оснащено встроенным МНОГОРОЗЕТОЧНЫМ СЕТЕВЫМ СОЕДИНИТЕЛЕМ (MSO), то в инструкции по эксплуатации должно содержаться предупреждение о том, что подсоединение электрических изделий к MSO фактически приводит к созданию ME СИСТЕМЫ, что в результате может снижать уровень безопасности. Для выполнения требований, которые применимы к ME СИСТЕМЕ, ОТВЕТСТВЕННАЯ ОРГАНИЗАЦИЯ должна ссылаться на настоящий стандарт.
7.9.2.3 ME ИЗДЕЛИЯ, предназначенные для подсоединения к отдельному источнику питания
Если ME ИЗДЕЛИЕ предназначено для подсоединения к отдельному источнику питания, то в этом случае либо источник питания должен считаться частью ME ИЗДЕЛИЯ, либо их сочетание должно считаться ME СИСТЕМОЙ, что должно указываться в инструкции по эксплуатации.
7.9.2.4 Источник питания
Для работающего от сети ME ИЗДЕЛИЯ с дополнительным источником питания, не обеспечивающего автоматическое поддержание его работоспособности, инструкция по эксплуатации должна содержать предупреждение относительно необходимости периодической проверки или замены этого дополнительного источника питания.
Если утечка из батарей или аккумуляторов может приводить к возникновению недопустимого РИСКА, то инструкция по эксплуатации должна содержать предупреждение относительно удаления батарей или аккумуляторов, если ME ИЗДЕЛИЕ не предполагается использовать в течение определенного промежутка времени.
Если ВНУТРЕННИЙ ИСТОЧНИК ПИТАНИЯ является съемным и допускающим замену, то его характеристики должны указываться в инструкции по эксплуатации.
Если выход из строя источника питания может приводить к возникновению недопустимого РИСКА, то инструкция по эксплуатации должна содержать предупреждение о том, что в этом случае ME ИЗДЕЛИЕ должно подсоединяться к соответствующему источнику питания.
Пример - Встроенный или внешний аккумулятор, блок бесперебойного питания (UPS) или резервный генератор.
7.9.2.5 Описание ME ИЗДЕЛИЯ
Инструкция по эксплуатации должны включать в себя:
- краткое описание ME ИЗДЕЛИЯ;
- порядок функционирования ME ИЗДЕЛИЯ;
- наиболее важные физические и функциональные характеристики ME ИЗДЕЛИЯ.
Когда это применимо, в описании должны указываться возможные положения ОПЕРАТОРА, ПАЦИЕНТА и других лиц относительно ME ИЗДЕЛИЯ при его НОРМАЛЬНОЙ ЭКСПЛУАТАЦИИ (см. 9.2.2.3).
Инструкция по эксплуатации должна включать в себя информацию относительно материалов или компонентов, воздействию которых может подвергаться ПАЦИЕНТ или ОПЕРАТОР, если это воздействие может приводить к возникновению недопустимого РИСКА (см. 11.7).
В инструкции по эксплуатации должны указываться все ограничения на использование других изделий или СЕТЕВЫХ/ИНФОРМАЦИОННЫХ СРЕДСТВ СВЯЗИ, к которым может подсоединяться СИГНАЛЬНЫЙ ВХОД/ВЫХОД, кроме тех, которые формируют часть ME СИСТЕМЫ.
В инструкции по эксплуатации должны указываться все РАБОЧИЕ ЧАСТИ.
7.9.2.6 * Монтаж
При необходимости монтажа ME ИЗДЕЛИЯ или его частей инструкция по эксплуатации должна содержать:
- ссылки на документ, в котором может быть найдена инструкция по монтажу (например, в техническом описании); или
- контактную информацию относительно квалифицированного персонала, определенного ИЗГОТОВИТЕЛЕМ для выполнения монтажа.
7.9.2.7 * Изоляция от ПИТАЮЩЕЙ СЕТИ
При использовании ПРИБОРНОГО СОЕДИНИТЕЛЯ или съемного штепселя в качестве средства изоляции, удовлетворяющего требованиям 8.11.1, перечисление а), инструкция по эксплуатации должна содержать указание о размещении ME ИЗДЕЛИЯ таким образом, чтобы не создавать трудностей при работе с разъединительным устройством.
7.9.2.8 ПРОЦЕДУРА запуска
Инструкция по эксплуатации должна содержать необходимую для ОПЕРАТОРА информацию относительно порядка ввода ME ИЗДЕЛИЯ в эксплуатацию, включая все исходные параметры управления, соединение или размещение ПАЦИЕНТА и т.д.
В инструкции по эксплуатации должно содержаться подробное описание всех подготовительных действий, необходимых перед использованием ME ИЗДЕЛИЯ, его частей или ПРИНАДЛЕЖНОСТЕЙ.
Пример - Перечень предварительных проверочных операций.
7.9.2.9 Порядок работы
Инструкция по эксплуатации должна содержать все сведения, необходимые для обеспечения работы ME ИЗДЕЛИЯ в соответствии с его характеристиками, включая описание всех функций органов управления, дисплеев и сигналов, последовательности операций управления, порядка подключения и отключения съемных частей и ПРИНАДЛЕЖНОСТЕЙ, замены материалов, расходуемых при его работе.
В инструкции по эксплуатации должны поясняться значения рисунков, символов, предупреждающих надписей, сокращений и световых индикаторов, имеющихся на ME ИЗДЕЛИИ.
7.9.2.10 Сообщения
Инструкция по эксплуатации должна содержать перечень всех системных сообщений, сообщений об ошибках и нарушениях, за исключением случая, когда сообщения не требуют пояснений.
Примечание 1 - Эти перечни могут идентифицироваться по группам.
Этот перечень должен включать в себя пояснения к сообщениям с указанием наиболее важных причин, а также возможных действий ОПЕРАТОРА (если таковые вообще предусмотрены), которые необходимы для устранения ситуаций, указанных в сообщениях.
Примечание 2 - Требования и руководящие принципы для сообщений, формируемых системой тревожной сигнализации, содержатся в МЭК 60601-1-8.
7.9.2.11 ПРОЦЕДУРА завершения работы
Инструкция по эксплуатации должна содержать необходимую ОПЕРАТОРУ информацию для безопасного завершения работы ME ИЗДЕЛИЯ.
7.9.2.12 Очистка, дезинфекция и стерилизация
Для частей ME ИЗДЕЛИЯ или ПРИНАДЛЕЖНОСТЕЙ, которые могут быть загрязнены из-за контакта с ПАЦИЕНТОМ или с биологическими жидкостями организма или испускаемыми газами при НОРМАЛЬНОЙ ЭКСПЛУАТАЦИИ, в инструкции по эксплуатации должны содержаться:
- подробные сведения относительно методов очистки и дезинфекции или стерилизации, которые могут при этом использоваться;
- перечень допустимых параметров, таких как температура, давление, влажность, временные пределы и число рабочих циклов, которые данные части ME ИЗДЕЛИЯ или ПРИНАДЛЕЖНОСТИ могут выдерживать.
См. также 11.6.6 и 11.6.7.
Данное требование не относится ни к какому материалу, компоненту, ПРИНАДЛЕЖНОСТИ или ME ИЗДЕЛИЮ, которое промаркировано для одноразового использования, за исключением случая, когда ИЗГОТОВИТЕЛЬ указывает, что материал, компонент, ПРИНАДЛЕЖНОСТЬ или ME ИЗДЕЛИЕ должно подвергаться очистке, дезинфекции или стерилизации перед применением (см. 7.2.1).
7.9.2.13 Обслуживание
В инструкции по эксплуатации должны содержаться достаточно подробные сведения для ОПЕРАТОРА или ОТВЕТСТВЕННОЙ ОРГАНИЗАЦИИ относительно профилактического осмотра, технического обслуживания и калибровки ME ИЗДЕЛИЯ, которые должны ими выполняться, включая периодичность такого обслуживания.
В инструкции по эксплуатации должны содержаться сведения относительно безопасности работ при профилактическом техническом обслуживании, необходимом для обеспечения продолжительной и безопасной эксплуатации ME ИЗДЕЛИЯ.
Кроме того, инструкция по эксплуатации должна определять те части ME ИЗДЕЛИЯ, профилактический осмотр и техническое обслуживание которых должны выполняться ОБСЛУЖИВАЮЩИМ ПЕРСОНАЛОМ, включая периодичность проведения этих работ, но не обязательно должно быть подробное описание выполнения этого обслуживания.
Для ME ИЗДЕЛИЯ, содержащего аккумуляторы, которые не требуют технического обслуживания силами ОБСЛУЖИВАЮЩЕГО ПЕРСОНАЛА, инструкция по эксплуатации должна содержать указания, гарантирующие адекватное обслуживание.
7.9.2.14 ПРИНАДЛЕЖНОСТИ, вспомогательные изделия, используемые материалы
Инструкция по эксплуатации должна включать в себя перечень ПРИНАДЛЕЖНОСТЕЙ, съемных частей и материалов, которые, как определил ИЗГОТОВИТЕЛЬ, предназначены для применения совместно с ME ИЗДЕЛИЕМ.
Если ME ИЗДЕЛИЕ предназначено для получения питания от другого изделия ME СИСТЕМЫ, то в инструкции по эксплуатации должно быть приведено достаточно полное описание последнего, чтобы надежно гарантировать соответствие требованиям настоящего стандарта (например, указание его номера, НОМИНАЛЬНОГО напряжения, максимальной или минимальной мощности, класса защиты, режима обслуживания - периодического или постоянного).
Примечание - То, что в первом и втором изданиях настоящего стандарта называлось "специальным источником питания", теперь рассматривается либо как другая часть одного и того же ME ИЗДЕЛИЯ, либо как другое изделие ME СИСТЕМЫ. Поэтому зарядное устройство аккумуляторов также должно рассматриваться либо как часть ME ИЗДЕЛИЯ, либо как отдельное изделие в составе ME СИСТЕМЫ.
7.9.2.15 Защита окружающей среды
Инструкция по эксплуатации должна:
- идентифицировать любые РИСКИ, связанные с утилизацией отходов, остатков и т.д., а также ME ИЗДЕЛИЙ и ПРИНАДЛЕЖНОСТЕЙ по окончании их ОЖИДАЕМОГО СРОКА СЛУЖБЫ;
- давать рекомендации относительно снижения подобных РИСКОВ.
7.9.2.16 Ссылки на техническое описание
Инструкция по эксплуатации должна содержать сведения, указанные в 7.9.3, или ссылку, где указанный в 7.9.3 материал может быть найден (например, на руководство по обслуживанию).
Соответствие требованиям 7.9.2 проверяют рассмотрением инструкции по эксплуатации.
7.9.3 Техническое описание (см. также таблицу С.6)
7.9.3.1 * Общие положения
Техническое описание должно содержать все данные, которые наиболее важны для безопасной эксплуатации, транспортирования и хранения ME ИЗДЕЛИЯ, а также средства или условия, необходимые для его монтажа и подготовки к эксплуатации. Оно должно включать в себя:
- допустимые условия внешней среды, включая условия транспортирования и хранения (см. также 7.2.17);
- все характеристики ME ИЗДЕЛИЯ, включая область(и) применения, точность и достоверность индицируемых значений или показаний, если применимо;
- все специальные требования к монтажу, например максимально допустимый полный импеданс ПИТАЮЩЕЙ СЕТИ.
Примечание 1 - Полный импеданс ПИТАЮЩЕЙ СЕТИ - сумма импеданса распределительной сети и импеданса источника питания;
- если для охлаждения используется жидкость, то - допустимый диапазон значений давления и расхода на входе, а также химический состав охлаждающей жидкости;
- описание средств изоляции ME ИЗДЕЛИЯ от ПИТАЮЩЕЙ СЕТИ, если они не входят в состав ME ИЗДЕЛИЯ [см. 8.11.1 b)];
- описание средств контроля за уровнем масла в частично заполненных маслом ME ИЗДЕЛИЯХ или его частях (см. 15.4.9), если применимо;
- предупреждающие надписи, относящиеся к ОПАСНОСТЯМ, которые могут стать следствием неавторизованной модификации ME ИЗДЕЛИЯ, например предупреждения следующих типов:
●"ВНИМАНИЕ! Модификация изделия не допускается!".
●"ВНИМАНИЕ! Модификация этого изделия без разрешения изготовителя не допускается!".
●"ВНИМАНИЕ! При модификации изделия необходимо проведение соответствующих контроля и испытаний, гарантирующих длительную безопасную эксплуатацию изделия".
Если техническое описание не объединено с инструкцией по эксплуатации, то оно должно содержать:
- сведения, требуемые согласно 7.2;
- все применимые классификации, указанные в пункте 6, а также все предупреждающие надписи и знаки безопасности (вместе с их пояснениями), нанесенные на ME ИЗДЕЛИЕ;
- краткое описание ME ИЗДЕЛИЯ, принцип действия и наиболее важные физические и эксплуатационные характеристики.
Примечание 2 - Техническое описание предназначено для ОТВЕТСТВЕННОЙ ОРГАНИЗАЦИИ и ОБСЛУЖИВАЮЩЕГО ПЕРСОНАЛА.
ИЗГОТОВИТЕЛЬ может указывать минимально необходимый уровень квалификации ОБСЛУЖИВАЮЩЕГО ПЕРСОНАЛА. В этом случае он должен отражаться в техническом описании.
Примечание 3 - Некоторые контролирующие органы с соответствующим уровнем компетентности могут предъявлять дополнительные требования к квалификации ОБСЛУЖИВАЮЩЕГО ПЕРСОНАЛА.
7.9.3.2 Замена плавких предохранителей, ШНУРОВ ПИТАНИЯ и других частей
Техническое описание должно содержать, если применимо, следующие сведения:
- требуемые типы и номинальные параметры плавких предохранителей, используемых в ПИТАЮЩЕЙ СЕТИ, внешней по отношению к ME ИЗДЕЛИЮ С ПОСТОЯННЫМ ПРИСОЕДИНЕНИЕМ К ПИТАЮЩЕЙ СЕТИ, если тип и номинальные параметры этих предохранителей невозможно определить из сведений о НОМИНАЛЬНОМ потребляемом токе и режиме работы ME ИЗДЕЛИЯ;
- должен ли ШНУР ПИТАНИЯ заменяться ОБСЛУЖИВАЮЩИМ ПЕРСОНАЛОМ для ME ИЗДЕЛИЙ, имеющих несъемный ШНУР ПИТАНИЯ. Если да, то в этом случае должны быть инструкции по подсоединению и креплению этого ШНУРА ПИТАНИЯ таким образом, чтобы обеспечивалось выполнение требований 8.11.3;
- инструкции по замене взаимозаменяемых или съемных частей ME ИЗДЕЛИЯ, которые ИЗГОТОВИТЕЛЬ указал как заменяемые ОБСЛУЖИВАЮЩИМ ПЕРСОНАЛОМ;
- в случае, когда замена компонента может приводить к возникновению недопустимого РИСКА, должны быть соответствующие предупреждения, указывающие на характер ОПАСНОСТИ. Когда ИЗГОТОВИТЕЛЬ определяет, что какой-либо компонент подлежит замене ОБСЛУЖИВАЮЩИМ ПЕРСОНАЛОМ, необходимо привести все сведения для безопасной замены этого компонента.
7.9.3.3 Схемы электрические, перечень элементов и т.д.
В техническом описании должно быть указано, что ИЗГОТОВИТЕЛЬ по запросу будет предоставлять электрические схемы, спецификации на компоненты, инструкции по калибровке и другие сведения, необходимые ОБСЛУЖИВАЮЩЕМУ ПЕРСОНАЛУ для замены тех частей ME ИЗДЕЛИЯ, которые определены ИЗГОТОВИТЕЛЕМ как заменяемые ОБСЛУЖИВАЮЩИМ ПЕРСОНАЛОМ.
7.9.3.4 Изоляция от сети
В техническом описании должны быть четко указаны все средства, используемые для обеспечения соответствия требованиям 8.11.1.
Соответствие требованию 7.9.3 настоящего стандарта проверяют рассмотрением технического описания.


