Утв. Приказом федерального агентства по техническому регулированию и метрологии от 13 декабря 2011 г. N 1016-ст
Национальный стандарт РФ ГОСТ Р ИСО 7721-2011
"ВИНТЫ С ПОТАЙНОЙ ГОЛОВКОЙ. КОНСТРУКЦИЯ ГОЛОВКИ И КАЛИБРЫ ДЛЯ КОНТРОЛЯ"
Countersunk head screws. Head configuration and gauging
Дата введения - 1 января 2013 г.
Введен впервые
Предисловие
Цели и принципы стандартизации в Российской Федерации установлены Федеральным законом от 27 декабря 2002 г. N 184-ФЗ "О техническом регулировании", а правила применения национальных стандартов Российской Федерации - ГОСТ Р 1.0-2004 "Стандартизация в Российской Федерации. Основные положения"
Сведения о стандарте
1 Подготовлен Федеральным государственным унитарным предприятием "Всероссийский научно-исследовательский институт стандартизации и сертификации в машиностроении" (ФГУП "ВНИИНМАШ") на основе собственного аутентичного перевода на русский язык международного стандарта, указанного в пункте 4
2 Внесен Техническим комитетом по стандартизации ТК 229 "Крепежные изделия"
3 Утвержден и введен в действие приказом Федерального агентства по техническому регулированию и метрологии от 13 декабря 2011 г. N 1016-ст
4 Настоящий стандарт идентичен международному стандарту ИСО 7721:1983 "Винты с потайной головкой. Конструкция головки и калибры для контроля" (ISO 7721:1983 "Countersunk head screws - Head configuration and gauging")
5 Введен впервые
6 Переиздание. Январь 2013 г.
1 Область применения
Настоящий стандарт устанавливает конструкцию и размеры потайных головок винтов с прямым и крестообразным шлицем, а также рекомендуемый метод контроля размеров головок, установленных в соответствующих стандартах на изделия.
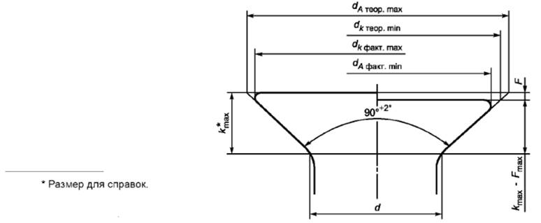
2 Конструкция головки

Рисунок 1
Таблица 1
|
Размеры в миллиметрах
|
|
Резьба d
|
метрическая
|
М1, 6
|
М2
|
М2, 5
|
М3
|
М3, 5
|
М4
|
М5
|
-
|
М6
|
М8
|
М10
|
М12
|
М14
|
М16
|
М18
|
М20
|
|
самонарезающая
|
-
|
ST 2, 2
|
-
|
ST 2, 9
|
ST 3, 5
|
ST 4, 2
|
ST 4, 8
|
ST 5, 5
|
ST 6, 3
|
ST 8
|
ST 9, 5
|
-
|
-
|
-
|
-
|
-
|
|
теоретическое
|
не более
|
3, 6
|
4, 4
|
5, 5
|
6, 3
|
8, 2
|
9, 4
|
10, 4
|
11, 5
|
12, 6
|
17, 3
|
20
|
24
|
28
|
32
|
36
|
40
|
|
не менее
|
3, 3
|
4, 1
|
5, 1
|
5, 9
|
7, 7
|
8, 9
|
9, 8
|
10, 9
|
11, 9
|
16, 5
|
19, 2
|
23, 1
|
27
|
30, 8
|
34, 7
|
38, 5
|
|
dk
|
фактическое
|
не более
|
3
|
3, 8
|
4, 7
|
5, 5
|
7, 3
|
8, 4
|
9, 3
|
10, 3
|
11, 3
|
15, 8
|
18, 3
|
22
|
25, 5
|
29
|
32, 5
|
36
|
|
не менее
|
2, 7
|
3, 5
|
4, 4
|
5, 2
|
6, 9
|
8
|
8, 9
|
9, 9
|
10, 9
|
15, 4
|
17, 8
|
21, 5
|
25
|
28, 5
|
31, 9
|
35, 4
|
|
F, не более
|
0, 15
|
0, 15
|
0, 2
|
0, 2
|
0, 25
|
0, 25
|
0, 3
|
0, 3
|
0, 35
|
0, 4
|
0, 4
|
0, 45
|
0, 5
|
0, 6
|
0, 65
|
0, 75
|
|
метрическая
|
1
|
1, 2
|
1, 5
|
1, 65
|
2, 35
|
2, 7
|
2, 7
|
-
|
3, 3
|
4, 65
|
5
|
6
|
7
|
8
|
9
|
10
|
|
k, не более
|
самонарезающая
|
-
|
1, 1
|
-
|
1, 7
|
2, 35
|
2, 6
|
2, 8
|
3
|
3, 15
|
4, 65
|
5, 25
|
-
|
-
|
-
|
-
|
-
|
3 Метод контроля калибром
Размеры калибров приведены на рисунках 2, 3 и в таблице 2.
Потайной калибр для контроля высоты головки

Рисунок 2

Рисунок 3
Таблица 2
|
Размеры в миллиметрах
|
|
Резьба d
|
метрическая
|
М1, 6
|
М2
|
М2, 5
|
М3
|
М3, 5
|
М4
|
М5
|
-
|
М6
|
М8
|
М10
| |
|
самонарезающая
|
-
|
ST2, 2
|
-
|
ST2, 9
|
ST3, 5
|
ST4, 2
|
ST4, 8
|
ST5, 5
|
ST6, 3
|
ST8
|
ST9, 5
| |
|
D
|
не более
|
3, 6
|
4, 4
|
5, 5
|
6, 3
|
8, 2
|
9, 4
|
10, 4
|
11, 5
|
12, 6
|
17, 3
|
20
| |
|
не менее
|
3, 55
|
4, 35
|
5, 45
|
6, 25
|
8, 15
|
9, 35
|
10, 35
|
11, 45
|
12, 55
|
17, 25
|
19, 95
| |
|
da
|
не более
|
1, 84
|
2, 36
|
2, 74
|
3, 3
|
3, 9
|
4, 4
|
5, 5
|
5, 68
|
6, 6
|
8, 54
|
10, 62
| |
|
не менее
|
1, 74
|
2, 26
|
2, 64
|
3, 2
|
3, 8
|
4, 3
|
5, 4
|
5, 58
|
6, 5
|
8, 44
|
10, 52
| |
|
F
|
не более
|
0, 15
|
0, 15
|
0, 2
|
0, 2
|
0, 25
|
0, 25
|
0, 3
|
0, 3
|
0, 35
|
0, 4
|
0, 4
| |
|
не менее
|
0, 14
|
0, 14
|
0, 19
|
0, 19
|
0, 24
|
0, 24
|
0, 29
|
0, 29
|
0, 34
|
0, 39
|
0, 39
| |
|
dh
|
не менее
|
2, 68
|
3, 48
|
4, 38
|
5, 18
|
6, 88
|
7, 98
|
8, 88
|
9, 88
|
10, 88
|
15, 38
|
17, 78
| |
|
не более
|
2, 7
|
3, 5
|
4, 4
|
5, 2
|
6, 9
|
8
|
8, 9
|
9, 9
|
10, 9
|
15, 4
|
17, 8
| |
|
Примечание - Диаметры da, min, с учетом радиуса под головкой R, равного 0, 25 d для винтов с метрической резьбой и 0, 4 d для самонарезающих винтов.
| |
Приложение А
(справочное)
Расчетная база для максимального диаметра головок винтов с потайной головкой

Рисунок А.1 - Схема формирования внешнего контура головки
Основные положения
1 При формировании головки с минимальной высотой зазор С между пуансоном и матрицей будет иметь минимальные значения, указанные в таблице А.1.
Таблица А.1
|
Резьба d
|
метрическая
|
М 1, 6
|
М 2
|
М 2, 5
|
М 3
|
М 3, 5
|
М 4
|
М 5
|
-
|
М 6
|
М 8
|
М 10
|
|
самонарезающая
|
-
|
ST 2, 2
|
-
|
ST2, 9
|
ST3, 5
|
ST4, 2
|
ST4, 8
|
ST5, 5
|
ST6, 3
|
ST8
|
-
|
|
С, мм, не менее
|
0, 2
|
0, 22
|
0, 28
|
0, 3
|
0, 32
|
0, 35
|
0, 38
|
0, 4
|
0, 42
|
0, 5
|
0, 63
|
2 При формировании головки с максимальной высотой и максимальным фактическим диаметром внешний контур головки и зазор между пуансоном и матрицей определяют из рисунка А.1:
s=p-r,
где p = LM - (F + C) sec 45°;
r=LMtg22°30'=(F+C)sec45°×tg22°30';
s=(F+C)sec45°-(F+C)sec45°×tg22°30';;
s=(F+C)(sec45°)(1-tg22°30')≈0, 83(F+C);
,
где dk теор.min=dk теор.max - 2 F.