ГОСТ Р ИСО 7176-7-2015 КРЕСЛА-КОЛЯСКИ. Часть 7. ИЗМЕРЕНИЕ РАЗМЕРОВ СИДЕНЬЯ И КОЛЕСА
Wheelchairs. Part 7. Measurement of seating and wheel dimensions
Дата введения - 1 января 2017 г.
Взамен ГОСТ Р 51082-97 (ИСО 7176-7-96)
Предисловие
1 Подготовлен Федеральным государственным унитарным предприятием "Российский научно-технический центр информации по стандартизации, метрологии и оценке соответствия" (ФГУП "СТАНДАРТИНФОРМ") на основе собственного аутентичного перевода на русский язык англоязычной версии международного стандарта, указанного в пункте 4
2 Внесен Техническим комитетом по стандартизации ТК 381 "Технические средства для инвалидов"
3 Утвержден и введен в действие приказом Федерального агентства по техническому регулированию и метрологии от 28 октября 2015 г. N 2172-ст
4 Настоящий стандарт идентичен международному стандарту ИСО 7176-7:1998(E) "Кресла-коляски. Часть 7. Измерение размеров сиденья и колеса" (ISO 7176-7:1998 "Wheelchairs - Part 7: Measurement of seating and wheel dimensions, IDT").
При применении настоящего стандарта рекомендуется использовать вместо ссылочных международных стандартов соответствующие им национальные стандарты Российской Федерации, сведения о которых приведены в дополнительном приложении ДА
5 Взамен ГОСТ Р 51082-97 (ИСО 7176-7-96)
Предисловие к ИСО 7176-7:1998
ИСО (Международная организация по стандартизации) является всемирной федерацией национальных органов по стандартизации (членов ИСО). Работу по подготовке международных стандартов обычно проводят Технические комитеты ИСО. Каждый член организации, заинтересованный темой, для работы над которой был создан соответствующий Технический комитет, имеет право быть представителем в этом комитете. Международные правительственные и неправительственные организации, поддерживающие связь с ИСО, также принимают участие в работе. ИСО тесно сотрудничает с Международной электротехнической комиссией (МЭК) по всем вопросам стандартизации в области электротехники.
Проекты международных стандартов, принятые Техническими комитетами, направляют на согласование членам заинтересованных организаций. Для публикации в качестве международного стандарта требуется одобрение не менее 75% проголосовавших членов организаций.
Настоящий стандарт подготовлен Техническим комитетом ИСО/ТК 173 "Средства помощи для лиц с ограничениями жизнедеятельности", подкомитет ПК 1 "Кресла-коляски".
ИСО 7176 состоит из следующих частей под общим наименованием "Кресла-коляски":
- часть 1. Определение статической устойчивости кресел-колясок;
- часть 2. Определение динамической устойчивости кресел-колясок с электроприводом;
- часть 3. Определение эффективности действия тормозной системы;
- часть 4. Определение запаса хода кресел-колясок с электроприводом и скутеров путем измерения расхода энергии;
- часть 5. Определение размеров, массы и площади для маневрирования кресел-колясок;
- часть 6. Определение максимальной скорости, ускорения и замедления кресел-колясок с электроприводом;
- часть 7. Измерение размеров сиденья и колеса кресел-колясок;
- часть 8. Требования и методы испытаний на статическую, ударную и усталостную прочность кресел-колясок;
- часть 9. Климатические испытания кресел-колясок с электроприводом;
- часть 10. Определение способности кресел-колясок с электроприводом преодолевать препятствия;
- часть 11. Испытательные манекены;
- часть 13. Методы испытаний для определения коэффициента трения испытательной поверхности;
- часть 14. Электросистемы и системы управления кресел-колясок с электроприводом и скутеров. Требования и методы испытаний;
- часть 15. Требования к документации и маркировке для обеспечения доступности информации;
- часть 16. Стойкость к возгоранию элементов кресла-коляски с мягкой обивкой. Требования и методы испытаний.
Следующие части включены в рабочую программу:
- часть 17. Средства управления (контроллеры) серийным интерфейсом кресел-колясок с электроприводом;
- часть 18. Устройства для преодоления лестничных ступенек;
- часть 19. Колесные передвижные устройства, используемые в качестве сидения в автомобилях;
- часть 20. Определение эксплуатационных характеристик кресел-колясок типа "stand - up";
- часть 21. Требования и методы испытаний для обеспечения электромагнитной совместимости кресел-колясок с электроприводом и скутеров с зарядными устройствами;
- часть 22. Правила установки;
Кроме того, будут разработаны технические рекомендации по применению этих частей ИСО 7176.
Приложение А является обязательным.
Приложение В носит справочный характер.
Введение
Целью настоящей части ИСО 7176 является обеспечение сопоставимости информации о размерах сиденья и колес при регламентировании консистентных повторяющихся методов измерения, которые обеспечивают потребности в этой информации.
Сиденья и колеса кресел-колясок из-за склонности к деформации, изменению конфигурации и гибкой структуры имеют малое число консистентных эталонных мест, в которых могут быть произведены достоверные измерения. В прошлом изготовители кресел-колясок разрабатывали свои собственные методы измерений, которые отличались друг от друга. Это препятствовало сравнимости результатов этих измерений между собой.
Кроме того, иногда измерения осуществляли, исходя из простоты. Не учитывая медицинские (клинические) потребности. Например, глубина сиденья для мягких сидений обычно устанавливалась вдоль мягкого (податливого) материала и при этом не учитывался зазор между спиной сидящего пользователя и спинкой сиденья. Этот зазор может достигать 50 мм и существенно влияет на глубину сидений и колес, которые могут возникнуть для регулируемых образцов сидений и колес, которые могут привести к очень большому числу измерений. Данная часть ИСО 7176 затрагивает прежде всего размещение стандартного нагружающего устройства на сиденье кресла-коляски. Применяют два размера нагружающего устройства, соответствующие размерам тела ребенка.
Нагружающее устройство деформирует любые гибкие структуры неоднократно и обеспечивает референсные места, для которых производят измерения. Местоположение измерений описано применительно к нагружающему устройству. Точное расположение нагружающего устройства необходимо для обеспечения повторяемости результатов измерения, и установлено детально в тексте стандарта. И наконец, для облегчения сравнения данных, полученных разными изготовителями, между собой, в стандарт включена форма, по которой представляют результат измерений.
Необходимо заметить, что кресла-коляски часто производят в виде конструктивно-унифицированных семейств, состоящих из базовой модели и модификаций этой базовой модели. Это обусловливает необходимость выбора модификации для осуществления измерений.
Настоящий стандарт устанавливает метод измерения параметров и размеров сиденья и колеса кресла-коляски.
Настоящий стандарт распространяется на кресла-коляски и перевозочные средства, предназначенные для обеспечения передвижения (мобильности) людей с ограничениями жизнедеятельности, чья масса не превышает 120 кг, внутри и вне помещений со скоростью не более 15 км/ч, и относящиеся к следующим классификационным группировкам по ИСО 9999:1992:
- кресла-коляски с электроприводом и ручным управлением - 12 21 24;
- кресла-коляски с электроприводом и с сервоуправлением - 12 21 27;
- кресла-коляски с приводом двигателем и управляемые сопровождающим лицом - 12 21 21;
- кресла-коляски, приводимые в движения и управляемые сопровождающим лицом - 12 21 03;
- кресла-коляски с двуручным приводом задних колес - 12 21 06;
- кресла-коляски с двуручные приводом передних колес - 12 21 09;
- кресла-коляски с двуручным рычажным приводом - 12 21 12;
- кресла-коляски, не имеющие силовую установку, приводимые в движение одной рукой или одной ногой - 12 21 15;
- кресла-коляски с ножным приводом - 12 21 18.
Настоящий стандарт не распространяется на кресла-коляски, сиденья которых имеют ширину менее 212 мм.
Настоящий стандарт не устанавливает номинальные размеры сиденья и колеса кресел-колясок.
Примечание - Для кресел-колясок, которые находятся вне сферы распространения настоящего стандарта, эта часть ИСО 7176 может стать методическим пособием для проведения измерений. Следует отметить, что для кресел-колясок, созданных для пользователей, чья масса значительно превышает массу эталонного нагрузочного устройства (см. приложение А) и которые имеют сжимающиеся составные части, такие как пружинная подвеска колес и/или сидений, процедура измерения может не дать необходимой точности, т.к. сжимающиеся части не могут быть полностью сжаты.
В настоящем стандарте использованы нормативные ссылки на следующие стандарты. Для датированных ссылок применяют только издание, на которое дана ссылка. Для недатированных ссылок применяют самое последнее издание документа, на который ссылаются (включая любые изменения).
ИСО 6440-1985 Кресла колесные. Номенклатура, термины и определения (ISO 6440:1985, Wheelchairs - Nomenclature, terms and definitions)
ИСО 7176-15:1996 Кресла-коляски. Часть 15. Требования к документации и маркировке для обеспечения доступности информации (ISO 7176-15:1996, Wheelchairs - Part 15: Requirements for information disclosure, documentation and labelling)
ИСО 9999-201 вспомогательные средства для людей с ограничениями жизнедеятельности. Классификация и терминология (ISO 9999:2011, Assistive products for persons with disability - Classification and terminology)
Для целей настоящего стандарта применены термины по ИСО 7176-15, а также следующие термины с соответствующими определениями:
3.1 эталонное нагружающее устройство; ЭНУ (reference loader gauge (RLG): Устройство, используемое для нагружения сиденья кресла-коляски и создания базовых плоскостей, от которых проводят измерения.
3.2 базовая плоскость сиденья (seat reference plane): Плоскость основания узла сиденья эталонного нагружающего устройства, как показано на рисунке 1.

Рисунок 1 - Базовая плоскость сиденья
3.3 базовая плоскость спинки сиденья (backrest reference plane): Плоскость касательная к средней вертикальной линии наружной изогнутой стороны узла спинки эталонного нагружающего устройства, как показано на рисунке 2.

Рисунок 2 - Базовая плоскость спинки
3.4 базовая плоскость подножки (leg reference plane):
1) Плоскость, проходящая через задний край опоры стопы или задника-держателя и наиболее выступающую переднюю часть сиденья кресла-коляски (см. рисунок 3а).
2) Плоскость, проходящая через задний край опоры стопы или задника-держателя кресла-коляски и наиболее выступающую часть подставки под голень (см. рисунок 3b).
Примечание - На рисунке 4 показана точка касания базовой плоскости подножки (точке X) для различных типов опоры стопы.

Рисунок 3 - Базовая плоскость подножки

Рисунок 4 - Базовая плоскость подножки с различными типами опоры стопы
3.5 эталонная конфигурация (reference configuration): Конфигурация отрегулированных кресел-колясок, у которых произведена стандартная процедура регулирования, чтобы гарантировать (обеспечить) сравнимость результатов измерения между ними.
3.6 спецификация (specification sheet): Предпродажная документация изготовителя, которая дает информацию об эксплуатационных характеристиках кресла-коляски.
3.7 форма для данных (data form): Форма для регистрации данных (результатов) измерений.
3.8 угол схождения колес (negative camber): Позиция, в которой колеса наклонены вперед так, что верхние точки колес находятся ближе друг к другу, чем нижние.
ЭНУ располагают на сиденье кресла-коляски таким образом, чтобы обеспечить неоднократную деформацию кресла-коляски и структуры формы сиденья. Измерение сиденья и колес проводят от базовых точек и плоскостей на ЭНУ.
5.1 ЭНУВ - эталонное нагружающее устройство, соответствующее размеру тела взрослого человека, как определено в приложении А.
5.2 ЭНУР - эталонное нагружающее устройство, соответствующее размеру тела ребенка, как определено в приложении А.
5.3 Средства для измерения линейных размеров до 2 м с ±1 мм.
5.4 Средства для измерения углов с точностью ±0, 2°.
5.5 Средства для измерения сил между 25 Н и 250 Н с ±5Н.
5.6 Испытательная площадка ровная, твердая и удобная для размещения на ней кресла-коляски.
5.7 Средства для предотвращения смещения кресла-коляски во время позиционирования процедур.
Примечание - Испытательную площадку рекомендуется располагать у стен или схожего с ней препятствия (см. рисунки 7 и 8).
6.1 Общее требование
Подготовка кресла-коляски к проведению измерений следует рассматривать в качестве начального этапа измерений.
6.2 Оснащение кресла-коляски
Кресло-коляска должно быть полностью оснащено входящими в его комплектацию подлокотниками, подголовниками, подножками и/или опорами стопы для проведения испытаний.
Съемные подушки, ремни и т.п., которые не закреплены на кресле-коляске и не являются его составной частью, необходимой для нормального использования, следует удалить.
6.3 Накачивание пневматических шин
Если кресло-коляска оснащена пневматическими шинами, то давление воздуха в них должно соответствовать рекомендуемому изготовителем кресла-коляски. Если установлен диапазон давлений, то следует выбирать максимальное значение. Если изготовителем кресла-коляски не установлены значения давления воздуха в шинах, то накачивают шины до максимального давления, рекомендованного изготовителем шин.
6.4 Требования
Установлен следующий порядок приведения кресла-коляски к эталонной конфигурации (состоянию).
6.4.1 Кресло-коляску устанавливают в рабочее положение в соответствии с рекомендациями изготовителя. Если такие рекомендации изготовителем не даны, то кресло-коляску следует установить в следующей последовательности.
Примечание 1 - У кресел-колясок с регулируемыми деталями часто бывают случаи, когда регулирование одной составной части приводит к изменению другой, например, изменить угол наклона сиденья. В этих случаях может возникнуть необходимость сделать несколько регулировок одних составных частей, чтобы компенсировать это взаимодействие с другими частями.
a) Установить кресло-коляску на испытательную площадку (см. 5.6), при этом поворотные колеса должны находиться в положении для движения вперед.
b) Установить кронштейн каждого поворотного колеса вертикально с допуском от 0° до минус 1°, или, если это невозможно, установить как можно ближе к вертикальному положению в отрицательном направлении.
Примечание 2 - Направление считают отрицательным, если верхняя часть кронштейна (вилка) поворотного колеса смещена назад.
c) Если система опоры тела относительно рамы может регулироваться горизонтально и/или вертикально, то ее устанавливают в среднее положение или, если это невозможно, в ближайшее заднее или нижнее положение с допуском ±5 мм.
Примечание 3 - На данном этапе процесса для регулировок d), e) и f) достаточно произвести измерения, используя уклонометр, расположенный на релевантной (relevant) поверхности.
Примечание 4 - Эта регулировка не предназначена для кресел-колясок с высоким сиденьем.
d) Установить регулируемое сиденье таким образом, чтобы положительный угол наклона поверхности сиденья составлял 8°+2° к горизонтали. Если это невозможно, выбирают ближайший к 8° угол.
e) Установить регулируемую спинку сиденья таким образом, чтобы положительный угол наклона спинки сиденья составлял 10°±2° к вертикали. Если это невозможно, выбирают ближайший к 10° угол.
f) Расположить регулируемую опору стопы таким образом, чтобы угол наклона опоры стопы к поверхности сиденья был как можно ближе, но не менее чем 90°.
g) Установить колеса с регулируемым схождением в положение, при котором значение схождения колес не более 1°.
h) Если диапазон схождения колес не предопределен, то устанавливают ведущие колеса кресла-коляски в положение, при котором значение развала колес не превышает 2° ± 1°. Если это невозможно, то устанавливают наибольший ближайший угол развала.
Примечание 5 - См. 3.8 для определения "схождения колес".
i) Если положение ведущих колес может быть отрегулировано по горизонтали, то устанавливают их в среднее положение с допуском ±3 мм или, если это невозможно, - в позицию, как можно ближе к среднему положению с задней стороны.
j) Если положение ведущих колес может быть отрегулировано по вертикали, то устанавливают их в среднее положение с допуском ±3 мм, или если это невозможно - в ближайшее к среднему положению с нижней стороны.
k) Если положение поворотных колес может быть отрегулировано по горизонтали, то устанавливают их в среднее положение с допуском ±3 мм, или, если это невозможно в ближайшее к среднему положению спереди.
l) Если положение поворотных колес может быть отрегулировано по вертикали, то устанавливают их в среднее положение с допуском ±3 мм, или где это невозможно - в ближайшее к среднему положению снизу.
m) Если расстояние между поворотными колесами может быть отрегулировано, то его устанавливают на максимальное значение.
n) Если положение поворотных колес в пределах кронштейна (вилки) может быть отрегулировано по высоте, то устанавливают их в среднее положение по высоте, то устанавливают их в среднее положение с допуском ±1 мм или, если это невозможно - в ближайшее к среднему положению в сторону увеличения расстояния между колесом и кронштейном.
о) Расположить опору стопы/подножку с минимально возможным расстоянием от испытательной площадки, но и не менее 50 мм.
р) Установить все остальные регулируемые детали как можно ближе к их среднему положению в диапазоне регулирования. Если регулирование (приращение) не позволяет достичь идеально среднего положения, то следует выбрать такое положение, которое дает наибольший размер регулирования.
q) Проверить, что все зажимы (детали крепежа) закреплены в соответствии с документацией изготовителя.
7.1 Выбор размера (типа) ЭНУ
Для кресел-колясок, где на сиденье может быть расположено ЭНУ, соответствующее размеру тела взрослого человека с боковым зазором с каждой стороны не менее 2 мм, выбирают взрослый размер (тип) ЭНУ.
Для кресел-колясок, которые слишком малы, чтобы применять взрослый размер ЭНУ, помогут использовать ЭНУ, соответствующие размеру тела ребенка с боковым зазором с каждой стороны не менее 2 мм, выбирают детский размер (тип) ЭНУ.
7.2 Расположение ЭНУ
Примечание - Лицам, незнакомым с этой техникой, рекомендуется попрактиковаться несколько раз в освоении процедуры нагружения и регистрации углов расположения плоскости сиденья и углов спинки сиденья (см. 7.3, размеры 1 и 6), чтобы создавать их с погрешностью в пределах ±2°.
В целях безопасности при нагружении кресла-коляски и измерении параметров и размеров кресла-коляски с низкой устойчивостью, особенно для кресел-колясок спортивного типа, необходимо закрепить кресло-коляску.
Расположить ЭНУ в кресле-коляске следующим образом:
a) поместить ЭНУ выбранного типа, без нагружающих масс по центру сиденья кресла-коляски, установленного на испытательной площадке, так, чтобы наружная сторона узла спинки и задний край узла сиденья соприкасались со спинкой кресла-коляски [см. рисунок 5а];
b) для кресел-колясок со спинкой, не превышающей 150 мм над нижней частью узла спинки "взрослого" ЭНУ или 90 мм над нижней частью узла спинки "детского" ЭНУ (рисунок 5b), зафиксировать стержень Н с узлом спинки (базовая плоскость спинки) под углом 90° ± 1° к горизонтали (рисунок 5с). Записать это в протокол испытания (8.1);

Рисунок 5 - Размещение ЭНУ

Рисунок 5, лист 2

Рисунок 5, лист 3
с) для кресел-колясок, имеющих зазор между сиденьем и спинкой, зафиксировать узел спинки ЭНУ в точке Н (базовая плоскость спинки) под углом 105°±1° к горизонтали рисунок 6b). Сделать запись об этом в протоколе испытаний;

Рисунок 6 - Кресла-коляски, имеющие зазор между сиденьем и спинкой

Рисунок 6, лист 2
d) для всех остальных кресел-колясок, отличных от указанных в перечислениях b) и с) разрешается устанавливать узел спинки ЭНУ свободно;
e) перед началом процедуры размещения ЭНУ необходимо принять меры для предотвращения перемещения кресла-коляски.
Рисунок 7 иллюстрирует расположение испытательной площадки, примыкающей к стене (см. 5.7), с заторможенными колесами кресла-коляски, с тем, чтобы предотвратить ее перемещение;
f) для кресел-колясок, указанных в перечислении d) расположить ненагруженное ЭНУ с наклоном задней части ЭНУ относительно спинки кресла-коляски таким образом, чтобы задняя часть ЭНУ находилась приблизительно на расстоянии 30 мм от спинки кресла-коляски, когда к ЭНУ приложена сила Fs [см. перечисление g) ниже]. Для кресел-колясок, указанных в перечислениях b) и с), расположить ненагруженное ЭНУ в кресле-коляске таким образом, чтобы оно находилось примерно на расстоянии 30 мм от спинки кресла-коляски, когда приложена сила Fs;

Рисунок 7 - Расположение ЭНУ. Определение силы Fs
g) приложить силу Fs в точке передней поверхности ЭНУ (приложение А, рисунки А.1 и А.4) через динамометр, как установлено в 5.5. Необходимо обеспечить, чтобы сила была приложена параллельно средней линии ЭНУ и параллельно верхней поверхности узла сиденья по направлению к спинке кресла-коляски, как показано на рисунке 7;
h) определить силу Fs (в ньютонах), необходимую для начала скольжения ЭНУ;
g) повторить процедуры, указанные в перечислениях а) - f);
j) приложить силу F=1, 4 Fs как указано в перечислении g), в точке Х до тех пор, пока не прекратится скольжение ЭНУ в кресле-коляске, как показано на рисунке 8;

Рисунок 8 - Расположение ЭНУ. Приложение силы Fs
k) сцентрировать узел сиденья ЭНУ в кресле-коляске и выронить его в горизонтальном направлении без изменения переднего и заднего положения;
i) разместить дополнительные нагружающие массы на ЭНУ, начиная с нагружения узла-сиденья и затем нагрузить узел спинки и надежно закрепить эти массы.
7.3 Измерения
7.3.1 Общие требования
Измеряют и регистрируют нижеследующие размеры, используя оборудование и средства измерения, установленные в разделе 5, с погрешностью измерения линейных размеров ±3 мм и угловых размеров ±1°.
Для кресел-колясок с регулируемыми размерами сиденья и колеса определяют диапазон регулирования, измеряя максимальное и минимальное значение размеров и количество регулировок при отсутствии плавного регулирования. Возвращают каждую регулировку к ее эталонной конфигурации, как установлено в 6.4, после измерения каждого характерного размера в вышеуказанном диапазоне регулировок:
Примечание 1 - Размеры ЭНУ (взрослого или детского) оказывают влияние на размеры при измерениях.
Примечание 2 - Следующие указания (советы) должны помочь упростить измерения. Наибольшее число измерений может быть сделано непосредственно на кресле-коляске: загруженной ЭНУ. Измерения 2, 7, 10, 25 и 26, однако, условно относят к недоступным для прямого измерения позиций - пересечения между базовыми плоскостями сиденья и спинки. Эти пересечения могут быть определены посредством скользящих тонких полосок из пластика или металла позади узла спинки и под узлом сиденья. Измерения посредством их могут быть сделаны, чтобы определить точку, где эти полоски встречаются позади сиденья.
Наилучшие результаты решения этих проблем получают в процессе измерения доступных для прямого измерения позиций (размеров) на ЭНУ и расчетным путем, используя известные размеры ЭНУ и размеры доступных частей кресла-коляски, при этом необходимые расчеты проводят для каждого определяемого размера, а общая процедура измерений предусматривает следующие действия:
- измерить и зарегистрировать размеры, установленные в следующих разделах, но только при измерении доступных компонентов при измерениях 2, 7, 10, 25 и 26 (см. также релевантное измерение);
- надежно зажать (прижать) точку опоры, фиксируя угол β между углом сиденья (см. рисунок 9) и узлом спинки ЭНУ;
- разместить ЭНУ на плоской (ровной) поверхности;
- установить ровную линейку вдоль поверхности узла спинки ЭНУ так, чтобы она касалась всей поверхности. Это дает пересечение базовых плоскостей сиденья и спинки сиденья (рисунок 9);
- измерить и зарегистрировать размеры SL n Bh;
- определить значения размеров при измерениях 2, 7, 10, 25 и 26 расчетным путем.
Примечание 3 - Измерения с 23-го по 26-е предназначены только для кресел-колясок с ручным управлением.

Рисунок 9 - Пересечение базовых плоскостей спинки и сиденья
7.3.2 Измерение 1: Угол наклона сиденья
Угол между горизонтальной плоскостью и базовой плоскостью сиденья (см. рисунок 10). Угол показан положительным. Для сидений измеряют максимальный и минимальный углы наклона этой плоскости сиденья и число переключений, если не предусмотрено плавное регулирование.

Рисунок 10 - Угол плоскости сиденья и средства измерения
7.3.3 Измерение 2: Эффективная глубина сиденья - расстояние между линиями пересечения базовой плоскости подножки (см. 3.4) с базовой плоскостью сиденья (см. 3.2) и базовой плоскостью спинки (см. 3.3) с базовой плоскостью сиденья (рисунок 11а).
Для сидений с регулируемой глубиной сиденья измеряют максимальную и минимальную глубину сиденья и количество переключений, если не предусмотреть плавное регулирование глубины сиденья.
Если измерение 2 (глубина сиденья) кресла-коляски больше длины узла сиденья ЭНУ, то этот размер можно определить из SL+t [рисунок 11b)], где SL определено в 7.3.1, примечание 2.

Рисунок 11 - Глубина сиденья

Рисунок 11, лист 2
7.3.4 Измерение 3: Ширина сиденья - ширина загруженного сиденья, определенная на расстоянии 120 мм (72 мм, когда используют детское ЭНУ) вперед от пересечения базовой плоскости спинки с базовой плоскостью сиденья [рисунок 12а)], измерение вдоль базовой плоскости сиденья между А-А, как показано на рисунке 12b).
Для сидений типа "корзина" с бортами более 50 мм или менее 50 мм ширину сиденья определяют, как показано на рисунке 12b.
Для сидений с регулируемой шириной измеряют максимальную и минимальную ширину количества переключений, если не предусмотрено плавное регулирование ширины сиденья.

Рисунок 12 - Ширина сидений

Рисунок 12, лист 2
7.3.5 Измерение 4: Эффективная ширина сиденья - максимальная ширина сиденья внутри кресла-коляски, определенная на высоте 100 мм (60 мм, когда используют "детское" ЭНУ) и параллельно базовой плоскостью сиденья и на расстоянии 120 мм (72 мм, когда используют "детское" ЭНУ) от базовой плоскости спинки на участке В [см. рисунок 13а)]. Эту ширину сиденья определяют сольно для сидений кресел-колясок, ширина которых ограничена подлокотниками [рисунок 13b)] или бортами [рисунок 13с)]. Она не применяется, если сиденья не ограничены данными размерами, например, когда отсутствуют панели подлокотников. Для сидений с регулируемой эффективной шириной сиденья измеряют максимальную и минимальную ширину и число переключений, если не предусмотрено плавное регулирование.

Рисунок 13 - Эффективная ширина сиденья


Рисунок 13, лист 2
7.3.6 Измерение 5: Высота сиденья - расстояние по вертикали от испытательной площадки до наиболее выступающей части сиденья [см. рисунок 14а)], измеренное на расстоянии 115 мм (69 мм, когда используют "детское" ЭНУ) от центра сиденья [см. рисунок 14b)], где сиденье контактирует с базовой плоскостью сиденья [участок С на рисунке 14а) и b)].
Для сиденья с регулируемой высотой измеряют максимальную и минимальную высоту и число переключений, если не предусмотрено плавное регулирование.

Рисунок 14 - Высота поверхности сиденья

Рисунок 14, лист 2
7.3.7 Измерение 6: Угол наклона спинки - угол между вертикалью и базовой плоскостью спинки. Угол показан на рисунке 15 положительным. Это измерение не применяют к креслам-коляскам с низкими спинками и с зазором между спинкой и сиденьем, как определено в перечислениях b) и с) 7.2. В таких случаях записывают "низкая спинка" или "зазор в сиденье" соответственно. Для сидений с регулируемой спинкой измеряют максимальный и минимальный угловые размеры и число переключений, если не предусмотрено плавное регулирование угла наклона спинки.

Рисунок 15 - Угол наклона спинки
7.3.8 Измерение 7: Высота спинки - расстояние от базовой плоскости сиденья до верхней части спинки, измеренное параллельно базовой плоскости спинки, как показано на рисунке 16. Удаляемые подголовники не включены в это измерение.
Примечание - Это измерение не применяют к спинкам, изготовленным как единое целое с подголовниками.
Высоту спинки можно также определить посредством измерения размера е, как показано на рисунке 16 и размера Bh определенного, как это описано в 7.3.1, примечание 2.
Для сидений с регулируемой высотой спинки измеряют максимальную и минимальную высоту и указывают количество переключений, если не предусмотрено плавное регулирование высоты спинки.

Рисунок 16 - Высота спинки
7.3.9 Измерение 8: Ширина спинки - ширина [D-D на рисунке 17b) и с)] загруженной спинки в наиболее широкой части на участке между 200 и 500 мм (120 и 300 мм, когда используют "детское" ЭНУ) выше базовой плоскости сиденья [см. рисунок 17а), b) и с)]. Для сидений с регулируемой шириной спинки измеряют максимальную и минимальную ширину спинки и указывают количество переключений, если не предусмотрено плавное регулирование ширины спинки.

Рисунок 17 - Ширина спинки 18

Рисунок 17, лист 2

Рисунок 17, лист 3
7.3.10 Измерение 9: расстояние между подголовником и спинкой - расстояние между наиболее выступающей вперед средней частью подголовника и базовой плоскостью спинки (3.3), измеренное перпендикулярно е этой плоскости. Размеры, показанные на рисунке 18, - положительные. Для сидений с регулируемыми подголовниками измеряют максимальное и минимальное значения этого расстояния и указывают количество переключений, если не предусмотрено плавное регулирование.

Рисунок 18 - Подголовник впереди спинки
7.3.11 Измерение 10: Высота расположения подголовника над сиденьем - расстояние от базовой плоскости сиденья до наиболее выступающей вперед части подголовника в его средней вертикальной плоскости, измеренное параллельно базовой плоскости спинки (см. рисунок 19). Для сидений с регулируемым подголовником измеряют максимальную и минимальную высоту и указывают количество переключений, если не предусмотрено плавное регулирование высоты подлокотника.
Этот размер может быть определен путем измерения размера h, как показано на рисунке 19, и размера BH, определенного в 7.3.1, примечание 2.

Рисунок 19 - Высота подголовника над сиденьем
7.3.12 Измерение 11: Длина подножки - расстояние от базовой плоскости сиденья [точка Е на рисунке 20а), b) и с)] до заднего края опоры стопы, определяемое в базовой плоскости подножки на расстоянии 115 мм (69 мм, когда используют "детское" ЭНУ) от центра сиденья. Это совпадает с пазами узла сиденья.
Для сидений с регулируемыми подножками измеряют максимальное и минимальное значения и указывают количество переключений, если не предусмотрено плавное регулирование.


Рисунок 20 - Длина подножки

Рисунок 20, лист 2
7.3.13 Измерение 12: Клиренс опоры стопы - для кресел-колясок с нерегулируемой опорой стопы измеряют расстояние по вертикали от поверхности испытательной площадки до самой нижней части опоры стопы, как показано на рисунке 21.

Рисунок 21 - Клиренс опоры стопы
7.3.14 Измерение 13: Длина опоры стопы - Расстояние между наиболее выступающей передней частью опоры стопы и базовой плоскостью подножки (точка F), как показано на рисунке 22 а), b), с), d), e) и f). Для опоры стопы с трубчатой опорой поверхности, без задника-держателя измеряют наружный диаметр трубчатой опоры. Для кресел-колясок с регулируемой длиной опоры стопы измеряют максимальную и минимальную длину и указывают количество переключений, если не предусмотрено плавное регулирование.

Рисунок 22 - Длина опоры стопы

Рисунок 22, лист 2
7.3.15 Измерение 14: Угол наклона опоры стопы - угол между опорой стопы и базовой плоскостью подножки (3.4), как показано на рисунке 23.
Примечание - Данное измерение не распространяется на опоры стопы с опорной поверхностью, состоящей из одной трубы.
Для кресел-колясок с регулируемым углом наклона опоры стопы измеряют максимальный и минимальный углы и указывают количество переключений, если не предусмотрено плавное регулирование.

Рисунок 23 - Угол наклона опоры стопы
7.3.16 Измерение 15: Угол наклона подножки к поверхности сиденья - угол между базовой плоскостью сиденья и базовой плоскостью подножки, как показано на рисунке 24а). Для сидений с регулируемым углом наклона подножки к поверхности сиденья измеряют максимальный и минимальный углы и указывают количество переключений, если не предусмотрено плавное регулирование.
Измерение 15 может быть осуществлено путем измерения соответствующего угла, как показано на рисунке 24b).

Рисунок 24 - Угол наклона подножки к поверхности сиденья

Рисунок 24, лист 2
7.3.17 Измерение 16: Высота подлокотника - расстояние от базовой плоскости сиденья до верхней части подлокотника, измеренное перпендикулярно базовой плоскости сиденья на расстоянии 120 мм (72 мм, когда используют "детское" ЭНУ) от базовой плоскости спинки (см. рисунок 25). Для сидений с регулируемой высотой подлокотника измеряют максимальную и минимальную высоту и указывают количество переключений, если не предусмотрено плавное регулирование. Высоту подлокотника можно также определить измерением g, как показано на рисунке 25, прибавив к этому размеру 100 мм (60 мм, если используют "детское" ЭНУ), полученное как указано в 7.3.1, примечание 2.

Рисунок 25 - Высота подлокотника
7.3.18 Измерение 17: Расстояние от передней части подлокотника до спинки сиденья - дистанция от переднего края подлокотника до пересечения с базовой плоскостью спинки (точка G на рисунке 26), измеренная параллельно базовой плоскости сиденья. Это измерение осуществляют только в том случае, если имеется опорная поверхность для руки. Для сидений с регулируемыми подлокотниками измеряют максимальное и минимальное значения и указывают количеством переключений, если не предусмотрено плавное регулирование.

Рисунок 26 - Расстояние от передней части подлокотника до спинки
7.3.19 Измерение 18: Длина подлокотника - расстояние от переднего до заднего края подлокотника, измеренное по его поверхности, как показано на рисунке 27.
Примечание - Длину подлокотника определяют только для опорных поверхностей подлокотника.
Для сидений с регулируемыми подлокотниками измеряют максимальную и минимальную длину и указывают количество переключений, если не предусмотрено плавное регулирование.

Рисунок 27 - Длина подлокотника
7.3.20 Измерение 19: Ширина подлокотника - максимальная ширина опорной поверхности подлокотника, как показано на рисунке 28.
Примечание - Ширину подлокотника определяют только при наличии опорной поверхности подлокотника.

Рисунок 28 - Ширина подлокотника
7.3.21 Измерение 20: Угол наклона подлокотника - угол между опорной поверхностью подлокотника и горизонталью. Угол показан на рисунке 29 положительным.
Примечание - Угол наклона подлокотника определяют только при наличии опорной поверхности подлокотника.
Для сидений с регулируемым углом подлокотника измеряют максимальные и минимальные углы и указывают количество переключений, если не предусмотрено плавное регулирование.

Рисунок 29 - Угол наклона подлокотника
7.3.22 Измерение 21: Расстояние между подлокотниками - максимальное расстояние между внутренними частями опорных поверхностей подлокотников [точка Н на рисунке 30а) и b), замеренное на расстоянии 120 мм (72 мм, когда используют "детское" ЭНУ) от базовой плоскости спинки, как показано на рисунке 30а) и b). Для сидений с регулируемыми подлокотниками измеряют максимальное и минимальное значения и указывают количество переключений, если не предусмотрено плавное регулирование.

Рисунок 30 - Расстояние между подлокотниками
7.3.23 Измерение 22: Расположение фронтального узла подлокотника - расстояние между базовой плоскостью. Спинкой и наиболее выступающей передней частью узла подлокотника, измеренное на высоте 680 мм в горизонтальной плоскости, как показано на рисунке 31.
Примечание - Высота стола как правило приблизительно 680 мм над полом. Этот размер определяет какая часть кресла-коляски или узел подлокотника может расположиться под столом.
Для сидений с регулируемыми подлокотниками измеряют максимальное и минимальное значения и указывают количество переключений, если не предусмотрено плавное регулирование.

Рисунок 31 - Расположение подлокотника
7.3.24 Измерение 23: Диаметр обода ручного привода - внешний диаметр всего обода ручного привода (см. рисунок 32).

Рисунок 32 - Диаметр обода ручного привода
7.3.25 Измерение 24: Диаметр ведущего колеса - наружный диаметр обода ведущего колеса (см. рисунок 33).

Рисунок 33 - Диаметр ведущего колеса
7.3.26 Измерение 25: Горизонтальное положение оси ведущего колеса - расстояние по горизонтали от оси ведущего колеса до линии пересечения базовых плоскостей загруженного сиденья и спинки. Положение оси колеса, показанное на рисунке 34а), положительное. Для кресел-колясок с регулируемым положением оси колес измеряют максимальное и минимальное значения и указывают количество переключений, если не предусмотрено плавное регулирование.
Горизонтальное положение оси ведущего колеса х мм можно также определить посредством измерения расстояния М по горизонтали от переднего края основания узла сиденья ЭНУ до центра оси колеса, как показано на рисунке 34b). Горизонтальное положение оси ведущего колеса х может затем быть вычислено следующим образом:
- для кресел-колясок с углом наклона сиденья θ = 0° - 5° (см. измерение 1; SL определено в 7.3.1, примечание 2)
x=M-SL;
- для кресел-колясок с углом наклона сиденья θ менее, чем 5° (см. измерение 1)
x=M-SLcosθ.

Рисунок 34 - Горизонтальное положение оси ведущего колеса

Рисунок 34, лист 2
7.3.27 Измерение 26: Вертикальное положение оси ведущего колеса - расстояние по вертикали от оси ведущего колеса до линии пересечения базовых плоскостей сиденья и спинки. Положение оси колеса, изображенное на рисунке 35а), положительное.
Для кресел-колясок с регулируемым положением оси ведущего колеса измеряют максимальное и минимальное значения и указывают количество переключений, если не предусмотрено плавное регулирование.
Вертикальное положение оси ведущего колеса у можно также определить посредством измерения расстояния Н по вертикали от переднего края основания узла сиденья ЭНУ до испытательной площадки [см. рисунок 35b)].
Вертикальное положение оси ведущего колеса y может затем быть вычислено следующим образом:
y=H-R-SLsinθ
где Н - высота переднего края ЭНУ;
R - радиус ведущего колеса;
SL - определено в 7.3.1, примечание 2;
θ - угол наклона сиденья, измерение 1.

Рисунок 35 - Вертикальное положение оси ведущего колеса

Рисунок 35, лист 2
7.3.28 Измерение 27: Диаметр поворотного колеса - наружный диаметр обода поворотного колеса.
8.1 Протокол испытаний
Протокол испытаний должен содержать, как минимум, следующую информацию:
a) наименование и адрес организации, которая проводит измерения;
b) наименование и адрес предприятия - изготовителя кресла-коляски;
c) тип кресла-коляски и его обозначение;
d) описание оснащения кресла-коляски;
e) тип ЭНУ использованного для измерений;
f) если опоры ЭНУ были зафиксированы, как описано в перечислениях b) и с) 7.2, то угол наклона узла спинки ЭНУ относительно горизонтали;
g) дату проведения измерений;
n) размеры, измеренные в соответствии с 7.3.
Примечание - Приложение В обеспечивает рекомендуемую форму представления этой информации.
8.2 Доступность информации для пользователей креслом-коляской
Для того чтобы изготовитель смог обеспечить доступность своих предписаний в соответствии с порядком, установленным в ИСО 7176-15, измерения сведены в таблицу 1 по форме, установленной в таблице 1.
|
Измерения |
Номер измерения |
Фиксированное или минимальное значение |
Максимальное значение, если относит. |
|
Угол наклона сиденья |
(1) |
град |
град |
|
Эффективная глубина сиденья |
(2) |
мм |
мм |
|
Эффективная ширина сиденья |
(4) |
мм |
мм |
|
Высота сиденья |
(5) |
мм |
мм |
|
Угол наклона спинки |
(6) |
град |
град |
|
Высота спинки |
(7) |
мм |
мм |
|
Длина подножки |
(11) |
мм |
мм |
|
Угол наклона подножки к поверхности сиденья |
(15) |
град |
град |
|
Высота подлокотника |
(16) |
мм |
мм |
|
Расстояние от передней части подлокотника до спинки сиденья |
(17) |
мм |
мм |
|
Диаметр обода ручного привода |
(23) |
мм |
мм |
|
Горизонтальное положение ведущего колеса |
(25) |
мм |
мм |
Приложение А
(обязательное)
А.1 Общие положения
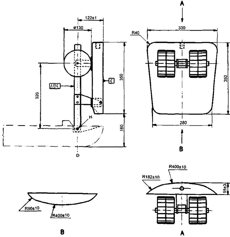
Эталонные нагружающие устройства (ЭНУ) предназначены для имитации распределения массы тела человека. Они состоят из узла сиденья, к которому крепится узел спинки, каждый из которых имеет установленную массу. Имеется два типа ЭНУ, соответствующих размерам тела взрослого человека и размерам тела ребенка.
А.2 Конструкция
Узлы (компоненты) ЭНУ могут быть изготовлены фабричным способом из любого материала (например, из дерева или пластика), обеспечивающего форму и распределение массы в соответствии с нижеприведенными данными. Если нет других указаний, то предельные отклонения линейных размеров узлов ЭНУ должны быть в пределах ±5 мм, а все острые кромки деталей ЭНУ должны быть скруглены радиусом не менее 5 мм.
А.3 Эталонные нагружающие устройства, соответствующие размерам тела взрослого человека (ЭНУВ)
А.3.1 Узел сиденья ЭНУВ
Размеры узла сиденья ЭНУВ приведены на рисунке А.1. Масса узла сиденья ЭНУВ не должна превышать 10 кг (без дополнительных нагружающих масс)
Точкой Х на передней стороне сиденья ЭНУВ обозначено место приложения силы Fs.
А.3.2 Узел спинки ЭНУВ
Узел спинки ЭНУВ состоит из стойки и задней панели, как показано на рисунке А.2, положение которых относительно друг друга фиксируется в точке Н. Масса узла спинки ЭНУВ не должна превышать 6 кг (без дополнительных нагружающих масс).
А.3.3 Положение центра тяжести ЭНУВ
Обеспечивают ЭНУВ дополнительными массами, чтобы общая масса узла сиденья составляла (24±0, 2) кг, а общая масса узла спинки была (27±0, 2) кг. Дополнительные массы должны быть распределены таким образом, чтобы положение центра тяжести полностью собранного загруженного ЭНУВ соответствовало рисунку А.3.
Примечание - Для целей настоящего приложения узел сиденья и узел спинки ЭНУВ установлены взаимно перпендикулярно.
Принимают меры для надежного закрепления нагружающих масс, чтобы предотвратить их перемещение во время проведения измерений.
А.4 Эталонные нагружающие устройства, соответствующие размерам тела ребенка (ЭНУР)
Размеры узлов ЭНУР соответствуют размерам аналогичных узлов ЭНУВ, умноженным на коэффициент 0, 6.
А.4.1 Узел сиденья ЭНУР
Размеры узла сиденья ЭНУР приведены на рисунке А.4. Масса узла сиденья приведена на рисунке А.4. Масса узла сиденья ЭНУР не должна превышать 2, 2 кг (без дополнительных нагружающих масс).
Точка Х означает то же, что в А.3.1.
А.4.2 Узел спинки ЭНУР
Узел спинки ЭНУР состоит из стойки и задней панели, как показано на рисунке А.5, положение которых относительно друг друга фиксируется в точке Н. Масса узла спинки ЭНУР не должна превышать 1, 7 кг (без дополнительных нагружающих масс).
А.4.3 Положения центра тяжести ЭНУР
Обеспечивают ЭНУР дополнительными массами, чтобы общая масса узла сиденья ЭНУР составляла (5, 2±0, 2) кг, а суммарная масса узла спинки ЭНУР была (5, 8±0, 2) кг. Дополнительные массы должны быть распределены таким образом, чтобы положение центра тяжести полностью собранного и загруженного ЭНУР соответствовало рисунку А.6.
Примечание - Для целей настоящего приложения узел сиденья и узел спинки ЭНУР установлены взаимно перпендикулярно.
Принимают меры для надежного закрепления нагружающих масс, чтобы предотвратить их перемещение во время проведения измерений.

Рисунок А.1 - Узел сиденья ЭНУВ

Рисунок А.2 - Узел спинки ЭНУВ

Рисунок А.3 - ЭНУВ - Положение центра тяжести

Рисунок А.4 - Узел сиденья ЭНУР

Рисунок А.5 - Узел спинки ЭНУР

Рисунок А.6 - Положение центра тяжести ЭНУР
Приложение В
(справочное)
Формы регистрации данных, полученных в результате измерений, должны содержать следующую информацию (см.8.1) в указанной последовательности:
a) наименование и адрес организации, которая провела измерения;
b) наименование и адрес предприятия - изготовителя кресла-коляски;
c) тип кресла-коляски и его обозначение;
d) описание оснащения кресла-коляски;
e) тип ЭНУ использованного для испытаний;
f) угол наклона узла спинки ЭНУ относительно горизонтали;
g) дату проведения измерений;
h) размеры, полученные в соответствии с 7.3 и представленные по нижеследующей форме:
|
Измерение |
Фиксированные или минимальные значения |
Максимальные значения, если измерялись |
Количество переключений |
|
1 Угол наклона сиденья |
град |
град | |
|
2 Эффективная глубина сиденья |
мм |
мм | |
|
3 Ширина сиденья |
мм |
мм | |
|
4 Эффективная ширина сиденья |
мм |
мм | |
|
5 Высота сиденья |
мм |
мм | |
|
6 Угол наклона спинки |
град |
град | |
|
7 Высота спинки |
мм |
мм | |
|
8 Ширина спинки |
мм |
мм | |
|
9 Расстояние между подголовником и спинкой |
мм |
мм | |
|
10 Высота расположения подголовника над сиденьем |
мм |
мм | |
|
11 Длина подножки |
мм |
мм | |
|
12 Клиренс опоры стопы |
мм |
мм | |
|
13 Длина опоры стопы |
мм |
мм | |
|
14 Угол наклона опоры стопы |
град |
град | |
|
15 Угол наклона подножки к поверхности сиденья |
град |
град | |
|
16 Высота подлокотника |
мм |
мм | |
|
17 Расстояние от передней части подлокотника до спинки сиденья |
мм |
мм | |
|
18 Длина подлокотника |
мм |
мм | |
|
19 Ширина подлокотника |
мм |
мм | |
|
20 Угол наклона подлокотника |
град |
град | |
|
21 Расстояние между подлокотниками |
мм |
мм | |
|
22 Расположение фронтального узла подлокотника |
мм |
мм | |
|
23 Диаметр обода ручного привода |
мм |
мм | |
|
24 Диаметр ведущего колеса |
мм |
мм | |
|
25 Горизонтальное положение оси ведущего колеса |
мм |
мм | |
|
26 Вертикальное положение оси ведущего колеса |
мм |
мм | |
|
27 Диаметр поворотного колеса |
мм |
мм |
Приложение ДА
(справочное)
Таблица ДА. 1
|
Обозначение ссылочного международного стандарта |
Степень соответствия |
Обозначение и наименование соответствующего межгосударственного стандарта |
|
ИСО 6440:1985 |
IDT |
ГОСТ Р ИСО 7176-26-2011 "Кресла-коляски. Часть 26. Словарь" |
|
ISO 7176-15:1996 |
IDT |
ГОСТ Р ИСО 7176-15-2007 "Кресло-коляски. Часть 15. Требования к документации и маркировке для обеспечения доступности информации" |
|
ISO 9999: 2011 |
IDT |
ГОСТ Р ИСО 9999-2014 "Вспомогательные средства для людей с ограничениями жизнедеятельности. Классификация и терминология" |
|
Примечание - В настоящей таблице использованы следующие условные обозначения степени соответствия стандартов: - IDT - идентичные стандарты | ||


