ГОСТ 17376-2001 (ИСО 3419-81) (20.05.2021) ДЕТАЛИ ТРУБОПРОВОДОВ БЕСШОВНЫЕ ПРИВАРНЫЕ ИЗ УГЛЕРОДИСТОЙ И НИЗКОЛЕГИРОВАННОЙ СТАЛИ. ТРОЙНИКИ. КОНСТРУКЦИЯ
Введен в действие постановлением Госстандарта РФ от 27 мая 2002 г. N 205-ст
Межгосударственный стандарт ГОСТ 17376-2001 (ИСО 3419-81)
"ДЕТАЛИ ТРУБОПРОВОДОВ БЕСШОВНЫЕ ПРИВАРНЫЕ ИЗ УГЛЕРОДИСТОЙ И НИЗКОЛЕГИРОВАННОЙ СТАЛИ. ТРОЙНИКИ. КОНСТРУКЦИЯ"
С изменениями:
(13 апреля 2007 г., 20 мая 2021 г.)
Carbon and low-alloy steel butt-welding fittings. Tees. Design
Дата введения 1 января 2003 г.
Взамен ГОСТ 17376-83
Настоящий стандарт распространяется на бесшовные приварные равнопроходные и переходные тройники из углеродистой и низколегированной стали.
Область применения тройников - в соответствии с разделом 1 ГОСТ 17380.
Требования пункта 4.1 и раздела 5 являются обязательными, остальные требования - рекомендуемыми.
В настоящем стандарте использована ссылка на ГОСТ 17380-2001 (ИСО 3419-81). Детали трубопроводов бесшовные приварные из углеродистой и низколегированной стали. Общие технические условия
Термины, их определения, обозначения и сокращения - по ГОСТ 17380.
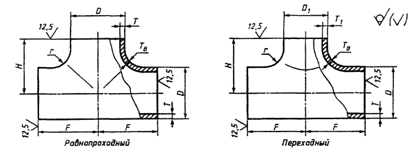
4.1 Конструкция и размеры тройников должны соответствовать указанным на рисунке 1 и в таблицах 1 и 2.

Рисунок 1
Размеры в миллиметрах
|
DN |
D |
Т |
D1 |
T1 |
F |
H |
Масса, кг |
|
15 |
21,3 |
2,0 3,2 4,0 |
21,3 |
2,0 3,2 4,0 |
25 |
25 |
0,19 0,30 0,38 |
|
20 |
26,9 |
2,0 3,2 4,0 |
2,0 3,2 4,0 |
29 |
29 |
0,26 0,42 0,52 | |
|
2,0 3,2 4,0 |
26,9 |
2,0 3,2 4,0 |
0,23 0,37 0,46 | ||||
|
25 |
33,7 |
2,3 3,2 4,5 |
21,3 |
2,0 3,2 4,0 |
38 |
38 |
0,25 0,35 0,40 |
|
2,3 3,2 4,5 |
26,9 |
2,0 3,2 4,0 |
0,25 0,35 0,40 | ||||
|
2,3 3,2 4,5 |
33,7 |
2,3 3,2 4,5 |
0,40 0,64 0,80 | ||||
|
32 |
42,4 |
2,6 3,6 5,0 |
21,3 |
2,0 3,2 4,0 |
48 |
48 |
0,79 1,10 1,50 |
|
2,6 3,6 5,0 |
26,9 |
2,0 3,2 4,0 |
0,79 1,10 1,50 | ||||
|
2,6 3,6 5,0 |
33,7 |
2,3 3,2 4,0 |
0,79 1,10 1,50 | ||||
|
2,6 3,6 5,0 |
42,4 |
2,6 3,6 5,0 |
0,79 1,10 1,50 | ||||
|
40 |
48,3 |
2,6 3,6 5,0 |
26,9 |
2,0 3,2 4,0 |
57 |
57 |
1,00 1,40 2,00 |
|
2,6 3,6 5,0 |
33,7 |
2,3 3,2 4,5 |
1,00 1,40 2,00 | ||||
|
2,6 3,6 5,0 |
42,4 |
2,6 3,6 5,0 |
1,00 1,40 2,00 | ||||
|
2,6 3,6 5,0 |
48,3 |
2,6 3,6 5,0 |
1,00 1,40 2,00 | ||||
|
50 |
60,3 |
2,9 4,0 5,6 |
33,7 |
2,9 4,0 5,6 |
64 |
51 |
1,60 2,20 3,00 |
|
2,9 4,0 5,6 |
42,4 |
2,6 3,6 5,0 |
57 |
1,60 2,20 3,00 | |||
|
2,9 4,0 5,6 |
48,3 |
2,6 3,6 5,0 |
60 |
1,60 2,20 3,00 | |||
|
2,9 4,0 5,6 |
60,3 |
2,3 3,2 4,5 |
64 |
1,60 2,20 3,00 | |||
|
65 |
76,1 |
2,9 5,0 7,1 |
42,4 |
2,6 3,6 5,0 |
76 |
64 |
3,20 5,50 7,90 |
|
2,9 5,0 7,1 |
48,3 |
2,9 4,0 5,6 |
67 |
3,20 5,50 7,90 | |||
|
2,9 5,0 7,1 |
60,3 |
2,6 3,6 5,0 |
70 |
3,20 5,50 7,90 | |||
|
2,9 5,0 7,1 |
76,1 |
2,9 5,0 7,1 |
76 |
3,20 5,50 7,90 | |||
|
80 |
88,9 |
3,2 5,6 8,0 |
48,3 |
2,9 4,0 5,6 |
86 |
73 |
2,20 4,00 5,50 |
|
3,2 5,6 8,0 |
60,3 |
2,9 4,0 5,6 |
76 |
2,20 4,00 5,50 | |||
|
3,2 5,6 8,0 |
76,1 |
2,9 5,0 7,1 |
83 |
2,50 4,50 6,20 | |||
|
3,2 5,6 8,0 |
88,9 |
3,2 5,6 8,0 |
86 |
2,50 4,50 6,20 | |||
|
100 |
114,3 |
3,6 6,3 8,8 |
60,3 |
2,7 4,0 5,6 |
105 |
89 |
3,80 6,70 10,00 |
|
3,6 6,3 8,8 |
76,1 |
2,9 5,0 7,1 |
95 |
4,50 7,80 10,0 | |||
|
3,6 6,3 8,8 |
88,9 |
3,2 5,6 8,0 |
98 |
4,50 7,80 10,00 | |||
|
3,6 6,3 8,8 |
114,3 |
3,6 6,3 8,8 |
105 |
4,50 7,80 10,00 | |||
|
125 |
139,7 168,3 |
4,0 6,3 10,0 |
76,1 |
2,9 5,0 7,1 |
124 |
108 |
3,40 5,30 16,00 |
|
4,0 6,3 10,0 |
88,9 |
3,2 5,6 8,0 |
111 |
3,40 5,30 16,00 | |||
|
4,0 6,3 10,0 |
114,3 |
3,6 6,3 8,8 |
117 |
3,40 5,30 16,00 | |||
|
4,0 6,3 10,0 |
139,7 |
4,0 6,3 10,0 |
124 |
3,40 5,30 16,00 | |||
|
150 |
4,5 7,1 11,0 |
88,9 |
3,2 5,6 8,0 |
143 |
124 |
9,40 16,00 24,00 | |
|
4,5 7,1 11,0 |
114,3 |
3,6 6,3 8,8 |
130 |
9,40 16,00 24,00 | |||
|
4,5 7,1 11,0 |
139,7 |
4,0 6,3 10,0 |
137 |
9,40 16,00 24,00 | |||
|
4,5 7,1 11,0 |
168,3 |
4,5 7,1 11,0 |
143 |
9,40 16,00 24,00 | |||
|
200 |
219,1 |
6,3 8,0 12,5 |
114,3 |
3,6 6,3 8,8 |
178 |
156 |
16,00 20,00 43,00 |
|
6,3 8,0 12,5 |
139,7 |
4,0 6,3 10,0 |
162 |
16,00 20,00 43,00 | |||
|
6,3 8,0 12,5 |
168,3 |
4,5 7,1 11,0 |
168 |
16,00 20,00 43,00 | |||
|
6,3 8,0 12,5 |
219,1 |
6,3 8,0 12,5 |
178 |
23,00 29,00 44,00 | |||
|
250 |
273,0 |
6,3 10,0 |
139,7 |
4,0 6,3 |
216 |
191 |
33,0 52,0 |
|
6,3 10,0 |
168,3 |
4,5 7,1 |
194 |
33,0 52,0 | |||
|
6,3 10,0 |
219,1 |
6,3 7,1 |
203 |
33,0 52,0 | |||
|
6,3 10,0 |
273,0 |
6,3 10,0 |
216 |
33,0 52,0 | |||
|
300 |
323,9 |
7,1 10,0 |
168,3 |
4,5 7,1 |
254 |
219 |
47,00 66,00 |
|
7,1 10,0 |
219,0 |
6,3 8,0 |
229 |
47,00 66,00 | |||
|
7,1 10,0 |
273,0 |
6,3 8,0 |
241 |
47,00 66,00 | |||
|
7,1 10,0 |
323,9 |
7,1 10,0 |
254 |
54,00 77,00 | |||
|
350 |
355,6 |
8,0 11,0 |
219,1 |
6,3 8,0 |
279 |
248 |
- |
|
8,0 11,0 |
273,0 |
6,3 10,0 |
257 | ||||
|
8,0 11,0 |
323,9 |
7,1 10,0 |
270 | ||||
|
8,0 11,0 |
355,6 |
8,0 11,0 |
279 |
68,00 94,00 | |||
|
400 |
406,4 |
8,8 12,5 |
273,0 |
6,3 10,0 |
305 |
283 |
- |
|
8,8 12,5 |
323,9 |
7,1 10,0 |
295 | ||||
|
8,8 12,5 |
355,6 |
8,0 10,0 |
305 |
- | |||
|
8,8 12,5 |
406,4 |
8,8 12,5 |
88,00 131,00 | ||||
|
450 |
457,0 |
10,0 |
323,9 |
7,1 |
343 |
321 |
- |
|
355,6 |
8,0 |
330 | |||||
|
355,6 |
11,0 | ||||||
|
406,4 |
8,8 | ||||||
|
457,0 |
10,0 |
343 | |||||
|
500 |
508,0 |
11,0 |
355,6 |
8,0 |
381 |
356 | |
|
406,4 |
8,8 | ||||||
|
457,0 |
10,0 |
368 | |||||
|
508,0 |
11,0 |
381 | |||||
|
600 |
610,0 |
12,5 |
406,4 |
8,8 |
432 |
406 | |
|
457,0 |
10,0 |
419 | |||||
|
508,0 |
11,0 |
432 | |||||
|
610,0 |
12,5 | ||||||
|
700 |
711,0 |
- |
711,0 |
- |
521 |
521 | |
|
800 |
813,0 |
813,0 |
597 |
597 | |||
|
900 |
914,0 |
914,0 |
673 |
673 | |||
|
1000 |
1016,0 |
1016,0 |
749 |
749 | |||
|
Примечание - Масса приведена для справок. | |||||||
Размеры в миллиметрах
|
DN |
D |
Т |
D1 |
T1 |
F |
Н |
r, не менее |
Масса, кг |
|
15 |
20 |
2,0 3,0 4,0 |
- |
- |
25 |
15 |
3 |
0,2 0,2 0,3 |
|
20 |
25 |
2,0 3,0 4,0 |
20 |
2,0 3,0 4,0 |
29 |
20 |
0,3 0,3 0,4 | |
|
2,0 3,0 4,0 |
- |
- |
0,3 0,3 0,4 | |||||
|
25 |
32 |
2,0 3,0 4,0 |
20 |
2,0 3,0 4,0 |
38 |
25 |
0,3 0,4 0,4 | |
|
2,0 3,0 4,0 |
25 |
2,0 3,0 4,0 |
0,3 0,4 0,4 | |||||
|
2,0 3,0 4,0 |
- |
- |
0,3 0,4 0,4 | |||||
|
32 |
38 |
2,0 3,0 4,0 |
20 |
2,0 3,0 4,0 |
32 |
32 |
4 |
0,3 0,4 0,4 |
|
2,0 3,0 4,0 |
25 |
2,0 3,0 4,0 |
0,3 0,4 0,4 | |||||
|
2,0 3,0 4,0 |
32 |
2,0 3,0 4,0 |
0,3 0,4 0,4 | |||||
|
2,0 3,0 4,0 |
- |
- |
0,3 0,4 0,4 | |||||
|
40 |
45 |
2,5 4,0 5,0 |
- |
- |
40 |
40 |
5 |
0,3 0,4 0,4 |
|
50 |
57 |
3,0 4,0 5,0 |
45 |
2,5 3,0 4,0 |
50 |
45 |
0,4 0,6 0,7 | |
|
3,0 4,0 5,0 |
- |
- |
0,4 0,6 0,7 | |||||
|
65 |
76 |
3,5 6,0 7,0 |
45 |
2,5 4,0 5,0 |
65 |
60 |
0,8 1,4 1,6 | |
|
3,5 6,0 7,0 |
57 |
3,0 5,0 5,5 |
0,8 1,4 1,6 | |||||
|
3,5 6,0 7,0 |
- |
- |
0,8 1,4 1,6 | |||||
|
80 |
89 |
3,5 6,0 8,0 |
57 |
3,0 4,0 5,5 |
80 |
70 |
1,5 2,0 2,7 | |
|
3,5 6,0 8,0 |
76 |
3,5 6,0 7,0 |
1,5 2,0 2,7 | |||||
|
3,5 6,0 8,0 |
- |
- |
1,5 2,0 2,7 | |||||
|
100 |
108 |
4,0 6,0 8,0 9,0 |
76 |
3,5 5,0 6,0 7,0 |
100 |
80 |
2,2 3,3 4,5 4,9 | |
|
4,0 6,0 8,0 9,0 |
89 |
4,0 6,0 8,0 8,0 |
2,2 3,3 4,5 4,9 | |||||
|
4,0 6,0 8,0 9,0 |
- |
- |
2,2 3,3 4,5 4,9 | |||||
|
114 |
4,0 5,0 6,0 9,0 |
76 |
3,5 5,0 6,0 7,0 |
100 |
90 |
5 |
3,0 3,7 4,4 6,5 | |
|
4,0 5,0 6,0 9,0 |
89 |
4,0 5,0 6,0 8,0 |
3,0 3,7 4,4 6,5 | |||||
|
4,0 5,0 6,0 9,0 |
- |
4,0 5,0 6,0 9,0 |
3,0 3,7 4,4 6,5 | |||||
|
125 |
133 |
4,0 6,0 8,0 10,0 12,0 |
89 |
3,5 5,0 6,0 8,0 9,0 |
110 |
95 |
6 |
2,9 4,1 5,9 6,8 8,0 |
|
4,0 6,0 8,0 10,0 12,0 |
108 |
4,0 5,0 6,0 9,0 10,0 |
2,9 4,1 5,9 6,8 8,0 | |||||
|
4,0 6,0 8,0 10,0 12,0 |
- |
- |
2,9 4,1 5,9 6,8 8,0 | |||||
|
150 |
159 |
4,5 6,0 8,0 10,0 12,0 |
108 |
4,0 5,0 6,0 9,0 10,0 |
130 |
110 |
8 |
4,8 6,6 9,0 10,1 12,2 |
|
4,5 6,0 8,0 10,0 12,0 |
133 |
4,0 5,0 6,0 10,0 12,0 |
4,8 6,6 9,0 10,1 12,2 | |||||
|
4,5 6,0 8,0 10,0 12,0 |
- |
- |
4,8 6,6 9,0 10,1 12,2 | |||||
|
200 |
219 |
6,0 8,0 10,0 12,0 16,0 |
133 |
5,0 6,0 8,0 10,0 16,0 |
160 |
140 |
10 |
10,2 13,8 16,8 19,9 26,6 |
|
6,0 8,0 10,0 12,0 16,0 |
159 |
6,0 6,0 8,0 11,0 12,0 |
10,2 13,8 16,8 19,9 26,6 | |||||
|
6,0 8,0 10,0 12,0 16,0 |
- |
- |
10,2 13,8 16,8 19,9 26,6 | |||||
|
250 |
273 |
7,0 10,0 12,0 16,0 18,0 |
159 |
4,5 6,0 8,0 11,0 12,0 |
190 |
175 |
12 |
18,4 26,0 31,2 41,6 46,8 |
|
7,0 10,0 12,0 16,0 18,0 |
219 |
6,0 8,0 10,0 12,0 16,0 |
18,4 26,0 31,2 41,6 46,8 | |||||
|
7,0 10,0 12,0 16,0 18,0 |
- |
- |
18,4 26,0 31,2 41,6 46,8 | |||||
|
300 |
325 |
8,0 10,0 12,0 16,0 22,0 |
219 |
6,0 8,0 10,0 12,0 16,0 |
220 |
200 |
15 |
27,4 34,2 41,1 54,8 75,3 |
|
8,0 10,0 12,0 16,0 22,0 |
273 |
7,0 10,0 12,0 16,0 18,0 |
27,4 34,2 41,1 54,8 75,3 | |||||
|
8,0 10,0 12,0 16,0 22,0 |
- |
- |
27,4 34,2 41,1 54,8 75,3 | |||||
|
350 |
377 |
10,0 12,0 16,0 20,0 |
273 |
7,0 10,0 12,0 16,0 |
240 |
225 |
15 |
46,0 55,2 73,6 92,0 |
|
10,0 12,0 16,0 20,0 |
325 |
8,0 10,0 16,0 18,0 |
46,0 55,2 73,6 92,0 | |||||
|
10,0 12,0 16,0 20,0 |
- |
- |
46,0 55,2 73,6 92,0 | |||||
|
400 |
426 |
10,0 12,0 16,0 18,0 |
325 |
8,0 10,0 12,0 16,0 |
270 |
250 |
18 |
55,5 66,6 88,8 100,0 |
|
10,0 12,0 16,0 18,0 |
377 |
10,0 12,0 16,0 18,0 |
55,5 66,6 88,8 100,0 | |||||
|
10,0 12,0 16,0 18,0 |
- |
- |
55,5 66,6 88,8 100,0 | |||||
|
Примечания 1 Масса приведена для справок. 2 Масса соответствует тройникам, изготовляемым из труб с размерами D и Т гидроштамповкой. При изготовлении другими способами и (или) из других заготовок массу устанавливает изготовитель. | ||||||||
Примеры условных обозначений:
- переходного тройника исполнения 1, D = 60,3 мм, Т = 2,9 мм, D1=48,3 мм, Т1=2,6 мм из стали марки TS9:
Тройник 1-60,3х2,9-48,3х2,6-TS9 ГОСТ 17376-2001
- равнопроходного тройника исполнения 2, D = 76 мм, Т = 7,0 мм из стали марки 20:
Тройник 76х7 ГОСТ 17376-2001
- то же, с Тв=10 мм, из стали 09Г2С для трубопроводов, подконтрольных органам надзора:
Тройник П76х7/10-09Г2С ГОСТ 17376-2001
- переходного тройника исполнения 2, D = 159 мм, Т = 6 мм, D1 = 133 мм, Т1 = 5 мм из стали марки 09Г2С класса прочности К52, с минимальной температурой стенки тройника при эксплуатации минус 26°С для трубопроводов, подконтрольных органам надзора:
Тройник П 159 х 6-133 х 5-09Г2С-К52-26°С ГОСТ 17376-2001
- равнопроходного тройника исполнения 2, D = 273 мм, Т = 10 мм класса прочности К60, с минимальной температурой стенки тройника при эксплуатации минус 30°С для трубопроводов, подконтрольных органам надзора:
Тройник П 273 х 10-К60-30°С ГОСТ 17376-2001
4.2. По согласованию между потребителем (заказчиком) и изготовителем допускается изготавливать тройники других размеров.
4.3 Допускается изготовление тройников с увеличенной толщиной стенки Тв в зоне сопряжения магистрали и ответвления и других неторцевых сечений.
Технические условия - по ГОСТ 17380.


