ИТС 31-2017 ПРОИЗВОДСТВО ПРОДУКЦИИ ТОНКОГО ОРГАНИЧЕСКОГО СИНТЕЗА
Manufacture of organic fine chemicals
Дата введения - 1 июля 2018 г.
Введение
Настоящий информационно-технический справочник по наилучшим доступным технологиям "Производство продукции тонкого органического синтеза" (далее - справочник НДТ) разработан на основе анализа технологических, технических и управленческих решений, применяемых для обеспечения высокой ресурсоэффективности и экологической результативности в области получения продуктов тонкого органического синтеза.
С 1 января 2015 вступил в действие Федеральный закон от 21 июля 2014 г. N 219-ФЗ "О внесении изменений в Федеральный закон "Об охране окружающей среды" и отдельные законодательные акты Российской Федерации" [1]. Закон был разработан с целью совершенствования правового регулирования экологического нормирования в области охраны окружающей среды и введения мер экономического стимулирования хозяйствующих субъектов для внедрения наилучших доступных технологий.
Термин "наилучшая доступная технология" (НДТ) определен в Федеральном законе [2], согласно статье 1 которого "наилучшая доступная технология - это технология производства продукции (товаров), выполнения работ, оказания услуг, определяемая на основе современных достижений науки и техники и наилучшего сочетания критериев достижения охраны окружающей среды при условии наличия технической возможности ее применения".
В соответствии с положениями Федерального закона объекты, оказывающие воздействие на окружающую среду, относятся к 4 категориям по степени оказываемого негативного воздействия, к каждой из которых будут применены различные меры государственного регулирования.
В период с 2015 по 2017 гг. согласно распоряжению Правительства Российской Федерации от 31 октября 2014 г. N 2178-р [3] должны быть разработаны информационно-технические справочники по наилучшим доступным технологиям, являющиеся документами национальной системы стандартизации Российской Федерации согласно Федеральному закону [4].
Структура настоящего справочника НДТ соответствует ГОСТ Р 56828.14-2016 [5], формат описания технологий - ГОСТ Р 56828.13-2016 [6], термины приведены в соответствии с ГОСТ Р 56828.15-2016 [7].
Предисловие
Цели, основные принципы и порядок разработки справочника НДТ установлены постановлением Правительства Российской Федерации от 23 декабря 2014 г. N 1458 "О порядке определения технологии в качестве наилучшей доступной технологии, а также разработки, актуализации и опубликования информационно-технических справочников по наилучшим доступным технологиям".
1 Статус документа
Настоящий справочник НДТ является документом по стандартизации.
2 Информация о разработчиках
Справочник НДТ разработан технической рабочей группой "Производство продукции тонкого органического синтеза" (ТРГ 31), состав которой одобрен протоколом совещания под председательством заместителя Министра промышленности и торговли Российской Федерации В.С. Осьмакова от 22 марта 2017 г. N 15-ОВ/12.
Перечень организаций, оказавших поддержку в разработке справочника НДТ, приведен в разделе "Заключительные положения и рекомендации".
Справочник НДТ представлен на утверждение Бюро наилучших доступных технологий (далее - Бюро НДТ) (www.burondt.ru).
3 Краткая характеристика
В справочнике НДТ рассматриваются НДТ, предназначенные для получения продукции тонкого органического синтеза. Справочник НДТ содержит описание применяемых при синтезе продуктов малотоннажной химии технологических процессов, оборудования, технических способов, методов, в том числе позволяющих снизить негативное воздействие на окружающую среду, повысить энергоэффективность, обеспечить ресурсосбережение. Из описанных технологических процессов, оборудования, технических способов, методов (в том числе управления) определены решения, являющиеся НДТ. Для ряда НДТ установлены соответствующие технологические показатели.
4 Взаимосвязь с международными и региональными аналогами
Справочник НДТ разработан с учетом международного аналога - справочника Европейского союза по наилучшим доступным технологиям "Производство продукции тонкого органического синтеза" (Reference Document on Best Available Techniques for the Manufacture of Organic Fine Chemicals, http://eippcb.jrc.ec.europa.eu/reference/BREF/ofc_bref_0806.pdf), опыта создания других справочников Европейского союза по наилучшим доступным технологиям (Reference Book on Best Available Techniques, http://eippcb.jrc.ec.europa.eu/reference/BREF), информационно-технических справочников Российской Федерации:
- справочник НДТ ИТС 8-2015 "Очистка сточных вод при производстве продукции (товаров), выполнении работ и оказании услуг на крупных предприятиях";
- справочник НДТ ИТС 9-2015 "Обезвреживание отходов термическим способом (сжигание отходов)";
- справочник НДТ ИТС 10-2015 "Очистка сточных вод с использованием централизованных систем водоотведения поселений, городских округов".
5 Сбор данных
Информация о технологических процессах, оборудовании, технических способах, методах, применяемых при производстве продукции тонкого органического синтеза в Российской Федерации, была собрана в процессе разработки справочника в соответствии с Порядком сбора данных, необходимых для разработки информационно-технического справочника по наилучшим доступным технологиям и анализа приоритетных проблем отрасли, утвержденным приказом Росстандарта от 23 июля 2015 г. N 863.
6 Взаимосвязь с другими справочниками НДТ
Взаимосвязь настоящего справочника НДТ с другими справочниками НДТ, разрабатываемыми в соответствии с распоряжением Правительства Российской Федерации от 31 октября 2014 г. N 2178-р, приведена в разделе "Область применения".
7 Информация об утверждении, опубликовании и введении в действие
Справочник НДТ утвержден приказом Росстандарта от 15 декабря 2017 г. N 2848.
Справочник НДТ введен в действие с 1 июля 2018 г., официально опубликован в информационной системе общего пользования - на официальном сайте Федерального агентства по техническому регулированию и метрологии в сети Интернет (www.gost.ru).
Область применения
Настоящий справочник НДТ распространяется на производство следующих органических веществ:
1) Моноалкилфенол.
2) α -Олефины (бутен-1, гексен-1, октен, додецен-1, децен-1, тетрадецен).
3) Диизобутилалюминийгидрид (ДИБАГ).
4) Дициклопентадиен.
5) Неодеканоат неодима.
6) Оксиэтилированные алкилфенолы.
7) Очищенный гексановый растворитель.
8) Полиэтиленгликоли.
9) Пропиленгликоль.
10) Триизобутилалюминий.
11) Тримеры и тетрамеры пропилена.
12) Триэтилалюминий.
13) Этилалюминийсесквихлорид.
14) Этилцеллозольв.
15) Пара-третичный бутилфенол (ПТБФ).
16) Бутилацетат.
17) Ацетальдегид.
18) Ацетилен.
19) Винилацетат.
20) Метилацетат.
21) Метанол.
22) Бутанол.
23) Поливиниловый спирт.
24) Уксусная кислота.
25) Меламин.
26) Терефталоилхлорид.
27) Простые полиэфиры.
28) Противоизносные присадки для дизельного топлива.
29) Депрессорные присадки.
30) Хлороформ.
31) Хладоны и мономеры на их основе.
32) Синтанолы.
33) Сульфированные продукты.
34) Совместное получение полиэтиленгликолей и метоксиполиэтиленгликолей.
Настоящий справочник НДТ не распространяется на:
- производство органических веществ, основу которых составляют процессы переработки нефтяных фракций (подготовка и перегонка нефти, каталитический риформинг, каталитический крекинг, гидроочистка и другие), вошедшие в справочник НДТ ИТС 30-2017 "Переработка нефти";
- крупнотоннажное производство веществ основного органического синтеза, вошедших в справочник НДТ ИТС 18-2016 "Производство основных органических веществ";
- процессы (вопросы), касающиеся исключительно обеспечения промышленной безопасности или охраны труда.
Отдельные виды деятельности при производстве продукции тонкого органического синтеза (таблица 1) регулируются соответствующими справочниками НДТ.
|
Вид деятельности |
Соответствующий справочник НДТ | |
|
1 |
Очистка сточных вод |
ИТС 8-2015 "Очистка сточных вод при производстве продукции (товаров), выполнении работ и оказании услуг на крупных предприятиях" |
|
ИТС 10-2015 "Очистка сточных вод с использованием централизованных систем водоотведения поселений, городских округов" | ||
|
2 |
Обращение с отходами |
ИТС 9-2015 "Обезвреживание отходов термическим способом (сжигание отходов)" |
|
ИТС 15-2016 "Утилизация и обезвреживание отходов (кроме обезвреживания термическим способом (сжигание отходов)" | ||
|
ИТС 17-2016 "Размещение отходов производства и потребления" | ||
|
3 |
Очистка выбросов загрязняющих веществ |
ИТС 22-2016 "Очистка выбросов вредных (загрязняющих) веществ в атмосферный воздух при производстве продукции (товаров), а также при проведении работ и оказании услуг на крупных предприятиях" |
|
4 |
Производственный экологический контроль |
ИТС 22.1-2016 "Общие принципы производственного экологического контроля и его метрологического обеспечения" |
|
5 |
Промышленные системы охлаждения |
ИТС 20-2016 "Промышленные системы охлаждения" |
|
6 |
Производство энергии |
ИТС 38-2017 "Сжигание топлива на крупных установках в целях производства энергии" |
|
7 |
Хранение и складирование |
ИТС 46-2017 "Сокращение выбросов загрязняющих веществ, сбросов загрязняющих веществ при хранении и складировании товаров (грузов)" |
|
8 |
Энергоэффективность |
ИТС 48-2017 "Повышение энергетической эффективности при осуществлении хозяйственной и (или) иной деятельности" |
Малотоннажная химия занимает важное место в структуре мировой химической индустрии. В странах Евросоюза доля высокотехнологичной малотоннажной химической и нефтехимической продукции превышает 30 % отраслевого выпуска. В Российской Федерации доля малотоннажной химии в химическом производстве в настоящее время невелика и не превышает 5 %.
В промышленности малотоннажной химии в качестве сырья используются органические вещества, как правило, сложного строения, и относящиеся к продуктам основного органического и нефтехимического синтеза.
Для производств малотоннажной химии характерны многостадийность, сравнительно высокие энерго- и трудозатраты, связанные с низким съемом продукции с единицы реакционного объема аппаратов, значительные количества побочных веществ и отходов, а также определенные трудности с утилизацией или переработкой этих отходов. При расширении таких производств достаточно часто возникают проблемы, связанные с масштабным переходом.
Эффективность процессов тонкого органического синтеза повышается главным образом с помощью использования гибких блочно-модульных схем, автоматических систем управления, привлечения методов биотехнологии (для получения полупродуктов и утилизации отходов), лазерной химии и других современных методов физико-химического воздействия на химические реакции.
Основными продуктами малотоннажного органического синтеза, которые в отечественной научно-технической литературе называют еще продуктами тонкого органического синтеза, являются красители, лекарственные препараты, пестициды, текстильно-вспомогательные и душистые вещества, химикаты - добавки для полимерных материалов и смол, присадки к моторным топливам, кормовые добавки, дезинфицирующие средства, химические реактивы, селективные растворители, катализаторы, прекурсоры и т.п. Рассматривая номенклатуру малотоннажных органических веществ, следует отметить, что в ряде случаев эти продукты производятся как сырье для синтеза более сложных веществ тонкого органического синтеза, хотя одновременно могут использоваться в качестве целевых товарных продуктов.
Среди продуктов малотоннажного органического синтеза отдельно следует отметить сегмент композиционных материалов, которые используются практически во всех областях - от авиации и космоса до выпуска потребительских товаров. К сожалению, лишь по выпуску стеклопластиков наша страна занимает лидирующие позиции, а ситуация с остальными видами композитов достаточно печальна. Большие проблемы также связаны с углепластиками, хотя до распада СССР страна занимала в этой области лидирующие позиции.
Технологии получения малотоннажных органических веществ, как правило, являются сложными многостадийными процессами с использованием нетрадиционных подходов и методов, требующих иногда сложного нестандартного аппаратурного оформления. Хотя достаточно большая группа малотоннажных органических продуктов производится по простым, общеизвестным технологиям.
По принятой в настоящее время номенклатуре, к веществам малотоннажной химии отнесена большая группа сырьевых продуктов, которые являются исходными веществами для синтеза других веществ тонкого органического синтеза или используются при таких синтезах в качестве растворителей, экстрагентов и других вспомогательных веществ.
Одним из наиболее крупнотоннажных и давно используемых продуктов является ацетилен, получаемый пиролизом различных углеводородов или карбидным методом. Области применения ацетилена очень широки: он используется в производстве взрывчатых веществ (ацетилениды), для получения уксусной кислоты, этилового спирта, растворителей, пластических масс, каучука, ароматических углеводородов, а также технического углерода. Известно использование ацетилена вместе с аммиаком в ракетных двигателях.
К крупным сырьевым веществам тонкого органического синтеза относиться ацетальдегид. Его глобальное производство в мире превышает 1 млн т. Основным способом получения ацетальдегида является окисление этилена (процесс Вакера). Кроме того, ацетальдегид получают гидратацией ацетилена (реакции Кучерова) или дегидрированием этилового спирта.
Применяют уксусный альдегид для получения уксусной кислоты, бутадиена, некоторых органических веществ, альдегидных полимеров. Он - важный прекурсор к пиридиновым производным, пентаэритролу и кротональдегиду. Мочевина и ацетальдегид конденсируются, образуя смолы. Уксусный ангидрид реагирует с ацетальдегидом, давая этилидендиацетат, из которого получают винилацетат - мономер поливинилацетата.
К продуктам малотоннажной химии относятся средства защиты растений (гербициды), стимуляторы роста и т.п. Алкилфенолы, которые сами относятся к продуктам малой химии, используются в качестве сырья для производства упомянутых выше веществ.
К группе сырьевых продуктов малотоннажной химии относятся: α -олефины (прекурсоры в производстве детергентов, синтетических смазок, пластификаторов), бутиловый эфир акриловой кислоты (для получения акриловых эмульсий полибутил- и полиметилакриловых), меламин (сырье для смол и дубильных веществ), пара-третичный бутилфенол (синтеза фенольных смол) и терефталоилхлорид (сырье для полиамидных волокон и полиарилатов).
Хотя ацетон и отнесен к группе продуктов малотоннажной химии, его мировое производство составляет более 7 млн т в год и устойчиво растет.
В промышленности ацетон получается напрямую или косвенно из пропена. Основную часть ацетона получают как сопродукт при производстве фенола кумольным методом при алкилировании бензола пропиленом. Кроме того, ацетон производят из изопропанола окислением в паровой фазе при температурах 450 °C - 650 °C на катализаторе. Еще одним способом является прямое окисление пропена в жидкой фазе в присутствии PdCl2 в среде растворов солей Pd, Cu, Fe при температуре 50 °C - 120 °C и давлении 50-100 атм.
Ацетон применяется как сырье для синтеза многих важных химических продуктов, таких как уксусный ангидрид, кетен, диацетоновый спирт, окись мезитила, метилизобутилкетон, метилметакрилат, дифенилпропан, изофорон, бисфенол А и т.д. Ацетон также является популярным растворителем, значительно превосходящим в плане безопасности уайт-спирит, скипидар и отчасти керосин. Он используется как растворитель в производстве лаков, взрывчатых веществ, лекарственных препаратов и т.п. Ацетон используется также при экстракции многих растительных веществ, служит сырьем для синтеза уксусного ангидрида, кетена, диацетонового спирта и многих других соединений.
Кроме ацетона, к группе специфических растворителей относятся и другие вещества тонкого органического синтеза: бутилацетат и метилацетат, спирт бутиловый, этилкарбитол и этилцеллозольв.
Винилацетат - органическое соединение класса сложных эфиров, используется в органическом синтезе для введения винильной группы и как мономер для получения поливинилацетата и сополимеров.
Технологии сегодняшнего дня требуют форсированных двигателей с большой степенью сжатия, работающих на высоких оборотах. Бензин для таких моторов должен обладать максимальным уровнем защиты от детонационного (взрывного) сгорания. Октановое число и есть тот параметр топлива, который показывает степень этой защиты.
Высокооктановые бензины производятся из низкооктановых исключительно с помощью присадок - антидетонаторов. N-метиланилин используется в производстве автомобильных бензинов с целью повышения их детонационной стойкости, а также является основным компонентом многофункциональных октаноповышающих добавок к автомобильным бензинам.
Алкилфенолы, содержащие в молекуле алкильные группы, также относятся к продуктам малотоннажной химии. Из моноалкилфенолов наибольший интерес представляет пара-третичный бутилфенол (ПТБФ), получаемый алкилированием фенола изобутиленом. При добавлении его к фенолу, подвергаемому поликонденсации с формальдегидом, получают маслорастворимые полимеры, применяемые как пленкообразующие в лакокрасочной промышленности.
По бактерицидному и дезинфицирующему действию n-трет-бутил- и n-трет-амилфенолы, а также алкилфенолы, содержащие более длинные алкильные группы, превосходят фенол, крезолы и ксиленолы. На основе алкилфенолов производят стимуляторы роста растений, гербициды (алкил- и арилфеноксиуксусные кислоты) и душистые вещества.
Продукты малотоннажной химии находят широкое применение при производстве полимеров как в качестве пластификаторов (диалкилфталат-789, диоктилфталат и др.), так и в качестве сырья для производства сополимеров (α -олефины).
Развитие интенсивного животноводства требует использования высокоэффективных кормовых добавок, которые также обеспечиваются технологиями тонкого органического синтеза. К таким веществам относятся меламин и метионин, производимые на предприятиях страны.
Традиционными потребителями малотоннажных продуктов являются обогатительные фабрики и ГОКи, широко применяющие реагенты для флотации, например ксантогенат калия бутиловый, использующиеся при обогащении флотацией сульфидных руд для получении свинца из буланжерита.
Металлорганические соединения, получаемые на установках малой химии, используются в качестве высокоэффективных и селективных катализаторов. К таким соединениям относятся соединения неодима и этилалюминийсесквихлорид.
Эмульгаторы (оксиэтилированные алкилфенолы), поверхностно-активные вещества (сульфанол), загустители (поливиниловый спирт), антифризы (полиэтиленгликоль и этилцеллозольв), пироформный воспламенитель (триэтилалюминий) подтверждают тот тезис, что продукты малотоннажной химии имеют очень широкий диапазон использования в различных отраслях промышленности.
Развитие производства малотоннажной химии в СССР во многом стимулировалось потребностями военно-промышленного комплекса (ВПК). С начала 1980-х гг. при планировании разработок и производств данное направление было выделено в отдельный целевой блок. В стране составлялся список остродефицитных химических соединений и материалов, создать или развить производства которых требовалось в первую очередь. Выбор приоритетных химических продуктов осуществлялся на основе анализа зарубежного опыта химизации ВПК. Это позволяло своевременно корректировать упомянутый список. Новый список мог включать как новые продукты, так и продукты из предыдущих списков, производства которых нужно было расширить или развить в отношении качества.
Однако развитию малотоннажных химических производств в Российской Федерации в постсоветский период практически не уделялось внимания. В результате значительное число предприятий и производств по выпуску малотоннажной химической продукции, созданных на территории России в советский период, прекратило свое существование. Эти малотоннажные химические производства нуждались в коренной реконструкции и техперевооружении для сохранения своей конкурентоспособности, однако собственники предприятий, в том числе и крупные компании, предпочитали закрывать эти производства и направлять инвестиции в проекты по созданию предприятий крупнотоннажной химии, позволяющие реализовывать товары на внешнем рынке. В результате объем выпуска продукции малотоннажной химии в Российской Федерации упал в десятки раз, и основная часть потребностей в этой продукции стала удовлетворяться за счет импорта (по различным группам товаров малотоннажной химии - от 70 % до 100 %).
В последние годы возникла реальная угроза, связанная с возможным прекращением поставок в Россию химических веществ, используемых в различных отраслях промышленности (как в гражданских отраслях, так и в оборонном комплексе), обеспечивающих безопасность нашей страны.
В связи с этим проблема импортозамещения должна стать одной из ключевых в промышленной политике государства.
Остродефицитные продукты малотоннажной химии можно разделить на несколько групп. Это малотоннажные неорганические и органические продукты, химикаты-добавки для производства полимерных материалов (для переработки пластмасс и каучуков) и малотоннажные полимеры различного назначения. Один из важных малотоннажных неорганических продуктов, производство которого в Российской Федерации отсутствует, - это перманганат калия, используемый в медицине, химической промышленности и в производстве взрывчатых веществ. В России не вырабатывается также полифосфат аммония, используемый в качестве антипирена в производстве огнезащитных красок. К этой же группе продуктов нужно отнести бензоат натрия, используемый главным образом в качестве консерванта для напитков и парфюмерно-косметических товаров.
Одной из важнейших подотраслей малотоннажной химии является производство химикатов-добавок, используемых при переработке пластмасс и каучуков. К этой же группе веществ следует отнести группу химикатов-добавок, являющихся антиоксидантами для синтетических каучуков на основе производных парафенилендиамина, используемых главным образом в шинной промышленности (ИППД, 6ППД и др.); ускорители вулканизации; комплексные стабилизаторы для пластмасс и каучуков; порообразователи на основе азосоединений; перекисные инициаторы полимеризации на основе пероксидов спиртов, простых эфиров и кетонов и многое другое.
В последние годы объемы производства малотоннажных веществ сокращаются, а лавина импорта растет. После вступления в ВТО Россия оказалась абсолютно неконкурентоспособной - цены на электроэнергию сравнялись с европейскими, а стоимость коммунальных услуг (тепло, вода и т.д.) - уже превысила. Дешевой и квалифицированной рабочей силы тоже нет, поскольку по размеру средней зарплаты РФ обогнала страны Восточной Европы.
Кроме приведенного выше, отсутствие производств малотоннажной химии в России имеет еще один очень существенный недостаток: малотоннажный химический контрафакт на российском рынке процветает.
Одной из проблем малотоннажной химии является то, что она очень часто является неокупаемой. Как самостоятельный бизнес, выпуск одного-трех или даже десяти наименований химической продукции нерентабелен. Надо, чтобы было как минимум 200-300 наименований, что под силу только крупным специализированным предприятиям.
Промышленность, выпускающая продукты малотоннажной химии по большому счету в стране отсутствует и должна быть создана практически заново.
При создании современных универсальных и гибких технологий выпуска веществ тонкого органического комплекса должны быть разработаны Исходные данные для проектирования этих промышленных производств, в которых естественно будут решены все экологические вопросы. Сегодня невозможно построить химическое производство без прохождения Государственной технической и экологической экспертиз. Таким образом, развитие промышленности тонкого органического синтеза не будет сопряжено с нарушением экологических норм.
Данный раздел справочника НДТ включает краткие описания технологических процессов получения продукции тонкого органического синтеза на основе данных представленных компаниями-производителями в ходе анкетирования: моноалкилфенола, α -олефинов, диизобутилалюминийгидрида, дициклопентадиена, неодеканоата неодима, оксиэтилированных алкилфенолов, очищенного гексанового растворителя, полиэтиленгликолей, пропиленгликоля, простых полиэфиров, триизобутилалюминия, тримеров и тетрамеров пропилена, триэтилалюминия, этилалюминийсесквихлорида, этилцеллозольва, пара-третичного бутилфенола, бутилацетата, ацетальдегида, ацетилена, винилацетата, метилацетата, метанола, бутанола, поливинилового спирта, уксусной кислоты, меламина, терефталоилхлорида, простых полиэфиров, противоизносных присадков для дизельного топлива, депрессорных присадок, хлороформа, хладонов и мономеров на основе хладонов, синтанолов, сульфированных продуктов и совместного получения полиэтиленгликолей и метоксиполиэтиленгликолей. Данный раздел не включает описание ряда веществ, входящих в утвержденную область применения справочника НДТ ИТС 31-2017 "Производство продукции тонкого органического синтеза", так как по этим веществам не была предоставлена информация.
Сырье для процесса: фенол, тримеры пропилена.
Целевой продукт: моноалкилфенол.
Побочные продукты: нет.
Катализатор: ионообменная смола.
Химическая реакция:

Краткое описание технологического процесса:
Производство предназначено для получения алкилфенолов методом каталитического алкилирования фенола тримерами пропилена. Принципиальная технологическая схема представлена на рисунке 2.1. Алкилирование проводится в двух последовательно включенных реакторах P-1/A, B с неподвижным слоем катализатора при температуре 80 °С - 125 °С и давлении 4-5 кг/см2. Реакция алкилирования фенола тримерами пропилена и олефинами производится в жидкой фазе в присутствии катализатора - ионообменной смолы. Алкилат из последнего по ходу реактора подается на ректификацию в узел перегонки для выделения товарного алкилфенола. Для снижения вредного воздействия на окружающую среду, на производстве имеется установка термического обезвреживания отходов - печь для сжигания жидких отходов.

Рисунок 2.1 - Принципиальная технологическая схема получения моноалкилфенола
2.2.1 Производство α -олефинов
Сырье для процесса: этилен.
Целевой продукт: индивидуальные фракции α -олефинов C4, С6, С8, С10, С12 - С14, С16+.
Побочные продукты: нет.
Катализатор: катализатор циркониевый, ЭАСХ.
Химическая реакция:

Краткое описание технологического процесса:
Получение α -олефинов основано на процессе олигомеризации этилена в присутствии катализатора. Принципиальная технологическая схема процесса представлена на рисунке 2.2. Олигомеризацией этилена получают реакционную массу (олигомеризат), которую после водно-щелочной отмывки подвергают ректификационному разделению с получением следующих продуктов: фракция α -олефинов С4 (бутен-1), фракция α -олефинов С6 (гексен-1), фракция α -олефинов С8 (октен-1), фракция α -олефинов С10 (децен-1), фракция α -олефинов С12 - С14, фракция α -олефинов С16 - С18.
На производстве α -олефинов имеется:
- печь для сжигания жидких отходов и отдувочных газов производства α -олефинов с использованием тепла дымовых газов для выработки пара;
- узел нейтрализации отходов производства алюмоорганических соединений и α -олефинов;

Рисунок 2.2 - Принципиальная технологическая схема получения α -олефинов олигомеризацией этилена
2.2.2 Разделение фракции α -олефинов на С12, С14
Сырье для процесса: фракция α -олефинов С12 - С14.
Целевой продукт: фракция α -олефинов С12, фракция α -олефинов С14.
Побочные продукты: нет.
Катализатор: нет.
Краткое описание технологического процесса:
Узел разделения фракции α -олефинов С12 - С14 на индивидуальные α -олефины фракции С12 и С14 (см. рисунок 2.3) предназначен для разделения фракции α -олефинов С12 - С14, поступающих с производства линейных α -олефинов, на индивидуальные фракции С12 и С14 в колонне (поз. Кт-1) методом ректификации.

Рисунок 2.3 - Принципиальная технологическая схема узла разделения фракции α -олефинов на индивидуальные α -олефины С12, С14
Сырье для процесса: алюминиевый порошок АСД-Т, водород, изобутилен.
Целевой продукт: диизобутилалюминийгидрид (ДИБАГ).
Побочные продукты: нет.
Катализатор: нет.
Химическая реакция:

Краткое описание технологического процесса:
В каскад реакторов подается суспензия алюминия. При достижении нужной температуры и давления водорода, приступают к дозировке расчетного количества насосом через теплообменник (на 1 кг поданного на синтез порошка алюминия АСД-Т расходуется 3, 0-5, 0 кг изобутилена). Скорость подачи изобутилена составляет 60-120 кг/ч. По окончании дозировки изобутилена, создают давление водорода 50-55 кгс/см2. За счет тепловыделения процесса синтеза, температура возрастает до 155 °С - 180 °C. Реакция происходит при интенсивном перемешивании. Синтез ДИБАГ протекает не менее 5 ч, при постоянной подаче водорода. Окончание синтеза характеризуется падением температуры и заметным снижением расхода водорода, после чего прекращают подачу водорода и охлаждают реакционную массу. При получении удовлетворительного анализа, содержимое реакторов передавливается азотом на узел хранения.
Сырье для процесса: дициклопентадиен-концентрат.
Целевой продукт: дициклопентадиен.
Побочные продукты: олигомеры ДЦПД.
Катализатор: нет.
Краткое описание технологического процесса:
Сырье - дициклопентадиен-концентрат подается в ректификационную колонну 1, из которой производится отгонка углеводородов С5, которые с верха колонны поступают в дефлегматор, охлаждаемый рассолом. Углеводородный конденсат из дефлегматора поступает в специальную емкость 1, откуда насосом подается в колонну 1 в виде флегмы. Избыток углеводородного конденсата откачивается на склад в качестве абсорбента. Вакуум в системе колонны 1 создается пароэжекторной установкой путем отсоса газов и паров из дефлегматора. Кубовый продукт колонны 1 насосом подается в колонну 2. Колонна 2 предназначена для выделения фракции углеводородов С6 - С9 из кубового продукта колонны 1 под вакуумом. Пары углеводородов С6 - С9, отходящие с верха колонны 2, поступают в дефлегматор, охлаждаемый водой. Углеводородный конденсат из дефлегматора поступает в емкость 2, откуда насосом подается в колонну 2 в виде флегмы. Избыток углеводородного конденсата откачивается на склад в качестве абсорбента. Вакуум в системе колонны 2 создается пароэжекторной установкой путем отсоса газов и паров из емкости 2. Пары и газы предварительно конденсируются в аппарате, охлаждаемом рассолом. Кубовый продукт колонны 2 насосом подается в колонну 3. В колонне 3 производится отгонка дициклопентадиена (ДЦПД) от олигомеров ЦПД под вакуумом. Пары ДЦПД, отходящие с верха колонны 3, конденсируются в дефлегматоре, охлаждаемом промышленной водой. Углеводородный конденсат из дефлегматора поступает в емкость 3, откуда насосом подается в колонну 3 в виде флегмы. Избыток углеводородного конденсата подается на склад в качестве товарного ДЦПД. Вакуум в системе колонны 3 создается пароэжекторной установкой, путем отсоса газов и паров из дефлегматора и из емкости 3. Пары и газы предварительно конденсируются в аппарате, охлаждаемом рассолом. Кубовый продукт колонны 3 откачивается в качестве абсорбента на склад.
Сырье для процесса: неодекановая кислота, водный раствор аммиака, оксид неодима (III), гексан.
Целевой продукт: раствор неодеканоата неодима в гексане марки А.
Побочные продукты: нитрат аммония.
Катализатор: нет.
Химическая реакция:

Краткое описание технологического процесса:
Двухстадийный синтез через нитрат неодима и неодеканоат аммония (см. рисунок 2.4).
В состав опытно-промышленной установки входят:
- узел получения водного раствора нитрата неодима (C-1);
- узел двухстадийного синтеза неодеканоата неодима (P-1, P-2).
Технологический процесс получения неодеканоата неодима периодический и многостадийный. Процесс получения неодеканоата неодима двухстадийным способом заключается в реакции взаимодействия неодекановой кислоты и водного раствора аммиака с получением неодеканоата аммония на первой стадии и обменной реакции полученного раствора неодеканоата аммония с водорастворимой солью нитрата неодима в присутствии гексана на второй стадии процесса.
Получение водного раствора нитрата неодима производится в аппарате (поз. C-1) периодически. Процесс получения водного раствора нитрата неодима заключается в реакции взаимодействия оксида неодима и водного раствора азотной кислоты с образованием водного раствора нитрата неодима. Полученный нитрат неодима используется для получения раствора неодеканоата неодима в гексане двухстадийным способом.
Процесс получения неодеканоата аммония заключается в реакции взаимодействия неодекановой кислоты и водного раствора аммиака (омыление) с образованием водного раствора неодеканоата аммония.
Процесс получения неодеканоата неодима заключается в реакции взаимодействия неодеканоата аммония и водного раствора нитрата неодима в присутствии гексана с образованием раствора неодеканоата неодима в гексане.
При удовлетворительном анализе на pH, водный слой из реактора (поз. P-1) сливается через смотровой фонарь в ХЗК.
При удовлетворительных анализах готовый (товарный) раствор неодеканоата неодима в гексане сливается в тару потребителя.

Рисунок 2.4 - Принципиальная технологическая схема производства неодеканоата неодима
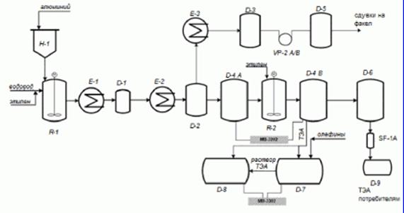
Сырье для процесса: моноалкилфенол, окись этилена, водный раствор едкого натра, уксусная кислота.
Целевой продукт: оксиэтилированные алкилфенолы (неонолы).
Побочные продукты: нет.
Катализатор: едкий натр (NaОН).
Химическая реакция:

Краткое описание технологического процесса:
Моноалкилфенол с растворенным катализатором и окись этилена подаются в реактор (см. рисунок 2.5). В качестве катализатора в процессе, используется едкий натр (NaОН).

Рисунок 2.5 - Принципиальная технологическая схема производства оксиэтилированных алкилфенолов (неонолов)
Смесь катализатора и моноалкилфенола подается в реактор периодического действия. Каждый реакторный блок состоит из трех цилиндрических горизонтальных аппаратов, расположенных на двух уровнях. Верхние реакционные аппараты снабжены распылительными соплами для ввода окиси этилена. После проведения и окончания реакции оксиэтилирования, реакционная масса откачивается в резервуар. Перед откачкой на товарный склад оксиэтилированные алкилфенолы нейтрализуются уксусной кислотой.
Сырье для процесса: гексановая фракция, водород.
Целевой продукт: очищенный гексановый растворитель.
Побочные продукты: легкие углеводороды, изогексановая фракция.
Катализатор: стационарный алюмоплатиновый катализатор, стационарный никельсодержащий катализатор.
Краткое описание технологического процесса:
Процесс разделен на 2 стадии:
- получение гексанового растворителя "Нефрас" (см. рисунок 2.6);
- гидрирование гексанового растворителя "Нефрас" (см. рисунок 2.7);
2.7.1 Процесс получения гексанового растворителя "Нефрас"
Сырье - гексановая фракция поступает со склада на узел подготовки сырья, где в ректификационной колонне отделяется от тяжелой гексановой фракции с температурой кипения более 75 °C. Тяжелая гексановая фракция с куба ректификационной колонны отводиться на склад.
Затем узкая гексановая фракция с температурой кипения не более 75 °C поступает с верха колонны на узел гидроочистки, где смешивается с осушенным циркулирующим водородсодержащим газом и в виде газосырьевой смеси подается в технологическую печь. Система циркулирующего водородсодержащего газа постоянно подпитывается из сети свежим водородом. Нагретая в технологической печи газосырьевая смесь поступает на гидроочистку в реактор со стационарным слоем алюмоплатинового катализатора. Процесс гидроочистки заключается в гидрировании сернистых и непредельных углеводородов.
После реактора контактный газ проходит ступенчатое охлаждение и конденсацию. Водородсодержащий газ отделяется от капельной жидкости и поступает на всас циркуляционного компрессора, а затем осушается в осушителях на цеолитах и подается на смешение с узкой гексановой фракцией. Сконденсировавшиеся углеводороды - гидрогенизат подается в колонну стабилизации. На стадии стабилизации в ректификационной колонне из гидрогенизата отгоняется изогексановая фракция. Кубовый продукт колонны - гексановый растворитель "Нефрас" отводится на склад.

Рисунок 2.6 - Принципиальная технологическая схема получения гексанового растворителя "Нефрас"
2.7.2 Процесс гидрирования гексанового растворителя "Нефрас"
Негидрированный гексановый растворитель "Нефрас" поступает на очистку от ароматических и непредельных углеводородов в реактор гидрирования через теплообменник, обогреваемый горячей водой. Смесь гексанового растворителя "Нефрас" и рецикла, подогреваемая в теплообменнике до 100 °C - 120 °C, подается в нижнюю часть одного из реакторов, где происходит гидрирование ароматических и непредельных углеводородов. Гидрирование (жидкофазное) осуществляется на стационарном никельсодержащем катализаторе пиролизным водородом (метано-водородная фракция) или техническим водородом. Через распределительные устройства водород, путем барботажа через жидкую фазу, поступает в нижнюю и среднюю части реакторов. Процесс гидрирования сопровождается выделением тепла (экзотермическая реакция). С верха первого, по ходу движения продукта, реактора смесь частично прогидрированного "Нефраса" с водородом поступает через теплообменник, охлаждаемый промышленной водой, в низ второго, по ходу движения продукта, реактора, где происходит гидрирование ароматических и непредельных углеводородов в "Нефрасе". С верха последнего, по ходу движения, реактора гексановый растворитель через теплообменник, охлаждаемый промышленной водой, поступает в сепаратор, где происходит отделение гексанового растворителя от непрореагировавшего водорода и легких углеводородов. Легкие углеводороды с водородом поступают из сепаратора в конденсатор, охлаждаемый рассолом, где углеводороды конденсируются и стекают в емкость сбора, а водород и примеси сжигаются. Гексановый растворитель из сепаратора через холодильник, охлаждаемый холодной водой, поступает в емкость сбора, откуда гидрированный гексановый растворитель насосом откачивается на склад.

Рисунок 2.7 - Принципиальная технологическая схема гидрирования гексанового растворителя "Нефрас"
Сырье для процесса: окись этилена, этиленгликоль (или диэтиленгликоль). Целевой продукт: полиэтиленгликоли ПЭГ-200, ПЭГ-300, ПЭГ-400, ПЭГ-600.
Побочные продукты: нет.
Катализатор: едкий натр NaOH.
Краткое описание технологического процесса:
Получение полиэтиленгликолей осуществляется присоединением окиси этилена к моноэтиленгликолю в присутствии щелочного катализатора (NaОН) (см. рисунок 2.8).

Рисунок 2.8 - Принципиальная технологическая схема производства полиэтиленгликолей
В реакторный блок принимают моноэтиленгликоль, катализатор - раствор едкого натра. Реакторный блок состоит из трех цилиндрических горизонтальных аппаратов, расположенных на двух уровнях. Нижний аппарат служит для приема исходной смеси (катализатор, МЭГ) и сбора продуктов реакции, а верхние аппараты служат для реакции оксиэтилирования. После проведения реакции оксиэтилирования, простой полиэфир (полиэтиленгликоль) откачивается в промежуточную емкость (поз. SR-1), где нейтрализуется уксусной кислотой и откачивается в товарные емкости.
Технология 1
Сырье для процесса: окись пропилена, вода.
Целевой продукт: пропиленгликоль.
Побочные продукты: нет.
Катализатор: нет.
Химическая реакция:

Краткое описание технологического процесса:
Технологический процесс получения пропиленгликоля состоит из двух стадий (см. рисунок 2.9):
- гидратация окиси пропилена;
- атмосферная и вакуумная отгонка воды.
Процесс производства - периодический.
Получение пропиленгликоля осуществляется в реакторе (поз. P-1) методом гидратации окиси пропилена при давлении от 0, 2 до 0, 4 МПа, температуре от 125 °C до 135 °C и мольном соотношении окиси пропилена и воды, равном 1:5 (массовом соотношении, равном 1:[2, 1 ± 0, 1]).
Атмосферная и вакуумная отгонка воды проводятся (при производстве пропиленгликоля марки "В") в реакторе (поз. Р-1) сразу после выдержки реакционной массы.
Реакционная масса после выдержки остается в реакторе (поз. P-1), при этом циркуляция продолжается через трубопровод в паровой рубашке. При температуре от 100 °C до 145 °C и атмосферном давлении отгоняются пары воды, которые направляются в холодильник, охлаждаемый оборотной водой, откуда сконденсированная вода сливается в сборник (поз. E-1).

Рисунок 2.9 - Принципиальная технологическая схема производства пропиленгликоля
После прекращения отгонки паров воды при атмосферном давлении, реактор (поз. Р-1) подсоединяется к вакуумной системе, и отгонка оставшейся воды продолжается при остаточном давлении от 0, 05 до 0, 06 МПа. Водногликолевые пары также направляются в холодильник, откуда водногликолевый раствор сливается в тот же сборник (поз. E-1). Вода с примесью пропиленгликоля не более 5 масс. % накапливается в сборнике (поз. E-1) и с добавлением парового конденсата используется в производстве следующей партии пропиленгликоля.
Сконцентрированный в реакторе пропиленгликолевый раствор с содержанием воды не более 10 масс. % (пропиленгликоль марки "В") насосом перекачивается в товарную емкость.
Технология 2
Сырье для процесса: окись пропилена, вода.
Целевой продукт: пропиленгликоль.
Побочные продукты: дипропиленгликоль и полигликоль-3.
Катализатор: нет.
Химическая реакция:

Краткое описание технологического процесса:
Пропиленгликоль получают методом термической (некаталитической) гидратации окиси пропилена. Полученный в результате процесса гидратации раствор гликолей подвергают ректификации с выделением пропиленгликоля, а также побочных продуктов - дипропиленгликоля и полигликолей-3.
Сырье для процесса: алюминий порошок, изобутилен, водород.
Целевой продукт: триизобутилалюминий (ТИБА).
Побочные продукты: изобутан, непрореагировавшие в процессе изобутилен, водород, алюминий.
Катализатор: нет.
Химическая реакция:
Al + 3/2 Н2 + 3-iC4Н8 → Al(iC4Н9)3 + 65, 4 ккал/моль
Краткое описание технологического процесса:
Триизобутилалюминий (ТИБА) получают прямым синтезом активного алюминия, изобутилена и водорода в реакторе смешения. Синтез ТИБА проходит при температуре до 160 °С и давлении до 140 кгс/см2.
Водород для синтеза ТИБА поступает от компрессоров, которые служат источником давления процесса синтеза без растворителя (технология 1) или в толуоле (технология 2). Количество подаваемого сжиженного изобутилена зависит от количества активного алюминия в процессе. При недостаточной подаче изобутилена реакция синтеза протекает с образованием диизобутилалюминийгидрида:
Al + 3/2 Н2 + 2i-С4Н8 → HAl(i-С4Н9)2 + Q
Режим синтеза ТИБА поддерживается подачей изобутилена в зону реакции и хладагента в рубашки реакторов. В процессе синтеза частичное гидрирование изобутилена с образованием изобутана происходит только при температуре выше 160 °C:
i-С4Н8 + Н2 → i-C4H10
В реакторе производится постоянное перемешивание реакционной массы мешалкой с экранированными электродвигателями.
Время протекания синтеза от 3, 5 до 5 ч зависит от скорости подачи изобутилена в реакционную среду. По окончанию синтеза, ТИБА передается на склад хранения для дальнейшего использования в качестве готового продукта или сырья для производства ТЭА.
Сырье для процесса: пропилен.
Целевой продукт: тримеры пропилена, тетрамеры пропилена.
Побочные продукты: фракция изоолефинов, пентамеры пропилена.
Катализатор: фосфорнокислотный.
Химическая реакция:

Краткое описание технологического процесса:
Производство тримеров и тетрамеров пропилена основано на реакции олигомеризации пропилена в присутствии катализатора Polymax (см. рисунок 2.10).
Исходным сырьем является пропилен, который принимают с завода этилена в емкости (поз. E-1/1-6, Е-4). С промежуточного склада пропилен подается через емкость (поз. E-1) в реакторы Р-5/1-12, в которых происходит процесс олигомеризации на катализаторе Polimax. Полученный олигомеризат после водно-щелочной промывки подается в отделение ректификации т.1101/2. В колоннах (поз. Кт-102, Кт-122) происходит выделение пропан-пропиленовой и димерной фракций, которые возвращаются в рецикл. В колоннах (поз. Кт-132, Кт-153, Кт-162) выделяются фракции С7 - С8, тримеров пропилена, тетрамеров пропилена и пентамеров пропилена, которые в виде готовой продукции откачиваются на товарный склад.

Рисунок 2.10 - Принципиальная технологическая схема производства тримеров и тетрамеров пропилена
Сырье для процесса: ТИБА, этилен.
Целевой продукт: триэтилалюминий.
Побочные продукты: ТИБА, этан.
Катализатор: ацетилацетонат никеля.
Краткое описание технологического процесса:
ТЭА получается в результате реакции обмена, протекающей между триизобутилалюминием и этиленом:
Al(i-C4H9)3 + 3С2Н4 → Al(С2Н5)3 + 3i-(C4H8) - 24 ккал/моль
Реакция проходит в присутствии катализатора (ацетилацетонат никеля), при температуре 90 °С и давлении 1, 15 МПа (11, 5 кгс/см2).
Реакция обмена проводится в избытке этилена, с 3-4-кратным превышением расчетного количества. Избыток этилена подается в реакционный объем для смещения равновесия реакции в сторону получения продуктов. Смещение равновесия достигается также одновременным удалением из реакционного объема изобутилена, образующегося в результате реакции. Повышение температуры (при сохранении постоянного давления) или повышение давления (при сохранении постоянной температуры) приводит к образованию высших алкилов и инициированию реакции полимеризации этилена.
Избыток этилена и изобутилен, появляющийся после реакции замещения, поступают на узел компримирования и разделения для дальнейшего их использования.
Сырье для процесса: алюминиевый порошок, этилен, водород.
Целевой продукт: триэтилалюминий.
Побочные продукты: нет.
Катализатор: нет.
Краткое описание технологического процесса:
Для получения триэтилалюминия предназначен реактор (поз. R-1) - аппарат с мешалкой, с двумя внутренними змеевиками, в которые подается холодный или горячий теплоноситель в зависимости от стадии процесса (см. рисунок 2.11). В реактор загружается алюминиевый порошок. Включается в работу мешалка. Далее продолжают разогрев реактора. При достижении температуры 105 °С начинается подача водорода. При достижении давления в реакторе 29 кгс/см2, начинается совместная подача в реактор этилена и водорода. Реакция синтеза ТЭА протекает с выделением тепла, поэтому, на стадии совместной подачи, в верхний и нижний змеевики реактора подается холодный МТН. После окончания синтеза реакционную массу охлаждают до 100 °С подачей холодного МТН в змеевики реактора и стравливают давление на факел. Для удаления механических примесей производят дистилляцию полученного ТЭА.

Рисунок 2.11 - Принципиальная технологическая схема производства триэтилалюминия
Дистилляция ведется до достижения минимального уровня в реакторе - 12 %. Для получения ТЭА с низким содержанием диэтилалюминийгидрида полученное количество ТЭА с высоким содержанием диэтилалюминийгидрида передавливается азотом из емкости в реактор этилирования. Реактор разогревают до 65 °C подачей в змеевики реактора горячего МТН. По истечению времени реакции этилирования, продукт в реакторе охлаждается подачей холодного МТН в змеевик реактора. Давление из реактора стравливают. ТЭА передавливается азотом из реактора в емкость для анализа.
Сырье для процесса: порошок алюминиевый, этилхлорид, этилбромид.
Целевой продукт: этилалюминийсесквихлорид (ЭАСХ).
Побочные продукты: отсутствуют.
Активатор: этилбромид.
Химическая реакция:
2AI +3C2H5CI → 2 (C2H5)1, 5AICl1, 5
Краткое описание технологического процесса:
Сырьем для получения ЭАСХ являются: суспензия активированного алюминия и этилхлорид. Температура суспензии активированного алюминия в реакторах перед подачей этилхлорида должна быть не менее 60 °C, для чего в рубашки реакторов подается трансформаторное масло ТМ 60. При температуре 60 °C, в реакторы начинают подавать этилхлорид из сепараторов. По окончании дозирования этилхлорида, содержимое реакторов выдерживается не менее 4 ч при температуре не более 80 °С и давлении не более 3, 0 кгс/см2. При этих условиях происходит "дозревание" ЭАСХ. По окончании процесса "дозревания" в реакторах, ЭАСХ охлаждается до 40 °C. Охлаждение осуществляется путем подачи в рубашки реакторов трансформаторного масла ТМ10. Охлажденная реакционная масса из реакторов передавливается азотом под давлением 2, 5 кгс/см2 в специальные отстойники, где отстаивается не менее 2 ч от непрореагировавшего алюминия. Осветленная часть концентрированного раствора ЭАСХ передавливается азотом под давлением 2, 5 кгс/см2 в сборники для приготовления раствора ЭАСХ. Готовый к применению раствор ЭАСХ из сборника передавливается на узел хранения.
Сырье для процесса: этанол, окись этилена.
Целевой продукт: этилцеллозольв.
Побочные продукты: этилкарбитол, эфир триэтиленгликоля.
Катализатор: раствор едкого натра в этилцеллозольве.
Краткое описание технологического процесса:
Получение этилцеллозольва осуществляется методом жидкофазной этерификации окиси этилена этанолом в присутствии катализатора (3 % - 8 масс. % раствора едкого натра в этилцеллозольве), весовое соотношение окиси этилена и этанола составляет 1:10 ± 5 %.

Рисунок 2.12 - Принципиальная технологическая схема производства этилцеллозольва
Технологический процесс производства этилцеллозольва включает в себя следующие стадии (см. рисунок 2.12):
- обезвоживание технического этилового спирта (этанола) методом экстрактивной ректификации;
- жидкофазная этерификация окиси этилена безводным этанолом;
- выделение этилцеллозольва и этилкарбитола в ректификационных колоннах;
- перегонка кубовых остатков.
Процесс этерификации окиси этилена этанолом осуществляется при температуре 165 °С - 200 °С и давлении 19-33 кгс/см2. Избыток этанола необходим для уменьшения выхода побочных продуктов (этилкарбитола, эфира триэтиленгликоля). Реакция этерификации окиси этилена этанолом является экзотермической, отвод тепла осуществляется в рекуперативном теплообменнике.
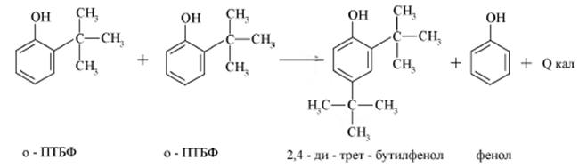
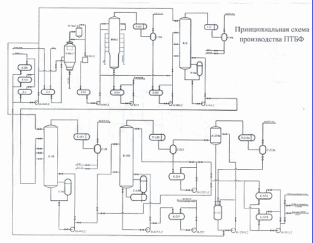
Сырье для процесса: фенол, изобутилен.
Целевой продукт: пара-третичный бутилфенол.
Катализатор: Amberlyst 36 Dry или Amberlyst 36 Wet.
Химическая реакция:

Получение пара-третичного бутилфенола основано на алкилировании фенола изобутиленом в присутствии кислотного катализатора Amberlyst 36 Dry, Amberlyst 36 Wet Resin или КУ-23 и разделении реакционной массы ректификацией. Наряду с паратретичным бутилфенолом в реакционной массе содержатся побочные продукты - до 1 % - 3 % орто-трет-бутилфенола и до 0, 5 % - 1, 5 % 2, 4-ди-трет-бутилфенола. Причем с понижением температуры процесса реакционная масса обогащается орто-трет-бутилфенолом.

А с увеличением мольного соотношения изобутилен/фенол и понижением температуры реакционная масса обогащается 2, 4-ди-трет-бутилфенолом.

С увеличением влаги в зоне реакции резко увеличивается выход побочных продуктов реакции - орто-трет-бутилфенола и 2, 4-ди-трет-бутилфенола. С повышением давления в зоне реакции увеличивается выход побочных продуктов, а также происходит полимеризация изобутилена.
Принципиальная схема производства ПТБФ отражена на рисунке 2.13.

Рисунок 2.13 - Принципиальная технологическая схема производства ПТБФ
Для получения ПТБФ с массовой долей 2, 4-ди-ТБФ не более 0, 1 % реакция алкилирования фенола изобутиленом должна протекать при температуре 80 °C - 145 °C, атмосферном давлении, мольном соотношении фенол : изобутилен - 1 : (0, 1-0, 4) и массовой долей воды в зоне реакции не более 0, 5 %.
Сырье для процесса: уксусная кислота, бутанол.
Целевой продукт: бутилацетат (марка А по ГОСТ 8981-78 (бутилацетат)).
Побочные продукты: легкие и тяжелые примеси, смолы и др.
Катализатор: серная кислота.
Краткое описание технологического процесса:
Метод производства - этерификация уксусной кислоты н-бутиловым спиртом в присутствии катализатора по реакции:
CH3COOH + C4H9OH ↔ CH3COOC4H9 + H2O
Все стадии реакции равновесны и обратная их последовательность ведет к гидролизу сложного эфира. Кроме того, при процессе этерификации протекают побочные реакции, в результате которых образуются легкие и тяжелые примеси, смолы и др.
Стадии технологического процесса производства бутилацетата (см. рисунок 2.14):
1) Этерификация уксусной кислоты н-бутиловым спиртом;
2) Нейтрализация бутилацетата-сырца;
3) Ректификация нейтрализованного бутилацетата-сырца;
4) Ректификация легкокипящих компонентов;
5) Регенерация эфироводных фракций и отработанного содового раствора.

Рисунок 2.14 - Принципиальная технологическая схема производства бутилацетата
Этерификация уксусной кислоты н-бутиловым спиртом (бутанолом) осуществляется в этерификаторе. н-Бутиловый спирт (бутанол) и уксусная кислота предварительно нагреваются до температуры кипения и испарения. Образовавшаяся парожидкостная эмульсия по барботерной трубе поступает в слой реакционной жидкости; в этерификатор подают необходимое количество катализатора. Реакционная смесь, с образовавшимся бутилацетатом, из верхней части этерификатора поступает в нижнюю часть ректификационной колонны на ректификацию азеотропной смеси. Пары азеотропа "бутилацетат - вода" отводятся из верхней части колонны и конденсируются. Отводимый дистиллят разделяют на два слоя:
- верхний - бутилацетат-сырец (эфирный слой);
- нижний - водный слой (эфировода).
Кубовая жидкость колонны, содержащей бутанол, уксусную кислоту, тяжелые примеси и смолы возвращается в этерификатор.
Стадия нейтрализации бутилацетата-сырца предназначена для устранения остаточной кислотности бутилацетата-сырца после стадии этерификации. Нейтрализацию избыточной кислотности бутилацетата-сырца ведут 4 % - 6 % раствором кальцинированной соды в тангенциально-лепестковых нейтрализаторах. После нейтрализации от нейтрализованного бутилацетата-сырца отделяют содовый раствор.
Ректификация бутилацетата-сырца и получение товарного продукта. Нейтрализованный бутилацетат-сырец в виде питания подается в ректификационную колонну получения товарного бутилацетата, где происходит разделение смеси на легкокипящие и тяжелокипящие компоненты. Легкокипящие компоненты с верха колонны частично отводятся для подачи на колонну ректификации легкокипящих компонентов, а частично возвращаются в этерификатор. Полученный товарный бутилацетат с куба колонны откачивается в хранилища склада сырья и готовой продукции или в сборник некондиционного бутилацетата для последующей переработки в зависимости от его качества.
Ректификация легкокипящих компонентов. Из смеси легкокипящих компонентов выделяются бутилацетат и бутиловый спирт. Дистиллят колонны ректификации легкокипящих компонентов накапливается и сжигается на УТО, кубовая жидкость колонны, содержащая бутилацетат и бутанол, возвращается на узел ректификации на рецикл.
Стадия регенерации эфироводных фракций и отработанного содового раствора предназначена для выделения в ректификационной колонне из эфиров воды и отработанного содового раствора органических продуктов (бутилацетата и бутанола). Пары легкокипящих компонентов (ЛКК), выходящие с верха колонны, конденсируются, далее подаются на этерификацию на рецикл. Кубовый остаток после отпарки органики (фузельная вода) по оргзагрязненной канализации поступает на биохимочистку.
Сырье для процесса: ацетилен, вода.
Целевой продукт: ацетальдегид.
Побочные продукты: кротоновый альдегид ацетон.
Катализатор: кадмий-кальций-фосфатный катализатор.
Химическая реакция:

Краткое описание технологического процесса:
Производство ацетальдегида осуществляется методом парофазной гидратации ацетилена на кадмий-кальций-фосфатном катализаторе с последующим разделением и очисткой компонентов реакции, и доведением их до товарного состояния.
Технологический процесс производства ацетальдегида включает в себя следующие стадии (см. рисунок 2.15):
1) Прием ацетилена-концентрата из производства ацетилена, ацетиленовых сдувок из отделения производства винилацетата и рециркулирующего ацетилена на узел компримирования и их смешение.
2) Компримирование смешанного газа и подача его в реактор гидратации ацетилена.
3) Перегрев пара и подача его в реактор гидратации ацетилена.
4) Парофазная гидратация ацетилена на кадмий-кальций-фосфатном катализаторе, охлаждение реакционных газов, конденсация продуктов реакции и отмывка реакционных газов от продуктов реакции, с получением водно-альдегидного конденсата и рециркулирующего газа.
5) Сжигание газообразных отходов производства.
6) Разделение потока рециркулирующего газа на отдуваемый ацетилен (сдувки-отход), который возвращается в производство ацетилена или сжигается на факельных агрегатах, и на рециркулирующий ацетилен, который возвращается на узел компримирования.
7) Ректификация водно-альдегидного конденсата, с выделением кротоновоацетоновой фракции и получением товарного ацетальдегида.
8) Ректификация кротоново-ацетоновой фракции, с выделением ацетоновой фракции и получением товарного кротонового альдегида.
9) Ректификация и химическая очистка ацетоновой фракции, с получением товарного ацетона.
10) Сбор, анализ готовой продукции и выдача ее потребителям.
11) Переработка и нейтрализация жидких и полимерных отходов производства с последующей передачей их на обезвреживание.
Ацетилен-концентрат из отделения концентрирования производства ацетилена, ацетиленовые сдувки производства винилацетата и рециркулирующий ацетилен смешиваются в коллекторе всаса газодувки, сжимаются до давления не более 0, 12 МПа (1, 2 кгс/см2) и через водоотделитель направляются по ацетиленопроводу в смеситель реактора гидратации ацетилена. Водяной пар поступает в пароперегревательную печь, в которой он нагревается за счет тепла дымовых газов, образующихся при сгорании природного газа. Перегретый до температуры не более 773 K (500 °C) пар поступает в смеситель реактора гидратации ацетилена. Дымовые газы через дымовую трубу, сбрасываются в атмосферу. В реакторе происходит парофазная гидратация ацетилена на кадмий-кальций-фосфатном катализаторе с образованием ацетальдегида. В результате неполной реакции гидратации высших ацетиленовых углеводородов происходит образование побочных продуктов: ацетон, кротоновый ангидрид, диацетилен и др. Газы реакции охлаждаются в котле-утилизаторе, холодильнике, конденсируются и конденсат поступает на узел перегонки. Несконденсировавшие газы отмываются от органических соединений, возвращаются в цикл и частично направляются для переработки в производство ацетилена. Водно-альдегидный конденсат из емкостей отмывных колонн направляется в колонны для отпарки органических продуктов реакции от воды и отделения фракции ацетальдегида от фракции кротонового альдегида и ацетона. Колонна ректификации ацетальдегида предназначена для получения товарного продукта. Товарные продукты: ацетальдегид, кротоновый альдегид и ацетон направляются на склад готовой продукции. Ацетиленовые сдувки с узла гидратации поступают на факельные агрегаты.

Рисунок 2.15 - Принципиальная технологическая схема производства ацетальдегида
Сырье для процесса: метан.
Целевой продукт: ацетилен.
Побочные продукты: диацетилен, винилацетат, метилацетилен и ароматические углеводороды: бензол, толуол, нафталин и другие, а также сажа.
Катализатор: без катализатора.
Химическая реакция:
2CH4 → C2H2 + 3Н2 - 91 ккал/моль
Краткое описание технологического процесса:
Метод производства - термоокислительный пиролиз метана природного газа. Извлечение ацетилена из газов пиролиза абсорбцией N-метилпирролидона (N-МП). Сущность термоокислительного пиролиза природного газа заключается в расщеплении молекул метана при температуре 1300 °С - 1500 °C.
Основными стадиями технологического производства ацетилена являются (см. рисунок 2.16):
1) Компримирование кислорода для термоокислительного пиролиза метана - природного газа. Компримирование до давления 1, 5 кгс/см2 поступающего из общезаводского коллектора кислорода осуществляется в две ступени.
2) Пиролиз метана природного газа. Предварительно нагретые в огневых подогревателях до температуры 650 °С кислород и природный газ смешиваются и поступают в реакционный канал, где происходит процесс термоокислительного пиролиза метана. При горении метано-кислородной смеси в реакционном канале развивается высокая температура, при которой происходит пиролиз метана с образованием газов пиролиза. Наряду с указанными основными реакциями протекают другие реакции, в результате которых происходит образование гомологов ацетилена: диацетилена, винилацетата, метилацетилена и ароматических углеводородов: бензол, толуол, нафталин и др., и частичное разложение ацетилена с образованием сажи.
3) Охлаждение газов пиролиза оборотной водой грязного цикла, удаление сажи. На выходе из реакционного канала газы пиролиза подвергаются мгновенному охлаждению (закалке) и дальнейшему охлаждению оборотной водой. Газы пиролиза очищаются от сажи водой в скруббере, электрофильтре.
4) Выделение сажи из оборотной воды и сжигание сажевой пульпы в циклонных печах. Сажесодержащая вода из аппаратов сажеочистки агрегатов пиролиза поступает в сажеотстойники, где происходит отделение сажи, которая далее в виде водяной пульпы подается в циклонные печи для сжигания.
5) Компримирование газов пиролиза. Очищенные от сажи и охлажденные газы пиролиза поступают на установку предварительной промывки газов пиролиза, которая проводится орошением циркулирующим N-метилпирролидоном. После промывки газы пиролиза компримируются до давления 9, 0 кгс/см2.
6) Поглощение высших гомологов ацетилена, ацетилена и диоксида углерода селективным растворителем. Газы пиролиза поступают в нижнюю часть абсорбера, где в процессе контакта газа N-метилпирролидоном происходит абсорбция растворителем ацетилена, высших гомологов ацетилена и диоксида углерода CO2. Неабсорбированные газы или синтез-газ (H2, CO, CH4, C2H6, N2, O2) отводятся из верхней части абсорбера и далее, как сырье, направляются в производство метанола.
7) Выделение ацетилена-концентрата из N-метилпирролидона. Растворитель из кубовой части абсорбера передавливается в верхнюю часть десорбера I ступени, где за счет снижения давления и повышения температуры среды происходит десорбция газов из раствора N-метилпирролидона и разделение на фракции: из верхней части отводится циркуляционный газ (этан C2H6, этилен C2H4, азот N2, диоксид углерода CO2), возвращаемый в коллектор газов пиролиза; из средней части - товарный ацетилен концентрат, который далее выдается как товарный продукт в производство ацетилена и, после дополнительной очистки от диацетилена, в производство винилацетата.
8) Отбор ацетилена-сырца из вакуумной части в тепловую часть десорбера второй ступени. Выделение высших гомологов ацетилена из селективного растворителя. N-метилпирролидон, насыщенный ацетиленом, высшими гомологами ацетилена и парами воды, из кубовой части десорбера I ступени поступает на распределительную тарелку теплового десорбера II ступени, состоящего из вакуумного и теплового десорбера. В вакуумном десорбере II ступени происходит десорбция оставшихся растворенных в N-метилпирролидоне газов и выпаривание воды. Из верхней части вакуумного десорбера II ступени вакуумным компрессором отбирается ацетиленсодержащая парогазовая смесь (ацетилен-сырец), направляемая в тепловой десорбер, где происходит десорбция ацетилена из нагретого растворителя и дополнительная очистка ацетилена-сырца от высших гомологов ацетилена. С 15-й или 20-й тарелки вакуумного десорбера отбирается парогазовая смесь, содержащая высшие гомологи ацетилена, ацетилен, пары воды и N-метилпирролидон, которая затем в промывной колонне очищается от паров N-метилпирролидона и направляется на сжигание. Ацетилен-сырец возвращается в десорбер I ступени.
9) Очистка N-метилпирролидона от полимеров. Для удаления из циркулирующего N-метилпирролидона полимеров, образующихся в процессах абсорбции и десорбции ацетилена, в две ступени проводят регенерацию растворителя методом двухступенчатого вакуум-упаривания. Очищенный от полимеров N-метилпирролидон возвращается в цикл. Сухой остаток полимеров, полученный в результате выпаривания осмоленного N-метилпирролидона в испарителях II ступени, выгружается в бункер-накопитель и далее направляется на захоронение.

Рисунок 2.16 - Принципиальная технологическая схема производства ацетилена
Сырье для процесса: ацетилен, уксусная кислота.
Целевой продукт: винилацетат.
Побочные продукты: ацетальдегид, ацетон, гидрохинон, бензол, этилидендиацетат, кротоновый альдегид.
Катализатор: ацетат цинка, нанесенный на активированный уголь.
Химическая реакция:

Краткое описание технологического процесса:
Метод производства винилацетата - синтез винилацетата из ацетилена и уксусной кислоты в парогазовой фазе в статическом слое катализатора, которым является ацетат цинка, нанесенный на активный уголь.
Стадии технологического процесса производства винилацетата (см. рисунок 2.17):
1) Загрузка свежего цинкацетатного катализатора в контактные аппараты. Катализатором заполняют трубки контактных аппаратов.
2) Разогрев катализатора азотом. Для разогрева (охлаждения) катализатора в период пуска агрегата и отвода тепла из зоны реакции в процессе синтеза винилацетата в контактных аппаратах используется нагретое масло, циркулирующее по межтрубному пространству аппаратов. При подготовке к работе систем теплообмена (маслосистем) катализатор в контактных аппаратах предварительно разогревается подогретым азотом.
3) Чтобы не допустить дезактивацию катализатора во время его разогрева, нагретый азот пропускают через испарители, предварительно заполненные уксусной кислотой; проводится пропитка катализатора уксусной кислотой.
4) Прием свежего ацетилена и компримирование смешанного ацетилена. Ацетилен подается в отделение винилацетата, в линию обратного (циркуляционного) ацетилена, смешивается с ним, компримируется до давления не более 0, 065 МПа и подается в испарители, где смешивается с парами уксусной кислоты.
5) Конверсия уксусной кислотой ацетилена в парогазовой фазе в статическом слое катализатора с получением реакционных газов. Парогазовая смесь ацетилена и уксусной кислоты, нагретая до температуры, необходимой для начала синтеза винилацетата или разогрева катализатора в контактных аппаратах, поступает через верхние крышки в контактные аппараты и проходит с верха в низ трубки с цинкацетатным катализатором. Реакционные газы выходят из конусных нижних крышек контактных аппаратов и, пройдя через рекуператор, поступают в нижнюю часть скруббера.
6) Конверсию уксусной кислотой ацетилена в парогазовой фазе с получением реакционных газов можно разделить на 4 периода: пусковой, вывод агрегата на максимальную нагрузку, период стабильной работы с высокой производительностью, заключительный период работы со значительной потерей производительности. Весь цикл длится около 320-480 сут, по окончании которого выполняют перегрузку катализатора контактных аппаратов.
7) Конденсация из реакционного газа продуктов, находящихся в паровой фазе и получение винилацетата-сырца. В скруббере реакционные газы орошаются винилацетатом-сырцом, в результате чего из реакционных газов конденсируется уксусная кислота, винилацетат, ацетальдегид, кротоновый альдегид, этилидендиацетат и другие побочные продукты реакции.
8) Сжигание пусковых (периодических), постоянных и аварийных сбросов на факельной установке. Из верхней части скрубберов выводится не вступивший в реакцию ацетилен, который возвращается в цикл. Во избежание накопления в циркуляционном ацетилене гомологов ацетилена, CO2, CO, H2, CH4, а также азота и кислорода, часть возвратного ацетилена сбрасывается на факел N1, N2 или направляется в отделение получения ацетальдегида.
9) Перегонка винилацетата-сырца с получением винилацетата-ректификата. Смесь винилацетата-сырца с продуктами реакции поступает на узел ректификации, где получают товарный винилацетат в процессе следующих стадий:
- разделения винилацетата-сырца на легкокипящие и тяжелокипящие компоненты;
- выделения ацетальдегидной фракции винилацетата из смеси легкокипящих компонентов;
- выделения смеси ацетальдегида и ацетона, а также винилацетата из ацетальдегидной фракции винилацетата (смесь ацетальдегида и ацетона далее направляется на сжигание на УТО);
- выделения высококипящих компонентов (гидрохинон, бензол, этилидендиацетат, кротоновый альдегид), с получением винилацетата-ректификата (товарный винилацетат откачивается на склад ЛВЖ в хранилища);
- выделения из уксусной кислоты высококипящих компонентов (высококипящие компоненты [гидрохинон, осмолы, этилидендиацетат и др.] накапливаются и направляются на сжигание на УТО);
- выделения кротоновой фракции (кротонового альдегида и воды) (выделенная регенерированная уксусная кислота возвращается в цикл, кротоновая фракция уксусной кислоты направляется на сжигание на УТО).

Рисунок 2.17 - Принципиальная технологическая схема производства винилацетата
Сырье для процесса: метанол, уксусная кислота.
Целевой продукт: метилацетат.
Катализатор: серная кислота.
Химическая реакция:

Краткое описание технологического процесса:
Метод производства метилацетата - этерификация уксусной кислоты метанолом с последующей ректификацией продуктов реакции. В качестве сырья для производства метилацетата используется метанол, уксусная кислота. На стадии нейтрализации кубовой жидкости колонны серная кислота и уксусная кислота взаимодействуют с 20-25 %-ным раствором щелочи с образование водных растворов сульфата натрия и ацетата натрия.
Основные стадии процесса (см. рисунок 2.18):
1) Этерификация уксусной кислоты метиловым спиртом.
2) Разрушение азеотропа метилацетат-вода и экстрактивная ректификация.
3) Очистка ректификацией метилацетата от остатков уксусной кислоты.
4) Очистка кубового остатка от метанола.
5) Нейтрализация кубового остатка.

Рисунок 2.18 - Принципиальная технологическая схема производства метилацетата
Процесс получения и выделения метилацетата ведется в одной колонне (число тарелок - 57). Колонна условно состоит из 4 секций, разделенных местами ввода уксусной кислоты, серной кислоты и метанола. Нижняя секция - от куба до ввода метанола служит для отгонки метанола от реакционной воды. В этой секции также завершается конверсия уксусной кислоты в метилацетат. Вторая секция - от места ввода метанола до места ввода катализатора - серной кислоты, является реакционной. В этой секции стекающая вниз уксусная кислота в жидкой фазе в присутствии катализатора реагирует с метанолом, который поднимается вверх в виде паров. При этом в верхней части реакционной секции реакция осуществляется при значительном избытке уксусной кислоты, а в нижней части - при значительном избытке метанола, что позволяет достичь практически 100 % концентрации по каждому реагенту. Третья секция - от места ввода серной кислоты до места ввода уксусной кислоты - служит для экстракции воды уксусной кислотой. В этой секции осуществляется процесс экстрактивной ректификации. Метилацетат образует азеотроп с водой (3, 1 масс. % воды, температура кипения - 55, 6 °C). Уксусная кислота экстрагирует воду, разрушая при этом азеотроп. В результате работы этой секции с верха колонны выходит метилацетат, практически не содержащий воду. Четвертая секция - от места ввода уксусной кислоты до верха колонны - служит для очистки метилацетата от уксусной кислоты. В колонну подается уксусная кислота, метанол, серная кислота, некондиционный метилацетат, образующийся при пуске и остановке колонны и раствор едкого натра для нейтрализации кубовой жидкости. Из колонны отводится готовый продукт - метилацетат и кубовая жидкость, содержащая воду, непрореагировавшую уксусную кислоту и соли, образующиеся в результате реакций нейтрализации. Пары метилацетата, выходящие из колонны, конденсируются в дефлегматоре, несконденсировавшиеся пары далее конденсируются в обратном холодильнике, конденсат сливается в приемник и затем, смешиваясь с основным потоком метилацетата, делится на 2 потока: первый подается в колонну в виде флегмы, второй отбирается в качестве готового продукта. Дыхание емкостного оборудования осуществляется через гидрозатворы. Абгазы из гидрозатворов проходят окончательную конденсацию в конденсаторе-холодильнике и выбрасываются в атмосферу, конденсат собирается в приемник и далее перерабатывается вместе с некондиционным метилацетатом. Гидрозатворы заполнены метанолом и снабжены наружными змеевиками, охлаждаемыми рассолом, обратный холодильник и холодильник-конденсатор охлаждаются рассолом.
Сырье для процесса: синтез-газ.
Целевой продукт: метанол.
Катализатор: медь-цинк-алюминиевый катализатор.
Химическая реакция:
CO + 2H2 → CH3OH
Краткое описание технологического процесса:
Сущность метода получения метанола на агрегате М-100-3 заключается в переработке синтез-газа, отходящего из производства ацетилена, в метанол на медь-цинк-алюминиевом катализаторе, без очистки исходного газа от остаточных количеств непредельных углеводородов (ацетилена, этилена), кислорода, а также микропримесей других соединений.
Производство метанола представляет собой многостадийный процесс:
- смешение и компримирование синтез-газа и водорода;
- синтез метанола с получением метанола-сырца;
- ректификация метанола-сырца с получением метанола технического.
Работа производства ацетилена на синтез-газе отличается рядом особенностей, которые определяются составом исходного синтез-газа.
Примеси синтез-газа делятся на две группы:
- химически активные: ацетилен, непредельные, кислород, пары N-метилпирролидона;
- инертные: метан, азот, аргон.
Первые соединения могут вступать в реакции присоединения, замещения, влиять на активность катализатора; вторые - образуют балласт, накопление которого приводит к снижению активности катализатора и снижению производства метанола.
Синтез-газ из производства ацетилена поступает на узел газовой компрессии, проходит сепаратор и в фильтр для очистки от продуктов коррозии металлов и капельно-жидких аэрозолей. Очищенный синтез-газ поступает в компрессор, смешивается с водородом, поступающим из производства уксусной кислоты, сжимается до давления 4, 5 МПа, охлаждается и поступает на очистку от N-метилпирролидона, поступающего с синтез-газом производства ацетилена, в угольные адсорберы.
Сжатый в компрессоре свежий газ, после очистки в угольных адсорберах от N-метилпирролидона, поступает в трубопровод всаса центробежного циркуляционного компрессора, где смешивается с циркуляционным газом и поступает и реактор, выполненный по проекту фирмы "Метанол-Казале", который дает возможность регулировать удаление тепла реакции в массе катализатора.
В реакторе синтеза метанола происходит процесс образования метанола-сырца из окиси и двуокиси углерода и водорода на медь-цинк-алюминиевом катализаторе под давлением не более 4, 9 МПа (49, 0 кгс/см2) и температуре 483-553 K (210 °С - 280 °C).
Метанол-сырец направляется на ректификацию. Готовый продукт - метанол технический - охлаждается в холодильнике и, пройдя очистку от аминосоединений в адсорберах, выдается на базисный склад. Для вывода инертов из системы синтеза предусмотрена постоянная продувка агрегата. Выдача продувочных газов из системы осуществляется через сепаратор выделения метанола в коллектор танковых и продувочных газов и далее в цеха производство аммиака, уксусной кислоты, либо как топливный газ в цех производства ацетилена или на факел. Для вывода инертов из систем колонн ректификации продувочный газ по коллектору выдается на факел.
Сырье для процесса: ацетальдегид.
Целевой продукт: н-бутанол.
Краткое описание технологического процесса:
Метод производства н-бутилового спирта основан на получении альдоля посредством альдольной конденсации ацетальдегида, дегидратации полученного альдоля в кротоновый альдегид с его последующим гидрированием в н-бутиловый спирт и представляет собой многостадийный процесс (см. рисунок 2.19):
- альдольная конденсация ацетальдегида в альдоль;
- дегидратация альдоля, с получением кротонового альдегида;
- ректификация смеси продуктов дегидратации с целью выделения кротонового альдегида;
- гидрирование кротонового альдегида в паровой фазе на медно-хромовом катализаторе, с получением бутанола-сырца;
- азеотропная осушка бутанола-сырца;
- гидрирование обезвоженного бутанола под давлением на хромоникелевом катализаторе (жидкофазное гидрирование);
- ректификация прогидрированного бутанола;
- отпарка фузельных вод (кубовых остатков) от органики (кротонового альдегида и бутанола) и очистка газовых выбросов;
- гидрирование "легкой фракции";
- ректификация прогидрированной "легкой фракции".
Первая стадия процесса. Альдольная конденсация ацетальдегида
Сущность технологического процесса альдолизации ацетальдегида заключается в использовании реакции альдольной конденсации ацетальдегида в водном растворе, в присутствии катализатора - раствора едкого натра (NaОН) в альдолизаторе колонного типа. Температура в зоне реакции - 40 °C - 50 °C.
Вторая стадия. Процесс дегидратации альдоля с получением кротонового альдегида
Сущность процесса получения кротонового альдегида заключается в использовании реакции дегидратации (отщепления молекулы воды) альдоля в кислой среде под давлением Р = 2, 5 кгс/см2, при температуре 125 °C - 138 °C в кротонизаторе колонного типа с колпачковыми тарелками. Катализатором процесса является уксусная кислота и ее соли (кислая среда). В результате реакции дегидратации (температура - 125 °C - 138 °C, давление - 2, 5 кгс/см2) образуется ненасыщенное (непредельное) соединение - кротоновый альдегид. В результате воздействия высоких температур образуются "осмолы" - продукты глубокой конденсации и полимеризации альдоля и ацетальдегида.
Разделение смеси ацетальдегида, кротонового альдегида и воды осуществляется в ректификационной колонне. Полученный азеотроп "кротоновый альдегид-вода" разделяется методом отстоя - используется разность удельных весов кротонового альдегида и воды.
Третья стадия. Процесс гидрирования кротонового альдегида
Сущность процесса заключается в использовании реакции гидрирования (присоединения молекулы водорода к молекуле кротонового альдегида и масляного альдегида) в паровой фазе, на медно-хромовом катализаторе с получением бутанола-сырца. Побочная реакция: неполное гидрирование кротонового альдегида. Бутанол-сырец поступает на узел азеотропной осушки для отделения воды и низкокипящих компонентов от бутанола. Сущность процесса заключается в использовании способности бутанола образовывать азеотропную смесь с водой, которая выводится из колонны ректификации. Разделение азеотропа "бутанол-вода" осуществляется методом отстоя и расслоения, на основе разницы в удельных весах и различной растворимости друг в друге воды и бутанола.
Четвертая стадия. Гидрирование непредельных и карбонильных соединений, содержащихся в обезвоженном бутаноле
Восстановление непредельных и карбонильных соединений - гидрирование обезвоженного бутанола проводится в жидкой фазе под давлением 7-15 кгс/см2 и при температуре 115 °С - 155 °С на хромоникелевом катализаторе (жидкофазное гидрирование). Очищенные от органических примесей (бутилового спирта и др.) и охлажденные водородные отдувки с узлов гидрирования поступают на всос водокольцевой газодувки и направляются на утилизацию (использование) в производстве ацетилена.
Отпарка фузельных вод (кубовых остатков) от органики (кротонового альдегида и бутанола) и очистка газовых выбросов
Отпарка органических примесей из кубовой жидкости колонны ректификации кротонового альдегида осуществляется в отпарной колонне. Отпаренная от органики вода через смолоотстойники отводится по органически загрязненной канализации на биохимическую очистку. Водные слои, содержащие бутанол, из аппаратов узла гидрирования кротонового альдегида, из кубовой части отпарной колонны, отводятся по органически загрязненной канализации на биохимическую очистку. Азотные отдувки из аппаратов и емкостей узла дегидратации альдоля и ректификации ацетальдегида из хранилищ ацетальдегида и со сливо-наливной эстакады склада сырья и готовой продукции поступают на очистку в отмывную колонну, где происходит отмывка азотных отдувок от ацетальдегида путем его растворения в воде. Очищенные от ацетальдегида сдувки через гидрозатвор сбрасываются в атмосферу.

Рисунок 2.19 - Принципиальная технологическая схема производства бутанола
Сырье для процесса: поливинилацетат.
Целевой продукт: поливиниловый спирт.
Катализатор: гидроксид натрия.
Краткое описание технологического процесса:
Производство сополимеров винилового спирта и винилацетата (ВА), называемых поливиниловым спиртом (ПВС), осуществляется методом щелочного алкоголиза поливинилацетата (ПВА), получаемого полимеризацией винилацетата в среде метанола (лаковая полимеризация) по неполной конверсии непрерывным способом.
Поливинилацетат (ПВА) получают путем полимеризации винилацетата в качестве мономера, азобисизобутиронитрила (порофора) в качестве инициатора и метанола в качестве вспомогательного агента передачи цепи.
Поливиниловый спирт получают из раствора поливинилацетата в метаноле под воздействием катализатора - гидроксида натрия по реакции переэтерификации и по реакции омыления (см. рисунок 2.20).

Рисунок 2.20 - Принципиальная технологическая схема производства поливинилового спирта
Сырье для процесса: метанол и монооксид углерода.
Целевой продукт: уксусная кислота.
Катализатор: комплексные соединения родия.
Краткое описание технологического процесса:
Уксусная кислота получается прямым взаимодействием оксида углерода и метанола в газожидкостном реакторе с механическим перемешиванием. Технологический процесс производства уксусной кислоты состоит из следующих стадий:
1) Получение оксида углерода:
а) очистка природного газа от сернистых соединений;
б) конверсия природного газа;
в) очистка конвертированного газа от диоксида углерода;
г) газоразделение;
д) компремирование газовых потоков.
2) Парообразование, распределение пара и конденсата;
3) Вспомогательные узлы и установки;
4) Получение уксусной кислоты:
а) синтез уксусной кислоты;
б) ректификация уксусной кислоты;
в) улавливание легких фракций;
г) приготовление катализатора и промотора.
5) Хранение готовой продукции, вспомогательные узлы и установки.
Описание технологического процесса получения оксида углерода.
Очистка природного газа от сернистых соединений.
Для катализатора конверсии метана, сера является ядом, поэтому природный газ проходит предварительную очистку от сернистых соединений. Очистка проводится в два этапа. На первом этапе сероорганические соединения, содержащиеся в природном газе, подвергаются гидрированию на кобальт-молибденовом катализаторе. На втором этапе осуществляется поглощение сероводорода оксидом цинка.
Конверсия природного газа.
Оксид углерода получают пароуглекислотной конверсией природного газа. Процесс осуществляется в трубчатой печи риформинга на никелевом катализаторе при температуре газа на выходе реакционных труб 790 °С - 885 °C, давлении 1, 0-1, 2 МПа и объемной скорости не более 2300 ч-1. Реакция парового риформинга является эндотермичной, и тепло реакции обеспечивается сжиганием топлива - природного газа, топливного газа, отходящего из криогенной установки. Необходимое для процесса тепло получается при сжигании топлива в панельных беспламенных горелках и подводится через стенки реакционных труб печи. Тепло конвертированного газа утилизируется в котлах-утилизаторах для получения пара. Окончательное охлаждение газа проводится в водяном холодильнике, сконденсировавшаяся влага отделяется в сепараторе и используется в системе парообразования. Полученный конвертированный газ направляется на стадию очистки от диоксида углерода. Процесс конверсии ведется таким образом, чтобы в полученном конвертированном газе объемная доля остаточного метана составляла н/б 0, 8 %.
Очистка конвертированного газа от диоксида углерода
Диоксид углерода, присутствующий в сырьевом конвертированном газе, удаляется путем абсорбции метилдиэтаноламином (МДЭА) в абсорбере. Очищенный от CO2 газ компрессором подается на стадию разделения смеси оксида углерода и водорода. Регенерация насыщенного диоксидом углерода метилдиэтаноламинового раствора проводится в колонном аппарате (регенераторе). Выделившийся при этом диоксид углерода снова используется в процессе.
Газоразделение
Газовая смесь после стадии очистки от диоксида углерода сжимается компрессором и подается на стадию газоразделения. Пройдя предварительную осушку на синтетических цеолитах от влаги и CO2, исходный газ подается в блок разделения газов. Блок разделения газов - это установка, состоящая из трех тарельчатых колонн, теплообменной и емкостной аппаратуры, турбодетандера и вспомогательного оборудования. В блоке осуществляется низкотемпературное разделение исходного газа на оксид углерода, водород и метан. Водород является отходом процесса и используется в других производствах. Метан используется в качестве абсорбента оксида углерода в первой колоне низкотемпературного блока. Полученный оксид углерода направляется на стадию синтеза уксусной кислоты.
Компремирование газовых потоков
Для создания требуемого давления газовых потоков на всех стадиях процесса получения оксида углерода используются два поршневых одноступенчатых компрессора без смазки цилиндров и три центробежных с общей системой смазки.
Парообразование
В процессе получения уксусной кислоты используется пар различных параметров:
1) Пар с давлением 4, 0-4, 4 МПа (40-44 кгс/см2).
2) Пар с давлением 0, 55-0, 85 МПа (5, 5-8, 5 кгс/см2).
3) Пар с давлением 1, 40-1, 50 МПа (14-15 кгс/см2).
Пар с давлением 4, 0 МПа (40 кгс/см2) получается на стадии конверсии природного газа в змеевиках и в охладителях за счет утилизации тепла конвертированного газа и дымовых газов.
Пар с давлением 1, 4 МПа (14 кгс/см2) получается редуцированием пара 4, 0 МПа (40 кгс/см2) и пара с давлением 2, 0 МПа (20 кгс/см2), поступающего из сети.
Пар 0, 55-0, 85 МПа (5, 5-8, 5 кгс/см2) получается из пара 1, 4 МПа (14 кгс/см2) из заводской сети и используется на внутренние нужды цеха. Имеются две системы сбора парового конденсата. В одной собирается конденсат пара 1, 4 МПа. Из этой системы пар вторичного вскипания выдается в коллектор пара 0, 85 МПа пониженного давления, а конденсат используется в системе парообразования, избыток конденсата выдается в сеть.
Синтез уксусной кислоты
Уксусную кислоту получают карбонилированием метанола при температуре 185 °C, давлении 2, 8 МПа (28 кгс/см2) в присутствии катализатора процесса - комплексных соединений родия. Промотором катализаторной системы являются соединения йода - йодистый метил и йодистый водород.
Кроме пропионовой кислоты в процессе синтеза образуются другие легкокипящие примеси, такие как муравьиная кислота, ацетальдегид, диметиловый эфир, и т.д., а также насыщенные углеводороды (алканы)
Ректификация уксусной кислоты
Очистка уксусной кислоты проводится на четырех ректификационных колоннах. В первой колонне (колонне легких фракций) извлекается основная часть промотора (HI, CH3I), некоторая часть воды и родия, унесенного парами из испарительной емкости для возврата их на стадию синтеза и уксусная кислота для дальнейшей очистки. Во второй колонне (колонне осушки) производится обезвоживание уксусной кислоты до массовой концентрации воды не более 0, 1 % и снижение массовой концентрации HI до величины не более 1, 0 ppm (млн-1). В третьей колонне (колонне тяжелых фракций) удаляются следы легких фракций в виде верхнего погона, а пропионовая кислота и другие тяжелые фракции - из куба колонны. Готовый продукт - уксусная кислота - отбирается в виде бокового потока с 67 тарелки и после охлаждения направляется в хранилища промежуточного склада. Четвертая колонна - колонна отпарки отходов кислоты - извлекает уксусную кислоту из кубового потока колонны тяжелых фракций.
Пропионовая кислота концентрируется в кубе, откуда выдается на сжигание. Схемой предусмотрена пятая колонна - колонна удаления алканов, работающая периодически. Колонна служит для удаления следов алканов, которые образуются в реакционной системе и концентрируются в тяжелой фазе верхней части колонны отгонки легких фракций.
Регенерация легких фракций
Система регенерации легких фракций состоит из абсорбера высокого давления, абсорбера низкого давления, отпарной колонны и вспомогательного оборудования. Эта система предназначена для регенерации метилиода из газов, отводимых на сжигание из реактора стадии синтеза и колонны легких фракций. Извлеченный йодистый метил направляется на стадию синтеза, очищенный газ сжигается в печи сжигания газообразных отходов или на факеле (при нарушении режима). Абсорбентом в обоих абсорберах является уксусная кислота. Регенерация абсорбента проводится в отпарной колонне.
Хранение готовой продукции
Для хранения готовой продукции имеются два склада промежуточный и базисный. На промежуточном складе установлены 3 хранилища вместимостью 630 м3 каждое - два для кондиционного и одно для складирования некондиционного продукта. Базисный склад уксусной кислоты предназначен для хранения и отгрузки потребителям уксусной кислоты в количестве 150 тыс. т/год в железнодорожные цистерны и автомобильный транспорт. Для хранения кислоты на складе установлено шесть резервуаров объемом 1000 м3 каждое, одно из которых является аварийным. Отгрузка уксусной кислоты в железнодорожные цистерны производится на наливной эстакаде через восемь стояков налива. Отгрузка уксусной кислоты в автоцистерны производится на отдельной эстакаде через два стояка.
Оборотное водоснабжение
Производство уксусной кислоты обеспечивается оборотной водой от цехового водооборотного цикла ВОЦ-9 производительностью 8000 м3/ч. В состав водооборотного цикла входит:
- насосная станция с установленными на ней насосами (5 шт);
- три двухсекционные градирни.
Система сжигания жидких отходов
Система сжигания жидких отходов включает следующее оборудование: печь сжигания отходов, расходные емкости, насосы для подачи отходов, закалочную емкость, скруббер Вентури, насосы. Автоматическим регулятором PIC-3209 производится поддержание постоянного давления воздуха. Избыток его сбрасывается в атмосферу вместе с дымовыми газами печи в дымовую трубу.
Установка для сжигания газовых отходов
Сбросные газы после очистки в абсорберах высокого и низкого давления подаются в топочную камеру печи для сжигания. В предпусковой период или в аварийных случаях осуществляется сброс газов в факельную линию.
Факельная установка для сжигания сбросных газов из отделения уксусной кислоты
Факельная установка предназначена для сжигания некондиционных отходов в период пуска и наладки режима и сбросов от предохранительных клапанов. В составе этой установки факел отделения оксида углерода и факел отделения уксусной кислоты. Каждый факел снабжен тремя запальными горелками. Для полного сжигания сбрасываемых газов, на запальную горелку подается пар.
Сточные воды
Все загрязненные стоки цеха собираются в резервуар орггрязных стоков, откуда откачиваются на биохимическую очистку в цех БХО и ТООП.
Сырье для процесса: карбамид и жидкий аммиак.
Целевой продукт: меламин.
Катализатор: гидросиликат алюминия.
Краткое описание технологического процесса:
Основным сырьем для получения меламина является раствор карбамида и жидкий аммиак.
Основными стадиями технологического процесса установки меламина являются (см. рисунок 2.21):
- концентрирование карбамида;
- мокрая очистка газа;
- синтез и фильтрация;
- система транспортировки катализатора;
- кристаллизация и выделение продукта сепарацией;
- солевой расплав, система высокотемпературного теплоносителя;
- хранение и упаковка готового продукта;
- система аммиака и изолирующего газа;
- система некондиционного продукта и очистки отходящего газа;
- система конденсации отходящего газа;
- система факельных сбросов.
Концентрирование раствора карбамида
С установки по производству карбамида, раствор карбамида поступает в испаритель первой ступени выпарки, упаривается до массовой доли карбамида не менее 93 % при температуре не менее 121 °C и давлении не более 45 кПа. Через вакуум-сепаратор плав карбамида поступает в испаритель второй ступени выпаривания, где упаривается до массовой доли карбамида 99, 5 %, при абсолютном давлении не более 5 кПа и температуре не менее 136 °C. Парожидкостная смесь поступает в сепаратор, где происходит отделение газовой фазы от жидкой. Соковый пар из сепаратора конденсируется, конденсат соковых паров из конденсаторов отводится в производство карбамида. Пары и инерты дожимаются эжектором и транспортируются в концевой конденсатор, из которого отводятся в скруббер сбрасываемого газа, промываются и выбрасываются в атмосферу. Плав подается в скруббер карбамида на установку меламина.
Мокрая очистка газа
Основной целью промывки газа является очистка и охлаждение газа для подачи на стадию кристаллизации и преобразование вторичных продуктов с аммиаком в карбамид. Технологический газ из циклона меламина охлаждается в скруббере циркулирующим плавом карбамида, который вводится через разбрызгивающие форсунки, обеспечивая в прямом контакте с технологическим газом его энергичное охлаждение и промывку. Промытые газы отделяются от расплавленного карбамида в сепараторах, установленных на нижней секции карбамидного скруббера. Жидкий карбамид возвращается обратно в цикл. Очищенный газ из скруббера направляется в циклон технологического газа, после которого распределяется по трем направлениям. Большая часть его используется в качестве охлаждающего газа в кристаллизаторе, другая часть - для создания кипящего слоя в реакторе, остальное передается в систему очистки отходящих газов.
Синтез и фильтрация
Получение меламина основано на реакции синтеза из карбамида при температуре 390 °C и давлении 0, 33 МПа в реакторе синтеза в псевдоожиженном слое катализатора - гидросиликате алюминия. Смесь газов, выходящая из реактора, охлаждается в газовом охладителе реактора до температуры, при которой происходит кристаллизация только побочных продуктов - мелема и мелама, которые осаждаются и удаляются из потока вместе с уносимыми частицами катализатора на фильтре обратной продувки. Отделенная пыль транспортируется азотом в бункер для катализатора, для временного хранения перед фасовкой в мешки.
Кристаллизация и выделение продукта сепарацией
Поток технологического газа из фильтра обратной продувки содержит готовый меламин и направляется в кристаллизатор, где смешивается с циркулирующим технологическим газом, выходящим из карбамидного скруббера, температура в кристаллизаторе снижается примерно до 210 °C.
Твердые частицы меламина выделяются из газового потока в следующем за кристаллизатором циклоне, откуда меламин попадает в систему транспортировки меламина. Газовая фаза из циклона возвращается в скруббер карбамида. Солевой расплав - система высокотемпературного теплоносителя. Система расплава соли обеспечивает подвод тепла, необходимый для процесса производства меламина. Важнейшими компонентами секции расплава соли являются печь с прямым огневым нагревом с системой предварительного подогрева воздуха горения, резервуар для хранения расплава соли и насос циркуляции расплава соли. Расплавленная соль перекачивается из резервуара для хранения расплава соли через нагревательный змеевик печи. Отсюда горячий расплав поступает в реактор и в газовый подогреватель псевдоожиженного слоя, обеспечивая необходимый подвод тепла к реакционной секции.
Хранение и упаковка готового продукта
Из циклона меламин подается в два бункера системы транспортировки меламина. Пока один бункер заполняется продуктом, второй используется для распределения меламина по системе расфасовки и упаковки меламина, в которую входят комплектные линии для фасовки в биг-беги весом 1000, 750, 500 кг и мешки весом 25 кг с последующим формированием их в пакеты весом 1000 кг.
Система аммиака и изолирующего газа
Жидкий аммиак, поступающий от границы установки, испаряется в испарителе аммиака. Далее аммиак подогревается паром высокого давления в перегревателе аммиака и используется в реакторе для распыления карбамида и для регенерации фильтров обратной продувки.
Система факельных сбросов
Аварийные сбросы от предохранительных клапанов, от реактора, при срабатывании системы противоаварийной защиты, направляются для термического обезвреживания на факел.

Рисунок 2.21 - Принципиальная технологическая схема производства меламина
Сырье для процесса: параксилол, испаренный хлор, терефталевая кислота.
Целевой продукт: терефталоилхлорид.
Побочные продукты: хлористый водород, различные продукты хлорирования ароматического ядра.
Катализатор: Порофор ЧХЗ-57, хлорное железо.
Химическая реакция:
Хлорирование параксилола:

Получение терефталоилхлорида-сырца методом синтеза из терефталевой кислоты и гексахлорпараксилола осуществляется по реакции:

Краткое описание технологического процесса:
Технологический процесс получения терефталоилхлорида (далее ТФХ), является периодическим и включает в себя следующие стадии (см. рисунок 2.22):
- осушка и перегонка параксилола;
- хлорирование параксилола;
- синтез терефталоилхлорида;
- вакуумная перегонка терефталоилхлорида и упаковка.

Рисунок 2.22 - Принципиальная схема производства терефталоилхлорида
Хлорирование параксилола проводится при температуре 40 °C - 115 °C в каскаде из двух или трех емкостных эмалированных аппаратов в присутствии инициатора - порофора (или перкадокса) в растворе хлороформа. С целью уменьшения влияния солей железа Fe3+, вызывающих нежелательную побочную реакцию хлорирования ароматического ядра, хлорирование проводится в присутствии трибутилфосфата, который образует с железом нерастворимый комплекс.
Получение терефталоилхлорида-сырца методом синтеза из терефталевой кислоты и гексахлорпараксилола осуществляется по реакции, описанной ниже.
Синтез ТФХ-сырца осуществляется в эмалированном аппарате с рубашкой теплообмена и мешалкой при температуре 110 °C - 140 °C, атмосферном давлении и в присутствии катализатора - хлорного железа. Реакция проводиться в избытке терефталевой кислоты.
Перегонка ТФХ-сырца осуществляется в аппарате колонного типа, имеющем насадку из колец Рашига, со встроенным конденсатором и совмещенном с отгонным кубом. И проводится под вакуумом во избежание разложения терефталоилхлорида под действием высоких температур.
Очищенный терефталоилхлорид в виде расплава поступает на чешуировочные машины и отгружается в герметичных барабанах.
Сырье для процесса: окись пропилена, окись этилена, глицерин, пропиленгликоль, этиленгликоль, диэтиленгликоль, пропиленгликоль, этилендиамин, сахароза, сорбит.
Катализатор: едкий калий KOH.
Технология 1
Краткое описание производства простых полиэфиров:
Производство предназначено для получения простых полиэфиров (ППЭ) различных марок полимеризацией окисей алкиленов (окиси пропилена, окиси этилена) в присутствии стартовых веществ с активным протоном (-ОН, -NH).
Технологический процесс состоит из следующих стадий (см. рисунок 2.23):
- получение щелочного стартового вещества;
- полимеризация;
- очистка щелочного полимеризата;
- сушка готового продукта и финишная фильтрация.

Рисунок 2.23 - Схема получения простых эфиров
Приготовление щелочного стартового вещества
Приготовление катализатора заключается в растворении едкого калия в стартовом веществе с последующим удалением воды (при необходимости). В зависимости от марки выпускаемого ППЭ в качестве стартового вещества применяют глицерин, этиленгликоль, суспензию сахара в глицерине, суспензию кристаллического сорбита в пропиленгликоле или суспензию сахара в диэтиленгликоле, этилендиамин и т.д.
Растворение едкого калия проводится в реакторе с мешалкой при температуре 50 °С - 100 °C. Осушку щелочного стартового вещества (при необходимости) осуществляют испарением воды при температуре 100 °С - 120 °С в условии вакуума в аппарате с мешалкой или роторно-пленочном испарителе.
Полимеризация
Синтез ППЭ осуществляют в реакторе с мешалкой и/или с циркуляционными контуром, включающем выносной теплообменник, в режиме постепенной подачи окиси алкилена в массу ППЭ. Температурный режим процесса полимеризации окиси алкилена в зависимости от марки выпускаемого полиэфира выбирают в интервале температур 80 °C - 140 °C. Давление в реакторе поддерживают в интервале 0, 1 - 0, 6 МПа. Съем тепла полимеризации окиси алкилена осуществляют подачей охлаждающей воды в рубашку реактора и/или выносной теплообменник. После окончания подачи окиси алкилена производится выдержка реакционной массы при температуре 110-140 °C. Полученный щелочной полимеризат направляют на узел очистки. Избыточное давление реактора стравливается на узел очистки газовых сдувок.
Очистка щелочного полимеризата
Для удаления щелочного катализатора (при необходимости) ППЭ нейтрализуют кислотами до pH 4, 5-9, 0 (в зависимости от марки ППЭ). Далее нейтрализованный ППЭ либо направляют потребителю, либо подвергают очистке от солей. Наиболее универсальным методом очистки ППЭ полиуретанового назначения является фосфатно-сорбционный. Указанный метод включает нескольких стадий:
- омыление щелочного полимеризата обессоленной водой;
- нейтрализация ортофосфорной кислотой;
- сорбция непрореагировавших щелочных примесей кислотно-активированным бентонитом;
- формирование осадка соли КН2РО4 с бентонитом в процессе постепенного удаления воды.
- удаление осадка соли КН2РО4 с бентонитом фильтрацией.
Омыление, нейтрализацию фосфорной кислотой, формирование осадка проводят в реакторе с мешалкой. Удаление осадка осуществляют на фильтре, заправленном фильтрующим материалом (бельтингом). В процессе омыления и нейтрализации поддерживают температуру среды 85 °С - 100 °С подачей пара в рубашку реактора. После нейтрализации загружают кислотно-активированный бентонит и антиоксидант.
Формирование осадка осуществляют в процессе упаривании воды в условии постепенного увеличения вакуума. Температура процесса упарки 85 °С - 120 °С поддерживается подачей пара давлением в рубашку реактора.
Пары воды, образующиеся при упаривании, конденсируют и подаются на узел переработки высококонцентрированных стоков. После осушки, в полиэфир добавляют вспомогательный фильтрующий материал на основе целлюлозы.
Фильтрация осуществляется на фильтре, заправленном фильтрующим материалом (бельтингом). Режим работы фильтра предусматривает следующие технологические операции: продувка азотом, намыв фильтровального слоя, фильтрация, просушка осадка, выгрузка осадка. Намывным слоем, наносимым на фильтр-ткань, служит слой осадка (соли фосфорной кислоты, адсорбированные бентонитом, фильтрующий материал).
Осадок после каждой операции фильтрации сбрасывается в специальный контейнер для ОПО и отправляется на полигон захоронения отходов или отгружается потребителям.
Сушка и финишная фильтрация
Сушка полиэфира осуществляется на роторном испарителе-дистилляторе при температуре 115 °С - 145 °С и вакууме до минус 0, 1 МПа, где окончательно удаляется вода и другие летучие органические примеси. Сухой полиэфир дополнительно пропускают через рамный фильтр и откачивают на склад для усреднения и отгрузки потребителям.
Очистка газовых выбросов
На производстве простых полиэфиров газовые выбросы периодически образуются при стравливании давления в полимеризаторах в конце процесса, после выдержки, и при приеме пропилена и окисей этилена в мерные емкости, и на стадии упарки и сушки.
Выбросы представляют собой смесь азота с парами окиси пропилена и окиси этилена с небольшим содержанием ацетальдегида.

1, 2 - первая ступень теплообменников; 3, 4 - фазоразделители; 5, 6 - вторая ступень теплообменников; 7, 8 - фазоразделители; 9 - смеситель; 10 - абсорбционная колонна; 11 - рекуператор; 12 - емкость; 13, 14 - теплообменники
Рисунок 2.24 - Принципиальная схема узла конденсации и абсорбции технологических сдувок
Газовые сдувки с узла полимеризации проходят через две ступени конденсации (две пары теплообменников 1, 2, 5, 6) узла НТК. На первой ступени происходит конденсация паров при охлаждении теплоносителем с температурой 0 °С - минус 2 °C, на второй ступени конденсация осуществляется теплоносителем с температурой минус 28 °C.
Сконденсированные окись этилена и окись пропилена из фазоразделителей 3, 4, 7, 8 возвращают на производство ППЭ. Газовая фаза из фазоразделителей 3, 4 направляется в трубное пространство теплообменников 5, 6.
Несконденсированные пары через смеситель 9 направляются в нижнюю секцию абсорбционной колонны 10. Сверху колонны подается абсорбент (водно-гликолевый раствор щелочи (KOH, NaOH) 0, 5 ÷ 1, 5 % масс).
Очистка в колонне 10 происходит за счет поглощения паров ОП и ОЭ адсорбентом. Насыщенный сорбент после поглощения ОП и ОЭ с куба колонны 10 направляется в теплообменник-рекуператор 11, где нагревается за счет тепла горячего сорбента, поступающего из емкости 12. Затем дополнительно нагревается в теплообменнике 13 паром до необходимой температуры и направляется на выдержку в емкость 12, где в процессе гидратации ОП и ОЭ образуются гликоли. Из емкости 12 горячий сорбент направляется на охлаждение в рекуператор 11, в теплообменник 14 и далее возвращается на орошение колонны 10. При достижении концентрации гликолей в абсорбенте 30 % - 55 % абсорбент выводится из системы и отгружается потребителю, а в систему заливается свежая порция раствора щелочи.
Технология 2
Простые полиэфиры не очищенные
Сырье для процесса: этилена окись, пропилена окись техническая, этиленгликоль
Целевой продукт: простые полиэфиры не очищенные
Побочные продукты: нет.
Катализатор: гидроокись калия (KOH).
Краткое описание технологического процесса:
Процесс получения простых полиэфиров (см. рисунок 2.25) проводится реакцией оксипропилирования и оксиэтилирования, для чего в реактор (поз. SA-202 A) производится прием расчетного количества стартового вещества и щелочного катализатора (KOH). Далее включают турбонасос (поз. РС-202 A, B) и начинают циркуляцию через испаритель (поз. E-202). При достижении температуры 121 °C - 130 °C начинают подавать окись пропилена. Оксипропилирование проводят при температуре 125 °C - 135 °C. После окончания процесса оксипропилирования и выдержки, в реакторы (поз. SA-202 B, С) начинают подавать окись этилена. Реакция оксиэтилирования проводится при температуре 125 - 140 °C с постепенным повышением давления до 6, 0 кгс/см2. После проведения реакции оксиэтилирования, продукт насосом (поз. РC-202 A, B) откачивается в резервуар (поз. SR-305). Из резервуара (поз. SR-305) простые полиэфиры откачиваются насосами (поз. РС-307 A, B) в ж/д цистерны или передаются по трубопроводу потребителю.

Рисунок 2.25 - Принципиальная технологическая схема производства простого полиэфира
Сырье для процесса: жирные кислоты талового масла, органический растворитель.
Целевой продукт: противоизносная присадка для дизельного топлива.
Побочные продукты: нет информации.
Катализатор: нет.
Краткое описание технологического процесса:
Противоизносная присадка для дизельного топлива "Байкат" производиться путем смешения жирных кислот талового масла и органического растворителя в реакторе.
Режимные параметры процесса:
- температура в реакторе в пределах - 30 °C - 50 °C;
- продолжительность перемешивания смеси в реакторе - 1 ч.
Сырье для процесса: этилен, винилацетат.
Целевой продукт: депрессорная присадка.
Побочные продукты: нет информации.
Катализатор: инициатор.
Краткое описание технологического процесса:
Депрессорные присадки - производятся синтезированием сополимера этилена с винилацетатом в присутствии инициатора.
Режимные параметры процесса:
- температура в реакторе - 85 °C - 115 °C;
- давление - 90-240 кгс/см2.
Сырье для процесса: метан, хлор.
Целевой продукт: хлороформ (трихлорметан).
Побочные продукты: другие продукты хлорирования метана.
Краткое описание технологического процесса:
Хлороформ производят хлорированием метана, нагревая смесь хлора и второго вещества в нужном соотношении до температуры 400 °С - 500 °C. При этой температуре происходит серия химических реакций, постепенно превращающих метан или метилхлорид в соединения с большим содержанием хлора.
Результатом процесса является смесь, состоящая из метилхлорида, дихлорметана, хлороформа и тетрахлорметана. Разделение веществ осуществляется дистилляцией. Принципиальная технологическая схема производства хлороформа представлена на рисунке 2.26.

Рисунок 2.26 - Принципиальная технологическая схема производства простого полиэфира
Производство Х-22
Осуществляется гидрофторированием хлороформа фтористым водородом в жидкой фазе при давлении 7, 5-8, 5 кгс/см2 и температуре 70 °С - 95 °C, в присутствии катализатора - пятихлористой сурьмы. Принципиальная технологическая схема производства хладона Х-22 представлена на рисунке 2.27.

Рисунок 2.27 - Принципиальная технологическая схема производства хладона Х-22
Производство Х-113
Производство Х-113 включает две стадии:
- фторирование безводным фтористым водородом и хлорирование газообразным хлором перхлорэтилена (ПХЭ) в жидкой фазе при давлении до 0, 15 МПа и температуре 110 °С - 140 °C;
- одновременное фторирование безводным фтористым водородом и хлорирование перхлорэтилена (ПХЭ) в жидкой фазе при давлении 0, 3-0, 6 МПа и температуре 110 °C - 150 °C.
Принципиальная технологическая схема производства хладона Х-113 представлена на рисунке 2.28.

Рисунок 2.28 - Принципиальная технологическая схема производства хладона Х-113
Производство Х-142в
Осуществляется фторированием хлористого винилидена фтористым водородом в жидкой фазе при температуре не более 150 °С и давлении 13, 0-22, 0 кгс/см2 в присутствии катализатора - четыреххлористого олова. Принципиальная технологическая схема производства хладона Х-142 в представлена на рисунке 2.29.

Рисунок 2.29 - Принципиальная технологическая схема производства хладона Х-142в
Производство мономера-2
Термическое разложение Х-142 при температуре 450 °С - 950 °С приводит к образованию мономера-2. Принципиальная технологическая схема производства мономера-2 представлена на рисунке 2.30.

Рисунок 2.30 - Принципиальная технологическая схема производства мономера-2
Производство мономера-3
Принципиальная технологическая схема производства мономера-3 представлена на рисунке 2.31.

Рисунок 2.31 - Принципиальная технологическая схема производства мономера-3
Производство мономера-4
Термическое разложение Х-22 при температуре 550 °C - 850 °C приводит к образованию мономера-4. Принципиальная технологическая схема производства мономера-4 представлена на рисунке 2.32.

Рисунок 2.32 - Принципиальная технологическая схема производства мономера-4
Сырье для процесса: оксид этилена или оксид пропилена, высшие жирные спирты различных фракций, уксусная кислота.
Целевой продукт: синтанолы различной степени оксиалкилирования (АЛМ-1 - АЛМ-23, АЦСЭ-12, ОС-20 - ОС-80 и др.).
Побочные продукты: нет.
Катализатор: гидроксид калия или гидроксид натрия.
Краткое описание технологического процесса:
- образование каталитического комплекса (на примере гидроксида калия):
ROH+KOH→ROK+H2O
- инициирование катализированной реакционной массы (на примере окиси этилена):

- оксиэтилирование инициированной реакционной массы:

- нейтрализация готового продукта (на примере уксусной кислоты):

Основной побочной реакцией оксиэтилирования или оксипропилирования является реакция образования низкомолекулярных оксиалкилированных соединений воды (полиэтиленгликолей, полипропиленгликолей или полиэтиленоксидов) ввиду того, что исходное сырье и катализатор в определенных количествах содержит воду:

Производство синтанолов использует в своей основе постоянное распыление жидкой фазы в постоянно меняющийся объем газовой фазы. Процесс основан на способности нуклеофильных соединений (жидкая фаза) в присутствии различных каталитических инициаторов при определенных условиях (температура, давление) соединятся с оксидом этилена или оксидом пропилена (газовая фаза), образуя полимерную цепь с определенными физико-химическими свойствами.
Принципиальная технологическая схема производства синтанолов представлена на рисунке 2.33.

Рисунок 2.33 - Принципиальная технологическая схема производства синтанолов
Сырье для процесса:
- получения ЛАБСК - сера, линейный алкилбензол (ЛАБ);
- получения СЭЖС, Na-соль, 70 % паста - сера, этоксилаты жирных спиртов (ЭЖС) на 1, 2, 3 моля ОЭ, едкий натр (46 %-ный водный раствор);
- получения AC - сера, высшие жирные спирты фракции С12 - С14 (ВЖС), едкий натр (46 %-ный водный раствор).
Целевой продукт: ЛАБСК, СЭЖС, Na-соль, 70 % паста марки Б1, Б2, Б3, Б2вн, Б2К, AC.
Побочные продукты: нет.
Катализатор: для конверсии SO2 в SO3 - пятиокись ванадия.
Краткое описание технологического процесса:
В основу технологического процесса положена реакция сульфирования органического сырья триоксидом серы:
- получение сульфирующего агента:
S+O2→SO2
SO2+0, 5O2→SO3
- сульфирование алкилбензола:

- сульфирование ЭЖС:

- нейтрализация СЭЖС:
![]()
- сульфирование ВЖС:
ROH+SO3→ROSO3H
- нейтрализация сульфокислоты:
ROSO3H+NaOH→ROSO3Na+H2O
Производство сульфированных продуктов предназначено для производства линейной алкилбензосульфокислоты, сульфоэтоксилатов жирных спиртов (на 1, 2, 3 моль ОЭ), алкилсульфата реакцией сульфирования органического сырья (соответственно ЛАБ, ЭЖС на 1, 2, 3 моль ОЭ, ВЖС) триоксидом серы в пленочном реакторе, с последующей нейтрализацией в нейтрализаторе едким натром полученных сульфокислот для получения СЭЖС, Na-соль, 70 % паста и алкилсульфата.
Принципиальная технологическая схема производства сульфированных продуктов представлена на рисунке 2.34.

Рисунок 2.34 - Принципиальная технологическая схема производства сульфированных продуктов
Сырье для процесса:
- при производстве ПЭГов - моноэтиленгликоль (МЭГ) или диэтиленгликоль (ДЭГ), оксид этилена, уксусная кислота;
- при производстве МПЭГов - метанол или метилкарбитол (МК) или метилцеллозольв (МЦ), оксид этилена, уксусная кислота.
Целевые продукты: ПЭГи низкомолекулярные (ПЭГ-100, ПЭГ-200, ПЭГ-300, ПЭГ-400, ПЭГ-600, ПЭГ-800, ПЭГ-1000), ПЭГи высокомолекулярные (ПЭГ-1500, ПЭГ-2000, ПЭГ-4000, ПЭГ-6000, ПЭГ-8000), МПЭГи низкомолекулярные (МПЭГ-500, МПЭГ-750, МПЭГ-875, МПЭГ-1000), МПЭГи высокомолекулярные (МПЭГ-2000, МПЭГ-3000, МПЭГ-5000).
Побочные продукты: нет.
Катализатор: гидроксид калия или гидроксид натрия (для ПЭГов), 30 %-ный раствор метилата натрия в метаноле (для МПЭГов).
Краткое описание технологического процесса:
При производстве ПЭГов:
- образование каталитического комплекса (на примере МЭГ):
![]()
- инициирование катализированной реакционной массы (на примере ДЭГ):
![]()
- оксиэтилирование инициированной реакционной массы (на примере ДЭГ):
![]()
- нейтрализация готового продукта (на примере уксусной кислоты):

При производстве МПЭГов:
- образование каталитического комплекса (на примере МК)

- инициирование катализированной реакционной массы (на примере МК):
![]()
- оксиэтилирование инициированной реакционной массы (на примере МК)

- нейтрализация готового продукта (на примере уксусной кислоты):
![]()
Производство ПЭГов (МПЭГов) использует в своей основе постоянное распыление жидкой фазы (МЭГ или ДЭГ - при производстве ПЭГов, метанола или МК - при производстве МПЭГов) в постоянно меняющийся объем газовой фазы (оксид этилена). Процесс основан на способности компонентов жидкой фазы в присутствии различных каталитических инициаторов при определенных условиях (температура, давление) соединятся с оксидом этилена (газовая фаза) в реакторном блоке, образуя полимерную цепь с определенными физико-химическими свойствами.
Принципиальная технологическая схема совместного производства полиэтиленгликолей и метоксиполиэтиленгликолей представлена на рисунке 2.35.

Рисунок 2.35 - Принципиальная технологическая схема производства полиэтиленгликолей и метоксиполиэтиленгликолей
В данном разделе представлены данные по выбросам, сбросам, отходам, энергопотреблении и физическим факторам воздействия производств продукции тонкого органического синтеза, описанных в разделе 2.
Текущие уровни выбросов в атмосферу, сбросов, отходов, физических воздействий, а также энергопотребления при производстве моноалкилфенола представлены в таблицах 3.1-3.5.
|
N |
Загрязняющее вещество |
Удельное значение, кг/т |
|
1 |
Азот диоксид |
0, 29 |
|
2 |
Азот оксид |
0, 048 |
|
3 |
Серы диоксид |
0, 018 |
|
4 |
Углеводороды предельные С6 - С10 |
3, 31•10-3 |
|
5 |
Углерода оксид |
0, 85 |
|
6 |
Фенол |
0, 62 |
|
7 |
Этиленгликоль |
0, 24 |
|
8 |
Натрий гидроксид |
5, 2•10-4 |
|
9 |
Пропилена тримеры |
0, 29 |
|
10 |
Алкилфенолы |
1, 25 |
|
11 |
Взвешенные вещества |
1, 105 |
|
12 |
Метан |
0, 106 |
|
13 |
Углеводороды предельные С1 - С5, исключая метан |
5, 7•10-5 |
|
14 |
Диэтиленгликоль |
1, 3•10-3 |
|
N |
Загрязняющее вещество |
Удельное значение, кг/т |
|
1 |
Фенол |
3, 6•10-4 |
|
N |
Загрязняющее вещество |
Удельное значение, т/т |
Класс опасности |
Метод обезвреживания |
|
1 |
Отходы производства углеводородов и их производных (фракция фенольно-водная) |
0, 1105 |
2 |
Утилизация (сжигание в печи) |
|
2 |
Отходы производства углеводородов и их производных (парафиновая фракция) |
0, 20051 |
2 |
Утилизация (сжигание в печи) |
|
3 |
Кубовый остаток ректификации олефинового сырья при производстве моно- и диалкилфенолов |
0, 3643 |
3 |
Утилизация (сжигание в печи) |
|
4 |
Катализаторы прочие отработанные (отработанный катализатор Амберлист) |
0, 00112 |
3 |
Размещение (захоронение) |
|
5 |
Отходы при сжигании нефтесодержащих отходов (зола от сжигания жидких отходов производства алкилфенолов и α -олефинов) |
0, 00002 |
4 |
Размещение (захоронение) |
|
6 |
Катализатор сульфокатионит на основе полистирола отработанный |
0, 00112 |
4 |
Размещение (захоронение) |
|
N |
Фактор воздействия |
Значение |
|
1 |
Данные не представлены | |
|
N |
Наименование энергетического ресурса |
Единица измерения |
Значение |
|
1 |
Электроэнергия |
кВт•ч/т |
75, 34 |
|
2 |
Теплоэнергия |
Гкал/т |
1, 114 |
|
3 |
Топливный газ |
тут/т |
0, 08021 |
|
4 |
Оборотная вода |
м3/т |
119, 17 |
3.2.1 Производство α -олефинов
Текущие уровни выбросов в атмосферу, сбросов, отходов, физических воздействий, а также энергопотребления при производстве α -олефинов представлены в таблицах 3.6-3.10.
|
N |
Загрязняющее вещество |
Удельное значение, кг/т |
|
1 |
Азот диоксид |
5, 85 |
|
2 |
Азот оксид |
0, 95 |
|
3 |
Серы диоксид |
0, 0375 |
|
4 |
Углеводороды предельные С1 - С5 (исключая метан) |
3, 5•10-4 |
|
5 |
Углерода оксид |
11, 11 |
|
6 |
Бутилен |
0, 69 |
|
7 |
Толуол |
1, 32 |
|
8 |
Пропилен |
0, 56 |
|
9 |
Этилен |
1, 47 |
|
10 |
Метан |
0, 59 |
|
11 |
Олефины С8 - С18 |
0, 79 |
|
12 |
Этиленгликоль |
0, 19 |
|
13 |
Гексен-1 |
0, 36 |
|
14 |
Динил |
0, 0255 |
|
15 |
Минеральное масло |
0, 3 |
|
16 |
2-этилгексиламин |
0, 0158 |
|
N |
Загрязняющее вещество |
Удельное значение, кг/т |
|
1 |
Данные не представлены | |
|
N |
Загрязняющее вещество |
Удельное значение, кг/т |
Класс опасности |
Метод обезвреживания |
|
1 |
Отходы производства углеводородов и их производных |
17, 91 |
3 |
обезвреживание (сжигание) |
|
2 |
Отходы производства углеводородов и их производных (с аминами) |
16, 0 |
2 |
обезвреживание (сжигание) |
|
3 |
Катализаторы отработанные не содержащие драгоценные металлы |
0, 02 |
3 |
вывоз в стороннюю организацию, имеющую лицензию |
|
4 |
Катализаторы отработанные, содержащие драгоценные металлы |
0, 034 |
3 |
вывоз в стороннюю организацию, имеющую лицензию |
|
5 |
Сорбент на основе оксидов кремния, бария и алюминия отработанный |
0, 37 |
3 |
размещение (захоронение) |
|
6 |
Шлам процесса нейтрализации отходов производства алюмоорганических соединений и α -олефинов |
41, 63 |
4 |
размещение (захоронение) |
|
7 |
Зола от сжигания жидких отходов производства α -олефинов |
0, 01 |
4 |
размещение (захоронение) |
|
8 |
Шлам от зачистки оборудования |
1, 04 |
3 |
размещение (захоронение) |
|
9 |
Прочие отходы фильтров и фильтровальных материалов отработанные |
0, 23 |
3 |
размещение (захоронение) |
|
10 |
Отходы сорбентов, не загрязненные опасными веществами |
0, 04 |
4 |
размещение (захоронение) |
|
11 |
Сорбент на основе алюмосиликата отработанный, загрязненный нефтепродуктами (содержание нефтепродуктов менее 15 %) |
0, 04 |
4 |
размещение (захоронение) |
|
N |
Фактор воздействия |
Значение |
|
1 |
Данные не представлены | |
|
N |
Наименование энергетического ресурса |
Единица измерения |
Значение |
|
1 |
Электроэнергия |
кВт•ч/т |
1570 |
|
2 |
Теплоэнергия |
Гкал/т |
3, 65 |
|
3 |
Топливный газ |
тут/т |
1, 294 |
|
4 |
Оборотная вода |
м3/т |
677 |
3.2.2 Разделение фракции α -олефинов на С12, С14
Текущие уровни выбросов в атмосферу, сбросов, отходов, физических воздействий, а также энергопотребления при производстве фракций α -олефинов С12, С14 представлены в таблицах 3.11-3.15.
|
N |
Загрязняющее вещество |
Удельное значение, кг/т |
|
1 |
Олефины С15 - С18 |
0, 022 |
|
2 |
Масло минеральное нефтяное |
0, 000065 |
|
N |
Загрязняющее вещество |
Удельное значение, кг/т |
|
1 |
Данные не представлены | |
|
N |
Загрязняющее вещество |
Удельное значение, кг/т |
Класс опасности |
Метод обезвреживания |
|
1 |
Отходы не образуются | |||
|
N |
Фактор воздействия |
Единица измерения |
Значение |
|
1 |
Данные не представлены | ||
|
N |
Наименование энергетического ресурса |
Единица измерения |
Значение |
|
1 |
Электроэнергия |
кВт•ч/т |
4 |
|
2 |
Теплоэнергия |
Гкал/т |
0, 59 |
|
3 |
Оборотная вода |
м3/т |
15 |
Текущие уровни выбросов в атмосферу, сбросов, отходов, физических воздействий, а также энергопотребления при производстве диизобутилалюминийгидрида представлены в таблицах 3.16-3.20.
|
N |
Загрязняющее вещество |
Удельное значение, кг/т |
|
1 |
Оксид алюминия |
2, 5 |
|
2 |
Окись углерода |
1, 52 |
|
3 |
Смесь алканов С6 - С10 |
28, 72 |
|
4 |
Минеральное масло |
0, 03 |
|
5 |
Изобутилен |
34, 69 |
|
6 |
Железа оксид III |
0, 13 |
|
7 |
Сажа |
2, 50 |
|
8 |
Метан |
0, 41 |
|
9 |
Азота диоксид |
4, 46 |
|
10 |
Азота оксид |
0, 73 |
|
11 |
Кальций оксид |
0, 08 |
|
12 |
Кремния диоксид |
0, 25 |
|
13 |
Серы диоксид |
0, 19 |
|
14 |
Динил (смесь дифенила и дифенилоксида в соотношении 1:3) |
0, 22 |
|
N |
Загрязняющее вещество |
Удельное значение, кг/т |
|
1 |
Сбросы в процессе производства не образуются | |
|
N |
Загрязняющее вещество |
Удельное значение, кг/т |
Класс опасности |
Метод обезвреживания |
|
1 |
Шлам |
1, 83 |
- |
Сжигание в печи |
|
N |
Фактор воздействия |
Единица измерения |
Значение |
|
1 |
Шум |
дБ |
43 |
|
N |
Наименование энергетического ресурса |
Единица измерения |
Значение |
|
1 |
Электроэнергия |
кВт•ч/т |
1373 |
Текущие уровни выбросов в атмосферу, сбросов, отходов, физических воздействий, а также энергопотребления при производстве дициклопентадиена представлены в таблицах 3.21-3.25.
|
N |
Загрязняющее вещество |
Удельное значение |
|
1 |
Углеводороды предельные С1 - С5 |
2, 61 |
|
2 |
Амилены (смеси изомеров) |
2, 66 |
|
3 |
1, 3-бутадиен |
0, 09 |
|
4 |
Этиленгликоль |
0, 00007 |
|
5 |
Минеральное масло |
3, 4•10-5 |
|
6 |
Циклопентан |
0, 02 |
|
7 |
Тетрагидроинден |
0, 01 |
|
8 |
Олефины С16 - С18 |
0, 0052 |
|
9 |
Дициклопентадиен |
0, 25 |
|
10 |
Пиперилен |
1, 99 |
|
11 |
Изопрен |
3, 30 |
|
N |
Загрязняющее вещество |
Удельное значение, кг/т |
|
1 |
ХПК |
0, 09 |
|
N |
Загрязняющее вещество |
Удельное значение, т/т |
Класс опасности |
Метод обезвреживания |
|
1 |
Шлам |
1, 79 |
- |
Сжигание в печи |
|
N |
Фактор воздействия |
Единица измерения |
Значение |
|
1 |
Данные не представлены | ||
|
N |
Наименование энергетического ресурса |
Единица измерения |
Значение |
|
1 |
Электроэнергия |
кВт•ч/т |
32, 8 |
|
2 |
Теплоэнергия |
Гкал/т |
3, 43 |
|
3 |
Холод |
Гкал/т |
0, 1 |
|
4 |
Оборотная вода |
м3/т |
160 |
Текущие уровни выбросов в атмосферу, сбросов, отходов, физических воздействий, а также энергопотребления при производстве неодеканоата неодима представлены в таблицах 3.26-3.30.
|
N |
Загрязняющее вещество |
Удельное значение, кг/т |
|
1 |
Углеводороды предельные С6 - С10 |
0, 2 |
|
N |
Загрязняющее вещество |
Удельное значение, кг/т |
|
1 |
Взвешенные вещества |
310, 9 |
|
N |
Загрязняющее вещество |
Удельное значение, т/т |
Класс опасности |
Метод обезвреживания |
|
1 |
Данные не представлены | |||
|
N |
Фактор воздействия |
Единица измерения |
Значение |
|
1 |
Данные не представлены | ||
|
N |
Наименование энергетического ресурса |
Единица измерения |
Значение |
|
1 |
Электроэнергия |
кВт•ч/т |
209 |
|
2 |
Теплоэнергия |
Гкал/т |
6, 4 |
|
3 |
Оборотная вода |
м3/т |
500 |
Текущие уровни выбросов в атмосферу, сбросов, отходов, физических воздействий, а также энергопотребления при производстве оксиэтилированных алкилфенолов представлены в таблицах 3.31-3.35.
|
N |
Загрязняющее вещество |
Удельное значение, кг/т |
|
1 |
Азота диоксид |
0, 29 |
|
2 |
Азота оксид |
0, 048 |
|
3 |
Серная кислота |
0, 028971 |
|
4 |
Серы диоксид |
0, 018 |
|
5 |
Углерода оксид |
0, 85 |
|
6 |
Кислота уксусная |
0, 112551 |
|
7 |
Окись этилена |
0, 04032 |
|
8 |
Этиленгликоль |
0, 022149 |
|
9 |
Натрий гидроокись |
0, 013955 |
|
10 |
Алкилфенол |
0, 025477 |
|
11 |
Неонол |
0, 150307 |
|
12 |
Диэтиленгликоль |
0, 000294 |
|
13 |
Триэтиленгликоль |
0, 000216 |
|
N |
Загрязняющее вещество |
Удельное значение, кг/т |
|
1 |
Не представлены данные по удельным значениям | |
|
N |
Загрязняющее вещество |
Удельное значение, кг/т |
Класс опасности |
Метод обезвреживания |
|
1 |
Водный раствор гликолей |
0, 3 |
3 |
Утилизация (сжигание в печи) |
|
2 |
Отработанный абсорбент гликолевый водный |
56, 5 |
3 |
Утилизация (сжигание в печи) |
|
3 |
Отходы производства углеводородов и их производных (неонолы) |
4, 5 |
3 |
Утилизация (сжигание в печи) |
|
N |
Фактор воздействия |
Единица измерения |
Значение |
|
1 |
Данные не представлены | ||
|
N |
Наименование энергетического ресурса |
Единица измерения |
Значение |
|
1 |
Электроэнергия |
кВт•ч/т |
20, 84 |
|
2 |
Теплоэнергия |
Гкал/т |
0, 213 |
|
3 |
Оборотная вода |
м3/т |
19, 7 |
Текущие уровни выбросов в атмосферу, сбросов, отходов, физических воздействий, а также энергопотребления при производстве очищенного гексанового растворителя представлены в таблицах 3.36-3.40.
|
N |
Загрязняющее вещество |
Удельное значение, кг/т |
|
1 |
Углеводороды предельные С1 - С5 |
16, 2215 |
|
2 |
Углеводороды предельные С6 - С10 |
1, 0929 |
|
3 |
Толуол |
0, 072548 |
|
4 |
Бензол |
0, 081874 |
|
5 |
Минеральное масло |
0, 000189 |
|
6 |
Диоксид азота |
1, 004661 |
|
7 |
Азота оксид |
0, 163587 |
|
8 |
Метан |
0, 099811 |
|
9 |
Углерода оксид |
0, 998519 |
|
N |
Загрязняющее вещество |
Удельное значение, кг/т |
|
1 |
ХПК |
2, 25 |
|
N |
Загрязняющее вещество |
Удельное значение, кг/т |
Класс опасности |
Метод обезвреживания |
|
1 |
Насадки кислотоупорные керамические |
0, 025 |
3 |
Размещение (захоронение) |
|
2 |
Цеолит отработанный при сушке газов |
1, 01 |
5 |
Размещение (захоронение) |
|
3 |
Катализатор алюмоплатиновый отработанный |
Разовая загрузка |
3 |
Передается на завод для извлечения драг. металлов |
|
4 |
Масла индустриальное, турбинное, компрессорное, трансформаторное отработанные |
0, 9 |
3 |
Вывозятся на утилизацию |
|
5 |
Никельсодержащий катализатор отработанный |
0, 563 |
3 |
Передается на утилизацию в организацию обладающей лицензией |
|
N |
Фактор воздействия |
Единица измерения |
Значение |
|
1 |
Шум |
дБА |
92 |
|
N |
Наименование энергетического ресурса |
Единица измерения |
Значение |
|
1 |
Электроэнергия |
кВт•ч/т |
137, 4 |
|
2 |
Теплоэнергия |
Гкал/т |
1, 32 |
|
3 |
Холод |
Гкал/т |
0, 02 |
|
4 |
Вода оборотная |
м3/т |
130 |
Текущие уровни выбросов в атмосферу, сбросов, отходов, физических воздействий, а также энергопотребления при производстве полиэтиленгликолей представлены в таблицах 3.41-3.45.
|
N |
Загрязняющее вещество |
Удельное значение, кг/т |
|
1 |
Окись этилена |
0, 027 |
|
2 |
Этиленгликоль |
0, 003 |
|
3 |
ПЭГ-400 |
0, 13 |
|
N |
Загрязняющее вещество |
Удельное значение, кг/т |
|
1 |
Данные не представлены | |
|
N |
Загрязняющее вещество |
Удельное значение, кг/т |
Класс опасности |
Метод обезвреживания |
|
1 |
Отработанный абсорбент гликолевый водный |
24, 0 |
3 |
Утилизация (сжигание в печи) |
|
2 |
Загрязненные полигликоли |
0, 3 |
4 |
Утилизация (сжигание в печи) |
|
N |
Фактор воздействия |
Единица измерения |
Значение |
|
1 |
Данные не представлены | ||
|
N |
Наименование энергетического ресурса |
Единица измерения |
Значение |
|
1 |
Электроэнергия |
кВт•ч/т |
27 |
|
2 |
Теплоэнергия |
Гкал/т |
0, 278 |
|
3 |
Оборотная вода |
м3/т |
22 |
Текущие уровни выбросов в атмосферу, сбросов, отходов, физических воздействий, а также энергопотребления при производстве пропиленгликоля представлены в таблицах 3.46-3.50.
|
N |
Загрязняющее вещество |
Удельное значение, (кг/т) | |
|
Технология 1 |
Технология 2 | ||
|
1 |
Окись пропилена |
50, 5 |
0, 204 |
|
N |
Загрязняющее вещество |
Удельное значение, кг/т |
|
1 |
Данные не представлены | |
|
N |
Загрязняющее вещество |
Удельное значение, кг/т |
Класс опасности |
Метод обезвреживания |
|
1 |
Данные не представлены | |||
|
N |
Фактор воздействия |
Единица измерения |
Значение |
|
1 |
Данные не представлены | ||
|
N |
Наименование энергетического ресурса |
Единица измерения |
Значение для технологии 1 |
Значение для технологии 2 |
|
1 |
Электроэнергия |
кВт•ч/т |
600 |
Нет данных |
|
2 |
Теплоэнергия |
Гкал/т |
2, 58 | |
|
3 |
Оборотная вода |
м3/т |
200 |
Текущие уровни выбросов в атмосферу, сбросов, отходов, физических воздействий, а также энергопотребления при производстве триизобутилалюминия представлены в таблицах 3.51-3.55.
|
Наименование загрязняющего вещества |
Удельное значение выбросов ЗВ кг/т продукции, не более | ||
|
Производство 1 |
Производство 2 |
Производство, включающее в себя термическое обезвреживание отходов | |
|
Азот диоксид |
0, 0005 |
5, 0 |
9, 0 |
|
Азот оксид |
0, 000084 |
0, 83 |
6, 0 |
|
Углерода оксид |
0, 05 |
1, 73 |
55 |
|
Динил |
0, 09 |
0, 3 | |
|
Растворитель Нефрас |
- |
- |
17, 0 |
|
Этиленгликоль |
0, 0005 |
- | |
|
Изобутилен |
39, 6 |
15, 9 |
41 |
|
Натрий гидроксид |
0, 78 |
- |
- |
|
Олефины С15 - С18 |
4, 18 |
- |
- |
|
Алюминия оксид (в пересчете на алюминий) |
0, 21 |
2, 9 |
- |
|
Метан |
- |
0, 17 |
- |
|
Оксид железа (III) |
- |
0, 06 | |
|
Углерод, сажа |
- |
1, 05 |
29 |
|
Минеральное масло |
- |
3, 8 | |
|
Толуол |
- |
17, 9 |
12, 0 |
|
Углеводороды предельные С1 - С5, исключая метан |
52 | ||
|
Углеводороды предельные С6 - С10 |
4, 2 | ||
|
Хлорэтан (этил хлористый) |
0, 5 |
0, 2 | |
|
N |
Загрязняющее вещество |
Удельное значение, кг/т |
|
1 |
Алюминий |
0, 02 |
|
2 |
Взвешенные вещества |
0, 06 |
|
3 |
ХПК |
3, 1 |
|
4 |
pH, ед |
6, 0-9, 0 |
|
Загрязняющее вещество |
Удельное значение, кг/т |
Класс опасности |
Метод обезвреживания |
|
Производство 1
| |||
|
Отходы производства основных органических веществ прочих (шлам производства ТИБА) |
189 |
2 |
Обезвреживание (нейтрализация) |
|
Отходы производства углеводородов и их производных (шлам гидроокиси алюминия) |
8, 9 |
4 |
Размещение (захоронение) |
|
Производство 2
| |||
|
Шлам производства ТИБА |
386, 8 |
3 |
Термическое обезвреживание (сжигание в печи) |
|
Производство, включающее в себя термическое обезвреживание отходов
| |||
|
Остаток минеральный от сжигания отходов производства каучуков синтетических* |
2, 0 |
4 |
Отход направляется на полигон промышленных отходов |
|
* Отход образуется периодически - в результате термического уничтожения отходов от установки ТИБА на печах сжигания шлама. | |||
|
N |
Фактор воздействия |
Единица измерения |
Значение |
|
1 |
Для технологии 1 данные не представлены | ||
|
Для технологии 2
| |||
|
2 |
Шум |
Дб |
77 |
|
N |
Наименование энергетического ресурса |
Единица измерения |
Производство 1 |
Производство 2 |
Производство, включающее в себя термическое обезвреживание отходов |
|
1 |
Электроэнергия |
кВт•ч/т |
6632 |
1006 |
5, 5-5, 8 |
|
2 |
Теплоэнергия |
Гкал/т |
22 |
2, 2 |
7000-8800 |
|
3 |
Оборотная вода |
м3/т |
1400 |
210 |
175-215 |
|
4 |
Топливный газ |
т. у. т. |
1, 61 |
- |
- |
Текущие уровни выбросов в атмосферу, сбросов, отходов, физических воздействий, а также энергопотребления при производстве триммеров и тетрамеров пропилена представлены в таблицах 3.56-3.60.
|
N |
Загрязняющее вещество |
Удельное значение, кг/т |
|
1 |
Азот диоксид |
0, 45 |
|
2 |
Азот оксид |
0, 073 |
|
3 |
Серы диоксид |
0, 0048 |
|
4 |
Углеводороды предельные С1 - С5 (исключая метан) |
0, 04 |
|
5 |
Углерода оксид |
3, 68 |
|
6 |
Бутилен |
0, 086 |
|
7 |
Толуол |
- |
|
8 |
Натрий гидроксид |
5, 57•10-5 |
|
9 |
Пропилен |
8, 62 |
|
10 |
Этилен |
- |
|
11 |
Взвешенные вещества |
- |
|
12 |
Метан |
0, 092 |
|
13 |
Олефины С8 - С18 |
- |
|
14 |
Этиленгликоль |
0, 072 |
|
15 |
Гексен-1 |
0, 73 |
|
16 |
Углеводороды предельные С6 - С10 |
4, 8•10-3 |
|
17 |
Углеводороды предельные С12 - С19 |
3, 37•10-4 |
|
18 |
Гептен |
0, 0148 |
|
19 |
Масло минеральное |
1, 09•10-3 |
|
20 |
Углерод, сажа |
8, 3•10-4 |
|
21 |
Тримеры пропилена |
2, 1 |
|
22 |
Тетрамеры пропилена |
0, 78 |
|
23 |
Агидол-1 |
7, 18•10-3 |
|
24 |
Углеводороды С15 - С18 |
3, 95•10-3 |
|
N |
Загрязняющее вещество |
Удельное значение, кг/т |
|
1 |
Данные не представлены | |
|
N |
Загрязняющее вещество |
Удельное значение, кг/т |
Класс опасности |
Метод обезвреживания |
|
1 |
Катализаторы прочие отработанные |
8, 29 |
3 |
Размещение (захоронение) |
|
2 |
Отходы производства полимеров и прочих олефинов в первичных формах (отходы тримеров пропилена) |
0, 6 |
2 |
Утилизация (сжигание в печи) |
|
N |
Фактор воздействия |
Единица измерения |
Значение |
|
1 |
Данные не представлены | ||
|
N |
Наименование энергетического ресурса |
Единица измерения |
Значение |
|
1 |
Электроэнергия |
кВт•ч/т |
81, 55 |
|
2 |
Теплоэнергия |
Гкал/т |
1, 45 |
|
3 |
Оборотная вода |
м3/т |
117, 17 |
|
4 |
Холод |
Гкал/т |
0, 139 |
Текущие уровни выбросов в атмосферу, сбросов, отходов, физических воздействий, а также энергопотребления при производстве триэтилалюминия представлены в таблицах 3.61-3.65.
|
Наименование загрязняющего вещества |
Удельное значение выбросов ЗВ кг/т продукции, не более | |
|
Производство ТЭА из ТИБА |
Производство ТЭА из этилена | |
|
Диалюминий триоксид (в пересчете на алюминий) |
0, 03 |
- |
|
Углеводороды предельные С1 - С5 (исключая метан) |
0, 04 |
- |
|
Углеводороды предельные С6 - С10 |
105 |
- |
|
Смесь олефинов С8 - С18 |
- |
0, 013 |
|
Этилен |
14 |
- |
|
Минеральное масло |
29 |
- |
|
Изобутилен (изобутен) |
30 |
- |
|
Динил (смесь дифенила и дифенилоксида 1:3) |
- |
0, 02 |
|
Этиленгликоль |
- |
0, 002 |
|
Наименование загрязняющего вещества |
Удельные показатели ЗВ в стоках (кг/т продукции), не более |
|
Алюминий |
15 |
|
Нефтепродукты |
3, 4 |
|
Загрязняющее вещество |
Удельное значение, кг/т |
Класс опасности |
Метод обезвреживания |
|
Производство ТЭА из ТИБА
| |||
|
Отходы (осадок) механической очистки нейтрализованных стоков производств органического синтеза |
265 |
4 |
Термическое обезвреживание "Отходы трансформаторных масел" и "прочих минеральных масел (вазелиновые)" образуются в закрытой системе и вместе с "отходами (осадками) механической очитки нейтрализованных стоков передаются на термическое обезвреживание отходов на установку полимеризации пропилена" (общее количество 48, 3 т) |
|
Отходы минеральных масел трансформаторных, не содержащих галогены |
3 | ||
|
Отходы прочих минеральных масел (вазелиновое масло) |
3 | ||
|
Отходы минеральных масел индустриальных (диатермическое масло) |
32 |
3 |
Отходы передаются специализированной организации и/или направляются на установку термического обезвреживания отходов |
|
Производство ТЭА из этилена
| |||
|
Отходы производства - основных органических химических веществ прочих (алюминийалкилы) |
52 |
2 |
Обезвреживание (нейтрализация) |
|
Отходы производства углеводородов (шлам гидроокиси алюминия) |
100 |
4 |
Размещение (захоронение) |
|
N |
Фактор воздействия |
Единица измерения |
Значение |
|
1 |
Данные не представлены | ||
|
N |
Наименование энергетического ресурса |
Единица измерения |
Производство ТЭА из ТИБА |
Производство ТЭА из этилена |
|
1 |
Электроэнергия |
кВт•ч/т |
5200-5700 |
10925 |
|
2 |
Теплоэнергия |
Гкал/т |
5, 2-5, 7 |
27 |
|
3 |
Оборотная вода |
м3/т |
3150-3500 |
2440 |
|
4 |
Топливный газ |
т. у. т. |
- |
1137 |
Текущие уровни выбросов в атмосферу, сбросов, отходов, физических воздействий, а также энергопотребления при производстве этилалюминийсесквихлорида представлены в таблицах 3.66-3.70.
|
N |
Загрязняющее вещество |
Удельное значение, кг/т |
|
1 |
Оксид алюминия |
2, 5 |
|
2 |
Окись углерода |
1, 5 |
|
3 |
Хлористый водород |
147, 61 |
|
4 |
Смесь алканов С6 - С10 |
41, 38 |
|
5 |
Этилхлорид |
62, 4 |
|
6 |
Минеральное масло |
0, 11 |
|
7 |
Изобутилен |
0, 14 |
|
8 |
Железа оксид III |
0, 84 |
|
9 |
Сажа |
0, 92 |
|
10 |
Метан |
0, 15 |
|
11 |
Азота диоксид |
4, 46 |
|
12 |
Азота оксид |
0, 73 |
|
N |
Загрязняющее вещество |
Удельное значение, кг/т |
|
1 |
Сточные воды не образуются | |
|
N |
Загрязняющее вещество |
Удельное значение, кг/т |
Класс опасности |
Метод обезвреживания |
|
1 |
Шлам производства |
458 |
- |
- |
|
N |
Фактор воздействия |
Единица измерения |
Значение |
|
1 |
Шум |
дБ |
69 |
|
N |
Наименование энергетического ресурса |
Единица измерения |
Значение |
|
1 |
Электроэнергия |
кВт•ч/т |
527 |
|
2 |
Теплоэнергия |
Гкал/т |
2, 1 |
Текущие уровни выбросов в атмосферу, сбросов, отходов, физических воздействий, а также энергопотребления при производстве этилцеллозольва представлены в таблицах 3.71-3.75.
|
N |
Загрязняющее вещество |
Удельное значение, кг/т |
|
1 |
Спирт этиловый |
4, 07 |
|
2 |
Эфир диэтиловый |
0, 00041 |
|
3 |
Ацетальдегид |
1, 97•10-5 |
|
4 |
Окись этилена |
0, 33 |
|
5 |
Этиленгликоль |
0, 43 |
|
6 |
Натр едкий |
0, 01 |
|
7 |
Триэтиленгликоль |
0, 17 |
|
8 |
Этилкарбитол |
0, 57 |
|
9 |
Этилцеллозольв |
1, 45 |
|
N |
Загрязняющее вещество |
Удельное значение, кг/т |
|
1 |
Данные не представлены | |
|
N |
Загрязняющее вещество |
Удельное значение, кг/т |
Класс опасности |
Метод обезвреживания |
|
1 |
Данные не представлены | |||
|
N |
Фактор воздействия |
Единица измерения |
Значение |
|
1 |
Данные не представлены | ||
|
N |
Наименование энергетического ресурса |
Единица измерения |
Значение |
|
1 |
Электроэнергия |
кВт•ч/т |
74, 38 |
|
2 |
Теплоэнергия |
Гкал/т |
7, 43 |
|
3 |
Холод |
Гкал/т |
0, 52 |
|
4 |
Оборотная вода |
м3/т |
496, 24 |
Текущие уровни выбросов в атмосферу, сбросов, отходов, физических воздействий, а также энергопотребления при производстве пара-третичного бутилфенола представлены в таблицах 3.76-3.80.
|
N |
Загрязняющее вещество |
Удельное значение, кг/т |
|
1 |
Фенол |
0, 0445 |
|
2 |
Изобутилен |
0, 3089 |
|
3 |
Бутан |
0, 1778 |
|
4 |
Пентан |
0, 1967 |
|
5 |
Алкилфенол |
0, 0111 |
|
6 |
ПТБФ |
0, 3556 |
|
N |
Загрязняющее вещество |
Удельное значение, кг/т |
|
1 |
Сбросов нет | |
|
N |
Загрязняющее вещество |
Удельное значение, т/т |
Класс опасности |
Метод обезвреживания |
|
1 |
Кубовый остаток ректификации олефинового сырья при производстве смеси моно- и диалкилфенолов |
0, 16 |
3 |
Захоронение на полигоне |
|
N |
Фактор воздействия |
Единица измерения |
Значение |
|
1 |
Шум |
дБА |
94 |
|
2 |
Вибрация |
дБ |
83 |
|
N |
Наименование энергетического ресурса |
Единица измерения |
Значение |
|
1 |
Данные не представлены | ||
Текущие уровни выбросов в атмосферу, сбросов, отходов, физических воздействий, а также энергопотребления при производстве бутилацетата представлены в таблицах 3.81-3.85.
|
N |
Загрязняющее вещество |
Удельное значение, кг/т |
|
1 |
Бутилацетат |
0, 25069 |
|
2 |
Винилацетат |
0, 0871 |
|
3 |
Метилацетат |
0, 0351 |
|
4 |
Уксусная кислота |
0, 0340 |
|
5 |
Спирт бутиловый |
0, 06376 |
|
N |
Загрязняющее вещество |
Удельное значение, кг/т |
|
1 |
Нет данных | |
|
N |
Загрязняющее вещество |
Удельное значение, т/т |
Класс опасности |
Метод обезвреживания |
|
1 |
Кубовые остатки этерификатора, испарителя и ректификационных колонн |
0, 06 |
3 |
Утилизация (сжигание в печи) |
|
N |
Фактор воздействия |
Единица измерения |
Значение |
|
1 |
Шум |
дБА |
85 |
|
2 |
Вибрация |
дБ |
93 |
|
N |
Наименование энергетического ресурса |
Единица измерения |
Значение |
|
1 |
Электроэнергия |
тыс.кВт•ч/т |
0, 008 |
|
2 |
Пар 10 атм |
Гкал/т |
1, 64 |
|
3 |
Конденсат паровой (потребленный) |
т/т |
0, 3 |
|
4 |
Конденсат паровой (возвратный) |
т/т |
2, 17 |
|
5 |
Вода оборотная |
тыс. м3/т |
0, 08 |
Текущие уровни выбросов в атмосферу, сбросов, отходов, физических воздействий, а также энергопотребления при производстве ацетальдегида представлены в таблицах 3.86-3.90.
|
N |
Загрязняющее вещество |
Удельное значение, кг/т |
|
1 |
Азота диоксид |
0, 370971 |
|
2 |
Азота оксид |
0, 000389 |
|
3 |
Серы диоксид |
0, 00278 |
|
4 |
Углерода оксид |
4, 70451 |
|
5 |
Ацетальдегид |
0, 01539 |
|
6 |
Ацетилен |
0, 82308 |
|
7 |
Альдегид кротоновый |
0, 00097 |
|
8 |
Углерода диоксид |
11, 599 |
|
N |
Загрязняющее вещество |
Удельное значение, кг/т |
|
1 |
Нет данных | |
|
N |
Загрязняющее вещество |
Удельное значение, т/т |
Класс опасности |
Метод обезвреживания |
|
1 |
Жидкие органические отходы очистки и ректификации продуктов |
0, 04788 |
2 |
Сжигание на установке термического обезвреживания (УТО) |
|
2 |
Катализатор - кальций-кадмий фосфатный |
0, 002 |
3 |
Размещение (захоронение) |
|
N |
Фактор воздействия |
Единица измерения |
Значение |
|
1 |
Шум |
дБА |
93 |
|
2 |
Вибрация |
дБ |
86 |
|
N |
Наименование энергетического ресурса |
Единица измерения |
Значение |
|
1 |
Вода оборотная средняя |
тыс. м3 |
16, 69 |
|
2 |
Газ природный |
тыс. м3 |
0, 235 |
|
3 |
Конденсат паровой ПВС Э/Р |
т |
0, 87 |
|
4 |
Пар 10 атм средний |
Гкал |
10, 3 |
|
5 |
Холод (захоложенная вода) |
Гкал |
0, 259 |
|
6 |
Электроэнергия |
тыс.кВт•ч |
0, 15 |
Текущие уровни выбросов в атмосферу, сбросов, отходов, физических воздействий, а также энергопотребления при производстве ацетилена представлены в таблицах 3.91-3.95.
|
N |
Загрязняющее вещество |
Удельное значение, кг/т |
|
1 |
Азота диоксид |
1, 934328 |
|
2 |
Азота оксид |
0, 113043 |
|
3 |
Метан |
0, 154198 |
|
4 |
Метилмеркаптан, этилмеркаптан |
3, 75•10-7 |
|
5 |
Сероводород |
2, 1•10-7 |
|
6 |
Серы диоксид |
0, 024624 |
|
7 |
Углерода оксид |
10, 06289 |
|
8 |
Этилен |
0, 001 |
|
9 |
Углерода диоксид |
1969, 572 |
|
10 |
Углерод (сажа) |
0, 359368 |
|
11 |
Ацетилен |
16, 27822 |
|
N |
Загрязняющее вещество |
Удельное значение, кг/т |
|
1 |
Нет данных | |
|
N |
Загрязняющее вещество |
Удельное значение, т/т |
Класс опасности |
Метод обезвреживания |
|
1 |
Сажевая пульпа |
0, 072 |
4 |
Утилизация (сжигание в печи) |
|
N |
Фактор воздействия |
Единица измерения |
Значение |
|
1 |
Вибрация |
дБ |
97 |
|
N |
Наименование энергетического ресурса |
Единица измерения |
Значение |
|
1 |
Электроэнергия |
тыс. кВт |
2, 43 |
Текущие уровни выбросов в атмосферу, сбросов, отходов, физических воздействий, а также энергопотребления при производстве винилацетата представлены в таблицах 3.96-3.100.
|
N |
Загрязняющее вещество |
Удельное значение, кг/т |
|
1 |
Винилацетат |
0, 174212337 |
|
2 |
Ацетальдегид |
0, 023095252 |
|
3 |
Кислота уксусная |
0, 062727846 |
|
4 |
Азота диоксид |
0, 537468188 |
|
5 |
Азота оксид |
0, 087338551 |
|
6 |
Метан |
0, 111972536 |
|
7 |
Сероводород |
5, 50725•10-8 |
|
8 |
Серы диоксид |
0, 000191295 |
|
9 |
Углерода оксид |
4, 478901739 |
|
10 |
Углерода диоксид |
1174, 761 |
|
N |
Загрязняющее вещество |
Удельное значение, кг/т |
|
1 |
Цинк |
0, 080652174 |
|
N |
Загрязняющее вещество |
Удельное значение, т/т |
Класс опасности |
Метод обезвреживания |
|
1 |
Кубовые остатки производства винилацетата |
0, 127 |
2 |
Утилизация (сжигание в печи) |
|
2 |
Катализатор синтеза винилацетата на основе активированного угля, содержащий ацетат цинка, отработанный |
0, 021 |
3 |
Размещение (захоронение) |
|
N |
Фактор воздействия |
Единица измерения |
Значение |
|
1 |
Шум |
дБА |
102 |
|
2 |
Вибрация |
дБ |
67 |
|
N |
Наименование энергетического ресурса |
Единица измерения |
Значение |
|
1 |
Холод (раствор поташа) |
Гкал/на 1 т готовой продукции |
0, 5747 |
|
2 |
Пар 10 атм средний |
Гкал/на 1 т готовой продукции |
2, 37995 |
|
3 |
Пар 20 атм средний |
Гкал/на 1 т готовой продукции |
0, 5412 |
|
4 |
Конденсат паровой (потребленный) |
т/на 1 т готовой продукции |
0, 18 |
|
Конденсат паровой (возвратный) |
т/на 1 т готовой продукции |
3, 96763 | |
|
Вода оборотная |
тыс.м3/на 1 т готовой продукции |
0, 281 | |
|
Электроэнергия |
тыс.кВт•ч /на 1 т готовой продукции |
0, 175 |
Текущие уровни выбросов в атмосферу, сбросов, отходов, физических воздействий, а также энергопотребления при производстве метилацетата представлены в таблицах 3.101-3.105.
|
N |
Загрязняющее вещество |
Удельное значение, кг/т |
|
1 |
Спирт метиловый |
0, 00240897 |
|
2 |
Метилацетат |
0, 0218494 |
|
N |
Загрязняющее вещество |
Удельное значение, кг/т |
|
1 |
Нет данных | |
|
N |
Загрязняющее вещество |
Удельное значение, т/т |
Класс опасности |
Метод обезвреживания |
|
1 |
Нет данных | |||
|
N |
Фактор воздействия |
Единица измерения |
Значение |
|
1 |
Шум |
дБА |
87 |
|
2 |
Вибрация |
дБ |
71 |
|
N |
Наименование энергетического ресурса |
Единица измерения |
Значение |
|
1 |
Пар 10 атм средний |
Гкал |
0, 46 |
|
2 |
Конденсат паровой ПВС Э/Р |
т |
0, 12 |
|
3 |
Вода оборотная |
тыс. м3 |
0, 07 |
|
4 |
Электроэнергия |
тыс.кВт•ч |
0, 04 |
|
5 |
Холод (раствор поташа) |
Гкал |
0, 01 |
Текущие уровни выбросов в атмосферу, сбросов, отходов, физических воздействий, а также энергопотребления при производстве метанола представлены в таблицах 3.106-3.110.
|
N |
Загрязняющее вещество |
Удельное значение, кг/т |
|
1 |
Метан |
0, 23917 |
|
2 |
Углерода оксид |
0, 787505 |
|
3 |
Спирт метиловый |
0, 242792 |
|
4 |
Летучие органические соединения |
0, 119011 |
|
N |
Загрязняющее вещество |
Удельное значение, кг/т |
|
1 |
Нет данных | |
|
N |
Загрязняющее вещество |
Удельное значение, т/т |
Класс опасности |
Метод обезвреживания |
|
1 |
Катализатор цинк-медный отработанный |
0, 0011 |
3 |
Передача специализированной организации на утилизацию |
|
2 |
Отходы ректификации метанола в виде твердых парафинов при производстве спирта метилового |
0, 0004 |
2 |
Размещение (захоронение) |
|
3 |
Ионообменные смолы, содержащие не более 0, 45 % аминосоединений, отработанные при очистке метанола в производстве метилового спирта |
0, 00013 |
4 |
Размещение (захоронение) |
|
4 |
Уголь активированный, отработанный при осушке воздуха и газов, не загрязненный опасными веществами |
0, 00017 |
5 |
Размещение (захоронение) |
|
N |
Фактор воздействия |
Единица измерения |
Значение |
|
1 |
Шум |
дБА |
85 |
|
2 |
Вибрация |
дБ |
84 |
|
N |
Наименование энергетического ресурса |
Единица измерения |
Значение |
|
1 |
Пар 10 атм средний |
Гкал |
0, 41000 |
|
2 |
Конденсат паровой ПВС Э/Р |
т |
0, 46 |
|
3 |
Вода оборотная |
тыс. м3 |
0, 09700 |
|
4 |
Вода частично обессоленная с использованием конденсата |
м3 |
0, 30000 |
|
Электроэнергия |
тыс.кВт•ч |
0, 50 |
Текущие уровни выбросов в атмосферу, сбросов, отходов, физических воздействий, а также энергопотребления при производстве бутанола представлены в таблицах 3.111-3.115.
|
N |
Загрязняющее вещество |
Удельное значение, кг/т |
|
1 |
Спирт бутиловый |
0, 515757 |
|
2 |
Ацетальдегид |
0, 526849 |
|
3 |
Кислота уксусная |
0, 075264 |
|
N |
Загрязняющее вещество |
Удельное значение, кг/т |
|
1 |
Нет данных | |
|
N |
Загрязняющее вещество |
Удельное значение, т/т |
Класс опасности |
Метод обезвреживания |
|
1 |
Катализатор никельхромовый отработанный |
0, 00086 |
2 |
Утилизация (использование) |
|
2 |
Катализатор на основе оксида меди с содержанием хрома менее 15, 0 % отработанный |
0, 00184 |
2 |
Утилизация (использование) |
|
3 |
Жидкие отходы азеотропной осушки н-бутилового спирта (бутанола) при производстве н-бутилового спирта на основе ацетальдегида, содержащие легкокипящие углеводороды |
0, 03067 |
3 |
Термическое обезвреживание |
|
4 |
Отходы производства н-бутилового спирта (бутанола) на основе ацетальдегида, содержащие конденсированные высококипящие углеводороды |
0, 06998 |
3 |
Термическое обезвреживание |
|
N |
Фактор воздействия |
Единица измерения |
Значение |
|
1 |
Шум |
дБА |
89 |
|
2 |
Вибрация |
дБ |
90 |
|
N |
Наименование энергетического ресурса |
Единица измерения |
Значение |
|
1 |
Водород |
тыс. м3 |
1, 43 |
|
2 |
Азот компримированный г/о |
тыс. м3 |
0, 036 |
|
3 |
Холод (захоложенная вода) |
Гкал |
0, 485 |
|
4 |
Пар 10 атм средний |
Гкал |
4, 05 |
|
5 |
Конденсат паровой ПВС Э/Р |
т |
3, 74 |
|
6 |
Электроэнергия |
тыс.кВт•ч |
0, 08 |
Текущие уровни выбросов в атмосферу, сбросов, отходов, физических воздействий, а также энергопотребления при производстве поливинилового спирта представлены в таблицах 3.116-3.120.
|
N |
Загрязняющее вещество |
Удельное значение, кг/т |
|
1 |
Спирт метиловый |
221, 0749 |
|
2 |
Винилацетат |
48, 5254 |
|
3 |
Метилацетат |
20, 1875 |
|
4 |
Ацетальдегид |
0, 719436 |
|
5 |
Кислота уксусная |
2, 28697 |
|
6 |
Бензин (нефтяной, малосернистый в пересчете на углерод) |
7, 532023 |
|
7 |
Поли(этандиол) (поливиниловый спирт) |
6, 309604 |
|
N |
Загрязняющее вещество |
Удельное значение, кг/т |
|
1 |
Нет данных | |
|
N |
Загрязняющее вещество |
Удельное значение, т/т |
Класс опасности |
Метод обезвреживания |
|
1 |
Жидкие органические отходы регенерации сырья в производстве поливинилового спирта |
1, 18 |
3 |
Сжигание на установке термического обезвреживания (УТО) |
|
2 |
Ткань фильтровальная из разнородных материалов, загрязненная пылью поливинилового спирта |
0, 0039 |
4 |
Размещение (захоронение) |
|
3 |
Отходы зачистки оборудования производства поливинилового спирта |
0, 118 |
4 |
Сжигание в циклонной печи |
|
4 |
Уголь активированный отработанный, загрязненный негалогенированными органическими веществами (содержание менее 15 %) |
0, 0095 |
4 |
Размещение (захоронение) |
|
N |
Фактор воздействия |
Единица измерения |
Значение |
|
1 |
Шум |
дБА |
80 |
|
2 |
Вибрация |
дБ |
79 |
|
N |
Наименование энергетического ресурса |
Единица измерения |
Значение |
|
1 |
Пар 10 атм средний |
Гкал |
47 |
|
2 |
Конденсат паровой |
т |
7, 5 |
|
3 |
Вода оборотная |
тыс. м3 |
6 |
|
4 |
Вода обессоленная |
м3 |
17 |
|
5 |
Электроэнергия |
тыс.кВт•ч |
1, 32 |
|
6 |
Холод (раствор поташа) |
Гкал |
1 |
Текущие уровни выбросов в атмосферу, сбросов, отходов, физических воздействий, а также энергопотребления при производстве уксусной кислоты представлены в таблицах 3.121-3.125.
|
N |
Загрязняющее вещество |
Удельное значение, кг/т |
|
1 |
Азота диоксид |
0, 3570 |
|
2 |
Азота оксид |
0, 0067 |
|
3 |
Метан |
0, 0086 |
|
4 |
Сероводород |
0, 000000022 |
|
5 |
Серная кислота |
0, 000049 |
|
6 |
Серы диоксид |
0, 0005 |
|
7 |
Углерода оксид |
0, 5534 |
|
9 |
Спирт метиловый |
0, 0008 |
|
10 |
Кислота уксусная |
0, 0526 |
|
11 |
Диоксида углерод |
36, 853 |
|
N |
Загрязняющее вещество |
Удельное значение, кг/т |
|
1 |
Нет данных | |
|
N |
Загрязняющее вещество |
Удельное значение, кг/т |
Класс опасности |
Метод обезвреживания |
|
1 |
Катализатор на основе оксида алюминия с содержанием оксида никеля не более 11, 0 % отработанный |
0, 017143 |
3 |
Передача специализированной организации на утилизацию |
|
2 |
Катализатор на основе оксида алюминия кобальт-молибденовый отработанный |
0, 034286 |
3 |
Передача специализированной организации на утилизацию |
|
3 |
Сорбент на основе оксида цинка отработанный |
0, 317143 |
3 |
Передача специализированной организации на утилизацию |
|
4 |
Уголь активированный отработанный, загрязненный негалогенированными органическими веществами (содержание менее 15 %) |
0, 047 |
4 |
Размещение (захоронение) |
|
N |
Фактор воздействия |
Единица измерения |
Значение |
|
1 |
Шум |
дБА |
102 |
|
2 |
Вибрация |
дБ |
76 |
|
N |
Наименование энергетического ресурса |
Единица измерения |
Значение |
|
1 |
Пар 10 атм |
Гкал |
0, 3 |
|
2 |
Пар 20 атм |
Гкал |
1, 7 |
|
3 |
Конденсат паровой |
т |
2, 05 |
|
4 |
Вода частично обессоленная |
м3 |
0, 10033 |
|
5 |
Вода промышленная |
тыс. м3 |
0, 01 |
|
6 |
Холод |
Гкал |
0, 03600 |
|
7 |
Электроэнергия |
тыс.кВт•ч |
0, 43425 |
Текущие уровни выбросов в атмосферу, сбросов, отходов, физических воздействий, а также энергопотребления при производстве меламина представлены в таблицах 3.126-3.130.
|
N |
Загрязняющее вещество |
Удельное значение, кг/т |
|
1 |
Азота диоксид |
2, 053 |
|
2 |
Азота оксид |
0, 307 |
|
3 |
Аммиак |
0, 782054 |
|
4 |
Углерода оксид |
0, 273 |
|
5 |
Карбамид (мочевина, диамид угольной кислоты) |
0, 000017 |
|
6 |
2, 4, 6-Триамино-1, 3, 5-триазин (меламин, циануртриамид) |
0, 101042 |
|
N |
Загрязняющее вещество |
Удельное значение, кг/т |
|
1 |
Аммоний-ион |
0, 132295 |
|
2 |
2, 4, 6-Триамино-1, 3, 5-триазин (меламин, циануртриамид) |
0, 215335 |
|
N |
Загрязняющее вещество |
Удельное значение, т/т |
Класс опасности |
Метод обезвреживания |
|
1 |
Отходы солевых теплоносителей в виде нитрит-нитратных смесей |
0, 005454 |
3 |
Размещение (захоронение) |
|
2 |
Катализатор алюмосиликатный производства меламина отработанный |
0, 016363 |
4 |
Размещение (захоронение) |
|
3 |
Тара из разнородных полимерных материалов загрязненная меламином |
0, 000132 |
4 |
Размещение (захоронение) |
|
N |
Фактор воздействия |
Единица измерения |
Значение |
|
1 |
Шум |
дБА |
83 |
|
2 |
Вибрация |
дБ |
87 |
|
N |
Наименование энергетического ресурса |
Единица измерения |
Значение |
|
1 |
Пар 30 атм средний |
Гкал |
0, 6 |
|
2 |
Пар 20 атм средний |
Гкал |
1, 65 |
|
3 |
Пар 10 атм средний |
Гкал |
0, 19 |
|
4 |
Конденсат паровой |
т |
1, 49 |
|
5 |
Электроэнергия |
тыс.кВт•ч |
0, 89 |
|
6 |
Газ природный |
тыс. м3 |
0, 38 |
Текущие уровни выбросов в атмосферу, сбросов, отходов, физических воздействий, а также энергопотребления при производстве терефталоилхлорида представлены в таблицах 3.131-3.135.
|
N |
Загрязняющее вещество |
Удельное значение, кг/т |
|
1 |
Хлор |
0, 001 |
|
2 |
Хлористый водород |
0, 01 |
|
3 |
Диметилбензол (ксилол) (смесь мета-, орто- и параизомеров) |
0, 25 |
|
4 |
Тетрахлорметан |
5, 0 |
|
N |
Загрязняющее вещество |
Удельное значение, кг/т |
|
1 |
Железо |
0, 23 |
|
2 |
Сульфат-анион (сульфаты) |
25 |
|
3 |
Хлороформ (трихлорметан) |
2, 23 |
|
4 |
Хлорид-анион (хлориды) |
352, 5 |
|
N |
Загрязняющее вещество |
Удельное значение, т/т |
Класс опасности |
Метод обезвреживания |
|
1 |
Осмолы |
0, 033101 |
- |
Высокотемпературное термическое обезвреживание |
|
2 |
Отработанное масло |
0, 010453 |
- |
Высокотемпературное термическое обезвреживание |
|
3 |
Хлорорганика |
0, 019512 |
- |
Высокотемпературное термическое обезвреживание |
|
N |
Фактор воздействия |
Значение |
|
1 |
Данные не представлены | |
|
N |
Наименование энергетического ресурса |
Единица измерения |
Значение |
|
1 |
Данные не представлены | ||
Технология 1
Текущие уровни выбросов в атмосферу, сбросов, отходов, физических воздействий, а также энергопотребления при производстве простых полиэфиров по технологии 1 представлены в таблицах 3.136-3.140.
|
N |
Загрязняющее вещество |
Удельное значение, кг/т |
|
1 |
Взвешенные вещества |
0, 00019 |
|
2 |
Пыль неорганическая |
0, 00017 |
|
3 |
Серная кислота |
0, 0000009 |
|
Углеводороды предельные С6 - С10 |
0, 232 | |
|
Ацетальдегид |
0, 0028 | |
|
Пропилена окись |
0, 917 | |
|
Этилена окись |
0, 07 | |
|
Этиленгликоль |
0, 056 | |
|
Натрий гидроксид |
0, 000005 | |
|
Глицерин |
0, 028 | |
|
Этилендиамин |
0, 032 |
|
N |
Загрязняющее вещество |
Удельное значение (кг/т) |
|
1 |
ХПК |
7, 23 |
|
N |
Загрязняющее вещество |
Удельное значение, т/т |
Класс опасности |
Метод обезвреживания |
|
1 |
Осадок бентонита с солями калия |
0, 00124 |
4 |
размещение (захоронение) |
|
2 |
Бельтинг, загрязненный полиэфиром |
0, 00081 |
4 |
размещение (захоронение) |
|
3 |
Отработанный абсорбент гликолевый водный |
0, 0227 |
3 |
Утилизация (сжигание в печи) или отгрузка потребителю |
|
N |
Фактор воздействия |
Значение |
|
1 |
Шум |
До 78 дБ |
|
N |
Наименование энергетического ресурса |
Единица измерения |
Значение |
|
1 |
Электроэнергия |
кВт•ч/т |
76, 646 |
|
2 |
Теплоэнергия |
Гкал/т |
0, 237 |
|
3 |
Холод |
Гкал/т |
0, 122 |
|
4 |
Оборотная вода |
м3/т |
72 |
Технология 2
Текущие уровни выбросов в атмосферу, сбросов, отходов, физических воздействий, а также энергопотребления при производстве простых полиэфиров по технологии 2 представлены в таблицах 3.141-3.145.
|
N |
Загрязняющее вещество |
Удельное значение, кг/т |
|
1 |
Окись этилена |
0, 141 |
|
2 |
Окись пропилена |
0, 362 |
|
3 |
Этиленгликоль |
0, 060 |
|
4 |
Натрия гидроокись |
0, 002 |
|
N |
Загрязняющее вещество |
Удельное значение, кг/т |
|
1 |
Нет данных | |
|
N |
Загрязняющее вещество |
Удельное значение, кг/т |
Класс опасности |
Метод обезвреживания |
|
1 |
Отработанный абсорбент гликолевый водный |
22, 69 |
3 |
Утилизация (сжигание в печи) |
|
N |
Фактор воздействия |
Единица измерения |
Значение |
|
1 |
Данные не представлены | ||
|
N |
Наименование энергетического ресурса |
Единица измерения |
Значение |
|
1 |
Электроэнергия |
кВт•ч/т |
27 |
|
2 |
Теплоэнергия |
Гкал/т |
0, 278 |
|
3 |
Оборотная вода |
м3/т |
22 |
Текущие уровни выбросов в атмосферу, сбросов, отходов, физических воздействий, а также энергопотребления при производстве противоизносных присадок для дизельного топлива представлены в таблицах 3.146-3.150.
|
N |
Загрязняющее вещество |
Удельное значение, кг/т |
|
1 |
Углеводороды предельные С12 - С16 |
0, 021 |
|
N |
Загрязняющее вещество |
Удельное значение, кг/т |
|
1 |
Аммоний-ион |
0, 040 |
|
2 |
Нефтепродукты |
0, 005 |
|
N |
Загрязняющее вещество |
Удельное значение, т/т |
Класс опасности |
Метод обезвреживания |
|
1 |
Данные не представлены | |||
|
N |
Фактор воздействия |
Значение |
|
1 |
Данные не представлены | |
|
N |
Наименование энергетического ресурса |
Единица измерения |
Значение |
|
1 |
Электроэнергия |
тыс.кВт•ч/т |
0, 02 |
|
2 |
Вода промышленная |
м3/т |
1 |
|
3 |
Пар 4, 5 кгс/см2 |
Гкал/т |
2 |
Текущие уровни выбросов в атмосферу, сбросов, отходов, физических воздействий, а также энергопотребления при производстве депрессорных присадок представлены в таблицах 3.151-3.152.
|
N |
Загрязняющее вещество |
Удельное значение, кг/т |
|
1 |
Углеводороды предельные С6 - С10 |
0, 005 |
|
N |
Загрязняющее вещество |
Удельное значение, кг/т |
|
1 |
Нефтепродукты |
0, 032 |
|
2 |
Аммоний-ион |
0, 210 |
|
N |
Загрязняющее вещество |
Удельное значение, т/т |
Класс опасности |
Метод обезвреживания |
|
1 |
Отходы гидроксида натрия с pH более 11, 5 |
0, 26 |
2 |
Утилизация сторонней организацией |
|
N |
Фактор воздействия |
Значение |
|
1 |
Данные не представлены | |
|
N |
Наименование энергетического ресурса |
Единица измерения |
Значение |
|
1 |
Электроэнергия |
тыс.кВт•ч/т |
0, 42 |
|
2 |
Пар 20 кгс/см2 |
Гкал/т |
12 |
|
3 |
Вода промышленная |
м3/т |
44 |
Текущие уровни выбросов в атмосферу, сбросов, отходов, физических воздействий, а также энергопотребления при производстве хлороформа представлены в таблицах 3.156-3.160.
|
N |
Загрязняющее вещество |
Удельное значение, кг/т |
|
1 |
Трихлорметан (хлороформ) |
2, 11 |
|
N |
Загрязняющее вещество |
Удельное значение, кг/т |
|
1 |
Отсутствуют | |
|
N |
Загрязняющее вещество |
Удельное значение, т/т |
Класс опасности |
Метод обезвреживания |
|
1 |
Уголь активированный отработанный, загрязненный негалогенированными органическими веществами (содержание менее 15 %) |
0, 0003 |
4 |
Размещение на полигоне 4-5 класса опасности |
|
N |
Фактор воздействия |
Единица измерения |
Значение |
|
1 |
Данные не представлены | ||
|
N |
Наименование энергетического ресурса |
Единица измерения |
Значение |
|
1 |
Электроэнергия |
кВт•ч |
825 |
|
2 |
Горячая вода |
Гкал |
0, 05 |
|
3 |
Вода производственная |
т |
4, 92 |
|
4 |
Сжатый воздух |
т |
0, 7 |
|
5 |
Греющий пар |
Гкал |
2, 5 |
|
6 |
Азот 8 кгс/см2 |
Нм3 |
60 |
|
7 |
Азот 40 кгс/см2 |
Нм3 |
15 |
Текущие уровни выбросов в атмосферу, сбросов, отходов, физических воздействий, а также энергопотребления при производстве хладонов и мономеров на их основе представлены в таблицах 3.161-3.165.
|
N |
Загрязняющее вещество |
Удельное значение, кг/т |
|
Производство хладонов
| ||
|
1 |
Хладон-22 |
7, 32 |
|
2 |
Хладон-113 |
45, 18 |
|
Производство мономеров
| ||
|
3 |
1, 2-дифторэтилен |
0, 001 |
|
4 |
1, 1, 2-трифтор-2-хлорэтилен |
1, 05 |
|
5 |
Хлориды газообразные в перерасчете на HCl |
0, 106 |
|
6 |
Фториды газообразные в перерасчете на HF |
0, 016 |
|
7 |
Тетрафторэтилен |
11, 6 |
|
N |
Загрязняющее вещество |
Удельное значение, кг/т |
|
Производство хладонов
| ||
|
1 |
Хлорид-анион |
0, 101 |
|
2 |
Фторид-анион |
0, 017 |
|
Производство мономеров
| ||
|
3 |
Хлорид-анион |
0, 047 |
|
4 |
Фторид-анион |
0, 108 |
|
N |
Загрязняющее вещество |
Удельное значение, т/т |
Класс опасности |
Метод обезвреживания |
|
Производство хладонов
| ||||
|
1 |
Отходы солей натрия при ликвидации проливов органических и неорганических кислот |
0, 727 |
3 |
Размещение на полигоне 4-5 класса опасности |
|
Производство мономеров
| ||||
|
3 |
Катализатор на основе оксида цинка отработанный |
1, 178 |
3 |
Размещение на полигоне 4-5 класса опасности |
|
N |
Фактор воздействия |
Единица измерения |
Значение |
|
1 |
Данные не представлены | ||
|
N |
Наименование энергетического ресурса |
Единица измерения |
Значение |
|
Производство хладонов
| |||
|
1 |
Электроэнергия |
квтч |
113, 38 |
|
2 |
Пар |
Гкал |
2, 7 |
|
3 |
Вода производственная |
м3 |
167, 2 |
|
4 |
Холод (-15 °C) |
Гкал |
1, 19 |
|
5 |
Холод (-40 °C) |
Гкал |
0, 54 |
|
6 |
Азот |
м3 |
74 |
|
Производство мономеров: Термическое разложение хладона-142 в, хладона-22, с последующей очисткой от кислых примесей, компримированием, осушкой, концентрированием, конденсацией и ректификацией пиролизата. | |||
|
7 |
Электроэнергия |
квтч |
3033, 4 |
|
8 |
Пар |
Гкал |
4 |
|
9 |
Вода производственная |
м3 |
1082, 81 |
|
10 |
Холод (-15 °C) |
Гкал |
0, 6 |
|
11 |
Холод (-40 °C) |
Гкал |
1, 8 |
|
Производство мономеров: Дегалоидирование 1, 1, 2-трифторхлорэтана цинковым порошком в водной среде при постоянном перемешивании | |||
|
12 |
Электроэнергия |
квтч |
136, 92 |
|
13 |
Пар |
Гкал |
1, 98 |
|
14 |
Вода производственная |
м3 |
772, 1 |
|
15 |
Холод (-15 °C) |
Гкал |
0, 6 |
|
16 |
Холод (-40 °C) |
Гкал |
0, 34 |
Текущие уровни выбросов в атмосферу, сбросов, отходов, физических воздействий, а также энергопотребления при производстве синтанолов представлены в таблицах 3.166-3.170.
|
N |
Загрязняющее вещество |
Удельное значение, кг/т |
|
1 |
Спирты |
0, 02 |
|
2 |
Оксид этилена |
0, 005 |
|
3 |
Оксид пропилена |
0, 4 |
|
4 |
Синтанол |
0, 017 |
|
5 |
Уксусная кислота |
0, 022 |
|
6 |
Натрия гидроксид |
0, 002 |
|
7 |
Полиоксиэтиленгликолевые эфиры высших жирных спиртов (препарат ОС-20) |
0, 6 |
|
8 |
Натрия карбонат |
0, 14* |
|
9 |
Натрия сульфат |
0, 11* |
|
10 |
Азота диоксид |
0, 08* |
|
11 |
Азота оксид |
0, 01* |
|
12 |
Углерода оксид |
0, 2* |
|
* - удельное значение на тонну суммарной товарной продукции производств ПАВ | ||
|
N |
Загрязняющее вещество |
Удельное значение, кг/т |
|
1 |
Органические соединения (на установку обезвреживания) |
17, 5* |
|
2 |
Неорганические соли (на установку обезвреживания) |
2, 6* |
|
* - удельное значение на тонну суммарной товарной продукции производств ПАВ | ||
|
N |
Загрязняющее вещество |
Удельное значение, т/т |
Класс опасности |
Метод обезвреживания |
|
1 |
Данные не представлены | |||
|
N |
Фактор воздействия |
Значение |
|
1 |
Данные не представлены | |
|
N |
Наименование энергетического ресурса |
Единица измерения |
Значение |
|
1 |
Электроэнергия |
кВт•ч/т |
144, 8 |
|
2 |
Теплоэнергия (пар) |
Гкал/т |
0, 5* |
|
3 |
Оборотная вода |
м3/т |
5, 2* |
|
4 |
Природный газ |
м3/т |
21, 4* |
|
* - удельное значение на тонну суммарной товарной продукции производств ПАВ | |||
Текущие уровни выбросов в атмосферу, сбросов, отходов, физических воздействий, а также энергопотребления при производстве сульфированных продуктов представлены в таблицах 3.171-3.175.
|
N |
Загрязняющее вещество |
Удельное значение, кг/т |
|
1 |
Спирты |
0, 2 |
|
2 |
Синтанолы |
0, 017 |
|
3 |
Линейный алкилбензол |
0, 3 |
|
4 |
Алкилсульфат |
0, 19 |
|
5 |
Сульфоэтоксилаты |
0, 04 |
|
6 |
Линейная алкилбензолсульфокислота |
0, 5 |
|
7 |
Сернистый ангидрид |
0, 14 |
|
8 |
Серный ангидрид |
0, 1 |
|
9 |
Сера |
0, 02 |
|
10 |
Натрия карбонат |
0, 14* |
|
11 |
Натрия сульфат |
0, 11* |
|
12 |
Азота диоксид |
0, 08* |
|
13 |
Азота оксид |
0, 01* |
|
14 |
Углерода оксид |
0, 2* |
|
* - удельное значение на тонну суммарной товарной продукции производств ПАВ | ||
|
N |
Загрязняющее вещество |
Удельное значение, кг/т |
|
1 |
Органические соединения (на установку обезвреживания) |
17, 5* |
|
2 |
Неорганические соли (на установку обезвреживания) |
2, 6* |
|
* - удельное значение на тонну суммарной товарной продукции производств ПАВ | ||
|
N |
Загрязняющее вещество |
Удельное значение, кг/т |
Класс опасности |
Метод обезвреживания |
|
1 |
Силикагель, отработанный при осушке воздуха и газов, не загрязненный опасными веществами |
0, 04 |
5 |
Размещение (захоронение) |
|
N |
Фактор воздействия |
Значение |
|
1 |
Данные не представлены | |
|
N |
Наименование энергетического ресурса |
Единица измерения |
Значение |
|
1 |
Электроэнергия |
кВт•ч/т |
240 |
|
2 |
Теплоэнергия (пар) |
Гкал/т |
0, 5* |
|
3 |
Оборотная вода |
м3/т |
5, 2* |
|
4 |
Природный газ |
м3/т |
21, 4* |
|
* - удельное значение на тонну суммарной товарной продукции производств ПАВ | |||
Текущие уровни выбросов в атмосферу, сбросов, отходов, физических воздействий, а также энергопотребления при совместном производстве полиэтиленгликолей и метоксиполиэтиленгликолей представлены в таблицах 3.176-3.180.
|
N |
Загрязняющее вещество |
Удельное значение, кг/т |
|
1 |
Диэтиленгликоль |
0, 1 |
|
2 |
Оксид этилена |
0, 005 |
|
3 |
Оксид пропилена |
0, 4 |
|
4 |
ПЭГ-400 |
0, 08 |
|
5 |
Уксусная кислота |
0, 022 |
|
6 |
Натрия гидроксид |
0, 002 |
|
7 |
Метилцеллозольв |
0, 03 |
|
8 |
Метанол |
0, 03 |
|
9 |
ПЭГ-6000 |
0, 11 |
|
10 |
Натрия карбонат |
0, 14* |
|
11 |
Натрия сульфат |
0, 11* |
|
12 |
Азота диоксид |
0, 08* |
|
13 |
Азота оксид |
0, 01* |
|
14 |
Углерода оксид |
0, 2* |
|
* - удельное значение на тонну суммарной товарной продукции производств ПАВ | ||
|
N |
Загрязняющее вещество |
Удельное значение, кг/т |
|
1 |
Органические соединения (на установку обезвреживания) |
17, 5* |
|
2 |
Неорганические соли (на установку обезвреживания) |
2, 6* |
|
* - удельное значение на тонну суммарной товарной продукции производств ПАВ | ||
|
N |
Загрязняющее вещество |
Удельное значение, т/т |
Класс опасности |
Метод обезвреживания |
|
1 |
Данные не представлены | |||
|
N |
Фактор воздействия |
Значение |
|
1 |
Данные не представлены | |
|
N |
Наименование энергетического ресурса |
Единица измерения |
Значение |
|
1 |
Электроэнергия |
кВт•ч/т |
144, 8 |
|
2 |
Теплоэнергия (пар) |
Гкал/т |
0, 5* |
|
3 |
Оборотная вода |
м3/т |
5, 2* |
|
4 |
Природный газ |
м3/т |
21, 4* |
|
* - удельное значение на тонну суммарной товарной продукции производств ПАВ | |||
Процедура определения НДТ производства продукции тонкого органического синтеза организована Бюро НДТ и ТРГ 31 "Производство продукции тонкого органического синтеза" в соответствии с пунктом 6 статьи 28.1 Федерального закона Российской Федерации от 10 января 2002 N 7-ФЗ "Об охране окружающей среды" [8], "Методическими рекомендациями по определению технологии в качестве наилучшей доступной", утвержденными приказом Министерства промышленности и торговли Российской Федерации от 31 марта 2015 N 665 [9], для областей применения НДТ, установленных распоряжением Правительства Российской Федерации от 24 декабря 2014 N 2674-р "Перечень областей применения наилучших доступных технологий" [10].
При определении технологических процессов, оборудования, технических способов, методов в качестве наилучшей доступной технологии члены ТРГ 31 согласно "Методическим рекомендациям по определению технологии в качестве наилучшей доступной" [9] рассматривали их соответствие следующим критериям:
- наименьший уровень негативного воздействия на окружающую среду (определенный по значениям таких факторов, как выбросы, сбросы загрязняющих веществ и образования отходов, в расчете на единицу производимой продукции);
- применение ресурсо- и энергосберегающих методов и достижение высоких показателей ресурсоэффективности (прежде всего энергоэффективности) производства, определенных по потреблению энергии в расчете на единицу произведенной продукции;
- промышленное внедрение технологических процессов, оборудования, технических способов, методов на двух и более предприятиях по производству продукции тонкого органического синтеза в Российской Федерации (установленное по результатам дискуссии с практиками, а также обработки анкет, поступивших от предприятий);
- период внедрения (в том числе необходимость полной реконструкции предприятия, возможность последовательного улучшения показателей ресурсоэффективности и экологической результативности путем внедрения технических усовершенствований и процедур в рамках систем энергетического и экологического менеджмента).
Вопросы экономической эффективности были рассмотрены только в тех случаях, когда членам ТРГ 31 удалось получить надежные данные от отечественных предприятий, внедривших конкретные технологические, технические и управленческие решения, позволяющие достичь высокого уровня защиты окружающей среды и ресурсоэффективности производства.

Рисунок 4.1 - Порядок отнесения технологии к НДТ
В соответствии с изложенным выше и пунктом 7 "Методических рекомендаций по определению технологии в качестве наилучшей доступной" [9] порядок отнесения технологии к НДТ в соответствии с предложенными критериями схематично может быть представлен как на рисунке 4.1.
В соответствии с представленной схемой проведен анализ действующих производств продукции тонкого органического синтеза в Российской Федерации. На сегодняшний день технологические процессы, оборудование, технических способы и методы, применяемые для производства большинства продуктов, относящихся к тонкому органическому синтезу, представлены в нашей стране в единственном виде на одном объекте. Однако исходя из определения продукции тонкого органического синтеза и отнесения данных производств к сегменту малотоннажной химии, отсутствие применимости технологических решений на двух или более объектах является закономерным. В соответствии с Концепцией Плана мероприятий по развитию производства малотоннажной химии в Российской Федерации на период до 2030 г. [11] малотоннажная химическая продукция - это, в первую очередь, потребительские решения, а не однотипные биржевые продукты. Критерий промышленного внедрения на 2 и более объектах по своей сути должен обезопасить производителей продукции от внедрения на их площадках единичных решений, не имеющих на текущий момент подтвержденного эффекта снижения негативного воздействия на окружающую среду и достижения высоких показателей энерго- и ресурсоэффективности. Поэтому, с учетом специфики производств, данный критерий не может быть основополагающим при определении НДТ производства продукции тонкого органического синтеза.
Картина загрязнения окружающей среды от производств продукции тонкого органического синтеза сформирована на основании анкет, предоставленных предприятиями-производителями. Раздел 3 содержит таблицы загрязняющих веществ, типичных для каждого отдельно взятого производства. По результатам анализа технологических процессов и информации, содержащейся в анкетах, были определены маркерные вещества, характерные для каждого производства. Отходы производств в большинстве случаев могут быть утилизированы путем сжигания. Критерий выбора НДТ - наименьшие уровни воздействия на окружающую среду в расчете на массу (объем) переработанного сырья или выпускаемой продукции - предусматривает необходимость учета лучших удельных экологических показателей, которые могут быть достигнуты в производственном процессе на момент оценки.
Для определения технологических показателей (параметров НДТ) необходимо обеспечить значительный охват предприятий отрасли. Для различных производств доля предприятий, представительность исходных данных и сроки их предоставления варьировались в широких пределах: от отрывочных численных значений до исчерпывающего описания - качественного и количественного, а также активного участия специалистов предприятий в процессе определения НДТ. В связи с этим, в качестве источников информации о технологических показателях при определении НДТ использованы как сведения, полученные от российских производителей, так и материалы из открытых источников информации.
Как было отмечено выше, вопросы экономической эффективности рассматривались только в том случае, когда были получены надежные данные от предприятий-производителей, внедривших конкретные технологические, технические и управленческие решения. В контексте определения НДТ использование подхода экономической эффективности не является исчерпывающим. Однако ранжирование вариантов НДТ по мере возрастания экономической эффективности полезно для исключения вариантов, которые необоснованно дороги по сравнению с полученной экологической выгодой [9]. Оценка рассматриваемой технологии по критерию сроков внедрения производится с целью исключения из рассмотрения технологий, характеризующихся заведомо неприемлемыми сроками внедрения. Критерий является наиболее актуальным для технологий, рекомендуемых для проектируемого или действующего производства, находящегося на стадии модернизации.
Большинство рассматриваемых производств характеризуется высокой энергоемкостью, что обуславливает основные факторы негативного воздействия на ОС. Поэтому, при определении НДТ для отрасли, принимались во внимание значения энергопотребления, представленные в анкетах предприятиями-производителями.
Таким образом, определение НДТ для производств продукции тонкого органического синтеза осуществлялось по результатам анализа представленной информации в ходе анкетирования и с учетом сведений, полученных из открытых источников и специфики отрасли в РФ, а также в поддержку Концепции Плана мероприятий по развитию производства малотоннажной химии в Российской Федерации на период до 2030 г. [11].
Настоящий раздел содержит перечень кратких описаний НДТ, применяемых при производстве продукции тонкого органического синтеза. НДТ сгруппированы в подразделы в соответствии с целями их применения.
5.1.1 Системы экологического менеджмента
НДТ 1. Повышение экологической результативности (эффективности) путем внедрения и поддержания системы экологического менеджмента (СЭМ), соответствующей требованиям ГОСТ Р ИСО 14001 или ISO 14001, или применения инструментов СЭМ.
5.1.2 Выбросы в воздух
НДТ 2. Ограничение выбросов продуктов сгорания в атмосферный воздух путем оптимизации процесса сжигания топлива и сдувок.
НДТ 3. Сбор и использование побочных газообразных продуктов, сдувок, не находящих применения в качестве сырьевых компонентов.
НДТ 4. Повышение эффективности использования побочных продуктов.
НДТ 5. Применение электрофильтров с эффективностью очистки от пыли не менее 80 %.
НДТ 6. Применение скрубберов мокрой очистки.
НДТ 7. Применение скрубберов масляной очистки.
НДТ 8. Применение циклонов (в случае двухступенчатой очистки газов от пыли).
НДТ 9. Предотвращение или снижение неорганизованных выбросов загрязняющих веществ в воздух путем соблюдения требований технологических регламентов и режимов, а также надлежащего технического обслуживания оборудования.
НДТ 10. Мониторинг выбросов маркерных загрязняющих веществ в воздух в соответствии с установленными требованиями.
5.1.3 Оптимизация водопотребления и водоотведения
НДТ 11. Оптимизация процессов водопотребления и организация водооборотных систем.
НДТ 12. Соблюдение требований, установленных для сброса сточных вод в централизованные системы водоотведения.
НДТ 13. Обеспечение надлежащей очистки сточных вод на собственных очистных сооружениях.
НДТ 14. Сброс сточных вод в заводскую канализационную сеть с последующей очисткой на собственных центральных очистных сооружениях.
5.1.4 Отходы
НДТ 15. Оптимизация системы обращения с отходами в соответствии с установленными требованиями.
5.1.5 Потребление сырья
НДТ 16. Выбор катализаторов, обеспечивающих высокую степень конверсии исходного сырья, высокую селективность в отношении целевых продуктов и высокую стабильность во времени этих показателей.
НДТ 17. Создание промышленных установок, способных производить широкую номенклатуру продукции.
5.1.6 Энергоэффективность
НДТ 18. Разработка, внедрение и последовательное совершенствование системы энергетического менеджмента, область охвата которой определяется организацией с учетом особенностей использования энергии и приоритетных направлений повышения энергетической эффективности.
НДТ 19. Учет методов энергоэффективности, изложенных в ИТС НДТ 48.
5.2.1 Технологические показатели НДТ для производства моноалкилфенола
Технологические показатели НДТ для производства моноалкилфенола представлены в таблице 5.1.
|
N |
Показатель |
Единица измерения |
Значение |
|
Потребление энергоресурсов, не более
| |||
|
1 |
Электроэнергия |
кВт•ч/т |
75, 5 |
|
2 |
Теплоэнергия |
Гкал/т |
1, 1 |
|
3 |
Топливный газ |
тут/т |
0, 08 |
|
4 |
Оборотная вода |
м3/т |
119, 2 |
|
Загрязняющие вещества в выбросах, не более
| |||
|
5 |
Азот диоксид |
кг/т |
0, 29 |
|
6 |
Азот оксид |
кг/т |
0, 048 |
|
7 |
Серы диоксид |
кг/т |
0, 018 |
|
8 |
Фенол |
кг/т |
0, 62 |
|
9 |
Углерода оксид |
кг/т |
0, 85 |
|
Загрязняющие вещества в сбросах, не более
| |||
|
10 |
Фенол |
кг/т |
3, 6•10-4 |
5.2.2 Технологические показатели НДТ для производства α -олефинов (бутен-1, гексен-1, октен, додецен-1, децен-1, тетрадецен)
Технологические показатели НДТ для производства α -олефинов (бутен-1, гексен-1, октен, додецен-1, децен-1, тетрадецен) представлены в таблице 5.2.
|
N |
Показатель |
Единица измерения |
Значение |
|
Потребление энергоресурсов, не более
| |||
|
1 |
Электроэнергия |
кВт•ч/т |
1574 |
|
2 |
Теплоэнергия |
Гкал/т |
4, 24 |
|
3 |
Топливный газ |
тут/т |
1, 294 |
|
4 |
Оборотная вода |
м3/т |
692 |
|
Загрязняющие вещества в выбросах, не более
| |||
|
5 |
Азот диоксид |
кг/т |
5, 85 |
|
6 |
Азот оксид |
кг/т |
0, 95 |
|
7 |
Серы диоксид |
кг/т |
0, 0375 |
|
8 |
Углерода оксид |
кг/т |
11, 11 |
5.2.3 Технологические показатели НДТ для производства диизобутилалюминийгидрида (ДИБАГ)
Технологические показатели НДТ для производства диизобутилалюминийгидрида (ДИБАГ) представлены в таблице 5.3.
|
N |
Показатель |
Единица измерения |
Значение |
|
Потребление энергоресурсов, не более
| |||
|
1 |
Электроэнергия |
кВт•ч/т |
1373 |
|
Загрязняющие вещества в выбросах, не более
| |||
|
2 |
Окись углерода |
кг/т |
1, 52 |
|
3 |
Азота диоксид |
кг/т |
4, 46 |
|
4 |
Азота оксид |
кг/т |
0, 73 |
5.2.4 Технологические показатели НДТ для производства дициклопентадиена
Технологические показатели НДТ для производства дициклопентадиена представлены в таблице 5.4.
|
N |
Показатель |
Единица измерения |
Значение |
|
Потребление энергоресурсов, не более
| |||
|
1 |
Электроэнергия |
кВт•ч/т |
32, 8 |
|
2 |
Теплоэнергия |
Гкал/т |
3, 43 |
|
3 |
Холод |
Гкал/т |
0, 1 |
|
4 |
Оборотная вода |
м3/т |
160 |
|
Загрязняющие вещества в выбросах, не более
| |||
|
5 |
Углеводороды предельные С1 - С5 |
кг/т |
2, 61 |
|
Загрязняющие вещества в сбросах, не более
| |||
|
6 |
ХПК |
кг/т |
0, 09 |
5.2.5 Технологические показатели НДТ для производства неодеканоата неодима
Технологические показатели НДТ для производства неодеканоата неодима представлены в таблице 5.5.
|
N |
Показатель |
Единица измерения |
Значение |
|
Потребление энергоресурсов, не более
| |||
|
1 |
Электроэнергия |
кВт•ч/т |
209 |
|
2 |
Теплоэнергия |
Гкал/т |
6, 4 |
|
3 |
Оборотная вода |
м3/т |
500 |
|
Загрязняющие вещества в выбросах, не более
| |||
|
4 |
Углеводороды предельные С6 - С10 |
кг/т |
0, 2 |
5.2.6 Технологические показатели НДТ для производства оксиэтилированных алкилфенолов
Технологические показатели НДТ для производства оксиэтилированных алкилфенолов представлены в таблице 5.6.
|
N |
Показатель |
Единица измерения |
Значение |
|
Потребление энергоресурсов, не более
| |||
|
1 |
Электроэнергия |
кВт•ч/т |
20, 84 |
|
2 |
Теплоэнергия |
Гкал/т |
0, 213 |
|
3 |
Оборотная вода |
м3/т |
19, 7 |
|
Загрязняющие вещества в выбросах, не более
| |||
|
4 |
Азота диоксид |
кг/т |
0, 29 |
|
5 |
Азота оксид |
кг/т |
0, 048 |
|
6 |
Углерода оксид |
кг/т |
0, 85 |
5.2.7 Технологические показатели НДТ для производства очищенного гексанового растворителя
Технологические показатели НДТ для производства очищенного гексанового растворителя представлены в таблице 5.7.
|
N |
Показатель |
Единица измерения |
Значение |
|
Потребление энергоресурсов, не более
| |||
|
1 |
Электроэнергия |
кВт•ч/т |
137, 4 |
|
2 |
Теплоэнергия |
Гкал/т |
1, 32 |
|
3 |
Холод |
Гкал/т |
0, 02 |
|
4 |
Вода оборотная |
м3/т |
130 |
|
Загрязняющие вещества в выбросах, не более
| |||
|
5 |
Диоксид азота |
кг/т |
1, 005 |
|
6 |
Азота оксид |
кг/т |
0, 164 |
|
7 |
Углерода оксид |
кг/т |
1, 0 |
|
Загрязняющие вещества в сбросах, не более
| |||
|
8 |
ХПК |
кг/т |
2, 25 |
5.2.8 Технологические показатели НДТ для производства полиэтиленгликолей
Технологические показатели НДТ для производства полиэтиленгликолей представлены в таблице 5.8.
|
N |
Показатель |
Единица измерения |
Значение |
|
Потребление энергоресурсов, не более
| |||
|
1 |
Электроэнергия |
кВт•ч/т |
27 |
|
2 |
Теплоэнергия |
Гкал/т |
0, 278 |
|
3 |
Оборотная вода |
м3/т |
22 |
|
Загрязняющие вещества в выбросах, не более
| |||
|
4 |
Окись этилена |
кг/т |
0, 027 |
5.2.9 Технологические показатели НДТ для производства пропиленгликоля
Технологические показатели НДТ для производства пропиленгликоля представлены в таблице 5.9.
|
N |
Показатель |
Единица измерения |
Значение |
|
Потребление энергоресурсов, не более
| |||
|
1 |
Электроэнергия |
кВт•ч/т |
600 |
|
2 |
Теплоэнергия |
Гкал/т |
2, 58 |
|
3 |
Оборотная вода |
м3/т |
200 |
|
Загрязняющие вещества в выбросах, не более
| |||
|
4 |
Окись пропилена |
кг/т |
0, 204 |
5.2.10 Технологические показатели НДТ для производства триизобутилалюминия
Технологические показатели НДТ для производства триизобутилалюминия представлены в таблице 5.10.
|
N |
Показатель |
Единица измерения |
Значение |
|
Загрязняющие вещества в выбросах, не более
| |||
|
1 |
Азот диоксид |
кг/т |
9, 0 |
|
2 |
Азот оксид |
кг/т |
6, 0 |
|
3 |
Углерода оксид |
кг/т |
55 |
|
4 |
Углеводороды предельные С1 - С5, исключая метан |
кг/т |
52 |
|
5 |
Изобутилен |
кг/т |
41 |
|
6 |
Толуол |
кг/т |
17, 9 |
|
Загрязняющие вещества в сбросах, не более
| |||
|
7 |
Алюминий |
кг/т |
0, 02 |
|
8 |
ХПК |
кг/т |
3, 1 |
|
9 |
pH, ед |
кг/т |
6, 0-9, 0 |
|
Потребление сырьевых ресурсов
| |||
|
10 |
Изобутилен |
кг/т |
2470-2640 |
|
11 |
Толуол |
кг/т |
200-220 |
|
12 |
Порошок алюминиевый марки АСД-Т |
кг/т |
110-150 |
|
Потребление энергоресурсов
| |||
|
13 |
Электроэнергия |
кВт•ч/т |
7000-8800 |
|
14 |
Пар |
Гкал/т |
5, 5-5, 8 |
|
15 |
Оборотная вода |
м3/т |
175-215 |
5.2.11 Технологические показатели НДТ для производства тримеров и тетрамеров пропилена
Технологические показатели НДТ для производства тримеров и тетрамеров пропилена представлены в таблице 5.11.
|
N |
Показатель |
Единица измерения |
Значение |
|
Потребление энергоресурсов, не более
| |||
|
1 |
Электроэнергия |
кВт•ч/т |
81, 55 |
|
2 |
Теплоэнергия |
Гкал/т |
1, 45 |
|
3 |
Оборотная вода |
м3/т |
117, 17 |
|
4 |
Холод |
Гкал/т |
0, 139 |
|
Загрязняющие вещества в выбросах, не более
| |||
|
5 |
Азот диоксид |
кг/т |
0, 45 |
|
6 |
Азот оксид |
кг/т |
0, 073 |
|
7 |
Углерода оксид |
кг/т |
3, 68 |
5.2.12 Технологические показатели НДТ для производства триэтилалюминия
Технологические показатели НДТ для производства триэтилалюминия представлены в таблице 5.12.
|
N |
Показатель |
Единица измерения |
Значение | |
|
Загрязняющие вещества в выбросах, не более
| ||||
|
1 |
Диалюминий триоксид (в пересчете на алюминий) |
кг/т |
0, 03 | |
|
2 |
Углеводороды предельные С1 - С5 (исключая метан) |
кг/т |
0, 04 | |
|
3 |
Углеводороды предельные С6 - С10 |
кг/т |
105 | |
|
4 |
Этилен |
кг/т |
14 | |
|
5 |
Минеральное масло |
кг/т |
29 | |
|
6 |
Изобутилен |
кг/т |
30 | |
|
Загрязняющие вещества в сбросах, не более
| ||||
|
7 |
Алюминий |
кг/т |
15 | |
|
8 |
Нефтепродукты |
кг/т |
3, 4 | |
|
Потребление сырьевых ресурсов
| ||||
|
9 |
Производство ТЭА из ТИБА |
Производство ТЭА из этилена | ||
|
Изобутилен |
кг/т |
950-1020 |
0 | |
|
10 |
Порошок алюминиевый марки АСД-Т |
кг/т |
270-300 |
292 |
|
11 |
Водород |
Нм3/т |
1140-1200 |
950 |
|
12 |
Этилен |
кг/т |
1340-1500 |
1050 |
|
Потребление энергоресурсов
| ||||
|
13 |
Электроэнергия |
кВт•ч/т |
5200-5700 |
10925 |
|
14 |
Пар |
Гкал/т |
5, 2-5, 7 |
27 |
|
15 |
Оборотная вода |
м3/т |
3150-3500 |
2440 |
5.2.13 Технологические показатели НДТ для производства этилалюминийсесквихлорида
Технологические показатели НДТ для производства этилалюминийсесквихлорида представлены в таблице 5.13.
|
N |
Показатель |
Единица измерения |
Значение |
|
Потребление энергоресурсов, не более
| |||
|
1 |
Электроэнергия |
кВт•ч/т |
527 |
|
2 |
Теплоэнергия |
Гкал/т |
2, 1 |
|
Загрязняющие вещества в выбросах, не более
| |||
|
3 |
Окись углерода |
кг/т |
1, 52 |
|
4 |
Хлористый водород |
кг/т |
147, 61 |
|
5 |
Азота диоксид |
кг/т |
4, 46 |
|
6 |
Азота оксид |
кг/т |
0, 73 |
5.2.14 Технологические показатели НДТ для производства этилцеллозольва
Технологические показатели НДТ для производства этилцеллозольва представлены в таблице 5.14.
|
N |
Показатель |
Единица измерения |
Значение |
|
Потребление энергоресурсов, не более
| |||
|
1 |
Электроэнергия |
кВт•ч/т |
74, 38 |
|
2 |
Теплоэнергия |
Гкал/т |
7, 43 |
|
3 |
Холод |
Гкал/т |
0, 52 |
|
4 |
Оборотная вода |
м3/т |
496, 24 |
|
Загрязняющие вещества в выбросах, не более
| |||
|
5 |
Спирт этиловый |
кг/т |
4, 07 |
|
6 |
Этилцеллозольв |
кг/т |
1, 45 |
5.2.15 Технологические показатели НДТ для производства пара-третичного бутилфенола (ПТБФ)
Технологические показатели НДТ для производства пара-третичного бутилфенола (ПТБФ) представлены в таблице 5.15.
|
N |
Показатель |
Единица измерения |
Значение |
|
Загрязняющие вещества в выбросах, не более
| |||
|
1 |
Фенол |
кг/т |
0, 045 |
5.2.16 Технологические показатели НДТ для производства бутилацетата
Технологические показатели НДТ для производства бутилацетата представлены в таблице 5.16.
|
N |
Показатель |
Единица измерения |
Значение |
|
Потребление энергоресурсов, не более
| |||
|
1 |
Электроэнергия |
тыс.кВт•ч/т |
0, 008 |
|
2 |
Пар 10 атм |
Гкал/т |
1, 56 |
|
3 |
Конденсат паровой (потребленный) |
т/т |
0, 3 |
|
4 |
Конденсат паровой (возвратный) |
т/т |
1, 96 |
|
5 |
Вода оборотная |
тыс. м3/т |
0, 075 |
|
Загрязняющие вещества в сбросах, не более
| |||
|
6 |
ХПК |
кг/т |
6, 808 |
5.2.17 Технологические показатели НДТ для производства ацетальдегида
Технологические показатели НДТ для производства ацетальдегида представлены в таблице 5.17.
|
N |
Показатель |
Единица измерения |
Значение |
|
Потребление энергоресурсов, не более
| |||
|
1 |
Вода оборотная средняя |
тыс. м3 |
0, 85 |
|
2 |
Газ природный |
тыс. м3 |
0, 235 |
|
3 |
Конденсат паровой ПВС Э/Р |
т |
16, 3 |
|
4 |
Пар 10 атм средний |
Гкал |
10, 3 |
|
5 |
Холод (захоложенная вода) |
Гкал |
0, 259 |
|
6 |
Электроэнергия |
тыс.кВт•ч |
0, 136 |
|
Загрязняющие вещества в выбросах, не более
| |||
|
7 |
Азот диоксид |
кг/т |
0, 371 |
|
8 |
Азот оксид |
кг/т |
0, 0004 |
|
9 |
Углерода оксид |
кг/т |
4, 705 |
|
Загрязняющие вещества в сбросах, не более
| |||
|
10 |
ХПК |
кг/т |
135 |
5.2.18 Технологические показатели НДТ для производства ацетилена
Технологические показатели НДТ для производства ацетилена представлены в таблице 5.18.
|
N |
Показатель |
Единица измерения |
Значение |
|
Потребление энергоресурсов, не более
| |||
|
1 |
Электроэнергия |
т. кВт |
2, 4 |
|
Загрязняющие вещества в выбросах, не более
| |||
|
2 |
Азот диоксид |
кг/т |
1, 934 |
|
3 |
Азот оксид |
кг/т |
0, 113 |
|
4 |
Углерода оксид |
кг/т |
10, 063 |
|
Загрязняющие вещества в сбросах, не более
| |||
|
5 |
ХПК |
кг/т |
1, 714 |
5.2.19 Технологические показатели НДТ для производства винилацетата
Технологические показатели НДТ для производства винилацетата представлены в таблице 5.19.
|
N |
Показатель |
Единица измерения |
Значение |
|
Потребление энергоресурсов, не более
| |||
|
1 |
Холод (раствор поташа) |
Гкал/на 1 т готовой продукции |
0, 5747 |
|
2 |
Пар 10 атм средний |
Гкал/на 1 т готовой продукции |
2, 37995 |
|
3 |
Пар 20 атм средний |
Гкал/на 1 т готовой продукции |
0, 5412 |
|
4 |
Конденсат паровой (потребленный) |
т/на 1 т готовой продукции |
0, 18 |
|
5 |
Конденсат паровой (возвратный) |
т/на 1 т готовой продукции |
3, 96763 |
|
6 |
Вода оборотная |
тыс.м3/на 1 т готовой продукции |
0, 281 |
|
7 |
Электроэнергия |
тыс.кВт•ч /на 1 т готовой продукции |
0, 175 |
|
Загрязняющие вещества в выбросах, не более
| |||
|
8 |
Углерода оксид |
кг/т |
4, 479 |
|
9 |
Азота диоксид |
кг/т |
0, 537 |
|
10 |
Азота оксид |
кг/т |
0, 087 |
|
Загрязняющие вещества в сбросах, не более
| |||
|
11 |
ХПК |
кг/т |
74, 937 |
5.2.20 Технологические показатели НДТ для производства метилацетата
Технологические показатели НДТ для производства метилацетата представлены в таблице 5.20.
|
N |
Показатель |
Единица измерения |
Значение |
|
Потребление энергоресурсов, не более
| |||
|
1 |
Пар 10 атм средний |
Гкал |
0, 41 |
|
2 |
Конденсат паровой |
т |
0, 1 |
|
3 |
Вода оборотная |
тыс. м3 |
0, 07 |
|
4 |
Электроэнергия |
тыс.кВт•ч |
0, 04 |
|
5 |
Холод (раствор поташа) |
Гкал |
0, 01 |
|
Загрязняющие вещества в выбросах, не более
| |||
|
6 |
Спирт метиловый |
кг/т |
0, 0024 |
|
Загрязняющие вещества в сбросах, не более
| |||
|
7 |
ХПК |
кг/т |
19, 233 |
5.2.21 Технологические показатели НДТ для производства метанола
Технологические показатели НДТ для производства метанола представлены в таблице 5.21.
|
N |
Показатель |
Единица измерения |
Значение |
|
Потребление энергоресурсов, не более
| |||
|
1 |
Пар 10 атм средний |
Гкал |
0, 41000 |
|
2 |
Конденсат паровой |
т |
0, 21000 |
|
3 |
Вода оборотная |
тыс. м3 |
0, 09700 |
|
4 |
Вода частично обессоленная с использованием конденсата |
м3 |
0, 30000 |
|
5 |
Электроэнергия |
тыс.кВт•ч |
0, 49000 |
|
Загрязняющие вещества в выбросах, не более
| |||
|
6 |
Спирт метиловый |
кг/т |
0, 243 |
|
7 |
Углерода оксид |
кг/т |
0, 788 |
|
Загрязняющие вещества в сбросах, не более
| |||
|
8 |
ХПК |
кг/т |
6, 9 |
5.2.22 Технологические показатели НДТ для производства бутанола
Технологические показатели НДТ для производства бутанола представлены в таблице 5.22.
|
N |
Показатель |
Единица измерения |
Значение |
|
Потребление энергоресурсов, не более
| |||
|
1 |
Водород |
тыс. м3 |
1, 4 |
|
2 |
Азот компримированный г/о |
тыс. м3 |
0, 036 |
|
3 |
Холод (захоложенная вода) |
Гкал |
0, 485 |
|
4 |
Пар 10 атм средний |
Гкал |
4, 05 |
|
5 |
Конденсат паровой |
т |
2, 27 |
|
6 |
Электроэнергия |
тыс.кВт•ч |
0, 065 |
|
Загрязняющие вещества в выбросах, не более
| |||
|
7 |
Ацетальдегид |
кг/т |
0, 527 |
|
Загрязняющие вещества в сбросах, не более
| |||
|
8 |
ХПК |
кг/т |
316 |
5.2.23 Технологические показатели НДТ для производства поливинилового спирта
Технологические показатели НДТ для производства поливинилового спирта представлены в таблице 5.23.
|
N |
Показатель |
Единица измерения |
Значение |
|
Потребление энергоресурсов, не более
| |||
|
1 |
Пар 10 атм средний |
Гкал |
47 |
|
2 |
Конденсат паровой |
т |
7, 5 |
|
3 |
Вода оборотная |
тыс. м3 |
6 |
|
4 |
Вода обессоленная |
м3 |
17 |
|
5 |
Электроэнергия |
тыс.кВт•ч |
1, 32 |
|
6 |
Холод (раствор поташа) |
Гкал |
1 |
|
Загрязняющие вещества в сбросах, не более
| |||
|
7 |
ХПК |
кг/т |
246, 146 |
5.2.24 Технологические показатели НДТ для производства уксусной кислоты
Технологические показатели НДТ для производства уксусной кислоты представлены в таблице 5.24.
|
N |
Показатель |
Единица измерения |
Значение |
|
Потребление энергоресурсов, не более
| |||
|
1 |
Пар 10 атм |
Гкал |
0, 73250 |
|
2 |
Пар 20 атм |
Гкал |
0, 85500 |
|
3 |
Конденсат паровой |
т |
0, 23833 |
|
4 |
Вода частично обессоленная |
м3 |
0, 10033 |
|
5 |
Вода промышленная |
тыс. м3 |
0, 00522 |
|
6 |
Холод |
Гкал |
0, 03600 |
|
7 |
Электроэнергия |
тыс.кВт•ч |
0, 43425 |
|
Загрязняющие вещества в выбросах, не более
| |||
|
8 |
Уксусная кислота |
кг/т |
0, 0526 |
|
9 |
Углерода оксид |
кг/т |
0, 553 |
|
10 |
Углерода диоксид |
кг/т |
0, 357 |
|
11 |
Азота оксид |
кг/т |
0, 007 |
|
Загрязняющие вещества в сбросах, не более
| |||
|
12 |
ХПК |
кг/т |
3, 756 |
5.2.25 Технологические показатели НДТ для производства меламина
Технологические показатели НДТ для производства меламина представлены в таблице 5.25.
|
N |
Показатель |
Единица измерения |
Значение |
|
Потребление энергоресурсов, не более
| |||
|
1 |
Пар 30 атм средний |
Гкал |
0, 6 |
|
2 |
Пар 20 атм средний |
Гкал |
1, 65 |
|
3 |
Пар 10 атм средний |
Гкал |
0, 19 |
|
4 |
Конденсат паровой |
т |
1, 49 |
|
5 |
Электроэнергия |
тыс.кВт•ч |
0, 89 |
|
6 |
Газ природный |
тыс. м3 |
0, 38 |
|
Загрязняющие вещества в выбросах, не более
| |||
|
7 |
Азот диоксид |
кг/т |
2, 053 |
|
8 |
Азот оксид |
кг/т |
0, 307 |
|
9 |
Углерода оксид |
кг/т |
0, 273 |
|
Загрязняющие вещества в сбросах, не более
| |||
|
10 |
ХПК |
кг/т |
Данные не предоставлены |
5.2.26 Технологические показатели НДТ для производства терефталоилхлорида
Технологические показатели НДТ для производства терефталоилхлорида представлены в таблице 5.26.
|
N |
Показатель |
Единица измерения |
Значение |
|
Загрязняющие вещества в выбросах, не более
| |||
|
1 |
Хлор |
кг/т |
0, 001 |
|
2 |
Хлористый водород |
кг/т |
0, 01 |
|
3 |
Трихлорметан (хлороформ) |
кг/т |
5, 0 |
|
Загрязняющие вещества в сбросах, не более
| |||
|
4 |
Хлорид-анион (хлориды) |
кг/т |
352, 5 |
|
5 |
Сульфат-анион (сульфаты) |
кг/т |
25 |
5.2.27 Технологические показатели НДТ для производства простых полиэфиров
Технологические показатели НДТ для производства простых полиэфиров представлены в таблице 5.27.
|
N |
Показатель |
Единица измерения |
Значение |
|
Потребление энергоресурсов, не более
| |||
|
1 |
Электроэнергия |
кВт•ч/т |
76, 65 |
|
2 |
Теплоэнергия |
Гкал/т |
0, 278 |
|
Загрязняющие вещества в выбросах, не более
| |||
|
3 |
Окись этилена |
кг/т |
0, 141 |
|
4 |
Окись пропилена |
кг/т |
0, 917 |
5.2.28 Технологические показатели НДТ для производства противоизносных присадок для дизельного топлива
Технологические показатели НДТ для производства противоизносных присадок для дизельного топлива представлены в таблице 5.28.
|
N |
Показатель |
Единица измерения |
Значение |
|
Потребление энергоресурсов, не более
| |||
|
1 |
Электроэнергия |
тыс.кВт•ч/т |
0, 02 |
|
2 |
Вода промышленная |
м3/т |
1 |
|
3 |
Пар 4, 5 кгс/см2 |
Гкал/т |
2 |
|
Загрязняющие вещества в выбросах, не более
| |||
|
4 |
Углеводороды предельные С12 - С16 |
кг/т |
0, 021 |
|
Загрязняющие вещества в сбросах, не более
| |||
|
5 |
Аммоний-ион |
кг/т |
0, 04 |
5.2.29 Технологические показатели НДТ для производства депрессорных присадок
Технологические показатели НДТ для производства депрессорных присадок представлены в таблице 5.29.
|
N |
Показатель |
Единица измерения |
Значение |
|
Потребление энергоресурсов, не более
| |||
|
1 |
Электроэнергия |
тыс.кВт•ч/т |
0, 42 |
|
2 |
Пар 20 кгс/см2 |
Гкал/т |
12 |
|
3 |
Вода промышленная |
м3/т |
44 |
|
Загрязняющие вещества в выбросах, не более
| |||
|
4 |
Углеводороды предельные С6 - С10 |
кг/т |
0, 005 |
|
Загрязняющие вещества в сбросах, не более
| |||
|
5 |
Нефтепродукты |
кг/т |
0, 032 |
5.2.30 Технологические показатели НДТ для производства хлороформа
Технологические показатели НДТ для производства хлороформа представлены в таблице 5.30.
|
N |
Показатель |
Единица измерения |
Значение |
|
Загрязняющие вещества в выбросах, не более
| |||
|
1 |
Трихлорметан (хлороформ) |
кг/т |
2, 11 |
5.2.31 Технологические показатели НДТ для производства хладонов и мономеров на их основе
Технологические показатели НДТ для производства хладонов и мономеров на их основе представлены в таблице 5.31.
|
N п/п |
Показатель |
Единица измерения |
Значение |
|
Производство хладонов
| |||
|
Потребление энергоресурсов, не более
| |||
|
1 |
Электроэнергия |
квтч |
144, 0 |
|
2 |
Пар |
Гкал |
3, 75 |
|
3 |
Вода производственная |
м3 |
359, 9 |
|
4 |
Холод (-15 °C) |
Гкал |
1, 19 |
|
5 |
Холод (-40 °C) |
Гкал |
0, 54 |
|
6 |
Азот |
м3 |
109 |
|
Загрязняющие вещества в сбросах, не более
| |||
|
7 |
Хлорид-анион |
кг/т |
0, 101 |
|
Загрязняющие вещества в выбросах, не более
| |||
|
8 |
Тетрафторэтилен |
кг/т |
11, 6 |
|
Производство мономеров: Термическое разложение хладона-142В, хладона-22, с последующей очисткой от кислых примесей, компримированием, осушкой, концентрированием, конденсацией и ректификацией пиролизата | |||
|
Потребление энергоресурсов, не более
| |||
|
9 |
Электроэнергия |
квтч |
3070, 84 |
|
10 |
Пар |
Гкал |
5, 5 |
|
11 |
Вода производственная |
м3 |
2030, 8 |
|
12 |
Холод (-15 °C) |
Гкал |
0, 66 |
|
13 |
Холод (-40 °C) |
Гкал |
1, 83 |
|
Производство мономеров: дегалоидирование 1, 1, 2-трифторхлорэтана цинковым порошком в водной среде при постоянном перемешивании | |||
|
Потребление энергоресурсов, не более
| |||
|
14 |
Электроэнергия |
квтч |
136, 92 |
|
15 |
Пар |
Гкал |
2, 22 |
|
16 |
Вода производственная |
м3 |
1994, 0 |
|
17 |
Холод (-15 °C) |
Гкал |
0, 65 |
|
18 |
Холод (-40 °C) |
Гкал |
0, 36 |
|
Загрязняющие вещества в сбросах, не более
| |||
|
19 |
Хлорид-анион |
кг/т |
0, 047 |
5.2.32 Технологические показатели НДТ для производства синтанолов
Технологические показатели НДТ для производства синтанолов представлены в таблице 5.32.
|
N |
Показатель |
Единица измерения |
Значение |
|
Потребление энергоресурсов, не более
| |||
|
1 |
Электроэнергия |
кВт•ч/т |
144, 8 |
|
2 |
Теплоэнергия (пар) |
Гкал/т |
0, 5* |
|
3 |
Оборотная вода |
м3/т |
5, 2* |
|
4 |
Природный газ |
м3/т |
21, 4* |
|
Загрязняющие вещества в выбросах, не более
| |||
|
5 |
Азота диоксид |
кг/т |
0, 08* |
|
6 |
Азота оксид |
кг/т |
0, 01* |
|
7 |
Углерода оксид |
кг/т |
0, 2* |
|
* - удельное значение на тонну суммарной товарной продукции производств ПАВ | |||
5.2.33 Технологические показатели НДТ для производства сульфированных продуктов
Технологические показатели НДТ для производства сульфированных продуктов представлены в таблице 5.33.
|
N |
Показатель |
Единица измерения |
Значение |
|
Потребление энергоресурсов, не более
| |||
|
1 |
Электроэнергия |
кВт•ч/т |
240 |
|
2 |
Теплоэнергия (пар) |
Гкал/т |
0, 5* |
|
3 |
Оборотная вода |
м3/т |
5, 2* |
|
4 |
Природный газ |
м3/т |
21, 4* |
|
Загрязняющие вещества в выбросах, не более
| |||
|
5 |
Азота диоксид |
кг/т |
0, 08* |
|
6 |
Азота оксид |
кг/т |
0, 01* |
|
7 |
Углерода оксид |
кг/т |
0, 2* |
|
* - удельное значение на тонну суммарной товарной продукции производств ПАВ | |||
5.2.34 Технологические показатели НДТ для совместного производства полиэтиленгликолей и метоксиполиэтиленгликолей
Технологические показатели НДТ для совместного производства полиэтиленгликолей и метоксиполиэтиленгликолей представлены в таблице 5.34.
|
N |
Показатель |
Единица измерения |
Значение |
|
Потребление энергоресурсов, не более
| |||
|
1 |
Электроэнергия |
кВт•ч/т |
144, 8 |
|
2 |
Теплоэнергия (пар) |
Гкал/т |
0, 5* |
|
3 |
Оборотная вода |
м3/т |
5, 2* |
|
4 |
Природный газ |
м3/т |
21, 4* |
|
Загрязняющие вещества в выбросах, не более
| |||
|
5 |
Азота диоксид |
кг/т |
0, 08* |
|
6 |
Азота оксид |
кг/т |
0, 01* |
|
7 |
Углерода оксид |
кг/т |
0, 2* |
|
* - удельное значение на тонну суммарной товарной продукции производств ПАВ | |||
Рассмотренные разделы по экономическим показателям НДТ, разработанных и принятых в установленном порядке ИТС НДТ, позволяют сделать общий вывод о том, что до сегодняшнего дня в России отсутствует единый подход как к экономическому критерию идентификации НДТ, так и к оценке экономической эффективности перехода на НДТ.
Международная практика учета экономических аспектов при внедрении НДТ, согласно справочнику Европейского союза "Экономические аспекты и вопросы воздействия на различные компоненты окружающей среды" [12], использует метод дисконтированных денежных потоков с учетом данных о затратах и эффектах, связанных с внедрением технологии за весь жизненный цикл. Обоснование существенных аспектов такой оценки, например, коэффициента дисконтирования, порядок учета инфляции и т.д., идентично тому, которое применяется при оценке экономической эффективности инвестиционных проектов.
Внедрение системы НДТ подразумевает внедрение, замену/реконструкцию/модернизацию технологического оборудования или отдельных его элементов, что должно привести к повышению эффективности внедряемых и существующих производственных процессов.
Следует отметить, что переход на НДТ не должен ухудшать экономические показатели работы предприятия, в связи с чем целесообразно рассматривать внедрение НДТ, как и любой другой техники и технологии, не выделяя в отдельную категорию затраты, имеющие исключительно природоохранное назначение. При выделении природоохранных затрат в российской практике могут возникнуть серьезные трудности. Во-первых, затраты в денежном выражении на внедрение природоохранной техники (яркий пример - очистные сооружения) могут быть значительно больше положительных эффектов. Во-вторых, обоснование отнесения затрат к категории природоохранных часто вызывает сложности, так как бывает сложно определить, какая часть технологического оборудования внедряется с целью обновления основных производственных фондов, а какая - для снижения негативного воздействия на окружающую среду. Выделение затрат, направленных непосредственно на охрану окружающей среды, может быть оправдано в том случае, когда можно выделить конкретную технологическую установку, обеспечивающую природоохранный эффект.
Поэтому при обосновании доступности технологий необходимо использовать следующие критерии и показатели экономической эффективности (таблица 6.1).
|
N пп |
Показатель |
Критерий |
|
1 |
Чистый дисконтированный доход (ЧДД) |
Неотрицательный [13]. При сравнении с альтернативными технологиями предпочтение должно отдаваться технологии с большим ЧДД |
|
2 |
Внутренняя норма доходности (ВНД) |
Не ниже 15 %. При сравнении альтернативных проектов предпочтение должно отдаваться проекту с большим значением ВНД |
|
3 |
Срок окупаемости с учетом дисконтирования |
Не более 6 лет. При сравнении альтернативных проектов предпочтение должно отдаваться проекту с меньшим сроком окупаемости |
Расчет экономической эффективности внедряемой технологии должен производиться в соответствии со следующими принципами:
- исходные данные для расчета экономической эффективности должны соответствовать критериям достоверности, обоснованности и сопоставимости;
- расчет производится в рамках жизненного цикла (расчетного периода);
- расчет производится в денежной форме в ценах, действующих на момент выполнения расчетов (с обязательным указанием этого момента);
- расчет должен включать все денежные поступления и расходы, связанные с внедрением технологии, в течение расчетного периода;
- расчет эффективности проекта должен проводиться путем сопоставления релевантных денежных потоков. Учитываются только те затраты и эффекты, которые связаны с внедрением технологии;
- учет динамики (изменение во времени) параметров проекта и его экономического окружения, а также неравноценность произведенных в разное время затрат и/или полученных доходов. Учет неравноценности разновременных денежных потоков производится методом дисконтирования. Представленные показатели ВНД и срока окупаемости являются ориентировочной границей отсечения экономически неэффективных технологий, внедрение которых обусловлено только снижением негативного воздействия на окружающую среду. В расчетах по определению эффективности внедряемой технологии рекомендуется выбирать норму дисконта с учетом степени риска, которая указана в таблице 6.2.
|
Характер производства |
Норма дисконта, % | ||
|
Низкая степень риска (инвестиции в модернизацию/ реконструкцию действующей технологии) |
Средняя степень риска (инвестиции в объекты с частичным использованием новых технических и технологических решений) |
Высокая степень риска (инвестиции в принципиально новые технологии) | |
|
Производство продукции тонкого органического синтеза |
8 |
10 |
12 |
Для повышения экономической эффективности проектов внедрения НДТ целесообразна разработка дополнительного комплекса мер государственного стимулирования.
В случае экономической нецелесообразности внедрения НДТ на действующих производственных объектах отрасли, продлевается срок использования действующей технологии.
Перспективные технологии получения продукции тонкого органического синтеза, применение которых позволит повысить эффективность этих процессов (например, увеличить селективность в отношении целевых продуктов или производительность катализатора) могут рассматриваться как потенциальные НДТ. В данном разделе на основе отечественных и зарубежных литературных данных проведен анализ существующих или разрабатываемых технологий получения продуктов тонкого органического синтеза.
В настоящее время основным промышленным способом получения пропиленгликоля в мире является взаимодействие пропиленоксида с водой. Процесс может быть каталитическим (протекает при 150 °C - 180 °C в присутствии ионообменных смол, серной кислоты или щелочей) и некаталитическим (протекает при 200 °C - 220 °C) [14, 15]. Как правило, в обоих случаях удается получать пропиленгликоль с чистотой удовлетворительной для использования в пищевой промышленности.
Один из перспективных способов получения пропиленгликоля, представленных в научной литературе, основан на превращении побочного продукта получения биодизеля - глицерина - напрямую в пропиленгликоль [16]. Относительно недавно этот метод был использован компанией Dow для получения пропиленгликоля технической чистоты [17]. Согласно информации, предоставленной компанией, производство пропиленгликоля из побочных продуктов получения биодизеля позволяет расширить ассортимент производимого пропиленгликоля (разного качества).

Основным методом производства тримера и тетрамера пропилена в настоящее время в мире является олигомеризация пропилена [18-20]. Катализаторами олигомеризации пропилена, как правило, являются производные фосфорной кислоты (полифосфорная кислота) нанесенные на подложку производные фосфорной кислоты. Процесс проводится в диапазоне температур 120 °С - 225 °С [21]. Продукты реакции - сложная смесь олигомеров, которая подвергается фракционированию с выделением ноненовой (С9Н18) и додеценовой (С12Н24) фракций. Продукты содержат одну концевую двойную связь в молекуле и широко используются в качестве алкилириующих агентов для производства спиртов, присадок и пр. Перспективой развития производства тримера и тетрамера пропилена представляется поиск более селективных инициаторов олигомеризации на основе экологически-безопасных соединений.
Триизобутилалюминий (ТИБА) получают прямым синтезом активного алюминия, изобутилена и водорода [22-24]. Синтез проводят в две последовательные стадии: на первой стадии получают диизобутилалюминийгидрид, который далее взаимодействует с изобутиленом с образованием ТИБА. Реакции проводят, как правило, при температурах, не превышающих 150 °С и давлении 5-6 МПа [22, 23]. В настоящее время этот метод представляется как наиболее простой и перспективный для получения ТИБА.
Неодеканоат неодима (III) в настоящее время активно используется для получения цис-поли(бутадиена-1, 4). Как правило, неодеканоат неодима (III) выпускают в виде растворов в органических растворителях (гексан, гептан, циклогексан и др.) с содержанием целевого вещества около 40 %. Анализ литературы позволяет заключить, что одним из наиболее перспективных подходов к получению данного соединения является прямая реакция между взвесью оксида неодима (III), диспергированной в подходящем органическом растворителе, и неодекановой кислотой в присутствии разбавленной соляной кислоты. Процесс проводят при температуре 100 °C.

Одним из наиболее простых, доступных и актуальных подходов к получению алкилфенолов является прямое алкилирование фенола олигомерами пропилена (три- и тетрамерами). Получаемые продукты представляют собой сложную смесь орто- и пара-изомеров, содержащих изомеризованные алкильные группы [28-30]. Реакция катализируется кислотами, в частности сообщается об использовании трифторида бора и его эфирата [31], полифосфорной кислоты и др. [32]. В настоящее время в Европе применение и производство алкилфенолов ограничивается и контролируется правительствами в виду токсичности этих соединений [33].
В промышленности Европы и США линейные α -олефины в настоящее время поучаются тремя основными способами: олигомеризацией этилена (процесс Ethyl Corporation [Ineos], процесс Gulf [Chevron Phillips Chemical Company], процесс Shell Oil Company SHOP, процесс Idemitsu Petrochemical и SABIC-Linde α -Sablin процесс), с использованием процесса Фишера - Тропша (Sasol Ltd) и дегидратацией соответствующих спиртов (Ethyl Corporation [Ineos], Chevron Phillips, Sasol [Vista Chemical] и Godrej Indus tries Ltd) ([34, 35]. Наиболее перспективным представляется олигомеризация этилена в присутствии подходящих катализаторов. В ряде стран разработаны каталитические системы, позволяющие селективно получать какой-либо α -олефин, в большинстве случаев бутен-1, гексен-1 и октен-1. Компания SABIC в Саудовской Аравии разработала новейший процесс олигомеризации этилена α -Sablin с образованием фракции С4 - С20. При использовании карбоксилатов циркония в комбинации с алюминийорганическими сокатализаторами компании удалось получить гексен-1 с очень высокой селективностью [36]. Процесс проводится при температуре 50 °С - 100 °С и давлении 20-35 бар.

Наиболее перспективным сырьем для получения алифатических полиэфиров являются оксиды этилена и пропилена. Как правило, для их полимеризации используют основания в сочетании с подходящими одно- и многоатомными спиртами, что позволяет контролировать образование линейных или разветвленных полиэфиров. Поэтому новшеством в рассматриваемом процессе обычно является природа катализатора. Например, при полимеризации пропиленоксида в присутствии кобальтового катализатора удается получать изотактический полимер [37]. Кислоты Льюиса, в частности активно применяемый в последнее время в различных областях химии боран - B(C6F5)3, являются эффективным катализатором полимеризации оксида пропилена [38].
В патенте CN 102443019 (2012 г.) описывается способ получения ДИБАГ, в котором источником алюминия являются отходы производства алюминиевой пудры для изготовления пигмента:

В статье M. Oishi (Science of Synthesis, 2004, Volume 7, 261-385) описывается способ получения ДИБАГ пиролизом триизобутилалюминия:

В работе Kalvin et al. (Tetrahedron, 1984, Volume 40, 3387-3392) описывается способ получения диизобутилалюминий дейтерида взаимодействием диизобутилалюминийхлорида с дейтеридом лития при кипячении в эфире:

В статье M. Oishi (Science of Synthesis, 2004, Volume 7, 261-385) описывается способ получения ТИБА пиролизом три-трет-бутилалюминия:

В патенте CN 102432437 (2012 г.) описывается способ получения этилцеллозольва путем реакции окиси этилена с диэтиловым эфиром при температуре 50 °C - 70 °C и давлении 1, 2 МПа в присутствии активированного угля, импрегнированного кислотой. В качестве кислоты могут использоваться кислоты Бренстеда и Льюиса (H2SO4, H3PO4, HBF4, BF3·Et2O). Способ отличается наличием малого количества загрязняющих отходов.
![]()
В патенте CN 102452908 (2012 г.) описывается способ получения этилцеллозольва путем реакции этилена с этанолом и водным раствором перекиси водорода в присутствии силиката титана и молекулярных сит. Эпоксидирование этилена и раскрытие окиси этилена этанолом происходит в одном реакторе. Способ отличается пониженной энергозатратностью.
![]()
В патенте CN 1062680 (1992 г.) описывается способ получения неонолов с использованием гидроксида кальция или оксида кальция (1 вес. %) в качестве основного катализатора при температуре 150 °С и давлении 0, 4 МПа.

В патенте CN 105622659 (2016 г.) описывается способ получения триэтилалюминия из алюминиевого порошка, водорода и этилена. Реакция инициируется добавлением порошка титана и небольшого количества триэтилалюминия при температуре 120 °C и давлении 0, 3 МПа:

В патенте US 20020019572 (2002 г.) описывается процесс получения полиэтиленгликолей. Процесс протекает при температуре 110 °С - 150 °С и давлении 0, 10, 4 МПа. Отличительной чертой является дозированное впрыскивание паров окиси этилена в раствор этиленгликоля:

Данный способ позволяет получать полиэтиленгликоли с требуемой степенью полимеризации.
В патенте CN 105585415 (2016 г.) описывается процесс получения дициклопентадиена высокой чистоты путем термической деполимеризации дициклопентадиена-сырца до мономерного циклопентадиена, дистилляции мономера, его димеризации и последующей перегонки.
Справочник НДТ разработан в соответствии с Поэтапным графиком создания в 2015-2017 гг. справочников наилучших доступных технологий, утвержденным распоряжением Правительства Российской Федерации от 31 октября 2014 г. N 2178-р и Правилами определения технологии в качестве наилучшей доступной технологии, а также разработки, актуализации и опубликования информационно-технических справочников по наилучшим доступным технологиям, утвержденными постановлением Правительства Российской Федерации от 23 декабря 2014 г. N 1458.
Справочник НДТ разработан с соблюдением требований Федерального закона Российской Федерации от 29 июня 2015 г. N 162-ФЗ и соответствует федеральному законодательству, нормам и правилам, принятым федеральными органами исполнительной власти.
Справочник НДТ разработан на основе анкетных данных, полученных от производителей продукции тонкого органического синтеза. Справочник НДТ распространяется на технологические процессы производства продукции тонного органического синтеза в соответствии со сферой распространения справочника НДТ.
Справочник НДТ разработан ТРГ 31, состав которой одобрен протоколом совещания под председательством заместителя Министра промышленности и торговли Российской Федерации В.С. Осьмакова от 22 марта 2017 г. N 15-ОВ/12.
В состав рабочей группы входили представители следующих организаций:
1) ООО "ГазпромНефтехимСалават";
2) ООО ПО "ХИМПРОМ";
3) Федеральное государственное бюджетное учреждение науки Ордена Трудового Красного Знамени Институт нефтехимического синтеза им. А.В. Топчиева Российской академии наук;
4) ПАО "НК "Роснефть";
5) АО "Башкирская содовая компания";
6) ПАО "Нижнекамскнефтехим";
7) ООО "Прогрессивные решения";
8) АО "МХК "ЕвроХим";
9) ПАО "Электрогорский институт нефтепереработки";
10) ПАО "ЛУКОЙЛ";
11) ПАО "Сибур";
12) ГК "Миррико";
13) ООО "РН-ЦИР";
14) Минпромторг России;
15) ФБУН "ФНЦ медико-профилактических технологий управления рисками здоровью населения";
16) ООО "ГалоПолимер Кирово-Чепецк";
17) ООО "Завод синтанолов".
Организационной формой работы ТРГ 31 являлись плановые заседания (проведено 2) и участие в работе по рассмотрению и голосованию по ключевым вопросам и разделам справочника НДТ на официальном информационном портале Бюро НДТ.
В целях сбора информации о применяемых на промышленных предприятиях технологических процессах, оборудовании, об источниках загрязнения окружающей среды, технологических, технических и организационных мероприятиях, направленных на снижение загрязнения окружающей среды и повышение энергоэффективности и ресурсосбережения, была подготовлена анкета для предприятий, содержащая формы для сбора данных, необходимых для разработки проекта справочника НДТ. В качестве основы для формирования анкеты был использован ГОСТ Р 56828.13-2016 "Наилучшие доступные технологии. Формат описания технологий". Сведения, полученные в результате анкетирования предприятий, были использованы при разработке справочника НДТ.
Данные по ключевым вопросам: сфера распространения, технологические показатели, их удельное значение, перечень маркерных веществ, НДТ - являются согласованной позицией отрасли и принимались путем электронного голосования в личных кабинетах на информационном портале Бюро НДТ после предварительной детальной проработки.
В ходе публичного обсуждения справочника НДТ от членов ТРГ 31, предприятий и организаций были получены замечания и предложения, которые учтены в процессе подготовки справочника НДТ.
Экспертиза проекта справочника НДТ проведена профильным техническим комитетом по стандартизации ТК 113 "Наилучшие доступные технологии", который одобрил проект справочника НДТ.
Приложение А
(обязательное)
|
ОКПД 2 |
Наименование продукции по ОК 034-2014 (ОКПД) |
Наименование вида деятельности по ОКВЭД 2 |
ОКВЭД 2 |
|
20.14.24.120 |
Моноалкилфенол |
Производство спиртов, фенолов, фенолоспиртов и их галогенированных, сульфированных, нитрованных или нитрозированных производных; производство жирных промышленных спиртов |
20.14.2 |
|
20.14.11.127 |
α -Олефины (бутен-1, гексен-1, октен, додецен-1, децен-1, тетрадецен) |
Производство углеводородов и их производных |
20.14.1 |
|
20.13.64.130 |
Диизобутилалюминийгидрид (ДИБАГ) |
Производство сераорганических соединений и прочих элементоорганических соединений |
20.14.5 |
|
20.14.12 |
Дициклопентадиен |
Производство углеводородов и их производных |
20.14.1 |
|
20.13.65.315 |
Неодеканоат неодима |
Производство прочих основных неорганических химических веществ |
20.13 |
|
20.14.24.120 |
Оксиэтилированные алкилфенолы; |
Производство спиртов, фенолов, фенолоспиртов и их галогенированных, сульфированных, нитрованных или нитрозированных производных; производство жирных промышленных спиртов |
20.14.2 |
|
20.14.11.114 |
Очищенный гексановый растворитель; |
Производство углеводородов и их производных |
20.14.1 |
|
Полиэтиленгликоли |
Производство пластмасс и синтетических смол в первичных формах |
20.16 | |
|
20.14.23.112 |
Пропиленгликоль (пропан-1, 2) |
Производство спиртов, фенолов, фенолоспиртов и их галогенированных, сульфированных, нитрованных или нитрозированных производных; производство жирных промышленных спиртов |
20.14.2 |
|
Триизобутилалюминий |
Производство сераорганических соединений и прочих элементоорганических соединений |
20.14.5 | |
|
Тримеры и тетрамеры пропилена |
Производство углеводородов и их производных |
20.14.1 | |
|
Триэтилалюминий |
Производство сераорганических соединений и прочих элементоорганических соединений |
20.14.5 | |
|
Этилалюминийсесквихлорид |
Производство сераорганических соединений и прочих элементоорганических соединений |
20.14.5 | |
|
Этилцеллозольв |
Производство прочих химических органических основных веществ |
20.14.7 | |
|
20.14.24.120 |
Пара-третичный бутилфенол (ПТБФ) |
Производство спиртов, фенолов, фенолоспиртов и их галогенированных, сульфированных, нитрованных или нитрозированных производных; производство жирных промышленных спиртов |
20.14.2 |
|
20.14.32.123 |
Бутилацетат |
Производство промышленных монокарбоновых жирных кислот, карбоновых кислот и их производных |
20.14.3 |
|
Ацетальдегид |
Производство прочих химических органических основных веществ |
20.14.7 | |
|
20.14.11.126 |
Ацетилен |
Производство углеводородов и их производных |
20.14.1 |
|
20.14.32.123 |
Винилацетат |
Производство промышленных монокарбоновых жирных кислот, карбоновых кислот и их производных |
20.14.3 |
|
20.14.32.123 |
Метилацетат |
Производство промышленных монокарбоновых жирных кислот, карбоновых кислот и их производных |
20.14.3 |
|
20.14.22.111 |
Спирт метиловый (метанол) |
Производство спиртов, фенолов, фенолоспиртов и их галогенированных, сульфированных, нитрованных или нитрозированных производных; производство жирных промышленных спиртов |
20.14.2 |
|
20.14.22.114 |
Спирт н-бутиловый (бутан-1) |
Производство спиртов, фенолов, фенолоспиртов и их галогенированных, сульфированных, нитрованных или нитрозированных производных; производство жирных промышленных спиртов |
20.14.2 |
|
20.14.22.130 |
Поливиниловый спирт |
Производство спиртов, фенолов, фенолоспиртов и их галогенированных, сульфированных, нитрованных или нитрозированных производных; производство жирных промышленных спиртов |
20.14.2 |
|
20.14.32.121 |
Кислота уксусная |
Производство промышленных монокарбоновых жирных кислот, карбоновых кислот и их производных |
20.14.3 |
|
Меламин |
Производство органических соединений с азотсодержащими функциональными группами |
20.14.4 | |
|
Терефталоилхлорид |
Производство прочих химических органических основных веществ |
20.14.7 | |
|
Простые полиэфиры |
Производство пластмасс и синтетических смол в первичных формах |
20.16 | |
|
Противоизносные присадки для дизельного топлива |
Производство прочих химических органических основных веществ |
20.14.7 | |
|
Депрессорные присадки |
Производство прочих химических органических основных веществ |
20.14.7 | |
|
20.14.13 |
Хлороформ |
Производство углеводородов и их производных |
20.14.1 |
|
Хладоны и мономеры на их основе |
Производство углеводородов и их производных |
20.14.1 | |
|
20.41.20.130 |
Синтанолы |
Производство органических поверхностно-активных веществ, кроме мыла |
20.41.2 |
|
20.41.20.110 |
Сульфированные продукты |
Производство органических поверхностно-активных веществ, кроме мыла |
20.41.2 |
|
20.41.20.130 |
Совместное получение полиэтиленгликолей и метоксиполиэтиленгликолей |
Производство органических поверхностно-активных веществ, кроме мыла |
20.41.2 |
Приложение Б
(обязательное)
маркерных веществ
|
Наименование технологии (продукта) |
Маркерные вещества | ||
|
В выбросах |
В сбросах | ||
|
1 |
Моноалкилфенол |
Азот диоксид Азот оксид Фенол Углерода оксид |
Фенол |
|
2 |
α -Олефины (бутен-1, гексен-1, октен, додецен-1, децен-1, тетрадецен) |
Азот диоксид Азот оксид Углерода оксид |
Нет |
|
3 |
Диизобутилалюминийгидрид (ДИБАГ) |
Окись углерода Азота диоксид Азота оксид |
Стоки отсутствуют |
|
4 |
Дициклопентадиен |
Углеводороды предельные С1 - С5 |
ХПК |
|
5 |
Неодеканоат неодима |
Углеводороды предельные С6 - С10 |
Нет |
|
6 |
Оксиэтилированные алкилфенолы |
Азота диоксид Азота оксид Углерода оксид |
Нет |
|
7 |
Очищенный гексановый растворитель |
Диоксид азота Азота оксид Углерода оксид |
ХПК |
|
8 |
Полиэтиленгликоли |
Окись этилена |
Нет |
|
9 |
Пропиленгликоль |
Окись пропилена |
Нет |
|
10 |
Триизобутилалюминий |
Азот диоксид Азот оксид Углерода оксид |
Алюминий |
|
11 |
Тримеры и тетрамеры пропилена |
Азот диоксид Азот оксид Углерода оксид |
Нет |
|
12 |
Триэтилалюминий |
Этилен |
Алюминий |
|
13 |
Этилалюминиясесквихлорид |
Хлористый водород |
Нет |
|
14 |
Этилцеллозольв |
Этилцеллозольв |
Нет |
|
15 |
Пара-третичный бутилфенол (ПТБФ) |
Фенол |
Нет |
|
16 |
Бутилацетат |
Нет |
ХПК |
|
17 |
Ацетальдегид |
Азот диоксид Азот оксид Углерода оксид |
ХПК |
|
18 |
Ацетилен |
Азот диоксид Азот оксид Углерода оксид |
ХПК |
|
19 |
Винилацетат |
Азот диоксид Азот оксид Углерода оксид |
ХПК |
|
20 |
Метилацетат |
Спирт метиловый |
ХПК |
|
21 |
Метанол |
Спирт метиловый |
ХПК |
|
22 |
Бутанол |
Ацетальдегид |
ХПК |
|
23 |
Поливиниловый спирт |
Нет |
ХПК |
|
24 |
Уксусная кислота |
Уксусная кислота |
ХПК |
|
25 |
Меламин |
Азот диоксид; Азот оксид; Углерода оксид |
Нет |
|
26 |
Терефталоилхлорид |
Хлор Хлористый водород Хлороформ |
Хлорид-анион (хлориды); Сульфат-анион (сульфаты) |
|
27 |
Простые полиэфиры |
Окись этилена Окись пропилена |
Нет |
|
28 |
Противоизносные присадки для дизельного топлива |
Углеводороды предельные С12 - С16 |
Аммоний-ион |
|
29 |
Депрессорные присадки |
Углеводороды предельные С6 - С10 |
Нефтепродукты |
|
30 |
Хлороформ |
Трихлорметан (хлороформ) |
Нет |
|
31 |
Хладоны и мономеры на их основе |
Тетрафторэтилен |
Хлорид-анион |
|
32 |
Синтанолы |
Азота диоксид Азота оксид Углерода оксид |
Нет |
|
33 |
Сульфированные продукты |
Азота диоксид Азота оксид Углерода оксид |
Нет |
|
34 |
Совместное получение полиэтиленгликолей и метоксиполиэтиленгликолей |
Азота диоксид Азота оксид Углерода оксид |
Нет |
Приложение В
(обязательное)
|
N |
Наименование НДТ |
|
1 |
Технология производства моноалкилфенола |
|
2 |
Технология производства α-олефинов (бутен-1, гексен-1, октен, додецен-1, децен-1, тетрадецен) |
|
3 |
Технология производства диизобутилалюминиягидрида (ДИБАГ) |
|
4 |
Технология производства дициклопентадиена |
|
5 |
Технология производства неодеканоата неодима |
|
6 |
Технология производства оксиэтилированных алкилфенолов |
|
7 |
Технология производства очищенного гексанового растворителя |
|
8 |
Технология производства полиэтиленгликолей |
|
9 |
Технология производства пропиленгликолей |
|
10 |
Технология производства триизобутилалюминия |
|
11 |
Технология производства тримеров и тетрамеров пропилена |
|
12 |
Технология производства триэтилалюминия |
|
13 |
Технология производства этилалюминийсесквихлорида |
|
14 |
Технология производства этилцеллозольва |
|
15 |
Технология производства пара-третичного бутилфенола (ПТБФ) |
|
16 |
Технология производства бутилацетата |
|
17 |
Технология производства ацетальдегида |
|
18 |
Технология производства ацетилена |
|
19 |
Технология производства винилацетата |
|
20 |
Технология производства метилацетата |
|
21 |
Технология производства метанола |
|
22 |
Технология производства бутанола |
|
23 |
Технология производства поливинилового спирта |
|
24 |
Технология производства уксусной кислоты |
|
25 |
Технология производства меламина |
|
26 |
Технология производства терефталоилхлорида |
|
27 |
Технология производства простых полиэфиров |
|
28 |
Технология производства противоизносных присадок для дизельного топлива |
|
29 |
Технология производства депрессорных присадок |
|
30 |
Технология производства хлороформа |
|
31 |
Технология производства хладонов и мономеров на их основе |
|
32 |
Технология производства синтанолов |
|
33 |
Технология производства сульфированных продуктов |
|
34 |
Технология совместного получения полиэтиленгликолей и метоксиполиэтиленгликолей |
Приложение Г
(обязательное)
технологических показателей
|
N |
Показатель |
Единица измерения |
Значение |
|
Потребление энергоресурсов, не более
| |||
|
1 |
Электроэнергия |
кВт•ч/т |
75, 5 |
|
2 |
Теплоэнергия |
Гкал/т |
1, 1 |
|
3 |
Топливный газ |
тут/т |
0, 08 |
|
4 |
Оборотная вода |
м3/т |
119, 2 |
|
Загрязняющие вещества в выбросах, не более
| |||
|
5 |
Азот диоксид |
кг/т |
0, 29 |
|
6 |
Азот оксид |
кг/т |
0, 048 |
|
7 |
Серы диоксид |
кг/т |
0, 018 |
|
8 |
Фенол |
кг/т |
0, 62 |
|
9 |
Углерода оксид |
кг/т |
0, 85 |
|
Загрязняющие вещества в сбросах, не более
| |||
|
10 |
Фенол |
кг/т |
3, 6•10-4 |
|
N |
Показатель |
Единица измерения |
Значение |
|
Потребление энергоресурсов, не более
| |||
|
1 |
Электроэнергия |
кВт•ч/т |
1574 |
|
2 |
Теплоэнергия |
Гкал/т |
4, 24 |
|
3 |
Топливный газ |
тут/т |
1, 294 |
|
4 |
Оборотная вода |
м3/т |
692 |
|
Загрязняющие вещества в выбросах, не более
| |||
|
5 |
Азот диоксид |
кг/т |
5, 85 |
|
6 |
Азот оксид |
кг/т |
0, 95 |
|
7 |
Серы диоксид |
кг/т |
0, 0375 |
|
8 |
Углерода оксид |
кг/т |
11, 11 |
|
N |
Показатель |
Единица измерения |
Значение |
|
Потребление энергоресурсов, не более
| |||
|
1 |
Электроэнергия |
кВт•ч/т |
1373 |
|
Загрязняющие вещества в выбросах, не более
| |||
|
2 |
Окись углерода |
кг/т |
1, 52 |
|
3 |
Азота диоксид |
кг/т |
4, 46 |
|
4 |
Азота оксид |
кг/т |
0, 73 |
|
N |
Показатель |
Единица измерения |
Значение |
|
Потребление энергоресурсов, не более
| |||
|
1 |
Электроэнергия |
кВт•ч/т |
32, 8 |
|
2 |
Теплоэнергия |
Гкал/т |
3, 43 |
|
3 |
Холод |
Гкал/т |
0, 1 |
|
4 |
Оборотная вода |
м3/т |
160 |
|
Загрязняющие вещества в выбросах, не более
| |||
|
5 |
Углеводороды предельные С1 - С5 |
кг/т |
2, 61 |
|
Загрязняющие вещества в сбросах, не более
| |||
|
6 |
ХПК |
кг/т |
0, 09 |
|
N |
Показатель |
Единица измерения |
Значение |
|
Потребление энергоресурсов, не более
| |||
|
1 |
Электроэнергия |
кВт•ч/т |
209 |
|
2 |
Теплоэнергия |
Гкал/т |
6, 4 |
|
3 |
Оборотная вода |
м3/т |
500 |
|
Загрязняющие вещества в выбросах, не более
| |||
|
4 |
Углеводороды предельные С6 - С10 |
кг/т |
0, 2 |
|
N |
Показатель |
Единица измерения |
Значение |
|
Потребление энергоресурсов, не более
| |||
|
1 |
Электроэнергия |
кВт•ч/т |
20, 84 |
|
2 |
Теплоэнергия |
Гкал/т |
0, 213 |
|
3 |
Оборотная вода |
м3/т |
19, 7 |
|
Загрязняющие вещества в выбросах, не более
| |||
|
4 |
Азота диоксид |
кг/т |
0, 29 |
|
5 |
Азота оксид |
кг/т |
0, 048 |
|
6 |
Углерода оксид |
кг/т |
0, 85 |
|
N |
Показатель |
Единица измерения |
Значение |
|
Потребление энергоресурсов, не более
| |||
|
1 |
Электроэнергия |
кВт•ч/т |
137, 4 |
|
2 |
Теплоэнергия |
Гкал/т |
1, 32 |
|
3 |
Холод |
Гкал/т |
0, 02 |
|
4 |
Вода оборотная |
м3/т |
130 |
|
Загрязняющие вещества в выбросах, не более
| |||
|
5 |
Диоксид азота |
кг/т |
1, 005 |
|
6 |
Азота оксид |
кг/т |
0, 164 |
|
7 |
Углерода оксид |
кг/т |
1, 0 |
|
Загрязняющие вещества в сбросах, не более
| |||
|
8 |
ХПК |
кг/т |
2, 25 |
|
N |
Показатель |
Единица измерения |
Значение |
|
Потребление энергоресурсов, не более
| |||
|
1 |
Электроэнергия |
кВт•ч/т |
27 |
|
2 |
Теплоэнергия |
Гкал/т |
0, 278 |
|
3 |
Оборотная вода |
м3/т |
22 |
|
Загрязняющие вещества в выбросах, не более
| |||
|
4 |
Окись этилена |
кг/т |
0, 027 |
|
N |
Показатель |
Единица измерения |
Значение |
|
Потребление энергоресурсов, не более
| |||
|
1 |
Электроэнергия |
кВт•ч/т |
600 |
|
2 |
Теплоэнергия |
Гкал/т |
2, 58 |
|
3 |
Оборотная вода |
м3/т |
200 |
|
Загрязняющие вещества в выбросах, не более
| |||
|
4 |
Окись пропилена |
кг/т |
0, 204 |
|
N |
Показатель |
Единица измерения |
Значение |
|
Загрязняющие вещества в выбросах, не более
| |||
|
1 |
Азот диоксид |
кг/т |
9, 0 |
|
2 |
Азот оксид |
кг/т |
6, 0 |
|
3 |
Углерода оксид |
кг/т |
55 |
|
4 |
Углеводороды предельные С1 - С5 (исключая метан) |
кг/т |
52 |
|
5 |
Изобутилен |
кг/т |
41 |
|
6 |
Толуол |
кг/т |
17, 9 |
|
Загрязняющие вещества в сбросах, не более
| |||
|
7 |
Алюминий |
кг/т |
0, 02 |
|
8 |
ХПК |
кг/т |
3, 1 |
|
9 |
pH, ед |
кг/т |
6, 0-9, 0 |
|
Потребление сырьевых ресурсов
| |||
|
10 |
Изобутилен |
кг/т |
2470-2640 |
|
11 |
Толуол |
кг/т |
200-220 |
|
12 |
Порошок алюминиевый марки АСД-Т |
кг/т |
110-150 |
|
Потребление энергоресурсов
| |||
|
13 |
Электроэнергия |
кВт•ч/т |
7000-8800 |
|
14 |
Пар |
Гкал/т |
5, 5-5, 8 |
|
15 |
Оборотная вода |
м3/т |
175-215 |
|
N |
Показатель |
Единица измерения |
Значение |
|
Потребление энергоресурсов, не более
| |||
|
1 |
Электроэнергия |
кВт•ч/т |
81, 55 |
|
2 |
Теплоэнергия |
Гкал/т |
1, 45 |
|
3 |
Оборотная вода |
м3/т |
117, 17 |
|
4 |
Холод |
Гкал/т |
0, 139 |
|
Загрязняющие вещества в выбросах, не более
| |||
|
5 |
Азот диоксид |
кг/т |
0, 45 |
|
6 |
Азот оксид |
кг/т |
0, 073 |
|
7 |
Углерода оксид |
кг/т |
3, 68 |
|
N |
Показатель |
Единица измерения |
Значение | |
|
Загрязняющие вещества в выбросах, не более
| ||||
|
1 |
Диалюминий триоксид (в пересчете на алюминий) |
кг/т |
0, 03 | |
|
2 |
Углеводороды предельные С1 - С5 (исключая метан) |
кг/т |
0, 04 | |
|
3 |
Углеводороды предельные С6 - С10 |
кг/т |
105 | |
|
4 |
Этилен |
кг/т |
14 | |
|
5 |
Минеральное масло |
кг/т |
29 | |
|
6 |
Изобутилен |
кг/т |
30 | |
|
Загрязняющие вещества в сбросах, не более
| ||||
|
7 |
Алюминий |
кг/т |
15 | |
|
8 |
Нефтепродукты |
кг/т |
3, 4 | |
|
Потребление сырьевых ресурсов
| ||||
|
9 |
Производство ТЭА из ТИБА |
Производство ТЭА из этилена | ||
|
Изобутилен |
кг/т |
950-1020 |
0 | |
|
10 |
Порошок алюминиевый марки АСД-Т |
кг/т |
270-300 |
292 |
|
11 |
Водород |
Нм3/т |
1140-1200 |
950 |
|
12 |
Этилен |
кг/т |
1340-1500 |
1050 |
|
Потребление энергоресурсов
| ||||
|
13 |
Электроэнергия |
кВт•ч/т |
5200-5700 |
10925 |
|
14 |
Пар |
Гкал/т |
5, 2-5, 7 |
27 |
|
15 |
Оборотная вода |
м3/т |
3150-3500 |
2440 |
|
N |
Показатель |
Единица измерения |
Значение |
|
Потребление энергоресурсов, не более
| |||
|
1 |
Электроэнергия |
кВт•ч/т |
527 |
|
2 |
Теплоэнергия |
Гкал/т |
2, 1 |
|
Загрязняющие вещества в выбросах, не более
| |||
|
3 |
Окись углерода |
кг/т |
1, 52 |
|
4 |
Хлористый водород |
кг/т |
147, 61 |
|
5 |
Азота диоксид |
кг/т |
4, 46 |
|
6 |
Азота оксид |
кг/т |
0, 73 |
|
N |
Показатель |
Единица измерения |
Значение |
|
Потребление энергоресурсов, не более
| |||
|
1 |
Электроэнергия |
кВт•ч/т |
74, 38 |
|
2 |
Теплоэнергия |
Гкал/т |
7, 43 |
|
3 |
Холод |
Гкал/т |
0, 52 |
|
4 |
Оборотная вода |
м3/т |
496, 24 |
|
Загрязняющие вещества в выбросах, не более
| |||
|
5 |
Спирт этиловый |
кг/т |
4, 07 |
|
6 |
Этилцеллозольв |
кг/т |
1, 45 |
|
N |
Показатель |
Единица измерения |
Значение |
|
Загрязняющие вещества в выбросах, не более
| |||
|
1 |
Фенол |
кг/т |
0, 045 |
|
N |
Показатель |
Единица измерения |
Значение |
|
Потребление энергоресурсов, не более
| |||
|
1 |
Электроэнергия |
тыс.кВт•ч/т |
0, 008 |
|
2 |
Пар 10 атм |
Гкал/т |
1, 56 |
|
3 |
Конденсат паровой (потребленный) |
т/т |
0, 3 |
|
4 |
Конденсат паровой (возвратный) |
т/т |
1, 96 |
|
5 |
Вода оборотная |
тыс. м3/т |
0, 075 |
|
Загрязняющие вещества в сбросах, не более
| |||
|
6 |
ХПК |
кг/т |
6, 808 |
|
N |
Показатель |
Единица измерения |
Значение |
|
Потребление энергоресурсов, не более
| |||
|
1 |
Вода оборотная средняя |
тыс. м3 |
0, 85 |
|
2 |
Газ природный |
тыс. м3 |
0, 235 |
|
3 |
Конденсат паровой ПВС Э/Р |
т |
16, 3 |
|
4 |
Пар 10 атм средний |
Гкал |
10, 3 |
|
5 |
Холод (захоложенная вода) |
Гкал |
0, 259 |
|
6 |
Электроэнергия |
тыс. кВт |
0, 136 |
|
Загрязняющие вещества в выбросах, не более
| |||
|
7 |
Азот диоксид |
кг/т |
0, 371 |
|
8 |
Азот оксид |
кг/т |
0, 0004 |
|
9 |
Углерода оксид |
кг/т |
4, 705 |
|
Загрязняющие вещества в сбросах, не более
| |||
|
10 |
ХПК |
кг/т |
135 |
|
N |
Показатель |
Единица измерения |
Значение |
|
Потребление энергоресурсов, не более
| |||
|
1 |
Электроэнергия |
тыс. кВт |
2, 4 |
|
Загрязняющие вещества в выбросах, не более
| |||
|
2 |
Азот диоксид |
кг/т |
1, 934 |
|
3 |
Азот оксид |
кг/т |
0, 113 |
|
4 |
Углерода оксид |
кг/т |
10, 063 |
|
Загрязняющие вещества в сбросах, не более
| |||
|
5 |
ХПК |
кг/т |
1, 714 |
|
N |
Показатель |
Единица измерения |
Значение |
|
Потребление энергоресурсов, не более
| |||
|
1 |
Холод (раствор поташа) |
Гкал/на 1 т готовой продукции |
0, 5747 |
|
2 |
Пар 10 атм средний |
Гкал/на 1 т готовой продукции |
2, 37995 |
|
3 |
Пар 20 атм средний |
Гкал/на 1 т готовой продукции |
0, 5412 |
|
4 |
Конденсат паровой (потребленный) |
т/на 1 т готовой продукции |
0, 18 |
|
5 |
Конденсат паровой (возвратный) |
т/на 1 т готовой продукции |
3, 96763 |
|
6 |
Вода оборотная |
тыс. м3/на 1 т готовой продукции |
0, 281 |
|
7 |
Электроэнергия |
тыс.кВт•ч /на 1 т готовой продукции |
0, 175 |
|
Загрязняющие вещества в выбросах, не более
| |||
|
8 |
Углерода оксид |
кг/т |
4, 479 |
|
9 |
Азота диоксид |
кг/т |
0, 537 |
|
10 |
Азота оксид |
кг/т |
0, 087 |
|
Загрязняющие вещества в сбросах, не более
| |||
|
11 |
ХПК |
кг/т |
74, 937 |
|
N |
Показатель |
Единица измерения |
Значение |
|
Потребление энергоресурсов, не более
| |||
|
1 |
Пар 10 атм средний |
Гкал |
0, 41 |
|
2 |
Конденсат паровой |
т |
0, 1 |
|
3 |
Вода оборотная |
тыс. м3 |
0, 07 |
|
4 |
Электроэнергия |
тыс.кВт•ч |
0, 04 |
|
5 |
Холод (раствор поташа) |
Гкал |
0, 01 |
|
Загрязняющие вещества в выбросах, не более
| |||
|
6 |
Спирт метиловый |
кг/т |
0, 0024 |
|
Загрязняющие вещества в сбросах, не более
| |||
|
7 |
ХПК |
кг/т |
19, 233 |
|
N |
Показатель |
Единица измерения |
Значение |
|
Потребление энергоресурсов, не более
| |||
|
1 |
Пар 10 атм средний |
Гкал |
0, 41000 |
|
2 |
Конденсат паровой |
т |
0, 21000 |
|
3 |
Вода оборотная |
тыс. м3 |
0, 09700 |
|
4 |
Вода, частично обессоленная с использованием конденсата |
м3 |
0, 30000 |
|
5 |
Электроэнергия |
тыс.кВт•ч |
0, 49000 |
|
Загрязняющие вещества в выбросах, не более
| |||
|
6 |
Спирт метиловый |
кг/т |
0, 243 |
|
7 |
Углерода оксид |
кг/т |
0, 788 |
|
Загрязняющие вещества в сбросах, не более
| |||
|
8 |
ХПК |
кг/т |
6, 9 |
|
N |
Показатель |
Единица измерения |
Значение |
|
Потребление энергоресурсов, не более
| |||
|
1 |
Водород |
тыс. м3 |
1, 4 |
|
2 |
Азот компримированный г/о |
тыс. м3 |
0, 036 |
|
3 |
Холод (захоложенная вода) |
Гкал |
0, 485 |
|
4 |
Пар 10 атм средний |
Гкал |
4, 05 |
|
5 |
Конденсат паровой |
т |
2, 27 |
|
6 |
Электроэнергия |
тыс.кВт•ч |
0, 065 |
|
Загрязняющие вещества в выбросах, не более
| |||
|
7 |
Ацетальдегид |
кг/т |
0, 527 |
|
Загрязняющие вещества в сбросах, не более
| |||
|
8 |
ХПК |
кг/т |
316 |
|
N |
Показатель |
Единица измерения |
Значение |
|
Потребление энергоресурсов, не более
| |||
|
1 |
Пар 10 атм средний |
Гкал |
47 |
|
2 |
Конденсат паровой |
т |
7, 5 |
|
3 |
Вода оборотная |
тыс. м3 |
6 |
|
4 |
Вода обессоленная |
м3 |
17 |
|
5 |
Электроэнергия |
тыс.кВт•ч |
1, 32 |
|
6 |
Холод (раствор поташа) |
Гкал |
1 |
|
Загрязняющие вещества в сбросах, не более
| |||
|
7 |
ХПК |
кг/т |
246, 146 |
|
N |
Показатель |
Единица измерения |
Значение |
|
Потребление энергоресурсов, не более
| |||
|
1 |
Пар 10 атм |
Гкал |
0, 73250 |
|
2 |
Пар 20 атм |
Гкал |
0, 85500 |
|
3 |
Конденсат паровой |
т |
0, 23833 |
|
4 |
Вода частично обессоленная |
м3 |
0, 10033 |
|
5 |
Вода промышленная |
тыс. м3 |
0, 00522 |
|
6 |
Холод |
Гкал |
0, 03600 |
|
7 |
Электроэнергия |
тыс.кВт•ч |
0, 43425 |
|
Загрязняющие вещества в выбросах, не более
| |||
|
8 |
Уксусная кислота |
кг/т |
0, 0526 |
|
9 |
Углерода оксид |
кг/т |
0, 553 |
|
10 |
Углерода диоксид |
кг/т |
0, 357 |
|
11 |
Азота оксид |
кг/т |
0, 007 |
|
Загрязняющие вещества в сбросах, не более
| |||
|
12 |
ХПК |
кг/т |
3, 756 |
|
Показатель |
Единица измерения |
Значение | |
|
Потребление энергоресурсов, не более
| |||
|
1 |
Пар 30 атм средний |
Гкал |
0, 6 |
|
2 |
Пар 20 атм средний |
Гкал |
1, 65 |
|
3 |
Пар 10 атм средний |
Гкал |
0, 19 |
|
4 |
Конденсат паровой |
т |
1, 49 |
|
5 |
Электроэнергия |
тыс.кВт•ч |
0, 89 |
|
6 |
Газ природный |
тыс. м3 |
0, 38 |
|
Загрязняющие вещества в выбросах, не более
| |||
|
7 |
Азот диоксид |
кг/т |
2, 053 |
|
8 |
Азот оксид |
кг/т |
0, 307 |
|
9 |
Углерода оксид |
кг/т |
0, 273 |
|
Загрязняющие вещества в сбросах, не более
| |||
|
10 |
ХПК |
кг/т |
Данные не предоставлены |
|
N |
Показатель |
Единица измерения |
Значение |
|
Загрязняющие вещества в выбросах, не более
| |||
|
1 |
Хлор |
кг/т |
0, 001 |
|
2 |
Хлористый водород |
кг/т |
0, 01 |
|
3 |
Трихлорметан (хлороформ) |
кг/т |
5, 0 |
|
Загрязняющие вещества в сбросах, не более
| |||
|
4 |
Хлорид-анион (хлориды) |
кг/т |
352, 5 |
|
5 |
Сульфат-анион (сульфаты) |
кг/т |
25 |
|
N |
Показатель |
Единица измерения |
Значение |
|
Потребление энергоресурсов, не более
| |||
|
1 |
Электроэнергия |
кВт•ч/т |
76, 65 |
|
2 |
Теплоэнергия |
Гкал/т |
0, 278 |
|
Загрязняющие вещества в выбросах, не более
| |||
|
3 |
Окись этилена |
кг/т |
0, 141 |
|
4 |
Окись пропилена |
кг/т |
0, 917 |
|
N |
Показатель |
Единица измерения |
Значение |
|
Потребление энергоресурсов, не более
| |||
|
1 |
Электроэнергия |
тыс.кВт•ч/т |
0, 02 |
|
2 |
Вода промышленная |
м3/т |
1 |
|
3 |
Пар 4, 5 кгс/см2 |
Гкал/т |
2 |
|
Загрязняющие вещества в выбросах, не более
| |||
|
4 |
Углеводороды предельные С12 - С16 |
кг/т |
0, 021 |
|
Загрязняющие вещества в сбросах, не более
| |||
|
5 |
Аммоний-ион |
кг/т |
0, 04 |
|
N |
Показатель |
Единица измерения |
Значение |
|
Потребление энергоресурсов, не более
| |||
|
1 |
Электроэнергия |
тыс.кВт•ч/т |
0, 42 |
|
2 |
Пар 20 кгс/см2 |
Гкал/т |
12 |
|
3 |
Вода промышленная |
м3/т |
44 |
|
Загрязняющие вещества в выбросах, не более
| |||
|
4 |
Углеводороды предельные С6 - С10 |
кг/т |
0, 005 |
|
Загрязняющие вещества в сбросах, не более
| |||
|
5 |
Нефтепродукты |
кг/т |
0, 032 |
|
N |
Показатель |
Единица измерения |
Значение |
|
Загрязняющие вещества в выбросах, не более
| |||
|
1 |
Трихлорметан (хлороформ) |
кг/т |
2, 11 |
|
N |
Показатель |
Единица измерения |
Значение |
|
Производство хладонов
| |||
|
Потребление энергоресурсов, не более
| |||
|
1 |
Электроэнергия |
кВт•ч |
144, 0 |
|
2 |
Пар |
Гкал |
3, 75 |
|
3 |
Вода производственная |
м3 |
359, 9 |
|
4 |
Холод (-15 °С) |
Гкал |
1, 19 |
|
5 |
Холод (-40 °C) |
Гкал |
0, 54 |
|
6 |
Азот |
м3 |
109 |
|
Загрязняющие вещества в сбросах, не более
| |||
|
7 |
Хлорид-анион |
кг/т |
0, 101 |
|
Загрязняющие вещества в выбросах, не более
| |||
|
8 |
Тетрафторэтилен |
кг/т |
11, 6 |
|
Производство мономеров: Термическое разложение хладона-142В, хладона-22, с последующей очисткой от кислых примесей, компримированием, осушкой, концентрированием, конденсацией и ректификацией пиролизата | |||
|
Потребление энергоресурсов, не более
| |||
|
9 |
Электроэнергия |
кВт•ч |
3070, 84 |
|
10 |
Пар |
Гкал |
5, 5 |
|
11 |
Вода производственная |
м3 |
2030, 8 |
|
12 |
Холод (-15 °С) |
Гкал |
0, 66 |
|
13 |
Холод (-40 °C) |
Гкал |
1, 83 |
|
Производство мономеров: дегалоидирование 1, 1, 2-трифторхлорэтана цинковым порошком в водной среде при постоянном перемешивании | |||
|
Потребление энергоресурсов, не более
| |||
|
14 |
Электроэнергия |
кВт•ч |
136, 92 |
|
15 |
Пар |
Гкал |
2, 22 |
|
16 |
Вода производственная |
м3 |
1994, 0 |
|
17 |
Холод (-15 °С) |
Гкал |
0, 65 |
|
18 |
Холод (-40 °C) |
Гкал |
0, 36 |
|
Загрязняющие вещества в сбросах, не более
| |||
|
19 |
Хлорид-анион |
кг/т |
0, 047 |
|
N |
Показатель |
Единица измерения |
Значение |
|
Потребление энергоресурсов, не более
| |||
|
1 |
Электроэнергия |
кВт•ч/т |
144, 8 |
|
2 |
Теплоэнергия (пар) |
Гкал/т |
0, 5* |
|
3 |
Оборотная вода |
м3/т |
5, 2* |
|
4 |
Природный газ |
м3/т |
21, 4* |
|
Загрязняющие вещества в выбросах, не более
| |||
|
5 |
Азота диоксид |
кг/т |
0, 08* |
|
6 |
Азота оксид |
кг/т |
0, 01* |
|
7 |
Углерода оксид |
кг/т |
0, 2* |
|
* - удельное значение на тонну суммарной товарной продукции производств ПАВ | |||
|
N |
Показатель |
Единица измерения |
Значение |
|
Потребление энергоресурсов, не более
| |||
|
1 |
Электроэнергия |
кВт•ч/т |
240 |
|
2 |
Теплоэнергия (пар) |
Гкал/т |
0, 5* |
|
3 |
Оборотная вода |
м3/т |
5, 2* |
|
4 |
Природный газ |
м3/т |
21, 4* |
|
Загрязняющие вещества в выбросах, не более
| |||
|
5 |
Азота диоксид |
кг/т |
0, 08* |
|
6 |
Азота оксид |
кг/т |
0, 01* |
|
7 |
Углерода оксид |
кг/т |
0, 2* |
|
* - удельное значение на тонну суммарной товарной продукции производств ПАВ | |||
|
N |
Показатель |
Единица измерения |
Значение |
|
Потребление энергоресурсов, не более
| |||
|
1 |
Электроэнергия |
кВт•ч/т |
144, 8 |
|
2 |
Теплоэнергия (пар) |
Гкал/т |
0, 5* |
|
3 |
Оборотная вода |
м3/т |
5, 2* |
|
4 |
Природный газ |
м3/т |
21, 4* |
|
Загрязняющие вещества в выбросах, не более
| |||
|
5 |
Азота диоксид |
кг/т |
0, 08* |
|
6 |
Азота оксид |
кг/т |
0, 01* |
|
7 |
Углерода оксид |
кг/т |
0, 2* |
|
* - удельное значение на тонну суммарной товарной продукции производств ПАВ | |||
Приложение Д
(обязательное)
К основным направлениям сокращения потребления энергии при производстве продукции тонкого органического синтеза относятся:
1) замена устаревшего и использование современного оборудования (печи, котлы-утилизаторы, насосы и др.);
2) реализация имеющихся резервов энергии;
3) использование современных высокоактивных и селективных катализаторов;
4) строительство собственных источников энергоснабжения (котельные, парогазовые, газотурбинные установки) на предприятиях.
Также для повышения энергоэффективности следует осуществлять:
- разработку, внедрение и последовательное совершенствование системы энергетического менеджмента, область охвата которой определяется организацией с учетом особенностей использования энергии и приоритетных направлений повышения энергетической эффективности;
- учет методов энергоэффективности, изложенных в справочнике НДТ ИТС 48-2017.
Библиография
1 Федеральный закон Российской Федерации от 21 июля 2014 г. N 219-ФЗ "О внесении изменений в Федеральный закон "Об охране окружающей среды" и отдельные законодательные акты Российской Федерации".
2 Федеральный закон от 10 января 2002 г. N 7-ФЗ "Об охране окружающей среды".
3 Распоряжение Правительства Российской Федерации от 31 октября 2014 г. N 2178-р "Поэтапный график создания в 2015-2017 гг. справочников наилучших доступных технологий" (с изменениями от 29 августа 2015 г. N 1678-р).
4 Федеральный закон Российской Федерации от 20 июня 2015 г. N 162-ФЗ "О стандартизации в Российской Федерации".
5 ГОСТ Р 56828.14-2016 Наилучшие доступные технологии. Структура информационно-технического справочника.
6 ГОСТ Р 56828.13-2016 Наилучшие доступные технологии. Формат описания технологий.
7 ГОСТ Р 56828.15-2016 Наилучшие доступные технологии. Термины и определения.
8 Федеральный закон от 10 января 2002 г. N 7-ФЗ "Об охране окружающей среды".
9 Методические рекомендации по определению технологии в качестве наилучшей доступной, утвержденные приказом Министерства промышленности и торговли Российской Федерации от 31 марта 2015 г. N 665.
10 Распоряжение Правительства Российской Федерации от 24 декабря 2014 г. N 2674-р "Перечень областей применения наилучших доступных технологий".
11 Концепция Плана мероприятий по развитию производства малотоннажной химии в Российской Федерации на период до 2030 г.
12 Справочник Европейского союза "Экономические аспекты и вопросы воздействия на различные компоненты окружающей среды" URL: http://eippcb.jrc.ec.europa.eu/reference/
13 Методические рекомендации по оценке эффективности инвестиционных проектов (утв. Минэкономики РФ, Минфином РФ и Госстроем РФ от 21 июня 1999 г. N ВК 477).
14 Chauvel, Alain; Lefebvre, Gilles. Petrochemical Processes. Volume 2: Major Oxygenated, Chlorinated and Nitrated Derivatives. Editions Technip. p. 26. ISBN 9782710805632.
15 https://en.wikipedia.org/wiki/Propylene_glycol#Production.
16 An-Yuan Yin, Xiu-Ying Guo, Wei-Lin Dai and Kang-Nian Fan.//Green Chem., - 2009, 11, 1514-1516.
17 http://www.dow.com/propyleneglycol/news/20070315b.htm.
18 https://www.exxonmobilchemical.com/Chem-English/Files/Resources/nonene-pr oduct-safety-summary.pdf.
19 http://www.shell.com/business-customers/chemicals/safe-product-handling-a nd-transportation/product-stewardship-summaries/_jcr_content/par/expandab lelist/expandablesection_207575310.stream/1446578001975/c7eab488b6a6c386e 8a5b1b1ec2a692586efdf6e563a5ae6a2eb2fea5633b3ca/nonene-product-stewardshi p-summary-october-2012.pdf.
20 https://en.wikipedia.org/wiki/T ripropylene.
21 Handbook of Detergents, Part F: Production, Editors Uri Zoller, Paul Sosis, 2009, p. 65.
22 Elementorganic Monomers: Technology, Properties, Applications, Editors Khananashvili, Mukbaniani, Gennady Zaikov, 2006, P, 377.
23 Industrial Organic Chemicals, Editors Harold A. Wittcoff, Bryan G. Reuben, Jeffery S. Plotkin, Wiley, 2004, p.146.
24 https://en.wikipedia.org/wiki/Triisobutylaluminium.
25 Patent EP1055659 (A1), Process for the preparation of neodymium neodeca-noate and use thereof as catalytic component for the solution polymerisation of butadiene.
26 Patent US 6482906 B1, Process for preparing and using neodymium neodecano-ate.
27 https://www.comarchemicals.com/index.php/en/products-en/synthetic-rubber- catalysts-en/neodymium-versatate-en.
28 Thiele, Bjoern; Heinke, Volkmar; Kleist, Einhard; Guenther, Klaus (2004-06-01). "Contribution to the Structural Elucidation of 10 Isomers of Technical p-Nonylphenol". Environmental Science & Technology. 38 (12): 3405-3411. ISSN 0013-936X. doi:10, 1021/es040026g.
29 Ruft, Alexander S.; Vinken, Ralph; Schuphan, Ingolf; Schmidt, Burkhard (2005-09-01). "Synthesis of branched para-nonylphenol isomers: Occurrence and quantification in two commercial mixtures". Chemosphere. 60 (11): 1624-1635. PMID 16083769. doi:10, 1016/j.chemosphere. - 2005.02.04 - 6.
30 Wheeler, Todd F.; Heim, John R.; LaTorre, Maria R.; Janes, A. Blair (1997-01-01). "Mass Spectral Characterization of p-Nonylphenol Isomers Using High-Resolution Capillary GC-MS". Journal of Chromatographic Science. 35 (1): 19-30. ISSN 0021-9665. doi:10, 1093/chromsci/35, 1.19.
31 http://www.cpm.chalmers.se/cpmdatabase/Scripts/sheet.asp?ActId=1997-07-14 829.
32 H. Fiege, H.-W. Voges, T. Hamamoto, S. Umemura, T. Iwata, H. Miki, Y. Fujita, H.-J. Buysch, D. Garbe, W. Paulus, in Ullmann's Encyclopedia of Industrial Chemistry, Wiley-VCH Verlag GmbH & Co. KGaA, Editon edn., 2000.
33 https://en.wikipedia.org/wiki/Nonylphenol.
34 Arthur, Abraham; Madden, William; Percy, Ryan; and Soliman, Eiman, Ethylene to Linear, Alpha Olefins (1-Hexene & 1-Octene) (2013). Senior Design Reports (CBE). 52. http://repository.upenn.edu/cgi/viewcontent.cgi?article=1050&context=cbe_ sdr.
35 https://en.wikipedia.org/wiki/Linear_alpha_olefin.
36 http://www.linde-engineering.com/en/innovations/alpha_sablin/index.html.
37 A Highly Active, Isospecific Cobalt Catalyst for Propylene Oxide Polymerization Kathryn L. Peretti, Hiroharu Ajiro, Claire T. Cohen, Emil B. Lobkovsky, and Geoffrey W. Coates J. Am. Chem. Soc., 127 (33), 11566-11567, 2005.
38 Catalytic Ring-Opening Polymerization of Propylene Oxide by Organoborane and Aluminum Lewis Acids Debashis Chakraborty, Antonio Rodriguez, and, and Eugene Y-X. Chen, Macromolecules, 36 (15), 5470-5481, 2003.


