ИТС 50-2017 ПЕРЕРАБОТКА ПРИРОДНОГО И ПОПУТНОГО ГАЗА
Processing of natural and accompanying gas
Дата введения - 1 мая 2018 г.
Введение
Настоящий информационно-технический справочник по наилучшим доступным технологиям "Переработка природного и попутного газа" (далее - Справочник НДТ) разработан на основе анализа технологических, технических и управленческих решений, применяемых для обеспечения высокой ресурсоэффективности и экологической результативности переработки углеводородного сырья.
С 1 января 2015 г. вступил в действие Федеральный закон от 21 июля 2014 г. N 219-ФЗ "О внесении изменений в Федеральный закон "Об охране окружающей среды" и отдельные законодательные акты Российской Федерации" [1]. Закон был разработан с целью совершенствования правового регулирования экологического нормирования в области охраны окружающей среды и введения мер экономического стимулирования хозяйствующих субъектов для внедрения наилучших доступных технологий.
Термин "наилучшая доступная технология" (НДТ) определен в Федеральном законе [2], согласно статье 1 которого "наилучшая доступная технология - это технология производства продукции (товаров), выполнения работ, оказания услуг, определяемая на основе современных достижений науки и техники и наилучшего сочетания критериев достижения охраны окружающей среды при условии наличия технической возможности ее применения".
В соответствии с положениями Федерального закона объекты, оказывающие воздействие на окружающую среду, относятся к 4 категориям по степени оказываемого негативного воздействия, к каждой из которых будут применены различные меры государственного регулирования.
Деятельность по переработке нефти и газа включена в I категорию, как оказывающая наиболее значительное негативное воздействие на окружающую среду, и отнесена к областям применения наилучших доступных технологий. Объекты I категории обязаны получать комплексные экологические разрешения на осуществление своей деятельности.
В период с 2015 по 2017 гг. согласно распоряжению Правительства Российской Федерации от 31 октября 2014 г. N 2178-р [3] должны быть разработаны информационно-технические справочники по наилучшим доступным технологиям, являющиеся документами национальной системы стандартизации Российской Федерации согласно Федеральному закону [4].
Структура настоящего Справочника НДТ соответствует ГОСТ Р 56828.14-2016 [5], формат описания технологий - ГОСТ Р 56828.13-2016 [6], термины приведены в соответствии с ГОСТ Р 56828.15-2016 [7].
Предисловие
Цели, основные принципы и порядок разработки Справочника НДТ установлены постановлением Правительства Российской Федерации от 23 декабря 2014 г. N 1458 "О порядке определения технологии в качестве наилучшей доступной технологии, а также разработки, актуализации и опубликования информационно-технических справочников по наилучшим доступным технологиям" [8].
Статус документа
Настоящий Справочник НДТ является документом по стандартизации.
Информация о разработчиках
Справочник НДТ разработан технической рабочей группой "Переработка природного и попутного газа" (ТРГ 50), состав которой утвержден приказом Росстандарта от 9 сентября 2016 г. N 1297 "О создании технической рабочей группы "Переработка природного и попутного газа" [9].
Перечень организаций, оказавших поддержку в разработке Справочника НДТ, приведен в разделе "Заключительные положения и рекомендации".
Справочник НДТ представлен на утверждение Бюро наилучших доступных технологий (Бюро НДТ) (www.burondt.ru).
Краткая характеристика
В Справочнике НДТ рассматриваются НДТ, предназначенные для выделения из исходного сырья углеводородных фракций, индивидуальных углеводородов, а также неуглеводородных компонентов.
Справочник НДТ содержит описание применяемых при переработке природного и попутного газа технологических процессов, оборудования, технических способов, методов, в том числе позволяющих снизить негативное воздействие на окружающую среду, повысить энергоэффективность, обеспечить ресурсосбережение.
Из описанных технологических процессов, оборудования, технических способов, методов (в том числе управления) определены решения, являющиеся НДТ. Для ряда НДТ установлены соответствующие технологические показатели.
Взаимосвязь с международными и региональными аналогами
Справочник НДТ разработан с учетом международного аналога - справочника Европейского Союза по наилучшим доступным технологиям "Нефте- и газоперерабатывающие заводы" (Best Available Techniques (BAT) Reference Document for the Refining of Mineral Oil and Gas) [10], опыта создания других справочников Европейского союза по наилучшим доступным технологиям (Reference Book on Best Available Techniques) [11], информационно-технических справочников Российской Федерации [12 - 26], а также технологических, экологических и экономических особенностей переработки углеводородного сырья в российских нефтегазовых компаниях.
Сбор данных
Информация о технологических процессах, оборудовании, технических способах, методах, применяемых при переработке природного и попутного газа в Российской Федерации, была собрана в процессе разработки справочника в соответствии с Порядком сбора данных, необходимых для разработки информационно-технического справочника по наилучшим доступным технологиям и анализа приоритетных проблем отрасли, утвержденным приказом Росстандарта от 23 июля 2015 г. N 863 [27].
Взаимосвязь с другими справочниками НДТ
Взаимосвязь настоящего Справочника НДТ с другими справочниками НДТ, разрабатываемыми в соответствии с распоряжением Правительства Российской Федерации от 31 октября 2014 г. N 2178-р [3], приведена в разделе "Область применения".
Информация об утверждении, опубликовании и введении в действие
Справочник утвержден приказом Росстандарта от 14 ноября 2017 г. N 2423.
Справочник введен в действие с 1 мая 2018 г. официально опубликован в информационной системе общего пользования - на официальном сайте Федерального агентства по техническому регулированию и метрологии в сети Интернет (www.gost.ru).
Область применения
Настоящий Справочник НДТ распространяется на следующие объекты стандартизации в соответствии с кодами ОКС [28]:
75.020 Добыча и переработка нефти и природного газа;
75.200 Оборудование для переработки нефти, нефтяных продуктов и природного газа;
13.020 Охрана окружающей среды.
Настоящий Справочник НДТ распространяется на следующие основные виды деятельности:
- производство сжиженных углеводородных газов, широкой фракции легких углеводородов, сухого (отбензиненного) газа, этановой фракции, индивидуальных углеводородов (пропана, бутана, пентана), бензина газового стабильного, моторных топлив, конденсата газового стабильного и других углеводородов из природного и попутного газа;
- производство гелия;
- производство углерода технического, серы газовой технической.
Справочник НДТ распространяется на процессы, связанные с основными видами деятельности, которые могут оказать влияние на ресурсоэффективность, характер и масштаб воздействия на окружающую среду:
- подготовка сырья;
- производственные процессы;
- методы предотвращения и сокращения эмиссий и образования отходов.
Справочник НДТ не распространяется на:
- процессы вспомогательного производства, такие, как работа ремонтных мастерских, объекты охраны/сигнализации, пожарные депо, автотранспортное хозяйство; вентиляция и др.
- вопросы, касающиеся исключительно обеспечения промышленной безопасности или охраны труда.
Отдельные виды деятельности при переработке углеводородного сырья (таблица 1) регулируются соответствующими справочниками НДТ (согласно распоряжению Правительства Российской Федерации) [3].
Области применения Справочника НДТ соответствуют коды видов деятельности согласно ОКВЭД 2 [29] и виды получаемой продукции согласно ОКПД 2 [30].
|
Вид деятельности |
Соответствующий справочник НДТ |
|
1 |
2 |
|
Очистка сточных вод |
ИТС 8-2015 "Очистка сточных вод при производстве продукции (товаров), выполнении работ и оказании услуг на крупных предприятиях" [19] |
|
ИТС 10-2015 "Очистка сточных вод с использованием централизованных систем водоотведения поселений, городских округов" [21] | |
|
Обращение с отходами |
ИТС 9-2015 "Обезвреживание отходов термическим способом (сжигание отходов)" [20] |
|
ИТС 15-2016 "Утилизация и обезвреживание отходов (кроме обезвреживания термическим способом (сжигание отходов)" [22] | |
|
ИТС 17-2016 "Размещение отходов производства и потребления" [23] | |
|
Очистка выбросов загрязняющих веществ |
ИТС 22-2016 "Очистка выбросов вредных (загрязняющих) веществ в атмосферный воздух при производстве продукции (товаров), а также при проведении работ и оказании услуг на крупных предприятиях" [24] |
|
Производственный экологический контроль |
ИТС 22.1-2016 "Общие принципы производственного экологического контроля и его метрологического обеспечения" [25] |
|
Промышленные системы охлаждения |
ИТС 20-2016 "Промышленные системы охлаждения" [26] |
|
Добыча, разделение и извлечение нефтяного (попутного) газа |
ИТС 28-2017 "Добыча нефти" |
|
Добыча и подготовка природного газа |
ИТС 29-2017 "Добыча природного газа" |
|
Производство нефтепродуктов в процессе переработки нефти и конденсата |
ИТС 30-2017 "Переработка нефти" |
|
Производство энергии |
ИТС 38-2017 "Сжигание топлива на крупных установках в целях производства энергии" |
|
Хранение и складирование |
ИТС 46-2017 "Сокращение выбросов загрязняющих веществ, сбросов загрязняющих веществ при хранении и складировании товаров (грузов)" |
|
Энергоэффективность |
ИТС 48-2017 "Повышение энергетической эффективности при осуществлении хозяйственной и (или) иной деятельности" |
Газовый бензин - жидкая углеводородная смесь, получаемая путем переработки газа (природного или попутного) и газового конденсата, состоящая из предельных углеводородов С3-С6 с примесями углеводородных и неуглеводородных компонентов [31].
Гелий - одноатомный инертный газ без цвета, вкуса и запаха. Гелий - второй элемент в периодической системе химических элементов Д.И. Менделеева с атомным номером 2 и обозначением Не. Гелий нетоксичен, негорюч, легок (плотность при нормальных условиях составляет 0, 1786 кг/м3), обладает самой низкой температурой кипения при атмосферном давлении (-268, 9°С), очень высокой теплопроводностью. Изотоп гелия - гелий-4 обладает низкой вязкостью и сверхтекучестью. По распространенности гелий занимает второе место в мире вслед за водородом [149].
Гелиевый концентрат - газовая смесь, содержащая не менее 80% об. гелия и не более 20% об. азота, получаемая из гелийсодержащего природного газа, представляющая собой сырье для производства сжатого газообразного гелия [31].
Жидкий гелий - сжиженный газ, получаемый из газообразного гелия концентрацией не менее 99, 9900% об [31].
Конденсат газовый нестабильный - газовый конденсат, содержащий в растворенном виде газообразные углеводороды, направляемый на переработку с целью очистки от примесей и выделения углеводородов С1-С4, отвечающий требованиям соответствующего нормативного документа [31].
Конденсат газовый стабильный - газовый конденсат, получаемый путем очистки нестабильного газового конденсата от примесей и выделения из него углеводородов С1-С4, отвечающий требованиям соответствующего нормативного документа [31].
Нестабильный газовый бензин (газовый бензин нестабильный) - газовый бензин, давление насыщенных паров по Рейду которого выше 66, 7 кПа в летний период и выше 93, 3 кПа в зимний период [31].
Природный газ, газ горючий природный (естественный) - это газообразная смесь, состоящая из метана (который является основным компонентом природного газа) и более тяжелых углеводородов, азота, диоксида углерода, водяных паров, серосодержащих соединений, инертных газов (также обычно содержит следовые количества других компонентов) [31].
Попутный газ, попутный нефтяной газ - это газообразная смесь углеводородных и неуглеводородных компонентов, добываемая совместно с нефтью через нефтяные скважины и выделяющаяся из нефти в процессе ее промысловой подготовки [32].
Сжатый газообразный гелий - газ, содержащий не менее 99, 99% об. гелия, получаемый при переработке гелийсодержащего природного газа, находящийся при избыточном давлении [31].
Сжиженные углеводородные газы - сжиженные углеводородные смеси пропана, бутанов и с примесями углеводородных и неуглеводородных компонентов, получаемые путем переработки природного газа и ПНГ, применяемые в качестве моторного топлива, сырья для нефтехимии, для коммунально-бытового и промышленного потребления, отвечающие требованиям соответствующего нормативного документа.
Стабильный газовый бензин (газовый бензин стабильный) - газовый бензин, давление насыщенных паров по Рейду которого ниже 66, 7 кПа в летний период и ниже 93, 3 кПа в зимний период [31].
Сухой газ отбензиненный - товарный газ, поставляемый в магистральные газопроводы после установок подготовки и соответствующий требованиям потребителя или определенной нормативной документации, в том числе по регламентированным значениям точки росы по воде и углеводородам [32].
Техническая газовая сера - сера, получаемая из кислого газа [31].
Технический углерод - дисперсный углерод, получаемый при неполном сгорании или термическом разложении углеводородов [31].
Широкая фракция легких углеводородов - углеводородная смесь, состоящая из пропана, бутанов и пентанов с примесями метана, этана, гексана и более тяжелых компонентов, получаемая в процессе переработки ПНГ, природного газа, нестабильного газового конденсата и стабилизации нефти [31].
Этановая фракция (природного газа) - газообразная углеводородная смесь, содержащая не менее 60% масс. этана, получаемая на установках низкотемпературной конденсации и ректификации [31].
АВО - аппарат воздушного охлаждения газа;
АОК - абсорбционно-отпарная колонна;
АОП - азеотропная осушка пропана;
АТР - Азиатско-Тихоокеанский регион;
БМК - блочно-модульный комплекс;
БСК - блок стабилизации конденсата;
БТ - бутан технический;
ВНД - внутренняя норма доходности;
ГГП - газ горючий природный;
ГЗ - гелиевый завод;
ГПЗ - газоперерабатывающий завод;
ГПП - газоперерабатывающее предприятие;
ГСМ - горюче-смазочные материалы;
ГФУ - газофракционирующая установка;
ДЭГ - диэтиленгликоль;
ЗВ - загрязняющее вещество;
ЗПК - завод по переработке конденсата;
ЗПКТ - завод по подготовке конденсата к транспорту;
ЗСК - завод стабилизации конденсата;
ИТС НДТ - информационно-технический справочник по наилучшим доступным технологиям;
КБА - короткоцикловая безнагревная адсорбция;
КВД - корпус высокого давления;
КГ - кислые газы;
КГН - конденсат газовый нестабильный;
КГС - конденсат газовый стабильный;
КГУ - криогенно-гелиевая установка;
КИПиА - контрольно-измеряющий прибор и автоматика;
КНД - корпус низкого давления;
КЦА - короткоцикловая адсорбция;
ЛОС - летучие органические соединения;
МГБ - мембранные газораспределительные блоки;
МДЭА - монодиэтаноламин;
МТР - материально-технические ресурсы;
НГКМ - нефтегазоконденсатное месторождение;
НДТ - наилучшая доступная технология;
НТА - низкотемпературная абсорбция;
НТК - низкотемпературная конденсация;
НТКР - низкотемпературная конденсация и ректификация;
НТС - низкотемпературная сепарация;
НТР - низкотемпературное разделение;
ОКС - общероссийский классификатор стандартов;
ОС - окружающая среда;
ПА - пропан автомобильный;
ПБА - пропан-бутан автомобильный;
ПБТ - пропан-бутан технический;
ПБФ - пропан-бутановая фракция;
ПВД - полость высокого давления;
ПГ - природный газ;
ПГФ - пентан-гексановая фракция;
ПЗА - показатель загрязнения атмосферы;
ПНГ - попутный нефтяной газ;
ПНД - полость низкого давления;
ПТ - пропан технический;
СПБТ - смесь пропан-бутан техническая;
СВ - сточные воды;
СЖУ - синтетические жидкие углеводороды;
СОГ - сухой газ отбензиненный;
СУ - синтетические углеводороды;
СУГ - сжиженные углеводородные газы;
СТУ - синтетические твердые углеводороды;
СЭМ - система экологического менеджмента;
ТДА - детандер компрессорного агрегата (турбодетандерный агрегат);
ТКА - турбокомпрессорный агрегат;
ТТР - температура точки росы;
ТЭЦ - теплоэлектроцентраль;
УВ - углеводороды;
УПГ - управление по переработке газа;
УПДТ - установка получения дизельного топлива;
УСК - установка стабилизации конденсата;
ФККО - Федеральный классификационный каталог отходов;
ЧДД - чистый дисконтированный доход;
ШФЛУ - широкая фракция легких углеводородов.
Под переработкой природного и попутного нефтяного газа понимается совокупность технологических процессов физического, физико-химического и химического преобразования природного газа и всех компонентов попутного нефтяного газа в продукты переработки (целевые продукты) (согласно ГОСТ Р 53521 [31] и ГОСТ Р 54973 [32]).
Основу ПНГ составляют растворенные в нефти в пластовых условиях газовые компоненты.
В состав природного газа газоконденсатных и нефтегазоконденсатных месторождений входят значительные объемы жидких углеводородов широкого фракционного состава (с температурами кипения до 500 - 600°С и выше), растворенные в газовой фазе в пластовых условиях и выделяющиеся из нее в виде газового конденсата при промысловой подготовке добываемого сырья. Процессы промысловой подготовки природного газа газоконденсатных месторождений и последующей переработки выделенных потоков газа и газового конденсата составляют совокупность технологических процессов газопереработки (переработки природного газа).
1.1 Текущее состояние переработки природного и попутного газа в Российской Федерации
Объем переработки газа (природного и попутного) в 2015 г. составил 71, 6 млрд м3 (рисунок 1.1) [33], причем доля ПНГ в общем объеме переработки постоянно растет.

Рисунок 1.1 - Динамика объемов переработки газа (доля ПНГ приведена в процентах к общему объему)
Крупнейшими газоперерабатывающими компаниями на текущий момент являются: по переработке природного газа - Группа Газпром (96, 3% от переработки природного газа в РФ); по переработке ПНГ - Сибур-Холдинг (56, 2% от переработки ПНГ в РФ).
Сведения о количестве действующих газоперерабатывающих предприятий, их географическом расположении, технологических показателях приведены в таблице 1.1.
|
N |
Наименование |
Год ввода |
Проектная мощность по сырью |
Фактическая переработка за 2015 г. | |||
|
ПГ |
ПНГ |
газовый конденсат | |||||
|
1 |
2 |
3 |
4 |
5 |
6 |
7 | |
|
Южный и Северо-Кавказский Федеральный округ | |||||||
|
1 |
Астраханский ГПЗ ПАО "Газпром" |
1986 |
12 млрд м3/год |
10, 25 млрд м3/год |
- |
3, 5 млн т | |
|
2 |
Коробковский ГПЗ ПАО "Лукойл" |
1966 |
450 млн м3/год |
9, 9 млн м3 |
424, 3 млн м3 |
- | |
|
Северо-Западный Федеральный округ | |||||||
|
3 |
Сосногорский ГПЗ ПАО "Газпром" |
1964 |
3 млрд м3/год |
2182, 1 млн м3 |
42, 0 млн м3 |
- | |
|
4 |
Усинский ГПЗ ПАО "Лукойл" |
1980 |
504 млн м3/год |
240, 4 млн м3 |
- |
- | |
|
Дальневосточный Федеральный округ | |||||||
|
5 |
Якутский ГПЗ АО "Сахатранснефтегаз" |
1999 |
0, 63 млрд м3/год |
782 млн м3 |
- |
- | |
|
Сибирский Федеральный округ | |||||||
|
7 |
Востокгазпром Группа Газпром |
2003 |
- |
929, 2 млн м3 |
1136, 8 млн м3 |
- | |
|
Уральский Федеральный округ | |||||||
|
8 |
Сургутский ЗСК ПАО "Газпром" |
1986 |
12 млн т/год |
- |
- |
8, 49 млн т | |
|
9 |
Уренгойский ЗПКТ ПАО "Газпром" |
2001 |
13, 6 млн т/год |
- |
- |
10, 06 млн т | |
|
10 |
Пуровский ЗПК ОАО "Новатэк" |
2005 |
11 млн т/год |
- |
- |
4, 86 млн т | |
|
11 |
Локосовский ГПК ПАО "Лукойл" |
1983 |
2, 3 млрд м3/год |
- |
1, 898 млрд м3 | ||
|
12 |
Белозерный ГПЗ ПАО "Сибур Холдинг" |
1980 |
4, 63 млрд м3/год |
- |
4, 796 млрд м3 |
- | |
|
13 |
Губкинский ГПЗ ПАО "Сибур Холдинг" |
1988 |
2, 628 млрд м3/год |
- |
1, 875 млрд м3 |
- | |
|
14 |
Нижневартовский ГПЗ ПАО "Сибур Холдинг" |
1974 |
6, 214 млрд м3/год |
- |
5, 897 млрд м3 |
- | |
|
15 |
Муравленковский ГПЗ ПАО "Сибур Холдинг" |
1988 |
1, 314 млрд м3/год |
- |
1, 107 млрд м3 |
- | |
|
16 |
Няганьгазпереработка ПАО "Сибур Холдинг" |
1987 |
2, 52 млрд м3/год |
- |
1, 779 млрд м3 |
- | |
|
17 |
Южнобалыкский ГПЗ ПАО "Сибур Холдинг" |
1978 |
2, 93 млрд м3/год |
- |
3, 213 млрд м3 |
- | |
|
18 |
Вынгапуровский ГПЗ ПАО "Сибур Холдинг" |
1990 |
2, 77 млрд м3/год |
- |
2, 445 млрд м3 |
- | |
|
19 |
Сургутское УПГ ОАО "Сургутнефтегаз" |
1980 |
7, 28 млрд м3/год |
- |
6, 235 млрд м3 |
- | |
|
20 |
Южно-Приобский ГПЗ ПАО "Сибур Холдинг" +Группа Газпром |
2015 |
0, 9 млрд м3/год |
- |
609 млн м3 |
- | |
|
Приволжский Федеральный округ | |||||||
|
21 |
Туймазинское ГПП ПАОАНК "Башнефть" |
1956 |
365 млн м3/год |
- |
27, 6 млн м3 |
- | |
|
22 |
Шкаповское ГПП ПАО АНК "Башнефть" |
1959 |
250 млн м3/год |
- |
80, 9 млн м3 |
- | |
|
23 |
Нефтегорский ГПЗ ПАО "НК "Роснефть" |
1967 |
680 млн м3/год |
- |
410, 2 млн м3 |
- | |
|
24 |
Отрадненский ГПЗ ПАО "НК "Роснефть" |
1962 |
360 млн м3/год |
- |
257, 1 млн м3 |
- | |
|
25 |
Оренбургский ГПЗ ПАО "Газпром" |
1974 |
40 млрд м3/год и 6, 2 млн т/год |
25, 014 млрд м3 |
- |
1, 73 млн т | |
|
26 |
Оренбургский ГЗ ПАО "Газпром" |
1978 |
15 млрд м3/год |
15 млрд м3 |
- |
- | |
|
27 |
ЛУКОЙЛ-Пермнефтеоргсинтез ПАО "ЛУКОЙЛ" |
1969 |
1, 46 млрд м3/год и 1, 693 млн т/год |
- |
1, 06 млрд м3 |
- | |
|
28 |
ПАО "Татнефть" |
1956 |
0, 976 млрд м3/год |
- |
820 млн м3 |
- | |
|
29 |
Зайкинское ГПП ПАО "НК "Роснефть" |
1996 |
2 млрд м3/год |
685, 8 млн м3 |
1773, 2 млн м3 |
- | |
1.2 Перспективы развития переработки природного и попутного газа в Российской Федерации
Перспективы развития переработки природного и попутного газа базируются на повышении степени извлечения ценных компонентов, содержащихся в природном газе, что, в свою очередь, будет способствовать развитию действующих и созданию новых газохимических производств.
В результате углубления переработки газа организуется выпуск товарной продукции, востребованной как внутренним, так и внешним рынками; создаются предпосылки для развития в России продукции с высокими потребительскими свойствами; снижается зависимость России от зарубежных поставок полимерной продукции.
Развитие переработки связано с модернизацией действующих мощностей с целью повышения качества и ассортимента выпускаемой продукции, с реализацией новых проектов с использованием освоенных технологий переработки добываемого углеводородного сырья (включая увеличение глубины переработки этансодержащих газов). Ввод дополнительных мощностей по переработке углеводородного сырья направлен на удовлетворение топливных и нефтехимических потребностей РФ и близлежащих рынков.
Перспективное развитие газоперерабатывающих производств связано:
1) с увеличением доли добычи этансодержащего газа и жидких углеводородов в традиционных регионах газодобычи;
2) с эффективным и рациональным использованием ресурсов этана природного газа и других легких углеводородных фракций (С3-С4) с целью производства газохимической продукции с высокой добавленной стоимостью;
3) с развитием новых центров газопереработки и газохимии, в том числе на базе месторождений Восточной Сибири и Дальнего Востока, включая извлечение, хранение и транспорт гелия;
4) с разработкой и внедрением эффективных технологий производства высоколиквидной продукции, востребованной как на внутреннем, так и внешних рынках;
5) с разработкой и внедрением эффективных технологий производства синтетических жидких углеводородов (СЖУ), направленных на решение проблем освоения малых, выработанных и удаленных от газотранспортной системы труднодоступных месторождений, и оптимизации логистических схем доставки энергоносителей потребителям;
6) с повышением эффективности переработки серосодержащих газов;
7) со строительством новых и реконструкцией/модернизацией существующих производств олефинов, полимеров и метанола;
8) развитие новых центров газопереработки и газохимии, в том числе на базе месторождений Восточной Сибири и Дальнего Востока требует:
- создания новых технологий переработки природного газа с высоким содержанием гелия и азота, а также систем очистки и сжижения гелия;
- создания новых конкурентоспособных газохимических производств высокой единичной мощности;
- создания систем транспортировки и хранения гелия, продукции газопереработки и газохимии;
- расширения существующих систем сбыта готовой продукции, в том числе экспорта в страны АТР.
Для внедрения эффективных технологий производства СЖУ необходимо:
- разработать технологии производства новых катализаторов для синтеза СЖУ;
- разработать технологические решения для модернизации конструкций реакторных блоков с целью повышения их энергоэффективности и единичной мощности по перерабатываемому сырью и получаемым продуктам;
- отработать технологии выделения водорода в ходе производства продуктов синтеза.
Повышению эффективности переработки серосодержащих газов будут способствовать:
- разработка, освоение и внедрение технологий добычи и переработки сероводородсодержащих газов с производством широкого спектра продукции (водорода, серной кислоты, удобрений, кормовых белков и т.д.);
- освоение и внедрение технологий по использованию серы в производстве дорожно-строительных материалов;
- освоение альтернативных направлений использования серы. Прогнозируемый рост объемов добычи и переработки углеводородов связан с освоением шельфовых месторождений арктических морей, месторождений полуострова Ямал, месторождений Надым-Пур-Тазовского региона, Восточной Сибири и Дальнего Востока. Ввод новых мощностей на действующих перерабатывающих предприятиях направлен на повышение глубины переработки углеводородного сырья и качества товарной продукции, а также на удовлетворение топливных и нефтехимических потребностей РФ и близлежащих рынков. Ожидаемый ввод мощностей к 2035 году по переработке газа составит 86, 5 млрд м3, по переработке жидких углеводородов - 12 млн т.
1.3 Основные виды продукции
В настоящее время основными видами продукции ГПЗ Российской Федерации являются природный газ, подаваемый в газотранспортную систему, сжиженные углеводородные газы (СУГ), широкая фракция легких углеводородов (ШФЛУ), этановая фракция, стабильный конденсат, продукты его переработки и др. [34].
В 2015 г. на ГПЗ Российской Федерации было произведено 58742, 0 млн м3 сухого газа; 710, 8 тыс. т этана, 4740, 3 тыс. т СУГ, 10868, 2 тыс. т ШФЛУ, 996, 5 тыс. т стабильного бензина, 5157, 9 тыс. т серы [33].
1.3.1 Сухой газ (сухой газ отбензиненный)
Сухой газ, поставляемый и транспортируемый по магистральным газопроводам, должен содержать массовую концентрацию сероводорода не более 0, 007 г/м3, иметь температуру точки росы (ТТР) по воде при давлении в точке отбора пробы ниже температуры газа в соответствии с СТО Газпром 089-2010 [35].
Природные горючие газы для промышленного и коммунально-бытового назначения должны соответствовать по физико-химическим показателям требованиям ГОСТ 5542-2014 [36] (таблицы 1.2 - 1.3).
|
Наименование показателя |
Значение для макроклиматических районов |
Метод испытания | |||
|
умеренный |
холодный | ||||
|
1 Компонентный состав, молярная доля, % |
Определение обязательно |
По ГОСТ 31371.1 [150] - ГОСТ 31371.7 [156] | |||
|
2 Температура точки росы по воде (ТТРв) при абсолютном давлении 3, 92 МПа (40, 0 кгс/см2), °С, не выше: | |||||
|
- зимний период |
-10, 0 |
-20, 0 |
По 8.2 | ||
|
- летний период |
-10, 0 |
-14, 0 | |||
|
3 Температура точки росы по углеводородам (ТТРув) при абсолютном давлении от 2, 5 до 7, 5 МПа, °С, не выше: | |||||
|
- зимний период |
-2, 0 |
-10, 0 |
По 8.3 | ||
|
- летний период |
-2, 0 |
-5, 0 | |||
|
4 Массовая концентрация сероводорода, г/м3, не более |
0, 007 |
По 8.4 | |||
|
5 Массовая концентрация меркаптановой серы, г/м3, не более |
0, 016 |
По 8.4 | |||
|
6 Массовая концентрация общей серы, г/м3, не более |
0, 030 |
По 8.5 | |||
|
7 Теплота сгорания низшая при стандартных условиях, МДж/м3 (ккал/м3), не менее |
31, 80 (7600) |
По ГОСТ 31369 [157] | |||
|
8 Молярная доля кислорода, %, не более |
0, 020 |
По ГОСТ 31371.1 - ГОСТ 31371.3 [150 - 152], ГОСТ 31371.6 [155], ГОСТ 31371.7 [156] | |||
|
9 Молярная доля диоксида углерода, %, не более |
2, 5 |
По ГОСТ 31371. 1- ГОСТ 31371.7 [150 - 156] | |||
|
10 Массовая концентрация механических примесей, г/м3, не более |
0, 001 |
По ГОСТ 22387.4 [158] | |||
|
11 Плотность при стандартных условиях, кг/м3 |
Не нормируют, определение обязательно |
По 8.6 | |||
|
Примечания 1 Макроклиматические районы определяют по ГОСТ 16350 [159]. 2 Летний период - с 1 мая по 30 сентября. Зимний период - с 1 октября по 30 апреля. Периоды могут быть изменены по согласованию между поставляющей и принимающей сторонами. 3 Для ПГ, в котором содержание углеводородов С5+высш не превышает 1, 0 г/м3, показатель 3 допускается не нормировать. 4 Если значение любого из показателей 4 - 6, 10 в течение года не превышает 0, 001 г/м3, то в дальнейшем данный показатель определяют не реже 1 раза в год по согласованию между поставляющей и принимающей сторонами. 5 Стандартные условия для определения показателей 7 и 11 указаны в ГОСТ 31369 (таблица Р.1 [157]). Стандартная температура при приведении объема ПГ к стандартным условиям равна 20, 0°С. 6 При расчетах показателя 7 принимают 1 кал равной 4, 1868 Дж. 7 Для месторождений и подземных хранилищ, введенных в действие до 2000 г., допускается превышение норм показателей 2, 3, 9 по согласованию с ПАО "Газпром". 8 Для магистральных газопроводов, вводимых с 01.2011 г. рекомендуется устанавливать в специальных технических условиях нормы для показателей ТТРв и ТТРув при давлении в точке отбора пробы на 5, 0°С ниже проектной минимальной температуры газа в газопроводе. | |||||
|
Наименование показателя |
Норма |
Метод испытания |
|
1 |
2 |
3 |
|
1 Компонентный состав, молярная доля, % |
Не нормируется. Определение обязательно |
По ГОСТ 31371.1 - ГОСТ 31371.7 [150 - 156] |
|
2 Низшая теплота сгорания при стандартных условия, МДж/м3 (ккал/м3), не менее |
31, 80 (7600) |
По 8.2 |
|
3 Область значений числа Воббе (высшего) при стандартных условиях. МДж/м3 (ккал/м3) |
От 41, 20 до 54, 50 (от 9840 до 13020) |
По ГОСТ 31369 [157] |
|
4 Отклонение числа Воббе от номинального значения, % |
±5 |
* |
|
5 Массовая концентрация сероводорода, г/м3, не более |
0, 020 |
По 8.3 |
|
6 Массовая концентрация меркаптановой серы, г/м3, не более |
0, 036 |
По 8.3 |
|
7 Молярная доля кислорода, %, не более |
0, 050 |
По ГОСТ 31371.1 - ГОСТ 31371.3 [150 - 152] ГОСТ 31371.6. - ГОСТ 31371.7 [155 - 156] |
|
8 Молярная доля диоксида углерода, %, не более |
2, 5 |
По ГОСТ 31371.1 - ГОСТ 31371.7 [150 - 156] |
|
9 Температура точки росы по воде при давлении в точке отбора пробы, °С |
Ниже температуры ГГП в точке отбора пробы |
По 8.4 |
|
10 Температура точки росы по углеводородам при давлении в точке отбора пробы, °С |
Ниже температуры ГГП в точке отбора пробы |
По 8.5 |
|
11 Массовая концентрация механических примесей, г/м3, не более |
0, 001 |
По ГОСТ 22387.4 [159] |
|
12 Плотность при стандартных условиях, кг/м3 |
Не нормируют, определение обязательно |
По 8.6 |
|
13 Интенсивность запаха ГГП при объемной доле 1% в воздухе, баллы, не менее |
3 |
По ГОСТ 22387.5 [160] |
|
Примечания 1 Стандартные условия для проведения измерений и расчетов показателей 2, 3 и 12 - в соответствии с ГОСТ 31369 (таблица Р.1) [157]. 2 При расчетах показателей 2 и 3 принимают 1 кал равной 4, 1868 Дж. 3 В Российской Федерации стандартная температура при приведении объема ПГ к стандартным условиям равна 20°С. 4 Показатели 2 - 4 распространяются только на ПГ, используемый в качестве топлива. 5 Номинальное значение числа Воббе устанавливают в пределах нормы показателя 3 для отдельных газораспределительных систем по согласованию с потребителем. 6 Если значение любого из показателей 5, 6, 11 в течение года не превышает 0, 001 г/м1, то в дальнейшем данный показатель определяют не реже одного раза в год по согласованию между поставщиком и потребителем. 7 По согласованию с потребителем допускается подача ПГ для энергетических целей с более высокой массовой концентрацией сероводорода и меркаптановой серы по отдельным газопроводам. 8 По согласованию с потребителем допускается подача ПГ с большей молярной долей диоксида углерода по отдельным газопроводам. 9 Для ПГ, в котором содержание углеводородов С5+высш не превышает 1, 0 г/м3, показатель 10 допускается не нормировать. 10 Показатель 13 распространяется только на ПГ коммунально-бытового назначения. 11 Для ПГ промышленного назначения показатель 13 устанавливают по согласованию с потребителем. 12 Температуру ПГ в точке отбора пробы определяют по ГОСТ 8.586.5 [161]. В Российской Федерации определение температуры ПГ проводят также по стандарту ОАО "Газпром" СТО Газпром 5.2-2005 [162] или правилам по метрологии ПР 50.2.019-2006 [163]. | ||
1.3.2 Этан (этановая фракция)
Этановая фракция представляет собой ценное сырье для нефтехимии. Используется для производства этилена, из которого, в свою очередь, получают этиловый спирт, глицерин, этиленгликоль, дихлорэтан, хлористый этил, полиэтилен и т.д. При дальнейшей переработке перечисленных веществ получают лаки, растворители, красители, моющие вещества и другую химическую продукцию высокой степени передела.
По физико-химическим показателям этановая фракция должна соответствовать требованиям ТУ 0272-022-00151638-99 [37], приведенным в таблице в 1.4.
|
Наименование показателя |
Норма по маркам | |||
|
А |
Б | |||
|
1. Массовая доля компонентов, % | ||||
|
метан, не более |
2, 0 |
20, 0 | ||
|
этан, не менее |
95, 0 |
60, 0 | ||
|
пропан, не более |
3, 0 |
Не нормируется | ||
|
сумма углеводородов С4 и выше, не более |
Отс. |
2, 0 | ||
|
2. Массовая доля СО2, не более |
0, 02 |
Не нормируется | ||
|
3. Массовая доля сернистых соединений в пересчете на серу, % не более |
0, 002 |
0, 002 | ||
|
4. Массовая доля сероводорода, %, не более |
0, 002 |
0, 002 | ||
1.3.3 Сжиженные углеводородные газы
СУГ используют:
- в качестве альтернативного источника газоснабжения и газификации удаленных от магистральных газопроводов населенных пунктов и промышленных объектов, а также регионов с ограниченными или слишком дорогими местными энергоресурсами (доставляются железнодорожным, автомобильным, речным или морским транспортом);
- в качестве газомоторного топлива;
- для потребления в жилищно-коммунальном хозяйстве;
- в нефтехимической промышленности в качестве сырья и др.
Марки сжиженных газов по ГОСТ Р 52087-2003 [38] приведены в таблице 1.5.
|
Марка |
Наименование |
|
ПТ |
Пропан технический |
|
ПА |
Пропан автомобильный |
|
ПБА |
Пропан-бутан автомобильный |
|
ПБТ |
Пропан-бутан технический |
|
БТ |
Бутан технический |
По физико-химическим показателям СУГ должны соответствовать требованиям, указанным в таблице 1.6.
|
Наименование показателя |
Норма для марки |
Метод испытания | |||||||||
|
ПТ |
ПА |
ПБА |
ПБТ |
БТ | |||||||
|
1 Массовая доля компонентов, %: |
По ГОСТ 10679-76 [39] | ||||||||||
|
сумма метана, этана и этилена |
Не нормируется | ||||||||||
|
сумма пропана и пропилена, не менее |
75 |
- |
- |
Не нормируется | |||||||
|
в том числе пропана |
- |
85±10 |
50±10 |
- |
- | ||||||
|
сумма бутанов и бутиленов: |
Не нормируется |
- |
- | ||||||||
|
не более |
- |
- |
- |
60 |
- | ||||||
|
не менее |
- |
- |
- |
- |
60 | ||||||
|
сумма непредельных углеводородов, не более |
- |
6 |
6 |
- |
- | ||||||
|
2 Объемная доля жидкого остатка при 20°С, %, не более |
0, 7 |
0, 7 |
1, 6 |
1, 6 |
1, 8 | ||||||
|
3 Давление насыщенных паров избыточное, МПа, при температуре: |
По ГОСТ Р 50994-96 [40] или ГОСТ 28656-90 [41] | ||||||||||
|
плюс 45°С, не более |
1, 6 | ||||||||||
|
минус 20°С, не менее |
0, 16 |
- |
0, 07 |
- |
- | ||||||
|
минус 30°С, не менее |
- |
0, 07 |
- |
- |
- | ||||||
|
4 Массовая доля сероводорода и меркаптановой серы, %, не более |
0, 013 |
0, 01 |
0, 01 |
0, 013 |
0, 013 |
По ГОСТ 22985-90 [42] или ГОСТ Р 50802-95 [43] | |||||
|
в том числе сероводорода, не более |
0, 003 |
По ГОСТ 22985-90 [42] или ГОСТ Р 50802-95 [43] | |||||||||
|
5 Содержание свободной воды и щелочи |
Отсутствие | ||||||||||
|
6 Интенсивность запаха, баллы, не менее |
3 |
По ГОСТ 22387.5-2014 [44] | |||||||||
|
Примечания 1 Допускается не определять интенсивность запаха при массовой доле меркаптановой серы в сжиженных газах марок ПТ, ПБТ и БТ 0, 002% и более, а марок ПА и ПБА - 0, 001% и более. При массовой доле меркаптановой серы менее указанных значений или интенсивности запаха менее 3 баллов сжиженные газы должны быть одорированы в установленном порядке. 2 При температурах минус 20°С и минус 30°С давление насыщенных паров сжиженных газов определяют только в зимний период. 3 При применении сжиженных газов марок ПТ и ПБТ в качестве топлива для автомобильного транспорта массовая доля суммы непредельных углеводородов не должна превышать 6%, а давление насыщенных паров должно быть не менее 0, 07 МПа для марок ПТ и ПБТ при температурах минус 30°С и минус 20°С соответственно. | |||||||||||
К сжиженным углеводородным газам, поставляемым на экспорт, предъявляются особые требования, например, в соответствии с ГОСТ Р 51104-97 [45] (таблица 1.7).
|
Наименование показателей |
Норма по маркам | |||||
|
ПТ |
БТ |
СПБТ | ||||
|
Теплота сгорания низшая, МДж/кг |
45, 5 |
46, 5 |
46, 0 | |||
|
Массовая доля компонентов, %: | ||||||
|
- метана-этана, не более |
2, 0 |
- |
- | |||
|
- пропана: | ||||||
|
- не более |
- |
1, 0 |
- | |||
|
- не менее |
95, 0 |
- |
40, 0 | |||
|
- суммы бутанов: | ||||||
|
- не более |
5, 0 |
- |
60, 0 | |||
|
- не менее |
- |
98, 0 |
- | |||
|
в том числе: | ||||||
|
- н-бутана, не менее |
- |
96, 0 |
- | |||
|
- изобутана, не более |
- |
2, 0 |
- | |||
|
- суммы непредельных углеводородов, не более |
2, 0 |
0, 1 |
2, 0 | |||
|
Объемная доля жидкого остатка при 20°С, не более |
Отсутствие |
2, 0 |
2, 0 | |||
|
Давление насыщенных паров при 45°С, МПа, не более |
1, 6 |
0, 6 |
1, 6 | |||
|
Массовая доля общей серы (для неодорированного газа), %, не более |
0, 01 |
0, 005 |
1, 6 | |||
|
Испытание на медную пластинку (для неодорированного газа) |
Выдерживает | |||||
|
Массовая доля метанола, %, не более |
0, 005 |
0, 005 |
0, 005 | |||
|
Содержание свободной воды и щелочи |
Отсутствие | |||||
1.3.4 Широкая фракция легких углеводородов
Показатели качества ШФЛУ приведены в таблице 1.8 в соответствии с ТУ 38.101524-2015 [46] (также могут быть использованы ТУ 0272-084-00151638-2011 [47] и др.).
|
Показатели |
Марки | |||
|
А |
Б | |||
|
Углеводородный состав, % мас.: | ||||
|
С1-С2, не более |
3 |
5 | ||
|
С3, не менее |
15 |
- | ||
|
С4-С5, не менее |
45 |
40 | ||
|
С6+ высшие, не более |
15 |
30 | ||
|
Массовая для метанола**, %, не более |
0, 15 | |||
|
Содержание сероводорода, %, не более |
0, 003 | |||
|
Содержание свободной воды и щелочи |
Отсутствие. Определение обязательно | |||
|
Внешний вид |
Бесцветная прозрачная жидкость | |||
|
** норма метанола не более 0, 15 вступила в силу с 01.06.2017 г. | ||||
Содержание в ШФЛУ легких УВ - метана и этана - ограничено требованиями по значению общего давления насыщенных паров для условий транспортировки и хранения (связано с предупреждением образования газовых пробок и уменьшением потерь от испарения).
1.3.5 Конденсат газовый стабильный
По содержанию хлористых солей, сернистых соединений КГС подразделяют на группы (таблица 1.9). В условном обозначении КГС указывают его группу в зависимости от значений концентрации хлористых солей, массовой доли сероводорода и метил- и этилмеркаптанов.
|
Наименование показателя |
Значение для группы |
Метод испытания | |
|
1 |
2 | ||
|
1 Давление насыщенных паров, кПа (мм рт. ст.), не более |
66, 7 (500) |
По ГОСТ 1756-2000 [49], ГОСТ Р 52340-2005 [50] | |
|
2 Массовая доля воды, %, не более |
0, 5 |
По ГОСТ 2477-65 [51] | |
|
3 Массовая доля механических примесей, %, не более |
0, 05 |
По ГОСТ 6370-83 [52] | |
|
4 Массовая концентрация хлористых солей, мг/дм3, не более |
100 |
300 |
По ГОСТ 21534-76 [53] |
|
5 Массовая доля серы, % |
Не нормируют. Определение по требованию потребителя |
По ГОСТ Р 51947-2002 [54], ГОСТ 19121-73 [55] | |
|
6 Массовая доля сероводорода, млн-1 (ppm), не более |
20 |
100 |
По ГОСТ Р 50802-95 [56] |
|
7 Массовая доля метил- и этил меркаптанов в сумме, млн-1 (ppm), не более |
40 |
100 |
По ГОСТ Р 50802-95 [56] |
|
8 Плотность при 20°С, кг/м3; |
Не нормируют. Определение обязательно |
По ГОСТ 3900-85 [57] | |
|
15°С, кг/м3 |
Не нормируют. Определение по требованию потребителя |
По ГОСТ Р 51069-97 [58] | |
|
9 Выход фракций, % до температуры, °С: 100, 200, 300, 360 |
Не нормируют. Определение обязательно |
По ГОСТ 2177-99 (метод Б) [59] | |
|
10 Массовая доля парафина, % |
Не нормируют. Определение по требованию потребителя |
По ГОСТ 11851-85 [60] | |
|
11 Массовая доля хлорорганических соединений, млн-1 (ppm) |
Не нормируют. Определение по требованию потребителя |
По ГОСТ Р 52247-2004 [61] | |
|
Примечания 1 По согласованию с потребителями допускается выпуск КГС давлением насыщенных паров не более 93, 3 (700) кПа (мм рт. ст.). 2 Для организаций, перерабатывающих сернистое сырье и введенных в эксплуатацию до 1990 г., допускается по согласованию с потребителями и транспортными компаниями превышение значения по показателю 6 для КГС группы 2 до 300 млн-1 (ppm) и по показателю 7 для КГС группы 2 до 3000 млн-1 (ppm). 3 Если хотя бы по одному из показателей КГС относят к группе 2, а по другим - к группе 1, то КГС признают соответствующим группе 2. 4 Показатели 5 - 7 определяют по требованию потребителя только для конденсатов с содержанием сернистых соединений (в пересчете на серу) более 0, 01% массовых. | |||
1.3.6 Газовый бензин
Газовый бензин применяется в качестве сырья в нефтехимии, на заводах органического синтеза, а также для компаундирования автомобильного бензина (получения бензина с заданными свойствами путем его смешивания с другими бензинами).
Требования к газовому бензину стабильному представлены в таблице 1.10.
|
Наименование |
Норма | |
|
Фракционный состав бензина газового стабильного, °С | ||
|
●начало кипения, °С, не ниже |
25 | |
|
●конец кипения, °С, не выше |
150 | |
|
●объемная доля остатка в колбе, %, не более |
1, 3 | |
|
●объемная доля остатка и потерь, %, не более |
5, 0 | |
|
Содержание фактических смол, мг/100 мл, не более |
5, 0 | |
|
Давление насыщенных паров, гПа, не более |
1390 | |
|
Содержание воды и механических примесей |
отсутствует | |
|
Массовая доля общей серы в бензине, %, не более |
0, 1 | |
|
Цвет бензина |
бесцветный, прозрачный | |
|
Плотность бензина газового стабильного при температуре 15 градусов не более, г/см3 |
0, 725 |
Определение физико-химических и иных характеристик газового бензина и других нефтепродуктов проводят в соответствии с действующими нормативно-техническими документами [63 - 104].
1.3.7 Газовая сера
Газовую серу выпускают в нескольких видах: жидком, комовом, формованном (чешуированная, гранулированная, молотая сера).
Техническая сера используется для производства серной кислоты, сероуглерода, красителей, в целлюлозно-бумажной, текстильной и других отраслях промышленности.
По физико-химическим показателям техническая сера в зависимости от вида и назначения должна соответствовать нормам и требованиям ГОСТ 127.1-93 [105], СТО Газпром 040-2008 [106], ГОСТ Р 56249-2014 [107].
1.3.8 Гелий
Практически весь потребляемый в мире гелий добывают из природного газа. Мировые запасы гелия оцениваются сейчас в 56 - 60 млрд м3. Объемное содержание гелия не превышает 3, 0%.
Гелийсодержащим природным газом считают природный газ, концентрация гелия в котором превышает 0, 05% об.
Гелий используют для создания защитной атмосферы при плавке, резке и сварке активных металлов. Газообразный гелий используется для изготовления дыхательных смесей (при глубоководном погружении водолазов), как инертная среда для технологических процессов, в течеискателях, в наружной неоновой рекламе, для заполнения шаров и дирижаблей и т.д.
Характеристики гелия газообразного (сжатого) приведены в таблице 1.11.
|
Показатель |
Гелий газообразный | |
|
марка "А" |
марка "Б" | |
|
Объемная доля гелия [Не]*, не менее |
99, 9950% |
99, 9900% |
|
Объемная доля водорода [H2], не более |
0, 0001% |
0, 0025% |
|
Объемная доля азота [N2], не более |
0, 0005% |
0, 0020% |
|
Объемная доля O2+Ar, не более |
0, 0001% |
- |
|
Объемная доля кислорода [O2], не более |
- |
0, 0005%** |
|
Объемная доля аргона [Ar], не более |
- |
0, 0001%** |
|
Объемная доля CO2+CO, не более |
0, 0002% |
0, 0010% |
|
Объемная доля углеводородов, не более |
0, 0001% |
0, 0005% |
|
Объемная доля неона [Ne], не более |
0, 0040% |
0, 0090% |
|
Объемная доля водяных паров, не более |
0, 0005% |
0, 0020% |
|
* - объемная доля гелия дана в пересчете на сухое вещество; ** - или суммарная объемная доля O2+Ar в гелии марки "Б", не более 0, 0006% | ||
Характеристики гелия газообразного высокой чистоты представлены в таблице 1.12.
|
Наименование |
марка "50" |
марка "55" |
марка "60" |
марка "70" |
|
Не, % не менее* |
99, 999 |
99, 9995 |
99, 9999 |
99, 99999 |
|
Ne, % не более |
0, 0005 |
0, 0001 |
0, 000015 |
0, 000001 |
|
O2+Ar, % не более |
0, 0001 |
0, 00005 |
0, 000015 |
0, 000001 |
|
N2, % не более |
0, 0002 |
0, 0002 |
0, 000045 |
0, 000005 |
|
H2, % не более |
0, 00005 |
0, 00003 |
0, 000005 |
0, 0000001 |
|
CO2 и СО, % не более |
0, 0001 |
0, 00005 |
0, 00001 |
0, 0000001 |
|
Метана (CH4), % не более |
0, 00005 |
0, 00002 |
0, 00001 |
0, 0000001 |
|
Водяных паров, % не более |
0, 0005 |
0, 0003 |
0, 0002 |
0, 0001 |
1.3.9 Технический углерод
Технический углерод (старое название - сажа) состоит в основном из углерода (90 - 99%), водорода (0, 3 - 0, 5%) и кислорода (0, 1 - 7, 0%). В состав технического углерода могут также входить сера (до 1, 5%) и зола (до 0, 5%). По структуре технический углерод состоит из частиц размером от 9 до 300 нм и более, образующих разветвленные цепочки, форма каждой из которых близка к сферической. Удельная поверхность характеризует степень дисперсности: чем меньше размер частицы, тем больше ее удельная поверхность. Высокодисперсный технический углерод имеет более черный цвет и обладает большей красящей способностью.
По основным способам производства различают технический углерод - печной, канальный и термический; по применяемому сырью - газовый, из жидких углеводородов либо смешанного сырья (газ с добавкой жидких продуктов или пары жидкости с газами) [128].
Технический углерод используется в резинотехнической и шинной промышленности (80% от общего объема его производства), в электротехнической, лакокрасочной, полиграфической и других отраслях промышленности.
По физико-химическим показателям технический углерод должен соответствовать требованиям и нормам, указанным в таблице 1.13.
|
Наименование показателя |
Норма для марки | |||||||||||
|
П245 |
П234 |
К354 |
П324 |
П514 |
П701 |
П702 |
П705 |
П803 |
Т900 | |||
|
1 |
2 |
3 |
4 |
5 |
6 |
7 |
8 |
9 |
10 |
11 | ||
|
1. Удельная геометрическая поверхность, м2/г |
- |
- |
90 - 100 |
75 - 82 |
50 - 57 |
- |
- |
- |
- |
- | ||
|
2. Удельная условная поверхность, м2/г |
- |
- |
- |
- |
- |
33 - 39 |
35 - 40 |
20 - 26 |
14 - 18 |
12- 16 | ||
|
3. Удельная внешняя поверхность, м2/г |
109±4 |
98±4 |
- |
- |
- |
- |
- |
- |
- |
- | ||
|
4. Йодное число, г/кг |
121 ±6 |
105 ±6 |
- |
84±6 |
43±4 |
- |
- |
- |
- |
- | ||
|
5. Удельная адсорбционная поверхность, м2/г |
119±5 |
109 ±5 |
не более 150 |
84±4 |
- |
- |
- |
- |
- |
- | ||
|
6. Абсорбция дибутилфталата, см3/г |
103 ±5 |
101±4 |
- |
100 ±5 |
101 ±4 |
65±5 |
70±5 |
110±5 |
83±7 |
- | ||
|
7. рН водной суспензии |
6 - 8 (6, 5 - 8, 5) |
6 - 8 |
3, 7 - 4, 5 |
7 - 9 |
6 - 8 |
9 - 11 |
7 - 9 |
7, 5 - 9, 5 |
7 - 9 | |||
|
8. Массовая доля потерь при 105°С, %, не более |
0, 9 |
0, 9 (0, 4) |
1, 5 |
0, 9 (0, 5) |
0, 9 |
0, 35 |
0, 5 |
0, 5 |
0, 5 |
0, 4 | ||
|
9. Зольность, %, не более |
0, 45 |
0, 45 (0, 3) |
0, 05 |
0, 45 (0, 3) |
0, 45 |
0, 48 |
0, 50 |
0, 30 |
0, 45 |
0, 15 | ||
|
10. Массовая доля остатка, %, не более, после просева через сито с сеткой: | ||||||||||||
|
0045 |
0, 08 |
0, 08 |
0, 08 |
0, 08 |
0, 08 |
0, 08 |
0, 08 |
0, 08 |
0, 08 |
0, 08 | ||
|
05 |
0, 001 |
0, 0010 |
0, 0010 |
0, 0010 |
0, 0010 |
0, 0010 |
0, 0010 |
0, 0010 |
0, 0010 |
0, 0010 | ||
|
014 |
0, 02 |
0, 02 |
0, 004 |
0, 02 |
0, 02 |
0, 01 |
0, 02 |
0, 01 |
0, 01 |
0, 02 | ||
|
11. Массовая доля общей серы, %, не более |
1, 1 |
1, 1 |
- |
1, 1 |
1, 1 |
- |
1, 1 |
- |
- |
- | ||
|
12. Массовая доля пыли в гранулированном углероде, %, не более |
6 |
6 |
- |
6 |
6 |
5 |
6 |
6 |
6 |
- | ||
|
13. Насыпная плотность гранулированного углерода, кг/м3 в пределах |
- |
- |
- |
- |
- |
- |
- |
320 - 400 |
320 - 400 | |||
|
не менее |
330 (310) |
340 (320) |
- |
340 (330) |
340 |
420 |
400 |
- |
- |
- | ||
|
14. Светопропускание толуольного экстракта, %, не менее |
90 |
90 |
- |
85 |
85 |
- |
- |
- |
- | |||
|
15. Прочность отдельных гранул, Н |
- |
- |
- |
- |
0, 2 - 0, 6 |
- |
- |
- |
0, 2 - 0, 7 |
- | ||
|
16. Сопротивление гранул технического углерода разрушению на аппарате ГИТ-1, % |
82 ±7 |
82 ±7 |
- |
- |
75 ±6 |
- |
- |
- |
- |
-- | ||
|
17. Массовая прочность гранул технического углерода, кг |
5 - 25 (3 - 6) |
5 - 25 (3 - 6) |
- |
- |
5 - 25 |
- |
- |
- |
- | |||
|
18. Массовая доля пыли в гранулированном углероде на аппарате ГИТ-1, %, не более |
6 |
6 |
- |
- |
6 |
- |
- |
- |
- | |||
|
Примечания 1 С 01.07.91 норма по показателю 1 для марки П 514 не нормируется. 2 Абсорбция дибутилфталата для негранулированного технического углерода марки П 705 - (120±5) см3/100 г, марки П 803 - (93 ± 7) см3/100 г, зольность для марок П 705 и П 803 - не более 0, 20%; рН водной суспензии для марки П 803 - 7, 5 - 9, 5. 3 Норма по показателю 7 для марок П 234 и П 514, предназначенных для производства резиновых технических изделий, - 7 - 9, для марки К 354, изготовляемой Сосногорским газоперерабатывающим заводом и предназначенной для резино- и электротехнической промышленности, - 3, 4 - 4, 2. 4 Для показателей 7 - 9, 14, 18 в скобках указана норма для технического углерода, гранулированного сухим способом. 5 Показатель 16 для марки П 514, предназначенной для шинной промышленности, не определяют. 6 Норма по показателю 8 для марки К 354 - не более 2, 0%. | ||||||||||||
1.4 Экологических аспекты переработки природного и попутного газов и воздействие предприятий отрасли на окружающую среду
Переработка природного и попутного газов, являясь сегментом нефтегазового комплекса, оказывает негативное воздействие на природные среды за счет выбросов ЗВ в атмосферный воздух, забора воды на хозяйственно-питьевые и производственные нужды, сброса сточных вод, образования отходов производства и потребления, шумового и иных воздействий.
Основным значимым экологическим аспектом являются выбросы ЗВ в атмосферный воздух от технологических процессов основного и вспомогательного производств.
Анализ статистических данных показал, что динамика воздействия предприятий по переработке газа на атмосферный воздух определяется преимущественно изменениями объемов переработки исходного сырья (рисунок 1.2).

Рисунок 1.2 - Динамика выбросов загрязняющих веществ при переработке природного газа в целом по России
К основным источникам воздействия на атмосферный воздух при переработке углеводородного сырья относятся:
- дымовые трубы технологических печей, подогревателей (выбросы продуктов сгорания газа);
- факелы утилизации продувочных газов (продукты сгорания продувочных газов);
- дымовые трубы установок сжигания производственных отходов (выбросы продуктов сгорания производственных отходов).
Основными загрязняющими веществами являются оксид углерода, метан, оксиды азота и серы, взвешенные вещества.
Сегмент переработки природного газа относится к наиболее водоемким производствам в газовой отрасли в целом, однако объем водоотведения в поверхностные водные объекты невелик, так как основной объем потребляемой на технологические нужды воды находится в оборотной системе и превышает объем сбрасываемой воды более чем в 30 раз.
К основным источникам образования сточных вод относятся:
- промывка технологического оборудования;
- очистка и осушка газа, регенерация теплоносителя;
- регенерация и промывка фильтров, взрыхление и отмывка катионита;
- система теплоснабжения (продувка котлов), др.
Тенденция развития системы водопользования в переработке газа направлена на создание полностью замкнутой системы водопользования для минимизации негативного воздействия на ОС.
Перечень основных видов образующихся отходов, а также источников и процессов их образования на объектах основного назначения при переработке природного и попутного газа и стабилизации газового конденсата приведен в таблице 1.14 [111].
|
Источники образования отхода |
Процесс образования отхода |
Наименование отхода/Код по ФККО [112](1) |
Класс опасности(5) |
|
1 |
2 |
3 |
4 |
|
Установки аминовой сероочистки газа; установки промывки и компримирования газов стабилизации и выветривания конденсата; секции фильтрации в составе технологического оборудования |
Очистка секций фильтрации рабочих растворов диэтаноламина |
Шлам от установок аминовой сероочистки природного газа (аминовый шлам) /3 12 760 00 00 0 |
II |
|
Замена фильтра по истечении срока годности в секции фильтрации рабочих растворов диэтаноламина |
Уголь активированный отработанный, загрязненный опасными веществами /4 42 504 00 00 0(2) |
III | |
|
Фильтрация технологических жидкостей и химически загрязненных вод |
Фильтрующий материал отработанный /4 43 900 00 00 0 |
III | |
|
Установки получения серы из кислого газа по методу Клауса и установки доочистки отходящих газов по методу "Сульфрен"; установки грануляции серы; склад хранения жидкой и комовой серы |
Замена катализаторов по истечении срока годности и/или досрочном выходе из строя |
Катализаторы алюмооксидные в процессе получения серы отработанные /4 41 000 00 00 0(3) |
IV |
|
Ремонт теплообменников в серных ямах, серопроводов |
Черный металл, загрязненный элементарной серой /4 68 100 00 00 0 |
IV | |
|
Установки глубокой осушки обессеренного природного газа |
Замена адсорбента по истечении срока службы и/или досрочном выходе из строя |
Цеолит отработанный, загрязненный нефтью и нефтепродуктами (содержание нефтепродуктов менее 15%) /4 42 501 02 29 4 |
IV |
|
Установки очистки и осушки воздуха и газов |
Замена адсорбента по истечении срока службы и/или досрочном выходе из строя |
Силикагель отработанный, загрязненный опасными веществами /4 42 503 00 00 0 |
IV |
|
Силикагель отработанный при осушке воздуха и газов, не загрязненный опасными веществами /4 42 103 01 49 5 |
V | ||
|
Установки подготовки, очистки и осушки природного газа; Установки стабилизации конденсата и его первичной переработки; Резервуарный парк хранения нефтепродуктов; Продуктопроводы |
Зачистка оборудования и продуктопроводов |
Шлам очистки емкостей и трубопроводов от нефти и нефтепродуктов /9 11 200 02 39 3(4) |
III |
|
(1) В случае, если отход включен в ФККО, то указаны наименование и код отхода по ФККО, в случае если отход в ФККО не включен, то указаны наименование отхода в соответствии с СТО Газпром 12 [113] и код группы отходов в ФККО, в которую отход может быть включен. (2) В зависимости от специфики технологических процессов, используемых веществ и материалов, в рамках процедуры паспортизации данный вид отхода может быть идентифицирован как: "Уголь активированный отработанный, загрязненный нефтепродуктами (содержание нефтепродуктов менее 15%) / 4 42 504 02 20 4 (IV КО)". (3) В зависимости от специфики технологических процессов, используемых веществ и материалов, в рамках процедуры паспортизации данный вид отхода может быть идентифицирован как: "Катализатор на основе оксида алюминия, содержащий алюмокобальт (никель)-молибденовую систему, отработанный / 4 41 006 02 49 3 (III КО)". (4) Шламы и нефтесодержащие отходы, образующиеся в результате зачистки емкостей, продуктопроводов и технологического оборудования, могут быть подразделены на отдельные виды отходов (с целью включения в ФККО) в зависимости от источников их происхождения. (5) Класс опасности отходов в соответствии с Федеральным законом [114]. | |||
Типовая схема образования основных многотоннажных видов отходов на объектах основного назначения при переработке газа и газового конденсата представлена на рисунке 1.3.
Для реализации перехода к малоотходному или безотходному производству при переработке природного и попутного газа требуется проведение комплекса мероприятий, включающих совершенствование действующих технологических процессов с целью существенного сокращения производственных отходов, использования отходов в самом производстве или в других производствах, разработки и внедрения наиболее совершенных методов утилизации и обезвреживания.

Рисунок 1.3 - Типовая схема образования основных видов отходов на объектах основного назначения при переработке газа и стабилизации газового конденсата
2.1 Схема процессов переработки природного и попутного газа с получением товарной продукции
Переработка природного и попутного газа, реализуемая на газоперерабатывающих производствах, включает в себя комплекс процессов первичной и химической переработки.
Первичная переработка природного и попутного газов состоит из нескольких стадий: подготовки газов к переработке, разделения углеводородных газов, стабилизации и переработки газового конденсата для получения различных видов топлив, выделения ряда индивидуальных углеводородов, смеси природных меркаптанов и гелия. Химическая переработка представлена производством технического углерода и производством газовой серы.
Потоковые схемы процессов переработки природного и попутного газа с получением товарной продукции приведены на рисунке 2.1.
Извлекаемый природный или отделяемый от нефти попутный газ содержит пары воды, а также мелкие частички горной породы, песка и другие твердые примеси, в состав природного и попутного газа, помимо углеводородных компонентов, входят азот, диоксид углерода, сернистые компоненты, гелий и другие компоненты. Подготовка газов к переработке (предварительная подготовка газов) обеспечивает осушку и очистку газов от механических примесей и "кислых" компонентов.


Рисунок 2.1 - Потоковые схемы переработки природного и попутного газа
Все процессы предварительной подготовки газа: технологии разделения пластовых смесей, технологии очистки от механических примесей, технологии осушки газа и технологии очистки газов от "кислых" компонентов (углекислого газа и сероводорода) описаны в проекте справочника "Добыча природного газа" и поэтому в настоящем справочнике не рассматриваются. Каталитические процессы переработки углеводородного сырья рассматриваются в справочнике "Переработка нефти".
2.2 Технологии отбензинивания газов (технологии извлечения целевых углеводородных компонентов из газов)
В составе природного и попутного газов, помимо метана, содержится целый спектр углеводородных соединений: этан, пропан, бутаны, пентаны и более тяжелые углеводороды.
Этан является ценным нефтехимическим сырьем: его основное количество подвергается пиролизу с получением этилена, который затем используется для производства полиэтилена.
Пропан и бутаны также являются сырьем в процессе пиролиза, кроме того применяются в качестве топлива для коммунально-бытовых нужд, в двигателях внутреннего сгорания и в качестве сырья для нефтехимической переработки.
Пентаны являются составной частью моторных топлив и сырьем для производства нефтехимических продуктов.
Для извлечения этих углеводородных компонентов из природного и попутного газов используют различные технологии отбензинивания газов.
Продуктами установок отбензинивания являются отбензиненный сухой газ (метан или метан + этан), топливный газ (метан + этан + пропан), деэтанизированный нестабильный газовый конденсат, ШФЛУ (фракция углеводородов С3+) или деметанизированный нестабильный газовый конденсат (фракция углеводородов С2+).
Для отбензинивания газов используют четыре метода:
- низкотемпературная сепарация углеводородных компонентов (НТС);
- низкотемпературная (НТК) конденсация или низкотемпературная конденсация и ректификация (НТКР) углеводородных компонентов;
- абсорбционное отбензинивание газов, включая НТА;
- адсорбционное отбензинивание газов.
2.2.1 Извлечение углеводородов методом низкотемпературной сепарации
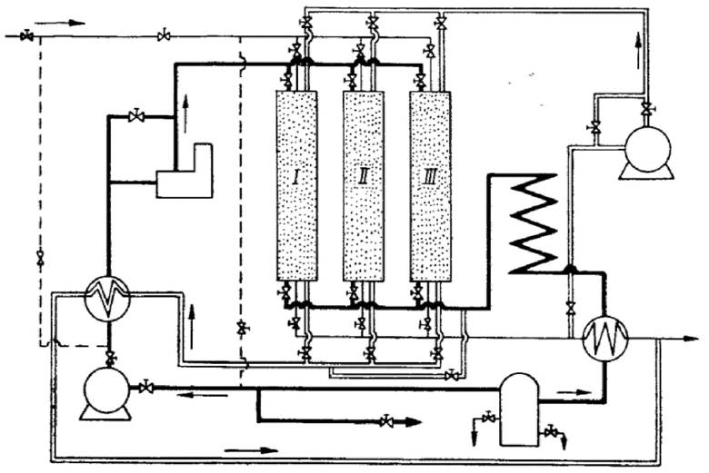
Низкотемпературной сепарацией (НТС) называется процесс однократной конденсации газа при температурах от -10 до -25°С и разделения образовавшихся равновесных газовой и жидкой фаз. Одновременно присутствуют все компоненты сырьевого газа, но жидкая фаза состоит преимущественно из углеводородов С3+, а газовая - из метана и этана.
Технологическая схема установки НТС представлена на рисунке 2.2.
Согласно схеме сырой газ (I) поступает во входной сепаратор 1, где от газа отделяются пластовая вода с ингибитором гидратообразования (VI) и сконденсировавшийся газовый конденсат (VII). Далее частично отсепарированный газ (VIII) охлаждается в регенеративных теплообменниках 2 и 3 и направляется через дроссель 4 в низкотемпературный сепаратор 5.
Для предупреждения гидратообразования в поток газа перед теплообменниками (2 и 3) и перед дросселем 4 подается гликоль (моноэтиленгликоль или ДЭГ) или метанол.

Рисунок 2.2 - Технологическая схема установки НТС
За счет перепада давлений в дросселе 4 понижается температура газа. Вместо дросселя 4 может использоваться детандер (машина, приводимая в действие за счет энергии газа, газ при этом снижает давление и температуру). В случае низкого исходного давления сырьевого газа охлажденный газ их теплообменников поступает в испаритель холодильной машины (где используется внешний хладагент, например, сжиженный пропан).
После охлаждения в устройстве 4 газ поступает в низкотемпературный сепаратор 5, где из потока газа отделяются сконденсировавшиеся жидкие углеводороды и водный раствор ингибитора гидратообразования. Отсепарированный газ (II) из сепаратора 5 через теплообменник 2 подается в магистральный газопровод. Жидкая фаза IV (нестабильный конденсат и водный раствор ингибитора гидратообразования) из низкотемпературного сепаратора 5 через дроссель 6 поступает в сепаратор 7, где от нее отделяется образовавшийся при дросселировании газ выветривания (V), направляемый компрессором 8 (либо эжектором) в общий поток газа перед дросселем 4. Ингибитор гидратообразования (VI) поступает из сепаратора 7 на регенерацию, а сконденсировавшийся нестабильный газовый конденсат (VII) - на стабилизацию.
Эффективность работы установок НТС зависит от состава исходного газа, температуры и давления в низкотемпературном сепараторе.
Чем ниже температура процесса и чем больше содержание в исходном газе тяжелых углеводородов, тем больше степень извлечения последних. Для обеспечения высокой степени извлечения тяжелых углеводородов при более легком составе исходного газа требуется более низкая температура.
В ряде случаев при снижении начального давления газа перед входным сепаратором установки НТС помещают дожимной компрессор, повышающий давление газа (компрессионный метод отбензинивания), или же вместо дросселя на входе газа в низкотемпературный сепаратор помещают холодильную машину для снижения температуры газа.
Процесс НТС перерос в процесс НТК (НТКР), отличающийся значительно более низкими температурами охлаждения потока газа (в интервале -85 - -120°С).
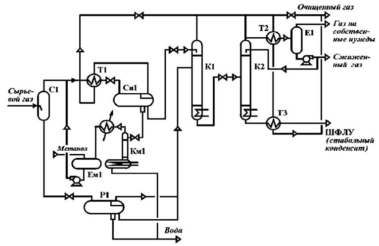
2.2.2 Извлечение углеводородов методом низкотемпературной конденсации или низкотемпературной конденсации и ректификации
Принципиальное отличие процесса НТК от процесса НТС - это использование более низких температур за счет дополнительного охлаждения потока сырьевого газа. Технологическая схема процесса НТК приведена на рисунке 2.3.

Рисунок 2.3 - Технологическая схема установки НТК (с внешним холодильным циклом)
Исходный газ после прохождения блока осушки 1 и охлаждения в холодильнике 2 поступает в сепаратор 3, где происходит выделение метана. После нагревателя 4 деметанизированная газовая смесь направляется в деэтанизатор 5, где осуществляется разделение этана и углеводородов С3+.
В целом технологические схемы процесса НТК могут различаться по числу ступеней сепарации (одно-, двух- и трехступенчатые), по виду источников холода (с внешним, внутренним или комбинированным холодильным циклом) и по виду получаемого целевого продукта (С2+ и С3+).
Вместо сепаратора 3 в технологии возможно использование неполной колонны для удаления метана из фракции С3+.
Внешний холодильный цикл (использование холодильных машин и затраты энергии извне) может быть с однокомпонентным или многокомпонентным (смешанным) хладагентом.
Внутренний холодильный цикл (использование энергии самого перерабатываемого газа) может быть с дросселированием технологических потоков и с узлом детандирования газа.
Для подвода холода в холодильнике 2 используются холодильные машины (компрессоры), подключенные для перекачки хладагента по следующему замкнутому контуру:
холодильник 2 → холодильная машина → холодильник для охлаждения сжатого хладагента → дроссель → холодильник 2.
В качестве хладагентов могут применяться этан, этилен, пропан, аммиак и др. (однокомпонентный хладагент) или смеси углеводородов (многокомпонентный хладагент).
Использование внешних холодильных циклов позволило достичь степени извлечения этана 87%, пропана - 99%, бутана и высших - 100%.
Применение для выработки холода турбодетандеров, позволяющих конденсировать внутри себя до 20% жидкости, высокоэффективных теплообменников и теплоизоляционных материалов, снижающих потери низкотемпературного холода, обеспечили процессу НТК наибольшую экономичность по сравнению с другими способами даже при низком давлении исходного газа и широком изменении его состава.
Современные турбодетандерные установки работают в широком диапазоне изменения рабочих параметров:
- сырьевой газ - природный и попутный нефтяной;
- давление сырьевого газа - до 11 МПа;
- температура на выходе из турбодетандера - до -120°С;
- степень извлечения этана - до 87%, пропана - до 96%, бутана и более тяжелых углеводородов - до 100%;
- пропускная способность по сырьевому газу - от 100 млн м3/год до 15 млрд м3/год.
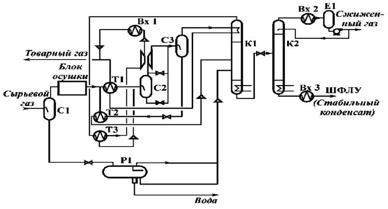
Технологическая схема НТК с применением детандера представлена на рисунке 2.4.
Товарный газ, уходящий с установки, охлаждается в турбодетандере 8, привод которого осуществляется за счет энергии газа из сепаратора 5. Образовавшаяся в турбодетандере двухфазная смесь с содержанием жидкости до 20% мас. направляется в сепарационную часть ректификационной колонны 7. Жидкость, стекая вниз по колонне, создает поток орошения.
На эффективность процесса НТК оказывают влияние давление и температура. Повышение давления увеличивает степень конденсации углеводородов, но уменьшает селективность. Снижение температуры при постоянном давлении наряду с увеличением степени конденсации приводит к увеличению селективности: тяжелые углеводороды переходят в жидкую фазу быстрее.

Рисунок 2.4 - Технологическая схема НТК с использованием турбодетандера
Назначение в циклах НТК ректификационной колонны-деэтанизатора - это удаление из жидкой фазы (газового бензина, конденсата или ШФЛУ) всего метана и почти всего этана. Допустимое содержание пропана в ректификате деэтанизатора составляет не более 2% от массы этана в ректификате, а содержание этана в остатке деэтанизатора - не более 2% от массы пропана в остатке.
Вместо деэтанизатора может использоваться деметанизатор, назначение которого - полное удаление из жидкой фазы (газового бензина, конденсата или ШФЛУ) метана. В этом случае в ректификате должно содержаться этана не более 5% мас. от общего количества этана в сырье колонны, а метана в остатке колонны - не более 2% мас. от этана, содержащегося в этом же остатке.
Разновидностью схемы НТК является процесс низкотемпературной конденсации и ректификации (НТКР).
В зависимости от технологической схемы ректификационные колонны установок НТР делятся на ректификационно-отпарные и конденсационно-отпарные (рисунок 2.5).

Рисунок 2.5 - Технологические схемы установок НТКР:
а - с ректификационно-отпарной колонной; б - с конденсационно-отпарной колонной
Особенность процесса НТКР заключается в отсутствии предварительной сепарации сконденсировавшихся углеводородов. Двухфазный поток, охлажденный в холодильнике (а-3; б-7), подается в середину ректификационно-отпарной (а-2)/конденсационно-отпарной колонны (б-6). Таким образом, весь поток сырьевого газа подвергается деметанизации в колонне, при этом температура ее верха должна быть ниже, чем в деметанизаторе по схеме НТК, для заданной степени извлечения этана. Степень извлечения целевых компонентов С3+ достигает 99, 5%.
В схемах НТКР для выработки холода применяются высокоэффективные современные турбодетандерные агрегаты, новые высокоэффективные теплообменники (пластинчатые, кожухотрубчатые с витыми трубками с плавающим сердечником) и теплоизоляционные материалы (вспененный каучук и т.п.), исключающие потери низкотемпературного холода. В технологических схемах НТКР отсутствует дополнительный источник холода (холодильные машины, пропано-холодильные установки), что позволяет обеспечивать процессу НТКР наибольшую экономичность по сравнению с другими способами, даже при низком давлении исходного газа и широком изменении его состава.
2.2.3 Технология абсорбционного отбензинивания газов
Сущность процесса абсорбции заключается в поглощении (растворении) тяжелых углеводородов газа в абсорбенте с последующей их десорбцией (отпаркой) из абсорбента. Движущей силой абсорбции является разность парциальных давлений извлекаемого компонента в газовой и жидкой фазах.
Абсорбенты для извлечения из газа тяжелых углеводородов должны отвечать следующим требованиям:
- температуры их застывания и помутнения ниже самой низкой рабочей температуры в абсорбере во избежание застывания абсорбента или резкого повышения его вязкости;
- отсутствие сернистых соединений, которые подвергаются деструкции при высоких температурах в десорбере и загрязняют товарную продукцию установки;
- отсутствие смол и механических примесей, которые загрязняют оборудование и аппараты;
- узкие интервалы кипения - не более 100°С, предпочтительно 50 - 70°С, для обеспечения стабильности состава абсорбента;
- минимальное содержание алкенов во избежание их окисления кислородом воздуха;
- высокая плотность;
- большая избирательность по отношению к целевым компонентам, извлекаемым из газа;
- минимальное давление насыщенных паров абсорбента во избежание его потерь с отбензиненным газом;
- относительно низкая вязкость при рабочих температурах и давлениях для хорошей перекачиваемости и эффективного массообмена;
- устойчивость против пено- и эмульсиеобразования, невысокая стоимость и возможность производства из продукции разрабатываемого месторождения.
Наиболее часто в качестве абсорбентов используют керосиновые или дизельные фракции нефти и газового конденсата с молекулярной массой 140 - 240.
Основными факторами, влияющими на процесс абсорбции, являются температура, давление, количество теоретических тарелок в абсорбере, удельный расход (кратность циркуляции) абсорбента и скорость газа в абсорбере. Температура и давление процесса определяют константы фазового равновесия извлекаемых компонентов: с понижением температуры и повышением давления константа фазового равновесия уменьшается, тем самым увеличивается фактор абсорбции.
Технологическая схема установки абсорбционного отбензинивания газов приведена на рисунке 2.6.

Рисунок 2.6 - Технологическая схема установки абсорбционного отбензинивания газов
Согласно этой схеме сырьевой газ (I) поступает под нижнюю тарелку абсорбера 1, на верхнюю тарелку которого подают тощий (регенерированный) абсорбент (VI). В результате контакта в абсорбере 1 абсорбент поглощает тяжелые углеводороды из газа (I), уходит с низа абсорбера, нагревается в теплообменнике 2 и нагревателе 3 и поступает в десорбер 4. С верха десорбера 4 тяжелые углеводороды конденсируются в конденсаторе-холодильнике 5 и поступают в емкость орошения 6. Часть жидких углеводородов из емкости 6 подают на орошение десорбера, а балансовое количество выводят с установки. Тепло в куб десорбера подводят при помощи рибойлера 7. Тощий (регенерированный) абсорбент (VI) забирают из куба десорбера 4, охлаждают в теплообменнике 2 и холодильнике 8 и вновь подают на верхнюю тарелку абсорбера 1. С верха абсорбера 1 отводят отбензиненный газ (II).
Обычно давление процесса абсорбции составляет) 3, 5 - 7, 0 МПа. Десорбция проводится при пониженном давлении, при этом оно выбирается таким образом, чтобы извлеченные компоненты газа (ректификат десорбера) можно было бы сконденсировать при помощи обычных хладагентов (воды или воздуха). Давление десорбции составляет 0, 7 - 2, 0 МПа. Для понижения давления потоков предусматриваются устройства, выбор которых определяется конкретными условиями процесса.
Абсорбцию проводят обычно при температуре не выше 30 - 40°С.
По схеме, приведенной на рисунке 2.6, значительная часть абсорбированных углеводородов теряется с несконденсированными углеводородами (V) (метан + этан) из емкости орошения 6. Для устранения этого недостатка предложена схема с абсорбционно-отпарной колонной (АОК) (рисунок 2.7), работающей под промежуточным давлением между абсорбером и десорбером (1, 0 - 4, 0 МПа) и предназначенной для выделения метана и этана из насыщенного абсорбента до десорбера.

Рисунок 2.7 - Технологическая схема установки отбензинивания с АОК
В верх абсорбционно-отпарной колонны подается тощий абсорбент, и верхняя часть колонны работает в режиме абсорбции, а нижняя - отпарки. Подбирая соответствующий режим АОК, можно обеспечить практически полную деметанизацию, а при необходимости и деэтанизацию абсорбента.
Согласно схеме сырьевой газ (I) поступает под нижнюю тарелку абсорбера 1, на верхнюю тарелку которого подают тощий (регенерированный) абсорбент (VIII). В результате контакта в абсорбере 1 насыщенный тяжелыми углеводородами абсорбент (VI) уходит с низа абсорбера, нагревается в нагревателе 4 и поступает в АОК 2. На верхнюю тарелку АОК подается регенерированный абсорбент (VIII) охлажденный в холодильнике 7. С верха АОК отводится топливный газ (метан и этан) (III) из насыщенного абсорбента. Частично регенерированный абсорбент (VII) с низа АОК направляется через теплообменник 6 и нагреватель 5 в десорбер 3. Тепло в отпарную часть АОК подводят при помощи рибойлера 11. С верха десорбера 3 тяжелые углеводороды конденсируются в конденсаторе-холодильнике 8 и поступают в емкость орошения 9. Часть жидких углеводородов из емкости 9 подают на орошение десорбера, а балансовое количество ШФЛУ (IV) выводят с установки. Несконденсированные углеводороды (V) выделяются из емкости орошения. Тепло в куб десорбера подводят при помощи рибойлера 10. Тощий (регенерированный) абсорбент (VIII) забирают из куба десорбера 3, охлаждают в теплообменнике 6 и холодильнике 7 и подают на верхнюю тарелку АОК 2 и абсорбера 1. С верха абсорбера 1 отводят отбензиненный газ (II).
Для еще большего уменьшения потерь углеводородов С3+ с неконденсируемыми газами из емкости орошения десорбера была разработана схема с рециркуляцией несконденсированных газов в сырьевой газ установки, которую осуществляют при помощи компрессора.
Для уменьшения потерь легких фракций абсорбента с отбензиненным газом применяют двухступенчатую абсорбцию (рисунок 2.8).

Рисунок 2.8 - Технологическая схема двухступенчатого абсорбера
Согласно этой схеме в абсорбер 1 с полуглухой тарелкой 2 подаются два абсорбента (легкий и тяжелый - керосиновая и дизельная фракции), при этом легкий абсорбент вводят в абсорбер ниже тяжелого. На нижней тарелке осуществляется извлечение большей части метана и этана, на верхней - остального количества.
Процесс абсорбции протекает с выделением тепла, которое зачастую приходится отводить из абсорбера при помощи циркуляционных орошений, охлаждаемых в холодильниках. Однако организация циркуляционных орошений в абсорбере обладает рядом недостатков, а именно: наличие полуглухих тарелок в абсорбере, сложность точного выбора места ввода охлажденного абсорбента, низкие коэффициенты теплопередачи в холодильниках циркуляционного орошения и др.
Технологическая схема абсорбции с предварительным отбензиниванием (извлечением бутанов и пентанов) сырьевого газа и насыщением метаном и этаном тощего абсорбента приведена на рисунке 2.9.

Рисунок 2.9 - Технологическая схема абсорбера с предварительным отбензиниванием газа и насыщением тощего абсорбента
Предварительное насыщение тощего абсорбента II метаном и этаном отбензиненного газа III, отходящего из абсорбера 1, позволяет повысить глубину извлечения целевых компонентов из сырьевого газа I в абсорбере 1, поскольку в такой схеме контакт сырого газа I и насыщенного абсорбента IV осуществляется в холодильнике 2 при более низкой температуре, чем в абсорбере 1. В холодильнике 3 одновременно конденсируется часть тяжелых углеводородов, что приводит к снижению тепла абсорбции в абсорбере 1.
2.2.4 Технология адсорбционного отбензинивания газов
При разработке газоконденсатных месторождений возникла необходимость отбензинивания больших потоков газа с малым содержанием извлекаемых углеводородов (1 - 20 г/м3). Для отбензинивания таких газов применяется адсорбционный процесс, к настоящему времени модифицированный в короткоцикловую адсорбцию (КЦА), при осуществлении которой одновременно с углеводородами извлекается и вода.
Технологическая схема процесса КЦА принципиально не отличается от технологической схемы процесса адсорбционной осушки газа (рисунок 2.10).

Рисунок 2.10 - Технологическая схема процесса короткоцикловой адсорбции
Установка состоит из трех колонн, предназначенных для ведения одновременно в одной колонне адсорбции, в другой - десорбции, а в третьей - охлаждения.
Переключение колонн происходит автоматически с помощью прибора управления.
В установке имеются также 2 теплообменника, воздушный холодильник, конденсатоотделитель, газодувка и нагреватель.
При использовании процесса КЦА необходимо соблюдать следующие условия:
- скорость потока газа должна быть такой же, как при осушке газа адсорбентами (не менее 0, 15 - 0, 30 м/с). Это позволяет увеличить срок службы адсорбента;
- время цикла адсорбции при извлечении из газа С5+ должно быть не менее 15 мин, а углеводородов С3+ - от 15 до 60 мин. Продолжительность цикла адсорбции при извлечении определенного компонента должна быть равна времени работы слоя до проскока этого компонента;
- высота слоя адсорбента должна быть не менее 4, 5 м;
- температура регенерации должна быть не менее 230°С. Если в газе содержатся углеводороды С5+, то ее желательно повысить до 260 - 315°С;
- при проектировании установки КЦА (стадия десорбции) желательно использование искусственного холода вместо обычного воздушного охлаждения для лучшей конденсации извлеченных углеводородов при регенерации адсорбента.
В качестве адсорбентов для извлечения углеводородов используют активированный уголь, силикагель и молекулярные сита-цеолиты. Активированный уголь, в отличие от других адсорбентов, не извлекает воду. Тип применяемых цеолитов - NaX, CaX и др. Иногда адсорбционный слой может состоять из нескольких адсорбентов.
Стадия адсорбции протекает при температурах 30 - 70°С и при давлении перерабатываемого газа.
Стадия десорбции и охлаждения адсорбента может осуществляться по технологической схеме с замкнутым циклом газа регенерации, который после охлаждения и выделения из него углеводородов С3+ вновь возвращают на стадию десорбции.
В ряде случаев на установках КЦА применяют открытый цикл, когда газ регенерации отбирается из потока сырьевого газа, используется для охлаждения адсорбента, нагревается, проходит адсорбер, находящийся в стадии десорбции, и охлаждается, в результате чего из него конденсируются углеводороды С3+ (из-за их большего содержания в газе после десорбера по сравнению с исходным газом). Газ после выделения углеводородов С3+ возвращают в поток сырьевого газа. В этом случае замкнутого контура циркуляции газа регенерации нет.
Количество газа регенерации должно быть минимально необходимым, чтобы концентрация в нем извлекаемых (конденсирующихся) углеводородов была максимальной для более эффективного проведения стадии конденсации.
2.3 Технология переработки широкой фракции легких углеводородов
Широкую фракцию легких углеводородов (ШФЛУ) получают при отбензинивании природных и нефтяных газов различными методами, а также при стабилизации газовых конденсатов.
Широкую фракцию легких углеводородов, а также головку стабилизации газового конденсата разделяют по следующим вариантам:
а) для производства стабильного газового бензина (углеводороды С5+) и топливного газа (углеводороды С1-С4);
б) для производства стабильного газового бензина (углеводороды С5+), топливного газа (углеводороды С1-С2) и сжиженной ПБФ;
в) для производства стабильного газового бензина (углеводороды С5+), топливного газа (метан с примесями этана) и индивидуальных углеводородов (этан, пропан, изобутан, нормальный бутан и др.);
г) для производства индивидуальных углеводородов и их смесей (при переработке ШФЛУ, практически не содержащих С5+).
Этан (этановая фракция) применяется как сырье пиролиза, в качестве хладагента на установках НТК, сжижения газов, депарафинизации масел, выделения параксилола и др.
Пропановая фракция (технический пропан) используется как сырье пиролиза, коммунально-бытовое и автомобильное топливо, хладагент для технологических установок переработки нефти и газа, растворитель.
Изобутановая фракция является сырьем установок алкилирования и дегидрирования с получением изобутилена, который является в основном сырьем для производства высокооктановых добавок к моторным топливам.
Бутановая фракция используется для получения бутадиена-1, 3, а также как коммунально-бытовое топливо, добавка к автомобильным бензинам для повышения давления насыщенных паров.
Изопентановая фракция является компонентом высокооктановых бензинов. Пентановая фракция служит сырьем для процессов изомеризации, пиролиза, получения амиловых спиртов.
При использовании этих фракций легких углеводородов как сырья для нефтехимии содержание основных компонентов в них должно быть не менее 96 - 98%.
2.3.1 Технология очистки ШФЛУ от сернистых соединений
Концентрация сернистых соединений (сероводорода, меркаптанов, сероуглерода и др.) в СУГ и ШФЛУ, получаемых при отбензинивании сернистых газов и стабилизации сернистых газовых конденсатов, как правило, выше допустимого уровня, устанавливаемого нормативными требованиями.
Для получения СУГ, отвечающих требованиям ГОСТ Р 52087-2003 [135], производят их очистку от сернистых соединений 10%-м водным раствором гидроксида натрия.
Очистка от сероводорода и меркаптанов (тиолов) раствором NaOH протекает по следующим реакциям:
H2S+2NaOH→Na2S+2H2O;
H2S+Na2S→2NaHS;
RSH+NaOH→RSNa+H2O.
При этом происходит также извлечение из газа диоксида углерода за счет реакций:
CO2+NaOH→NaHCO3+H2O;
NaHCO3+NaOH→Na2CO3+H2O.
Технологическая схема установки очистки СУГ от сернистых соединений включает в себя последовательно соединенные четыре ступени (рисунок 2.11). На первой ступени из сырья преимущественно извлекаются сероводород, сероуглерод и серооксид углерода из-за большей активности по сравнению с меркаптанами. Технологический режим первой ступени (контактор 1) следующий: давление 1, 9 - 2, 5 МПа (определяется необходимостью поддержания газа в сжиженном состоянии), температура 50°С.На второй и третьей ступенях (температура 35°С) производится очистка от меркаптанов. На четвертой ступени осуществляется промывка СУГ водой от следов NaOH. Насыщенный раствор NaOH с первой и второй ступеней подается на регенерацию путем подогрева с использованием соляной кислоты. На установке достигается степень очистки СУГ от сероводорода и меркаптанов до 98 и 96% соответственно.

Рисунок 2.11 - Технологическая схема щелочной очистки СУГ
После очистки от сернистых соединений СУГ подается на блок адсорбционной осушки.
Для практически полного удаления из СУГ и ШФЛУ меркаптанов используют демеркаптанизацию на катализаторах, содержащих хелатные соединения металлов VI группы в растворе гидроксида натрия (процесс "Мерокс"). Меркаптаны переводят в дисульфиды путем каталитического окисления в щелочной среде на основе реакций:
RSH+NaOH→RSNa+H2O;
2RSNa+0, 5O2+H2O→RSSR+2NaOH
Дисульфиды применяются в различных отраслях промышленности. Дисульфиды щелочных металлов, аммония и кальция являются инсектофунгицидами. Дисульфиды аммония, калия и натрия используются для сульфирования и воронения поверхности стальных и чугунных изделий с целью придания им коррозионной стойкости. А с помощью смеси дисульфидов натрия и калия (серная печень) в кожевенной промышленности снимают волос со шкур. Действие растворов серной печени связано не только с их высокой щелочностью, но и с окислительными свойствами.
Гидроочистка газоконденсатов позволяет удалить из газоконденсатов все классы сернистых соединений, а также другие гетероатомные соединения - азот- и кислородсодержащие. В основе процесса - перевод всех сернистых соединений, растворенных в конденсате, в сероводород:
RSH+H2→RH+H2S
RSR'+H2→RH+R'H+H2S
В качестве катализаторов используют алюмокобальтмолибденовые и алюмоникельмолибденовые, иногда в последний добавляют для прочности 5 - 7% диоксида кремния.
Процесс проводят при температуре 310 - 370°С, давлении 2, 7 - 4, 7 МПа, режимные показатели подбирают в зависимости от используемого катализатора и сырья.
Адсорбционная очистка от сернистых соединений проводится с помощью природных и синтетических твердых сорбентов: бокситов, оксида алюминия, силикагелей, цеолитов и др.
При проведении адсорбции при повышенных температурах 300 - 400°С протекают адсорбционно-каталитические процессы, приводящие к разложению сероорганических соединений или переводу их в неактивные формы. Адсорбционную очистку целесообразно применять при небольшом содержании серы - до 0, 2% масс.
Наряду с несомненными достоинствами адсорбционного метода - мягкие условия технологического процесса (низкая температура и небольшое давление), простота аппаратурного оформления - он обладает и существенными недостатками. Многие адсорбенты, в том числе и цеолиты, особенно импортные, все еще являются достаточно дорогими и дефицитными. Низкая адсорбционная емкость адсорбентов требует применения больших их количеств с частой регенерацией. После нескольких циклов регенерации адсорбенты частично закоксовываются и подвергаются механическому разрушению. Это вызывает необходимость в периодической полной замене адсорбентов. Поэтому применение метода адсорбционной очистки ограничено достаточно узкой областью - очисткой легких углеводородов с низкой концентрацией сернистых соединений (до 0, 2% масс).
Помимо традиционных адсорбентов, в последние годы разрабатывают поглотители на основе оксидов молибдена, теллура, марганца и карбонатов щелочных металлов, которые осуществляют не только физическую адсорбцию, но и хемосорбцию.
Оксиды цинка, железа, меди относятся к наиболее распространенным твердым хемосорбентам. При использовании оксидов железа (наиболее старый способ) протекают реакции:
Fe2O3+3H2S↔Fe2S3+3H2O
Fe3O4+3H2S+H2↔3FeS+4H2O
Регенерация сорбента проводится воздухом по реакциям:
2Fe2S3+3O2↔2Fe2O3+6S
4FeS+3O2↔2Fe2O3+4S
В зависимости от количества подаваемого на регенерацию воздуха можно получать как элементарную серу, так и оксиды серы. Метод характеризуется дешевизной, возможностью регенерации хемосорбента, но существенным его недостатком является низкая степень очистки от сероводорода (до 10 мг/м3) и невозможность использования образующейся серы.
При очистке с помощью оксидов цинка протекают реакции не только с сероводородом, но и с другими сернистыми соединениями:
H2S+ZnO↔ZnS+H2O
CS2+2ZnO↔2ZnS+CO2
COS+ZnO↔ZnS+CO2
RSH+ZnO↔ZnS+ROH
Температура процесса 350 - 400°С, а сероемкость сорбента достигает 30%. Остаточное содержание серы в газе до 1 мг/м3. Процесс достаточно универсальный, широко используется в промышленности, однако при этом сам хемосорбент не подлежит регенерации. При очистке с помощью оксидов меди процесс протекает с большой скоростью, но хемосорбент также не подлежит регенерации.
Широкое распространение получила хемосорбционно-каталитическая система. На первой стадии проводят каталитическое гидрирование сероорганических соединений до углеводородов и сероводорода, а далее - хемосорбцию сероводорода поглотителями (оксидами цинка, железа или меди). В России разработан низкотемпературный хемосорбент ГИАП-10-2 на основе оксида цинка с активирующей добавкой оксида меди.
Близкий к этому - железо-содовый метод. Основан на использовании в качестве поглотительного раствора взвеси гидрооксида двух- и трехвалентного железа
H2S+Na2CO3→NaHS+NaHCO3
3NaHS+2Fe(OH)3→Fe2S3+3NaOH+3H2O
NaHS+2Fe(OH)3→2FeS+S+3NaOH+3H2O
Регенерацию поглотительного раствора осуществляют пропусканием через него воздуха. При этом около 70% сероводорода переводится в элементную серу, а 30% - окисляется до тиосульфата натрия.
Экстракционная очистка основана на использовании экстрагентов, селективно извлекающих из газоконденсатов сернистые соединения. В качестве экстрагентов предложены водные растворы этаноламинов, диметилформамид, диэтиленгликоль, диметилсульфоксид и др.
Однако ни один из применяемых в настоящее время экстрагентов не удовлетворяет всем необходимым требованиям - высокая растворяющая способность по отношению к сернистым соединениям, большая плотность, низкая вязкость, доступность и дешевизна, отсутствие токсичности и коррозионных свойств.
2.3.2 Разделение ШФЛУ на газофракционирующих установках
Для разделения газовых смесей на индивидуальные компоненты или углеводородные фракции используется метод ректификации. Ректификация - это процесс разделения бинарных или многокомпонентных смесей за счёт противоточного массо- и теплообмена между паром и жидкостью. Процесс осуществляется путем противоточного многоступенчатого (колонны тарельчатого типа) или непрерывного (насадочные колонны) контактирования восходящих по колонне паров и нисходящей жидкости.
Аппаратурно-технологическое оформление ГФУ определяется характеристиками поступающего сырья (состав и давление), ассортиментом и качеством получаемой продукции.
Основными факторами, влияющими на эффективность процесса ректификации газовых смесей, являются давление, температура, количество тарелок в колонне и их КПД, скорость паров и флегмовое число.
С увеличением КПД тарелок, их количества и флегмового числа четкость ректификации газовых смесей возрастает, при этом для минимизации эксплуатационных затрат для получения одной и той же четкости ректификации целесообразно увеличивать число тарелок, уменьшая флегмовое число. Флегмовые числа в колоннах для разделения газовых смесей колеблются от 0, 5 до 20 - 25, а число реальных тарелок - от 60 до 180 штук. Число тарелок и флегмовое число в колонне тем больше, чем более близкокипящие компоненты в ней разделяют; КПД тарелок изменяется в широких пределах в зависимости от типа тарелки и режима работы колонны.
2.4 Технологии получения сжиженных углеводородных газов
Получение сжиженных газов обычно производится по технологической схеме с использованием эффекта Джоуля - Томсона (рисунок 2.12).

Рисунок 2.12 - Схема получения сжиженных газов с впрыском метанола
Для предотвращения образования гидратов в поток газа перед его охлаждением впрыскивается 80%-ный метанол. Газ, пройдя входной сепаратор, поступает в рекуперативный теплообменник Т1, в котором охлаждается обратным потоком газа. Далее газ дросселируется до давления, необходимого для транспорта газа потребителю и, охладившись, поступает в трехфазный сепаратор Сн1 для отделения выпавшей жидкости. Газ из сепаратора, отдав свой холод в рекуперативном теплообменнике, поступает потребителю. Выпавший водно-метанольный раствор дросселируется и поступает в отпарную колонну Км1. Пары метанола из Км1 конденсируются и поступают в сборную емкость. Из емкости метанол подается насосом в систему распределения метанола по установке. Выпавшая в Сн1 углеводородная жидкость поступает на орошение деэтанизатора К1. В К1 происходит отделение фракции С3+ от метан-этановой фракции. Последняя смешивается с основным потоком газа из низкотемпературного сепаратора. Фракция С3+ поступает в среднюю часть колонны К2, в которой разделяется на пропан-бутановую фракцию и ШФЛУ (или стабильный конденсат).
Конденсацию паров, выходящих из К2, а также охлаждение полученного нижнего продукта, осуществляют отсепарированным газом.
По данной технологической схеме были построены установки производительностью 315 млн м3/год перерабатываемого газа. В данном случае имелся свободный перепад давлений между поступающим на переработку газом (3, 5 МПа) и товарным газом, подаваемым на ТЭЦ и в город (1, 2 МПа). На этом перепаде давлений и был реализован процесс. В результате после дросселирования была достигнута температура минус 63°С, при этом извлечение из газа фракции С3+ составляло около 40% (пропана - 25%).
Данная технология отличается простотой и практически не имеет затрат энергии. При увеличении перепада давлений между поступающим на установку газом и выходящим будет соответственно увеличиваться и коэффициент извлечения С3+.
Недостатками этой установки являются загрязнение продуктов метанолом и трудности с утилизацией метанольной воды.
Более глубокое извлечение фракции С3+ позволяет технологическая схема, представленная на рисунке 2.13.

Рисунок 2.13 - Схема глубокого извлечения С3+ с использованием детандер-компрессорного агрегата
В отличие от предыдущей схемы, здесь применена твердая осушка газа, что дает возможность получать осушенные продукты, не содержащие метанол. Использование детандер-компрессорного агрегата (ТДА) при прочих равных условиях (т.е. одинаковых входных и выходных параметрах газа) позволяет проводить процесс сепарации при более низких температурах и давлениях, что благоприятно сказывается на процессе разделения. ТДА также позволяет максимально сохранить входное давление газа. Использование холода отсепарированного газа в дефлегматоре деэтанизатора К1 позволяет уменьшить унос пропана. Сырьевой газ поступает в трехфазный сепаратор С1. Отсепарированный газ подается в блок осушки, где осушается до точки росы минус 70°С. Сухой газ подается на охлаждение двумя потоками: в теплообменник Т1, Т2, Т3, и затем в сепаратор С2. Расширенный в детандере газ подается в сепаратор С3. Жидкость из сепаратора дросселируется, нагревается в теплообменнике Т3 и подается в качестве питания в среднюю часть деэтанизатора К1. Газ из сепаратора С3 поступает в качестве хладоагента в дефлегматор деэтанизатора и затем в теплообменник Т1. Кубовая жидкость из деэтанизатора дросселируется и подается в качестве питания в колонну К2. Углеводородная жидкость из трехфазного сепаратора С1 дросселируется и подается в разделитель Р1. Газ и углеводородная жидкость из разделителя подаются в деэтанизатор. Выходящий из деэтанизатора газ после рекуперации холода дожимается компрессором турбодетандерного агрегата, объединяется с основным потоком, выходящим из теплообменника Т1, и поступает потребителю.
Данная технологическая схема может работать в широком диапазоне давлений газа. Коэффициент извлечения пропана зависит от перепада давлений на детандере.
Схема была рассчитана на следующие параметры:
- давление сырьевого газа, поступающего с промысла, было 10, 8 МПа;
- давление товарного газа - 4, 2 МПа;
- содержание пропана в газе было 1, 67% мольн., бутанов - 0, 7% мольн.
Параметры процесса были подобраны таким образом, чтобы исключить необходимость в дожатии выходящих с установки потоков газа. Газ расширялся в детандере с 10, 5 МПа до 4, 3 МПа. Газ, выходящий сверху деэтанизатора К1 при давлении 2, 5 МПа, сжимался компрессором турбодетандерного агрегата до 4, 2 МПа.
Коэффициент извлечения пропана при работе установки на данных параметрах составляет 83%.
Для осушки газа использовались цеолиты NaA.
Коэффициент извлечения пропана 95% и выше может быть получен при переработке газа по технологической схеме, представленной на рисунке 2.14.

Рисунок 2.14 - Технологическая схема установки газоразделения без выделения этана
В установку поступает осушенный природный газ при давлении 5, 6 МПа и температуре 30°С. Газ разделяется на два потока: один охлаждается в теплообменнике Т5 газом, выходящим сверху колонны К2, другой - в теплообменнике Т1 метановой фракцией из колонны К1. Охлажденный в Т1 газ делится на два потока: один поступает в теплообменник Т3, другой - в Т2. Потоки охлажденного газа из теплообменников Т2, Т3 и Т5 объединяются в один, который поступает на охлаждение в теплообменник Т4. В сепаратор С1 поступает поток газа, охлажденный до температуры -45°С. Газ, выходящий из сепаратора С1, делится на два потока. Основная часть газа расширяется в турбодетандере до 2 МПа, объединяется с дросселированной жидкостью из С1, и общий поток подается в кубовую часть колонны К1. Другая часть газа охлаждается в теплообменнике Т6, дросселируется до 2 МПа и подается в колонну К1 в качестве орошения.
Колонна К1 рассчитана на 4 теоретические тарелки. Жидкость из куба К1 подается в качестве хладагента в дефлегматор Т7 и затем в теплообменник Т2, после чего подается в качестве питания под седьмую (теоретическую) тарелку колонны К2. Колонна К2 рассчитана на 18 теоретических тарелок. Из куба колонны К2 отводится фракция С3+, которая подается на фракционирование в колонны К3 и К5. Продуктом колонны К3 является пропан автомобильный. Из колонны К5 сверху выводится СПБТ, снизу - фракция С5.
В кипятильники Т8, Т12, Т15 подается углеводородный теплоноситель.
Выходящий из колонны К2 газ рекуперирует свой холод в теплообменнике Т5, подается в блок подготовки газа для регенерации и охлаждения адсорберов и затем направляется на ГРС или местные нужды.
Газ, отводимый сверху колонны К1, направляется на рекуперацию холода в теплообменники Т6, Т4, Т3, Т1, затем поступает на всас компрессора турбодетандерного агрегата и после охлаждения в аппаратах воздушного охлаждения поступает в компрессорный цех, где дожимается до давления магистрального газопровода. Часть этого газа после выхода из Т1 может добавляться к газу, поступающему в блок подготовки.
Высокое извлечение пропана достигается за счет промывки газа в колонне К1 сжиженным природным газом и организации орошения в колонне К2 с помощью встроенного дефлегматора Т7, хладагентом в котором является жидкость из куба колонны К1.
Коэффициент извлечения пропана составил 95%.
2.5 Технологии стабилизации газового конденсата
Углеводородные конденсаты, получаемые при добыче природного газа, необходимо перед транспортом и дальнейшей переработкой подвергать стабилизации с целью извлечения низкокипящих углеводородов (до С4-С5), а при переработке сернистых конденсатов - сероводорода, меркаптанов, сероуглерода и др.
Товарными продуктами установок стабилизации конденсатов являются деэтанизированный, или стабильный, конденсат, ШФЛУ, различные СУГ, газы выветривания и деэтанизации и др.
Для стабилизации газовых конденсатов используют три метода:
- ступенчатое выветривание (сепарация, дегазация);
- стабилизация в ректификационных колоннах;
- комбинирование дегазации и ректификации, наиболее широко используемое в промышленности.
2.5.1 Многоступенчатая дегазация
Ступенчатая дегазация - это простейший метод стабилизации, заключающийся в том, что за счет ступенчатого сброса давления происходит однократное испарение наиболее легких компонентов, которые в виде газа отделяются от конденсата.
При дегазации применяют одно-, двух- и трехступенчатые схемы. Выбор количества ступеней зависит от содержания в конденсате углеводородов до С4 включительно: чем оно больше, тем больше требуется ступеней дегазации.
Технологическая схема двухступенчатой установки дегазации приведена на рисунке 2.15.

Рисунок 2.15 - Технологическая схема двухступенчатой установки дегазации газового конденсата
Нестабильный конденсат после дросселирования (снижения давления) поступает в сепаратор дегазации первой ступени, после повторного дросселирования - в сепаратор второй ступени. Из сепараторов обеих ступеней выводится газ выветривания или дегазации, который может быть использован для собственных нужд в качестве технологического топлива.
Основные преимущества схем дегазации - это простота технологии, низкие металло- и энергоемкость процесса. Основной недостаток - нечеткое разделение углеводородов, одни из которых являются целевыми для газов стабилизации, а другие - для стабильного газового конденсата. Кроме того, при дегазации ("открытая система") невозможно производство СУГ.
2.5.2 Стабилизация в ректификационных колоннах
При больших объемах перерабатываемого конденсата применяют стабилизацию с использованием ректификационных колонн, имеющую ряд преимуществ по сравнению со стабилизацией дегазацией:
- проведение предварительной сепарации и деэтанизации нестабильного конденсата при высоких давлениях облегчает утилизацию газовых потоков;
- возможно производство СУГ, без применения искусственного холода;
- рационально используется пластовая энергия нестабильного конденсата;
- стабильный конденсат имеет низкое давление насыщенных паров, что снижает его потери при транспортировании и хранении.
На современных установках обычно применяют комбинирование процессов сепарации и ректификации ("закрытая система" сбора), что позволяет повысить технологическую гибкость процесса стабилизации и уменьшить энергозатраты. Ректификация осуществляется как в одной колонне (деэтанизация), так и в двух колоннах (полная стабилизация: первая колонна - деэтанизация, вторая - дебутанизация). Имеются ректификационные установки, на которых полная стабилизация осуществляется в одной колонне.
На рисунке 2.16 приведена технологическая схема установки деэтанизации конденсата.

Рисунок 2.16 - Технологическая схема установки деэтанизации конденсата
Нестабильные конденсаты обеих ступеней сепарации подаются на установку деэтанизации конденсата общим потоком во входной сепаратор 1. Ректификационная колонна-деэтанизатор оборудована 38-ю тарелками (клапанными, ситчатыми и др.) и работает под давлением 2, 5 - 3, 0 МПа. Нагретое до 90 - 140°С сырье подается в нее на 20-ю, 22-ю или 24-ю тарелки (считая сверху). Основной товарный продукт установки - деэтанизированный конденсат, который направляется на дальнейшую переработку. Другим продуктом установки является газ деэтанизации, к которому особых требований не предъявляется, за исключением того, что содержание в нем углеводородов С5+ не должно превышать 2% мас. Возможны и другие варианты реализации процесса деэтанизации.
Для улучшения условий конденсации углеводородов С3+ из газов деэтанизации при помощи обычных хладагентов (воздуха и воды) и создания стабильного потока острого орошения колонны-деэтанизатора в шлемовую трубу колонны вводят жидкую ПБФ. Такой ввод предполагает повысить эффективность разделения газа деэтанизации и конденсата и, тем самым, в первом уменьшить содержание углеводородов С3+, а во втором - содержание метана и этана.
2.5.3 Полная стабилизация конденсатов
Полная стабилизация газовых конденсатов предполагает практически полное ректификационное удаление из них углеводородов до С4 включительно. На практике используется несколько вариантов построения технологических схем полной стабилизации. Одна из таких схем приведена на рисунке 2.17.
Первой ступенью стабилизации по этой схеме является дегазация конденсата в сепараторе 1. Отсепарированная жидкость из сепаратора разделяется на два потока. Один из них нагревается в теплообменнике 2 и поступает в питательную секцию абсорбционно-отпарной колонны 3 (АОК), другой в качестве орошения подается на верхнюю тарелку АОК. Технологический режим в АОК следующий: давление 1, 9 - 2, 5 МПа; температура вверху 15 - 20°С; внизу - 170 - 180°С. Ректификатом (верхним продуктом) АОК является фракция, состоящая в основном из метана и этана (III), остатком - деэтанизированный конденсат. Обычно газ сепарации из сепаратора 1 объединяют с верхним продуктом АОК и после дожатия в компрессоре направляют в магистральный газопровод. Деэтанизированный конденсат из АОК направляют в стабилизатор 5, работающий по схеме полной ректификационной колонны. С верха стабилизатора 5 отбирают ПБФ или ШФЛУ (IV), а из куба колонны отводят стабильный конденсат II. Давление в стабилизаторе составляет 1, 0 - 1, 6 МПа. Для подвода тепла в кубы колонн 3 и 5 используют трубчатые печи.

Рисунок 2.17 - Технологическая двухколонная схема УСК
На усовершенствованных установках стабилизации конденсата для повышения технологической гибкости и возможности переработки облегченного по фракционному составу конденсата из-за истощения месторождения газ сепарации из сепаратора 1 нагревают и подают в АОК как отдувочный газ. Использование газа сепарации в качестве отдувочного позволяет в нижней части АОК снизить парциальное давление компонентов С3+ вследствие чего снижаются необходимое паровое число и количество тепла, подводимого в трубчатой печи.
По другому варианту построения технологической схемы полной стабилизации в первой по ходу конденсата колонне проводят процесс деэтанизации (давление не более 2, 6 МПа, температура верха и низа соответственно не выше +10 и 165°С). Во второй колонне (давление не выше 1, 3 МПа, температура верха и низа соответственно 90 - 130°С и не более 255°С), соединенной с первой колонной по остатку и являющейся дебутанизатором, в качестве ректификата получают ШФЛУ, а остатком - стабильный газовый конденсат.
2.5.4 Особенности процесса стабилизации сернистых газовых конденсатов
Стабилизацию сернистых газовых конденсатов проводят по технологическим схемам, аналогичным схемам для бессернистых или малосернистых конденсатов, но с учетом особых параметров технологического режима и противокоррозионного ингибирования отдельных узлов установок.
Наиболее крупные установки стабилизации сернистых газовых конденсатов в России эксплуатируются в Оренбурге и Астрахани. Применяющиеся на УСК методы противокоррозионной защиты можно сгруппировать следующим образом:
- технологические методы - способствующие снижению коррозии действующего оборудования, направленные на корректировку технологии переработки сероводородсодержащего газа, которая позволяет сохранить первоначально низкую коррозионную активность технологической среды;
- методы, связанные с изменением агрессивных свойств самой технологической среды или удалением из нее компонентов, вызывающих коррозию металла;
- специальные методы - применяемые совместно с другими технологическими мероприятиями: использование коррозионностойких сплавов, лакокрасочных покрытий, ингибиторов коррозии.
Необходимая коррозионная стойкость оборудования обеспечивается рациональным выбором подходящего сплава, который производится с учетом условий эксплуатации: состава и характера коррозионной среды; температуры и давления, периодичности их перепадов; действия среды и механических нагрузок. Существенным при выборе марки стали является также учет концентрации сероводорода, его давления и рН коррозионной среды.
Для обеспечения повышенной противокоррозионной защиты внутренней поверхности аппаратов и коммуникаций в условиях воздействия высоких давлений и коррозионно-активной среды с высоким содержанием растворенных сероводорода и углекислого газа используются защитные покрытия: лакокрасочные на основе термореактивной фенольной смолы, например, Plasite 3054, и ингибиторы коррозии на основе производных аминов, например, Додиген 481. Для емкостей предусмотрена защита от электрохимической коррозии алюминиевыми анодами, установленными в каждую их секцию.
2.6 Технологии выделения гелия из природного газа
Несмотря на то, что известно несколько способов получения гелия из природного газа (абсорбцией фторсодержащими соединениями; гидратообразованием; криогенными методами; мембранной технологией), промышленное распространение получили только криогенные методы. Мембранные технологии будут рассмотрены в разделе "Перспективные технологии" данного проекта справочника.
Криогенные способы получения гелия основаны на последовательной конденсации компонентов природного газа при понижении температуры. На криогенных установках получают гелий-сырец или гелиевый концентрат с содержанием гелия не менее 80% об., который для получения высокочистого гелия (до 99, 995% об.) подвергают дополнительной очистке.
Существует два варианта технологических схем криогенных установок.
По варианту I (рисунок 2.18) природный газ под давлением 2, 0 МПа охлаждается в рекуперативных теплообменниках до -28°С и аммиаком (при давлении ниже атмосферного) до -45°С, затем дросселируется до 1, 2 МПа и поступает в колонну. В ней от газа отделяется в основном метан с примесью азота V, а сверху уходит газ с содержанием гелия около 3% об. Этот газ еще раз конденсируется (кипящим при 0, 4 МПа азотом) во второй колонне, с верха которой уходит гелиевый концентрат III, содержащий до 80 - 90% гелия. Верх первой колонны охлаждается ее же кубовой жидкостью, дросселированной до давления 0, 15 МПа.

Рисунок 2.18 - Технологическая схема получения гелиевого концентрата (вар. I)
По варианту II (рисунок 2.19) очищенный и осушенный газ I под давлением 3, 2 МПа охлаждается вначале пропаном, затем в двух рекуперативных теплообменниках (с промежуточной сепарацией) - до -104°С и после дросселирования с температурой -153°С подается в колонну. С низа этой колонны отводится в основном метан. Верх колонны охлаждается за счет рекуперации холода, отчего в ней поддерживается температура -191°С, при которой сверху отводится смесь гелия и азота. Эта смесь затем доохлаждается в двух рекуперативных теплообменниках 4 и в двух сепараторах 1 разделяется на концентрат гелия (85%) и концентрат азота (99, 5%). Последний, расширяясь в турбодетандере 5, охлаждает верх колонны и отводится как продукт. По такому варианту извлекается около 85-96% гелия от его исходного содержания в газе (по варианту I степень извлечения ниже - не превышает 85%). Охлаждение смеси гелия и азота в теплообменниках 4 обеспечивается холодильным циклом, включающим компрессор 6 и холодильник 3.

Рисунок 2.19 - Технологическая схема получения гелиевого концентрата (вар. II)
Принципиальная технологическая схема процесса одновременного извлечения гелия, этана и широкой фракции углеводородов из бедного гелиеносного газа приведена на рисунке 2.20.

Рисунок 2.20 - Принципиальная технологическая схема установки выделения гелиевого концентрата, этана и широкой фракции углеводородов из природного газа
В установку низкотемпературного газоразделения поступает природный газ, очищенный от H2S, СО2 и осушенный под давлением 5 МПа. Схема включает две ступени прямоточной конденсации с отпаркой растворенного гелия в отпарных колоннах, заполненных насадкой из колец Палля и двух ступеней противоточной конденсации. Этан и широкая фракция углеводородов извлекаются из обратного потока газа после извлечения из него гелия. Установка может работать как в режиме получения только гелия, так и в режиме одновременного получения гелия, этана и ШФЛУ.
Основное количество холода, обеспечивающее извлечение гелия, получают при дросселировании большей части обратного потока газа до 3, 8 - 3, 6 МПа, 20% - до 1, 8 - 1, 6 МПа, 1, 5% обратного потока дросселируется до давления 0, 3 МПа.
При одновременном извлечении гелия, этана и ШФЛУ дополнительный холод получают детандированием обратного потока газа с 3, 8 - 3, 6 МПа до 1, 8 - 1, 6 МПа. В этом случае весь обратный поток выходит с установки под давлением 1, 5 МПа, дожимается в компрессорах до исходного давления и поступает в газопровод для транспортирования.
Технологическая схема включает пропановые холодильные установки. Пропаном, кипящим при изотерме -36°С, производят предварительное охлаждение газа. Пропаном, кипящим при -5°С, конденсируют флегму в дефлегматоре деэтанизатора.
Азотный холодильный цикл обеспечивает холодом вторую ступень противоточной конденсации, а также установку очистки гелиевого концентрата от примесей.
В витых многопоточных теплообменниках Т1 и Т2 природный газ при давлении 4, 5 МПа охлаждается, конденсируется и переохлаждается. После дросселирования до 4 МПа при температуре минус 93°С в состоянии насыщенной жидкости поток подается на верх отпарной колонны К1. В куб колонны К1 подводится теплота для отпарки растворенного гелия. В качестве теплоносителя используется поток охлаждаемого природного газа. Количество газа, отпаренного в колонне К1, составляет 10% от поступающего потока. Содержание гелия в жидкости, выходящей из куба колонны, составляет <0, 001%. Температура верха и низа колонны -93°С и -91 °С соответственно. В колонне К1 происходит десятикратное обогащение гелием выходящего сверху колонны газа.
Основное количество этана, содержащегося в газе, концентрируется в кубовой жидкости колонны К1, которая поступает на разделение в узел деэтанизации. Часть кубовой жидкости дросселируется до 3, 8 МПа, проходит теплообменник Т2 и поступает в сепаратор С1. Конденсат, выделенный в сепараторе С1, подогревается в теплообменнике Т1 и подается в деметанизатор К3 при температуре минус 40°С в качестве питания. Другая часть кубовой жидкости колонны К1 дросселируется до 3, 8 МПа и подается в деметанизатор КЗ в качестве орошения при температуре -93°С.
Пар из колонны К1 охлаждается и конденсируется в прямоточном теплообменнике Т3, а затем подается при давлении 3, 9 МПа и температуре -108°С в отпарную колонну К2. В качестве теплоносителя в кубе колонны К2 используется природный газ. Отпарка в колонне К2 составляет около 10% от поступающего потока. Содержание гелия в кубовой жидкости колонны К2 составляет <0, 001%. Концентрация гелия, выходящего из верхней части колонны К2, в 100 раз выше его концентрации в исходном газе. Температура верха колонны К2 -107°С; температура куба -103°С. Кубовая жидкость колонны К2, содержащая около 15% азота, 85% метана и незначительное количество более тяжелых углеводородов, дросселируется до 18 МПа и поступает в качестве хладагента в прямоточный конденсатор ТЗ. Пар, выходящий из колонны К2 и содержащий 5, 5% гелия, дросселируется до давления 1, 8 МПа и поступает для дальнейшего обогащения в колонну К3. Колонна К3 состоит из противоточного конденсатора, насадочной и кубовой части. Противоточный конденсатор имеет две ступени. В первой ступени хладагентом является кубовая жидкость колонны К3, содержащая около 30% азота и 70% метана, сдросселированная до 0, 3 МПа. Во второй ступени противоточного конденсатора хладагентом является жидкий азот, кипящий при температуре -194°С. Из верхней части колонны К3 выходит гелиевый концентрат, содержащий 85 - 90% гелия, который направляется затем на очистку от примесей.
В колонну К4 на деметанизацию поступает поток, составляющий около 30% от исходного количества газа. Давление в колонне - 3, 6 МПа. Соотношение потоков, подаваемых в качестве орошения и питания - 1:1. Извлечение этана с нижним продуктом составляет около 85%. Теплоносителями в кипятильнике колонны К4 являются водяной пар и широкая фракция углеводородов, отводимая из куба деэтанизатора К5.
Метановая фракция, выходящая из верхней части деметанизатора К4, объединяется с паром, выходящим из сепаратора С1, и поступает в детандер Д, где расширяется до 1, 8 МПа. С температурой -103°С поток поступает в качестве хладагента в конденсатор Т2, а затем в теплообменник Т1.
Деметанизированная в колонне К4 смесь углеводородов поступает затем в деэтанизатор К5, работающий при давлении 3 МПа. Деэтанизатор оснащен дефлегматором и кипятильником. Теплоноситель в кипятильнике - водяной пар. Сверху колонны отбирается этановая фракция с содержанием 95% этана, а снизу - широкая фракция углеводородов, содержащая около 60% пропана.
На рисунке 2.21 представлена технологическая схема извлечения из природного газа гелия с одновременным выделением фракции С2+ и азота.

Рисунок 2.21 - Технологическая схема установки извлечения из природного газа гелия с одновременным выделением фракции С2+ и азота
Предварительно очищенный природный газ сжимается в компрессоре 1 с приводом от турбодетандера до 5 МПа и охлаждается до 230 К обратными потоками газа и пропаном. Конденсирующиеся углеводороды отделяются в сепараторе 3, подогреваются и подаются в метановую колонну 2, работающую под давлением 0, 9 МПа. Газ, уходящий из сепаратора 3, после охлаждения и конденсации подается в колонну обогащения азота 5, работающую под давлением 3, 1 МПа. Жидкий продукт с низа этой колонны подается насосом под давлением 4 МПа в теплообменник, где частично испаряется и поступает в сепаратор 6, установленный на всасывающей линии турбодетандера. Жидкие продукты из сепаратора 6 после подогрева поступают в метановую колонну для выделения из них фракции С2+. Пары из сепаратора расширяются в турбодетандере и поступают в метановую колонну. При этом образующаяся при расширении газа жидкость служит орошением колонны. Продукт с низа метановой колонны (фракция С2+) уходит с установки при давлении 0, 9 МПа. Продукт с верха метановой колонны нагревается и отводится с установки при давлении 0, 8 МПа, как товарный газ.
Газ из колонны обогащения азота 5 охлаждают и подают в колонну высокого давления 9 (2, 7 МПа). С верха этой колонны уходит газ, обогащенный гелием, и жидкий азот с растворенным в нем гелием, которые поступают в гелиевую колонну 7 (2, 7 МПа).
Продукт с низа колонны высокого давления поступает в колонну низкого давления 8 (0, 2 МПа). В этой колонне выделяется чистый газообразный азот и жидкая смесь азота и метана. Продукт с низа колонны сжимается до 0, 9 МПа и после испарения выводится с установки в качестве топливного газа. Для орошения колонны обогащения азота используется система открытой циркуляции товарного газа 4.
Полученный на криогенных установках гелиевый концентрат подвергают глубокой очистке с использованием еще более глубокого охлаждения. Очистка направлена на удаление из концентрата примесей водорода, азота, метана и др., обычно состоит из четырех стадий:
1) очистка концентрата от примесей водорода его окислением с помощью активного оксида меди (70% оксида меди, 1% оксида железа и 20% каолина) на палладиевом или платиновом катализаторе;
2) глубокая осушка от влаги, образовавшейся при окислении водорода, адсорбцией на молекулярных ситах-цеолитах или оксиде алюминия;
3) сжатие концентрата до 15 - 20 МПа и охлаждение до -207°С с последующим его дросселированием и сепарацией в одну или две ступени для удаления остатков азота. Концентрат после этой стадии содержит гелий в количестве 99, 5% об.;
4) адсорбционная доочистка концентрата на активированных углях, охлаждаемых жидким азотом. После этой стадии получают товарный гелий концентрацией 99, 98% об.
Товарный гелий хранят в сжатом или сжиженном виде. Сжатый гелий находится в газовых баллонах под давлением до 15 МПа.
Для перевода товарного гелия в жидкое состояние его сначала охлаждают жидким азотом, затем направляют последовательно в турбодетандер и парожидкостной турбодетандер (или дросселируют). В результате этих процессов гелий частично переходит в жидкую фазу, и его доочищают в адсорберах, размещенных в агрегатах охлаждения, от примесей воздуха и неона.
Полученный жидкий гелий заливают в сосуды Дьюара различной вместимости, а большие количества - в криогенные хранилища.
2.6.1 Ожижение гелия
Промышленное ожижение гелия, как и других низкокипящих газов (водорода, кислорода, азота), осуществляется разными технологическими процессами сжижения и разделения газов всегда при криогенных температурах, достигаемых множеством возможных вариантов каскадных холодильных компрессорных циклов совместно с методами охлаждения, дросселированием газа и охлаждения газа, его детандированием с отдачей внешней работы. Стоимость компримирования газов и производства искусственного холода является определяющей в выборе оптимального варианта для сжижения легких газов.
Современные ожижители используют детандерные циклы:
- ожижители малой производительности - на базе поршневых детандеров;
- крупные ожижители - на базе турбодетандеров.
Расчетные исследования определили, что оптимальное число ступеней охлаждения для гелиевых ожижителей - 4. Коэффициент ожижения зависит от количества ступеней экспоненциально. При меньшем количестве ступеней он резко снижается, а при увеличении количества ступеней больше четырех рост его незначителен, но возникают дополнительные эксплуатационные трудности.
В качестве первой ступени обычно используется азотное охлаждение, затем две детандерные ступени, последняя ступень для установок малой и средней производительности - дроссельная, для установок большой производительности используется ступень парожидкостного турбодетандера.
Энергетическая эффективность гелиевого ожижителя существенно зависит от его мощности; для ожижителей средней производительности на производство одного литра жидкого гелия расходуется один литр жидкого азота и 0, 6 кВт электроэнергии. Эти параметры одинаковы как для отечественных, так и для зарубежных установок.
Существует адсорбционно-криогенный метод тонкой очистки гелия на базе короткоцикловой безнагревной адсорбции (КБА) с окончательной доочисткой от неона на гелиевых ожижителях (рисунок 2.22).

Рисунок 2.22 - Схема криогенной гелиевой установки КГУ-150/4, 5
Гелий всасывается компрессором 1, сжимается до давления около 2, 5 Мпа и охлаждается в концевом холодильнике до температуры ОС. После этого гелий поступает в маслоотделитель 2, где освобождается от основного количества масла, уносимого из компрессора, затем поступает в фильтр грубой очистки 3, в котором очищается от остатков капельного масла и поступает в фильтр тонкой очистки 4, где удаляются пары масла.
Очищенный от масла гелий поступает в блок осушки и очистки гелия А, вначале в осушитель 5, а затем в аппарат очистки 6. В осушителе гелий освобождается от паров воды. Осушка происходит за счет адсорбции паров влаги на поверхности силикагеля при температуре ОС. После осушителя 5 гелий поступает в теплообменник 7, где охлаждается потоком очищенного гелия и холодными парами азота, на внутренней поверхности трубок теплообменника происходит вымораживание остаточной влаги. Из теплообменника очищаемый поток направляется в адсорбер 8, адсорбер аппарата очистки заполнен активированным углем и термостатируется за счет кипения жидкого азота при Т = 80 К. После очистки от воздуха и прочих газообразных примесей гелий возвращается в теплообменник 7, где нагревается прямым потоком примерно до температуры ОС.
Перед поступлением в агрегат охлаждения гелий проходит фильтр, где очищается от унесенной из адсорбера угольной пыли. Сжатый, очищенный гелий с давлением примерно 2, 5 Мпа и температурой ОС поступает в агрегат охлаждения Б.
Основная часть гелия направляется в трубки теплообменника 9, остальной гелий - в трубки аппарата 10 (в рефрижераторном режиме до 3%). В теплообменнике 9 гелий охлаждается обратным потоком, в аппарате 10 - парами азота, поступающими из азотной ванны 11. Оба потока охлаждаются примерно до Т = 90 К и, выйдя из теплообменников, смешиваются, после чего гелий поступает в азотную ванну 11. Распределение и регулировка потоков гелия в указанных теплообменниках осуществляется вентилем 3-12. Подача прямого потока в теплообменник 10 зависит от температуры выходящего азота на теплом конце этого теплообменника. Температура азота измеряется термометром Т-2 и должна быть на 18 - 20 К ниже, чем температура прямого потока в точке Т-1. В азотной ванне гелий охлаждается до температуры примерно 80 К за счет кипящего азота.
После азотной ванны прямой поток поступает в теплообменник 12, охлаждается в нем примерно до 25 К, выйдя из него, делится на две части: в рефрижераторном режиме примерно 40%, а в ожижительном - 70% гелия направляется в детандер 13, в котором гелий расширяется до давления обратного потока 0, 12 МПа и одновременно охлаждается до температуры 10, 5 К. Температура гелия до и после детандера замеряется термометрами Т-3 и Т-4. Вышедший из детандера гелий присоединяется к обратному потоку и поступает в межтрубное пространство теплообменника 14.
Оставшаяся часть гелия прямого потока, которая не попала в детандер (дроссельный поток), после теплообменника 12 последовательно проходит по трубкам теплообменников 14, 15, 16. На выходе из теплообменника 15 гелий имеет температуру в рефрижераторном режиме примерно 7 К, а в ожижительном - около 9 К. Между теплообменниками 15 и 16 гелий проходит через дроссельный вентиль P-I, в котором давление гелия понижается с 2, 4 - 2, 5 МПа до 0, 4 - 0, 7 МПа.
В теплообменнике 16 гелий при давлении 0, 4 - 0, 7 МПа охлаждается в рефрижераторном режиме примерно до 4, 8 - 5К, а в ожижительном - до 6 - 6, 5 К; температура в этой точке замеряется термометром Т-8.
В рефрижераторном режиме часть гелия дросселируется в вентиле Р-3 до давления 0, 13 МПа и частично сжижается. Смесь пара и жидкости поступает в сборник жидкого гелия 17, где разделяется на пар и жидкость. Количество гелия, направляемого через вентиль Р-3, должно быть таким, чтобы змеевик, расположенный в сборнике, в процессе работы оставался погруженным в жидкость. Остальной гелий дросселируется в вентиле Р-2, проходит через змеевик сборника и в виде парожидкостной смеси направляется через вентиль 3-2 к потребителю с температурой примерно 4, 6 К. У потребителя жидкая фаза испаряется, отдавая свой холод на охлаждение оборудования.
Обратный поток Г2 газообразного гелия возвращается от потребителя через вентиль 3-3 при давлении около 0, 13 МПа и с температурой примерно 4, 5 К смешивается с парами гелия из сборника и поступает в межтрубное пространство теплообменника 16. Температура гелия, направляющегося к потребителю и возвращающегося от потребителя, замеряется термометрами Т-6 и Т-7. Температура обратного потока на выходе из блока охлаждения Б примерно на 12 - 15 К ниже, чем температура гелия на входе. Обратный поток гелия поступает на всасывание компрессора 1. Цикл замыкается. Обратный поток гелия замеряется с помощью диафрагмы 21.
В ожижительном режиме весь гелий дроссельного потока дросселируется в вентиле Р-3. Жидкость, собравшаяся в сборнике, сливается в транспортный сосуд 19. Образующиеся при сливе пары гелия отводятся черев подогреватель 20 и направляются в газгольдер 22.
В блоке имеется байпасная линия с вентилем 3-1, которая используется в пусковом периоде. Внутренняя полость блока охлаждения, в которой находится аппаратура, вакуумируется. Абсолютное вакуумирование изоляционного кожуха 18 блока охлаждения и сливных сифонов производится до остаточного давления при температуре окружающей среды. Для этой цели используется механический насос 2НВР-5Д и высоковакуумный агрегат H-IC-2.
В газгольдере 22 хранятся запасы гелия низкого давления для компенсации утечек гелия, одновременно он является буферной емкостью и создает избыточное давление на всасывание гелиевого компрессора 200 - 300 мм вод. ст. Подпитка системы гелием при захолаживании установки и в режиме ожижения осуществляется из рампы 23, в баллонах которой гелий хранится при давлении до 15 МПа.
Во время остановки установки избыток гелия закачивается обратно в баллоны рампы вспомогательным компрессором 1 ВУВ-45/150 25.
После сжатия в компрессоре I ВУВ-45/150 гелий очищается от масла в блоке маслоотделения 24. Очистка происходит при температуре окружающей среды вначале в маслоотделителе 28 от капельного масла, а затем в адсорбере 29 от паров масла. Масло из маслоотделителя сливается в бачок продувок 27, в котором отделяется увлеченный с маслом гелий. Маслоотделитель 26, установленный на всасывающей линии компрессора 25, служит для улавливания масла. Собранное масло сливается в коллектор продувок.
Блок осушки и очистки укомплектован механическим вакуумным насосом 2НВР-5Д для регенерации адсорбентов и паромасляным насосом H-IC-2, предназначенным для вакуумирования изоляционного пространства сосуда Дьюара очистителя. Жидкий азот в азотную ванну блока охлаждения подается из транспортного резервуара ТРЖК-4М. Второй такой сосуд обеспечивает жидким азотом блок осушки и очистки.
Общая коммутация оборудования ожижительного комплекса приведена рисунке на 2.23.

Рисунок 2.23 - Криогенный ожижительный комплекс производительностью 2000 литров жидкого гелия в час
Компрессоры, имеющие индивидуальную очистку от масла, сколлектированы (1). Блок осушки (2) - общий на весь поток. Ожижительные установки (3) работают параллельно и через систему хранения (4) подают жидкий гелий в транспортные контейнеры (5). Наличие трех автономных линий позволяет оперативно управлять процессом ожижения гелия и при необходимости выводить установку из режима для проведения ремонтных и профилактических работ, не снижая производительности ожижительного центра в целом.
2.7 Технологии получения технического углерода из природного газа и газового конденсата
Печным способом получают до 90% и более производимого технического углерода. По этому способу осуществляют термоокислительное разложение углеводородов под действием высокой температуры при недостатке воздуха.
Технологическая схема процесса приведена на рисунке 2.24.

Рисунок 2.24 - Технологическая схема производства технического углерода печным способом
Основным аппаратом установки является реакционная печь - горизонтальная цилиндрическая камера, выложенная огнеупорным кирпичом и заключенная в металлический кожух. Торцевая часть печи снабжена устройством для подачи газа, а воздух поступает тангенциально к потоку газа через отверстия в футеровке для более интенсивного перемешивания с газом. Печь по ходу движения газа переходит в трубопровод-активатор, предназначенный для выдержки технического углерода при высокой температуре в течение определенного времени с целью полного разложения углеводородов.
Для улавливания дисперсного углерода из аэрозольного потока, помимо электрофильтров, применяются циклоны с электрокоагуляторами и рукавными фильтрами, системы последовательно установленных циклонов с рукавным фильтром после них, рукавные фильтры с предварительной коагуляцией без циклонов, зерновые фильтры.
Количество подаваемого в печь воздуха составляет 50% от требуемого количества для полного сгорания углеводородов сырья (примерно 5, 4 м3/м3 сжигаемого газа). Давление в печи - примерно 0, 410 - 0, 112 МПа; температура - 1200 - 1500°С; время нахождения продуктов сгорания в печи - 2 - 4 С.
Канальный (диффузионный) способ получения технического углерода основан на его выделении из пламени горящего природного или нефтяного газа на движущуюся над пламенем осадительную поверхность. Этот тип технического углерода обладает наиболее глубоким черным цветом, поэтому ряд эмалей, красок, лаков производят только с применением канального технического углерода.
Технологическая схема канального способа получения технического углерода приведена на рисунке 2.25.

Рисунок 2.25 - Технологическая схема производства техуглерода канальным способом
Основными аппаратами процесса являются горелочные камеры, которых на промышленной установке имеется 40 - 200 штук. Горелочные камеры изготавливаются из кровельного железа, прикрепленного к каркасу, и устанавливаются на фундамент с зазором, величиной которого регулируют подачу воздуха в камеру. Габариты камер (длина х ширина х высота) - 50 х 4 х 3, 1 м или 35 х 3, 6 х 2, 7 м. Технический углерод в горелочных камерах осаждается на движущихся вдоль камер швеллерных балках и удаляется с них с помощью горизонтальных и вертикальных скребков в бункер. Газ сжигают в щелевых горелках, в которых пламя плоское. Ширина щели - 0, 8 - 0, 9 мм, оптимальное расстояние до осадительной поверхности - 62 мм. Количество горелок в камере составляет 2080 - 2736 штук.
Выход технического углерода при канальном способе зависит от состава сырья, температуры и давления газа, количества воздуха, расстояния горелок от осадительной поверхности и составляет примерно 21 - 22 кг/1000 м3 газа. Наличие в газе сернистых соединений, азота, диоксида углерода нежелательно из-за коррозии и снижения выхода технического углерода.
Процесс получения термического технического углерода периодичен в отличие от непрерывных процессов получения печного и канального углерода. Упрощенная схема этого процесса приведена на рисунке 2.26.

Рисунок 2.26 - Схема технологического процесса производства термической сажи
В термическом процессе тепло для разложения сырья выделяется при полном сгорании природного газа в генераторах, заполненных кладкой из огнеупорного кирпича, аккумулирующей тепло. Когда температура в генераторе поднимается до 1100 - 1500°С, подачу воздуха прекращают. Затем через генератор начинают пропускать природный газ, который разлагается на водород и углерод. Когда в результате эндотермической реакции разложения температура кладки снизится до определенной величины, в генератор снова подают воздух и процесс разогрева повторяется.
Обычно используется два генератора, в которых периоды нагрева и углеродобразования происходят поочередно, в результате чего углерод производится непрерывно. Часть углерода остается на кладке и сгорает вместе с природным газом в период разогрева генератора.
Образовавшийся в генераторе углерод вместе с газом поступает в холодильник, где они охлаждаются распыленной водой. Из холодильника саже-газовая смесь поступает в рукавные фильтры для извлечения углерода.
Среднюю термическую сажу производят по этому методу с выходом до 250 кг на 1000 м3 природного газа. Около 90% газа в период сажеобразования разлагается в генераторе. Тонкую термическую сажу производят аналогичным способом, за исключением того, что исходный природный газ разбавляют водородом из предыдущего цикла. Обычно применяют смесь, содержащую 1/3 природного газа и 2/3 водорода. Природный газ можно разбавлять и другими двухатомными газами. Вследствие некоторой потери тепла выход тонкой термической сажи ниже, чем выход средней термической. Чтобы увеличить выход тонкой и средней термической саж, применяется предварительный подогрев воздуха, подаваемого в генератор. Производство тонкой термической сажи требует больше фильтров на единицу продукции из-за большего объема газового потока. Насыпная плотность термических саж составляет 480 кг/м3, поэтому в течение многих лет их упаковывали в негранулированном виде. В настоящее время термические сажи выпускают и в гранулированном виде.
2.8 Технологии производства газовой серы
Одним из основных технологических блоков ГПЗ являются установки производства газовой серы, сырьем для которых служат кислые газы, выделенные из сероводородсодержащих газов.
Получение элементной серы из кислых газов основано на окислении сероводорода. В качестве источника кислорода в систему, как правило, подается воздух.
Установки получения серы, основанные на реализации реакций Клауса, принято называть установками Клауса, они включают в себя термическую и каталитические ступени.
В термической ступени сероводород сгорает в присутствии воздуха. При этом преимущественно образуются элементная сера и диоксид серы. Температура горения зависит прежде всего от концентрации H2S в кислом газе и составляет 900 - 1200°С. Эта температура зависит также от соотношения "воздух : кислый газ", которое поддерживается как правило на уровне 1, 7 - 1, 9. Степень конверсии H2S в элементную серу в термической ступени должна быть как можно выше, т.е. ближе к термодинамическому уровню. Так, при производительности по сере 200 т/сут со степенью конверсии H2S в серу 95% образуется около 3200 т/год диоксида серы.
При пониженных значениях степени конверсии на термической ступени при сохранении общего значения этого параметра в целом по установке увеличивается нагрузка на каталитические ступени.
Одним из основных факторов, оказывающих влияние на эффективность работы термической ступени, является продолжительность пребывания в ней газа - ее увеличение приводит к повышению степени конверсии.
Степень конверсии сероводорода в серу зависит также от температуры в реакторе: чем выше температура, тем выше степень конверсии сероводорода. Практическая степень превращения сероводорода в серу в печи (на термической ступени) составляет не более 60 - 65%.
На каталитической ступени основным параметром, влияющим на степень конверсии сероводорода, является соотношение расходов воздуха и кислого газа на выходе из реакционной печи: оно должно обеспечивать объемное соотношение H2S к SO2 на входе газа в конвертор, равное 2 к 1. Любое отклонение от данного соотношения влечет за собой снижение выхода элементной серы. Кроме этого фактора, на каталитической ступени большое значение имеют длительность поддержания высокой температуры продуктов сгорания, температура газа на входе в каталитическую ступень, объемная скорость газа в конверторе и т.д.
Чем ниже средняя температура процесса в конверторах, тем больше выход серы, однако на практике эта температура должна быть несколько выше точки конденсации серы. Это, безусловно, снижает выход серы, но обеспечивает превращение CS2 и COS в сероводород, который в дальнейшем окисляется до серы:
COS+H2O→CO2+H2S;
CS2+2H2O→CO2+2H2S;
2COS+SO2→2CO2+1, 5S2;
CS2+O2→CO2+S2.
Для катализаторной ступени процесса Клауса используются катализаторы, в качестве которых первоначально широкое применение нашли природные бокситы, состоящие в основном из оксидов алюминия и железа. Они в своем составе содержат кремнезем SiO2, оксиды титана TiO2, кальция CaO, магния MgO, марганца MnO, фосфора P2O5 и др. Соответственно, метод Клауса заключался в сжигании сероводорода в слое данного катализатора до сернистого ангидрида и серы. Данный катализатор использовали в основном из-за его дешевизны, доступности, высокой активности, а также из-за незначительных объемов перерабатываемого сероводорода. В том случае нагрузка на катализатор составляла 3 - 4 нм3 сероводорода на 1 м3 катализатора в час. Но данный тип катализаторов имел и существенные недостатки: быстрая дезактивация, вызываемая сульфатацией поверхности, непостоянство состава и свойств, недостаточно развитая поверхность, покрытие углеродистыми отложениями и гидратацией.
Степень конверсии сероводорода в серу при использовании данного катализатора составляла 80 - 90%, остальная часть сернистых соединений в виде диоксида серы поступала в атмосферу. Это оказывало негативное воздействие на экологическую обстановку.
В дальнейшем процесс имел развитие в том плане, что процесс стал реализовываться путем двух отдельных стадий - термической и каталитической. Были разработаны и успешно внедрены алюмооксидные и титанооксидные катализаторы.
Чаще всего катализаторы Клауса выпускают из гидроксида алюминия. Типичные представители катализаторов этого ряда - гиббсит, байерит, нордстрандит. Оксид алюминия и ее гидратированные формы нерастворимы в воде, обладают амфотерными свойствами. Кроме полных гидроксидов известны также AlOOH в виде двух ромбических модификаций: диаспор с плотностью 3, 3 - 3, 5 г/см3, устойчив до 350°С, в интервале температур 350 - 400°С переходит в α - Al2O3; бемит, плотность которого 3, 01 г/см3, при 400°С переходит в γ – Al2O3, а при 600°С переходит в α - Al2O3. Он практически не реагирует с кислотами и щелочами. Его удается перевести в растворимое состояние только с помощью сплавления со щелочами.
На практике катализатор представляет собой шарик или экструдат диаметром 4 - 6 мм, содержит более 94% оксида алюминия, удельная поверхность 260 - 345 м2/г. В состав катализатора обычно входят такие компоненты (%, масс.), как N2O - 0, 04; SiO2 - 0, 02; Fe2O3- 0, 04; TiO2 - 0, 01.
Активность катализаторов снижается в результате изменения их структуры, отложения на их поверхностях различных примесей (кокса, солей), сульфатирования оксида алюминия и т.д. Вследствие этого периодически (один раз за 3 - 4 года) производится полная замена катализатора.
Технологическая схема процесса Клауса включает термическую ступень и несколько последовательно включенных каталитических конверторов. После каждой ступени реакционные газы охлаждают до температуры конденсации серы, отделяют серу, а газы после необходимого подогрева направляют на следующую ступень. В тех случаях, когда объемная доля сероводорода в кислых газах ниже 5% об., используют схему без термической ступени. Окисление сероводорода осуществляют кислородом воздуха на катализаторе (обычно один-два конвертора).
В зависимости от содержания сероводорода в исходном кислом газе технологические схемы процесса Клауса могут быть прямоточными и разветвленными (рисунок 2.27).

Рисунок 2.27 - Технологические схемы процесса Клауса в зависимости от содержания сероводорода в кислом газе
Технологическая схема промышленной установки Клауса с разветвленным потоком сероводорода и двумя конверторами приведена на рисунке 2.28.
Теплота, выделяющаяся при реакции в печи 3, используется для генерации водяного пара высокого давления III, а при конденсации паров серы - для генерации водяного пара низкого давления IX.

Рисунок 2.28 - Технологическая схема установки Клауса с двумя конверторами
В таблице 2.2 приведены основные параметры технологического режима работы установки Клауса.
|
Наименование |
Показатель | |
|
Температура в печи-реакторе, °С: | ||
|
- горения |
1026 | |
|
- газов на выходе |
290 | |
|
Температура газов в конденсаторе N 1, °С: | ||
|
- на входе |
290 | |
|
- на выходе |
194 | |
|
Температура газов в первом конверторе, °С: | ||
|
- на входе |
260 | |
|
- на выходе |
350 | |
|
Температура газов в конденсаторе N 2, °С: | ||
|
- на входе |
350 | |
|
- на выходе |
210 | |
|
Температура газов во втором конверторе, °С: | ||
|
- на входе |
210 | |
|
- на выходе |
240 | |
|
Температура газов в конденсаторе N 3, °С: | ||
|
- на входе |
240 | |
|
- на выходе |
132 | |
|
Давление в системе, МПа |
0, 02 - 0, 03 | |
|
Молярная доля H2S, %: | ||
|
- в исходном кислом газе |
59, 4 | |
|
- в газах после второго конвертора |
0, 9 | |
|
Молярная доля серы в отходящих газах, % |
0, 068 | |
|
Извлечение серы в процессе, % |
96 |
Следует отметить, что температура серы, выходящей из конденсаторов 12, 13, 15, составляет 130 - 150°С, хотя сера и конденсируется при 188°С. Это связано с тем, что в интервале температур от 188°С до 160°С образуются молекулы серы с длинной цепью и высокой вязкостью, поэтому спуск серы из конденсаторов оказывается невозможным. При температуре 150°С и ниже жидкая сера, температура плавления которой в зависимости от формы составляет 106, 8 - 119, 3°С, обладает значительно меньшей вязкостью.
2.8.1 Технология доочистки отходящих газов установок Клауса
По схеме, приведенной на рисунке 2.28, остаточные газы процесса Клауса, поступающие в печь дожига 9, обычно содержат (в зависимости от эффективности работы и качества исходного газа) 1 - 2% сероводорода, до 1% диоксида серы, до 0, 4% серооксида углерода, до 0, 3% сероуглерода, 1 - 8 г/м3 капельной и паровой серы, по 1, 0 - 1, 5% водорода и оксида углерода, до 15% углекислоты, около 30% водяных паров и азот. Температура газов - около 150°С, давление - не более 0, 02 - 0, 03 МПа.
Все процессы доочистки в зависимости от заложенного в них принципа можно разделить на две основные группы:
- процессы, основанные на реакции Клауса, являющиеся дополнением к основным установкам и обеспечивающие общую степень извлечения серы до 99, 0 - 99, 7%.
- процессы, основанные на превращении всех сернистых компонентов в один (SO2 или H2S) и обеспечивающие общую степень извлечения серы до 99, 9% и выше.
Процессы доочистки, основанные на реакции Клауса - это наиболее распространенные процессы очистки отходящих газов. Они основаны на каталитической реакции Клауса оставшихся в хвостовых газах сероводорода и диоксида серы:
2H2S+SO2→3/nSn+2H2O
Реакция осуществляется при более низких температурах, чем на установке Клауса (130 - 150°С), что способствует более полному ее протеканию, в слое твердого катализатора (процессы "Сульфрин", СВА, MCRC) или в жидкой среде, содержащей катализатор (процесс ФИН, Клаусполь 1500). Эти процессы имеют сравнительно простую технологическую схему и достаточно широко распространены, хотя и не обладают такой эффективностью, как процессы второй группы.
Из процессов с применением твердого катализатора широко эксплуатируется процесс "Сульфрин", разработанный фирмами "Эльф Акитен" Франция) и "Air Liquide Global Е&С Solutions Germany GmbH" (ФРГ). В этом процессе реакция Клауса протекает на твердом катализаторе (оксиде алюминия) при 125 - 150°С. При такой низкой рабочей температуре термодинамическое равновесие благоприятнее, чем при обычных условиях процесса Клауса. Полученная сера остается адсорбированной на катализаторе в жидком виде, тем самым смещая равновесие реакции к полной конверсии H2S и SO2 в серу.
Технологическая схема процесса "Сульфрин" приведена на рисунке 2.29. Установка состоит из двух-трех реакторов по типу адсорбционной схемы.

Рисунок 2.29 - Технологическая схема процесса "Сульфрин"
Отходящий газ из конденсатора после установки Клауса с температурой 400 - 410 К (673 - 6830С) снизу вверх входит в два параллельно работающих конвертора (1, 2) с двумя слоями алюмооксидных катализаторов в каждом. Первый снизу защитный слой - пропитанный сульфатом железа γ-Al2O3 для связывания содержащегося в технологическом газе кислорода (например, катализатор марки AM фирмы "Рон-Пуленк"). Катализатор AM рекомендуется использовать в количестве 30% от общего объема катализатора в реакторе. В качестве второго основного слоя служит катализатор из активированного оксида алюминия (например, марки А2-5).
Ввиду того, что температура в реакторах ниже температуры точки росы серы, пары серы, поступающие с отходящим газом и образующиеся за счет реакции Клауса, адсорбируются в порах катализатора, дезактивируя его. В связи с тем, что из потока отходящего газа катализатором удаляется практически вся сера, равновесие реакции Клауса сдвигается в сторону полной конверсии H2S и SO2 в серу.
Очищенный отходящий газ поступает в печь дожига, где все содержащиеся еще в потоке газа сернистые соединения (H2S, COS, CS2), туман серы и пары сгорают, образуя SO2. Концентрация их в пересчете на серу составляет, как правило, 0, 1 - 0, 2% об. (1000 - 2000 ppm). Часть очищенного отходящего газа газодувкой (5) направляется на печь подогрева (4), где за счет непрямого контакта с дымовыми газами сгорания топлива подогревается до 330 - 350°С и с такой температурой поступает сверху вниз в третий реактор (3), находящийся в стадии регенерации (десорбции серы) и охлаждения. Газы регенерации удаляют в парообразном виде и направляют в конденсатор (6), где пары серы конденсируются.
Сера сливается в жидком виде через гидрозатвор в емкость хранения, а газы с температурой 127°С поступают на всас газодувки (5). В межтрубном пространстве конденсатор получают водяной пар давлением 0, 4 МПа. При наличии реакторов достаточно большого объема процесс можно считать непрерывным, так как в этом случае переключение адсорберов со стадии катализа и адсорбции на стадию регенерации производится один раз в сутки. Для переключения реакторов служит специальная пневматическая арматура с программным устройством.
В конце стадии десорбции в газ регенерации подмешивается исходный кислый газ (до содержания в газе регенерации примерно 5% H2S) с целью восстановления сульфата алюминия. Для исключения потерь серы этот газ выводится затем через работающий на стадии адсорбции реактор.
После десорбции реактор переключается на цикл охлаждения. Охлаждение катализатора осуществляется путем циркуляции через адсорбер газа регенерации, минуя печь подогрева 4. Для более глубокого охлаждения катализатора и снижения тем самым потерь серы в современных установках предпочитают в конденсаторах получать пар давлением до 0, 2 МПа. Этот пар часто не находит технологического применения, и поэтому его после конденсации вновь возвращают в барабан конденсатора. Недостатком такого решения является потеря части генерируемого в процессе пара, а преимущество заключается в снижении выбросов SO2 в атмосферу.
После этого процесса концентрация H2S и SO2 в отходящем газе составляет 0, 20 - 0, 25% мас.
Процесс "Клаусполь 1500", разработанный Французским институтом нефти, основан на обработке отходящих газов рециркулирующим потоком полиэтиленгликоля, содержащим растворенный катализатор (бензоат калия или натрия), в насадочной колонне при температуре выше точки плавления серы - 125 - 130°С. Образующаяся в процессе сера в расплавленном виде отделяется от растворителя. Процесс требует поддержания в обрабатываемом газе соотношения H2S: SO2 равным 2:1; COS и CS2 остаются непревращенными.
Степень превращения сероводорода и диоксида серы достигает 80%, что соответствует суммарной глубине извлечения серы до 98, 5%. Содержание SO2 в газах после дожига составляет 0, 15% мас.
Повышение эффективности процесса Сульфрин возможно по нескольким направлениям:
- путем гидрирования сероорганических соединений перед установкой Сульфрин;
- тонкого регулирования соотношения подаваемых в печь Клауса потоков кислый газ/воздух (точность регулирования - не менее ± 0, 5%);
- оптимизации режима адсорбции и применения более активных катализаторов при доочистке.
В основе окислительных методов очистки отходящих газов Клауса лежит дожиг сернистых соединений до диоксида серы и его последующее извлечение и превращение в серу или другой химический продукт. Из этих процессов достаточно широкое распространение в мировой практике получил процесс "Уэллман-Лорд" (фирма "Уэллман-Лорд", США).
Сущность процесса заключается в дожиге сернистых соединений до диоксида серы с последующим его поглощением раствором сульфита натрия. Образовавшийся бисульфит затем регенерируется. После отделения воды в конденсаторе концентрированный сернистый ангидрид рециркулируют на установку Клауса. Суммарная степень извлечения серы достигает 99, 9 - 99, 95%.
Восстановительные процессы основаны на каталитическом восстановлении всех сернистых соединений в сероводород и отличаются главным образом способами его извлечения и последующей переработки.
Из процессов этого типа наибольшее распространение получил процесс SCOT (начальные буквы Shell Claus Offgas Treating), разработанный фирмой Shell Development (Нидерланды) (рисунок 2.30). Отходящие газы установки Клауса смешиваются с продуктами неполного сгорания метана (H2+CO) и с температурой 300°С поступают в реактор гидрирования, заполненный алюмокобальтмолибденовым катализатором. Продукты гидрирования охлаждаются в котле-утилизаторе, затем - в колонне "Квенч", где одновременно отделяется конденсационная вода. Далее в абсорбционной секции из газов методом селективной абсорбции с помощью аминов извлекается H2S, который рециркулируют на установку Клауса.

Рисунок 2.30 - Технологическая схема процесса SCOT
В очищенном газе IV остается 0, 001 - 0, 050% сероводорода, что соответствует суммарной степени извлечения H2S 99, 8 - 99, 9%. В качестве абсорбента используют диизопропаноламин, МДЭА и другие амины.
При выборе SCOT или Сульфрин следует учитывать, что в настоящее время разработано и применяется в промышленности множество процессов доочистки хвостовых газов Клауса. Вклад выбросов от установок Клауса в общий объем вредных выбросов от всех производств не всегда является превалирующим. Например, выбросы SO2 от промысловых сооружений могут быть соизмеримы или даже превышать таковые от установок Клауса. Решение о выборе процесса доочистки необходимо принимать с учетом объемов выбросов от всех источников.
Гарантированная степень извлечения серы для процесса SCOT - 99, 8%, а достигаемая на практике для хорошо организованного процесса Сульфрин - 99, 4%.
Таким образом, процесс SCOT может быть альтернативой Сульфрину в случаях, когда установка Клауса является единственным источником вредных выбросов и/или находится в густонаселенном районе с жесткими природоохранными ограничениями.
Сера, образующаяся на установках Клауса, содержит растворенный сероводород, а также полисульфид водорода. Во время хранения и транспортировки они могут выделяться, чем обусловлена взрывоопасность такой серы. Кроме того, у серы, содержащей газы, повышена коррозийная активность. Указанные свойства требуют дегазации серы.
Технологии дегазации постоянно развиваются ввиду того, что на сегодняшний день ни одна из них не удовлетворяет полностью техническим условиям на элементную серу. Основные направления развития технологий - это отказ от аммиачного катализатора, ухудшающего качество серы, и сокращение времени дегазации. Лучшие технологии Shell и D'GAASS позволяют добиться остаточного содержания сероводорода в сере не более 10 ppm. Оптимально проводить дегазацию, барботируя воздух через серу, в этом случае по реакции Клауса также возможно образование дополнительных количеств серы (процессы Amoco, Hyspec, D'GAASS). До промышленного внедрения, несмотря на массу разработанных процессов, были доведены технологии SNE(a)P, Shell, Exxon, D'GAASS.
2.8.2 Технология гранулирования серы
Гранулирование серы в зависимости от ее агрегатного состояния осуществляют различными способами. Гранулы из расплава серы получают, как правило, диспергированием расплава с кристаллизацией капель в потоке хладагента, из порошковидной серы - прессованием с образованием плиток или таблеток.
В промышленном масштабе наибольшее распространение получили способы гранулирования серы из расплава с охлаждением капель воздухом или водой. При этом способ гранулирования с охлаждением капель воздухом называют сухим, а способ гранулирования с охлаждением водой - мокрым.
При сухом гранулировании расплав серы при температуре 125 - 127°С разбрызгивают в верхней части грануляционной башни высотой 30 - 90 м, а образованные при этом капли-гранулы охлаждают в противотоке воздухом (по аналогии с гранулированием расплавов азотных удобрений). Полученные гранулы, представляющие собой сферические частицы диаметром ~ 2 мм, выгружаются из нижней части башни, а воздух выводится сверху.
Доохлаждение гранул в нижней части башни завершается в псевдоожиженном слое в течение нескольких минут. Мелкие частички серы, скорость витания которых ниже скорости воздуха в сечении башни, поднимаются вверх навстречу формирующимся каплям расплава серы и служат своего рода зародышами для кристаллизации капель.
В таких условиях капли, поглощая затравочные кристаллы, приобретают правильную сферическую форму, являются однородными.
Этот способ гранулирования серы связан с большими капитальными и низкими эксплуатационными затратами, он требует сложной системы очистки отходящих газов от пыли.
Способ мокрого гранулирования серы основан на использовании следующих свойств серы и воды: гидрофобности серы, значительной разности в плотности и теплоемкости серы и воды (рисунок 2.31).

Рисунок 2.31 - Технологическая схема гранулирования серы в воде
Основным условием для мокрого гранулирования является безударный ввод струй расплава серы в воду, в противном случае капли серы, попадая на поверхность воды, разбрызгиваются и мгновенно застывают в виде пленки, перекрывая доступ к воде следующим каплям. При безударном (мягком) вводе струй расплава серы в слой воды они дробятся на капли, которые приобретают форму шара. Капля расплава переохлаждается в воде до температуры начала кристаллизации в поверхностном слое. В дальнейшем фронт кристаллизации движется вглубь капли со скоростью, определяемой линейной скоростью роста кристаллов и отводом тепла от межфазной границы. В центре гранулы при этом из-за разности плотностей расплава и кристаллической фазы возникает усадочная раковина. По окончании процесса кристаллизации происходит доохлаждение гранулы.
Процесс мокрого гранулирования серы из расплава состоит из следующих основных стадий: формирование, обезвоживание, сушка гранул, складирование. Качество получаемых гранул зависит от многих факторов. Большое значение имеет температура жидкой серы и охлаждающей воды. Для получения высокопрочных гранул необходимо, чтобы разница температур расплава серы и воды была минимальной. Гранулы обезвоживаются и при необходимости высушиваются. Диаметр гранул, полученных таким образом, составляет 0, 5 - 6 мм, а содержание в них внутренней влаги - менее 0, 25%. Плотность гранул 1280 - 1400 кг/м3, а угол естественного откоса (угол, образованный свободной поверхностью материала с горизонтальной плоскостью) - 30 - 35°.
Технологический процесс грануляции "Enersul" GXTM представляет собой процесс увеличения размера частиц серы путем последовательного, слой за слоем, нанесения расплавленной серы на исходно малые гранулы серы ("затравку") до достижения заданного размера гранул. В результате повторяющегося нанесения слоя расплавленной серы на гранулы с последующим охлаждением и отвердеванием каждого слоя гранулы увеличиваются в размере.
Указанный технологический процесс происходит во вращающемся барабане грануляции, в который впрыскивается расплавленная сера посредством распылительного серопровода, имеющего 18 распылительных форсунок, расположенного внутри барабана грануляции вдоль продольной оси барабана. Тепло отводится с помощью впрыска технологической воды в барабан грануляции и протяжкой воздуха с помощью вытяжного вентилятора. Затравочные частицы - или гранулы нестандартного размера - вводятся в барабан грануляции серы в качестве затравочного материала. Барабан грануляции имеет уклон в направлении выходного торца барабана, что обеспечивает непрерывное вращательное перемещение гранул через барабан в сторону выхода.
По мере вращения барабана грануляции пересыпные пластины, выстилающие внутреннюю поверхность барабана, непрерывно поднимают часть пересыпающегося слоя гранул в верхнюю часть барабана, откуда они падают, образуя сплошную завесу перед форсунками распыления серы. Распыляемая сера покрывает гранулы, с застыванием слоя серы на их поверхности по мере падения гранул обратно в пересыпающийся слой, где и происходит их дальнейшее охлаждение перед их повторным подъёмом или выходом из барабана.
В процессе грануляции происходит слипание гранул с образованием крупных кусков спекшихся гранул, которые не проходят через решетку выпускной камеры грануляции. Для стабильной работы процесса грануляции необходимо периодически очищать решетку от комков серы.
Для отвода тепла в процессе грануляции технологическая вода впрыскивается внутрь барабана через распылительные форсунки, смонтированные на трубопроводе параллельно трубопроводу распыления серы. Вода испаряется по мере отдачи тепла затвердевающей жидкой серой.
Воздух, протягиваемый через барабан, представляет собой средство для удаления водяного пара, создавая возможность ввода замещающей воды для технологического процесса и продолжения процесса охлаждения.
Мельчайшие частицы, образующиеся при распылении серы, удаляются потоком воздуха. Перед выбросом в атмосферу воздух проходит через пылесборник.
Гранулы, выходящие из барабана грануляции, транспортируются ленточным конвейером на вибросито для сортировки, где они разделяются на товарную и нетоварную продукцию в соответствии с ГОСТ 56249-2014 [136]. Гранулы товарной продукции транспортируются непосредственно на склад, а оттуда отгружаются потребителю, в то время как гранулы нестандартного размера поступают обратно в барабан грануляции в качестве повторного затравочного материала для технологического процесса.
Текущие уровни выбросов, сбросов ЗВ, образования отходов и потребления энергии определены в результате обработки информации, полученной в результате анкетирования предприятий переработки природного и попутного газа.
Вклад газоперерабатывающих мощностей в экономику России, масштабы и обширная география производства, перспективные планы по развитию деятельности в районах Крайнего Севера, Восточной Сибири и Дальнего Востока, где экосистемы высоко уязвимы, обуславливают особую значимость принимаемых и планируемых мер по обеспечению экологической безопасности и охране ОС, в том числе по снижению текущего уровня негативного воздействия на ОС.
Приоритетные направления развития деятельности в области регулирования охраны атмосферного воздуха в переработке природного и попутного газа:
- внедрение НДТ в целях снижения уровня загрязнения атмосферного воздуха; осуществление мероприятий по улавливанию, утилизации, обезвреживанию выбросов вредных (загрязняющих) веществ в атмосферный воздух, сокращению или исключению таких выбросов;
- совершенствование системы учета выбросов вредных (загрязняющих) веществ в атмосферный воздух и их источников;
- совершенствование системы производственного контроля за соблюдением установленных нормативов выбросов вредных (загрязняющих) веществ в атмосферный воздух и соблюдением нормативов качества атмосферного воздуха;
- обязательный учет экологических аспектов и оценка рисков при планировании деятельности, разработке и реализации инвестиционных проектов с определением величины уменьшения выбросов вредных (загрязняющих) веществ в атмосферный воздух и сроков, в которые будет осуществлено такое уменьшение, в соответствии с федеральными целевыми программами охраны атмосферного воздуха и международными обязательствами Российской Федерации в данной области.
Приоритетные направления развития деятельности в области обращения с отходами:
- переход на максимальное полезное использование образующихся отходов, их регенерацию и рециклинг с целью дальнейшего применения в технологическом процессе;
- внедрение НДТ, обеспечивающих минимальное образование отходов в основных видах деятельности или являющихся полностью безотходными технологиями.
Приоритетные направления развития деятельности в области водопользования:
- повышение энергетической эффективности за счет рационального водопользования, сокращения удельного потребления воды на производственные и хозяйственно-бытовые нужды, снижения водоемкости производства товарной продукции и потерь воды при ее транспортировке. В результате сокращения объемов водозабора и объемов воды, использующейся на производственные и иные нужды, пропорционально снижаются объемы водоотведения и количество ЗВ, поступающих в водные объекты, таким образом, сокращение масштабов водозабора и водоотведения позволяет сохранить устойчивость водных экосистем и их водного баланса. Снижение удельного потребления водных ресурсов в технологических процессах и сокращение потерь воды может быть обеспечено путем разделения потоков питьевой и технической воды на промышленных площадках, отказа от использования питьевой воды для технических целей (только в исключительных случаях при невозможности использования других категорий воды), расширения использования систем оборотного и повторно-последовательного водоснабжения для максимального обеспечения технологических нужд, внедрения современных водосберегающих технологий и оборудования. Особую актуальность приобретает переход на бессточное водопользование.
- обеспечение установленных требований к качеству питьевой воды за счет модернизации действующей системы водоснабжения и внедрения современных технологий водоподготовки;
- минимизация негативного воздействия на водную среду за счет модернизации действующей системы водоотведения и внедрения наилучших доступных технологий очистки СВ. Основными направлениями, обеспечивающими снижение антропогенной нагрузки на водные объекты, являются сокращение поступления в водные объекты ЗВ в составе С В путем строительства новых и реконструкции/модернизации действующих очистных сооружений, соответствующих требованиям НДТ, организация сбора и очистки поверхностного стока с промышленных площадок, применение прудов-отстойников с высшей водной растительностью для естественной доочистки СВ, закачка в подземные горизонты СВ, нормативная очистка которых невозможна или экономически нецелесообразна.
- совершенствование системы экологического мониторинга;
- восстановление водных объектов в местах с неблагополучной водноэкологической обстановкой и осуществление мер по защите от техногенного загрязнения подземных вод, реализуемое, в том числе, при ликвидации накопленного экологического ущерба;
- применение при очистке почвы и водной поверхности от углеводородных загрязнений препаратов, характеризующихся отсутствием вторичного негативного воздействия на ОС, таких как биосорбенты;
- обеспечение опережающего инновационного развития научно-технической и технологической базы водохозяйственного комплекса на основе передовых мировых достижений и технологий.
3.1 Переработка природного газа и стабилизация конденсата
3.1.1 Технологии отбензинивания газов (технологии извлечения целевых углеводородных компонентов из газов) методом низкотемпературной сепарации
Источником эмиссий является установка извлечения углеводородов методом низкотемпературной сепарации (НТС).
Показатели потребления энергетических ресурсов при отбензинивании газов приведены в таблице 3.1.
Текущие уровни выбросов и удельные показатели образования отходов технологии отбензинивания газов (технологии извлечения целевых углеводородных компонентов из газов) методом НТС представлены в таблице 3.2 и таблице А.1 (приложение А).
|
Электроэнергия |
Тепловая энергия |
Топливный газ |
|
кВт ч/т |
Гкал/т |
м3/т |
|
≤16, 5 |
≤0, 4 |
≤1·10-4 |
|
Наименование загрязняющего вещества |
Удельные показатели выбросов ЗВ на тонну продукции (кг/т продукции) | |
|
min |
max | |
|
Оксиды азота (в пересчете на NO2) |
0, 002 |
0, 2 |
|
Оксид углерода |
0, 005 |
0, 6 |
|
Метан |
0, 001 |
0, 2 |
|
Углеводороды предельные С1 - С5 (исключая метан) |
0, 1 |
0, 6 |
|
Диоксид серы |
0, 0002 |
0, 3 |
|
Сероводород |
1·10-6 |
0, 02 |
|
ЛОС |
0, 001 |
0, 03 |
|
Углеводороды предельные С6 - С10 |
0, 001 |
0, 02 |
3.1.2 Технология извлечевия целевых углеводородов методом низкотемпературной конденсации (НТК) или низкотемпературной конденсации и ректификации
В технологии извлечение углеводородов методом низкотемпературной конденсации (НТК) или низкотемпературной конденсации и ректификации источниками эмиссий являются - установка низкотемпературной конденсации (НТК) тяжелых углеводородных компонентов и установка низкотемпературной конденсации и холодильное отделение.
Показатели потребления энергетических ресурсов при отбензинивании газов приведены в таблице 3.3.
Текущие уровни выбросов и удельные показатели образования отходов технологии извлечения углеводородов методом НТК или НТК и Р представлены в таблице 3.4 и таблице А.2 (приложение А).
|
Электроэнергия |
Тепловая энергия |
Топливный газ |
|
кВт ч/т |
Гкал/т |
м3/т |
|
24 - 12000 |
18 - 32 |
3300 - 6600 |
|
Наименование загрязняющего вещества |
Удельные показатели выбросов ЗВ на тонну продукции (кг/т продукции) | |
|
min |
max | |
|
Оксиды азота (в пересчете на NO2) |
0, 01 |
0, 2 |
|
Оксид углерода |
0, 1 |
2 |
|
Метан |
0, 02 |
0, 2 |
|
Углеводороды предельные С1 - С5 (исключая метан) |
0, 01 |
0, 2 |
|
Углеводороды предельные С6 - С10 |
0, 0004 |
0, 0002 |
|
ЛОС |
0, 001 |
0, 004 |
3.1.3 Технологии сорбционного отбензинивания газов
В технологии сорбционного отбензинивания газов источниками эмиссий являются следующие установки: установка низкотемпературной абсорбции (НТА) тяжелых углеводородных компонентов, установка абсорбционного отбензинивания тяжелых углеводородных компонентов, установка деэтанизации, криогенная установка глубокой переработки сухого отбензиненного газа.
Показатели потребления энергетических ресурсов при технологии сорбционного отбензинивания газов приведены в таблице 3.5.
Текущие уровни выбросов и удельные показатели образования отходов технологии сорбционного отбензинивания газов представлены в таблицах 3.6 и таблице А.3 (приложение А).
|
Электроэнергия |
Тепловая энергия |
Топливный газ |
|
кВт ч/т |
Гкал/т |
м3/т |
|
2 - 33 |
0, 002 - 0, 03 |
2 - 3 |
|
Наименование загрязняющего вещества |
Удельные показатели выбросов ЗВ на тонну продукции (кг/т продукции) | |
|
min |
max | |
|
Оксиды азота (в пересчете на NO2) |
0, 002 |
0, 2 |
|
Оксид углерода |
0, 002 |
0, 3 |
|
Метан |
0, 002 |
1, 5 |
|
Углеводороды предельные С1 - С5 (исключая метан) |
0, 001 |
0, 03 |
|
ЛОС |
0, 001 |
0, 004 |
3.1.4 Технология очистки широкой фракции легких углеводородов от сернистых соединений
В технологии переработки широкой фракции легких углеводородов (ШФЛУ) основным источником эмиссий является установка очистки ШФЛУ от сернистых соединений.
Текущие уровни выбросов и удельные показатели образования отходов представлены в таблице 3.7 и таблице А.4 (приложение А).
|
Наименование загрязняющего вещества |
Удельные показатели выбросов ЗВ на тонну продукции (кг/т продукции) |
|
max уровень | |
|
Метан |
<0, 2 |
|
Углеводороды предельные С1 - С5 (исключая метан) |
<0, 3 |
|
Углеводороды предельные С6 - С10 |
<0, 01 |
|
Бутан |
<0, 1 |
|
Бутилен |
<0, 01 |
|
Пропилен |
<0, 01 |
3.1.5 Технологии получения сжиженных углеводородных газов (СУГ)
В технологии получения сжиженных углеводородных газов (СУГ) источниками эмиссий являются установки - установка низкотемпературного разделения газа, установка получения сжиженных газов, установка получения пропана и пропан-бутана.
Показатели потребления энергетических ресурсов при технологии получения сжиженных углеводородных газов приведены в таблице 3.8.
Текущие уровни выбросов и удельные показатели образования отходов технологии получения СУГ представлены в таблице 3.9 и таблице А.5 (приложение А).
|
Электроэнергия |
Тепловая энергия |
Топливный газ |
|
кВт ч/т |
Гкал/т |
м3/т |
|
5, 8 - 31010, 7 |
0, 006 - 0, 09 |
6 - 21 |
|
Наименование загрязняющего вещества |
Удельные показатели выбросов ЗВ на тонну продукции (кг/т продукции) | |
|
min |
max | |
|
Оксиды азота (в пересчете на NO2) |
0, 02 |
0, 06 |
|
Оксид углерода |
0, 01 |
0, 04 |
|
Метан |
0, 02 |
0, 05 |
|
Диоксид серы |
0, 001 |
0, 04 |
|
Бутан |
0, 0001 |
0, 003 |
|
Углеводороды предельные С6 - С10 |
0, 0001 |
0, 0003 |
3.1.6 Технология стабилизации газового конденсата
В технологии стабилизации газового конденсата источниками эмиссий являются следующие установки: установка стабилизации конденсата комбинированным способом (сепарация и ректификация), многоступенчатая дегазация, стабилизация в ректификационных колоннах.
Показатели потребления энергетических ресурсов при технологии стабилизации газового конденсата приведены в таблице 3.10.
Текущие уровни выбросов и удельные показатели образования отходов технологии стабилизации газового конденсата представлены в таблице 3.11 и таблице А.6 (приложение А).
|
Электроэнергия |
Тепловая энергия |
Топливный газ |
|
кВт ч/т |
Гкал/т |
м3/т |
|
≤430000 |
0, 12 - 1800 |
≤ 45 |
|
Наименование
|
Удельные показатели выбросов ЗВ на тонну продукции (кг/т продукции) | |
|
min |
max | |
|
Оксиды азота (в пересчете на NO2) |
0, 01 |
0, 07 |
|
Оксид углерода |
0, 002 |
0, 3 |
|
Метан |
0, 001 |
0, 03 |
|
Углеводороды предельные С1 - С5 (исключая метан) |
0, 001 |
0, 03 |
|
Диоксид серы |
0, 0001 |
0, 002 |
|
ЛОС |
0, 0001 |
0, 003 |
3.1.7 Технология стабилизации сернистых газовых конденсатов
В технологии стабилизации сернистых газовых конденсатов источником эмиссий является установка стабилизации конденсата и очистки пропан-бутановой фракции от сероорганических соединений.
Текущие уровни выбросов и удельные показатели образования отходов технологии стабилизации сернистых газовых конденсатов представлены в таблице 3.12 и таблице А.7 (приложение А).
|
Наименование загрязняющего вещества |
Удельные показатели выбросов ЗВ на тонну продукции (кг/т продукции) |
|
Оксиды азота (в пересчете на NO2) |
<0, 06 |
|
Оксид углерода |
<0, 03 |
|
Метан |
<0, 005 |
|
Углеводороды предельные С1 - С5, (исключая метан) |
<0, 04 |
|
Диоксид серы |
<0, 02 |
|
Сероводород |
<0, 003 |
|
Углеводороды предельные С6 - С10 |
<0, 002 |
|
Углерод (сажа) |
<0, 0003 |
3.1.8 Технология полной стабилизации конденсатов
В технологии полной стабилизации конденсатов источником эмиссий является установка стабилизации конденсата.
Показатели потребления энергетических ресурсов при технологии полной стабилизации конденсатов приведены в таблице 3.13.
Текущие уровни выбросов ЗВ технологии полной стабилизации конденсатов представлены в таблице 3.14.
|
Электроэнергия |
Тепловая энергия |
Топливный газ |
|
кВт ч/т |
Гкал/т |
м3/т |
|
≤ 3, 65 |
≤ 0, 015 |
≤ 6, 0 |
|
Наименование загрязняющего вещества |
Удельные показатели выбросов ЗВ на тонну продукции (кг/т продукции) |
|
max уровень | |
|
Оксиды азота (в пересчете на NO2) |
<0, 003 |
|
Оксид углерода |
<0, 005 |
3.2 Технология выделения гелия из природного газа
В технологии выделения гелия из природного газа источниками эмиссий являются следующие установки: установка выделения гелия, этана и широкой фракции легких углеводородов, установка получения гелиевого концентрата, установка ожижения гелия.
Показатели потребления энергетических ресурсов при технологии выделения гелия из природного газа приведены в таблице 3.15.
Текущие уровни выбросов и удельные показатели образования отходов технологии выделения гелия из природного представлены в таблице 3.16 и таблице А.8 (приложение А).
|
Электроэнергия |
Тепловая энергия |
Топливный газ |
|
кВт ч/т |
Гкал/т |
м3/т |
|
0, 001 - 0, 115 |
0, 0003 - 0, 0004 |
≤1, 0 |
|
Наименование загрязняющего вещества |
Удельные показатели выбросов ЗВ на тонну продукции (кг/т продукции) | |
|
min |
max | |
|
Оксиды азота (в пересчете на NO2) |
0, 002 |
0, 006 |
|
Оксид углерода |
0, 003 |
0, 005 |
|
Метан |
0, 02 |
0, 05 |
|
Этан |
0, 001 |
0, 02 |
|
Углерод (сажа) |
0, 0001 |
0, 002 |
3.3 Технология получения технического углерода из природного газа и газового конденсата
В технологии получения технического углерода из природного газа и газового конденсата источниками эмиссий являются следующие установки: установка получения технического углерода печным способом, установка по производству термического технического углерода.
Показатели потребления энергетических ресурсов при технологии получения технического углерода из природного газа и газового конденсата приведены в таблице 3.17. Данные о текущих уровнях объемов образования отходов технологии получения технического углерода из природного газа и газового конденсата не были представлены.
Текущие уровни выбросов ЗВ технологии получения технического углерода из природного газа и газового конденсата представлены в таблице 3.18.
|
Электроэнергия |
Тепловая энергия |
Топливный газ |
|
тыс. кВт ч/т |
Гкал/т |
м3/т |
|
1985, 09 - 3530, 48 |
0, 04 - 0, 24 |
74 - 280 |
|
Наименование
|
Масса загрязняющих
|
Удельные показатели выбросов ЗВ
| ||
|
min |
max |
min |
max | |
|
Метан |
7, 3 |
614, 7 |
0, 15 |
33, 7 |
3.4 Технология производства серы
3.4.1 Технология производства газовой серы, включая доочистку отходящих газов
В технологии производства газовой серы источником эмиссий являются: установка получения газовой серы методом Клауса и доочистки отходящих газов методом "Сульфрин"; установка получения серы методом Клауса и доочистки отходящих газов методом "Сульфрен".
Показатели потребления энергетических ресурсов при технологии производства газовой серы с доочисткой отходящих газов приведены в таблице 3.19.
Текущие уровни выбросов и удельные показатели образования отходов технологии производства газовой серы с доочисткой отходящих газов представлены в таблице 3.20 и таблице А.9 (приложение А).
|
Электроэнергия |
Тепловая энергия |
Топливный газ |
|
тыс. кВт·ч/т |
Гкал/т |
м3/т |
|
8850, 1 - 125659, 031 |
0, 099 - 0, 107 |
≤ 186, 7 |
|
Наименование загрязняющего вещества |
Удельные показатели выбросов ЗВ на тонну продукции (кг/т продукции) | |
|
min |
max | |
|
Оксиды азота (в пересчете на NO2) |
0, 04 |
0, 4 |
|
Оксид углерода |
1, 9 |
44, 6 |
|
Метан |
0, 01 |
0, 3 |
|
Диоксид серы |
2, 4 |
52, 9 |
|
Сероводород |
0, 01 |
0, 6 |
3.4.2 Технология гранулирования и получения комовой серы
В технологии гранулирования и получения комовой серы источниками эмиссий являются следующие установки: установка грануляции серы (технология "Гавайи" У150/1), установка грануляции серы (технология "Девко" У150/1), установка грануляции серы (технология "Enersul LP" У250/1), установка получения комовой серы.
Показатели потребления энергетических ресурсов при технологии гранулирования и получения комовой серы приведены в таблице 3.21.
Текущие уровни выбросов и удельные показатели образования отходов технологии гранулирования и получения комовой серы представлены в таблице 3.22 и таблице А.10 (приложение А).
|
Электроэнергия |
Тепловая энергия |
Топливный газ |
|
кВт ч/т |
Гкал/т |
м3/т |
|
1, 16 - 3, 61 |
0, 0008 - 0, 004 |
- |
|
Наименование загрязняющего вещества |
Удельные показатели выбросов ЗВ на тонну продукции (кг/т продукции) | |
|
min |
max | |
|
Оксиды азота (в пересчете на NO2) |
0, 003 |
0, 06 |
|
Оксид углерода |
0, 003 |
0, 05 |
|
Диоксид серы |
1·10-05 |
0, 03 |
|
Сероводород |
1·10-05 |
0, 07 |
|
ЛОС |
0, 001 |
0, 003 |
|
Углерод (сажа) |
0, 0001 |
0, 001 |
Текущие уровни эмиссий и потребления ресурсов в переработке попутного нефтяного газа
3.5 Переработка попутного нефтяного газа
3.5.1 Технологии отбензинивания газов (технологии извлечения целевых углеводородных компонентов из попутного нефтяного газа)
3.5.1.1 Технология извлечения углеводородов методом низкотемпературной конденсации и ректификации (НТКР)
В технологии НТКР могут применяться компрессора с использованием электрического или газотурбинного привода.
При электрическом приводе компрессоров технология НТКР имеет преимущества в меньшем объеме выбросов ЗВ в окружающую среду (источниками эмиссий являются неплотности оборудования и печь регенерации осушителя), но характеризуется большим расходом электроэнергии, и, соответственно, большими затратами при эксплуатации.
При газотурбинном приводе технология НТКР имеет существенно большие выбросы ЗВ в окружающую среду (дымовые трубы двигателя внутреннего сгорания газотурбинного привода и неплотности оборудования), но характеризуется меньшими эксплуатационными затратами за счет низкой стоимости газа в настоящее время и доступности этого ресурса на ГПЗ.
Для технологии извлечения углеводородов методом НТКР показатели потребления энергетических ресурсов, значения коэффициента извлечения, показатели значения остаточных целевых в сухом отбензиненном газе (СОГ) приведены в таблице 3.23, удельные показатели выбросов (грамм на 1000 м3 перерабатываемого ПНГ) представлены в таблице 3.24 и А.11 (приложение А).
|
Показатель |
Размерность |
НТКР с электрическим
|
НТКР с газотурбинным
|
|
Электроэнергия |
кВт ч/1000 м3 |
270 - 320 |
24 - 32 |
|
Тепловая энергия |
Гкал/1000 м3 |
0, 08 - 0, 09 |
1, 6 - 2, 4 |
|
Коэффициент извлечения целевых |
% |
93 - 97 | |
|
Остаточные целевые в СОГ |
г/м3 |
11 - 20 | |
|
Наименование
|
Удельные показатели выбросов ЗВ, г/тыс. м3 ПНГ, не более | |
|
НТКР с электрическим приводом компрессоров |
НТКР с газотурбинным приводом компрессоров | |
|
Оксиды азота (в сумме) |
60 |
1380 |
|
Оксид углерода |
35 |
590 |
|
Метан |
15 |
45 |
|
Углеводороды предельные С2 - С5 |
65 |
65 |
3.5.1.2 Технология извлечения углеводородов методом низкотемпературной абсорбции (НТА)
В технологии абсорбционного отбензинивания газов НТА источниками эмиссий являются неплотности оборудования.
Для технологии извлечения углеводородов методом НТА показатели потребления энергетических ресурсов, значения коэффициента извлечения и показатели значения остаточных целевых в сухом отбензиненном газе (СОГ) приведены в таблице 3.25, удельные показатели выбросов (грамм на 1000 м3 перерабатываемого ПНГ) представлены в таблице 3.26 и А.11 (приложение А).
|
Показатель |
Размерность |
НТА |
|
Электроэнергия |
кВтч/1000 м3 |
195 - 205 |
|
Тепловая энергия |
Гкал/1000 м3 |
0, 225 - 0, 249 |
|
Коэффициент извлечения целевых |
% |
90 - 94 |
|
Остаточные целевые в СОГ |
г/м3 |
16 - 40 |
|
Наименование загрязняющего вещества |
Удельные показатели выбросов ЗВ, г/тыс. м3 ПНГ, не более |
|
Оксиды азота (в сумме) |
130 |
|
Оксид углерода |
170 |
|
Метан |
34 |
|
Углеводороды предельные С2 - С5 |
32 |
3.5.1.3 Технология извлечевия углеводородов при одновременной последовательной работе нескольких установок
В производствах переработки ПНГ для дополнительного извлечения целевых, может быть организована одновременная последовательная работа нескольких установок отбензинивания.
Примерами этого являются технологии последовательной работы установок низкотемпературной конденсации (НТК) и низкотемпературной конденсации и ректификации (НТКР), технология НТК + НТКР, а также установок низкотемпературной абсорбции (НТА) и низкотемпературной конденсации и ректификации (НТКР), технология НТА + НТКР.
Для технологий НТК+НТКР и НТА+НТКР источниками эмиссий являются неплотности оборудования.
Для технологий извлечения углеводородов методами НТК + НТКР и НТА+НТКР показатели потребления энергетических ресурсов, значения коэффициента извлечения и показатели значения остаточных целевых в сухом отбензиненном газе (СОГ) приведены в таблице 3.27, удельные показатели выбросов (грамм на 1000 м3 перерабатываемого ПНГ) представлены в таблице 3.28 и А.11 (приложение А).
|
Показатель |
Размерность |
НТК + НТКР |
НТА + НТКР |
|
Электроэнергия |
кВтч/1000 м3 |
160 - 170 |
147 - 152 |
|
Тепловая энергия |
Гкал/1000 м3 |
0, 32 - 0, 34 |
0, 29 - 0, 31 |
|
Коэффициент извлечения целевых |
% |
93 - 97 | |
|
Остаточные целевые в СОГ |
г/м3 |
11 - 20 | |
|
Наименование
|
Удельные показатели выбросов ЗВ, г/тыс. м3 ПНГ, не более | |
|
НТК + НТКР |
НТА + НТКР | |
|
Оксиды азота (в сумме) |
60 |
35 |
|
Оксид углерода |
60 |
11 |
|
Метан |
15 |
11 |
|
Углеводороды предельные С2 - С5 |
65 | |
3.6 Технология разделения ШФЛУ на газофракционирующих установках (ГФУ)
Разделение ШФЛУ (фракции предельных углеводородов С2 - С5 и выше) проводится методом ректификации. Разделение ШФЛУ может осуществляться по полной схеме переработки (получение в качестве продукции индивидуальных компонентов - пропан, бутан, изобутан, пентан, изопентан, С6+ или их смеси), или по сокращенной схеме переработки (продукция - пропан, бутановая фракция, пентановая фракция или фракция С5+).
В качестве подогревателя кипятильников колонн может используется водяной пар.
В технологии разделения ШФЛУ на ГФУ с использованием пара в качестве обогревающего агента печи отсутствуют, что ведет к присутствию в выбросах через неплотности оборудования и фланцевых соединений только углеводородов С1 - С5, и отсутствию в выбросах оксидов азота и углерода.
Также следует отметить, что полученный на ГФУ пропан может дополнительно очищаться от метанола и воды. Пример такой установки - установка азеотропной осушки и очистки пропана от метанола (АОП).
Для технологии разделения ШФЛУ на ГФУ с использованием пара в качестве обогревающего агента показатели потребления энергетических ресурсов и показатели норм расхода МТР приведены в таблице 3.29, удельные показатели выбросов на тонну продукции представлены в таблице 3.30 и таблице А.12 (приложение А).
|
Показатель |
Размерность |
ГФУ |
АОП |
|
Электроэнергия |
кВтч/1000 м3 |
8, 0 - 10 |
2, 0 - 2, 3 |
|
Тепловая энергия |
Гкал/1000 м3 |
0, 45 - 0, 50 |
0, 65 - 0, 70 |
|
Расход сырья на вырабатываемую продукцию |
Кг/т |
1025 - 1100 |
1002 - 1003 |
|
Наименование загрязняющего вещества |
Удельные показатели выбросов ЗВ, (г/т сырья), не более | |
|
ГФУ |
АОП | |
|
Метан |
18 |
0 |
|
Углеводороды предельные С2 - С5 |
160 |
20 |
|
Спирт метиловый |
0 |
0, 08 |
3.7 Технология компримирования ПНГ
На отдельно стоящих компрессорных станциях ПНГ используются компрессора как с электро, так и с газотурбинным приводом.
На компрессорных станциях ПНГ источниками эмиссий являются следующее оборудование: компрессорный агрегат, сепараторы, а также опционально блоки осушки и АВО газа. Кроме этих источников, для компрессорных станций с газотурбинным приводом основным источником эмиссий являются газотурбинные агрегаты.
Показатели потребления энергетических ресурсов при компримирования ПНГ приведены в таблице 3.31, текущие уровни выбросов технологии компримирования ПНГ (удельные показатели на тыс. м3 ПНГ) представлены в таблице 3.32 и таблице А.13 (приложение А).
|
Показатель |
Размерность |
Технология компримирования ПНГ | |
|
с электроприводом компрессоров |
с газотурбинным
| ||
|
Электроэнергия |
кВт ч/1000 м3 |
160 - 180 |
3, 1 - 4, 4 |
|
Тепловая энергия |
Гкал/1000 м3 |
0, 024 - 0, 036 |
0, 39 - 0, 42 |
|
Наименование загрязняющего вещества |
Удельные показатели выбросов ЗВ, (г/тыс. м3 ПНГ), не более | |
|
Технология компримирования ПНГ | ||
|
с электроприводом компрессоров |
с газотурбинным
| |
|
Оксиды азота (в пересчете на NO2) |
16 |
225 |
|
Оксид углерода |
22 |
345 |
|
Метан |
28 |
14 |
|
Углеводороды предельные С2 - С5 |
28 |
7 |
3.8 Текущий уровень воздействия на водную среду
Текущий уровень воздействия на водную среду приведен в приложении Б.


