ИТС 30-2017 ПЕРЕРАБОТКА НЕФТИ
Oil refining
Дата введения - 1 мая 2018 г.
Введение
Настоящий информационно-технический справочник по наилучшим доступным технологиям "Переработка нефти" (далее - справочник) содержит информацию:
а) об области его применения;
б) о нефтеперерабатывающей отрасли промышленности в Российской Федерации;
в) о технологических процессах, применяемых в настоящее время на предприятиях переработки нефти в Российской Федерации;
г) о текущих уровнях эмиссий в окружающую среду на предприятиях переработки нефти в Российской Федерации;
д) о наилучших доступных технологиях в нефтеперерабатывающей промышленности Российской Федерации;
в) о перспективных технологиях.
Основными законодательными документами, использовавшимися при разработке справочника, являются:
а) Федеральный закон "Об охране окружающей среды" от 10.01.2002 N 7-ФЗ [54];
б) Федеральный закон "Об охране атмосферного воздуха" от 04.05.1999 N 96-ФЗ;
в) Федеральный закон "Об отходах производства и потребления" от 24.06.1998 N 89-ФЗ;
г) постановление Правительства РФ "О порядке определения технологии в качестве наилучшей доступной технологии, а также разработки, актуализации и опубликования информационно-технических справочников по наилучшим доступным технологиям" от 23.12.2014 N 1458.
Предисловие
Цели, основные принципы и порядок разработки справочника установлены постановлением Правительства Российской Федерации от 23.12.2014 N 1458 "О порядке определения технологии в качестве наилучшей доступной технологии, а также разработки, актуализации и опубликования информационно-технических справочников по наилучшим доступным технологиям".
Статус документа
Настоящий справочник является документом по стандартизации.
Информация о разработчиках
Справочник разработан технической рабочей группой "Переработка нефти" (ТРГ 30, ) состав которой утвержден приказом Росстандарта от 17 марта 2016 г. N 270 (в редакции приказа Росстандарта от 12 мая 2016 г. N 564).
Перечень организаций и их представителей, принимавших участие в разработке справочника, приведен в разделе "Заключительные положения и рекомендации".
Справочник представлен на утверждение Бюро наилучших доступных технологий (Бюро НДТ) (www.burondt.ru).
Краткая характеристика
Справочник содержит описание применяемых при переработке нефти технологических процессов, оборудования, технических способов, методов, в том числе позволяющих снизить негативное воздействие на окружающую среду, водопотребление, повысить энергоэффективность, ресурсосбережение. Среди описанных технологических процессов, оборудования, технических способов, методов определены решения, являющиеся наилучшими доступными технологиями (НДТ). Для НДТ в справочнике установлены соответствующие ей технологические показатели.
Взаимосвязь с международными, региональными аналогами
Справочник разработан на основе справочника Европейского союза по наилучшим доступным технологиям "Наилучшие доступные технологии (НДТ). Справочный документ для переработки нефти и газа" (Best Available Techniques (BAT) Reference Document For The Refining Of Mineral Oil And Gas) с учетом особенностей переработки нефти в Российской Федерации.
Сбор данных
Информация о технологических процессах, оборудовании, технических способах, методах, применяемых при переработке нефти в Российской Федерации, была собрана в процессе разработки справочника в соответствии с Порядком сбора данных, необходимых для разработки информационно-технического справочника по наилучшим доступным технологиям и анализа приоритетных проблем отрасли, утвержденным приказом Росстандарта от 23 июля 2015 г. N 863.
Взаимосвязь с другими справочниками НДТ
Взаимосвязь настоящего справочника с другими справочниками, разрабатываемыми в соответствии с распоряжением Правительства Российской Федерации от 31 октября 2014 года N 2178-р [56], приведена в разделе "Область применения".
Информация об утверждении, опубликовании и введении в действие
Справочник утвержден приказом Росстандарта от 14 ноября 2017 г. N 2424.
Справочник введен в действие с 1 мая 2018 г., официально опубликован в информационной системе общего пользования - на официальном сайте Федерального агентства по техническому регулированию и метрологии в сети Интернет (www.gost.ru).
Область применения
Справочник распространяется на следующие основные виды деятельности в соответствии с кодами ОКС: 75.020:
а) переработка нефти;
б) оборудование для переработки нефти;
в) устройства для хранения нефти;
г) распределительные устройства.
Справочник также распространяется на процессы, связанные с основными видами деятельности, которые могут оказать влияние на объемы эмиссий или масштабы загрязнения окружающей среды:
а) производственные процессы;
б) методы предотвращения и сокращения воздействий на окружающую среду и образования отходов.
В этом документе не рассматриваются следующие виды деятельности:
а) разведка и добыча сырой нефти и природного газа;
б) транспортировка сырой нефти и природного газа;
в) производство биотоплива;
г) маркетинг и сбыт продукции;
д) вопросы, касающиеся исключительно обеспечения промышленной безопасности или охраны труда.
Дополнительные виды деятельности при переработке нефти и соответствующие им справочники (названия справочников даны в редакции распоряжения Правительства Российской Федерации от 31 октября 2014 года N 2178-р [56]) приведены в таблице ниже.
|
Вид деятельности |
Соответствующий справочник НДТ | |
|
Методы очистки сточных вод, направленные на сокращение сбросов металлов в водные объекты |
Очистка сточных вод при производстве продукции (товаров), выполнении работ и оказании услуг на крупных предприятиях | |
|
Примышленные системы охлаждения, например градирни, пластинчатые теплообменники |
Промышленные системы охлаждения | |
|
Хранение и обработка материалов |
Сокращение выбросов загрязняющих веществ, сбросов загрязняющих веществ при хранении и складировании товаров (грузов) | |
|
Обращение с отходами |
Утилизация и обезвреживание отходов (кроме обезвреживания термическим способом (сжигание отходов) | |
|
Размещение отходов производства и потребления | ||
|
Выработка пара и электроэнергии на тепловых станциях |
Сжигание топлива на крупных установках в целях производства энергии | |
|
Вопросы производственно-экологического контроля |
Общие принципы производственного экологического контроля и его метрологического обеспечения | |
1.1 Современное состояние нефтеперерабатывающей отрасли
На сегодняшний день экономика России находится под жестким влиянием сразу нескольких негативных факторов. Прежде всего, это низкая цена на нефть. В 2015 году нефть подешевела практически вдвое (рисунок 1.1). На рисунке представлены средние цены на нефть, в 2016 году показан расчетный показатель за 8 месяцев.

Рисунок 1.1 - Цена нефти марки BRENT, в долл. США
Продолжительный период низких цен на нефть может привести к дестабилизации перспектив страны-экспортера нефти. Буферные резервы сокращаются, и страна-экспортер нефти сталкивается с необходимостью резкого сокращения расходов. Любая страна, если она является экспортером нефти, в данных условиях находится в сложной макроэкономической ситуации с резким ухудшением условий торговли и ужесточением внешних финансовых условий.
Второе - это внешнее санкционное давление. Россия в результате санкционной политики США и стран ЕС отрезана от значительной части международных кредитных ресурсов и от рынка современных технологий.
Третье - это нестабильность и плохая предсказуемость глобальных рынков. В данных условиях обострились и структурные проблемы собственной экономики России.
В 2015 году по данным Росстата падение ВВП составило 3.7%. По оценке Минэкономразвития России, в первом полугодии 2016 года происходило последовательное замедление экономического спада. Снижение ВВП за первое полугодие 2016 года составило 0, 9% к соответствующему периоду 2015 года.
Также Россия подверглась дополнительному снижению обменных курсов национальной валюты, в результате которого были ослаблены балансы компаний. Произошло резкое сокращение притока капитала, что и вызвало сжатие внутреннего спроса. По данным Минэкономразвития России инфляция на потребительском рынке в первом полугодии 2016 года составила 3, 3%, а в 2015 году потребительские цены выросли на 8, 5%. Несмотря на низкие цены на нефть, бензин подорожал в первом полугодии 2016 года на 2, 3%. За годовой период в июне цены выросли на 6, 8%.
Глобальный финансовый кризис, а также и очень частое использование санкций как оружия в экономической борьбе стран, вносит свои коррективы в развитие мировой экономики. По мнению МВФ, мировой рост в 2016 году будет невысоким, 3, 2%, что в целом соответствует темпам 2015 года. Прогнозируется, что в 2017 году и в последующий период темпы восстановления повысятся за счет стран с формирующимся рынком. В странах с развитой экономикой темпы роста, по прогнозу, будут оставаться невысокими, на уровне фактических темпов 2015 года.
В России функционирует 33 крупных НПЗ (переработка свыше 1 млн. тонн) и порядка 200 мини-НПЗ. Кроме того, ряд ГПЗ (ООО "Газпром добыча Астрахань", ООО "Газпром переработка" - завод по стабилизации конденсата им. В.С. Черномырдина (Сургутский ЗСК)) также занимаются переработкой жидких фракций (конденсата). При этом имеет место высокая концентрация производства - в 2010 г. 87%, в 2015 году - 80% всей первичной переработки жидких углеводородов (УВ) осуществлялось на НПЗ, входящих в состав 8 вертикально-интегрированных нефтегазовых компаний.
Крупные заводы России, в основном, имеют длительные сроки эксплуатации: количество предприятий, пущенных в эксплуатацию более 60 лет назад - максимальное (рисунок 1.2). Большинство нефтеперерабатывающих заводов на территории России были построены в первые два десятилетия после Великой Отечественной войны: с 1945 по 1965 годы было введено 16 заводов, около половины из ныне действующих. С того времени многие из них были модернизированы и расширены.

Рисунок 1.2 - Сроки эксплуатации российских НПЗ
Объем переработки нефти и газового конденсата в 2015 г. составил 282, 4 млн тонн, в том числе газового конденсата 18, 7 млн. тонн, при этом было произведено: бензина - 39, 2 млн тонн, керосина - 9, 5 млн тонн, дизтоплива - 76, 1 млн тонн (рисунок 1.3).
Самые крупные переработчики газового конденсата: ООО "НОВАТЭК-Усть-Луга" - 6, 7 млн. тонн, ОАО "Газпром нефтехим Салават" - 4, 0 млн. тонн, ООО "Газпром переработка", Сургутский ЗСК - 3, 1 млн. тонн, ООО "Газпром добыча Астрахань" - 2, 1 млн. тонн, АО "Газпромнефть-Омский НПЗ" - 1, 4 млн. тонн, ОАО "ТАИФ-НК" - 0, 9 млн. тонн. Распределение объема переработки нефти и газового конденсата в 2015 году по компаниям РФ представлено на рисунке 1.4.

Рисунок 1.3 - Переработка нефти и газового конденсата и производство основных нефтепродуктов в РФ, млн тонн
Результаты сбора данных от предприятий для разработки справочника, включая заполненные анкеты и результаты консультационной и информационной деятельности ТРГ 30, представлены в таблице 1.1 и на рисунке 1.4. Мощность нефтеперерабатывающих предприятий варьируется в пределах от 47 млн т/год и до 2 тыс т/год.

Рисунок 1.4 - Переработка нефти и газового конденсата по компаниям РФ в 2015 году, млн тонн.
|
N
|
Шифр предприятия |
Проектная мощность, т/год |
Установленная мощность, т/год |
Фактическая мощность, т/год |
|
30-01-45-01 |
220 |
12040000 |
10800000 | |
|
30-15-13-01 |
2205 |
31374550 |
29920374 | |
|
30-01-30-01 |
11368, 2 |
19500 |
3749801 | |
|
30-01-46-01 |
16800 |
2820000 |
2872540, 293 | |
|
30-13-05-01 |
185500 |
6250000 |
6250000 | |
|
30-01-28-01 |
275242 |
12200200 |
12200200 | |
|
30-02-36-01 |
541750 |
370397 |
168600 | |
|
30-09-06-01 |
2006600 |
18350800 |
13329739 | |
|
30-03-08-01 |
2500000 |
5980000 |
5980000 | |
|
30-12-14-01 |
2500000 |
2230 |
2140, 3 | |
|
30-02-11-01 |
5213000 |
3300000 |
3000000 | |
|
30-03-04-01 |
5500000 |
17203592 |
14822151 | |
|
30-01-35-01 |
6760000 |
10988900 |
7343654 | |
|
30-01-42-01 |
7000000 |
32435300 |
31628028 | |
|
30-02-19-01 |
11368, 2 |
17368200 |
12584682 | |
|
30-01-47-01 |
8000000 |
287013 |
274561 | |
|
30-01-41-01 |
8477762 |
12000000 |
12000000 | |
|
30-01-29-01 |
12000000 |
8000 |
7093 | |
|
30-01-40-01 |
12000000 |
- |
- | |
|
30-14-01-01 |
12040000 |
14542000 |
12425374, 13 | |
|
30-03-07-01 |
13670000 |
- |
- | |
|
30-01-32-01 |
14542000 |
699700 |
6143000 | |
|
30-03-15-01 |
15700000 |
531416 | ||
|
30-03-09-01 |
16068200 |
25453650 |
21832627, 68 | |
|
30-02-24-01 |
19600000 |
15000000 |
12599077, 93 | |
|
30-02-21-01 |
21200000 |
10280722 |
10026636 | |
|
30-01-37-01 |
25380000 |
7000000 |
6103399, 005 | |
|
30-03-02-01 |
32006850 |
- |
- | |
|
30-01-31-01 |
- |
317 |
317 | |
|
30-01-34-01 |
- |
15543 |
9781, 852 | |
|
30-01-44-01 |
- |
8500000 |
8500000 |
Распределение мощностей НПЗ, принявших участие в анкетировании, представлено на рисунке 1.5.



Рисунок 1.5 - Распределение мощностей НПЗ, принявших участие в анкетировании
По итогам 2015 г. лидером по объему первичной нефтепереработки является ПАО "НК "Роснефть" - 75, 1 млн. тонн (50, 8 млн. тонн в 2010 году) (26, 6% от общероссийского (20, 3% в 2010 году)). Значительные объемы нефти перерабатывают заводы ПАО "ЛУКОЙЛ" - 41, 8 млн. тонн (45, 2 млн тонн в 2010 году), группы ПАО "Газпром" - 44, 0 млн. тонн (35, 6 млн тонн в 2010 году), ОАО "Сургутнефтегаз" - 18, 7 млн. тонн (21, 2 млн. тонн в 2010 году) и ПАО АНК "Башнефть" - 19, 3 млн. тонн (21, 2 млн тонн в 2010 году)
Крупнейшими в РФ заводами по объему первичной нефтепереработки в 2015 году являются: АО "Газпромнефть-Омский НПЗ" - 20, 9 млн. тонн, ООО ПО "Киришинефтеоргсинтез" (ОАО "Сургутнефтегаз") - 18, 7 млн. тонн. Мини-НПЗ переработали 8, 4 млн. тонн в 2015 году.
За последние 5 лет были введены в эксплуатацию (или значительно реконструированы) следующие новые НПЗ: АО "Танеко" - объем переработки в 2015 году - 8, 7 млн. тонн., ЗАО "Антипинский НПЗ" - объем переработки в 2015 году - 8.1 млн. тонн, ООО "Афипский НПЗ" - объем переработки в 2015 году - 5, 8 млн. тонн, ОАО "Новошахтинский завод нефтепродуктов" - объем переработки в 2015 году - 3.1 млн. тонн, ООО "Яйский НПЗ" - объем переработки в 2015 году - 3, 0 млн. тонн, ООО "Ильский НПЗ" - объем переработки в 2015 году - 2, 9 млн. тонн.
При этом объем переработки нефтяного сырья в 2015 году по сравнению с 2010 г. увеличился на 13, 5%, что при росте глубины переработки нефти привело к выпуску значительного количества нефтепродуктов высокого качества.
Так, глубина переработки нефти в 2015 году составила 74, 2% за счет мероприятий по модернизации технологической оснащенности российских НПЗ, реализуемых в рамках четырехсторонних соглашений. По сравнению с 2010 годом рост глубины переработки нефти составил 3, 2% (рисунок 1.6).

Рисунок 1.6 - Глубина переработки нефти в % и объем переработки нефти в РФ, млн. тонн
В таблице 1.2 представлена глубина переработки нефти и объем переработки нефти по НПЗ РФ в 2015 году.
|
Наименование предприятия |
Глубина переработки, % 2015 год |
Объем переработки, млн. тонн 2015 год |
|
Итого по России |
74, 2 |
282, 4 |
|
Итого по НПЗ |
73, 9 |
0, 0 |
|
ПАО "НК "Роснефть" |
70, 1 |
75, 1 |
|
ООО "РН - Комсомольский НПЗ" |
62, 83 |
7, 0 |
|
ООО "РН - Туапсинский НПЗ" |
55, 0 |
9, 6 |
|
АО "Сызранский НПЗ" |
68, 9 |
6, 5 |
|
АО "Новокуйбышевский НПЗ" |
71, 0 |
8, 3 |
|
АО "Куйбышевский НПЗ" |
61, 1 |
6, 1 |
|
АО "Ачинский НПЗ ВНК" |
66, 3 |
6, 3 |
|
АО "Ангарская НХК" |
83, 1 |
9, 1 |
|
ЗАО "Рязанская НПК" |
68, 5 |
16, 2 |
|
ПАО "Саратовский НПЗ" |
72, 02 |
6, 1 |
|
ПАО "АНК "Башнефть" |
85, 8 |
19, 3 |
|
Филиал "Башнефть-Новойл" |
88, 4 |
6, 4 |
|
Филиал "Башнефть-Уфанефтехим" |
94, 7 |
7, 9 |
|
Филиал "Башнефть-УНПЗ" |
68, 3 |
5, 0 |
|
ПАО "ЛУКОЙЛ" |
79, 4 |
41, 8 |
|
ООО "ЛУКОЙЛ-Волгограднефтепереработка" |
90, 6 |
12, 6 |
|
ООО "ЛУКОЙЛ-Пермьнефтеоргсинтез" |
85, 0 |
11, 3 |
|
ООО "ЛУКОЙЛ-Ухтанефтепереработка" |
68, 1 |
3, 4 |
|
ООО "ЛУКОЙЛ-Нижегороднефтеоргсинтез" |
68, 2 |
14, 6 |
|
ОАО "Сургутнефтегаз" |
58, 3 |
18, 7 |
|
ООО ПО "Киришинефтеоргсинтез" |
58, 3 |
18, 7 |
|
ПАО "Газпром нефть" |
85, 1 |
31, 9 |
|
АО "Газпромнефть-Омский НПЗ" |
91, 7 |
20, 9 |
|
АО "Газпромнефть-МНПЗ" - Москва |
72, 7 |
11, 0 |
|
ПАО "Газпром" |
91, 8 |
5, 6 |
|
ООО "Газпром добыча Астрахань" |
81, 0 |
2, 0 |
|
ООО "Газпром переработка", ОАО "Сургутский завод стабилизации конденсата" |
97, 7 |
3, 2 |
|
ООО "Газпром переработка", Уренгойский ЗПКТ |
100, 0 |
0, 3 |
|
ООО "Газпром добыча Ямбург" |
100, 0 |
0, 0 |
|
ООО "Газпром нефтехим Салават" |
84, 3 |
6, 5 |
|
ЗАО "Краснодарский НПЗ-Краснодарэконефть" |
55, 0 |
1, 7 |
|
ОАО "ТАИФ-НК" |
71, 9 |
8, 4 |
|
АО "ФортеИнвест" |
72, 2 |
5, 5 |
|
ОАО "Орскнефтеоргсинтез" |
72, 2 |
5, 5 |
|
АО "ННК" |
74, 2 |
4, 2 |
|
АО "ННК-Хабаровский НПЗ" |
74, 2 |
4, 2 |
|
ОАО "НГК "Славнефть" |
65, 8 |
15, 3 |
|
ОАО "Славнефть - ЯНОС" |
65, 8 |
15, 3 |
|
ПАО "НОВАТЭК" |
99, 6 |
6, 7 |
|
ООО "НОВАТЭК-Усть-Луга" |
99, 6 |
6, 7 |
|
ООО "Афипский НПЗ" |
55, 6 |
5, 8 |
|
ООО "Яйский НПЗ" |
58, 1 |
3, 0 |
|
АО "Антипинский НПЗ" |
50, 1 |
8, 1 |
|
ООО "Марийский НПЗ" |
84, 4 |
1, 6 |
|
ОАО "Новошахтинский завод нефтепродуктов" |
97, 8 |
3, 2 |
|
АО "ТАНЕКО" |
74, 1 |
8, 7 |
|
ОАО "Ярославский НПЗ имени Д. И. Менделеева" |
61, 4 |
0, 1 |
|
ООО "Ильский НПЗ" |
52, 2 |
2, 9 |
|
Мини НПЗ |
8, 4 |
В соответствии с четырехсторонними соглашениями (между нефтяными компаниями, ФАС России, Ростехнадзором и Росстандартом), нефтяные компании в части исполнения обязательств по модернизации нефтеперерабатывающих производств взяли на себя обязательства по модернизации 135 установок вторичной переработки нефти, в том числе: углубляющих процессов - 26 установок (каталитический крекинг - 9 установок, гидрокрекинг - 17 установок), облагораживающих процессов - 98 установок (изомеризация - 19 установок, каталитический риформинг - 21 установка, алкилирование - 7 установок, производство МТБЭ - 5 установок, гидроочистка бензина каталитического крекинга - 9 установок, гидроочистка дизельного топлива - 37 установок), 11 установок по переработке нефтяных остатков.
В 2011 году было введено в эксплуатацию и модернизировано 6 установок (план 5 установок), в 2012 - 15 установок (план 15 установок), в 2013 году - 13 установок (план - 13 установок). Срок ввода в эксплуатацию установки каталитического риформинга с непрерывной регенерацией катализатора CCR на Новокуйбышевском НПЗ (ПАО "НК "Роснефть") перенесен с 2013 г. на 2014 г.
В 2014 году было введено в эксплуатацию и модернизировано 13 установок (план 13 установок), в том числе установка гидроочистки дизельного топлива на Ярославском НПЗ (ОАО "НГК "Славнефть") реконструирована сверх плана, установка изомеризации на "Орскнефтеоргсинтез" (ЗАО "ФортеИнвест") мощностью 300 тыс. тонн в год - ранее планового срока ввода в эксплуатацию (2015 г.), а также введена установка низкотемпературной изомеризации ПГИ-ДИГ 280 мощностью 280 тыс. т/год и каталитического риформинга с непрерывной регенерацией катализатора мощностью 1245 тыс. т/год по секции гидроочистки и 1200 тыс. т/год по секции риформинга на Новокуйбышевском НПЗ.
Не введены в установленный срок следующие технологические установки:
а) гидроочистки дизельного топлива - на ООО "ЛУКойл-Пермнефтеоргсинтез";
б) гидроочистки дизельного топлива - на Антипинском НПЗ (ЗАО "Антипинский НПЗ").
В 2015 году из 27 установок вторичной переработки нефти пусконаладочные работы закончены на 10 установках, запланированных к вводу в эксплуатацию в 2015 году:
а) производство МТБЭ мощностью 42 тыс. тонн в год на АО "Ангарская НХК" (ПАО "НК "Роснефть");
б) гидроочистка дизельного топлива после реконструкции (2 этап) на ОАО "Орскнефтеоргсинтез" (ЗАО "ФортеИнвест");
в) гидроочистка дизельного топлива после реконструкции ОАО "ТАИФ-НК";
г) алкилирование мощностью 367 тыс. тонн в год на "Нижегороднефтеоргсинтез" ПАО "ЛУКОЙЛ";
д) каталитический крекинг мощностью 2000 тыс. тонн в год на ООО "ЛУКОЙЛ - Нижегороднефтеоргсинтез";
е) гидроочистка бензина каталитического крекинга мощностью 1100 тыс. тонн в год на ООО "ЛУКОЙЛ - Нижегороднефтеоргсинтез";
ж) каталитический крекинг после реконструкции с увеличением мощности на 300 тыс. тонн в год на АО "Газпромнефть - Омский НПЗ"
з) гидроочистка дизельного топлива мощностью 2600 тыс. тонн в год на Антипинском НПЗ АО "Антипинский НПЗ" (ввод по плану 2014 год);
и) гидроочистка дизельного топлива после реконструкции с увеличением мощности на 85 тыс. тонн в год на ООО ПО "Киришинефтеоргсинтез" (ОАО "Сургутнефтегаз");
к) гидроочистка дизельного топлива мощностью 1500 тыс. тонн в год на "Пермнефтеоргсинтез" ПАО "ЛУКОЙЛ".
Также введена в эксплуатацию установка замедленного коксования мощностью 2100 тыс. тонн в год на ООО "ЛУКОЙЛ - Пермнефтеоргсинтез".
ПАО "НК "Роснефть", ОАО "Сургутнефтегаз", ПАО "Газпром", ООО "Ильский НПЗ", ООО "Марийский НПЗ" и ООО "Афипский НПЗ" заявили о переносе сроков ввода в эксплуатацию 16 установок вторичной переработки нефти с 2015 года на более поздний срок.
Не завершена в установленный срок реконструкция установки каталитического риформинга на Куйбышевском НПЗ (Установка действует, работы по реконструкции ведутся в ходе ремонтов).
ПАО "НК "Роснефть" планирует перенос срока ввода в эксплуатацию с 2015 года на последующие года 10 установок вторичной переработки нефти:
а) алкилирования мощностью 130 тыс. тонн в год на Ангарской НХК на 2017 год;
б) производства МТБЭ мощностью 40 тыс. тонн в год на Куйбышевском НПЗ на конец 2016 - начало 2107 года;
в) производства МТБЭ мощностью 40 тыс. тонн в год на Сызранском НПЗ на 2017 год;
г) каталитического крекинга мощностью 1150 тыс. тонн в год на Куйбышевском НПЗ на конец 2016 - начало 2017 года;
д) каталитического крекинга мощностью 1150 тыс. тонн в год на Сызранском НПЗ на 2017 год;
е) гидроочистки бензина каталитического крекинга мощностью 500 тыс. тонн в год на Ангарской НХК на 2017 год;
ж) гидроочистки бензина каталитического крекинга (реконструкция) на Рязанской НПК ПАО "НК "Роснефть" на 2019 год;
з) гидрокрекинга мощностью 2050 тыс. тонн в год на Комсомольском НПЗ на 2020 год;
и) гидроочистки дизельного топлива мощностью 1600 тыс. тонн в год на Комсомольском НПЗ на 2020 год;
к) гидроочистки дизельного топлива после реконструкции без увеличения мощности на Рязанской НПК на 2018 год.
ОАО "Сургутнефтегаз" планирует перенос срока ввода в эксплуатацию с 2015 года на 2017 год установки гидроочистки дизельного топлива после реконструкции с увеличением мощности на 20 тыс. тонн в год.
ПАО "Газпром" перенесен срок ввода в эксплуатацию с 2015 года на 2016 год установки изомеризации мощностью 434 тыс. тонн в год и на 2017 год установки каталитического крекинга мощностью 1095 тыс. тонн в год на ОАО "Газпром нефтехим Салават".
ООО "Марийский НПЗ" планирует перенос срока ввода в эксплуатацию с 2015 года на 2020 год установки гидроочистки дизельного топлива мощностью 1200 тыс. тонн в год.
ООО "Ильский НПЗ" планирует перенос срока ввода в эксплуатацию с 2015 года на 2019 год установки гидроочистки дизельного топлива мощностью 1200 тыс. тонн в год.
По планам нефтяных компаний на конец 2016 - начало 2017 года программой модернизации запланирован ввод в эксплуатацию 12 установок по вторичной переработке нефти, из них:
а) 1 установка изомеризации;
б) 1 установка каталитического риформинга;
в) 1 установка алкилирования;
г) 1 установка производства МТБЭ;
д) 1 установка каталитического крекинга;
е) 1 установка гидрокрекинга;
ж) 3 установки гидроочистки дизельного топлива;
з) 1 установка глубокой переработки тяжелых нефтяных остатков;
и) 2 установки замедленного коксования.
По итогам 1 квартала 2016 года, в строительстве и реконструкции установок вторичной переработки нефти на НПЗ наблюдается следующая ситуация.
Завершаются строительно-монтажные работы на следующих установках:
а) алкилирования (реконструкция с увеличением мощности на 96 тыс. тонн в год) на АО "Газпромнефть - Омский НПЗ";
б) гидрокрекинга мощностью 3500 тыс. тонн в год на ООО "ЛУКОЙЛ - Волгограднефтепереработка";
в) замедленного коксования мощностью 2000 тыс. тонн в год на АО "ТАНЕКО" ПАО "Татнефть";
г) замедленного коксования мощностью 1200 тыс. тонн в год на АО "Антипинский НПЗ".
По оценке, в 2016 году введены в эксплуатацию и завершена реконструкция следующих установок:
а) изомеризации на ООО "Газпром нефтехим Салават" (ПАО "Газпром");
б) каталитического риформинга (реконструкция) на Куйбышевском НПЗ (ПАО "НК "Роснефть");
в) каталитического крекинга и производства МТБЭ на Куйбышевском НПЗ (ПАО "НК "Роснефть");
г) гидроочистки дизельного топлива (реконструкция) на ООО "ЛУКОЙЛ - Пермнефтеоргсинтез";
д) гидроочистки дизельного топлива на Антипинском НПЗ (АО "Антипинский НПЗ");
е) гидроочистки дизельного топлива (реконструкция) на ООО ПО "Киришинефтеоргсинтез" (ОАО "Сургутнефтегаз");
ж) комплекса глубокой переработки тяжелых нефтяных остатков на НПЗ "ТАИФ" (ОАО "ТАИФ-НК").
По программе модернизации планировалось построить и модернизировать 135 установок. Из них - новых установок 99, реконструкция - 36 установки. На сегодняшний день введено в действие 59 установок. Общее состояние отрасли за последние 10 лет существенно изменилось.
Увеличение технологических мощностей, а именно доли облагораживающих процессов нефтепереработки позволило значительно улучшить качество выпускаемого автобензина и дизельного топлива.
Так, в 2010 году доля бензинов, удовлетворяющих требованиям Евро 3, 4, составляет 38% от всего объема выпускаемого бензина, а доля дизельного топлива, удовлетворяющего требованиям класса 4, 5 - всего лишь 18%.
В 2015 году доля автобензинов, удовлетворяющих требованиям экологического класса 5, составила уже 84, 5%, а класса 4 составила 9, 3% от всего объема, производимого на НПЗ РФ автобензинов (рисунок 1.7), а доля дизельного топлива, удовлетворяющих требованиям экологического класса 5 составила 73, 3%, а класса 4 составила 9, 8% от всего объема производимого на НПЗ РФ дизтоплива (рисунок 1.8).

Рисунок 1.7 - Производство автобензинов на НПЗ РФ в 2015 году по экологическим классам, %

Рисунок 1.8 - Производство дизтоплива на НПЗ РФ в 2015 году по экологическим классам, %
Ввод новых и реконструкция действующих технологических мощностей происходит преимущественно на НПЗ ВИНК РФ, поэтому средняя по НПЗ ВИНК глубина переработки нефти в 2015 году составила 75, 9%.
Выход светлых нефтепродуктов на НПЗ ВИНК РФ составил в 2015 году 59, 9%.
НПЗ ВИНК РФ настолько повысили качество выпускаемой продукции в 2015 году, что обеспечили подготовку к переходу на производство топлив экологического класса 5 в объемах, полностью обеспечивающих потребности внутреннего рынка.
Структура производства продукции на российских НПЗ за 2000 - 2010 гг. практически не менялась, после 2010 года ситуация начала значительно меняться. Так, доля выработки топочного мазута в РФ в 2010 году составляла 28%, а в 2015 году уже снизилась до 25%. Доля выработки топочного мазута в РФ - 25%, что выше аналогичных показателей в мире - около 5% в США, до 15% в Западной Европе.
Качество автомобильных бензинов улучшается вслед за изменением структуры парка автомобилей в РФ. Вырабатываемый в РФ бензин практически в полном объеме используется на внутреннем рынке (рисунок 1.9).

Рисунок 1.9 - Производство и распределение автобензина, млн. т.
В тоже время значительный избыток дизельного топлива и мазута идет на экспорт (рисунок 1.10, 1.11).

Рисунок 1.10 - Производство и распределение дизельного топлива, млн. т.

Рисунок 1.11 - Производство и распределение топочного мазута, млн. т.
В структуре выпуска нефтепродуктов концентрация производства наиболее высока на сегменте бензинов. В 2015 г. предприятия ВИНКов обеспечивали производство около 98% (91% в 2010 году) выпуска автомобильного бензина, 88% (88% в 2010 году) - дизельного топлива, 79% (84% в 2010 году) - мазута. Автомобильные бензины поставляются преимущественно на внутренний рынок, в основном контролируемый ВИНКами. Заводы, входящие в состав компаний, имеют наиболее современную структуру, относительно высокую долю вторичных процессов и глубину переработки.
Технический уровень большинства НПЗ РФ пока еще не соответствует передовому мировому уровню. В российской нефтепереработке основной проблемой отрасли продолжает оставаться низкая глубина переработки нефти - (в России - 74, 2%, в Европе - 85%, в США - 96%), отсталая структура производства - минимум вторичных процессов и недостаточный уровень процессов, улучшающих качество получаемых продуктов. Еще одна проблема - высокая степень износа основных фондов и, как следствие, повышенный уровень энергопотребления. На российских НПЗ около половины всех печных агрегатов имеют КПД 50 - 60% при среднем показателе на зарубежных заводах - 90%.
Значение Индекса Нельсона (коэффициента технологической сложности) в 2010 году для основной массы российских НПЗ было значительно ниже среднего значения этого показателя в мире (4, 4 против 6, 7) (рисунок 1.12). Что было связано с невысокой глубиной переработки нефти, недостаточным уровнем качества нефтепродуктов и технически устаревшим оборудованием.

Рисунок 1.12 - Индекс Нельсона на НПЗ в РФ в 2010 году
В 2015 году в результате выполнения четырехсторонних соглашений (между нефтяными компаниями, ФАС России, Ростехнадзором и Росстандартом) нефтяные компании в части исполнения обязательств по модернизации нефтеперерабатывающих производств смогли добиться значительных результатов, так, средний уровень Индекса Нельсона для НПЗ РФ в 2015 году составил уже 6, 0, что практически составляет среднемировое значение (рисунок 1.13). Это также говорит о значительном росте стоимости НПЗ РФ (порядка 36%).

Рисунок 1.13 - Индекс Нельсона на НПЗ в РФ в 2015 году
Наличие на НПЗ процессов прямой перегонки нефти и установок, улучшающих качество прямогонных фракций, позволяет получить глубину не более 60%, наличие процессов переработки вакуумного газойля увеличивает глубину переработки до 75 - 80%, и только переработка гудрона и тяжелых остатков вторичных процессов позволяет перейти рубеж в 85 - 90% (рисунок 30).
Налаживание процессов переработки гудрона и тяжелых остатков вторичных процессов требует колоссальных затрат, поэтому в планах модернизации большинства нефтяных компаний они были отодвинуты на второй этап модернизации 2017 - 2025 год (первый этап - это улучшение качества бензинов и дизельного топлива).

Рисунок 1.14 - Изменение глубины переработки нефти
НПЗ РФ к 2015 году завершили в целом первый этап своей модернизации, направленный в основном на улучшение качества получаемых топлив и продукции. Строительство мощностей по глубокой переработки нефти планировалось на втором этапе модернизации, и сроки реализации этого этапа в настоящее время сдвинуты к 2025 году.
Динамика изменения мощностей процессов нефтепереработки представлена в таблице 1.3.
Модернизация заводов с целью выполнения требований регламента в первую очередь связана с увеличением доли процессов, улучшающих качество нефтепродуктов. Углубляющие процессы отошли на второй план, их внедрение отодвинулось на более отдаленную перспективу.
Также в нефтеперерабатывающей отрасли РФ отмечается следующая негативная тенденция, по мере роста "старения" и выработанности месторождений увеличивается общая (средняя) сернистость и плотность перерабатываемой нефти: по содержанию серы увеличение составляет в среднем на 0, 01% масс. в год, по плотности в среднем на 0, 2 кг/м3 в год.
|
Динамика мощностей по переработке нефти 2005 - 2015 гг., млн т |
% к 2005 г. | |||
|
Процессы |
2005 |
2010 |
2015 | |
|
Первичная переработка нефти |
265, 9 |
276, 5 |
304, 5 |
114, 5 |
|
Кат. риформинг на облагораживание |
26, 1 |
26, 1 |
29, 1 |
111, 5 |
|
Гидроочистка дизтоплива |
70, 5 |
70, 6 |
79, 2 |
112, 3 |
|
Гидроочистка бензина кат. крекинга |
- |
- |
5, 0 |
- |
|
Изомеризация |
1, 9 |
6, 2 |
9, 1 |
478, 9 |
|
Каталитический крекинг |
17, 8 |
21, 2 |
24, 6 |
138, 2 |
|
Алкилирование |
0, 6 |
1, 3 |
2, 1 |
345, 0 |
|
Гидрокрекинг |
6, 9 |
9, 5 |
15, 8 |
229, 0 |
|
Коксование |
5, 3 |
5, 9 |
8, 0 |
150, 9 |
|
Висбрекинг гудрона |
12, 7 |
22, 7 |
24, 3 |
191, 3 |
Ожидается дальнейшее увеличение приема в переработку высокосернистой нефти (в 2010 году - 67 млн. тонн, а в 2015 году уже 83 млн. тонн) - как за счет регионов, традиционно добывающих тяжелую нефть (Республика Татарстан, Республика Башкортостан, Удмуртская Республика, Оренбургская область), так и за счет "нетипичных" регионов (Тимано-Печорская провинция и Западная Сибирь). Так как строительство мощностей по глубокой переработки нефти перенесено на второй этап модернизации, и сроки реализации этого этапа в настоящее время сдвинуты к 2025 году, это может отрицательно сказаться на возможностях НПЗ РФ перерабатывать высокосернистое сырье.
Выходом из сложившейся ситуации является ускорение модернизации нефтеперерабатывающей промышленности РФ в направлении строительства установок, углубляющих переработку.
1.2 Основные процессы нефтеперерабатывающих заводов
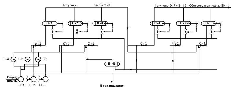
Нефть приходит на нефтеперерабатывающий завод с промыслов и нуждается сначала в очистке, которая происходит на установках обезвоживания и обессоливания (ЭЛОУ), а затем разделяется на фракции на установках атмосферной и вакуумной перегонки. Далее каждая из этих фракций нуждается в дальнейшей очистке и переработке. Эти процессы осуществляются на установках вторичной переработки (установках физико-химической переработки нефти), имеют определенную последовательность, их осуществление возможно при большом общезаводском хозяйстве, которое включает в себя объекты энергетики, водоснабжения, резервуары, очистные сооружения, железнодорожные эстакады приема и отгрузки нефтепродуктов.
Цель переработки заключается в преобразовании природных сырьевых материалов, таких, как сырая нефть и природный газ, в полезную товарную продукцию. Сырая нефть и природный газ на НПЗ превращаются в различные продукты, такие, как:
а) топливо для легковых автомобилей, грузовиков, самолетов, судов и других видов транспорта;
б) топливо для сжигания для производства электроэнергии и тепла в промышленности и для домашних хозяйств;
в) сырье для нефтехимической и химической промышленности;
г) специальные продукты, такие, как смазочные масла, парафины/воск и битум;
д) энергия в качестве побочного продукта в виде тепла (пара) и энергии (электричество).
Переработка нефти в пригодные для использования нефтепродукты может быть разделена на два этапа и на ряд вспомогательных операций.
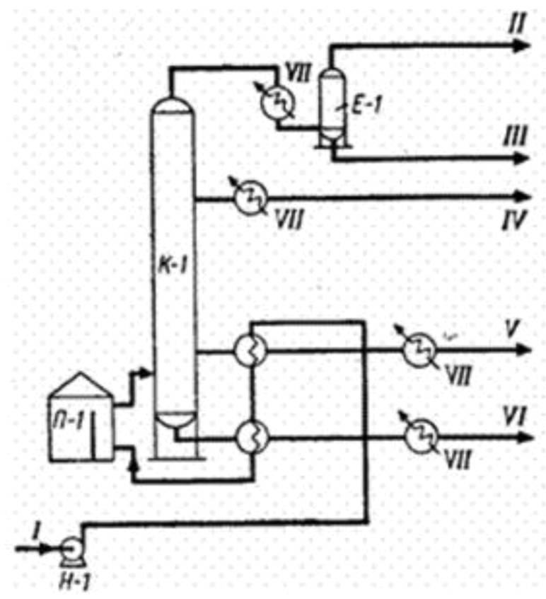
Первый этап - обессоливание нефти и последующая перегонка с получением различных компонентов или фракций. Дальнейшая разгонка более легких компонентов и нафты проводится с целью извлечения метана и этана для использования в качестве нефтезаводского топлива, сжиженного углеводородного газа (пропан и бутан), компонентов смешения бензина и нефтехимического сырья. Разделение легких продуктов производится на каждом НПЗ. Как правило, перегонку (разгонку нефти) проводят в две стадии - с небольшим избыточным давлением, близким к атмосферному, и под вакуумом, при этом используя для подогрева сырья трубчатые печи. Поэтому установки первичной переработки нефти носят названия АВТ - атмосферно-вакуумные трубчатки.
Если процессы первичной переработки нефти основаны, главным образом, на физическом разделении исходного сырья на определенные узкие фракции, и при этом не происходит изменений химического состава получаемых продуктов, то практически все процессы вторичной переработки связаны с химическим превращением углеводородов.
Процессы вторичной переработки позволяют:
а) обеспечить рынки дополнительным количеством высококачественных моторных топлив;
б) получить ценное сырье для нефтехимических комплексов и шинной промышленности;
в) существенно увеличить глубину переработки нефти, что позволяет НПЗ в условиях снижения темпов ее переработки не снижать уровень выпуска основного ассортимента продукции;
г) существенно расширить ассортимент выпускаемой продукции, что делает предприятие более конкурентоспособным в условиях рынка.
Большинство вторичных процессов - каталитические, кроме того, в них широко используются растворители, реагенты, адсорбенты. Другими словами, все то, что способствует изменению структуры углеводородов или извлечению определенных химических элементов и веществ. По своим направлениям все вторичные процессы можно разделить на 3 вида:
а) облагораживающие (риформинг, гидроочистка, изомеризация и др.);
б) углубляющие (термический крекинг, висбрекинг, замедленное коксование, каталитический крекинг, гидрокрекинг и др.);
в) прочие (процессы по производству масел, МТБЭ, алкилирование, производство ароматических углеводородов, битумов и др.)
Для осуществления технологического процесса переработки нефти на НПЗ необходимо использовать так называемые общезаводские процессы (вспомогательные), сопровождающие производство нефтепродуктов и включающие в себя производство энергии, очистку сточных вод, производство серы, очистку отходящих газов, системы продувки, обработки и смешения нефтепродуктов, хранение и транспортировку нефтепродуктов в пределах предприятия.
Основными видом продукции любого НПЗ являются топлива. Выпуск топлив может составить до 75 - 90% от поступаемой нефти в зависимости от набора технологических установок. На ряде НПЗ в зависимости от рынка нефтепродуктов строят масляный блок (производство масел) и блок нефтехимических производств; если этих блоков нет, то такой НПЗ называется топливным.
В последнее время большую прибыльность имеют заводы, где установки по производству топлив соединены с блоком нефтехимических производств. Такие комплексы называют комплексами нефтепереработки и нефтехимии. В настоящее время особо ценятся установки двойного назначения. Например, на установке риформинга можно получать высокооктановый компонент бензина и набор ароматических углеводородов, на установке каталитического крекинга - высокооктановый компонента бензина и пропилен, на установке гидрокрекинга - высококачественное дизельное топливо и основу для производства базовых масел.
НПЗ обычно характеризуют по глубине переработки нефти. Различают заводы с неглубокой и глубокой переработкой нефти.
Под неглубокой переработкой нефти понимают переработку нефтяных фракций без переработки мазута. Хотя это понятие достаточно условное, так как на некоторых заводах с неглубокой переработкой нефти построены установки вакуумной перегонки мазута и производство битума окислением гудрона.
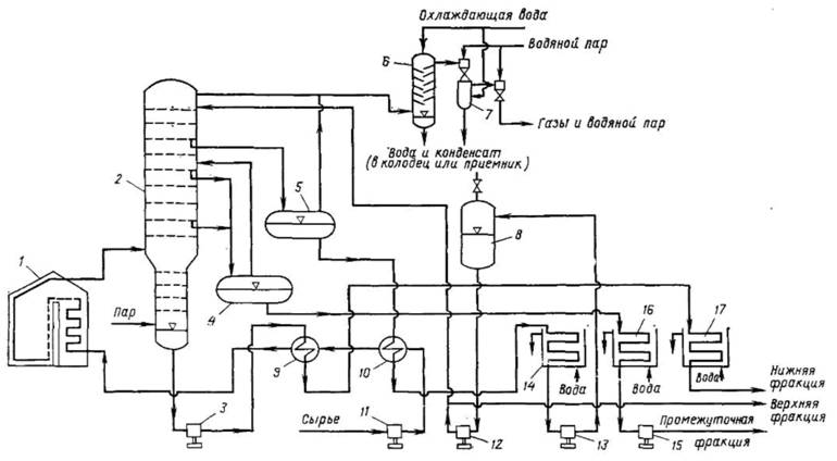
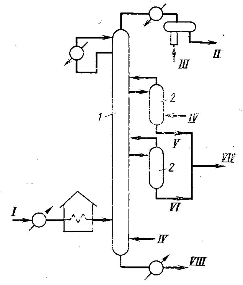
Поточная схема НПЗ с неглубокой переработкой нефти представлена на рисунке 1.15. Как правило, в этом случае глубина переработки колеблется от 50 до 65% в зависимости от качества нефти.
Нефтеперерабатывающие заводы, имеющие такую схему, целесообразно строить в районах, где отсутствуют другие источники органического топлива (уголь, природный газ) и где для снабжения энергетических установок используется мазут. На этих заводах нефть подвергается процессам обезвоживания и обессоливания, а затем перегоняется на установках атмосферной перегонки с получением бензинового, керосинового и дизельного дистиллятов. Бензиновый дистиллят разделяется на фракции. Легкий бензин (фракция, выкипающая в интервале НК - 62°С) подвергается изомеризации с получением высокооктанового изокомпонента. Фракция 62 - 105 (62 - 140°С) подвергается каталитическому риформингу с получением ароматического концентрата, из которого затем выделяют арены (бензол, толуол, ксилолы). Фракция 105 - 180°С (140 - 180°С) направляется на каталитический риформинг с целью получения высокооктанового компонента товарного автомобильного бензина. Если нет необходимости получать ароматические углеводороды, то вся бензиновая фракция 62 - 180°С или 85 - 180°С направляется на риформинг с получением высокооктанового компонента товарного бензина. В состав установки каталитического риформинга обязательно входит блок гидроочистки бензина. Средние дистилляты (керосиновый и дизельный) подвергаются облагораживанию и очистке от серы на установках гидроочистки. Благодаря гидроочистке получают реактивное топливо высокого качества и малосернистое дизельное топливо.

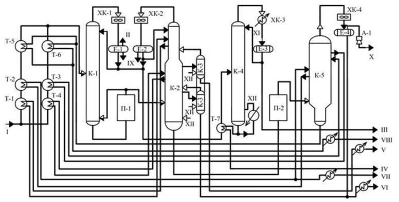
Рисунок 1.15 - Поточная схема НПЗ с неглубокой переработкой сернистой нефти
Газовые потоки установок первичной перегонки нефти и каталитического риформинга перерабатываются на газофракционирующей установке. При этом получают товарные сжиженные газы: пропан, бутан и изобутан, а в некоторых случаях еще и пентан и изопентан. На заводах с неглубокой схемой переработки, как и на других нефтеперерабатывающих предприятиях, можно организовать производство битума различных марок. Битум получают окислением гудрона, который выделяется из мазута вакуумной перегонкой. Вакуумный газойль в этом случае можно продавать на НПЗ, где имеются установки каталитического крекинга, гидрокрекинга и производство масел. Основное количество мазута отправляется потребителям в качестве котельного топлива. Сероводород, выделившийся при гидроочистке, утилизируется на установках получения серной кислоты или серы.
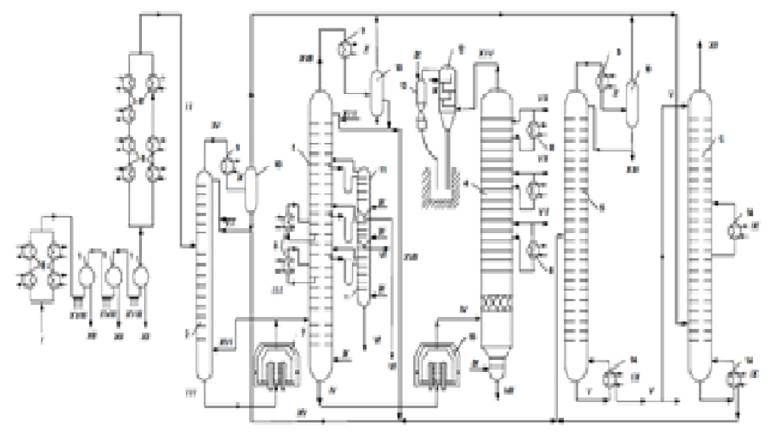
Современные НПЗ являются, как правило, заводами глубокой переработки нефти с блоками производства масел и нефтехимии. Схема глубокой переработки нефти приведена на рисунке 1.16. Как следует из данных рисунка, первичная перегонка нефти проводится на атмосферно-вакуумных установках (АВТ). Помимо атмосферных дистиллятов, на этой установке получают вакуумный дистиллят - фракцию 350 - 500°С и гудрон. Атмосферные дистилляты (бензиновый, керосиновый и дизельный) перерабатываются так же, как на заводе с неглубокой переработкой нефти.
Мазут поступает в вакуумную колонну, где разделяется на фракции - вакуумный дистиллят (350 - 500°С) и гудрон. Конец кипения дистиллятов может достигать 560 - 580°С. Вакуумный дистиллят перерабатывается в процессе гидрокрекинга с получением максимального количества светлых нефтепродуктов. Остаток гидрокрекинга поступает на каталитический крекинг с получением высокооктанового бензина, легкого газойля (используемого после облагораживания в качестве компонента дизельного топлива) и тяжелого газойля (сырья для технического углерода и для установок замедленного коксования). Остаток также является сырьем для получения базовых масел II и III группы путем гидродепарафинизации.
В случае отсутствия установки гидрокрекинга для подготовки сырья каталитического крекинга используют гидроочистку вакуумного газойля или негидроочищенный газойль направляют на каталитический крекинг. В последнем случае проводят гидроочистку продуктов каталитического крекинга, гидрирование и гидроочистку бензина и дизельных фракций. Гудрон можно использовать для получения битума, но основное его количество, как правило, направляют на непрерывное коксование с газификацией или на замедленное коксование. Бензин термических процессов целесообразно гидроочищать с применением процессов глубокого гидрирования и последующего риформинга, а легкий газойль коксования после гидроочистки и гидрирования рекомендуется применять как компонент дизельного топлива. Гудрон также может подвергаться деасфальтизации с получением деасфальтизата, который отправляется или на гидрокрекинг, или на производство остаточных масел, а асфальт может являться сырьем для установки замедленного коксования или установки газификации.

Рисунок 1.16 - Поточная схема НПЗ с глубокой переработкой сернистой нефти
В настоящее время хорошо себя зарекомендовал гидрокрекинг гудронов, позволяющий получать дополнительное количество светлых продуктов и сырье для каталитического крекинга.
При недостатке средств на такие высокозатратные установки, как гидрокрекинг и коксование, гудрон направляют на висбрекинг с получением котельного топлива.
Углеводородные газы всех процессов проходят очистку от H2S: непредельные газы коксования, висбрекинга и каталитического крекинга разделяют на ГФУ непредельных газов, а газы риформинга, изомеризации, АВТ, гидроочистки и гидрокрекинга - на ГФУ предельных газов. Бутан-бутиленовая фракция с ГФУ непредельных газов и изобутан с ГФУ предельных газов служат сырьем для процессов алкилирования, МТБЭ и ЭТБЭ. Пропан-пропиленовую фракцию с ГФУ непредельных газов можно использовать для получения в дальнейшем продуктов нефтехимии. Пропан-бутановую фракцию зачастую используют как бытовое топливо или сырье пиролиза, сероводород направляется на производство серы или серной кислоты. При наличии установок глубокой гидроочистки дистиллятов и гидрокрекинга необходимо строить установки по производству водорода конверсией природного или сжиженного газа. Остальной сухой газ используют в топливной системе завода.
Благодаря оптимальному подбору мощностей отдельных установок возможно достижение наиболее благоприятных соотношений выходов автобензина, дизельного и реактивного топлива при обеспечении их высокого качества. При этом следует предусматривать использование тяжелых газойлевых фракций коксования в качестве сырья процессов крекинга и гидрокрекинга, а также включать в состав заводов гидроочистку смеси легких газойлевых фракций коксования и крекинга с прямогонными дистиллятами для получения товарного дизельного топлива.
Продукты переработки нефти используют в качестве сырья для разнообразных нефтехимических производств, которые в некоторых случаях сооружаются в составе нефтеперерабатывающих заводов, что позволяет значительно расширить ассортимент продукции предприятий.
На нефтеперерабатывающих заводах, помимо индивидуальных технологических установок, работают различные комбинированные установки (системы).
При комбинировании нескольких технологических процессов в единую централизованно управляемую установку (систему) в сочетании с укрупнением достигается:
а) экономия капитальных вложений за счет сокращения резервуарных парков, трубопроводов, технологических коммуникаций и инженерных сетей, более компактного расположения оборудования и аппаратов, объединения насосных, компрессорных, операторных и других помещений, что позволяет увеличить плотность застройки;
б) экономия эксплуатационных затрат в результате снижения удельных расходов энергии, пара, топлива и охлаждающей воды за счет объединения стадий фракционирования, теплообмена, исключения повторных операций нагрева и охлаждения, увеличения степени утилизации теплоты отходящих потоков и др., а также в результате сокращения численности обслуживающего персонала за счет централизации управления, более высокого уровня автоматизации и механизации и т.д.;
в) снижение потерь нефтепродуктов и количества стоков и, следовательно, количества вредных выбросов в окружающую среду.
Наиболее часто объединяют в комбинированной установке следующие процессы:
а) первичная переработка ЭЛОУ-АВТ или AT - гидроочистка бензина - каталитический риформинг;
б) гидроочистка вакуумного газойля - каталитический крекинг - газоразделение - алкилирование;
в) сероочистка газов - производство серы;
г) деасфальтизация - селективная очистка - депарафинизация - обезмасливание и др.
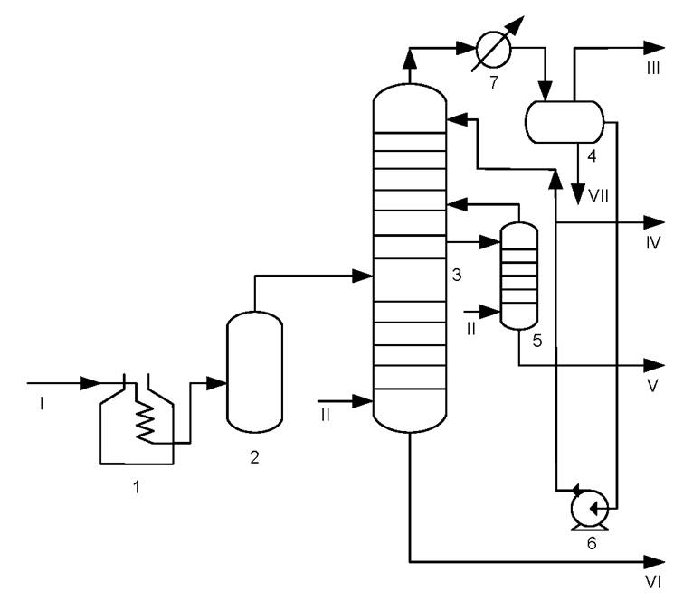
Производство товарных масел на НПЗ выделяют в отдельный масляный блок или завод масел. В настоящее время существуют традиционные поточные схемы производства базовых масел с отдельными процессами гидроочистки, а также поточные схемы, где гидрокрекинг, гидрирование, гидродепарафинизация, гидроизомеризация и гидродоочистка играют решающую роль.
На рисунке 1.17 представлена в общем виде традиционная схема производства базовых масел. Мазут подвергается вакуумной перегонке с получением легких, средних и тяжелых вакуумных дистиллятов или вакуумного газойля (350 - 500°С) и остатка выше 500°С - гудрона.
Гудрон подвергается деасфальтизации, в результате которой получают деасфальтизат, в дальнейшем отправляемый на гидрокрекинг, и асфальт, направляемый на производство битума или на газификацию. Вакуумные дистилляты направляют на селективную очистку, а вакуумный газойль и деасфальтизат - на гидрокрекинг.
После селективной очистки экстракт направляют на производство техуглерода и на установку замедленного коксования для получения кокса улучшенной структуры, а рафинаты могут направляться на гидроочистку, гидродепарафинизацию и гидроизомеризацию или на депарафинизацию растворителями, если нет на НПЗ гидропроцессов, а также в том случае, когда необходимо получить парафины.
В процессе депарафинизации растворителями получают гач и петролатум, которые после обезмасливания превращаются в парафин и церезин.
После депарафинизации растворителями базовое масло может не соответствовать техническим требованиям по цвету и содержанию полициклических ароматических углеводородов. Поэтому такое масло подвергается гидродоочистке или, если нет на НПЗ такой установки, контактной доочистке. Полученные масла соответствуют базовым маслам I группы и, если есть установки гидроочистки, II группы.
Чтобы перевести производство масел I группы на производство масел II группы, надо после селективной очистки поставить гидроочистку (гидрооблагораживание) рафинатов, а если мы хотим получать масла II и III группы, то после селективной очистки необходимо поставить гидроочистку (гидрооблагораживание) рафинатов, каталитическую депарафинизацию и гидродоочистку.

Рисунок 1.17 - Схема блока производства масел на НПЗ
Для получения высокоиндексных масел все шире применяют процессы гидрокрекинга и гидродепарафинизации остатка гидрокрекинга вакуумного газойля и деасфальтизата, заменяющие селективную очистку. Завершает процесс производства гидродоочистка высокоиндексных базовых масел (ИВ от 100 до 135). Вместо гидродепарафинизации может применяться депарафинизация растворителями.
Таким образом, к основным процессам и технологиям, входящим в состав НПЗ, относятся (таблица 1.4).
|
N
|
Этап технологического процесса |
Установка либо процесс |
Технология |
Количество установок |
|
1 |
Подготовка и первичная переработка нефти |
Атмосферная перегонка нефтяного сырья |
Трубчатые установки без отбензиневающей колонны - (АТ) |
19 |
|
Трубчатые установки с отбензиневающей колонной - (АТ) |
17 | |||
|
Атмосферно-вакуумная перегонка нефтяного сырья |
Атмосферно-вакуумные установки (АВТ) |
12 | ||
|
Комплексные установки (ЭЛОУ-АВТ) |
15 | |||
|
Комплексные установки с блоком вторичной перегонки дистиллятных фракций |
9 | |||
|
Вакуумная перегонка нефтяного сырья |
Перегонка мазута (ВТ) с получением вакуума за счет водяного пара |
2 | ||
|
Перегонка мазута (ВТ) с получением вакуума на основе гидроциркулляционных вакуумсоздающих систем. |
4 | |||
|
Вторичная перегонка дистиллятов |
Вторичная перегонка бензинов |
6 | ||
|
Вторичная перегонка дизельных фракций |
3 | |||
|
ЭЛОУ |
Одноступенчатая |
3 | ||
|
Двухступенчатая |
10 | |||
|
Трехступенчатая |
3 | |||
|
2 |
Производство нефтяных товарных смазочных масел |
Деасфальтизация остатков растворителями |
Деасфальтизация остатков пропаном |
6 |
|
Депарафинизация рафината селективной очистки |
Низкотемпературная в кетон-толуольном растворе |
7 | ||
|
Обезмасливание гача в кетон-толуольном растворе, применяемая для производства парафина |
1 | |||
|
Дистилляция гидрогенизата |
выделение из гидрогенизата гидрокрекинга керосина осветительного (или компонента дизельного топлива "З"), дистиллята бензина и целевой фракции 280°С-КК., являющейся сырьем для производства трансформаторного масла |
1 | ||
|
Селективная очистка масляного сырья |
Метил пирролидоном |
1 | ||
|
Фенолом |
6 | |||
|
3 |
Производство смазочных материалов |
Производство масел, присадок и смазок |
Производство масел и присадок |
1 |
|
Производство смазок общего назначения |
1 | |||
|
Производство специальных смазок |
1 | |||
|
4 |
Термические процессы |
Коксование |
Замедленное коксование в необогреваемых коксовых камерах |
8 |
|
Прокаливание кокса |
3 | |||
|
Производство битумов |
Окисление в кубах |
1 | ||
|
Окисление в трубчатых реакторах |
1 | |||
|
Производство битумов в окислительных колоннах |
9 | |||
|
Термический крекинг, висбрекинг |
Печной висбрекинг |
5 | ||
|
Печной висбрекинг с сокинг камерой |
4 | |||
|
5 |
Термогидрокаталитические (Гидрогенизационные) процессы |
Гидрогенизационные процессы (кроме гидрокрекинга) |
Гидрирование дистиллятов вторичного происхождения (бензиновых, керосиновых и дизельных фракций) |
18 |
|
Гидродеароматизация дизельного топлива |
1 | |||
|
Гидродепарафинизация дизельного топлива |
2 | |||
|
Гидродоочистка парафина |
1 | |||
|
Гидродоочистка парафина |
1 | |||
|
ГО бензина (предгидроочистка сырья установок изомеризации и/или каталитического риформинга) |
9 | |||
|
ГО бензина каталитического крекинга |
2 | |||
|
ГО вакуумного газойля |
3 | |||
|
ГО дизельного топлива |
14 | |||
|
ГО керосина |
9 | |||
|
Гидрокрекинг |
Глубокий одноступенчатый гидрокрекинг вакуумных дистиллятов (давление более 10 МПа) |
2 | ||
|
Легкий гидрокрекинг вакуумных дистиллятов (давление до 10 МПа) |
2 | |||
|
6 |
Термокаталитические процессы |
Изомеризация легких углеводородных фракций (С4 - С6) |
Низкотемпературная на оксидных катализаторах с сульфатированным оксидом циркония |
4 |
|
Низкотемпературная на хлорированных (фторированных) алюмоплатиновых катализаторах |
12 | |||
|
Среднетемпературная на цеолитных катализаторах |
2 | |||
|
Каталитический крекинг |
С движущимся слоем катализатора |
5 | ||
|
С лифт реактором |
6 | |||
|
Каталитический риформинг |
Каталитический риформинг со стационарным слоем катализатора для производства ароматических углеводородов |
3 | ||
|
С движущимся слоем регенерируемого катализатора (вертикальное расположение реакторов) |
4 | |||
|
С движущимся слоем регенерируемого катализатора (вертикальное расположение реакторов) |
4 | |||
|
Со стационарным слоем катализатора |
26 | |||
|
7 |
Очистка ВСГ, производство ароматических у/в, кат. Крекинг, ББО |
КЦА, КПА, КТ-1/1, ББО |
Короткоцикловая адсорбция ВСГ |
1 |
|
Комплекс производства ароматических углеводородов |
1 | |||
|
Комплекс каталитического крекинга |
1 | |||
|
Блок биологической очистки сточной воды |
1 | |||
|
Фтористоводородное |
8 | |||
|
Концентрирование водородсодержащего газа |
Короткоцикловая абсорбция |
1 | ||
|
8 |
Переработка нефтезаводских газов |
Алкилирование |
Сернокислотное |
3 |
|
Фтористоводородное |
8 | |||
|
Концентрирование водородсодержащего газа |
Короткоцикловая абсорбция |
1 | ||
|
Осушка нефтезаводских газов |
Осушка с использованием твердых поглотителей |
2 | ||
|
Очистка нефтезаводских газов |
Очистка с использованием ДЭА |
1 | ||
|
Очистка с использованием МДЭА |
1 | |||
|
Очистка с использованием МЭА |
6 | |||
|
Переработка сероводорода |
Производство серной кислоты из влажных газов (процесс WSA) |
5 | ||
|
Производство серной кислоты контактным способом |
7 | |||
|
Производство серы гранулированной |
6 | |||
|
Производство серы комовой |
5 | |||
|
Производство серы пластинчатой (чешуйчатой) |
1 | |||
|
Производство водорода |
Производство водорода паровой каталитической конверсией углеводородов |
11 | ||
|
Производство оксигенатов |
Производство МТБЭ (этерификация) |
2 | ||
|
Производство ТАМЭ (этерификация) |
1 | |||
|
Фракционирование газов |
АГФУ |
2 | ||
|
ГФУ |
11 | |||
|
9 |
Перспективные: Подготовка и первичная переработка нефти |
Атмосферная перегонка нефтяного сырья (Перспективные) |
Трубчатые установки с использованием двух отбензиневающих колонн (АТ) |
1 |
|
10 |
Перспективные: Термогидрокаталитические (Гидрогенизационные) |
Гидрокрекинг (Перспективные) |
Глубокий гидрокрекинг остаточного сырья на неподвижном слое катализатора |
1 |
|
11 |
Перспективные: Термокаталитические процессы |
Каталитический крекинг (Перспективные) |
С ультракоротким временем контакта (миллисеконд) |
2 |
|
Этапы переработки нефти |
Установки/процессы |
Технологии |
|
Подготовка и первичная переработка нефти |
ЭЛОУ |
Одноступенчатая, двухступенчатая, Трехступенчатая |
|
Установка атмосферной - перегонки нефтяного сырья (нефти, газового конденсата, их смесей) |
Атмосферные трубчатые установки по перегонке нефти (газового конденсата) без отбензиневающей колонны - (АТ) | |
|
Атмосферные трубчатые установки по перегонке нефти (газового конденсата) с использованием отбензиневающей колонны - (АТ) | ||
|
Установка вакуумной перегонки нефтяного сырья (нефти, газового конденсата, их смесей) |
Вакуумные установки по перегонке мазута (ВТ) с технологией получения вакуума за счет водяного пара | |
|
Вакуумные установки по перегонке мазута (ВТ) с технологией получения вакуума на основе гидроциркулляционных вакуумсоздающих систем. | ||
|
Установка атмосферно-вакуумной перегонки нефтяного сырья (нефти, газового конденсата, их смесей |
Атмосферно-вакуумные установки по перегонке нефти (газового конденсата), (АВТ) | |
|
Комплексные установки атмосферно-вакуумной перегонки нефти (газового конденсата), (ЭЛОУ-АВТ) | ||
|
Подготовка и первичная переработка нефти |
Установка атмосферно-вакуумной перегонки нефтяного сырья (нефти, газового конденсата, их смесей |
Комплексные установки атмосферно-вакуумной перегонки нефти (газового конденсата) с блоком вторичной перегонки дистиллятных фракций, |
|
Установки вторичной перегонки дистиллятов |
Технологии вторичной перегонки бензинов. Технологии вторичной перегонки дизельных фракций | |
|
Термические процессы |
Установки термического крекинга, висбрекинга |
Технология термокрекинга под давлением (Двухпечной глубокий термический крекинг тяжелого дистиллятного или остаточного сырья) |
|
Технология печного висбрекинга | ||
|
Технология печного висбрекинга с сокинг камерой | ||
|
Технология производства нефтяного пека (термический крекинг тяжелого дистиллятного или остаточного сырья при низком давлении) | ||
|
Технология производства ТУ (высокотемпературный термокрекинг тяжелого высокоароматического сырья при низком давлении) | ||
|
Коксование |
Технология замедленного коксования в необогреваемых коксовых камерах | |
|
Технология прокаливания кокса | ||
|
Производство битумов |
Технология окисления в кубах | |
|
Технология производства битумов в окислительных колоннах | ||
|
Термокаталитические процессы |
Каталитический риформинг |
Технология со стационарным слоем катализатора |
|
Технология с движущимся слоем регенерируемого катализатора (вертикальное расположение реакторов) | ||
|
Технология с движущимся слоем катализатора и регенерацией (одноуровневое размещение последовательно расположенных реакторов) | ||
|
Технология каталитического риформинга со стационарным слоем катализатора для производства ароматических углеводородов | ||
|
Изомеризация легких углеводородных фракций (С4 - С6) |
Высокотемпературная изомеризация на алюмоплатиновых катализаторах, промотированных хлором (фтором) | |
|
Среднетемпературная на цеолитных катализаторах | ||
|
Низкотемпературная на хлорированных (фторированных) алюмоплатиновых катализаторах | ||
|
Низкотемпературная на оксидных катализаторах с сульфатированным оксидом циркония | ||
|
Каталитический крекинг |
С движущимся слоем катализатора | |
|
С лифт реактором | ||
|
Термогидрокаталитические (Гидрогенизационные) процессы |
Гидрогенизационные процессы (кроме гидрокрекинга) |
ГО бензина (предгидроочистка сырья установок изомеризации и/или каталитического риформинга); |
|
ГО керосина; | ||
|
ГО дизельного топлива; | ||
|
Гидродепарафинизация дизельного топлива | ||
|
Гидродеароматизация дизельного топлива | ||
|
ГО вакуумного газойля | ||
|
ГО бензина каталитического крекинга | ||
|
Гидродоочистка депарафинированных масел | ||
|
Гидродоочистка рафината | ||
|
Гидродоочистка парафина | ||
|
Гидрирование дистиллятов вторичного происхождения (бензиновых, керосиновых и дизельных фракций) | ||
|
Гидрирование (деароматизация) масляного сырья | ||
|
Гидрокрекинг |
Легкий гидрокрекинг вакуумных дистиллятов (давление до 10 МПа) | |
|
Легкий гидрокрекинг - депарафинизация масляных фракций (давление до 10 МПа) | ||
|
Легкий гидрокрекинг - гидроизомеризация парафина, гача, петролатума, масляных дистиллятов, фильтрат обезмасливания (давление до 10 МПа) | ||
|
Глубокий одноступенчатый гидрокрекинг вакуумных дистиллятов (давление более 10 МПа) | ||
|
Глубокий двухступенчатый гидрокрекинг вакуумных дистиллятов (давление более 10 МПа) | ||
|
Глубокий гидрокрекинг вакуумного газойля и остаточного сырья в трехфазном слое | ||
|
Переработка нефтезаводских газов |
Установки осушки нефтезаводских газов |
Технология осушки с использованием жидких гликолей. Технология осушки с использованием твердых поглотителей |
|
Установки очистки нефтезаводских газов |
Технология очистки с использованием МЭА, МДЭА, ДЭА | |
|
Технология регенерации амина | ||
|
Установки фракционирования газов |
Технология ГФУ. Технология АГФУ | |
|
Алкилирование |
Сернокислотное | |
|
Фтористоводородное | ||
|
Установка полимеризации пропилена (олигомеризация) с получением топливной фракции |
Технология олигомеризации олефинов на кизельгуре, пропитанном фосфорной кислотой | |
|
Технология олигомеризации олефинов на кварцевом песке с пленкой жидкой фосфорной кислоты | ||
|
Переработка нефтезаводских газов |
Установки производства оксигенатов |
Технология производства ТАМЭ (этерификация) |
|
Технология производства МТБЭ (этерификация) | ||
|
Переработка сероводорода |
Производство серы комовой. Гранулированной, коллоидной, пластинчатой (чешуйчатой) | |
|
Производство серной кислоты контактным способом. Производство серной кислоты из влажных газов (процесс WSA) | ||
|
Установки производства водорода |
Технология производства водорода паровой каталитической конверсией углеводородов | |
|
Производство нефтяных товарных смазочных масел |
Деасфальтизация остатков растворителями |
Деасфальтизация остатков пропаном. Деасфальтизация остатков бутаном |
|
Селективная очистка масляного сырья |
Селективная очистка масляного сырья фенолом, фурфуролом, N-метил пирролидоном | |
|
Депарафинизация рафината селективной очистки |
Низкотемпературная депарафинизация рафината селективной очистки в кетон-толуольном растворе | |
|
Депарафинизация в растворе пропана | ||
|
Депарафинизация в растворе дихлорэтан-метиленхлорид | ||
|
Обезмасливание гача в кетон-толуольном растворе", применяемая для производства парафина | ||
|
Производство нефтяных товарных смазочных масел |
Адсорбционная очистка базовых масел |
Технологии непрерывной адсорбционной очистки масляного сырья |
|
Технология контактной доочистки базовых масел | ||
|
Кислотная и щелочная очистка масел | ||
|
Вспомогательные процессы и установки |
Энергоснабжение НПЗ |
Теплоснабжение (котельная) |
|
Топливоснабжение | ||
|
Системы охлаждения |
Системы очистки охл. воды и дозирования реагентов ОС | |
|
Охлаждающие устройства (градирни, башни) | ||
|
Водоснабжение |
Установка подготовки воды из водозабора | |
|
Канализация и очистные сооружения |
Технологии очистки сточных вод | |
|
Факельные установки |
Сжигание на факеле | |
|
Общеобъектовые системы очистки выбросов |
Очистка выбросов | |
|
Утилизация отходов |
Установка сжигания отходов | |
|
Установка отпарки кислых стоков | ||
|
Установка переработки отходов | ||
|
Объект размещения отходов | ||
|
Технология утилизации кислого гудрона | ||
|
Товарно-сырьевой парк |
Резервуары хранения нефти и нефтепродуктов | |
|
Системы слива и налива сырья и товарных продуктов | ||
|
Технология пропарки и подготовки цистерн |
1.3 Основные экологические проблемы нефтеперерабатывающих заводов
Экологические проблемы НПЗ обусловлены тем, что эти промышленные объекты состоят из большого числа процессов, связанных огромными количествами сырья и готовой продукции, они также являются интенсивными потребителями энергии и воды, используемыми в ходе выполнения процесса. При операциях хранения сырья и продукции, в процессах переработки на НПЗ происходят воздействия на атмосферу, воду и почву. Управление природоохранной деятельностью - один из основных факторов для поддержание экологической безопасностью на НПЗ. Нефтеперерабатывающая промышленность России за многие годы существования выработала подходы к обеспечению экологической безопасности производства, в результате чего сократились воздействия на окружающую среду, а также потребление ресурсов и энергии на тонну перерабатываемой нефти, и снижение продолжается.
Изменения в составе нефти могут влиять на состав выбросов, сбросов и отходов процессов нефтепереработки. Это влияние считается незначительным, так как большинство технологических процессов рассчитаны на эти колебания в составе перерабатываемых материальных потоков.
Судя по ответам на вопросы анкеты, крупные российские НПЗ проводят экологическую политику "на конце трубы", прилагая усилия к минимизации природоохранного ущерба от своей деятельности. Почти у всех ответивших на анкету НПЗ есть установки по переработке и утилизации сернистых соединений. Это важно для России, поскольку на большинство заводов идет смесь разных нефтей с высоким содержанием серы. Так, у "ЛУКОЙЛ - Нижегороднефтеоргсинтез" есть установки производства элементарной серы, серной кислоты, регенерации отработанной серной кислоты, нейтрализации сернисто-щелочных стоков и блок регенерации сульфидсодержащих стоков. На Рязанском НПЗ для этих целей имеются установки СКУ WSA-1, WSA-2 и РСК.
Если раньше мало кто из российских НПЗ мог похвастаться наличием современных установок, необходимых для выпуска качественных и, главное, экологичных нефтепродуктов, то сейчас это технологическое отставание преодолевается. На "Ярославнефтеоргсинтезе" появились установки гидрокрекинга, производства водорода, риформинга с непрерывной регенерацией катализатора, блок висбрекинга, установка вакуумной перегонки мазута. "Новокуйбышевский НПЗ" имеет новые установки каталитического риформинга с непрерывной регенерацией катализатора, низкотемпературную изомеризацию ПГИ-ДИГ. У ЛУКОЙЛа в "Нижегороднефтеоргсинтезе" есть установка изомеризации, в "Пермнефтеоргсинтезе" - гидрокрекинга и компримирования водородосодержащего газа, в "Волгограднефтепереработке" - гидроочистки дизельного топлива, изомеризации, гидроизодепарафинизации. На Саратовском НПЗ имеется секция висбрекинга, установка ЭЛОУ-АВТ-6, на Рязанском НПЗ - установка гидроочистки вакуумного газойля, каткрекинга, алкилирования, производства серной кислоты и водорода, на Куйбышевском НПЗ - установки легкого гидрокрекинга вакуумного газойля, измеризации, производства водорода с блоком КЦА, блок выделения бензолосодержащей фракции на установке риформинга, на Новокуйбышевском НПЗ имеется установка по производству серной кислоты методом мокрого катализа мощностью 100 тыс., а так же введен блок очистки кислых стоков на установке замедленного коксования. Поскольку российские НПЗ отличаются высокой энергоемкостью, меры по экономии энергии дадут им экономический и экологический выигрыш. "Киришинефтеоргсинтез", например, внедряет частотное регулирование на электрических приводах технологического оборудования, обновляет физически и морально изношенную "электрику", закупает надежную и экономичную технику.
Не менее актуальный вопрос - снижение выбросов парниковых газов. Для этого Саратовский НПЗ уменьшает долю жидкого топлива в тепловом балансе предприятия и максимально использует заводской газ на производственные нужды. ЛУКОЙЛ - "Ухтанефтепереработка" снизила выбросы на 0, 07 тыс.т. за счет ввода в эксплуатацию объекта "Автоналив светлых нефтепродуктов". В Рязани для сокращения содержания NОx на установке WSA-1 применяется процесс Denox. Процесс Denox направлен на удаление оксидов азота из выбросов отходящих газов. НПЗ опасны для природы из-за возможных разливов нефтепродуктов, поэтому необходимы мероприятия по их предотвращению. Для этого в Перми проводятся ежегодные учения по ликвидации разливов и ежемесячные тренировки, диагностика трубопроводов, вынос трубопроводов на поверхность. В Саратове - обследование герметичности резервуаров, строительство отсечного дренажа, ликвидация нефтеамбаров и шламонакопителей, техническая рекультивация загрязненной почвы.
1.3.1 Выбросы в атмосферу
Статистические данные по количеству выбросов промышленностью показывают, что нефтепереработка ответственна за значительную долю загрязнения атмосферы - 11%, особенно это относится к оксидам серы. Некоторые данные за 2007 год были опубликованы WWF* по выбросам в атмосферу загрязняющих веществ и другим видам воздействий, приведены в таблицах 1.6, 1.7, 1.10, 1.12, 1.15.
|
Выбросы в атмосферу NOx | |||
|
NOx тыс. т. |
Первичная переработка нефтяного сырья, тыс. т |
Удельный показатель, т/тыс.т сырья | |
|
АО "Антипинский НПЗ" |
0, 010308632 |
3 000 000 |
0, 0000034 |
|
ООО "Афипский НПЗ" |
0, 0228 |
2 511 400 |
0, 0000091 |
|
ООО "ПО "Киришинефтеоргсинтез" |
1, 77 |
20 108 600 |
0, 0000880 |
|
ООО "ЛУКОЙЛ-Волгограднефтепереработка" |
1, 326 |
9 589 200 |
0, 0001383 |
|
ООО "ЛУКОЙЛ-Нижегороднефтеоргсинтез" |
0, 808 |
14 255 900 |
0, 0000567 |
|
ООО "ЛУКОЙЛ-Пермнефтеоргсинтез" |
0, 87 |
11 849 400 |
0, 0000734 |
|
ООО "ЛУКОЙЛ-Ухтанефтепереработка" |
0, 122 |
3 561 900 |
0, 0000343 |
|
ООО "Нижневартовское нефтеперерабатывающее объединение" |
0, 185 |
4 000 000 |
0, 0000463 |
|
ЗАО "Петросах" |
0, 062 |
200 000 |
0, 0003100 |
|
ЗАО "Рязанский НПЗ" |
2, 69 |
14 564 800 |
0, 0001847 |
|
ПАО "Саратовский НПЗ" |
0, 732 |
6 100 000 |
0, 0001240 |
|
ОАО "Славнефть-Ярославнефтеоргсинтез" |
1, 301 |
12 577 100 |
0, 0001034 |
|
Выбросы в атмосферу SOx | |||
|
тонн SOx |
первичная переработка нефтяного сырья тыс. т |
Удельный показатель, т/тыс.т сырья | |
|
АО "Антипинский НПЗ" |
0, 000022579 |
3 000 000 |
0, 000008 |
|
ООО "Афипский НПЗ" |
0, 0000401 |
2 511 400 |
0, 000016 |
|
ООО "ПО "Киришинефтеоргсинтез" |
8, 69 |
20 108 600 |
0, 432153 |
|
ООО "ЛУКОЙЛ-Волгограднефтепереработка" |
2, 016 |
9 589 200 |
0, 210237 |
|
ООО "ЛУКОЙЛ-Нижегороднефтеоргсинтез" |
5, 124 |
14 255 900 |
0, 359430 |
|
ООО "ЛУКОЙЛ-Пермнефтеоргсинтез" |
1, 54 |
11 849 400 |
0, 129964 |
|
ООО "ЛУКОЙЛ-Ухтанефтепереработка" |
0, 087 |
3 561 900 |
0, 024425 |
|
ООО "Нижневартовское нефтеперерабатывающее объединение" |
0, 0012 |
4 000 000 |
0, 000300 |
|
ЗАО "Петросах" |
0, 009 |
200 000 |
0, 045000 |
|
ЗАО "Рязанский НПЗ" |
9, 59 |
14 564 800 |
0, 658437 |
|
ПАО "Саратовский НПЗ" |
2, 07 |
6 100 000 |
0, 350723 |
|
ОАО "Славнефть-Ярославнефтеоргсинтез" |
4, 285 |
12 577 100 |
0, 340699 |
Электростанции, котлы, обогреватели и каталитический крекинг являются основными источниками выбросов окиси и двуокиси углерода, оксидов азота (NOx), твердых частиц и оксидов серы (SOx) в атмосферу.
Процессы нефтепереработки требуют больших затрат энергии; обычно более 60% выбросов в атмосферу НПЗ связано с производством энергии для различных процессов. Установки производства серы также вносят вклад в эти выбросы. Замена катализаторов и коксование приводят к выбросу твердых частиц. Летучие органические соединения (ЛОС) выделяются при хранении и перевалке нефти и нефтепродуктов, очистными сооружениями заводов; выделяются также неорганизованные выбросы от фланцев, клапанов, уплотнений и дренажных отверстий. Другие выбросы в атмосферу: H2S (сероводород), NH3 (аммиак), БТК (бензол-толуол-ксилол), CS2 (сероуглерод), COS (сульфид крбонила), HF (фтороводород) и металлы (V, Ni и другие) в качестве компонентов твердых частиц в выбросах. Таблица 1.8 дает очень краткий обзор основных загрязняющих веществ, выбрасываемых типичными НПЗ, и их основные источники.
|
Основные загрязнители воздуха |
Основные источники |
|
Диоксид углерода |
Технологические печи, котлы, газовые турбины Регенераторы установок ФКК (флюид каталитический крекинг) Котлы СО Факельные системы Печи для сжигания отходов Заводы СУГ разделения CO2 |
|
Окись углерода |
Технологические печи и котлы Регенераторы установок ФКК Котлы СО Установки производства серы Факельные системы Печи для сжигания отходов |
|
Оксиды азота (NOx) |
Технологические печи, котлы, газовые турбины Регенераторы установок ФКК Установка прокалки нефтяного кокса Котлы СО Печи для сжигания отходов Факельные системы |
|
Закись азота |
Регенераторы установок ФКК |
|
Твердые частицы (включая металлы) |
Технологические печи и котлы, особенно при сжигании жидкого нефтезаводского топлива Регенераторы установок ФКК Котлы СО Установки коксования Печи для сжигания отходов |
|
Оксиды серы |
Технологические печи, котлы, газовые турбины Регенераторы установок ФКК Котлы СО Установки производства серы Факельные системы Печи для сжигания отходов |
|
Летучие органические соединения (ЛОС) |
Объекты для хранений и обработки Установки сепарации газов Системы разделения нефтепродукта/воды Неконтролируемые выбросы (клапаны, фланцы и т.д.) Выпускные отверстия Факельные системы |
Углекислый газ (CO2) считается парниковым газом, который находится в фокусе дискуссии о глобальном изменении климата. Основной источник выбросов CO2 - это производство энергии. Со времени первого нефтяного кризиса в 1973 году нефтеперерабатывающие заводы предприняли совместные усилия для повышения энергоэффективности. Несмотря на эти меры энергосбережения, спрос энергии на НПЗ увеличился из-за ужесточения технических характеристик готового продукта и с постепенным переходом от производства тяжелого топлива к топливу для транспорта.
Окись углерода (СО) всегда выступает как промежуточный продукт процессов сгорания, в частности, при нестехиометрических условиях горения. Тем не менее, отношение выбросов CO с нефтеперерабатывающих заводов не очень высокое по сравнению с CO2.
Оксиды азота (NOx) при попадании в атмосферу могут соединяться с водой и стать частью "кислотных дождей". Кроме того, NOx в сочетании с летучими органическими соединениями и солнечным светом могут привести к образованию приземного озона. Источниками NOx в основном являются процессы горения; при сгорании топлива азот преобразуется в смесь NO2 и NO. Условия горения играют здесь важную роль. N2O (веселящий газ) является мощным парниковым газом, который также способствует разрушению стратосферного озона.
Выбросы твердых частиц вызваны сжиганием жидкого топлива, другим важным источником является установка каталитического крекинга - процессы регенерации катализатора. Частицы, содержащие токсические вещества (например, тяжелые металлы и полициклические ароматические углеводороды), представляют особый интерес в контексте экологичности процессов нефтепереработки.
Оксид серы (SO2) при выделении в атмосферу может соединяться с атмосферной влагой и образовывать сернистую кислоту - компонент "кислотных дождей". Основной источник выбросов SO2 в нефтепереработке - нагрев сырья и технологических потоков за счет сжигания топлива собственного производства. При сжигании сера топлива преобразуется в SO2. При недостаточной мощности процессов извлечения из технологических потоков и утилизации серы существует прямая связь между содержанием серы в сырье и выбросами с дымовыми газами диоксида серы. Содержание серы в топливе нефтепереработки - это точный баланс между потребностью в нагреве потоков, содержанием серы в сырье, ограничениями выбросов и экономической целесообразностью. Другой источник образования диоксида серы - газы с установок производства серы и серной кислоты. Ввиду неполного окисления на катализаторе либо неполного извлечения из продуктов реакции часть сернистых соединений остается в дымовых газах, выходящих с установок производства серы, серной кислоты.
Летучие органические соединения (ЛОС) могут вступать в реакцию с NOx в присутствии солнечного света, формируя низкоуровневый озон. Кроме того, выбросы летучих органических веществ могут привести к проблемам, связанным с запахами, которые вызывают жалобы со стороны жителей близлежащих районов. Источником выбросов ЛОС являются испарение и утечка углеводородных фракций, потенциально связанных со всей деятельностью переработки, например, неорганизованные выбросы от оборудования, работающего под давлением на технологических установках, при хранении и распределении потерь и от испарений при очистке сточных вод. Углеводороды могут также выходить при неоптимальных условиях горения, но это лишь небольшой вклад.
По результатам анкетирования были обработаны данные по суммарным выбросам отдельных нормируемых веществ для российских НПЗ (рисунок 1.18). Анализ показал, что к основным загрязнителям, которые будут считаться маркерными веществами, можно отнести 12 из общего числа, вносящих максимальный вклад в загрязнение атмосферы. Валовый выброс этих веществ представлен в таблице 1.9.
|
Вещества |
Валовый выброс, т/год |
|
Серы диоксид |
19908, 25 |
|
Углеводороды предельные C1 - C-5 (исключая метан) |
11928, 014 |
|
Азота диоксид |
6917, 9 |
|
Углеводороды предельные C6 - C10 |
6528, 9 |
|
Углерода оксид |
5565, 26 |
|
Азота оксид |
1806, 3 |
|
Пыль неорганическая с содержанием кремния менее 20, 20 - 70, а также более 70 процентов |
890, 35 |
|
Метан |
849, 2 |
|
Углеводороды предельные C12 - C-19 |
759, 64 |
|
Амилены (смесь изомеров) |
674, 4 |
|
Углерода диоксид |
543, 36 |

Рисунок 1.18 - Суммарные сбросы загрязняющих сточные воды веществ
1.3.2 Сбросы в водные объекты
НПЗ потребляют воду на постоянной основе для поддержания водного баланса пара, охлаждающей воды, воды системы энергоснабжения и схем подачи противопожарной воды. Вода также применяется для использования в операциях технологического и технического обслуживания оборудования.
Некоторые данные по количеству используемой на НПЗ воды приведены в обзоре WWF.
|
Общее количество забираемой воды | |||
|
тыс. куб. м. |
Первичная переработка нефтяного сырья, тыс. т |
Удельный показатель, куб. м/тыс.т | |
|
АО "Антипинский НПЗ" |
4, 5 |
3 000 000 |
0, 0015 |
|
ООО "Афипский НПЗ" |
1542, 8 |
2 511 400 |
0, 6100 |
|
ООО "ПО "Киришинефтеоргсинтез" |
- |
20 108 600 |
- |
|
ООО "ЛУКОЙЛ-Волгограднефтепереработка" |
7 798, 4 |
9 589 200 |
0, 8100 |
|
ООО "ЛУКОЙЛ-Нижегороднефтеоргсинтез" |
451, 9 |
14 255 900 |
0, 0300 |
|
ООО "ЛУКОЙЛ-Пермнефтеоргсинтез" |
25 733 |
11 849 400 |
2, 1700 |
|
ООО "ЛУКОЙЛ-Ухтанефтепереработка" |
- |
3 561 900 |
- |
|
ООО "Нижневартовское нефтеперерабатывающее объединение" |
61, 6 |
4 000 000 |
0, 0200 |
|
ЗАО "Петросах" |
425, 8 |
200 000 |
2, 1300 |
|
ЗАО "Рязанский НПЗ" |
32 417 |
14 564 800 |
2, 2300 |
|
ПАО "Саратовский НПЗ" |
3162, 66 |
6 100 000 |
0, 4700 |
|
ОАО "Славнефть-Ярославнефтеоргсинтез" |
8 482 |
12 577 100 |
0, 6700 |
Из систем водоснабжения заводов существуют следующие потери за счет пара и контуров охлаждающей воды:
а) конденсатом продувки;
б) потребляемым паром;
в) испарением;
г) продувкой охлаждающей водой и протечкой из контура.
Потери от пожарных схем водоснабжения могут включать в себя плановые продувки, воду, используемую для тестирования и/или применения аварийного противопожарного оборудования, и утечки из контура. Часть потребляемого пара, который вводится в системы переработки, вступает в непосредственный контакт с различными фракциями углеводородов и веществами. Получаемые конденсаты подлежат сепарации и очистке, например, в отпарной колонне для извлечения сероводорода (H2S) и аммиака (NH3) из воды. Затем очищенная вода может быть использована для других процессов переработки, таких, как обессоливание нефти или водная промывка технологических потоков.
Вода, используемая для технологических целей, таких, как обессоливание нефти или промывка, будет вступать в непосредственный контакт с нефтью или другими фракциями углеводородов и соединениями. Промывочная вода и/или пар, используемые для очистки и в системах продувки для работ по техническому обслуживанию, могут также быть источником сточных вод.
Другие источники сточных вод включают следующее:
а) вода из резервуаров сырой нефти и продуктов;
б) ливневые стоки, вода системы энергообеспечения, паровой конденсат и/или вода для пожаротушения, вода, которая контактирует с сырой нефтью, промежуточными соединениями, готовыми продуктами, присадками, химикатами и/или смазочными маслами в пределах дренажной зоны;
в) вода с установок сепарации нефтешламов;
г) вода из дренажных систем территории НПЗ;
д) вода, сбрасываемая при периодической проверке резервуаров и герметичности трубопроводных соединений и работах пассивирования металлов;
е) вода после санитарного использования.
Атмосферная вода с технологических площадок также может контактировать с нефтью и различными фракциями углеводородов и другими веществами, например, в области погрузки и разгрузки для грузовых автомобилей, вагонов, в производственных зонах, которые включают оборудование, содержащее эти вещества, а также в зоне технического обслуживания.
Таким образом, НПЗ производит разнообразные потоки сточных вод, содержащих растворимые и нерастворимые вещества, которые становятся загрязнителями при сбросе в окружающую среду. Технологии очистки сточных вод направлены на сокращение количества загрязняющих веществ перед сбросом в водоемы или на рельеф.
Основные характеристики загрязняющих веществ включают:
а) общее содержание нефтепродуктов;
б) биохимическую потребность в кислороде (БПК);
в) химическую потребность в кислороде (ХПК);
г) аммиачный азот, общее содержание азота;
д) общее содержание взвешенных частиц;
е) общее содержание ионов металлов.
ж) общий органический углерод;
з) фенолы;
и) фосфаты;
к) сульфиды и другие микрозагрязнители.
В Таблице 1.11 приведена краткая информация о некоторых основных загрязнителях воды и их источников на НПЗ.
Методы очистки сточных вод НПЗ - это разработанные технологии, поэтому в настоящее время акцент сместился на предотвращение и сокращение загрязненных потоков сточных вод, направляемых на установки доочистки.
Некоторые данные по сточным водам приведено в обзоре WWF*.
|
Загрязнитель воды |
Источник |
|
Нефтепродукт |
Установки дистилляции, гидроочистки, висбрекинга, каталитического крекинга, гидрокрекинга, производство смазочных масел, отработанная щелочь, коммунальные стоки (дождевые) |
|
H2S (RSH) |
Установки дистилляции, гидроочистки, висбрекинга, каталитического крекинга, гидрокрекинга, производства масел, отработанная щелочь |
|
NH3 (NH4+) |
Установки дистилляции, гидроочистки, висбрекинга, каталитического крекинга, гидрокрекинга, производства масел, санитарные блоки |
|
Фенолы |
Установки дистилляции, гидроочистки, висбрекинга, каталитического крекинга, отработанная щелочь, балластная вода |
|
Органические химические соединения (БПК, ХПК, TOC) |
Установки дистилляции, гидроочистки, висбрекинга, каталитического крекинга, гидрокрекинга, смазочное масло, отработанная щелочь, коммунальные стоки (дождевые), санитарные блоки |
|
CN-, (CNS-) |
Установки висбрекинга, каталитического крекинга, отработанная щелочь |
|
ОВЧ |
Установки дистилляции, висбрекинга, каталитического крекинга, отработанная щелочь, санитарные блоки |
|
Аминовые соединения |
Удаление СО2 на заводах СУГ |
|
Общий объем жидких отходов |
Удельный показатель, т/тыс.т | ||
|
тыс. т |
первичная переработка нефтяного сырья тыс. т | ||
|
АО "Антипинский НПЗ" |
3, 192 |
3 000 000 |
0, 0010640 |
|
ООО "Афипский НПЗ" |
897, 500 |
2 511 400 |
0, 3573704 |
|
ООО "ПО "Киришинефтеоргсинтез" |
- |
20 108 600 |
- |
|
ООО "ЛУКОЙЛ-Волгограднефтепереработка" |
3 492, 500 |
9 589 200 |
0, 3642118 |
|
ООО "ЛУКОЙЛ-Нижегороднефтеоргсинтез" |
6 228, 600 |
14 255 900 |
0, 4369138 |
|
ООО "ЛУКОЙЛ-Пермнефтеоргсинтез" |
8 438, 400 |
11 849 400 |
0, 7121373 |
|
ООО "ЛУКОЙЛ-Ухтанефтепереработка" |
2 475, 000 |
3 561 900 |
0, 6948539 |
|
ООО "Нижневартовское нефтеперерабатывающее объединение" |
133, 300 |
4 000 000 |
0, 0333250 |
|
ЗАО "Петросах" |
35, 300 |
200 000 |
0, 1765000 |
По результатам анкетирования были обработаны данные по валовым сбросам нормируемых загрязняющих веществ для российских НПЗ.
Анализ показал, что к основным загрязнителям, которые будут считаться маркерными веществами, можно отнести 8 из общего числа, вносящих максимальный вклад в загрязнение гидросферы. Валовый сброс этих веществ представлен в таблице 1.13.
|
N |
Вещество |
Валовый сброс, т/год |
|
1 |
Сульфат-анион (сульфаты) |
6666, 38 |
|
2 |
Сухой остаток |
3505, 59 |
|
3 |
ХПК |
2796, 64 |
|
4 |
Хлорид-анион (хлориды) |
1098, 59 |
|
5 |
Аммоний-ион |
967, 13 |
|
6 |
Взвешенные вещества |
181, 74 |
|
7 |
Нитрат-анион |
145, 35 |
|
8 |
Нефтепродукты (нефть) |
118, 94 |
1.3.3 Образование отходов
Количество отходов, образующихся на заводах, мало, если сравнить его с количеством сырья и продуктов, которые перерабатываются. Отходы НПЗ обычно охватывают три категории материалов:
а) шламы, как нефтяные (например, осадок резервуаров), так и не нефтяные (например, из очистных сооружений),
б) другие отходы НПЗ, включающие различные жидкие, полужидкие или твердые отходы (например, загрязненные почвы, отработанные катализаторы процессов конверсии, нефтяные отходы, зола установок сжигания, отработанная щелочь, отработанная глина, отработанные химические вещества, кислый гудрон);
в) отходы не нефтепереработки, например, бытовые, отходы строительства и сноса.
Таблица 1.14 демонстрирует краткую информацию об основных типах твердых отходов, образуемых на НПЗ, и их источниках.
|
Тип отходов |
Категория |
Источник |
|
Нефтесодержащие материалы |
Нефтешламы |
Отстой резервуара, ил биоочистки, шлам сепараторов, шлам очистки сточных вод, загрязненные почвы |
|
Твердые материалы |
загрязненные почвы, остатки нефтяного разлива, фильтр кислой глины, остатки смол, фильтровальные материалы, уплотнения, изоляция | |
|
Не нефтяные материалы |
Отработанные катализаторы (за исключением драгметаллов) |
Катализатор Установки ФКК, катализатор гидрообессеривания/гидроочистки, катализатор установки полимеризации, катализатор глубокой переработки нефтяных остатков |
|
Другие материалы |
Смолы, шламы подпиточной воды котла, влагопоглотители и абсорбенты, нейтральный шлам с установки алкилирования, отходы с десульфуризации дымовых газов | |
|
Баки и резервуары |
Другие материалы |
Металл, стекло, пластик, краска |
|
Радиоактивные отходы (если используются) |
Катализаторы, отходы лаборатории | |
|
Продукты коррозии |
Налет свинцовых/несвинцовых труб | |
|
Строительный/городской мусор |
Металлический скрап, бетон, асфальт, строительный грунт, асбест, минеральные волокна, пластмасса/лесоматериал | |
|
Отработанные химические вещества |
Химлаборатория, щелочь, кислота, присадки, углекислый натрий, растворители, МЭА/ДЭА (моно-/диэтанол амин) | |
|
Пирофорные отложения |
Отложения в баках/технологических установках | |
|
Смешанные отходы |
Бытовые, растительные отходы | |
|
Отработанное масло |
Смазочное масло, нефтяная эмульсия, масла трансформатора, уловленный нефтепродукт, моторное масло |
Нефть, оставшаяся в шламе или других видах отходов, является потерей продукта, и там, где это возможно, предпринимаются усилия для извлечения этой нефти. Тенденции образования отходов показывают, что образование нефтяного шлама уменьшается в основном за счет хозяйственных мероприятий, в то время как образование биологического ила возросло в результате роста использования биоочистки стоков НПЗ. Образование отработанного катализатора также возрастает за счет монтажа новых установок гидрокрекинга, установок гидроочистки и пылеуловителей на установках каталитического крекинга. Для всех этих категорий отходов возрастает доля привлечения подрядчиков для очистки и удаления за пределами площадки.
Некоторая информация по суммарному количеству твердых отходов НПЗ за 2007 год дана в обзоре WWF.
|
Общая масса твердых отходов |
Удельный показатель, т/тыс.т | ||
|
тыс. т |
первичная переработка нефтяного сырья тыс. т | ||
|
АО "Антипинский НПЗ" |
0, 000110022 |
3 000 000 |
0, 000000037 |
|
ООО "Афипский НПЗ" |
1, 3 |
2 511 400 |
0, 000517640 |
|
ООО "ПО "Киришинефтеоргсинтез" |
309, 342 |
20 108 600 |
0, 015383567 |
|
ООО "ЛУКОЙЛ-Волгограднефтепереработка" |
5, 713 |
9 589 200 |
0, 000595774 |
|
ООО "ЛУКОЙЛ-Нижегороднефтеоргсинтез" |
19, 945 |
14 255 900 |
0, 001399070 |
|
ООО "ЛУКОЙЛ-Пермнефтеоргсинтез" |
37, 2 |
11 849 400 |
0, 003139399 |
|
ООО "ЛУКОЙЛ-Ухтанефтепереработка" |
17, 65 |
3 561 900 |
0, 004955221 |
|
ООО "Нижневартовское нефтеперерабатывающее объединение" |
125, 831 |
4 000 000 |
0, 031457750 |
|
ЗАО "Петросах" |
0, 1 |
200 000 |
0, 000500000 |
|
ЗАО "Рязанский НПЗ" |
18, 359 |
14 564 800 |
0, 001260505 |
|
ПАО "Саратовский НПЗ" |
36, 017 |
6 100 000 |
0, 006102404 |
|
ОАО "Славнефть-Ярославнефтеоргсинтез" |
141, 155 |
12 577 100 |
0, 011223175 |
Анализ данных по отходам основных процессов нефтепереработки показал следующее количественное распределение (рисунок 1.19).

Рисунок 1.19 - Валовые показатели образования отходов предприятий нефтепереработки
Из приведенного графика видно, что основную долю отходов составляют нефтяные шламы зачистки оборудования и нефтеловушек, а также отработанная щелочь. Количественные данные приведены в таблице 1.16.
|
Код ФККО |
Отход |
Значение, т |
Класс опасности отхода |
|
91120002393 |
Шлам очистки емкостей и трубопроводов от нефти и нефтепродуктов. |
39618, 40 |
3 |
|
Аминовый шлам |
11778, 18 |
2 | |
|
40635001313 |
Всплывшие нефтепродукты из нефтеловушек и аналогичных сооружении |
10243 |
3 |
|
72220001394 |
Ил избыточный биологических очистных сооружений в смеси с осадком механической очистки хозяйственно-бытовых и смешанных сточных вод |
1171, 2 |
4 |
|
31230000000 |
Раствор отработанной щелочи |
533 |
3 |
|
44250501203 |
Коксовые массы отработанные, загрязненные нефтепродуктами (содержание нефтепродуктов 15% и более) |
473, 48 |
3 |
|
40611001313 |
Отходы минеральных масел |
51, 5 |
3 |
|
44100602493 |
Катализатор на основе оксида алюминия, содержащий алюмо-кобальт(никель)-молибденовую систему, отработанный |
48, 36 |
3 |
|
72310201393 |
Осадок механической очистки нефтесодержащих сточных вод |
32, 5 |
3 |
|
Шлам нефтеотделительных установок |
30 |
3 | |
|
72310201393 |
Осадок механической очистки нефтесодержащих сточных вод, содержащий нефтепродукты в количестве 15% и более |
20 |
3 |
|
30820000000 |
Отходы катализаторов и контактных масс - отработанный катализатор гидроочистки S-120 (идентичен ГО-70) |
18 |
4 |
|
91920102394 |
Песок, загрязненный нефтью или нефтепродуктами (содержание нефти 15 или нефтепродуктов менее %) |
17, 73 |
4 |
|
72330101393 |
Осадок (шлам) флотационной очистки нефтесодержащих сточных вод, содержащий нефтепродукты в количестве 15% и более |
12, 2 |
3 |
|
44250502204 |
Коксовые массы отработанные, загрязненные нефтепродуктами (содержание нефтепродуктов менее 15%) |
11, 79 |
4 |
|
72220111394 |
Ил избыточный биологических очистных сооружений в смеси с осадком механической очистки хозяйственно-бытовых и смешанных сточных вод |
10, 80 |
4 |
|
44210101495 |
Цеолит отработанный при осушке воздуха и газов |
9, 60 |
5 |
|
Отходы катализаторов и контактных масс-отработанный лицензионный пакет ф. Axens |
9 |
3 | |
|
44100102494 |
Катализатор на основе оксида алюминия с содержанием платины до 0, 3%, рения до 0, 3% отработанный |
8, 6 |
4 |
|
40613001313 |
Масло индустриальное отработанное |
6, 03 |
3 |
|
Грунт, загрязненный нефтью или нефтепродуктами (содержание нефти или нефтепродуктов менее 15%) |
5 |
4 | |
|
30820000000 |
Сорбент Ni-содержащий от процессов получения моторных топлив |
3, 83 |
2 |
|
29112000000 |
Отходы газового конденсата |
1, 60 | |
|
Отходы катализаторов и контактных масс - отработанный катализатор гидроочистки "Албемарле" (идентичен отработанной каталитической системе фирмы "Акзо-Нобель" - (кобальт-молибденовый)) |
1 |
3 | |
|
94110103104 |
Отходы растворов гидроксида натрия с рн = 9, 0 - 10, 0 при технических испытаниях и измерениях |
0, 04 |
4 |
1.3.4 Загрязнение почвы и грунтовых вод
Большинство НПЗ имеют области, которые загрязнены историческими потерями нефтепродуктов. Текущая практика НПЗ нацелена на предотвращение разливов и утечек в землю. В прошлом осведомленность о потенциальных рисках этих загрязненных территорий была низкой. Двумя основными вопросами здесь являются предотвращение новых разливов и ликвидация последствий прошлых загрязнений. В рамках данного документа рекультивация земли не входит в область рассмотрения.
Установка ЭЛОУ используется для удаления солей и воды из нефти перед подачей на переработку. Эффективное обессоливание позволяет значительно уменьшить коррозию технологического оборудования установок по переработке нефти, предотвратить дезактивацию катализаторов, улучшить качество топлив, нефтяного кокса, битумов и других продуктов.
Для разрушения водонефтяных эмульсий используют введение деэмульгаторов, которые, адсорбируясь на границе раздела, диспергируют и пептизируют природные эмульгаторы, тем самым снижая структурно-механическую прочность бронирующих слоев.
Наиболее широко в качестве деэмульгаторов используют поверхностно-активные вещества (ПАВ) - коллоиды (анионактивные, катионактивные, неиногоненные). Большое распространение получили неионогенные деэмульгаторы, из которых можно выделить водорастворимые (жидкие органические кислоты, алкилфенолы, органические спирты, блок-сополимеры этилен- и пропиленоксидов), нефтерастворимые (дипроксамин 157, оксафоры 1107 и 43, прохинор 2258, прогалит и водонефтерастворимые.
Для обессоливания нефти используют промывку пресной водой. При этом, как правило, подают до 1% свежей пресной воды и 4 - 5% рециркулирующей.
Число ступеней обессоливания нефти (1, 2 или 3) определяется свойствами исходной эмульсии и содержанием в ней солей. Чем больше ступеней в процессе обессоливания, тем меньше промывной воды требуется.
2.1.1 Одноступенчатая схема обессоливания
Нефть, в которую введены промывная вода, деэмульгатор и щелочь, прокачивается через теплообменник и пароподогреватель в электродегидратор. Обессоленная нефть проходит через теплообменник, холодильник и подается в резервуары обессоленной нефти. Вода, отделенная в электродегидраторах, направляется в нефтеотделитель для дополнительного отстоя. Уловленная нефть возвращается на прием сырьевого насоса, а вода сбрасывается в промышленную канализацию и передается на очистку.

Рисунок 2.1 - Принципиальная технологическая схема одноступенчатого процесса обессоливания нефти:
1 - теплообменники; 2 - подогреватели; 3 - отстойники термохимического обессоливания; 4 - электродегидратор 1 ступени; 5 - сборник обессоленной нефти
2.1.2 Двухступенчатая схема обессоливания
Нефть, в которую введены промывная вода, деэмульгатор и щелочь, насосом прокачивается через теплообменник и пароподогреватель в электродегидратор первой ступени. Здесь удаляется основная масса воды и солей (содержание их снижается в 8 - 10 раз). Из электродегидратора первой ступени нефть поступает в электродегидратор второй ступени для повторной обработки. Перед этим в нефть вновь подается вода.

Рисунок 2.2 - Принципиальная технологическая схема двухступенчатого процесса обессоливания нефти при противоточной заливке проточной воды:
Н-1 - насос сырой нефти; Н-2 - насос подачи воды; Н-3 - насос подачи деэмульгатора;
Т-4, Т-5, Т-6 - теплообменники нагрева С-1 - смесительные клапаны; Е-18 - емкость отстоя дренажной воды; Э - электродегидраторы.
2.1.3 Трехступенчатая схема обессоливания
Сырая нефть насосом прокачивается через теплообменники и паровые подогреватели, после чего поступает в электродегидраторы I-ой ступени. Для увеличения эффективности процесса обессоливания и обезвоживания перед сырьевым насосом в нефть вводится деэмульгатор, а после подогревателей - 1÷2% раствор щелочи. Кроме этого, в нефть добавляется отстоявшаяся вода, которая отводится из электродегидратора III ступени и закачивается в инжекторный смеситель.
Нефть поступает в низ электродегидратора, выводится сверху через коллектор. Благодаря такому расположению устройств ввода и вывода нефти обеспечивается равномерность потока по всему сечению аппарата.
Из электродегидратора I ступени нефть направляется на II, а затем и на III ступень. При этом перед каждым электродегидратором в нефть вновь подается вода. Свежая вода подается только на III ступень.

Рисунок 2.3 - Принципиальная технологическая схема трехступенчатого процесса обессоливания нефти при противоточной заливке проточной воды
Продуктом установки ЭЛОУ является обессоленная и обезвоженная нефть (~98% масс.), содержащая 3 - 4 мг/л солей и до 0, 1% масс. воды.
Назначение технологического процесса
Перегонка нефти - процесс разделения ее на фракции по температурам кипения - лежит в основе переработки нефти и получения при этом моторного топлива, смазочных масел и различных других ценных химических продуктов.
Для разделения нефти на ряд компонентов требуется выполнить несколько основных условий: необходимо нефть нагреть до температуры, обеспечивающей не только нагрев, но и испарение части нефти, т.е. произвести ее однократное испарение, утилизировать тепло выработанных продуктов, нагревая ими сырую нефть. С этой целью используются: трубчатые нагревательные печи, теплообменные аппараты и ректификационные колонны.
Перегонку нефти на атмосферных установках АТ можно осуществлять несколькими способами:
1) Однократным испарением в трубчатой печи и разделением отгона в одной ректификационной колонне. Такая технологическая схема перегонки нефти, как правило, применима для нефтей с низким содержанием светлых нефтепродуктов и незначительным содержанием растворенного углеводородного газа, а также сероводорода.
2) Двухкратным испарением и разделением в двух ректификационных колоннах - в колонне предварительного испарения с отделением легких бензиновых фракций и в основной колонне. При этом понижается общее давление в системе и давление в основной ректификационной колонне, в результате чего происходит более полное отделение светлых нефтепродуктов из нефти и более четкое разделение их в колонне. При работе по этой схеме требуется более высокая температура нагрева в печи по сравнению со схемой однократного испарения вследствие раздельного испарения легкокипящих и более тяжелых фракций. Все современные установки АТ в основном работают по схеме двухкратного испарения.
Основные продукты атмосферной перегонки нефтяного сырья
Основные фракции, выделяемые при первичной атмосферной перегонке нефти:
Бензиновая фракция - нефтяной погон с температурой кипения от н.к. (начала кипения, индивидуального для каждой нефти) до 150 - 205°С (в зависимости от технологической цели получения авто-, авиа-, или другого специального бензина).
Эта фракция представляет собой смесь алканов, нафтенов и ароматических углеводородов. Во всех этих углеводородах содержится от 5 до 10 атомов С.
Керосиновая фракция - нефтяной погон с температурой кипения от 150 - 180°С до 270 - 280°С. В этой фракции содержатся углеводороды С10 - С15.
Используется в качестве моторного топлива (тракторный керосин, компонент дизельного топлива), для бытовых нужд (осветительный керосин) и др.
Дизельная (газойлевая) фракция - температура кипения от 270 - 280°С до 320 - 350°С. В этой фракции содержатся углеводороды С14 - С20. Используется в качестве дизельного топлива.
Мазут - остаток после отгона вышеперечисленных фракций с температурой кипения выше 320 - 350°С.
Мазут может использоваться как котельное топливо или подвергаться дальнейшей переработке - либо перегонке при пониженном давлении (в вакууме) с отбором масляных фракций или широкой фракции вакуумного газойля (в свою очередь, служащего сырьем для каталитического крекинга с целью получения высокооктанового компонента бензина), либо крекингу.
2.2.1 Атмосферные трубчатые установки по перегонке нефти (газового конденсата) без отбензинивающей колонны - (АТ)
Схема установки одноколонной АТ приведена на рисунке 2.4.

Нефть из промежуточного парка или непосредственно с установки ЭЛОУ забирается сырьевым насосом и пропускается через теплообменники и трубчатую печь в ректификационную колонну. В зоне ввода сырья в колонну происходит однократное испарение нефти. Пары нефти затем разделяют ректификацией на целевые фракции, а из жидкости также с применением процесса ректификации удаляют легкокипящие фракции.
Продуктами установки являются:
а) углеводородные газы С1 - С4, содержащие сероводород, направляются на очистку и разделение;
б) широкая бензиновая фракция нк - 150°С направляется на гидроочистку и разделение на узкие фракции для дальнейшей переработки;
в) керосиновая фракция 150 - 250°С направляется в узел смешения;
г) дизельная фракция 250 - 360°С направляется на гидроочистку;
д) мазут (остаток > 360°С) направляется на вакуумную перегонку или на вторичные процессы.
Материальный баланс установки АТ зависит от перерабатываемого сырья (потенциального содержания фракций в нефти/газовом конденсате). В таблице 2.1 приведен ориентировочный материальный баланс установки одноколонной АТ.
|
Наименование сырья, продукции |
Количество, % на сырье |
|
Сырье: | |
|
Нефть |
100, 00 |
|
Итого приход: |
100, 00 |
|
Продукция: | |
|
Углеводородный газ |
0, 05 |
|
Фракция НК-150°С |
11, 03 |
|
Фракция 150 - 250°С |
9, 70 |
|
Фракция 250 - 350°С |
12, 89 |
|
Мазут |
65, 86 |
|
Итого продукции: |
99, 53 |
|
Потери: |
0, 47 |
|
Итого расход: |
100, 00 |
2.2.2 Атмосферные трубчатые установки по перегонке нефти (газового конденсата) с использованием отбензинивающей колонны - (АТ)
Для нефтей с большим содержанием растворенного газа и низкокипящих фракций используют схему перегонки с двухкратным испарением нефти и двумя ректификационными колоннами. Схема установки приведена на рисунке 2.5.

Рисунок 2.5 - Схема установки двухколонной АТ
Установка атмосферной перегонки, двухколонная (по числу основных колонн: первая - простая, вторая - сложная, без учета внешних отпарных колонн) с двукратным испарением сырья. До поступления в первую ректификационную колонну, называемую также испарительной колонной, нефть нагревается только в теплообменниках, проходя в них одним, двумя или несколькими параллельными потоками. Верхним продуктом первой колонны являются легкая бензиновая фракция и небольшое количество газа. Остальные дистилляты, выводимые с установки, а также мазут получаются во второй колонне. Обе колонны обслуживаются общей трубчатой печью. Часть нижнего продукта испарительной колонны циркулирует между печью и первой колонной, этим достигается снабжение ее отгонной секции дополнительным количеством тепла. Последовательность прохождения нефтью теплообменников может быть и иной, чем показано на схеме.
Материальный баланс установки зависит от потенциального содержания светлых нефтепродуктов в нефти, от требуемого ассортимента их, а также от четкости фракционирования (приведен в таблице 2.2).
|
Ромашкинская нефть |
Самотлорская нефть |
Ромашкинская нефть |
Самотлорская нефть | ||
|
Поступило |
Получено | ||||
|
Нестабильная нефть |
100, 0 |
100, 0 |
Углеводородный газ |
1, 0 |
1, 1 |
|
Вода эмульсионная |
0, 1 |
0, 1 |
Бензиновая фракция НК-140°С |
12, 2 |
18, 5 |
|
Керосиновая фракция 140 - 240°С |
16, 3 |
17, 9 | |||
|
Дизельная фракция 240 - 350°С |
17, 0 |
20, 3 | |||
|
Мазут > 350°С |
52, 7 |
41, 4 | |||
|
Потери |
0, 9 |
0, 9 | |||
|
Итого |
100, 1 |
100, 1 |
Итого |
100, 1 |
100, 1 |
Основное назначение установки вакуумной перегонки мазута - получение легкого и тяжелого вакуумного газойля широкого фракционного состава (350 - 520°С), затемненной фракции, гудрон (при работе по топливному варианту). При переработке нефти по масляному варианту на блоках вакуумной перегонки получают несколько масляных фракций и гудрон.
Вакуумный газойль используется как сырье установок каталитического крекинга, гидрокрекинга или пиролиза и в некоторых случаях - термического крекинга с получением дистиллятного крекинг - остатка, направляемого далее на коксование с целью получения высококачественных нефтяных коксов.
2.3.1 Вакуумные установки по перегонке мазута (ВТ) с технологией получения вакуума за счет водяного пара
Наибольшее распространение в промышленности получили установки вакуумной перегонки, в которых разряжение создается за счет использования паровых эжекторов. Принципиальная схема такой установки приведена на рисунке 2.6.

Рисунок 2.6 - Принципиальная схема установки ВТ с паровой эжекцией
Сырье, нагнетаемое насосом 11, перед входом в вакуумную колонну 2 нагревается в теплообменниках 10 и 9 и в змеевике печи 1. Получаемые в колонне 2 верхняя и промежуточная фракции собираются соответственно в вакуумных приемниках 5 и 4. Верхняя фракция охлаждается в аппаратах 10 и 14 и насосом 13 направляется в сборник орошения 8. Отсюда насосом 12 часть этой фракции подается на верхнюю тарелку колонны (орошение), а остальное ее количество откачивается с установки в резервуар. Промежуточная фракция из приемника 4 охлаждается в холодильнике 16 и насосом 15 выводится с установки.
Нижняя (остаточная) фракция забирается с низа колонны 2 насосом 3, прокачивается через аппараты 9 и 17 и также отводится с установки.
Вакуум на установке создается двухступенчатым пароструйным эжектором 7 с межступенчатым конденсатором. К двухступенчатому эжектору подведен рабочий водяной пар абсолютным давлением 0, 8 - 1, 0 МПа.
Технологический режим:
|
Температура сырья, °С: | ||
|
после теплообменника 10 |
120 - 130 | |
|
после теплообменника 9 |
195 - 205 | |
|
при входе в колонну 2 |
345 - 35 | |
|
Остаточное давление (верх колонны), кПа |
8 - 10 | |
|
Давление сырья перед входом в змеевик печи, МПа |
0, 75 - 0, 85 |
Продукты, получаемые при вакуумной перегонке мазута, приведены в таблицах 2.3 и 2.4.
|
Наименование |
Фракции |
Выход в % масс. на нефть |
Использование полученного продукта |
|
Газойлевая фракция |
150 - 280°С |
0, 5 - 0, 8 |
Компонент дизельного топлива |
|
Легкий вакуумный газойль |
250 - 380°С |
2 - 4 |
Компонент дизельного, котельного и газотурбинного топлива |
|
Вакуумный газойль (или утяжеленный вакуумный газойль) |
300 - 500°С (350 - 550°С) |
20 - 25 (25 - 32) |
На гидроочистку и каталитический крекинг с получением ценных моторных топлив |
|
Гудрон |
Выше 500°С (550°С) |
12 - 15 (10 - 12) |
На коксование или висбкрекинг На получение битума, как компонент котельного топлива |
|
Наименование |
Фракции |
Выход в % масс. на нефть |
Использование полученного продукта |
|
Масляная фракция |
350 - 420°С |
8 - 12 |
На селективную очистку, депарафинизацию, гидроочистку с получением базовых дистиллятных масел |
|
Масляная фракция |
420 - 500°С |
12 - 14 | |
|
Гудрон |
Выше 500°С |
15 - 18 |
Деасфальтизация, селективная очистка, получение базового масла |
2.3.2 Вакуумные установки по перегонке мазута (ВТ) с технологией получения вакуума на основе гидроциркулляционных вакуумсоздающих систем
В последние годы на вакуумных колоннах ряда НПЗ (Московском, Мозырском, Комсомольском, "Уфанефтехиме" и др.) внедрена и успешно эксплуатируется новая высокоэффективная экологически чистая вакуумсоздающая система с использованием жидкостного струйного устройства - вакуумного гидроциркуляционного агрегата. В таких агрегатах конденсация паров и охлаждение газов осуществляется не водой, а охлаждающей рабочей жидкостью (применительно к АВТ - газойлевой фракцией, отводимой из вакуумной колонны).
Схемы установок вакуумной перегонки (см. рисунок 2.7) с использованием гидроциркуляционных агрегатов и с паровой эжекцией идентичны и различаются только блоками вакуумсоздающей аппаратуры. На рисунке 2.8 приведена принципиальная схема вакуумсоздающей системы на базе гидроциркуляционного агрегата.

Рисунок 2.7 - Принципиальная схема ВТ с гидроэжекцией
Для создания вакуума в колонне используется гидроэжекционная вакуумсоздающая система. В качестве рабочей жидкости используется дизельная фракция.
Газы разложения, насыщенные парами углеводородов, с верха вакуумной колонны поступают на вход в конденсаторы-холодильники E03, в которых происходит конденсация паров и охлаждение конденсата и газов разложения оборотной водой.
Образовавшийся конденсат поступает в емкости дегазации D02. Углеводородный конденсат из емкости D02 откачивается насосом Р06А/В, кислая вода - насосом Р07А/В.
Парогазовая смесь из конденсаторов-холодильников E03 поступает на прием вакуумсоздающего устройства J01A, в которые насосами Р05А/В подается рабочая жидкость под давлением 6, 0 - 6, 5 МПа.
В вакуумсоздающем устройстве J01A газы разложения сжимаются за счет кинетической энергии рабочей жидкости.
Для защиты от коррозии шлемового трубопровода вакуумной колонны и вакуумсоздающей системы в газовый поток шлемовой трубы подается ингибитор коррозии и нейтрализатор.
После сжатия в J01A газы вместе с рабочей жидкостью и сконденсировавшимися парами углеводородов сбрасываются в сепараторы D03, где происходит разделение газов и жидкости.
Выделившиеся из сепаратора D02 и D03 газы разложения сначала направляются в абсорбер для очистки от сернистых соединений, затем направляются на сжигание в печь.
Рабочая жидкость из сепаратора D03 поступает на прием насосов Р02 A/B. Часть рабочей жидкости поступает на дегазацию, основной поток через фильтры F01A/B подается на вход вакуумсоздающих устройств J01A/B насосами Р065А/В.
Предусматривается внешний источник подпитки дизельной фракцией и постоянный отвод балансового избытка рабочей жидкости.

Рисунок 2.8 - Принципиальная схема вакуумсоздающей системы на базе гидроциркуляционного агрегата
На установках АВТ проводится комплексная атмосферно-вакуумная перегонка нефти и мазута, получаемого на блоке АТ, с получением ряда ценных фракций и нефтепродуктов.
2.4.1 Атмосферно-вакуумные установки по перегонке нефти (газового конденсата), (АВТ)
Принципиальная схема установки АВТ приведена на рисунке 2.9.

Рисунок 2.9 - Принципиальная технологическая схема установки АВТ:
Нефть проходит теплообменники Т-1, 2, 3, 4, 5 и 6, где подогревается за счет тепла отводящих продуктов, и поступает в отбензинивающую колонну К-1. В ней из нефти выделяется легкая бензиновая фракция, которая конденсируется в холодильнике-конденсаторе ХК-1 и собирается в рефлюксной емкости Е-1, откуда подается в стабилизатор К-4. В емкости Е-1 выделяется также газ, направляемый на компримирование (сжатие) и дальнейшую переработку.
Параметры работы колонны К-1:
|
- температура верха, °С |
- 147; |
|
- давление верха, МПа (абс.) |
- 0, 37; |
|
- температура куба, °С |
- 229. |
Нефть подается в среднюю часть колонны К-1, пары низкокипящих фракций устремляются вверх навстречу стекающей флегме. По высоте колонны через секции отгонной колонны отбираются дистилляты различного состава в строго определенных температурных интервалах. Из верхней части отводятся пары бензина, которые конденсируются и частично возвращаются в колонну в виде флегмы (рефлюкса).
Полуотбензиненную нефть с низа колонны К-1 направляют через трубчатую печь П-1 (нагревая до 350°С) в атмосферную колонну К-2. Часть полуотбензиненной нефти возвращается в К-1, сообщая дополнительное тепло, необходимое для ректификации.
В колонне К-2 нефть разделяется на несколько фракций. С верха К-2 в паровой фазе уходит тяжелый бензин, который конденсируется в холодильнике-конденсаторе ХК-2, а затем поступает в стабилизатор К-4. В качестве боковых погонов выводятся керосиновая и дизельная фракции, которые первоначально подаются в секции отпарной колонны К-3. В колонне К-3 из боковых погонов удаляются в присутствии водяного пара легкие фракции. Острый водяной пар подается в количестве 1 - 3% для снижения температуры кипения и уменьшения коксообразования. Затем керосиновая и дизельная фракции выводятся с установки.
Параметры работы колонны К-2:
|
- температура верха, °С |
- 110/125; |
|
- давление верха, МПа (абс.) |
- 0, 16; |
|
- температура куба, °С |
- 329/341. |
С низа К-2 выходит мазут, который дополнительно подогревают в печи П-2 до 400 - 420°С и направляют в колонну К-5, работающую под вакуумом, где он разделяется на вакуумные дистилляты и гудрон. С верха К-5 с помощью пароэжекторного насоса А-1 отсасываются водяные пары, газы разложения, воздух и некоторое количество легких нефтепродуктов (дизельная фракция). Вакуумные дистилляты и гудрон через теплообменники подогрева нефти и концевые холодильники отводят с установки.
Параметры работы колонны К-5:
|
температура верха, °С |
- 89; |
|
остаточное давление верха, мм рт. ст. |
- 50; |
|
температура куба, °С |
- 340. |
В стабилизационной колонне получают с верха "головку" стабилизации - сжиженный углеводородный газ, а с низа - стабильный бензин, не содержащий углеводородов C3-C4A.
Существуют два варианта переработки мазута: масляный и топливный. При масляном варианте получают несколько фракций масляных дистиллятов, которые направляются для получения широкого ассортимента минеральных масел. При топливном варианте получают одну или две фракции дистиллята (вакуумные газойли), которые служат сырьем для установок каталитического крекинга или гидрокрекинга.
Основная продукция установки АВТ приведена в таблице 2.5.
|
Наименование |
Направление использования |
|
Прямогонная бензиновая фракция НК-150 °С |
В блок вторичной перегонки бензина |
|
Керосиновая фракция для технических целей |
В товарный парк керосина |
|
Дизельная фракция, вакуумный газойль |
В товарный парк дизельного топлива. |
|
Топливо печное бытовое |
В парк дизельного топлива |
|
Топливо нефтяное Мазут (котельное топливо) |
В парк котельного топлива |
|
Гудрон |
На вторичные деструктивные процессы |
|
Углеводородный газ |
В топливную сеть или на ГФУ |
2.4.2 Комплексные установки атмосферно-вакуумной перегонки нефти (газового конденсата), (ЭЛОУ-АВТ)
Наиболее распространенной установкой первичной перегонки нефти на НПЗ является комплексная установка ЭЛОУ-АВТ. Принципиальная схема приведена на рисунке 2.10.

Рисунок 2.10 - Принципиальная схема установки ЭЛОУ-АВТ
Сырая нефть на секцию ЭЛОУ-АВТ-7 подается насосами сырьевого парка и параллельными потоками проходит блок рекуперативного теплообмена, где нагревается за счет тепла продуктовых потоков и циркуляционных орошений.
После блока теплообмена потоки сырой нефти смешиваются для усреднения температуры и одним потоком направляются на блок ЭЛОУ. Для увеличения эффективности процесса обессоливания и обезвоживания нефти в линию сырой нефти предусмотрена подача деэмульгатора.
Обезвоженная и обессоленная нефть, нагретая до температуры 220, поступает в середину отбензинивающей колонны 8. С верха колонны 8 выходят пары бензиновой фракции и углеводородные газы. К ним добавляется ингибитор коррозии, после чего они поступают в аппарат воздушного охлаждения (АВО) 11, далее в холодильник 12 и сепаратор 13. С верха из сепаратора уходят углеводородные газы. С низа - бензиновая фракция, часть которой насосом 14 возвращается в верх колонны 8 в виде орошения, а часть направляется в емкость 18.
Отбензиненная нефть с низа колонны 8 насосом 17 подается в печь 15, после чего часть возвращается в низ колонны 8 в виде горячей струи, а часть подается в низ основной атмосферной колонны 16. Также в нижнюю часть основной атмосферной колонны для снижения парциального давления нефтепродуктов подается водяной пар (под нижнюю тарелку). С верха уходят пары бензиновой фракции, которая проходит АВО 19, холодильник 20 и собирается в емкости 21, из которой она частично насосом 22 возвращается в колонну 16, а частично подается в емкость 18. Из емкости 18 насосом 46 подается в теплообменник 45, в котором нагревается за счет тепла легкой дизельной фракции. Далее поступает в стабилизационную колонну 26. С верха колонны 26 уходит головка стабилизации, которая проходит холодильник 37 и собирается в емкости 38, откуда насосом 39 частично возвращается в верхнюю часть колонны 26 в виде орошения, а балансовое количество выводится из установки. С низа колонны 26 уходит стабильный бензин, часть которого насосом 40 подается в печь 41 и подается в виде горячей струи в низ колонны 26, а балансовое количество подается на блок вторичной перегонки бензина, откуда уходят узкие бензиновые фракции.
Из колонны 16 отбираются 3 боковых погона в выносных колоннах 27, 28, 29: верхний - керосиновая фракция, средний - легкая дизельная фракция, нижний - тяжелая дизельная фракция. Под нижнюю тарелку каждой колонны подается водяной пар. Керосиновая фракция из колонны 27 насосом 47 прокачивается через холодильник 48 и выводится с установки. Легкая дизельная фракция из колонны 29 насосом 25 прокачивается через теплообменник 45, в котором охлаждается, нагревая нестабильный бензин, после чего выводится с установки. Тяжелая дизельная фракция насосом 49 прокачивается через холодильник 50 и выводится с установки.
Остаток атмосферной перегонки - мазут насосом 31 подается в печь 32, затем в нижнюю часть вакуумной колонны 30, под нижнюю тарелку которой подается водяной пар. С верха 30 выходят водяные пары, газы разложения, воздух и некоторое количество нефтепродукта (дизельной фракции), которые поступают в конденсатор 33. Не сконденсировавшиеся газы отсасываются многоступенчатым эжектором 34. Верхнее циркуляционное орошение через холодильник 35 насосом 36 частично возвращается в верхнюю часть колонны 30, а балансовое количество выводится с установки (дизельная фракция). Среднее циркуляционное орошение насосом 43 частично подогревает нефть в теплообменнике 5 и возвращается в колонну 30, а балансовое количество выводится с установки (фракция 350 - 500°С). Нижнее циркуляционное орошение насосом 42 прокачивается через теплообменники 4 и 9 и возвращается в колонну 30, а балансовое количество выводится с установки (вакуумный газойль). Остаток вакуумной перегонки - гудрон насосом 44 прокачивается через теплообменники 6, 7, 10 и выводится с установки.
Основные продукты комплексной установки ЭЛОУ-АВТ приведены в таблице 2.6.
|
Наименование |
Направление использования |
|
Нестабильная прямогонная бензиновая фракция НК-150°С |
В блок стабилизации нафты |
|
Керосин для технических целей |
В товарный парк керосина |
|
Вакуумный газойль |
В товарный парк дизельного топлива. |
|
Топливо печное бытовое |
В парк дизельного топлива |
|
Топливо нефтяное Мазут (котельное топливо) |
В парк котельного топлива |
|
Углеводородный газ |
В топливную сеть |
2.4.3 Комплексные установки атмосферно-вакуумной перегонки нефти (газового конденсата) с блоком вторичной перегонки дистиллятных фракций

Рисунок 2.11 - Принципиальная схема установки АВТ с блоком вторичной перегонки бензиновых фракций
Дистилляты, вырабатываемые на АВТ (кроме топлива ТС-1 или осветительного керосина), подвергают дальнейшей переработке. Она может заключаться в их вторичной перегонке на узкие фракции, очистке от вредных примесей либо в облагораживании химического состава с целью придания дистиллятам определенных свойств. Возможные варианты дальнейшего облагораживания дистиллятов зависят от качества перерабатываемой нефти (малосернистая или сернистая, легкая или тяжелая, мало- или высокопарафинистая, высокоароматизованная и т.д.
Бензин, получаемый из нефти на АВТ, подвергают стабилизации (удалению газов) и разделяют на фракции в соответствии с их дальнейшей переработкой.
С целью дальнейшего получения компонента высокооктанового бензина при вторичной перегонке отгоняют легкую фракцию (до 85°С), а широкую - 85 - 180°С (или 90 - 160°С) направляют на риформинг. Иногда фракцию НК-85°С разгоняют на две - головную (НК-62°С), направляемую далее на изомеризацию с получением изопентана.
Индивидуальные ароматические углеводороды получают риформированием фракций 62 - 85°С, 85 - 120°С и 120 - 140°С, концентратов углеводородов C6, C7 и C8 соответственно. Это так называемые бензольная, толуольная и ксилольная фракции, из которых получают соответственно бензол, толуол, ксилолы (БТК или ВТХ). Для нефти типа западносибирской выход фракций (в % масс.) на бензин (НК-180°С) составляет: головная фракция НК-62°С - 10, 6; фр. 62 - 85°С - 14, 4; фр. 85 - 120°С - 23, 5; фр. 120 - 140°С - 17, 5; остаток 140 - 180°С - 34, 0. В каждой колонне установки (или секции) вторичной перегонки бензина по 60 тарелок, температура верха 80 - 105°С, давление 0, 18 - 1, 28 МПа.
2.5.1 Технология вторичной перегонки бензинов
Установки вторичной перегонки бензинового дистиллята после его стабилизации предназначены для получения из него узких фракций, которые используются как сырье процессов изомеризации и каталитического риформинга.
Для вторичной перегонки широких бензиновых фракций используют различные технологические схемы: одно-, двух- и трехколонные (рисунок 2.12), причем все схемы последовательные, с отбором в каждой колонне целевых фракций в виде дистиллятного продукта.

При вторичной перегонке для подготовки сырья каталитического риформинга, направленного на получение высокооктанового компонента автомобильных бензинов, от прямогонной бензиновой фракции отгоняют легкую фракцию до 85°С, а широкую 85 - 180°С (или 85 - 160°С) направляют на риформинг, при этом строго нормируется содержание бензолобразующих углеводородов в получаемой фракции, что связано с ограничением по бензолу в товарном бензине. В этом случае чаще всего применяют двухколонные схемы, отличающиеся способом соединения простых колонн.

Схема установки вторичной перегонки бензинов с получением целевой фракции 62 - 140°С как сырья установки каталитического риформинга для производства суммы ароматических углеводородов показана на рисунке 2.14.

Схемой предусматривается предварительная депентанизация исходного бензина, в результате чего полнее извлекаются легкие фракции и облегчается дальнейший процесс разделения, т.к. уменьшается унос более тяжелых компонентов с легкой частью.
В результате вторичной перегонки широкой бензиновой фракции получают следующую продукцию (таблица 2.7).
|
Наименование |
Интервалы кипения, °С |
Где используется (в порядке приоритета) |
|
Стабильная легкая бензиновая фракция |
н.к.-62°С (70°С) |
Изомеризация Смешение бензина Товарная продукция (нафта) |
|
Бензольная фракция |
62 - 85°С |
Производство соответствующих ароматических углеводородов |
|
Толуольная фракция |
85 - 105°С | |
|
Ксилольная фракция |
105 - 140°С | |
|
Сырье каталитического риформинга |
85 - 180°С |
Каталитический риформинг, направленный на производство высокооктанового компонента товарных бензинов |
|
Тяжелая бензиновая фракция |
140 - 180°С |
Смесевой компонент керосина, зимнего дизтоплива. Каталитический риформинг |
Материальный баланс процесса вторичной перегонки широкой бензиновой фракции вне зависимости от конфигурации установки зависит от качества перерабатываемого сырья, то есть от потенциального содержания получаемых фракций.
2.5.2 Технология вторичной перегонки фракций дизельного топлива
Установки вторичной перегонки фракции дизельного топлива используются для получения компонентов зимнего (реже - арктического) и летнего дизельного топлива, а также получения жидких парафинов C10 - C18.
Обычно в основной ректификационной колонне атмосферного блока АВТ отбирают дизельную фракцию в виде двух боковых погонов: легкого - как компонент зимнего дизельного топлива и тяжелого - как компонент летнего дизельного топлива. Однако, в случае необходимости выделения н-алканов C10 - C18 (жидкие парафины) используют вторичную перегонку широкой дизельной фракции. На основе н-алканов получают сырье для производства синтетических моющих средств - линейный алкилбензол (ЛАБ), линейный алкилбензолсульфонат (ЛАБС).

В результате вторичной перегонки дизельной фракции получают следующую продукцию (таблица 2.8).
|
Наименование |
Интервалы кипения, °С |
Где используется (в порядке приоритета) |
|
Легкая дизельная фракция |
200 - 320°С |
Гидроочистка дизельного топлива Смесевой компонент зимнего (арктического) дизельного топлива Смесевой компонент топочного мазута |
|
Легкий компонент фракции 200 - 320°С |
200 - 260°С |
Выделение н-алканов C10-C18 (жидких парафинов) |
|
Тяжелый компонент фракции 200 - 320°С |
260 - 320°С | |
|
Тяжелая дизельная фракция |
320 - 350°С |
Гидроочистка дизельного топлива Смесевой компонент летнего дизельного топлива Смесевой компонент топочного мазута |
Материальный баланс процесса вторичной перегонки фракций дизельного топлива зависит от качества перерабатываемого сырья, то есть от потенциального содержания получаемых фракций.
2.6.1 Технология термокрекинга под давлением (двухпечной глубокий термический крекинг тяжелого дистиллятного или остаточного сырья)
Это один из самых старых процессов нефтепереработки, разработанный в 1913 г. американским изобретателем В. Бартоном. Новые установки этого процесса сегодня не строят, а действующие уже практически выработали свой ресурс и демонтируются.
В настоящее время термический крекинг дистиллятного сырья сохранил свое значение как поставщик ароматизированного сырья - газойлевых фракций. Тяжелое остаточное сырье (гудрон) в процессе неглубокого термического крекинга используется в основном для снижения вязкости.
Цель процесса: получение дополнительного количества светлых нефтепродуктов, термогазойля (сырья для производства технического углерода), дистиллятного крекинг-остатка (сырья для получения игольчатого кокса), а также крекинг-остатка (котельного топлива заданной вязкости).
Параметры процесса: процесс осуществляется под давлением 2 - 7 МПа, при температуре 480 - 540°С. Время пребывания сырья в зоне реакции 1, 5 - 2, 5 мин.
Термическому крекингу подвергают различные виды сырья: от легкого газойля до гудрона и тяжелых дистиллятов вторичного происхождения, получаемых при коксовании и каталитическом крекинге.
На установках термокрекинга сохранена оправдавшая себя двухпечная схема с рециркуляцией. При этом в первой печи происходит мягкий крекинг исходного тяжелого остаточного сырья, а во второй - жесткий крекинг более термостойких дистиллятных рециркулируемых фракций, что приводит к необходимому росту глубины ароматизации дистиллятного сырья. На рисунке 2.16 приведена схема потоков установки двухпечного термического крекинга.

Рисунок 2.16 - Схема потоков двухпечного термического крекинга
При утяжелении исходного сырья единственным источником питания печи глубокого крекинга является газойлевая фракция (200 - 350°С) легкого крекинга, выход которой незначителен. В конечном счете остаточное сырье целесообразно перерабатывать на однопечной установке.
На рисунке 2.17 приведена принципиальная технологическая схема установки термического крекинга тяжелого дистиллятного или остаточного сырья.

Исходное сырье после нагрева в теплообменнике 26 поступает в нижнюю секцию колонны 6, которая разделена на две секции полуглухой тарелкой, позволяющей перейти в верхнюю секцию только парам. Продукты конденсации паров крекинга в верхней секции накапливаются в аккумуляторе (кармане) внутри колонны. Потоки тяжелого и легкого сырья, отбираемые с низа и из средней части колонны 6, подаются в змеевики трубчатых печей 1 и 2, где нагреваются до температур соответственно 500 и 550°С и далее поступают для углубления крекинга в выносную реакционную камеру 3. Продукты крекинга затем направляются в испаритель высокого давления 4. Крекинг-остаток и термогазойль через редукционный клапан поступают в испаритель низкого давления 7, а газы и пары бензинокеросиновых фракций - в колонну 6.
Уходящие с верха колонны 6 и испарителя 7 газы и пары бензиновой фракции охлаждаются в конденсаторах-холодильниках и поступают в газосепараторы 5 и 8. Газы поступают на ГФУ. Балансовое количество бензина из колонны 6 направляется на стабилизацию, а тяжелый бензин из испарителя 7 выводится с установки.
Крекинг-остаток, выводимый с низа испарителя 7, подвергается вакуумной перегонке в колонне 9 с получением вакуумного термогазойля и вакуумного дистиллятного крекинг-остатка.
Продукты термического крекинга. При термическом крекинге дистиллятного или тяжелого остаточного сырья под давлением получают газ, бензин, газойль и крекинг-остаток.
В газе термического крекинга содержатся предельные (от метана до бутана) и непредельные (от этилена до бутиленов) углеводороды, водород и сероводород. Газ термического крекинга направляется для дальнейшей переработки на газофракционирующую установку.
Бензины термического крекинга по углеводородному составу отличаются от прямогонных. Если в прямогонных бензинах в основном содержатся парафиновые и нафтеновые углеводороды, то в крекинг-бензине много непредельных и ароматических углеводородов. Октановое число крекинг-бензинов составляет 66 - 68 пунктов по моторному методу. По своей антидетонационной стойкости крекинг-бензин не соответствует требованиям, предъявляемым современными автомобильными двигателями. Кроме того, крекинг-бензины обладают низкой химической стабильностью. Содержащиеся в крекинг-бензинах непредельные углеводороды, в особенности те, в молекуле которых имеются две двойных связи, под воздействием света, тепла и растворенного кислорода конденсируются, полимеризуются, окисляются и образуют смолы. Наличием смол и полимеров объясняется повышенная склонность крекинг-бензина к нагарообразованию в двигателях. Образование смол замедляется введением в бензины специальных присадок - ингибиторов окисления.
Фракция, выкипающая в пределах 200 - 350°С, называется газойлем термического крекинга. В ней также содержится большое количество непредельных углеводородов. Она используется как компонент флотских мазутов, газотурбинного и печного топлива. После гидрооблагораживания газойль может использоваться как компонент дизельного топлива.
Крекинг-остаток представляет собой фракцию, выкипающую выше 350°С. Он, как и прямогонный мазут, используется в качестве котельного топлива для теплоэлектростанций, морских судов, печей промышленных предприятий. Качество крекинг-остатка как котельного топлива выше, чем прямогонного сырья, так как крекинг-остаток имеет несколько более высокое теплосодержание, более низкую температуру застывания и вязкость. Особенно важно то, что у крекинг-остатков пониженная вязкость. Это облегчает условия транспортировки котельных топлив по системе подводящих трубопроводов и распыл их в форсунках.
Материальный баланс. Материальный баланс процесса термокрекинга тяжелого дистиллятного сырья по вариантам, предусматривающим получение максимального количества крекинг-остатка (1) или термогазойля (2), приведен ниже, % (мас.):
|
1 |
2 | |
|
Углеводородный газ |
5, 0 |
5, 0 |
|
Головка стабилизации бензина |
1, 3 |
1, 3 |
|
Стабильный бензин |
20, 1 |
20, 1 |
|
Термогазойль |
24, 2 |
52, 6 |
|
Дистиллятный крекинг-остаток |
48, 3 |
19, 9 |
|
Потери |
1, 1 |
1, 1 |
|
Итого |
100, 0 |
100, 0 |
2.6.2 Висбрекинг (легкий термический крекинг)
Назначение. Процесс в основном используют для снижения вязкости тяжелых нефтяных остатков с целью получения компонента стабильного котельного топлива. Он проводится при давлении 1 - 5 МПа и температуре 430 - 500°С.
Висбрекинг может проводиться также и для получения газойля - сырья для процессов каталитического крекинга и гидрокрекинга.
Таким образом, учитывая рост объемов переработки тяжелых нефтей и нефтяных остатков, висбрекинг предоставляет возможность экономичного превращения сырья в дополнительное количество дистиллятов.
Существуют две принципиальные разновидности процесса висбрекинга - печной висбрекинг, который проводится в нагревательно-реакционной печи при температуре 480 - 500°С и времени пребывания сырья в зоне реакции 1, 5 - 2, 0 мин. и висбрекинг с выносной реакционной камерой (сокинг-камерой), который осуществляется при температуре 430 - 450°С и времени реакции 10 - 15 минут. Технология висбрекинга с выносной реакционной камерой имеет преимущества по сравнению с печным висбрекингом: большая продолжительность межремонтного пробега, меньшее потребление топлива и электроэнергии, меньшие капитальные затраты, более высокая управляемость процесса при эксплуатации за счет возможности регулирования двух переменных - давления в сокинг-камере и температуры в печи.
Конверсия сырья в процессе - невысокая (14 - 30% от исходного сырья), отбор светлых нефтепродуктов из гудрона не превышает 5 - 20%, а из мазута - 16 - 22%. Тем не менее, этот процесс вносит определенный вклад в углубление переработки нефти.
Сырье и продукты. Сырьем обычно является гудрон (> 500°С), тяжелые нефтяные остатки, вязкость которых при 80°С составляет сотни сСт, но может превышать 1000. Газы и бензин висбрекинга обладают теми же свойствами, что газы и бензин термического крекинга. Легкий газойль (если выводится) также обладает свойствами легкого газойля термического крекинга. Остаток вместе с легким газойлем используется как котельное топливо, его вязкость соответствует вязкости товарного котельного топлива (не более 7 - 11 сСт при 80°С). В некоторых случаях остаток разделяют в вакуумном испарителе на легкий, тяжелый и вакуумированный крекинг- остаток. В этом случае примерно две трети газойлей висбрекинга смешивают с отпаренным в вакууме остатком висбрекинга, чтобы получаемое топливо соответствовало требованиям европейских спецификаций. При этом следует отметить, что процесс висбрекинга снижает вязкость гудрона в десятки раз. Однако следует отметить, что гудроны сернистых нефтей в результате висбрекинга дают котельные топлива с не меньшим содержанием серы, чем в исходном гудроне. Сжигание такого топлива без смешения его с менее сернистым недопустимо, т.к. сопровождается отравлением атмосферы сернистым ангидридом.
На рисунке 2.18 представлена схема установки висбрекинга гудрона с выносной камерой (сокинг - камерой).

Подогретое остаточное сырье подается в печь 1, где нагревается до температуры 430 - 500°С и далее поступает в выносную камеру 2. Продукты крекинга направляются во фракционирующую колонну 3, работающую при атмосферном давлении. Далее после разделения в сепараторе 4 получают газ и бензин, после отпарной колонны 5 - легкий газойль и остаток, который можно использовать в качестве котельного топлива. Бензин и легкий газойль после облагораживания используют в качестве компонентов товарных нефтепродуктов. Имеются схемы получения вакуумного газойля после вакуумной колонны (на рисунке 3 вакуумная колонна не показана).
Материальный баланс. Ниже приведен материальный баланс висбрекинга гудрона с получением легкого газойля (I) и без получения легкого газойля (II):
|
I |
II | |
|
Приход, % мас. | ||
|
Гудрон |
100, 0 |
100, 0 |
|
Всего |
100, 0 |
100, 0 |
|
Получено, % мас. | ||
|
Углеводородный газ |
2, 3 |
2, 3 |
|
Нафта С5-С6 |
1, 4 |
3, 0 |
|
Бензин (С7 - 185°С) |
4, 7 |
6, 7 |
|
Легкий газойль (185 - 371°С) |
10, 7 |
- |
|
Остаток |
80, 9 |
88, 0 |
|
Всего |
100, 0 |
100, 0 |
Процесс висбрекинга является одним из востребованных в мире процессов, так как позволяет превратить гудрон в топочный мазут заданной вязкости и, этим снижается использование дизельных фракций в качестве разбавителя гудрона. Наиболее известны технологии компаний Shell, Lummus, UOP. В России хорошо зарекомендовала себя технология уфимского ГУП "Нефтехимпереработка", которая отличается применением нового типа выносной камеры, имеющей внутренние устройства, обеспечивающие режим "идеального вытеснения" потока и углеводородного турбулизатора. В то же время этот процесс не может конкурировать с гидрокрекингом гудрона по глубине переработки и качеству получаемых продуктов. Поэтому в случае строительства установок гидрокрекинга остатков установки висбрекинга останавливают. Для улучшения показателей процесса в сырье вводят различные поверхностно-активные добавки, снижающие образование и осаждение кокса в змеевиках печи и остаточном продукте, пенообразование в колонне и коррозию в холодильном оборудовании. В настоящее время такие добавки производят компании Cimeck (Италия), GeneralElectric (США), Nalco (США) и Колтек (Россия).
2.6.3 Технология производства нефтяного пека (термический крекинг тяжелого дистиллятного или остаточного сырья при низком давлении)
Общие сведения о процессе
Производство нефтяных пеков осуществляется либо процессом термокрекинга тяжелого дистиллятного или остаточного сырья, проводимого при низком давлении (0, 1 - 0, 5 МПа), температуре 360 - 420°С и времени реакции 0, 5 - 10 ч., либо термополиконденсацией крекинг-остатков или тяжелой смолы пиролиза. В настоящее время нефтяные пеки в промышленном масштабе получают только за рубежом. В России технологии производства нефтяного пека термополиконденсацией разрабатываются на базах ОАО "Ново-Уфимского НПЗ", ПО "Ангарскнефтеоргсинтез", ПО "Салаватнефтеоргсинтез".
Нефтяные пеки находят применение как связующий или пропиточный материал при изготовлении графитированных электродов, анодной массы, обожженных анодов, конструкционных материалов на основе графита, электроугольных изделий, угольных и коксовых брикетов.
Перспективными считаются следующие технологии производства нефтяных пеков:
а) термополиконденсацией крекинг-остатка в течение 3 - 5 ч при температуре 420 - 430°С с получением пека с температурой размягчения 65 - 90°С;
б) высокотемпературной термополиконденсацией нефтяного сырья при температуре 485 - 500°С и давлении 1.5 - 3.5 МПа в термоизолированном реакторе в течение 65 - 90 мин с последующим фракционированием продуктов с получением нефтяного пека с температурой размягчения 75°С и 140°С;
в) термополиконденсацией смолы пиролиза по двухстадийной схеме (при атмосферном давлении и температуре 350 - 380°С на первой стадии, и под давлением 0, 2 - 0, 5 МПа и температуре 390 - 400°С на второй стадии) с получением мягкого (температура размягчения 50 - 60°С) и электродного (с температурой размягчения 70 - 90°С, содержание нерастворимых в толуоле веществ 18 - 20%) пеков.
Сырье и общие требования к нему
В качестве одного из основных видов сырья для получения нефтяных пеков используют тяжелые смолы пиролиза. Тяжелые смолы пиролиза различного углеводородного сырья имеют близкие характеристики - плотность (1044 - 1140 кг/м при 20°С), молекулярную массу (273 - 334), коксуемость (10 - 22%). В тяжелой смоле содержится углерода (92, 7%), водорода (7, 2%), серы (0, 02 - 0, 1%), азота (менее 0, 1%), практически отсутствуют кислородные соединения; но в ней много непредельных соединений (йодное число 30 - 50 г I2/100 г), таких, как алкилпроизводные индена, склонных при хранении и нагревании к полимеризации.
Тяжелая смола пиролиза выпускается как товарный продукт марок "А" и "Б", технические характеристики приведены в таблице 2.9.
|
Наименование показателя |
Марка А |
Марка Б |
|
Плотность при 20°С, г/см3, не менее |
1, 04 |
1, 03 |
|
Вязкость кинематическая при 100°С, мм2/с, не более |
25 |
40 |
|
Температура отгона 3%-ного объема, °С, не менее |
180 |
170 |
|
Коксуемость, %, не более |
12 |
16 |
|
Массовая доля воды, %, не более |
0, 3 |
0, 5 |
|
Массовая доля механических примесей, %, не более |
0, 01 |
0, 01 |
|
Индекс корреляции, не менее |
125 |
100 |
|
Массовая доля ионов натрия, %, не более |
0, 005 |
0, 01 |
|
Массовая доля ионов калия, %, не более |
0, 0005 |
0, 001 |
Продукты:
Углеводородный газ после сероочистки используется в качестве технологического топлива или подвергается газофракционированию с получением сухого газа, пропан-пропиленовой и бутан-бутиленовой фракций для нефтехимии;
Бензиновая фракция характеризуется низкой октановой характеристикой, химической нестабильностью вследствие высокого содержания непредельных углеводородов и повышенным содержанием серы. Подвергается сероочистке и служит в качестве компонента сырья установок каталитического риформинга;
Легкий газойль подвергается гидроочистке в смеси с прямогонными дизельными фракциями с получением высококачественного дизельного топлива;
Термогазойль (тяжелый газойль), используемый или в качестве компонента сырья процесса гидрокрекинга с получением дизельного топлива, или в качестве компонента сырья после гидрооблагораживания процесса каталитического крекинга с получением высокооктанового бензина;
Нефтяной пек является целевым продуктом, представляет собой битуминозный материал черного цвета с блестящим раковистым изломом.
Свойства нефтяного пека в значительной степени зависят от технологии его получения и характеристик исходного сырья:
Нефтяные пеки из смол пиролиза, полученные с подачей пара, имеют температуру размягчения 60 и 80°С, выход летучих веществ - 72, 8 и 68, 5%, содержание нерастворимых в толуоле веществ составляло 3, 9 и 5, 7%, содержание нерастворимых в хинолине - следы и 1.06%;
Пеки из смол пиролиза, полученные под давлением при температуре 400°С, имеют температуру размягчения 84 и 94°С, выход летучих веществ - 61.8 и 56.4%, содержание нерастворимых в толуоле веществ - 20.2 и 23.8%, содержание нерастворимых в хинолине веществ - 1, 03 и следы;
Для пеков из вакуумных газойлей с повышенной температурой размягчения и высокотемпературного (температура размягчения пеков составляет 86 и 143°С) получены значения выхода летучих - 60, 0 и 47%, содержания нерастворимых в толуоле - 26, 1 и 33, 3%, нерастворимых в хинолине - 2, 9 и 1, 2%.
Содержание кислорода и азота в пеках составляет 0, 20 - 0, 41%, содержание серы - 0, 66 - 0, 85%.
|
Характеристика |
Тр, °С |
Vdaf, % |
Ди, кг/м3 |
α, % |
α1, % |
S, % |
|
Значение |
79 |
70 |
1180 |
2, 5 |
следы |
2, 2 |
где Тр - температура размягчения по "Кольцу и стержню" ("КиС"), °С; Vdaf - выход летучих веществ (% масс.) при 850°С; Ди - пикнометрическая плотность, кг/м3; α- массовая доля нерастворимых в толуоле веществ (% масс); α1 - массовая доля нерастворимых в хинолине веществ, (% масс); S - содержание серы.
Технологическая схема процесса
Процесс термокрекинга тяжелого дистиллятного (остаточного) сырья
Схема процесса производства нефтяного пека путем термокрекинга тяжелого дистиллятного или остаточного сырья, проводимого при низком давлении (0, 1 - 0, 5 МПа), температуре 360 - 420°С и времени реакции 0, 5 - 10 час представлена на рисунке 2.19.

Сырье после очистки от механических примесей и компонентов, нерастворимых в хлороформе, подогревается и поступает в ректификационную колонну 1 для удаления легких дистиллятов. Остаток с низа колонны 1 подогревается в печи 2 и поступает в реактор 3, который представляет собой автоклав периодического действия. На установке может работать каскад реакторов. Остаток после реактора 3 поступает в вакуумную колонну 4 с целью испарения низкомолекулярных продуктов и разгазирования пека. В реакторе процесс ведут при перемешивании с помощью инертного или природного газов, а также механических мешалок. С вакуумной колонны отбирают следующие погоны: дизельные фракции, тяжелый вакуумный газойль и пек.
|
Материальный баланс | ||
|
Ниже приведены данные по выходу продуктов пекования из гудрона, % (масс.): | ||
|
Углеводородный газ |
8, 5 | |
|
Бензиновая фракция |
15, 0 | |
|
Легкий газойль |
10, 0 | |
|
Тяжелый газойль |
30, 0 | |
|
Пек |
36, 5 | |
|
Итого |
100, 0 | |
Термический крекинг с перегретым водяным паром
Процесс разработан в Японии компанией Kureha. В настоящее время в Японии работает промышленная установка термокрекинга гудрона с перегретым водяным паром мощностью 1 млн т/год. Технологическая схема процесса представлена на рисунке 2.20.

Сырье подогревается и поступает в ректификационную колонну 3 для удаления легких дистиллятов. Остаток с низа колонны 3 подогревается в печи 1 до температуры 500°С и поочередно заполняет реакторы 2. Процесс происходит в реакторном блоке, состоящем из двух реакторов. В то время как один заполняется сырьем, через другой (уже заполненный сырьем) с помощью крана-переключателя пропускают перегретый в печи 4 до 600°С водяной пар, в результате чего происходит термокрекинг сырья и отпарка образующихся продуктов. Газообразные и жидкие продукты вместе с водяным паром выводятся сверху из реакторов 2 и направляются на фракционирование в ректификационную колонну 3. С низа реакторов выводится пек, который выдерживают в стабилизаторе, а затем охлаждают на ленточном транспортере-рыхлителе 6. Пек получается высококачественный с высокой температурой размягчения, он используется в качестве связующего при производстве металлургического кокса, а также в качестве сырья процесса газификации для получения водорода и оксида углерода.
|
Материальный баланс | ||
|
Материальный баланс процесса представлен ниже, [% (масс.)]: | ||
|
Углеводородный газ |
4, 3 | |
|
H2S |
0, 5 | |
|
Бензиновая фракция |
14, 2 | |
|
Термогазойль |
50, 5 | |
|
Пек |
30, 5 | |
|
Итого |
100, 0 | |
Получение нефтяных пеков методом термополиконденсации
Термополиконденсация позволяет получать пеки с температурой размягчения 65 - 100°С, плотностью 1250 - 1300 кг/м3 при следующих условиях процесса: температура 420 - 430°С, продолжительность 3 - 5 часов. Увеличение температуры процесса до 460 - 510°С при снижении продолжительности процесса до 1 - 5 мин., и последующая выдержка в реакторе при 380 - 440°С в течение 1 - 3 часов позволяют также получить нефтяной пек для алюминиевой промышленности. Нефтяные пеки, полученные термополиконденсацией смолы пиролиза в двух последовательно работающих реакторах и имеющие температуру размягчения 65 и 100°С соответственно, могут быть в последующем смешаны в различных пропорциях.
2.6.4. Технология производства технического углерода (высокотемпературный термокрекинг тяжелого высокоароматического сырья при низком давлении)
Общие сведения о процессе
В настоящее время выпуск технического углерода (ТУ) в России ведется в соответствии с государственным стандартом (ГОСТ 7885-86) или ASTM, предусматривающими градацию ТУ на марки, определяемые способами производства продукта. Выпуск ТУ различных марок налажен на семи действующих предприятиях, особое место среди которых занимают ОАО "Омский завод технического углерода" ("Омсктехуглерод"), ОАО "Нижнекамский завод технического углерода" ("Нижнекамсктехуглерод"), ОАО "Ярославский технический углерод", выпускающие в том числе электропроводный техуглерод для высокоэлектропроводящих резин.
Процессы получения технического углерода можно классифицировать на две категории: основанные на неполном сгорании и термическом разложении углеродов, зависящие от присутствия или отсутствия кислорода. Существует несколько способов получения технического углерода - печной, канальный, ламповый, основанные на неполном сжигании углеводородов, а также термический, осуществляемый за счет термического разложения природного газа или ацетилена. Перечисленные способы позволяют производить разные типы техуглерода, классифицируемые по способам их получения: печной технический углерод из жидкого сырья, ламповый, канальный, термический и ацетиленовый типы ТУ. Незначительное количество техуглерода, являющегося побочным продуктом производства синтез-газа из жидких углеводородов, находит применение в электропроводных резиновых смесях. Известен плазменный способ получения техуглерода. Многочисленные марки, получаемые различными способами, обладают разнообразными характеристиками. В настоящее время более 99% технического углерода получают процессами неполного сгорания.
Сырье и общие требования к нему
Качество, выход технического углерода и экономическая эффективность производства в значительной мере определяются составом и свойством сырья.
Более 60% получаемого технического углерода приходится на углерод активных марок, характеризующегося определенным комплексом свойств, необходимо использовать специальное высококачественное сырье. Согласно современным требованиям, такое сырье должно отличаться высоким содержанием полициклических ароматических углеводородов с короткими боковыми цепями, ограниченным содержанием нафтенопарафиновых углеводородов, соединений серы, асфальтенов и механических примесей. Сырье для производства ТУ с допустимым содержанием серы получается при использовании продуктов переработки малосернистых нефтей, при гидрогенизационном облагораживании готового сажевого сырья, а также при предварительной гидроочистке исходного сырья.
|
Сырье для получения ТУ |
Исходное сырье |
Процесс производства |
|
Нефтехимические продукты | ||
|
Газойли пиролиза: зеленое масло, масло ПТУ, смолы пиролиза |
Газы, бензиновые фракции, газойли |
Пиролиз с получением олефинов |
|
Газойлевые фракции каталитического крекинга: крекинг-газойль, декантат, тяжелый каталитический газойль |
Керосиновые, газойлевые, вакуумные фракции прямой перегонки нефти, коксования, термического крекинга, деасфальтизаты и экстракты масляного производства |
Различные модификации каталитического крекинга |
|
Газойлевые фракции термолиза: термогазойль, термоконцентрат |
Газойли каталитического крекинга и коксования, дистиллятные экстракты масляного производства |
Термический крекинг под давлением, висбрекинг |
|
Ароматизированные концентраты Экстракты вторичных газойлей Экстракты очистки дистиллятных масел |
Газойли каталитического крекинга и коксования Масляные фракции нефти |
Экстракция селективными растворителями Очистка селективными растворителями |
|
Коксохимические продукты | ||
|
Антраценовые фракция и масло, хризеновая фракция Пековый дистилляты Сланцевое масло |
Смолы высокотемпературного коксования каменных углей и сланцев |
Дистилляция каменноугольных и сланцевых смол Выделение сырого антрацена |
|
Композиционное сырье | ||
|
Углеводородные смеси |
Ароматизованные продукты переработки нефти и угля различного происхождения Добавки и присадки |
Смешение и гомогенизация Термолиз в отделениях подготовки сырья на заводах технического углерода |
Три вида сырья в настоящее время пригодны для получения высококачественного ТУ: каталитический газойль, тяжелая смола пиролиза и коксохимическое сырье (антраценовая фракция, антраценовое масло, пековые дистилляты).
|
Наименование показателя |
Норма |
Метод анализа | ||||||||
|
Антраценовая фракция |
Антраценовое
|
Пековые
| ||||||||
|
марка А ОКП 24 5711 0110 |
марка Б ОКП 24 5711 0120 | |||||||||
|
1. Плотность при 20°С, г/см3, не менее |
1, 12 |
1, 10 |
1, 10 |
1, 13 |
По ГОСТ 18995.1 и п. 3.2 настоящего стандарта | |||||
|
2. Объемная доля воды, %, не более |
1, 0 |
1, 0 |
1, 0 |
1, 5 |
По ГОСТ 2477 или по п. 3.3 настоящего стандарта | |||||
|
3. Фракционный состав, % (по объему): |
По п. 3.3 | |||||||||
|
до 210°С не более |
1 |
1 |
1 |
1 | ||||||
|
до 300°С не более |
20 |
25 |
30 |
Не нормируется | ||||||
|
до 360°С не менее |
Не нормируется |
35 | ||||||||
|
4. Массовая доля сырого антрацена, %, не более |
20 |
18 |
Не нормируется |
По п. 3.4 |
4. Массовая доля сырого антрацена, %, не более | |||||
|
5. Осадок при 70°С |
Не нормируется |
Отсутствует |
Не нормируется |
По п. 3.5 |
5. Осадок при 70°С | |||||
|
6. Коксуемость (коксовое число), %, не более |
2, 0 |
1, 0 |
1, 5 |
2, 0 |
По ГОСТ 19932 и п. 3.6.1 настоящего стандарта | |||||
|
7. (Исключен, Изм. N 1). | ||||||||||
|
8. Массовая доля иона натрия, %, не более |
0, 005 |
0, 005 |
0, 005 |
0, 005 |
По п. 3.8 | |||||
|
9, Массовая доля иона калия, %, не более |
0, 0005 |
0, 0005 |
0, 0005 |
0, 0005 |
По п. 3.8 | |||||
|
10. Массовая доля механических примесей, %, не более |
0, 02 |
0, 02 |
0, 02 |
0, 02 |
По п. 3.9 | |||||
Газойли каталитического крекинга являются одним из основных источников получения сырья для производства сажи. Однако не все газойли можно непосредственно использовать в производстве сажи из-за недостаточно высокой степени ароматизованности. Для этого требуется их вторичная переработка. В таблице 3 представлены свойства каталитического газойля, получаемого на ОАО "Славнефть-Ярославнефтеоргсинтез", используемые в качестве сырья при производстве технического углерода.
Тяжелая смола пиролиза является одним из основных видов сырья, применяемого для получения высококачественного технического углерода. Это обусловлено высоким содержанием полициклических ароматических углеводородов (до 85% масс.), высоким индексом корреляции (125 - 140), низкой зольностью (менее 0, 01%) и содержанием серы (менее 0, 3% масс.). При замене термогазойлей на смолы пиролиза удалось заметно снизить газообразование и в несколько раз уменьшить выбросы соединений серы. В таблице 2.13 представлены свойства смолы пиролиза, получаемой на ОАО "Славнефть-Ярославнефтеоргсинтез", используемые в качестве сырья при производстве технического углерода.
|
N
|
Наименование сырья |
N ГОСТ. ОСТ, ТУ, СТП |
Показатели качества, обязательные для проверки |
Норма |
|
1 |
Газойль тяжелый каталитический |
ТУ 0258-005-48671436-2006 |
1. Плотность при 20°С г/см3, не менее |
1, 020 |
|
2. Массовая доля воды, % не более |
0, 5 | |||
|
3. Коксуемость, % не более |
5, 0 | |||
|
4. Массовая доля ионов натрия, % не более |
0, 05 | |||
|
5. Массовая доля ионов калия, % не более |
0, 0005 | |||
|
6. Массовая доля механических примесей, % не более |
0, 1 | |||
|
7. Зольность, % не более |
0, 1 | |||
|
8. Индекс корреляции |
100 | |||
|
2 |
Газойль тяжелый каталитический |
ТУ-0258-012-00149765-2002 |
1. Плотность при 20°С г/см3, не менее |
1, 01 |
|
2. Массовая доля воды, % не более |
следы | |||
|
3. Коксуемость, % не более |
4, 5 | |||
|
4. Индекс корреляции |
100 |
|
Наименование сырья |
N ГОСТ. ОСТ, ТУ, СТП |
Показатели качества, обязательные для проверки |
Норма |
|
Смола пиролизная тяжелая |
ТУ 38.10212-56-89 |
1. Плотность при 20°С г/см3, не менее марка А марка В |
1,04 1,03 |
|
2. Массовая доля воды, % не более марка А марка В |
0,3 0,5 | ||
|
|
|
3. Коксуемость, % не более марка А марка В |
12,0 12,0 |
|
4. Массовая доля ионов натрия, % не более |
0,05 | ||
|
5. Массовая доля ионов калия, % не более |
0,005 | ||
|
6. Массовая доля механических примесей, % не более |
0,008 | ||
|
7. Индекс корреляции, не менее марка А марка В |
125 120 |
Продукты
Товарный ТУ должен обладать определенным набором свойств и характеристик.
Дисперсность технического углерода при одинаковой температуре процесса возрастает с повышением степени ароматизованности сырья. При получении технического углерода заданной дисперсности повышение степени ароматизованности сырья позволяет снизить температуру процесса (уменьшить расход воздуха) или повысить нагрузку реактора по сырью.
Важное влияние на качество получаемого технического углерода оказывает содержание коксовых частиц. Многократно доказано отрицательное влияние посторонних механических примесей в ТУ на модуль, разрывную прочность резин, уровень которых значительно снижается. Поэтому содержание механических примесей в ТУ строго нормируется: для частиц размером > 500 мкм - не более 0, 001%, для частиц размером 140 мкм - не более 0, 02%, для частиц размером 45 мкм - не более 0, 1%.
В техническом углероде серы должно содержаться не более 1, 1%. Сера, как в свободном, так и в связанном состоянии оказывает влияние на процесс вулканизации резин. При высоком содержании серы в ТУ может происходить преждевременная вулканизация резин. Принято считать, что примерно 50% серы сырья переходит в ТУ, остальная часть в газы, в основном в SO2 и SO3. В сырье для производства техуглерода содержание серы не превышает, как правило, 0, 6%.
Перспективными считаются присадки к сырью для получения технического углерода заданных свойств. Присадки, содержащие щелочные металлы, снижают степень структурности ТУ. В качестве присадок к сырью используют щелочи или соли щелочных металлов. При получении низкотемпературного техуглерода нормальной структуры необходимо применять присадки в возможно малых концентрациях, например, соли рубидия, цезия и калия.
Технологическая схема процесса
Процесс высокотемпературного термокрекинга тяжелого высокоароматического сырья при низком давлении
Печной способ получения технического углерода является основным в настоящее время. Он позволяет получать различные марки с определенным набором свойств. Более 96% производимого техуглерода получают печным способом из жидкого сырья. Только для шинной и резиновой промышленности выпускается до 50-ти различных марок ТУ, примерно столько же производится других марок техуглерода - пигментного, электропроводного, техуглерода для пластмасс, для электрографических композиций, для видеокассет и т. д.
На рисунке 2.21 показана принципиальная схема производства технического углерода из жидкого углеводородного сырья. Эта схема типична для производственной линии (технологического потока) по промышленному производству технического углерода печным способом. Основное оборудование, показанное на схеме, также типично для этого способа.
В реактор, футерованный высокоогнеупорными материалами, подается природный газ и нагретый до 800°С воздух. За счет сжигания природного газа образуются продукты полного сгорания с температурой 1820 - 1900°С, содержащие определенное количество свободного кислорода. В высокотемпературные продукты полного сгорания впрыскивается жидкое углеводородное сырье, предварительно тщательно перемешанное и нагретое до 200 - 300°С. Пиролиз сырья происходит при строго контролируемой температуре, которая в зависимости от марки выпускаемого техуглерода имеет различные значения от 1400 до 1750°С. На определенном расстоянии от места подачи сырья термоокислительная реакция прекращается посредством впрыска воды. Образовавшиеся в результате пиролиза техуглерод и газы реакции поступают в воздухоподогреватель, в котором они отдают часть своего тепла воздуху, используемому в процессе, при этом температура углеродогазовой смеси понижается от 950 - 1000°С до 500 - 600°С.
Ниже приведен примерный материальный баланс установки [% (масс)] по производству ТУ из газойлей каталитического крекинга
|
Материальный баланс | |
|
Взято | |
|
Сырье |
15, 3 |
|
Топливо |
4, 6 |
|
Воздух |
79, 0 |
|
Всего |
100, 0 |
|
Получено | |
|
Технический углерод |
9, 2 |
|
CH4. |
0, 4 |
|
CO2 |
4, 9 |
|
CO |
8, 4 |
|
H2 |
1, 7 |
|
N2 |
60, 7 |
|
Всего |
100, 0 |
|
Выход ТУ на сырье составляет ~ 60% (масс.) | |
2.7.1 Технология замедленного коксования в необогреваемых коксовых камерах
Общие сведения о процессе
Замедленное коксование в настоящее время наиболее распространено на НПЗ. Основное количество кокса производится на этих установках. При замедленном (полунепрерывном) коксовании из гудрона малосернистой нефти получают до 25% (мас.) электродного кокса, а из дистиллятного крекинг-остатка - около 38% (мас.) игольчатого кокса. Отличительная черта процесса: сырье нагревается в печи до 500°С, направляется в необогреваемую камеру, где находится длительное время и за счет аккумулированной им теплоты коксуется. С верха камеры удаляют потоки легких дистиллятов. После заполнения камеры коксом на 70 - 90% поток сырья переключают на другую камеру, а из отключенной камеры отгружают кокс.
Преимущества процесса замедленного коксования:
а) полное превращение остаточного сырья и ликвидация производства остаточного котельного топлива;
б) технологическая гибкость, позволяющая перерабатывать любые виды сырья с высоким содержанием асфальтенов, коксового остатка, металлов и одновременно получать продукты, отвечающие соответствующим спецификациям, и которые достаточно легко включить в технологическую схему переработки нефти на НПЗ для получения экологически чистых моторных топлив;
в) практически 100% деметаллизация;
г) умеренные капитальные вложения и эксплуатационные расходы на техобслуживание;
д) процесс хорошо освоен.
В настоящее время в России по технологии замедленного коксования эксплуатируются 10 установок. Перечень установок замедленного коксования на НПЗ России представлен в таблице 2.15.
|
Предприятие |
Мощность по сырью, тыс. т/г |
Ввод в эксплуатацию |
Кол-во установок | |
|
Проектная |
Достигнутая | |||
|
ООО "Лукойл-Волгограднефтепереработка" |
1000 |
1400 |
1982 |
1 |
|
400 |
2012 |
1 | ||
|
ООО "Лукойл-Пермнефтеоргсинтез" |
600 2100 |
600 1500 |
1970 12.2015 |
1 1 |
|
АО "Новокуйбышевский нефтеперерабатывающий завод" |
1500 |
592 |
1985 |
1 |
|
АО "Ангарская нефтехимическая компания" |
600 |
640 |
1970 |
1 |
|
ООО "РН-Комсомольский НПЗ" |
1000 |
1000 |
2012 |
1 |
|
АО "Газпромнефть-Омский НПЗ" |
600 |
766 |
1971 |
1 |
|
ОАО "НОВОЙЛ" |
300 |
700 |
1956 |
1 |
|
ОАО "Уфанефтехим" |
1200 |
1600 |
2009 |
1 |
|
Всего |
9200 |
9749 |
10 | |
Сырье и общие требования к нему
В качестве сырья процесса замедленного коксования традиционно (в большинстве случаев) используются тяжелые нефтяные остатки первичной переработки нефти (гудроны), остатки от производства масел (асфальты, остаточные экстракты), тяжелые остатки термокаталитических процессов (крекинг-остатки, тяжелые газойли каталитического крекинга, тяжелые смолы пиролиза). За рубежом в качестве сырья часто используются остатки сланцепереработки, каменноугольные смолы, остатки апгрейдинга тяжелых нефтей и битуминозных песков и т.д.
К основным показателям качества исходного сырья коксования относятся: плотность, коксуемость по Конрадсону, содержание серы, азота, металлоорганических соединений, фракционный и групповой составы, зольность, вязкость и т.д.
Типичные физико-химические показатели качества сырья, используемого для производства различных видов кокса, приведены в таблице 2.16.
|
Наименование показателей |
Типичные показатели качества сырья для производства кокса | |||
|
Для
|
КНПС (изотропного) |
Игольчатого (декантойль) |
Топливного
| |
|
Плотность при 20°С, г/см3 |
0, 9818 |
1, 1767 |
1, 0652 |
1, 0342 |
|
Массовая доля серы, % |
1, 20 |
0, 23 |
0, 56 |
3, 34 |
|
Коксуемость, % масс. |
11, 5 |
21, 1 |
5, 7 |
17, 5 |
|
Групповой углеводородный состав, % мас.: | ||||
|
- парафино-нафтеновые |
20, 6 |
- |
10, 7 |
7, 6 |
|
- ароматические, в т.ч.: |
62, 2 |
64, 9 |
84, 4 |
55, 2 |
|
- легкие |
15, 2 |
- |
0, 7 |
6, 0 |
|
- средние |
10, 5 |
- |
14, 8 |
5, 4 |
|
- тяжелые |
36, 5 |
64, 9 |
68, 9 |
43, 8 |
|
- смолы |
15, 4 |
18, 1 |
4, 9 |
27, 6 |
|
- асфальтены |
1, 8- |
11, 4 |
отс. |
9, 4 |
|
- карбоиды |
5, 6 |
Отс. |
0, 2 | |
|
Содержание металлов, ppm (V/Ni) |
40/15 |
- |
5/1 |
230/100 |
Продукты
Углеводородный газ после сероочистки используется в качестве технологического топлива или подвергается газофракционированию с получением сухого газа, пропан-пропиленовой и бутан-бутиленовой фракций для нефтехимии;
Бензиновая фракция характеризуется низкой октановой характеристикой, химической нестабильностью вследствие высокого содержания непредельных углеводородов и повышенным содержанием серы. Подвергается сероочистке и служит в качестве компонента сырья установок каталитического риформинга;
Легкий газойль коксования, который подвергается гидроочистке в смеси с прямогонными дизельными фракциями с получением высококачественного дизельного топлива;
Тяжелый газойль коксования, используемый или в качестве компонента сырья процесса гидрокрекинга с получением дизельного топлива, или в качестве компонента сырья без или после гидрооблагораживания процесса каталитического крекинга с получением высокооктанового бензина.
Типичные свойства жидких продуктов коксования приведены в таблице 2.17.
|
Показатели качества |
Бензин |
Легкий газойль |
Тяжелый газойль | |||
|
1 |
2 |
3 |
4 | |||
|
Плотность при 20°С, г/см3 |
0, 72 - 0, 76 |
0, 83 - 0, 89 |
0, 91 - 0, 98 | |||
|
Массовая доля серы, % |
0, 1 - 0, 7 |
0, 3 - 2, 0 |
0, 7 - 3, 0 | |||
|
Иодное число, г I2/100 г. |
80 - 120 |
50 - 70 |
- | |||
|
Коксуемость, % масс. |
- |
- |
0, 15 - 2, 0 | |||
|
Фракционный состав: | ||||||
|
- температура начала кипения, °С |
35 - 50 |
190 - 200 |
280 - 340 | |||
|
- температура конца кипения, °С |
170 - 190 |
340 - 360 |
460 - 520 | |||
|
- 50 % об. Выкипает при температуре, °С |
115 - 125 |
270 - 300 |
380 - 420 | |||
|
Кинематическая вязкость, сСт: | ||||||
|
- при 20°С |
4, 5 - 7, 0 | |||||
|
- при 50°С |
2, 0 - 3, 0 | |||||
|
- при 80°С |
5 - 10 | |||||
|
Температура вспышки, °С |
70 - 90 |
> 200 | ||||
|
Групповой углеводородный состав, % масс.: | ||||||
|
- парафиновые |
50 - 60 | |||||
|
- олефиновые |
19 - 20 |
}30 - 60 | ||||
|
- нафтеновые |
14 - 15 | |||||
|
- ароматические |
8 - 10 |
30 - 60 | ||||
|
- смолы |
10 - 20 | |||||
|
Коксуемость 10% остатка, % масс. |
- |
0, 1 - 0, 4 |
- | |||
|
Цетановый индекс |
- |
30 - 35 |
- |
В таблице 2.18 приведены основные требования к качеству нефтяных коксов, используемых в производстве алюминия (КЗА), графитированных электродов для электросталеплавления (КЗГ) и конструкционных материалов (КНПС) в соответствии с ГОСТ 22898-78. В настоящее время в РФ полностью отсутствует производство специальных видов кокса - анизотропного (игольчатого) с содержанием серы менее 1, 0% (0, 5%) и изотропного кокса типа КНПС.
|
Наименование показателей |
Коксы | ||
|
КЗА |
КЗГ |
КНПС | |
|
Массовая доля летучих веществ, %, не более |
9, 0 |
9, 0 |
6, 0 |
|
Зольность, %, не более |
0, 4 - 0, 6 |
0, 6 |
0, 15 - 0, 30 |
|
Массовая доля серы, %, не более |
1, 2 - 1, 5 |
1, 0 |
0, 2 - 0, 4 |
|
Действительная плотность после прокаливания при 1300°С, в течение 5 час, г/см3 |
2, 08 - 2, 13 |
2, 08 - 2, 13 |
2, 04 - 2, 08 |
|
Массовая доля, %, не более: - кремния - железа - ванадия |
0, 04 - 0, 08 0, 05 - 0, 08 0, 01 | ||
Возможно получение не только стандартного кокса, но и нефтяной коксующей добавки. Коксующая добавка - это кокс с высоким содержанием летучих веществ 15 - 25%, против 11% для кокса алюминиевой промышленности. Коксующая добавка представляет собой продукт замедленного полукоксования тяжелых нефтяных остатков, получаемый в более "мягком" температурном режиме по сравнению с температурным режимом коксования.
НКД эффективна при производстве различного доменного кокса, крупного литейного кокса и специального кокса для цветной металлургии, обладает широким температурным интервалом пластичности, который перекрывает суммарный температурный интервал пластичности всех коксующихся углей, входящих в угольные шихты для коксования.
На рисунке 2.22 представлена принципиальная технологическая схема установки замедленного коксования. Сырье - гудрон или крекинг-остаток (или их смесь) - нагревают в теплообменнике 20 и конвекционных змеевиках печи 3 и подают на нижнюю каскадную тарелку колонны 4. Часть сырья подается на нижнюю каскадную тарелку для регулирования коэффициента рециркуляции. Под нижнюю каскадную тарелку этой колонны подают горячие газы и пары продуктов коксования из коксовых камер 1 и 11. В результате контакта сырья с восходящим потоком газов и паров продуктов коксования сырье нагревается (до температуры 390 - 405°С), при этом низкокипящие его фракции испаряются, а тяжелые фракции паров конденсируются и смешиваются с сырьем, образуя так называемое вторичное сырье.
Вторичное сырье с низа колонны 4 забирают печным насосом и направляют в реакционные радиантные змеевики печи 3 (их две, работают параллельно, на схеме показана одна). В печи 3 вторичное сырье нагревается до 490 - 510°С и поступает через четырехходовый кран в камеру 1, камера 11 в это время находится под разгрузкой кокса. Входя в низ камеры 1, горячее сырье постепенно заполняет ее; так как объем камеры большой, время пребывания сырья в ней значительно, там и происходит крекинг сырья. Пары продуктов коксования непрерывно уходят из камеры 1 в колонну 4, а утяжеленный остаток задерживается в камере. Жидкий остаток постепенно превращается в кокс.
Фракционирующая часть УЗК включает основную ректификационную колонну 4, отпарные колонны 5 и 6, фракционирующий абсорбер 7 для деэтанизации газов коксования и колонну стабилизации бензина 10.
Колонна 4 разделена полуглухой тарелкой на две части: нижнюю, которая является конденсатором смешения, а не отгонной секцией колонны, и верхнюю, выполняющую функцию концентрационной секции ректификационных колонн. В верхней части 4 осуществляется разделение продуктов коксования на газ, бензин, легкий и тяжелый газойль. В колонне 4 температурный режим регулируется верхним холодным и промежуточным циркуляционным орошениям. Легкий и тяжелый газойль выводят через отпарные колонны соответственно 5 и 6. Газы и нестабильный бензин из сепаратора 8 поступают в фракционирующий абсорбер 7. В верхнюю часть абсорбера 7 подают охлажденный стабильный бензин, в нижнюю часть подводят тепло посредством кипятильника с паровым пространством. С верха абсорбера 7 выводят сухой газ, а снизу - насыщенный нестабильный бензин, который подвергают стабилизации в колонне 10, где от него отгоняют головку - пропан-бутановую фракцию. Стабильный бензин охлаждают в холодильнике 16, очищают от сернистых соединений щелочной промывкой и выводят с установки.
Коксовые камеры 1 и 11 работают по цикличному графику. В них последовательно чередуются циклы: коксование, охлаждение кокса, выгрузка его и разогрев камер. Когда камера 1 заполняется примерно на 70 - 80% по высоте, поток сырья с помощью переключающих кранов направляют в камеру 11. Заполненную коксом камеру 1 продувают водяным паром для удаления жидких продуктов и нефтяных паров. Удаляемые продукты поступают сначала в колонну 4. После того, как температура кокса понизится до 400 - 405°С, поток паров отключают от колонны и направляют в скруббер (на рисунке не показан). Водяным паром кокс охлаждают до 200°С, после чего в камеру подают воду.
Закончив охлаждение, приступают к выгрузке кокса из камеры 1 с использованием гидравлического метода. Оборудование, предназначенное для гидровыгрузки, размещают на специальной металлоконструкции, установленной над коксовыми камерами.
Компоновка оборудования изображена на рисунке 2.23. На ряде НПЗ имеются системы автоматической выгрузки.
Выгрузка кокса производят в две стадии. На первой стадии осуществляется гидравлическое бурение центрального ствола (скважины) в слое кокса. В камеру через верхний люк опускают гидрорезак 1, переведенный в положение "бурение", и с помощью водяного насоса под давлением до 18 МПа подают воду.
Три мощные струи воды, истекающие из бурильных сопел, разрушают слой кокса, создавая сквозной канал диаметром от 0, 6 до 1, 8 м. После окончания первой стадии гидрорезак выводят из камеры; переключают в положение "отбойка" и приступают ко второй стадии выгрузки. Во время второй стадии вода истекает горизонтально из двух боковых сопел гидрорезака, который перемещается по камере, способствуя полному удалению кокса.
Из камер кокс выгружают на прикамерную площадку, где в течение определенного времени отстаивают от воды. Затем кокс подают в дробилку и конвейерами отгружают на склад.
Коксовую камеру, из которой выгружен кокс, опрессовывают и прогревают сначала острым водяным паром, затем горячими парами продуктов коксования из работающей камеры до температуры 360 - 370°С и после этого переключают в рабочий цикл коксования.
Материальный баланс процесса
Материальный баланс процесса замедленного коксования различных фирм представлен в таблице 2.19.
|
Наименование показателей |
Технология | ||||
|
Foster Wheeller |
Conoco Phillips |
УГНТУ | |||
|
Качество сырья - плотность при 20°С, г/см3 - содержание серы, % мас. - коксуемость, % мас. - содержание металлов (V/Ni), ppm - вязкость |
1, 0074 3, 5 15, 0 112/37 ν80 - 2080 сСт |
0, 980 1, 29 15, 4 54/27 ν100 - 356 сСт |
1, 0753 3, 46 26, 0 290/130 ВУ140 - 17, 7 °Е | ||
|
Материальный баланс Выход продуктов, % мас.: |
1, 86 |
1, 84 |
1, 44 | ||
|
- H2S - топливный газ - сжиженный углеводородный газ |
1, 1 3, 8 4, 6 |
}9, 5 |
0, 4 5, 5 6, 6 |
}12, 5 |
}13, 2 |
|
- нафта - легкий газойль - тяжелый газойль - кокс |
14, 8 31, 8 14, 0 29, 9 |
15, 8 34, 6 8, 7 28, 4 |
5, 0 22, 2 22, 0 37, 6 | ||
2.7.2 Технология прокаливания кокса
Нефтяной кокс перед использованием потребителями подвергают прокаливанию - термической обработке без доступа воздуха при температуре 1000 - 1500°С. Основная цель прокаливания - обеспечение требуемых показателей кокса по физико-химическим и механическим свойствам путем удаления влаги, летучих веществ, частично сернистых соединений и улучшения углеродной структуры.
Условия процесса прокаливания нефтяных коксов зависят от свойств сырья. Малосернистый кокс обычно прокаливают при мягком режиме с целью удаления летучих веществ (температура 1000 - 1300°С, время прокаливания 1, 0 - 24 ч). Жесткий режим (температура 1400 - 1500°С, время прокаливания 1 - 2 ч) обеспечивает также удаление серы и применяется для обессеривания коксов.
На рисунке 2.24 представлена схема прокаливания кокса.
Сырой кокс из бункера 1 через питатель 2 проходит по ленточному конвейеру 3, попадает в дробилку 5, где происходит его измельчение. Далее измельченный кокс поступает в накопительный бункер 6, проходит через весы-дозатор 7 и входит в печь 8, где осуществляется прокаливание кокса. Затем прокаленный кокс охлаждают в охладителе 10 и выводят через бункер 12 в вагон 13. Коксовую пыль улавливают и дожигают в печи 15. Продукты сгорания уходят в дымовую трубу.


